电力线路与电气化铁路交叉或平行接近的要求
- 格式:xls
- 大小:20.01 KB
- 文档页数:2
邻近或交叉其他电力线路的工作安全是电力施工和维修工作中非常重要的一环。
在进行这类工作时,需要特别注意与其他电力线路的距离和安全间隔,以防止发生电弧、电击和其他意外事故。
本文将详细介绍邻近或交叉其他电力线路的工作安全措施,包括线路规划、工作准备、安全隔离和紧急情况处理等方面。
一、线路规划在进行与其他电力线路邻近或交叉的工作前,需要进行详细的线路规划。
首先,需要准确确定邻近或交叉的线路的位置和类型,以及其所携带的电压等级和负荷情况。
其次,需要进行现场勘测,以确定工作区域的具体情况,包括地形、环境和接入道路等因素。
最后,需要制定详细的工作计划,并与相关部门进行协调和沟通,以确保施工和维修工作的顺利进行。
二、工作准备在进行邻近或交叉其他电力线路的工作前,需要进行详细的工作准备。
首先,需要对施工和维修工作所需的工具、设备、材料和人员进行准备,确保其数量和质量满足工作需要。
其次,需要对工作区域进行清理和标识,确保没有杂物、障碍物和其他危险因素存在。
最后,需要对工作人员进行培训和安全教育,使其熟悉工作流程和安全措施,增强安全意识和应急能力。
三、安全隔离在进行邻近或交叉其他电力线路的工作时,需要严格遵守安全隔离措施,以确保工作人员的安全。
首先,需要与邻近或交叉的线路进行安全隔离,如设置临时屏蔽罩和安全标识,确保工作区域与其他电力线路保持一定的距离。
其次,需要使用绝缘工具和绝缘装备,以防止电击和电弧放电。
最后,需要进行电位连接和接地操作,以确保工作区域的电位和接地状态符合安全要求。
四、紧急情况处理在进行邻近或交叉其他电力线路的工作时,可能会发生紧急情况,如事故、故障和人员伤害等。
在这种情况下,需要及时采取应急措施,以保护工作人员的安全。
首先,需要立即向相关部门报告并寻求帮助,以获取专业的救援和支持。
其次,需要对伤者进行急救和处理,以减轻伤害和痛苦。
最后,需要对事故和故障进行调查和分析,以找出原因和责任,并采取相应的措施,以防止类似事件的再次发生。
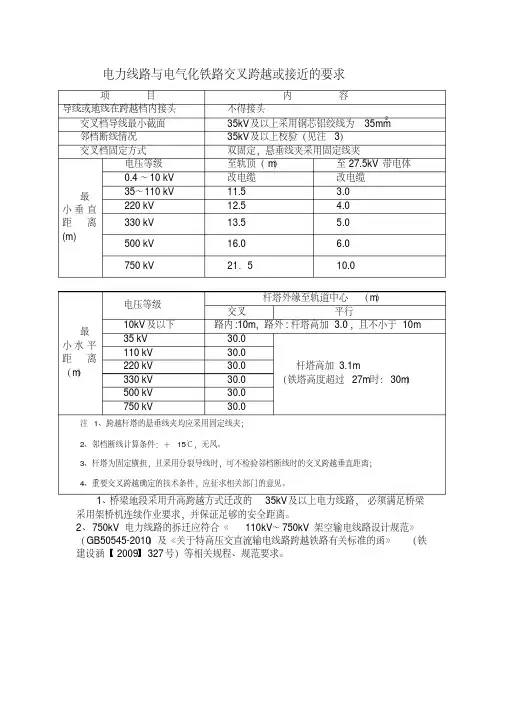
电力线路与电气化铁路交叉跨越或接近的要求
项目内容
导线或地线在跨越档内接头不得接头
交叉档导线最小截面35kV及以上采用钢芯铝绞线为35mm2邻档断线情况35kV及以上校验(见注3)
交叉档固定方式双固定,悬垂线夹采用固定线夹
最小垂直距离(m) 电压等级至轨顶(m)至27.5kV带电体0.4~10 kV 改电缆改电缆
35~110 kV 11.5 3.0
220 kV 12.5 4.0
330 kV 13.5 5.0
500 kV 16.0 6.0
750 kV 21.5 10.0
最小水平距离(m)电压等级
杆塔外缘至轨道中心(m)
交叉平行
10kV及以下路内:10m,路外:杆塔高加 3.0,且不小于10m 35 kV 30.0
杆塔高加3.1m
(铁塔高度超过27m时:30m)110 kV 30.0
220 kV 30.0
330 kV 30.0
500 kV 30.0
750 kV 30.0
注1、跨越杆塔的悬垂线夹均应采用固定线夹;
2、邻档断线计算条件:+15℃,无风。
3、杆塔为固定横担,且采用分裂导线时,可不检验邻档断线时的交叉跨越垂直距离;
4、重要交叉跨越确定的技术条件,应征求相关部门的意见。
1、桥梁地段采用升高跨越方式迁改的35kV及以上电力线路,必须满足桥梁采用架桥机连续作业要求,并保证足够的安全距离。
2、750kV电力线路的拆迁应符合《110kV~750kV架空输电线路设计规范》(GB50545-2010)及《关于特高压交直流输电线路跨越铁路有关标准的函》(铁建设涵【2009】327号)等相关规程、规范要求。
电力线路测量及迁改技术要求电力(一)电力线路概况1、在1:2000的线路平面图中,测出勘测范围内的所有高低压电力线路和电力设施(室外变压器台、变配电所)位置,并在线路平面图中标出电力线路的杆位、杆塔类型、电压等级、架空电力线路平行接近或交叉跨越的位置,以及标出电力设施的位置和类型。
(1)确认该回线路的电压等级(电压等级分为0.22/0.38kV、10kV、35kV、110kV、220kV、500kV,电压等级的判断:按绝缘子一串的片数判断:10kV一般为1~2片;35kV一般为3~4片;110kV一般为6~8片;220kV一般为12片以上。
电压等级一般在杆塔上有标注)。
(2)名称(一般标注在杆塔上)。
(3)回路数(画出杆塔导线导线排列示意图)。
4、地下管沟、电缆等应尽量标明。
5、标注定测范围内全部建筑物名称、面积、层数,对易燃物为屋顶及易爆场所应特别标注。
(二)电力线路与铁路交叉时勘测要求1、调查范围:所有与铁路交叉的电力线路。
2、该回路电力线路距地面最低导线与铁路交叉里程及铁路中桩地面和轨顶高程(精度误差为0.01m);3、该回电力线路距地面最低导线距轨顶的垂直距离(精度误差为0.01m);5、在线路平面图上标注该回路(应包括跨越档两侧相邻一档的平面位置),铁路两侧各两基杆塔位置的误差应在0.1m范围内。
6、电力线路的导线在交叉档内是否有接头。
7、电力线路杆塔设于隧道顶上时,对杆塔基础的影响。
8、路基施工对电力线路杆塔的影响。
(三)电力线路与铁路平行时勘测要求1、调查范围:距铁路轨道中心100m范围内的所有电压等级的电力线路。
3附注:一、规范规定的电力线路与铁路交叉或接近的基本要求1、电力线路与铁路交叉时(1)该回路电力线路距地面最低导线距轨顶的最小垂直距离10kV及以下不允许跨越电气化铁路:35~110kV:12m;220kV:13m;500kV:16m。
(2)该回线路两侧杆塔边缘距最近轨道中心的最小水平距离:30m。
电力线路及变电站与铁路平行及交叉的技术要求铁路定线时应避让重要电力设施的技术要求为保证铁路线路方案的稳定和合理性,确定铁路线位时应满足与电力线路和设施安全距离的有关规定:铁路不应上跨架空电网主干线。
在铁路出站信号机以内不宜有电网主干线架空跨越铁路,架空电力线路上跨铁路时跨越档导线或地线不得接头。
与地方发、变电站的距离为避免铁路施工和运营对地方发、变电站设备运行的影响,尽量减少高等级电力线路迁改及实施难度,铁路征地边界与发、地方变电站围墙的最小水平距离宜满足以下要求中的最大值:(1)铁路采用桥梁通过时对35kV及以上变电站一般不小于200米,困难时不小于50米。
若有110kV及以上的进出线需迁改时,铁路中心对变电站围墙的距离不宜小于400米,困难时不小于200米。
(2)铁路采用路基通过时对110kV及以上变电站一般为400米,困难时100米;对35kV变电站一般为200米,困难时50米。
(3)当铁路轨面高于地面且高差超过5米时:铁路中心对110kV及以上变电站围墙的距离不宜小于400米,困难时不小于200米。
与电力线路安全距离根据现行有关的规程规范,安全距离要求见下表:铁路与电力线路交叉或接近的最小安全距离要求项目内容最小垂直电压等级最低导线最大弧垂时至轨顶最低导线最大弧垂时至接触网最高带电体35~110kV 11.5m 3.0m距离220kV 12.5m 4.0m 330kV 13.5m 5.0m500kV 16.0m6.0m(对接触网支柱顶8.0m) 750kV 21.5m 7.0m±800kV直流21.5m 15.0m 1000kV 27.0m10.0m(对接触网支柱顶16.0m)最小水平距离电压等级杆塔基础外缘至轨道中心交叉平行接近35~750kV 30.0m最高杆塔高度加3.1m。
±800kV直流40.0m1000kV 40.0m1.送电线路跨越档距超过200m时,最大弧垂应按导线温度+70℃计算;2.最小垂直距离应采用最大弧垂计算。
电气化铁路附近有关安全规定
电气化铁路是指通过电气化系统为铁路列车提供动力的铁路系统。
由于电气化铁路涉及高压电、电磁辐射等安全风险,因此制定了一系列的安全规定来确保列车运行和乘客安全。
以下是电气化铁路附近的一些关键安全规定:
1. 禁止未经许可的进入电气化铁路范围内,包括轨道和供电设备的操作区域。
2. 不得在电气化铁路附近进行乱堆乱放、燃放烟花爆竹等有火源行为,以防止火灾和电气设备损坏。
3. 禁止在电气化铁路附近修建高大建筑物或交叉架设电力线路,以防止这些结构物对电气设备造成阻碍或干扰。
4. 不得在电气化铁路附近进行挖掘、施工等活动,以避免影响电气化系统的稳定性和运行。
5. 在电气化铁路附近施工时,必须遵守相关安全操作规程,并采取必要的安全防护措施,确保施工人员的安全。
6. 乘客在电气化铁路内必须遵守相关安全规定,不得乱丢废弃物、随意触摸供电设备,以及在行车过程中将身体部位伸出车窗外等危险行为。
7. 电气化铁路附近设备维护人员必须定期检查并保养供电设备,确保其正常运行以及防止电气故障。
总之,电气化铁路附近的安全规定旨在保障人员的生命安全和设备的正常运行,禁止不符合规定的行为或活动,提高电气化
铁路的安全性和可靠性。
请在接近或进入电气化铁路区域时务必遵守相关规定,以免造成安全事故。
2024年邻近或交叉其他电力线路的工作安主要涉及到电力工人在工作过程中避免和其他电力线路交叉或邻近的安全问题。
在进行电力线路施工、维修和检修等工作时,电力工人需要关注以下几个方面的安全措施。
首先,要加强对邻近或交叉其他电力线路施工区域的入场许可管理。
电力工人在施工前应该通过申请入场许可,在入场前应进行必要的检查和认证,确保施工现场满足安全要求。
同时,还需要进行相关工作区域的标识和隔离措施,确保邻近或交叉电力线路的边界清晰可见,避免误入禁区。
其次,要进行周边电力线路的详细勘察和评估。
在施工前,电力工人应对周边的电力线路进行全面的勘察和评估,了解电力线路的布局、电力设施的位置和状态等情况。
这有助于准确判断可能存在的危险源和安全风险,采取相应的措施保障施工安全。
此外,要加强与邻近或交叉电力线路管理单位的沟通与协作。
电力工人在进行邻近或交叉电力线路的施工工作时,应与相关电力线路的管理单位进行沟通和协作。
及时告知施工计划和施工进度,共同商讨解决方案。
通过合作,可以有效减少邻近或交叉电力线路的安全风险,保障施工人员的安全。
另外,要加强对施工人员的培训和安全意识教育。
电力工人在进行邻近或交叉电力线路的工作时,需要具备一定的专业知识和技能。
相关单位应对施工人员进行专业培训,提高其技术水平和工作安全意识。
同时,还需要通过经验交流、警示教育等形式,加强对施工人员的安全教育和培养正确的安全思想和行为习惯。
最后,要加强现场巡检和应急处理措施。
在施工过程中,应常规进行现场巡查,及时发现和处理可能存在的安全隐患。
同时,要制定应急预案,合理安排人员和物资,预防和应对意外情况。
在发生事故或突发状况时,要迅速启动应急机制,采取相应的紧急措施,保障人员的生命安全。
总之,2024年邻近或交叉其他电力线路的工作安全是一个重要课题。
通过加强入场许可管理、周边电力线路勘察和评估、沟通与协作、培训和安全意识教育、现场巡检和应急处理等措施,可以有效降低工作风险,保障电力工人的安全。
铁路定线时应避让重要电力设施的技术要求为保证铁路线路方案的稳定和合理性,确定铁路线位时应满足与电力线路和设施安全距离的有关规定:A.4.1铁路不应上跨架空电网主干线。
A.4.2在铁路出站信号机以内不宜有电网主干线架空跨越铁路,架空电力线路上跨铁路时跨越档导线或地线不得接头。
A.4.3与地方发、变电站的距离为避免铁路施工和运营对地方发、变电站设备运行的影响,尽量减少高等级电力线路迁改及实施难度,铁路征地边界与发、地方变电站围墙的最小水平距离宜满足以下要求中的最大值:(1)铁路采用桥梁通过时对35kV及以上变电站一般不小于200米,困难时不小于50米。
若有110kV及以上的进出线需迁改时,铁路中心对变电站围墙的距离不宜小于400米,困难时不小于200米。
(2)铁路采用路基通过时对110kV及以上变电站一般为400米,困难时100米;对35kV变电站一般为200米,困难时50米。
(3)当铁路轨面高于地面且高差超过5米时:铁路中心对110kV及以上变电站围墙的距离不宜小于400米,困难时不小于200米。
A.4.4与电力线路安全距离根据现行有关的规程规范,安全距离要求见下表:铁路与电力线路交叉或接近的最小安全距离要求附录B 电力线路及设施调查表附录C 电力线路及设施调查表填写要求本细则附录B《电力线路及设施调查表》为电力线路和设施勘察资料统计专用表格,勘察阶段线路、站场等范围内的电力迁改调查、勘察和统计工作均应按本要求进行。
同时还应在线路平面图中绘出电力线路和设施的走向和杆塔位置,对于35kV及以上电力线路还应在平面图中标明线路名称、电压等级和杆塔号等信息。
现将有关要求详细说明如下:C.1电压等级的确定C.1.1常用标称电压常用标称电压等级分为:交流0.22kV、0.38kV、10kV、35kV、110kV、220kV、330kV、500kV、750kV、1000kV等, 直流500kV、800kV等。
10kV及以上交流线路每个回路一般为3根导线,500kV、800kV直流线路一般每个回路为2根导线。
车辆行人通过电气化铁路平交道口安全规定1. 引言电气化铁路平交道口是指铁路与道路交叉时,没有铁路桥梁、隧道或涵洞而交叉的地点。
车辆和行人在通过电气化铁路平交道口时,需要严格遵守安全规定,以确保交通安全。
本文将介绍车辆和行人在通过电气化铁路平交道口时应遵守的安全规定。
2. 车辆通过电气化铁路平交道口安全规定2.1 车辆在接近电气化铁路平交道口时,应减速慢行,保持安全距离。
2.2 车辆在接近道口时,应注意观察信号灯、标志牌和警示标志,按照交通信号灯的指示行驶。
2.3 当交通信号灯为红色或闪烁黄色时,车辆应停车等待。
2.4 当交通信号灯为绿色时,车辆可以继续前行。
但是,需要确保无火车通过,且道口畅通无障碍。
2.5 车辆在通过电气化铁路平交道口时,不得超车、倒车或掉头。
2.6 车辆通过电气化铁路平交道口时,应保持警觉,防止其他车辆或行人突然冲入铁路。
2.7 车辆通过电气化铁路平交道口时,应保持车速适中,不得超过限速标志规定的速度。
3. 行人通过电气化铁路平交道口安全规定3.1 行人在接近电气化铁路平交道口时,应提前观察信号灯、标志牌和警示标志。
3.2 当交通信号灯为红色或闪烁黄色时,行人应停在安全区域等待。
3.3 当交通信号灯为绿色时,行人可以继续通过电气化铁路平交道口。
但是,在通过时应保持警觉,确保无火车通过且道口畅通无障碍。
3.4 行人通过电气化铁路平交道口时,不得奔跑、逗留或嬉戏。
3.5 行人在通过电气化铁路平交道口时,应使用人行横道或过街天桥,不得穿越铁路。
3.6 行人应遵守交通规则和交通信号灯的指示,不得随意闯红灯。
4. 电气化铁路平交道口安全提示4.1 通过电气化铁路平交道口时,车辆和行人应保持警觉,不得分神。
4.2 如果电气化铁路平交道口存在警示标志,请务必遵守警示标志的指示。
4.3 雨天、雾天、夜间等能见度较低时,应格外小心通过电气化铁路平交道口。
4.4 如果发现道口存在故障或异常情况,应立即报警或通知相关部门。
表B.7 架空电力线路与铁路、道路、河流、管道、索道及各种架空线路交叉或接近的要求
续表B.7
注:1 特殊管道指架设在地面上输送易燃、易爆物的管道; 2 管道、索道上的附属设施,应视为管道、索道的一部分;
3 常年高水位是指5年一遇洪水位,最高洪水位对35kV及以上架空电力线路是指百年一遇洪水位,对l0kV及以下架空电力线路是指50年一遇洪水位;
4 不能通航河流指不能通航,也不能浮运的河流;
5 对路径受限制地区的最小水平距离的要求,应计及架空电力线路导线的最大风偏;
6 对电气化铁路的安全距离主要是电力线导线与承力索和接触线的距离控制,因此,对电气化铁路轨顶的距离按实际情况确定。
电气化铁路附近有关安全规定
电气化铁路附近的安全规定包括以下几点:
1. 禁止擅自进入电气化铁路区域:电气化铁路危险较高,一般禁止普通人员进入,包括行走、停留或横穿铁路。
2. 不得在电气化铁路上行走:行人不得沿着电气化铁路行走,特别是离电气化装置和电缆较近的地方。
3. 注意信号和警示灯的指示:电气化铁路会使用信号和警示灯来指引列车运行和警示相关人员,尤其是接近道口或交叉口时,不得逾越警示灯或信号。
4. 禁止攀爬电气化铁路设备:电气化装置和设备有高压电,禁止人员攀爬或触摸设备。
5. 禁止在电气化铁路近旁存放易燃易爆物品:避免引发火灾或爆炸事故。
6. 不得私拉电源线路:私拉电源线路可能会触发事故和火灾,必须经过专业人员批准和施工。
7. 需要通过电气化铁路时应按规定操作:如需要穿越电气化铁路或维修电气化装置,必须按照相关规定和程序操作。
这些安全规定的目的是确保电气化铁路周边的人员和财产的安全,并减少事故的发生。
在电气化铁路附近工作或经过时,请务必遵守相关规定,提高安全意识。
第 1 页共 1 页。
电力线路及变电站与铁路平行及交叉的技术要求随着经济的发展和城市化进程的加快,铁路和电力线路及变电站的平行和交叉迫切需要。
然而,由于不同功能需求的冲突,电力线路及变电站与铁路的平行和交叉存在一些技术要求。
1.安全性要求:电力线路及变电站与铁路平行和交叉必须符合安全性要求。
首先,电力线路及变电站与铁路之间的安全间距需要满足国家标准,确保在任何情况下都不会发生危险。
其次,电力线路需保证在不同气象条件下的工作稳定性,避免对列车行驶产生影响。
最后,变电站的设备和结构需经过严格的设计和测试,避免对铁路设施和人员产生危害。
2.干扰控制:电力线路及变电站与铁路平行和交叉时,需要采取措施降低互相之间的干扰。
电力线路和变电站的电磁辐射会对铁路信号系统产生干扰,影响列车正常运行。
因此,需要采取措施对电力线路及变电站进行抗干扰设计,确保信号系统的正常工作。
3.线路设计要求:电力线路及变电站与铁路平行和交叉时,需要考虑到线路设计的要求。
电力线路满足了以电能传输为主要功能的需求,而铁路则满足了承载运输功能的需求。
因此,需要根据两者的特点,确保电力线路及变电站的架设和设计不会对铁路的建设和维护产生妨碍,例如在设计电力塔时,需避免对铁路桥梁和隧道产生影响。
4.干涉防护:电力线路及变电站与铁路平行和交叉时,需要采取措施确保双方之间的干涉不会发生。
例如,在交叉处,需要对电力线路和变电站进行防护措施,避免铁路交汇处对电力线路及变电站产生影响。
另外,在平行区域,需要设置屏蔽装置,降低对铁路线路和设备的干扰。
5.人员安全:电力线路及变电站与铁路平行和交叉的地方,需要设置相应的保护措施,确保人员的安全。
例如,在变电站附近的铁路桥梁上,需要设置防坠落设施,避免施工人员或维护人员发生事故。
此外,还需要设置明显的标识和警告标志,提醒人们注意相关的安全风险。
总结起来,电力线路及变电站与铁路平行和交叉需要满足多项技术要求,包括安全性、干扰控制、线路设计、干涉防护以及人员安全等。
铁路定线时应避让重要电力设施的技术要求为保证铁路线路方案的稳定和合理性,确定铁路线位时应满足与电力线路和设施安全距离的有关规定:A.4.1铁路不应上跨架空电网主干线。
A.4.2在铁路出站信号机以不宜有电网主干线架空跨越铁路,架空电力线路上跨铁路时跨越档导线或地线不得接头。
A.4.3与地方发、变电站的距离为避免铁路施工和运营对地方发、变电站设备运行的影响,尽量减少高等级电力线路迁改及实施难度,铁路征地边界与发、地方变电站围墙的最小水平距离宜满足以下要求中的最大值:(1)铁路采用桥梁通过时对35kV及以上变电站一般不小于200米,困难时不小于50米。
若有110kV及以上的进出线需迁改时,铁路中心对变电站围墙的距离不宜小于400米,困难时不小于200米。
(2)铁路采用路基通过时对110kV及以上变电站一般为400米,困难时100米;对35kV变电站一般为200米,困难时50米。
(3)当铁路轨面高于地面且高差超过5米时:铁路中心对110kV及以上变电站围墙的距离不宜小于400米,困难时不小于200米。
A.4.4与电力线路安全距离根据现行有关的规程规,安全距离要求见下表:铁路与电力线路交叉或接近的最小安全距离要求附录B 电力线路及设施调查表铁路 段 阶段电力线路及设施调查表(2010版)铁路里程范围:制表:年 月 日复核:年 月 日技术队长:签收:年 月 日勘测单位:第 页共 页勘测单位:电力专业:年 月 日附录C 电力线路及设施调查表填写要求本细则附录B《电力线路及设施调查表》为电力线路和设施勘察资料统计专用表格,勘察阶段线路、站场等围的电力迁改调查、勘察和统计工作均应按本要求进行。
同时还应在线路平面图中绘出电力线路和设施的走向和杆塔位置,对于35kV及以上电力线路还应在平面图中标明线路名称、电压等级和杆塔号等信息。
现将有关要求详细说明如下:C.1电压等级的确定C.1.1常用标称电压常用标称电压等级分为:交流0.22kV、0.38kV、10kV、35kV、110kV、220kV、330kV、500kV、750kV、1000kV等, 直流500kV、800kV等。
电力线路及变电站与铁路平行及交叉的技术要求Document serial number【NL89WT-NY98YT-NC8CB-NNUUT-NUT108】铁路定线时应避让重要电力设施的技术要求为保证铁路线路方案的稳定和合理性,确定铁路线位时应满足与电力线路和设施安全距离的有关规定:A.4.1铁路不应上跨架空电网主干线。
A.4.2在铁路出站信号机以内不宜有电网主干线架空跨越铁路,架空电力线路上跨铁路时跨越档导线或地线不得接头。
A.4.3与地方发、变电站的距离为避免铁路施工和运营对地方发、变电站设备运行的影响,尽量减少高等级电力线路迁改及实施难度,铁路征地边界与发、地方变电站围墙的最小水平距离宜满足以下要求中的最大值:(1)铁路采用桥梁通过时对35kV及以上变电站一般不小于200米,困难时不小于50米。
若有110kV及以上的进出线需迁改时,铁路中心对变电站围墙的距离不宜小于400米,困难时不小于200米。
(2)铁路采用路基通过时对110kV及以上变电站一般为400米,困难时100米;对35kV变电站一般为200米,困难时50米。
(3)当铁路轨面高于地面且高差超过5米时:铁路中心对110kV及以上变电站围墙的距离不宜小于400米,困难时不小于200米。
A.4.4与电力线路安全距离根据现行有关的规程规范,安全距离要求见下表:铁路与电力线路交叉或接近的最小安全距离要求附录B 电力线路及设施调查表附录C 电力线路及设施调查表填写要求本细则附录B《电力线路及设施调查表》为电力线路和设施勘察资料统计专用表格,勘察阶段线路、站场等范围内的电力迁改调查、勘察和统计工作均应按本要求进行。
同时还应在线路平面图中绘出电力线路和设施的走向和杆塔位置,对于35kV及以上电力线路还应在平面图中标明线路名称、电压等级和杆塔号等信息。
现将有关要求详细说明如下:电压等级的确定常用标称电压常用标称电压等级分为:交流、、10kV、35kV、110kV、220kV、330kV、500kV、750kV、1000kV等, 直流500kV、800kV等。
高压输电线路与铁路交叉设计标准零才博客一、架空线路与铁路交叉架空电力线路与铁路交叉跨越或接近的要求见下表:项目技术要求交叉档导线最小截面 35kV 以上采用钢芯铝绞线35mm 2 导线在交叉档内接头 不允许 交叉档导线支持方式 (针式绝缘子或瓷横担)独立耐张段双固定、双挂点、双联串等 导线最大弧垂时最小垂直距离(m)线路电压(kV ) 至轨面至接触网最上部导体无架桥机通过时 有架桥机通过时 35kV 及以下 改电缆 66 11.5 17.6 3.0 110 11.5 17.6 3.0 220 12.5 18.6 4.0 330 13.5 19.6 5.0 500 16.0 20.6 6.0750 21.5 21.6 7.0(10.0) 1000单回 27.0 10.0(16.0) 1000双回 25.0 10.0(14.0) ±500 16.0 22.2 7.6(8.5) ±660单回 18.0 24.0 10.0(12.5) ±660双回 18.0 24.0 10.5(12.5) ±80021.524.015.0±100028.5 30.0 19.5最小水平距离(m) 线路电压(kV ) 杆塔外缘至轨道中心 0.38及以下 杆塔高加3.1且不小于10 10(6) 35~66 平行:杆塔高加3.1交叉:杆塔高加 3.1,无法满足时可通过双方协商,适当减少,但不得小于30110 平行:杆塔高加 3.1,无法满足时可通过双方协商确定交叉:杆塔高加 3.1,无法满足时可通过双方协商,适当减少,但不得小于30。
220 330 500 750 1000 平行:杆塔高加 3.1,无法满足时可通过双方协商确定交叉:杆塔高加 3.1,无法满足时可通过双方协商,适当减少,但不得小于40。
±500 ±660 ±800 ±1000注:1 括号内的数据表示架空电力线路跨越接触网杆(塔)时,导线最大弧垂时距杆(塔)顶的垂直距离。