暖通冷热源-冷源系统控制流程原理图
- 格式:pdf
- 大小:744.25 KB
- 文档页数:1
动图演示暖通空调系统,收藏!
动图演示各种暖通空调系统
直观明了,收藏了!
水冷机组+风机盘管系统
风冷热泵+FCU+AHU
水系统
地源热泵系统
地源热泵原理
夏天工作原理
冬天工作原理
水源热泵原理图
空气源热泵原理
还是空气能热泵,制冷的同时回收部分冷凝热制取热水同时地热采暖和制取热水的模式
吸收式制冷
接着是末端的,风管机侧送风,下回风
热回收组合式空调机组
两张新风热交换器的示意图,回收排风能量
地暖分集水器
接着是家用空调的一些示意图
一拖五系统
户式新风系统
区域能源系统。
(暖通空调)通俗易懂的中央空调系统图与工作流程下图所示为一典型中央空调机组系统图,主要由冷冻水循环系统、冷却水循环系统、主机三部分组成:中央空调系统原理图● 冷冻水循环系统该部分由冷冻泵、室内风机及冷冻水管道等组成。
从主机蒸发器流出的低温冷冻水由冷冻泵加压送入冷冻水管道(出水),进入室内进行热交换,带走房间内的热量,最后回到主机蒸发器(回水)。
室内风机用于将空气吹过冷冻水管道,降低空气温度,加速室内热交换。
● 冷却水循环部分该部分由冷却泵、冷却水管道、冷却水塔及冷凝器等组成。
冷冻水循环系统进行室内热交换的同时,必将带走室内大量的热能。
该热能通过主机内的冷媒传递给冷却水,使冷却水温度升高。
冷却泵将升温后的冷却水压入冷却水塔(出水),使之与大气进行热交换,降低温度后再送回主机冷凝器(回水)。
● 主机主机部分由压缩机、蒸发器、冷凝器及冷媒(制冷剂)等组成,其工作循环过程如下:首先低压气态冷媒被压缩机加压进入冷凝器并逐渐冷凝成高压液体。
在冷凝过程中冷媒会释放出大量热能,这部分热能被冷凝器中的冷却水吸收并送到室外的冷却塔上,最终释放到大气中去。
随后冷凝器中的高压液态冷媒在流经蒸发器前的节流降压装置时,因为压力的突变而气化,形成气液混合物进入蒸发器。
冷媒在蒸发器中不断气化,同时会吸收冷冻水中的热量使其达到较低温度。
最后,蒸发器中气化后的冷媒又变成了低压气体,重新进入了压缩机,如此循环往复。
●膨胀水箱膨胀水箱是热水采暖系统和中央空调水路系统中的重要部件,它的作用是收容和补偿系统中水的胀缩量。
一般都将膨胀水箱设在系统的最高点,通常都接在循环水泵(中央空调冷冻水循环水泵)吸水口附近的回水干管上。
膨胀水箱是一个钢板焊制的容器,有各种大小不同的规格。
膨胀水箱上通常接有以下管道:•膨胀管它将系统中水因加热膨胀所增加的体积转入膨胀水箱(和回水干道相连接)。
•溢流管用于排出水箱内超过规定水位的多余的水。
信号管用于监督水箱内的水位。
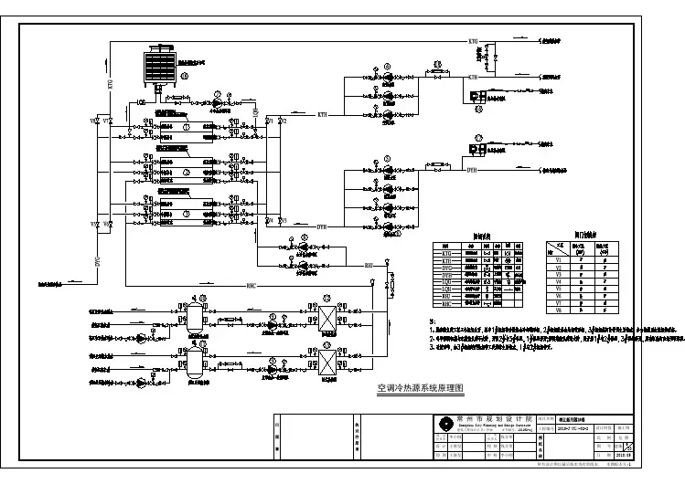
冷源控制系统(YC)采用目前比较科学的控制方案,通过采集运行机组的负荷及供水温度参数来选择机组的开启台数。
该控制方案为“模糊控制”模式,可以任意选取运行时间较短的机组运行,也可以根据发生的故障自动切换到另一制冷组运行,达到节能和自动控制的最优化。
案例分析原理图大 机组板换大机组板换大机组板换小机 组板换小机组板换冷却水冰水蓄冷罐一次泵一次泵一次泵一次泵一次泵五台二次泵供水总管源控冷热源系统智能控制原理说明: (一)YC监控系统定义和说明✧控制模式:该系统分为三种控制模式,分别是手动模式,单机模式(一键启停),群控模式(一键启停)。
(1)手动模式:根据控制要求,BA在控制界面做了控制模式的选择,可以选择群控模式或者单组模式,当在单组模式情况下,点击每一个制冷组切换到单组手动,就能分别对冷冻水蝶阀,冷却水蝶阀,旁通蝶阀,二次泵、冷却塔等进行单点启停控制。
(2) 单机模式:该控制按键分别在每个冷水机组里面可以进行选择模式,在单机模式情况下,您可以通过一键启停键为该机组一套的设备进行联动控制(对应该冷水机组的蝶阀,水泵,冷却塔等)(3) 群控模式:控制逻辑是利用每台机组的负荷和冷冻水供水温度来控制加减机的。
✧制冷组启动顺序:所有制冷组均以制冷模式启动运行,制冷组控制器将发送顺序启动命令,启动依次:开启冷却水电动阀、冷冻水电动阀——冷却塔——冷却水一次泵——冷冻水一次泵——开启冷水机组。
✧制冷组关机顺序:与启动顺序刚好相反。
✧一旦主管理器(冷冻站内设置)失效,操作员应能够通过就地安装在制冷组控制器上的H-A-O(手动-自动转换)开关操作。
(二)冷水机组控制要求:✧制冷组故障转换:制冷组中任何一个设备故障报警需要按序停止制冷组,然后启用备用制冷组启动加入系统制冷运行。
✧制冷组的加减载:1)加载条件:制冷组运行时,冷冻站管理器将监测冷冻机压缩机的运行效能,当运行效能达到加载条件,(如:额定容量的95%以上持续时间5分钟(时间可调),且冷冻水供水温度大于10℃时),冷冻站管理器将增加开启下一组制冷组。
这么火的制冷系统图,你看过没有?(文章尾部有福利)制冷方式
1、压缩式制冷
2、吸收式制冷
3、半导体制冷
4、吸附式制冷原理
5、喷射式制冷
2制冷循环动态图
1、理论循环
2、过冷循环
3、过热循环
4、回热循环
3压焓图动态图
1、蒸发温度的影响
2、冷凝温度的影响
3、过冷循环T-S分析
4、双级压缩
5、复叠式压缩机4双级压缩
5氨系统原理
1、氨系统泄氨原理
2、氨系统回油系统
3、氨系统水系统
6空调系统
冷水机
风冷系统
地(水)源热泵系统
户式新风
一拖多空调
太阳能
获取22万制冷精准客户百万流量
制冷百科/制冷快报是长沙强华信息科技有限公司旗下专业的制冷媒体平台。
制冷百科
公众号拥有14万以上行业精准专业关注用户,
平台文章月阅读量均在70万~~90万。
“阅
读量大、转发率高、针对性强”是制冷企业产
品微信推广的最佳平台。
以下是制冷百科公众
号平台部分数据:
粉丝总数:
一个月阅读总数:
文章阅读途径:
用户属性:
合作推广方式:。