逐差法物理实验
- 格式:doc
- 大小:57.50 KB
- 文档页数:2
逐差法在物理实验中的应用分析作者:孙玉晶贾芸冯晓张鹏董海洋翟鹏
来源:《科技风》2021年第22期
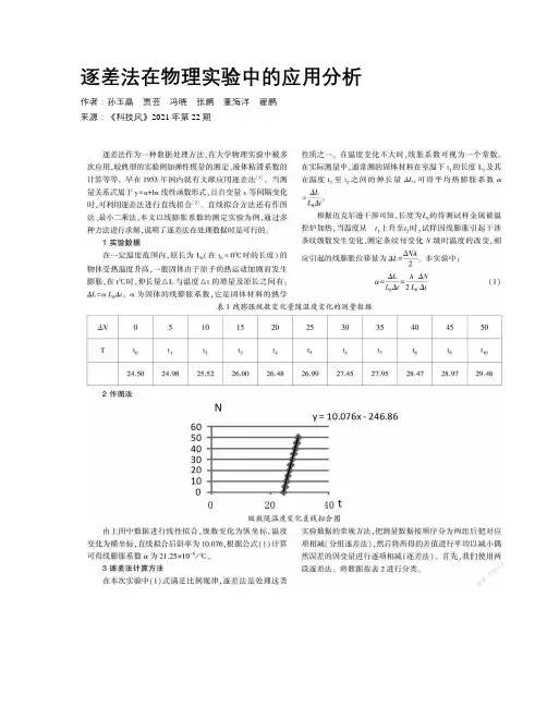
逐差法作為一种数据处理方法,在大学物理实验中被多次应用,较典型的实验例如弹性模量的测定、液体粘滞系数的计算等等。
早在1953年国内就有文献应用逐差法。
当测量关系式属于y=a+bx线性函数形式.且自变量x等间隔变化时,可利用逐差法进行直线拟合。
直线拟合方法还有作图法、最小二乘法,本文以线膨胀系数的测定实验为例,通过多种方法进行求解,说明了逐差法在处理数据时是可行的。
大学物理实验逐差法计算公式
公式:
逐差法是物理实验中使用最常见的一种数学计算方法。
它是通过连续的永恒的力学性质的测量,从而得出从第一个测量到最后一个测量的差分值对应的函数。
逐差法也被称为简捷法,其主要使用来计算在一系列无穷小变量中,单一变量对其结果的影响,从而找出一组函数表达式。
运用逐差法,可以得到一般情况下的公式为:Delta F=(delta x)(dy/dx)。
其中Delta F表示从一次测量到另一次的差分值,delta x表示在位置x的变化量,dy/dx 则表示此时此刻变量x对变量y的导数值。
由于逐差法只是求出一系列微小变化时候多变量之间的关系,因此在使用时要注意,在变量之间满足线性关系情况下才能用此方法得出正确结果。
逐差法极大地提高了实验简便性,在实验中可以省去繁琐的重复测量过程,快速地确定对结果影响最大的变量,同时也提高了实验准确度。
因此,逐差法已经成为大学物理实验的主要计算方式之一。
与符号法相比,它不仅更加直观,同时也更加简单快捷,因此受到广大实验人员的喜爱。
只要掌握了这一方法,在运用中不可厌烦,就可以发挥出它极大的作用,既提高实验效率又提高实验准确度。
逐差法测加速度的公式逐差法是一种在物理实验中用于测量加速度的常用方法,它所依据的公式可是相当重要的哟!在高中物理的学习中,我们常常会遇到需要测量加速度的情况。
而逐差法就是一个非常实用的利器。
逐差法测加速度的公式是:$a =\frac{\Delta x}{T^2}$ ,其中 $\Delta x$ 表示相邻相等时间间隔内的位移之差,$T$ 表示时间间隔。
比如说,咱们做一个小车在斜面上运动的实验。
我们在斜面上每隔相等的时间记录下小车的位置,假设第一次记录的位置是$x_1$,经过一个时间间隔$T$ 后,记录的位置是$x_2$,再经过一个时间间隔$T$ ,位置是$x_3$ ,以此类推。
那这个位移之差$\Delta x$ 怎么算呢?就是用后面的位移减去前面的位移,比如:$\Delta x_1 = x_2 - x_1$ ,$\Delta x_2 = x_3 - x_2$ ,$\Delta x_3 = x_4 - x_3$ 等等。
还记得我曾经给学生们做这个实验的时候,有个学生特别较真儿。
他就一直在那琢磨,为啥要这么算,会不会有误差。
我就告诉他,你看啊,咱们这样做是为了尽可能减小误差。
因为在实验中,测量总是会有一些小偏差的,如果只用两组数据来算加速度,那偶然误差就可能会比较大。
但是用逐差法,多取几组数据,就能把这个误差给平均掉,算出来的加速度就更接近真实值啦。
而且逐差法还有个好处,就是能充分利用我们测量得到的数据。
比如说,我们测了六组数据,如果不用逐差法,可能就只用了两组,那剩下的四组不就浪费了嘛。
但是用逐差法,这六组数据都能派上用场,算出的结果自然就更可靠。
再比如说,如果时间间隔$T$ 是 0.1 秒,我们测得了 $x_1 = 0.2$ 米,$x_2 = 0.5$ 米,$x_3 = 0.9$ 米,$x_4 = 1.4$ 米,$x_5 = 2.0$ 米,$x_6 = 2.7$ 米。
那 $\Delta x_1 = x_2 - x_1 = 0.5 - 0.2 = 0.3$ 米,$\Delta x_2 = x_3 -x_2 = 0.9 - 0.5 = 0.4$ 米,$\Delta x_3 = x_4 - x_3 = 1.4 - 0.9 = 0.5$ 米,$\Delta x_4 = x_5 - x_4 = 2.0 - 1.4 = 0.6$ 米,$\Delta x_5 = x_6 - x_5 =2.7 - 2.0 = 0.7$ 米。
逐差法求加速度一、用逐差法求加速度的原因:如果物体做匀变速直线运动,S1,S2……Sn为其在连续相等时间T内的位移,a为其加速度,T 为相等时间间隔值,则有假如用相邻的距离之差ΔS1,ΔS2……ΔSn-1分别除以T的平方,再取其平均值,有从上式中可以看成,在取算术平均值的过程中,中间各数值S2,S3,S4……Sn-1都被消去,只剩下首尾两个数值S1、Sn起作用,因而不能起到利用多个数据减少偶然误差的作用。
二、逐差法(1)偶数段逐差法是把连续的数据(必须是偶数个)S1,S2,S3……Sn从中间对半分成两组,每组有m=n /2个数据,前一半为S1,S2,S3……Sm,后一半为Sm+1,Sm+2……Sn,将后一半的第一个数据减去前一半的第一个数据得,后一半的第二个数据减去前一半的第二个数据,则由这些差值求得的加速度分为:。
取这样得到的加速度的平均值从上式可以看出,所有的数据S1,S2……Sn都用到了,因而减少了偶然误差。
例:以下纸带记录了某匀变速运动物体的位移,每段位移时间间隔均为T 。
如果计算该物体的加速度,可以将这四段位移分成两大段:S OB 和S BD ,每段的时间均为2T ,所以加速度为212342)2()()()2(T S S S S T S S a OB BD +-+=-=(2)奇数段如果连续的数据是奇数个S1,S2,S3……Sn ,则舍去最中间的数据,其余分成两组,每组有m =(n-1)/2个数据,前一半为S1,S2,S3……Sm ,后一半为Sm+2,Sm+3……Sn ,将后一半的第一个数据减去前一半的第一个数据得2121)1(aT m S S S m +=-=∆+,后一半的第二个数据减去前一半的第二个数2232)1(aT m S S S m +=-=∆+,第n 个数据减去前一半最后一个数据2)1(aT m S S S m n m +=-=∆,则由这些差值求得的加速度分为:2222211)1(,)1(,)1(T m s a T m s a T m s a m m +∆=+∆=+∆=。
物理仿真实验报告——液体表面张力系数的测定实验简介:液体表层指液体与气体、液体与固体以及不相混合的液体之间的界面。
液体表层分子有从液面挤入液体内部的倾向,这使得液体的表面自然收缩,就整个液面来说,如同拉紧的弹性薄膜,这种沿着表面,使液面收缩的力称为表面张力。
表面张力在船舶制造、水利学、化学化工、凝聚态物理中都能找到它的应用。
测量液体(例如水)的表面张力系数有多种方法,如最大泡压法、平板法(亦称拉普拉斯法)、毛细管法、焦利氏秤法、扭力天平法等。
这里只介绍焦利氏秤法。
本实验首先利用逐差法测量焦利氏秤弹簧的倔强系数,然后利用拉脱法测量液体的表面张力系数。
实验原理1、液体分子受力情况液体表面层中分子的受力情况与液体内部不同。
在液体内部,分子在各个方向上受力均匀,合力为零。
而在表面层中,由于液面上方气体分子数较少,使得表面层中的分子受到向上的引力小于向下的引力,合力不为零,这个合力垂直于液体表面并指向液体内部,如图1所示。
所以,表面层的分子有从液面挤入液体内部的倾向,从而使得液体的表面自然收缩,直到达到动态平衡(即表面层中分图1 液体分子受力示意图子挤入液体内部的速率与液体内部分子热运动而达到液面的速率相等)。
这时,就整个液面来说,如同拉紧的弹性薄膜。
这种沿着表面,使液面收缩的力称为表面张力。
想象在液面上划一条线,表面张力就表现为直线两侧的液体以一定的拉力相互作用。
这种张力垂直于该直线且与线的长度成正比,比例系数称为表面张力系数。
2、 矩形金属框架测量原理将一表面清洁的矩形金属薄片竖直浸入水中,使其底面水平并轻轻提起。
当金属片底面与水面相平,或略高于水面时,由于液体表面张力的作用,金属片的四周将带起一部分水,使水面弯曲,呈图2所示的形状。
这时,金属片在竖直方向上受到(1)金属片的重力mg ;(2)向上的拉力F ;(3)水表面对金属片的作用力——表面张力。
图2 金属框受力示意图其中为水面与金属片侧面的夹角,称为接触角。
2011.NO35 0情况的。
由于大部分学生基础太差,如果上课用过多的英语进行授课,或用很多时间来练习听力,那就象让三岁小孩担百斤重担。
而我当下最重要的是让他们能“跳一跳,摸得到”。
单词是他们最大的难关,怎样才能使他们进行有效词语积累呢?除进行单词听写以外,课堂上进行句子的积累我认为是最好的方法,把教材中重要的句子让学生划下来,给他们时间,看谁读得好记得快,然后依次叫同学起来重复这个句子。
这样大部分同学开始行动,但可能有少数学生没行动起来,这时,我会走下去,很友好地提醒他,并明确告诉他重复这个句子时要叫他,因为这个任务是他能完成 的。
因此,他也会行动起来,当他在全班同学面前重复说出这个句子时,我立即给以表扬。
在这一过程中,一定要用自己敏锐的眼光发现那些愿意起来复述的同学,尤其是那些平常不开口,甚至不学英语的同学,这对恢复他们的自信心非常有用。
这个过程也就是我说的“读、说”过程。
课后再让他们去复习这些句子,第二天或利用课余时间或利用放听力的方式进行听写,这样就达到了“写、听“其后的目地。
经过这样的一个过程以后,学生可以记住这个句型,以及句型中的单词。
听、说、读、写也得到了训练和提高。
这一阶段实际就是基础的积累。
在这一过程中,全体同学都有任务,都有压力,而这一任务和压力是他们能够承受的,成功的喜悦又会让他们乐于接受这一任务和压力。
3、正确的考试评价。
英语课堂教学中,评价起着不可低估的调节作用。
教师通过评价,能把对学生及其行为的认识和教师的情感倾向,自觉或不自觉地传导给学生。
如果学生在学习中得到正面的评价,那么这意味着他的内在价值得到了外界的承认,其自尊心和自信心就会增强,会感到一种自我实现的快慰,学习外语的积极性相应提高,更高水平的需要由此产生。
相反,如果学生得到的负面评价过多,就会产生消极影响。
有些学生,特别是成绩较差的学生,会产生破罐子破摔的逆反心理,成绩继续直线下降。
我们的学生由于从初一开始,就落后于他所在年级应具有的水平,而每次的考试都是按这个年级应具有的水平来出的考题,因此,这些学生在以前的每次考试中都是失败的,从没有尝到过胜利的喜悦。
大物实验逐差法处理数据大物实验是物理学实验的重要组成部分,而逐差法则是处理实验数据的重要方法之一。
逐差法是通过对实验数据的差值进行统计分析,并得到误差估计值,以评估实验数据的可靠性和准确性。
下面将介绍逐差法在实验数据处理中的应用。
首先,我们需要明确实验所涉及的物理量,如光强、电压、电流等。
在进行实验时,我们需要记录每次实验所得的数据,比如用光强计测量实验光源的光强时所得的光强值、用万用表测量电路中电流的电压值等。
这些数据通常会有一些随机误差和系统误差,因此需要进行处理和分析,以获取相对准确的物理量值和误差估计值。
其次,我们需要进行数据处理,使用逐差法则。
逐差法在处理数据时,通常采取两个数据之间的差值来计算误差,即每次测量所得的数据与第一次测量所得的数据之差。
将每次测量所得的数据与第一次测量所得的数据之差加起来,并除以测量次数,即可得到所求物理量的平均值。
然后,根据数据的分布情况计算误差,通常采用标准差公式或残差平方和公式计算误差。
最后,我们需要对处理后的数据进行分析,以评估实验数据的可靠性和准确性。
对于误差的估计,我们需要比较其与测量值的大小关系,通常采用相对误差衡量。
若误差较小,则证明实验数据较为可靠。
根据实验的目的和要求,我们可以进行多组实验数据的比较和分析,进一步验证实验结果的可靠性和准确性。
综上所述,逐差法在实验数据处理中具有重要的应用价值,能够有效地评估实验数据的可靠性和准确性。
在进行实验过程中,我们应注意数据的记录和分析,并结合实验的目的和要求,合理地使用逐差法,让实验结果更加准确可靠。
例谈实验求加速度的几种方法物理是一门实验科学,要学好高中物理,必须具备一定的实验能力。
高考对物理实验能力的考核很重视,尤其是实验数据的记录,处理和得出结论的能力。
学会研究匀变速直线运动是高中物理的一个重要实验,其中求解加速度的实验数据处理方法有逐差法,图像法,直方图法等,下面通过一些实例谈谈如何利用这些方法求运动的加速度:一、利用“逐差法”求加速度.1.依据Δx =aT 2测定匀变速运动加速度。
由a 1=x 2-x 1t 2,a 2=x 3-x 2t 2,…a 5=x 6-x 5t2可得小车加速度的平均值a =a 1+a 2+a 3+a 4+a 55=x 2-x 1t 2+x 3-x 2t 2+x 4-x 3t 2+x 5-x 4t 2+x 6-x 5t 25=x 6-x 15t2显然,这种求a 的方法只用了x 1、x 6两个数据,而x 2、x 3、x 4、x 5在计算过程中被抵消了,所以丢失了多个数据,并失去了正负偶然误差相互抵消的作用,算出的a 值误差较大.这种方法不可取. 若把x 1、x 2、…x 6分成x 1、x 2、x 3和x 4、x 5、x 6两组,则有x 4-x 1=(x 4-x 3)+(x 3-x 2)+(x 2-x 1)=3at 2,写成x 4-x 1=3a 1t 2,同理x 5-x 2=3a 2t 2,x 6-x 3=3a 3t 2,故a 1=x 4-x 13t 2,a 2=x 5-x 23t 2,a 3=x 6-x 33t2.从而a =a 1+a 2+a 33=x 4-x 13t 2+x 5-x 23t 2+x 6-x 33t 23=x 4+x 5+x 6-x 1+x 2+x 39t2, 这种计算加速度平均值的方法叫做逐差法.(1)若为偶数段,设为6段,则a 1=x 4-x 13T 2,a 2=x 5-x 23T 2,a 3=x 6-x 33T 2,然后取平均值,即a =a 1+a 2+a 33;由a =x 4+x 5+x 6-x 1+x 2+x 39T2直接求得.这相当于把纸带分成二份,此法又叫整体二分法; (2)若为奇数段,则中间段往往不用,如5段,则不用第3段;a 1=x 4-x 13T 2,a 2=x 5-x 23T2,然后取平均值,即a =a 1+a 22;或由a =x 4+x 5-x 1+x 26T2直接求得.这样所给的数据全部得到利用,提高了准确程度.2、依据相邻两点速度计算加速度.因为a 1=v2-v1T ,a2=v3-v2T ,a3=v4-v3T …an =vn +1-vnT,然后取平均值,即a =a1+a2+a3+…+an n =vn +1-v1nT,从结果看,真正参与运算的只有v1和vn +1,中间各点的瞬时速度在运算中都未起作用,可见此方法不好.同理我们可以类似于上面的做法用逐差法(1)若为偶数段,设为6段,则a 1=v 4-v 13T ,a 2=v 5-v 23T ,a 3=v 6-v 33T ,然后取平均值,即a =a 1+a 2+a 33;或由a =v 4+v 5+v 6-v 1+v 2+v 39T直接求得;(2)若为奇数段,则中间段往往不用,如5段,则不用第3段;则a 1=v 4-v 13T ,a 2=v 5-v 23T,然后取平均值,即a =a 1+a 22;或由a =v 4+v 5-v 1+v 26T 直接求得;这样所给的数据利用率高,提高了准确程度. 例题1、(2016·天津理综·9(2))某同学利用图2装置研究小车的匀变速直线运动.图2(1)实验中,必须的措施是________. A.细线必须与长木板平行 B.先接通电源再释放小车 C.小车的质量远大于钩码的质量 D.平衡小车与长木板间的摩擦力(2)他实验时将打点计时器接到频率为50 Hz 的交流电源上,得到一条纸带,打出的部分计数点如图3所示(每相邻两个计数点间还有4个点,图中未画出).s 1=3.59 cm ,s 2=4.41 cm ,s 3=5.19 cm ,s 4=5.97 cm ,s 5=6.78 cm ,s 6=7.64 cm.则小车的加速度a =___m /s 2(要求充分利用测量的数据),打点计时器在打B 点时小车的速度v B =___m /s.(结果均保留两位有效数字)图3答案 (1)AB (2)0.80 0.40解析 (1)实验时,细线必须与长木板平行,以减小实验的误差,选项A 正确;实验时要先接通电源再释放小车,选项B 正确;此实验中没必要使小车的质量远大于钩码的质量,选项C 错误;此实验中不需要平衡小车与长木板间的摩擦力,选项D 错误.(2)相邻的两计数点间的时间间隔T =0.1 s ,由逐差法可得小车的加速度a =s 6+s 5+s 4-s 3-s 2-s 19T 2=(7.64+6.78+5.97-5.19-4.41-3.59)×10-29×0.12 m/s 2=0.80 m/s 2打点计时器在打B 点时小车的速度v B =s 1+s 22T =(3.59+4.41)×10-22×0.1m /s =0.40 m/s二、图像法1、用v -t 图象法求匀变速直线运动的加速度,解题思路为:图象法.图象法 (1)求出各点的瞬时速度:用各段的平均速度表示各段中间时刻的瞬时速度 (2)作v -t 图象:在v -t 坐标上将各组数据描点,作出v -t 图象①建立坐标系,纵坐标轴为速度v ,横坐标轴为时间t. ②对坐标轴进行适当分度,使测量结果差不多布满坐标系. ③描出测量点,应尽可能清晰.④用一条光滑的曲线(直线)连接坐标系中的点,明显偏离曲线(直线)的点视为无效点,连线时应使尽可能多的点在这条直线上,连线两侧的点尽可能对称的分布 . ⑤从最终结果看出v -t 图象是一条倾斜的直线. (3)求出图线的斜率即为加速度求图线的斜率时,要在图线上选取间隔距离适当较远的两个点.这样有利于减小误差.例题2、在研究加速度不变的直线运动的实验中,算出小车经过各计数点的速度,如下表所示:计数点序号 1 2 3 4 5 6 计数点对应时刻/s 0.1 0.2 0.3 0.4 0.5 0.6通过计数点的速度/(cm ·s -1) 44.0 62.0 81.0 100.0 110.0 168.0 为了算出加速度,合理的方法是( )A .根据任意两计数点的加速度公式a =ΔvΔt算出加速度B .根据实验数据,画出v -t 图象,量出其倾角α,由公式a =tan α算出加速度C .根据实验数据,画出v -t 图象,由图线上任意两点所对应的速度,用公式a =ΔvΔt算出加速度D .依次算出通过连续两计数点间的加速度,其平均值作为小车的加速度解析:选项A 偶然误差较大.选项D 实际上也仅由始、末两个速度决定,偶然误差也比较大,只有利用实验数据画出对应的v -t 图象,才可充分利用各次测量数据,减小偶然误差.由于在物理图象中两坐标轴的分度大小往往是不相等的,根据同一组数据,可以画出倾角不同的许多图线,选项B 是错误的.正确的方法是根据图线找出不同时刻所对应的速度值,然后利用公式a =ΔvΔt算出加速度,即选项C 正确.答案:C例题3、如图所示,某同学在做“研究小车速度随时间的变化规律”的实验中,由打点计时器得到表示小车运动过程的一条清晰纸带,纸带上两相邻计数点的时间间隔为T =0.10 s ,其中x 1=7.05 cm 、x 2=7.68 cm 、x 3=8.33 cm 、x 4=8.95 cm 、x 5=9.61 cm 、x 6=10.26 cm .(1)求计数点3处的瞬时速度的大小.(2)作出小车运动的速度—时间图象,由图象求小车运动的加速度.解析:(1)计数点3的瞬时速度v 3=x 3+x 42T =8.33+8.95×10-22×0.10 m /s ≈0.86 m /s ,(2)同理可求v 1=x 1+x 22T =7.05+7.68×10-22×0.10m /s ≈0.74 m /s ,v 2=x 2+x 32T =7.68+8.33×10-22×0.10m /s ≈0.80 m /s ,v 4=x 4+x 52T =8.95+9.61×10-22×0.10m /s ≈0.93 m /s ,v 5=x 5+x 62T =9.61+10.26×10-22×0.10m /s ≈0.99 m /s .以纵轴表示速度,以横轴表示时间,描点连线如图所示.由图象可以看出,小车的速度随时间均匀增加,其运动的加速度可由图线求出,即 a =v t -v 1Δt =0.63 m /s 2(0.62~0.64 m /s 2均可).2、化曲为直,画出X-t 2图像、tx -t 图像, V 2-x 图像,利用斜率求解加速度 X-t 关系,v-x 关系是二次函数关系,图像形状是抛物线,在实验数据处理时,可以分别让横坐标表示t 2,纵坐标表示t x 和V 2,画出X-t 2图像、t x -t 图像、V 2-x 图像,将图像形状转化为直线,图像则斜率分别为21a, 21a,2a例题4、图6是“研究匀变速直线运动”实验中获得的一条纸带,O 、A 、B 、C 、D 和E 为纸带上六个计数点,加速度大小用a 表示.图6 图7(1)OD 间的距离为________ cm.(2)图7是根据实验数据绘出的x -t 2图线(x 为各计数点至同一起点的距离),斜率表示__________,其大小为________ m/s 2(保留三位有效数字).解析 (1)1 cm +1 mm ×2.0=1.20 cm.(2)加速度的一半,12a =(2.8-0)×10-20.06-0m/s 2=0.467 m/s 2,所以加速度大小a ≈0.933 m/s 2.答案 (1)1.20 (2)加速度的一半 0.933例题5、(2011全国卷理综)5.利用图1所示的装置可测量滑块在斜面上运动的加速度。
高中物理实验数据处理方法一、平均值法平均值法是直接通过测量数据计算平均值的,它能消除或减小偶然误差的影响,比较适用于自由落体运动和匀变速直线运动的研究。
例如,我们要测量某学生在百米赛跑的平均速度,此时我们可以取该学生百米跑中几组(例如10组)数据,然后取它们的平均值,这样可以减小因为该学生每次起跑加速或减速等偶然因素对最终结果的影响。
二、逐差法逐差法是物理实验中常用的一种数据处理方法。
逐差法就是将实验中测得的若干个数据点两两相减(或相加),并求得差值(或和值),再对这些差值(或和值)进行适当的处理,从而得出最终结果的方法。
例如,在测量电阻时,我们可以测得若干组数据后,选取包含第一个数据点和倒数第二个数据点的两组数据,然后计算这两组数据对应点到第一个数据点的差值,再对这些差值进行处理即可得出最终结果。
因为两相邻数据点间的长度相等,故这种方法又叫等间隔逐差法。
三、作图法作图法是通过作出被测量与对应测量值的函数关系图,然后根据图线进行数据处理的一种方法。
这种方法直观明了,能够很好地反映数据之间的关系,因此在物理实验中得到了广泛的应用。
例如,在测量电阻时,我们可以先测出若干组电流和电压的数据,然后作出对应的图线,根据图线的斜率、截距等信息就可以计算出电阻的阻值。
需要注意的是,作图法也有一定的误差,因此结果需要经过适当的修正。
四、最小二乘法最小二乘法是一种数学上的数据处理方法,它通过最小化误差的平方和来找到数据的最佳函数匹配。
在物理实验中,我们常常需要通过最小二乘法来拟合实验数据,从而得到更加精确的结果。
例如,在测量重力加速度时,我们需要测量不同高度下摆的摆动周期,然后利用最小二乘法拟合出摆的周期和高度之间的关系,进而求出重力加速度的值。
五、残差分析法残差分析法是一种基于实验数据残差的分析方法。
它通过对实验数据的残差进行统计处理,可以更加准确地描述实验数据的误差分布和误差大小,从而得到更加准确的结果。
例如,在测量电阻时,我们可以先测出若干组电流和电压的数据,然后计算出对应的电阻值。
逐差法在中学物理实验中的应用
生命科学中的逐差法是指以一定量步逐步增加或减少以测量一组变化值所形成的序列。
在中学物理实验中,逐差法也被广泛应用。
下面将结合一些实际例子,来介绍逐差法在中学物理实验中的应用情况。
一、力学实验
1.量筒汲水实验:在这个实验中,学生可以使用逐差法测量加重物与量筒水位的变化,从而计算力的大小和方向。
2.质点滑动实验:在这个实验中,学生可以使用逐差法测量滑动质点的位移随时间的变化,从而计算加速度的大小。
二、电学实验
1.电路实验:在这个实验中,学生可以使用逐差法测量在不同电压下电流的大小,从而确定电阻的大小。
2.电动势测量实验:在这个实验中,学生可以使用逐差法测量在不同电压下电动势的大小,从而确定电阻的大小。
三、光学实验
1.穹顶实验:在这个实验中,学生可以使用逐差法测量光线的反射角,
从而确定镜面的弧度。
2.透镜屈光度测量实验:在这个实验中,学生可以使用逐差法测量在不同距离下光柱的角度,从而确定透镜的屈光度。
以上是逐差法在中学物理实验中的应用情况。
需要指出的是,在逐差法的实验中,学生需要掌握完善的实验技术,以及善于科学处理实验数据,以确保实验结果的准确、可靠。
高一物理逐差法物理学是一门研究自然界基本规律和现象的学科,而高中物理作为物理学的入门课程,它的学习对于培养学生科学思维和实际应用能力具有重要意义。
在物理学中,逐差法是一种常用的实验方法,它通过观察和测量物理量的变化情况,来研究原因和规律,下面将从逐差法的具体实施步骤、原理和意义三个方面进行详细探讨。
首先,逐差法的实施步骤是非常关键的。
在实验开始之前,首先要准备好实验所需的仪器设备和材料。
然后,根据实验内容的要求,进行准确的设计和布置。
接下来,进行实验,并观察记录实验数据,确保数据的准确性。
最后,根据实验数据进行分析和处理,得出科学结论。
其次,逐差法的原理是基于物理量的变化规律,通过观察和测量多个数据点的差异,来找出相对慢变化的物理量。
逐差法是一种非常常用且有效的物理实验方法,它可以减小误差,提高实验结果的可靠性。
而逐差法的基本原理是利用测量的数据之间的差别,通过减小测量数据的误差,来间接地计算出一次测量数据并不明显的物理量。
最后,逐差法的意义在于培养学生的科学思维和实际应用能力。
通过实践中的观察、测量与分析,学生可以深入理解物理原理和实验方法,锻炼他们的实践操作能力。
同时,逐差法也能够让学生学会分析问题,发现问题的本质,并采取相应的解决方法。
而这些思维方式和能力,在学生今后的学习和生活中都具有重要的指导意义。
综上所述,逐差法作为一种常用的实验方法,在高中物理学习中扮演着重要的角色。
通过掌握逐差法的实施步骤、原理和意义,学生能够更好地理解物理原理,培养科学思维和实际应用能力。
因此,在学习物理过程中,要积极参与实验活动,充分发挥逐差法的指导作用,提高物理学习的效果。
弗兰克赫兹实验逐差法公式弗兰克赫兹实验是个让人既觉得新奇又感到有点复杂的物理实验。
这是一个揭示原子结构和量子力学基本概念的实验,听起来好像在讲故事,但其实很有意思。
想象一下,实验室里那些笨重的仪器,咕噜咕噜响,科学家们全神贯注,像是在进行一场刺激的探险。
这个实验主要是用来研究原子中电子的行为,尤其是它们如何吸收和释放能量。
哎,科学真是奇妙,给我们打开了新世界的大门。
实验的核心思想就是电子和原子之间的相互作用。
说到这个实验,其实可以简单理解为在一个特定的环境下,电子受到热量的影响,从而获得能量,飞向更高的能级。
就像你们在炫酷的游乐园里玩过山车,坐上去前心里那个紧张和期待。
实验中,科学家通过加热气体,让电子跳跃到更高的能级。
嘿,想想那样的场景,真是既紧张又刺激。
这些电子又会掉回原来的能级,释放出能量,这时候就像是你们下山的瞬间,感觉真是飞起来了。
实验里的逐差法,是一种比较简单却又有效的方法。
它的基本原理是通过测量气体中的电子流强度变化,来判断电子跳跃的过程。
想象一下,你在开派对,突然发现某个朋友的饮料变少了,那就是“逐差”啊。
通过观察这些变化,科学家们能够绘制出气体中能级之间的差距图。
这种图就像一幅精美的画卷,展现了电子跳跃的秘密。
实验中还用到一种叫做“特定电压”的东西。
说白了,就是给电子施加一个电场,让它们在气体中加速。
想象一下,像是在给小鸟加油,让它们飞得更高。
这个电压的大小直接影响到电子的能量水平,最终决定它们能跳到哪个能级。
于是,科学家们就可以通过调整电压,观察到不同能级之间的跳跃。
这种感觉,简直像是在调节音乐的音量,渐强渐弱,充满了乐趣。
最有趣的是,弗兰克赫兹实验不仅仅是为了满足好奇心,它还为我们理解量子力学的基础打下了坚实的基础。
可以说,这是科学史上的一个里程碑。
量子力学的种种奇妙之处,都是从这些实验开始慢慢浮现出来的。
就像你从一颗种子看到了一棵大树的成长,真是让人感慨万千。
这项实验的成功,标志着我们对微观世界的认知又向前迈进了一步。
纸带加速度计算公式逐差法
纸带法是一种物理实验方法,常用于测量运动物体的速度和加速度。
其原理是将一张纸带固定在运动物体上,当物体运动时,纸带随之滚动,通过记录纸带上的标记点的位置变化,可以计算出物体的位移。
1.准备工作:将一段足够长的纸带固定在运动物体上,并确定一个起始点和终止点。
2.开始运动:将运动物体推动或施加外力使其运动,并同时启动计时器。
3.记录纸带上标记点的位置:当计时器达到一定时间间隔时,记录纸带上标记点的位置,可以使用一个固定的标尺作为参考。
4.计算位移:对于每个时间间隔内的两个标记点,计算其在纸带上的距离,即位移。
5.计算平均速度:根据位移和时间间隔计算每个时间间隔内的平均速度。
6.计算加速度:通过计算平均速度的变化率,即速度的变化量与时间的比值,求得加速度。
具体的计算公式如下:
加速度=(v2-v1)/(t2-t1)
其中,v1和v2分别为两个时间间隔内的平均速度,t1和t2分别为两个时间间隔的起始时间和终止时间。
使用纸带加速度计算公式逐差法时需要注意以下几点:
1.需要确保纸带固定在运动物体上的长度足够长,以便记录足够多的
标记点来计算位移。
2.时间间隔的选择应该适当,不宜过长或过短,以保证数据的准确性。
3.在进行计算时,应注意对数据进行有效的舍入和处理,以保证计算
结果的准确性。
纸带加速度计算公式逐差法是一种简单而有效的方法,通过该方法可
以较为准确地计算物体的加速度。
然而,由于该方法依赖于纸带的固定和
标记点的测量,因此在实际操作中需要注意细节,并进行校正和检查,以
确保结果的准确性。
逐差法处理标尺读数逐差法是一种常见的物理实验数据处理方法,通常用于处理标尺读数。
逐差法的基本原理是通过对样本数据中的相邻数据点之间的差值进行统计分析,以获得更加精确的结果。
这种数据分析方法的优点在于,它能够有效地消除人为误差和测量误差,从而得到更为准确的结果。
本文将对逐差法的处理标尺读数进行介绍,帮助读者更好地理解逐差法。
在物理实验中,往往需要测量物体的长度或者高度,这就需要使用标尺来进行测量。
标尺是一个常见的物理实验设备,能够帮助我们准确地测量物体的长度或者高度。
然而,标尺的读数往往会受到多种因素的影响,例如人眼的疲劳、光线的亮度、标尺的精度等等。
因此,在进行标尺读数处理时,就需要使用逐差法来减少这些误差的影响。
逐差法的处理步骤如下:1. 首先,使用标尺进行多次的测量,将每次的测量结果记录下来。
2. 对于每次测量结果的相邻两个数值,计算它们之间的差值。
例如,如果测量结果分别为2.5cm、2.4cm和2.6cm,则其差值分别为0.1cm和0.2cm。
3. 对差值进行统计分析,例如计算差值的平均值、方差等等。
这些统计指标可以告诉我们测量误差的大小和分布情况。
4. 最后,根据统计分析的结果,对标尺的测量结果进行适当的校正。
通常采用的方法是将每次测量结果加上或减去平均差值,这样可以减小误差,得到更为准确的结果。
逐差法在处理标尺读数时,需要注意以下几点:1. 在进行多次测量时,要保证每次测量条件的一致性。
例如,测量的物体位置、标尺的位置、光线的亮度等等,都要尽可能地保持一致。
2. 在计算相邻数据点之间的差值时,要注意不要遗漏任何一个数据点。
3. 在进行差值统计分析时,要根据具体情况选择合适的统计指标。
例如,对于样本数据分布比较均匀的情况,可以使用平均值和标准差等指标;对于样本数据分布不均匀的情况,可能需要采用中位数等其他指标来进行分析。
4. 在进行标尺读数校正时,要仔细核对每次测量结果的差异大小。
如果差异过大,可能需要重新进行标尺读数或者改进测量方法。
求加速度的公式逐差法加速度是物理力学中非常重要的概念,它表示物体每秒变化的速度。
在物理实验和科研中,常常需要求出加速度的数值。
其中比较常用的方法就是逐差法,它利用物体运动过程中速度的变化来求出加速度的大小。
下面是逐差法的公式及详细解释。
1. 逐差法的概念逐差法是一种求解加速度的方法,其基本思想是通过物体通过一段距离时的速度变化,由速度的变化来推断加速度的大小。
具体来说,可以在物体运动的路程上选择两个时间点作为参考点,比较这两个时间点时的速度变化,即可得出加速度的数值。
2. 逐差法的公式根据物理公式,加速度是速度变化的速率,可以用以下公式来表示:a = Δv/Δt其中,Δv表示速度变化量,Δt表示时间变化量。
利用逐差法,可以通过比较两个时间点上的速度变化量来求解加速度的大小。
设物体在t1时刻的速度为v1,t2时刻的速度为v2,时间间隔Δt=t2-t1。
则加速度a的大小可以用以下公式计算:a = (v2-v1)/Δt其中,v2-v1表示速度的变化量。
3. 逐差法的实例为了更好地理解逐差法的实际应用,下面举一个例子说明:一辆汽车在30秒内从速度为10m/s加速到速度为30m/s,求汽车的加速度大小。
解题步骤如下:(1)确定所需参数:v1 = 10m/s,v2 = 30m/s,Δt = 30s(2)应用逐差法公式计算:a = (v2-v1)/Δt = (30-10)/30 = 1m/s²因此,该汽车的加速度大小为1m/s²。
4. 逐差法的优缺点逐差法的优点:(1)简单易懂,容易掌握。
(2)只需要测量速度与时间两个参数,不需要过多的仪器和设备,便于实验操作。
(3)对于小范围的运动变化,逐差法相对精确,在研究物体的运动时可带来有效的结果。
逐差法的缺点:(1)需要较高精度的测量仪器来测量速度和时间。
(2)对于变化较快或运动范围较大的物体来说,逐差法的误差较大,其精确度不如积分法。
(3)由于这种方法是在一定时间范围内进行计算的,所以它只适用于可充分考虑时间因素的运动问题,不能在短时间内精确地测量加速度的变化。
、用逐差法求加速度的原因:假如用相邻的距离之差厶S1,A S2……△ Sn-1分别除以T 的平方,再取其平均值,有_+ L S 2 + .... + A S M _L凉严仪-1)_ (巧 _町)十(巧_町)+ + (为_%_J_ 严 3—1) -严伍一 1)从上式中可以看成,在取算术平均值的过程中,中间各数值S2,S3,S4……Sn — 1都被消去,只剩下首尾两个数值 S1、Sn 起作用,因而不能起到利用多个数据减少偶然误差的作用。
二、逐差法 (1)偶数段逐差法是把连续的数据(必须是偶数个)S1, S2, S3……Sn 从中间对半分成两组,每组有m = n/2个数据,前一半为 S1,S2,S3……Sm ,后一半为Sm+1,Sm+2……Sn ,将后一半的第一个数 据减去前一半的第一个数据得一 ,后一半的第二个数据减去前一半的第二个数据血軒在利As^ □ 1 — --- ”盘2 = --------- y ........ = ------------ —1池炉2肿” mT 2O取这样得到的加速度的平均值口1 +金2 +""…+缶玳 山芒]+A 衍 + .................. 4 =----------------------------- =m m T.(%卡1 一衍〉十(%兰一孚)十:■:十(片_ 耳)=(為叙十 j 十二…+耳)_(巧十吟十 ......................... 十片)m 2T 2从上式可以看岀,所有的数据S1,S2……Sn 都用到了,因而减少了偶然误差逐差法求加速度T A T B TCT D4I ■ ;111j-g ——B J ------1 ------- -------- h-■ g* ■hIP则由这些差值求得的加速度分为如果物体做匀变速直线运动, S1, S2……Sn 为其在连续相等时间 T 内的位移,a 为其加速度,T为相等时间间隔值,则有例:以下纸带记录了某匀变速运动物体的位移,每段位移时间间隔均为如果计算该物体的加速度,可以将这四段位移分成两大段:S OB和S BD,每段的时间(2)奇数段如果连续的数据是奇数个S1, S2, S3……Sn,则舍去最中间的数据,其余分成两组,每组有m =(n-1 )/ 2个数据,前一半为S1,S2, S3……Sm,后一半为Sm+2, Sm+3……Sn,将后一半S I S m 2 S I (m 1)aT2,后一半的第二个数据S ma1 2 , a2(m 1)T2(m1)T2,a m(m 2 01)T2取这样得到的加速度的平均值a1 a2 a m 3S2s m(S m 2S m 3 S n) (S1S m)amm(m1)T22m(m 1)T如果计算该物体的加速度,可以舍去第4段,再分成两大段:S OC和S DG,每一大段有3小段,其中第5段和第1段差4aT2,所以加速度为a宝学3 4T2(S7 S6 S5) (S3 S2 S l)3 4T20 A B均为2T,所以加速度为a S BDS OB(2T)2(S4 S3)(S2 3)(2T^的第一个数据减去前一半的第一个数据得减去前一半的第二个数S2 3 S2(m 1)aT2,第n个数据减去前一半最后一个数据2S m S n S m (m 1)aT, 由这些差值求得的加速度分为C例:以下纸带记录了某匀变速运动物体的位移,每段位移时间间隔均为T。
逐差法求加速度
一、用逐差法求加速度的原因:
如果物体做匀变速直线运动,S1,S2……Sn为其在连续相等时间T内的位移,a为其加速度,T为相等时间间隔值,则有
假如用相邻的距离之差ΔS1,ΔS2……ΔSn-1分别除以T的平方,再取其平均值,有
从上式中可以看成,在取算术平均值的过程中,中间各数值S2,S3,S4……Sn-1都被消去,只剩下首尾两个数值S1、Sn起作用,因而不能起到利用多个数据减少偶然误差的作用。
二、逐差法
(1)偶数段
逐差法是把连续的数据(必须是偶数个)S1,S2,S3……Sn从中间对半分成两组,每组有m=n/2个数据,前一半为S1,S2,S3……Sm,后一半为Sm+1,Sm+2……Sn,将后一
半的第一个数据减去前一半的第一个数据得,后一半的第二个数据减去前一半的第二个数据,则由这些差值求得的加速度分为:。
取这样得到的加速度的平均值
从上式可以看出,所有的数据S1,S2……Sn都用到了,因而减少了偶然误差。
例:以下纸带记录了某匀变速运动物体的位移,每段位移时间间隔均为T 。
如果计算该物体的加速度,可以将这四段位移分成两大段:S OB 和S BD ,每段的时间均为2T ,所以加速度为2
12342)
2()
()()2(T S S S S T S S a OB BD +-+=-=
(2)奇数段
如果连续的数据是奇数个S1,S2,S3……Sn ,则舍去最中间的数据,其余分成两组,每组有m =(n-1)/2个数据,前一半为S1,S2,S3……Sm ,后一半为Sm+2,Sm+3……Sn ,
将后一半的第一个数据减去前一半的第一个数据得2
121)1(aT m S S S m +=-=∆+,后一半的第二个数据减去前一半的第二个数2
232)1(aT m S S S m +=-=∆+,第n 个数据减去前一半最后一个数据2
)1(aT m S S S m n m +=-=∆,则由这些差值求得的加速度分为:
2
22
2211)1(,)1(,)1(T m s a T m s a T m s a m m
+∆=+∆=+∆=。
取这样得到的加速度的平均值
2
13222121)1()
()()1(T m m S S S S S T m m s s s m a a a a m n m m m m ++-++=+∆+∆+∆=++=
++
例:以下纸带记录了某匀变速运动物体的位移,每段位移时间间隔均为T 。
如果计算该物体的加速度,可以舍去第4段,再分成两大段:S OC 和S DG ,每一大段有
3小段,其中第5段和第1段差4aT 2
,所以加速度为
2
123567243)
()(43T S S S S S S T S S a OC DG ⨯++-++=
⨯-=。