工程观感质量验收记录表
- 格式:doc
- 大小:40.00 KB
- 文档页数:2
单位(子单位)工程观感质量检查记录
工程名称
施工单位
序号 项目 抽查质量状况
质量评价 好
一般
差
1 建 筑 与 结 构
室外墙面 2 变形缝 3 落水管、屋面 4 室内墙面 5 室内顶棚 6 室内地面 7 楼梯、踏步、护栏 8 门窗
1
给排水与
采
暖
管道接口、坡度、支架 2
卫生器具、支架、阀门 3 检查口、扫除口、地漏 4 散热器、支架 / / / / / / / / / / 1 建筑 电气 配电箱、盘、板、接线盒
2 设备器具、开关、插座
3 防雷、接地 1 通 风 与 空 调 风管、支架 / / / / / / / / / / 2 风机、空调设备 / / / / / / / / / / 3 阀门、支架 / / / / / / / / / /
4 水泵、冷却塔 / / / / / / / / / /
5 绝热 / / / / / / / / / /
6 风口、风阀 / / / / / / / / / / 1 电 梯 运行、平层、开关门 / / / / / / / / / / 2 层门、信号系统 / / / / / / / / / / 3 机房
/ / / / / / / / / / 1 智能 建筑
机房设备安装及布局 / / / / / / / / / / 2 现场设备安装 / / / / / / / / / / 3
观感质量综合评价
检查结论
施工单位项目经理: 总监理工程师
(建设单位项目负责人):
年 月 日 年 月 日
注:评价为差的项目,应进行返修。
好
一般差好一般差1
2
3
4
5
6
7
8
9
10
11
12
13
14
15
16
17
18施工单位
湖南万力建设集团有限公司核查人园林工程观感质量检查验收记录
单位(子单位)工
程名称
彝良县四棵树广场含子分部(分项)工程名称杂物边口线(与道路、挡土侧石)序
号项目
施工单位自评验收检查记录垂直度、支撑和裹杆修剪验收评价绿化工
程栽
植土外观(土色及紧密度)
地形(平整度、造型和排水坡度)姿态和生长势病虫害树木
放样定位、定向及排列培土成活率灌
木放样定位及排列姿态和生长势修剪病虫害成活率草
坪
花
卉
地
被草坪平整与清洁草坪积水
19 20 21 1 2 3 4 1 2 3 4 5 6 7 8 9 1 2 3 4 5
坪
花
卉
地
被
均匀与协调
细部
防水层
长势
成活率
嵌缝
稳固
预埋设施水
景
工
程
池体外露面
变形缝
瀑布
孤赏石
假
山
工
程
石料搭配比例
冲洗清洁
型面走向
表面色泽
整体外形
艺术造型
使用安全小
品
工
程
拼焊接
稳固
道路、给排水、照明等工程参照执行本附录的相关规定
检查意见单位核查意见
项目经理:监理工程师:技术负责人:
(建设单位项目技术负责人) 年 月 日 年 月 日施工单位检查意见
监理(建设)单位核查意见。
单位(子单位)工程观感质量评价表
共17页第3页
共17页第4页
共17页第6页
单位(子单位)工程观感质量评价表
共17页第7页单位(子单位)工程观感质量评价表
共17页第8页单位(子单位)工程观感质量评价表
共17页第9页单位(子单位)工程观感质量评价表
共17页第10页单位(子单位)工程观感质量评价表
共17页第
11页
单位(子单位)工程观感质量评价表
共17页第12页单位(子单位)工程观感质量评价表
单位(子单位)工程观感质量评价表
共17页第14页单位(子单位)工程观感质量评价表
共17页第15页
单位(子单位)工程观感质量评价表
共17页第16页
单位(子单位)工程观感质量评价表。
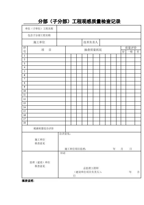
分部(子分部)工程观感质量检查记录填表说明:一、本表用于分部(子分部)工程观感质量的检查、验收和评价二、观感质量综合评价应填写“好”、“一般”或“差”,检查项目及数量是在施工单位自查基础上由验收组协商确定。
三、观感质量评定为差的项目,应进行返修。
抽查项目中,如果没有影响结构安全和使用功能的项目,不论评价为“好”、“一般”或“差”,都可作为符合要求的合格项目。
如有不符合要求的项目则按《建筑工程施工质量验收统一标准》(GB50300-2001)第5.0.6条进行处理四、本表由施工单位项目(技术)负责人组织有关人员进行工程观感质量检查并进行观感质量综合评价,给出自评意见“经检查,本工程观感质量符合质量验收规范和设计要求,综合检查结果为好或一般或差”并签字,然后向建设单位提交工程验收报告。
五、建设单位收到竣工验收报告后,组织施工、设计、监理等单位(项目)负责人共同进行观感质量检查,由总监理工程师根据检查结果填写结论,给出是否符合设计和规范要求,以及对综合质量进行评价,提出存在主要问题。
如“经综合检查组抽查,本工程变形缝、给水管道支架、建筑电气与电梯给出较好。
存在主要问题是:室内细部结构粗糙,空调支架不牢,楼梯护栏宽窄不一,应予以返工处理。
本工程观感质量符合验收规范和设计要求,同意施工单位自评意见。
”六、填写要求:1.本表中检查点的观感质量符合规范中一般项目的要求用“√”表示,不符合则用“×”表示。
2.质量评价:基本能达到要求的,评为“一般”,细部构造设计合理,施工作法细腻到位,外表整洁、美观的可评为“好”,检查部位达不到要求,或有明显的缺陷,则评为“差”。
七、本表一式三份,建设单位、施工单位、监理单位各一份。
观感质量验收记录表观感质量验收记录表项目名称:XXX验收日期:XXXX年XX月XX日验收人员:XXX一、验收的内容此次观感质量验收的内容包括:网站首页、网站内页、移动端首页、移动端内页四个部分。
二、验收标准1.设计风格:是否符合项目定位,是否与目标用户群体匹配且具有现代感。
2.页面布局:是否清晰明了,首页布局是否符合用户使用习惯。
3.字体选择:是否与品牌形象相符,字体大小是否合适。
4.色彩搭配:主色调是否突出,配色是否搭配协调。
5.图片/图标:图片质量是否清晰,图标是否简洁易懂。
6.交互设计:是否顺畅自然,是否符合用户体验要求。
三、验收结果1.网站首页设计风格:符合项目定位,与目标用户群体匹配,现代感较强。
页面布局:清晰明了,用户使用习惯符合要求。
字体选择:符合品牌形象,大小合适。
色彩搭配:主色调突出,搭配协调。
图片/图标:图片清晰,图标简洁易懂。
交互设计:顺畅自然,符合用户体验要求。
验收结果:通过。
2.网站内页设计风格:与首页一致,符合项目定位,与目标用户群体匹配。
页面布局:清晰明了,与首页风格一致。
字体选择:符合品牌形象,大小合适。
色彩搭配:与首页搭配一致,突出主色调。
图片/图标:图片清晰,图标简洁易懂。
交互设计:顺畅自然,符合用户体验要求。
验收结果:通过。
3.移动端首页设计风格:与PC端一致,符合项目定位,与目标用户群体匹配。
页面布局:清晰明了,符合移动端使用习惯。
字体选择:符合品牌形象,大小合适。
色彩搭配:与PC端搭配一致,突出主色调。
图片/图标:图片清晰,图标简洁易懂。
交互设计:顺畅自然,符合用户体验要求。
验收结果:通过。
4.移动端内页设计风格:与移动端首页一致,符合项目定位,与目标用户群体匹配。
页面布局:清晰明了,与移动端首页风格一致。
字体选择:符合品牌形象,大小合适。
色彩搭配:与移动端首页搭配一致,突出主色调。
图片/图标:图片清晰,图标简洁易懂。
交互设计:顺畅自然,符合用户体验要求。
工程安装质量及观感质量查收记录表
系统(工程)名称:xx 工程(智能建筑)施工单位:xxxx 科技股份有限企业编号:
检查结果
设施名称项目要求方法主观评论抽查百分数
合格不合格
接地导线电源与接地点正确,安安装切合规范要求√100%的引入地装坚固
接地装置电源与接地点正确,安安装切合规范要求√100%的安装地装坚固
防雷装置电源与接地点正确,安安装切合规范要求√100%的引入地装坚固
防雷装置电源与接地点正确,安安装切合规范要求√100%的安装地装坚固
安装质量
检查结果合格切合设计及施工质量查收规范要求。
检查结论
施工单位人员署名:监理工程师(建设单查收日期:
位)署名:
注:
1.在检查结果栏,按实质状况在相应空格内打“√” (左列打“√” ,视为合格;右列打“√” ,视为
不合格)。
2.检查结果: K s(合格率)=合格数/项目检查数(项目检查数如无要求或实质缺项未检查的,不
计在内)。
3.检查结论: K s(合格率)≥,判为合格; K s<,判为不合格;必需时作简要说明。
4.主观评论栏内填写主观评论建议,分“切合要求”和“不切合要求” ;不切合要求者注明主要问题。
表B.0.4 工程安装质量及观感质量验收记录系统(工程)名称:施工单位:编号:001表B.0.4 工程安装质量及观感质量验收记录系统(工程)名称:五方对讲系统施工单位:_江苏巨楷科技发展有限公司_ 编号:002表B.0.4 工程安装质量及观感质量验收记录系统(工程)名称:有线电视系统施工单位:_江苏巨楷科技发展有限公司_ 编号:003表B.0.4 工程安装质量及观感质量验收记录系统(工程)名称:计算机网络施工单位:_江苏巨楷科技发展有限公司_ 编号:004表B.0.4 工程安装质量及观感质量验收记录系统(工程)名称:图书馆管理系统施工单位:_江苏巨楷科技发展有限公司_ 编号:005表B.0.4 工程安装质量及观感质量验收记录系统(工程)名称:LED大屏施工单位:_江苏巨楷科技发展有限公司_ 编号:006表B.0.4 工程安装质量及观感质量验收记录系统(工程)名称:多媒体会议系统施工单位:_江苏巨楷科技发展有限公司_ 编号:007表B.0.4 工程安装质量及观感质量验收记录系统(工程)名称:视频监控系统施工单位:_江苏巨楷科技发展有限公司_ 编号:008表B.0.4 工程安装质量及观感质量验收记录系统(工程)名称:电子巡更系统施工单位:_江苏巨楷科技发展有限公司_ 编号:009表B.0.4 工程安装质量及观感质量验收记录系统(工程)名称:一卡通系统施工单位:_江苏巨楷科技发展有限公司_ 编号:010表B.0.4 工程安装质量及观感质量验收记录系统(工程)名称:报警系统施工单位:_江苏巨楷科技发展有限公司_ 编号:011表B.0.4 工程安装质量及观感质量验收记录系统(工程)名称:综合布线系统施工单位:_江苏巨楷科技发展有限公司_ 编号:012表B.0.4 工程安装质量及观感质量验收记录系统(工程)名称:宿舍对讲系统施工单位:_江苏巨楷科技发展有限公司_ 编号:013表B.0.4 工程安装质量及观感质量验收记录系统(工程)名称:机房施工单位:_江苏巨楷科技发展有限公司_ 编号:014表B.0.4 工程安装质量及观感质量验收记录系统(工程)名称:投影机施工单位:_江苏巨楷科技发展有限公司_ 编号:015Welcome To Download !!!欢迎您的下载,资料仅供参考!。
结构工程观感质量评定表(房建验收)工程名称:施工单位:序号检查项目扣分标准标准分实得分1砼结构外观整体质量●砼不密实,表面气孔较多,每处扣分;●缺棱掉角、棱角不直、翘曲不平、飞边凸肋、涨膜等现象,对清水砼构件,每2处扣分;对普通砼构件,每4处扣分;●砼构件表面不平、麻面、掉皮、起砂、沾污等现象,对清水砼构件,每1m2扣分;对普通砼构件,每2m2扣分。
2砼结构局部缺陷露筋●纵向受力钢筋露筋,每处扣分;●其它部位钢筋露筋,每处扣分。
蜂窝●构件主要受力部位有蜂窝,每0.01m2扣分;●其它部位有蜂窝,每0.04m2扣分。
孔洞●构件主要受力部位有孔洞,每处扣分;●其它部位有孔洞,每2处扣分。
夹渣●构件主要受力部位有夹渣,每处扣分;●其它部位有夹渣,每4处扣分。
疏松●构件主要受力部位有疏松,每0.01m2扣分;●其它部位有疏松,每0.04m2扣分。
裂缝●影响结构性能或使用功能的裂缝,扣分;●不影响结构性能或使用功能的裂缝但没有处理,每条扣分。
连接部位缺陷●影响结构传力性能的缺陷,扣分;●不影响结构传力性能的缺陷,每处扣分。
柱脚烂根●每出现1处,扣分。
施工缝●施工缝的位置不符合要求,每条施工缝扣分;●转换层梁上出现的未经处理的施工冷缝和施工缝,每条扣分;●柱墙砼设计强度比梁、板砼设计强度高两个等级及以上时,柱墙核心区砼高低标号混浇,每处扣分;●剪力墙上出现的未经处理的施工冷缝,每条施工缝扣分。
3装配式结构缺陷预制构件产品及安装●预制构件的尺寸偏差、平整度、阴阳角方正及外观质量状况(颜色、光洁度)、不满足规范要求,构件出现破损或裂缝,等每处扣分;●预制构件上预留、预埋质量不满足规范要求(预埋件、预埋管线、预留洞口及各种措施的预留预埋等),每处扣分;●预制构件接合处的粗糙面处理情况不满足规范要求,每处扣分;●装配式结构连接现场的座浆、注浆、连接缝处理的质量情况及其防水措施和防水性能不满足规范要求,每处扣分;●装配式结构构件安装位置及尺寸偏差不满足规范要求,每处扣分;●预制构件的成品保护不符合要求,每处扣分。
表B.0.4 工程安装质量及观感质量验收记录系统(工程)名称:施工单位:编号:001表B.0.4 工程安装质量及观感质量验收记录系统(工程)名称:五方对讲系统施工单位:_江苏巨楷科技发展有限公司_ 编号:002表B.0.4 工程安装质量及观感质量验收记录系统(工程)名称:有线电视系统施工单位:_江苏巨楷科技发展有限公司_ 编号:003表B.0.4 工程安装质量及观感质量验收记录系统(工程)名称:计算机网络施工单位:_江苏巨楷科技发展有限公司_ 编号:004表B.0.4 工程安装质量及观感质量验收记录系统(工程)名称:图书馆管理系统施工单位:_江苏巨楷科技发展有限公司_ 编号:005表B.0.4 工程安装质量及观感质量验收记录系统(工程)名称:LED大屏施工单位:_江苏巨楷科技发展有限公司_ 编号:006表B.0.4 工程安装质量及观感质量验收记录系统(工程)名称:多媒体会议系统施工单位:_江苏巨楷科技发展有限公司_ 编号:007表B.0.4 工程安装质量及观感质量验收记录系统(工程)名称:视频监控系统施工单位:_江苏巨楷科技发展有限公司_ 编号:008表B.0.4 工程安装质量及观感质量验收记录系统(工程)名称:电子巡更系统施工单位:_江苏巨楷科技发展有限公司_ 编号:009表B.0.4 工程安装质量及观感质量验收记录系统(工程)名称:一卡通系统施工单位:_江苏巨楷科技发展有限公司_ 编号:010表B.0.4 工程安装质量及观感质量验收记录系统(工程)名称:报警系统施工单位:_江苏巨楷科技发展有限公司_ 编号:011表B.0.4 工程安装质量及观感质量验收记录系统(工程)名称:综合布线系统施工单位:_江苏巨楷科技发展有限公司_ 编号:012表B.0.4 工程安装质量及观感质量验收记录系统(工程)名称:宿舍对讲系统施工单位:_江苏巨楷科技发展有限公司_ 编号:013表B.0.4 工程安装质量及观感质量验收记录系统(工程)名称:机房施工单位:_江苏巨楷科技发展有限公司_ 编号:014表B.0.4 工程安装质量及观感质量验收记录系统(工程)名称:投影机施工单位:_江苏巨楷科技发展有限公司_ 编号:015。