蜗轮蜗杆齿轮减速器设计说明书
- 格式:doc
- 大小:3.66 MB
- 文档页数:32
北京理工大学机械根底设计实践机械根底设计实践设计说明书设计题目:一级蜗轮蜗杆减速器姓名:王松指导老师:荣辉学号:20212061班号:092209012021/9/81.目录前言------------------------------------------------------------〔4〕1、机械设计课程设计任务书---------------------------------------〔4〕2、系统运动方案的设计-------------------------------------------〔5〕3电动机的选择及传动比----------------------------------------〔6〕、电动机类型的选择------------------------------------〔6〕、电动机功率选择--------------------------------------〔6〕、确定电动机转速--------------------------------------〔6〕、总传动比--------------------------------------------〔7〕4、运动学与动力学计算---------------------------------------〔8〕、蜗杆蜗轮的转速--------------------------------------〔8〕、功率------------------------------------------------〔8〕、转矩-----------------------------------------------〔8〕5、传动零件设计计算------------------------------------------〔9〕、选择蜗杆传动类型------------------------------------〔9〕、选择材料--------------------------------------------〔9〕、按齿面接触疲劳强度进行设计--------------------------〔9〕校验蜗轮弯曲强度、蜗杆与蜗轮的主要参数与几何尺寸----------------------〔9〕6、轴的设计计算及校核---------------------------------------〔10〕高速轴(蜗杆轴)的设计计算-----------------------------〔10〕联轴器的选择-----------------------------------〔10〕..输入轴的结构设计----------------------------------〔11〕由弯扭合成法校核轴的强度-----------------------------〔11〕输出轴的设计计算--------------------------------------〔13〕轴上的零件定位,固定和装配------------------------〔13〕确定轴的各段直径和长度---------------------------〔14〕按弯扭复合强度计算147、滚动轴承的选择及校核计算---------------------------------〔16〕、计算输入轴轴承------------------------------------〔16〕、计算输出轴轴承------------------------------------〔18〕8、联轴器及键等相关标准的选择-------------------------------〔19〕、连轴器与电机连接采用平键连接-----------------------〔19〕、输入轴与联轴器连接采用平键连接---------------------〔20〕、输出轴与蜗轮连接用平键连接-------------------------〔20〕9、减速器结构与润滑的概要说明-------------------------------〔20〕、箱体的结构形式和材料-------------------------------〔20〕、铸铁箱体主要结构尺寸和关系-------------------------〔21〕、齿轮的润滑-----------------------------------------〔22〕、滚动轴承的润滑-------------------------------------〔22〕、密封-----------------------------------------------〔22〕、考前须知-------------------------------------------〔22〕减速器附件简要说明-----------------------------------〔22〕10、设计小结------------------------------------------------〔22〕11、参考资料------------------------------------------------〔23〕.前言课程设计能培养学生综合运用所学的理论知识与实践技能,树立正确的设计思想,掌握设计的根本方法。
机械设计课程设计蜗轮蜗杆减速器的设计一、选择电机1)选择电动机类型按工作要求和工作条件选用Y系列三相异步电动机。
2)选择电动机的容量工作机的有效功率为从电动机到工作机输送带间的总效率为=式中各按【1】第87页表9.1取η-联轴器传动效率:0.991η-每对轴承传动效率:0.982η-涡轮蜗杆的传动效率:0.803η-卷筒的传动效率:0.964所以电动机所需工作功率3)确定电机转速工作机卷筒的转速为所以电动机转速的可选围是:符合这一围的转速有:750、1000、1500三种。
综合考虑电动机和传动装置尺寸、质量、价格等因素,为使传动机构结构紧凑,决定选用同步转速为1000。
根据电动机的类型、容量、转速,电机产品目录选定电动机型号Y112M-6,其主要性能如下表1:表1 Y112M-6型电动机的主要性能型号额定功率满载时质量/kg转速/(电流/A(380V)效率/%功率因数Y112M-6 2.2 940 5.6 80.5 0.74 2.0 452 确定传动装置的总传动比和分配传动比:总传动比:3 计算传动装置各轴的运动和动力参数:1)各轴转速:Ⅰ轴Ⅱ轴卷筒轴2)各轴输入功率:Ⅰ轴Ⅱ轴卷筒轴3)各轴输入转矩:电机轴的输出转矩Ⅰ轴Ⅱ轴卷筒轴运动和动力参数结果如下表:轴名功率P/kW转矩T/)转速n/传动比i效率/电机轴 2.07 940 115.610.990.80.971轴 2.06 9402轴 1.65 62卷筒轴 1.60 62二、涡轮蜗杆的设计1、选择材料及热处理方式。
考虑到蜗杆传动传递的功率不大,速度也不高,蜗杆选用45号刚制造,调至处理,表面硬度220250HBW;涡轮轮缘选用铸锡磷青铜,金属模铸造。
2、选择蜗杆头数和涡轮齿数i=15.16 =2 =i=215.16303、按齿面接触疲劳强度确定模数m和蜗杆分度圆直径1)确定涡轮上的转矩,取,则2)确定载荷系数K=根据工作条件确定系数=1.15 =1.0 =1.1K==1.15 1.0 1.1=1.2653)确定许用接触应力由表查取基本许用接触应力=200MPa应力循环次数 N=故寿命系数4)确定材料弹性系数5)确定模数m和蜗杆分度圆直径查表取m=6.3mm,=80mm4、计算传动中心距a。
蜗轮蜗杆减速器设计说明书蜗轮蜗杆减速器设计说明书1. 引言本设计说明书旨在详细介绍蜗轮蜗杆减速器的设计过程和技术要求,为生产和使用蜗轮蜗杆减速器提供指导。
2. 设计要求2.1 减速比要求根据使用需求,确定蜗轮蜗杆减速器的减速比,确保输出转速满足要求。
2.2 功率传递要求根据输入功率和减速比,计算出减速器的输出功率,确保减速器能够稳定可靠地传递所需的功率。
2.3 结构材料要求选择适当的材料用于蜗轮蜗杆减速器的各个部件,考虑与其他部件的配合要求、强度要求和耐磨损要求等。
2.4 运行安全要求设计减速器时需考虑运行过程中的安全事项,例如温升、冷却要求、噪音控制等。
2.5 可维修性要求对于蜗轮蜗杆减速器的设计,应考虑到其维修和保养过程中的便捷性,方便进行零件更换和维修。
3. 设计参数3.1 输入转速和功率确定减速器的输入转速和功率,作为设计过程的基本参数。
3.2 输出转速和减速比根据输入转速和所需输出转速,计算蜗轮蜗杆减速器的减速比。
3.3 模块尺寸根据减速器的减速比、输入输出轴的直径,计算蜗轮蜗杆减速器的模块尺寸。
3.4 效率和传动比计算减速器的传动效率和传动比,以评估其性能。
4. 结构设计4.1 蜗轮和蜗杆的选择选择合适的蜗轮和蜗杆,确保配合公差满足要求,并且尽量减小间隙,以提高减速器的传动效率。
4.2 轴承选型选择适当的轴承,确保在减速器运行过程中承受的负载和力矩能得到有效的支撑和传递。
4.3 油封设计设计合适的油封结构,确保减速器不会发生润滑油泄漏问题,保持良好的工作环境。
4.4 外壳设计设计合理的外壳结构,使减速器的内部部件得到良好的保护,并方便进行维修和保养。
5. 附件本文档涉及附件,请参考附件表格。
6. 法律名词及注释6.1 著作权法著作权法是指保护作品权益的法律规定,包括著作权的取得、行使和保护等方面。
6.2 专利法专利法是指保护发明创造的法律规定,包括专利权的取得、行使和保护等方面。
6.3 商标法商标法是指保护商标权益的法律规定,包括商标的注册、使用和保护等方面。
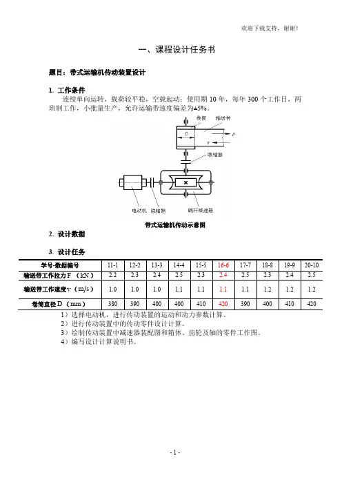
一、课程设计任务书题目:带式运输机传动装置设计1. 工作条件连续单向运转,载荷较平稳,空载起动;使用期10年,每年300个工作日,两班制工作,小批量生产,允许运输带速度偏差为±5%。
带式运输机传动示意图2. 设计数据3. 设计任务2)进行传动装置中的传动零件设计计算。
3)绘制传动装置中减速器装配图和箱体、齿轮及轴的零件工作图。
4)编写设计计算说明书。
设计小结经过三个星期的实习,过程曲折可谓一语难尽。
在此期间我也失落过,也曾一度热情高涨。
从开始时满富盛激情到最后汗水背后的复杂心情,点点滴滴无不令我回味无长。
体会到作为设计人员在设计过程中必须严肃、认真,并且要有极好的耐心来对待每一个设计的细节。
在设计过程中,我们会碰到好多问题,这些都是平时上理论课中不会碰到,或是碰到了也因为不用而不去深究的问题,但是在设计中,这些就成了必须解决的问题,如果不问老师或是和同学讨论,把它搞清楚,在设计中就会出错,甚至整个方案都必须全部重新开始。
比如轴上各段直径的确定,以及各个尺寸的确定,以前虽然做过作业,但是毕竟没有放到非常实际的应用环境中去,毕竟考虑的还不是很多,而且对所学的那些原理性的东西掌握的还不是很透彻。
但是经过老师的讲解,和自己的更加深入的思考之后,对很多的知识,知其然还知其所以然。
刚刚开始时真的使感觉是一片空白,不知从何处下手,在画图的过程中,感觉似乎是每一条线都要有一定的依据,尺寸的确定并不是随心所欲,不断地会冒出一些细节问题,都必须通过计算查表确定。
设计实际上还是比较累的,每天在电脑前画图或是计算的确需要很大的毅力。
从这里我才真的体会到了做工程的还是非常的不容易的,通过这次课程设计我或许提前体会到了自己以后的职业生活吧。
经过这次课程设计感觉到自己还学到了很多的其他的计算机方面的知识,经过训练能够非常熟练的使用Word和autoCAD。
并且由于在前期为了选定最终使用的CAD 软件,我还学习使用了InteCAD和开目CAD,掌握了大致的用法,通过比较学习我了解了CAD软件的大致框架,觉得受益匪浅。
一级蜗轮蜗杆减速器设计说明书第一章绪论1.1本课题的背景及意义计算机辅助设计及辅助制造(CAD/CAM)技术是当今设计以及制造领域广泛采用的先进技术。
本次设计是蜗轮蜗杆减速器,通过本课题的设计,将进一步深入地对这一技术进行深入地了解和学习。
1.1.1 本设计的设计要求机械零件的设计是整个机器设计工作中的一项重要的具体内容,因此,必须从机器整体出发来考虑零件的设计。
设计零件的步骤通常包括:选择零件的类型;确定零件上的载荷;零件失效分析;选择零件的材料;通过承载能力计算初步确定零件的主要尺寸;分析零部件的结构合理性;作出零件工作图和不见装配图。
对一些由专门工厂大批生产的标准件主要是根据机器工作要求和承载能力计算,由标准中合理选择。
根据工艺性及标准化等原则对零件进行结构设计,是分析零部件结构合理性的基础。
有了准确的分析和计算,而如果零件的结构不合理,则不仅不能省工省料,甚至使相互组合的零件不能装配成合乎机器工作和维修要求的良好部件,或者根本装不起来。
1.2.(1)国内减速机产品发展状况国内的减速器多以齿轮传动,蜗杆传动为主,但普遍存在着功率与重量比小,或者传动比大而机械效率过低的问题。
另外材料品质和工艺水平上还有许多弱点。
由于在传动的理论上,工艺水平和材料品质方面没有突破,因此没能从根本上解决传递功率大,传动比大,体积小,重量轻,机械效率高等这些基本要求。
(2)国外减速机产品发展状况国外的减速器,以德国、丹麦和日本处于领先地位,特别在材料和制造工艺方面占据优势,减速器工作可靠性好,使用寿命长。
但其传动形式仍以定轴齿轮转动为主,体积和重量问题也未能解决好。
当今的减速器是向着大功率、大传动比、小体积、高机械效率以及使用寿命长的方向发展。
1.3.本设计的要求本设计的设计要求机械零件的设计是整个机器设计工作中的一项重要的具体内容,因此,必须从机器整体出发来考虑零件的设计计算,而如果零件的结构不合理,则不仅不能省工省料,甚至使相互组合的零件不能装配成合乎机器工作和维修要求的良好部件,或者根本装不起来。
燕山大学机械设计课程设计说明书题目:蜗杆-齿轮二级减速器学院(系):机械工程学院年级专业:学号:学生姓名:指导教师:目录一.传动方案的拟定 (1)二.电动机的选择及传动比确定 (1)1.性能参数及工况 (1)2.电动机型号选择 (1)三.运动和动力参数的计算 (3)1.各轴转速 (3)2.各轴输入功率 (3)3.各轴输入转距 (3)四.传动零件的设计计算 (4)1.蜗杆蜗轮的选择计算 (4)2.斜齿轮传动选择计算 (8)五.轴的设计和计算 (13)1.初步确定轴的结构及尺寸 (13)2.3轴的弯扭合成强度计算 (17)六.滚动轴承的选择和计算 (21)七.键连接的选择和计算 (22)八、联轴器的选择 (22)九.减速器附件的选择 (23)十.润滑和密封的选择 (24)十一.拆装和调整的说明 (24)十二.主要零件的三维建模 (24)十三.设计小结 (28)十四.参考资料 (29)下图是蜗杆轴与蜗杆材料一致选择45号钢调质处理,HB=240,考虑到蜗杆为下置,有轴向力,所以选用一对角接触轴承,一个深沟球轴承,一端固定,一段游动,稀油润滑,橡胶密封。
轴的结构设计如下图图2 蜗杆轴的结构设计 1)初算轴头 按需用切应力初算d1 pd cn ≥d1段直接与电机相连,不受弯矩,查机械设计课本表10-2取c=112则 31 1.0011211.43940d mm ≥= 轴颈上有单键,轴颈虚增大3%,d 1=11.4×1.03=11.74 考虑到蜗杆轴刚度较小,需增大轴径,取d 1=18mm 查《机械设计指导手册》126页选取LT2型联轴器 l 1=42mm 2)计算d 2、l2 该段轴与联轴器想连,起定位作用,但不承受轴向力,且需要考虑密封圈内径为标准值,所以取d 2=20mm ,l 2需伸出端盖15~20mm ,由作图决定,作图后的l 2=40mm 。
3)计算d 3、l3 该段与圆螺母配合,考虑圆螺母的标准值。
项目课程说明书题目:运输机减速器二级学院机械工程学院年级专业机械设计制造及其自动化学号学生姓名指导教师新余学院项目课程任务书二级学院:说明:此表一式叁份,学生、指导教师、二级学院各一份。
年月日目录1.电机选择 (1)2.选择传动比 (2)2.1总传动比 (3)2.2减速装置的传动比分配 (3)3.各轴的参数 (4)3.1各轴的转速 (4)3.2各轴的输入功率 (4)3.3各轴的输出功率 (4)3.4各轴的输入转矩 (4)3.5各轴的输出转矩 (5)3.6各轴的运动参数表 (6)4.蜗轮蜗杆的选择 (7)4.1选择蜗轮蜗杆的传动类型 (7)4.2选择材料 (7)4.3按计齿面接触疲劳强度计算进行设 (7)4.4蜗杆与蜗轮的主要参数与几何尺寸 (8)4.5校核齿根弯曲疲劳强度 (9)4.6验算效率 (10)4.7精度等级公差和表面粗糙度的确定 (10)5.轴的设计计算 (11)5.1蜗杆轴 (11)5.1.1按扭矩初算轴径 (11)5.1.2蜗杆的结构设计 (11)5.2蜗轮轴 (12)5.2.1输出轴的设计计算 (12)5.2.2轴的结构设计 (13)5.3蜗杆轴的校核 (14)5.3.1求轴上的载荷 (14)5.3.2精度校核轴的疲劳强度 (15)5.4蜗轮轴的强度校核 (18)5.4.1精度校核轴的疲劳强度 (20)5.4.2精度校核轴的疲劳强度 (20)6.滚动轴承的选择及校核计算 (24)6.1蜗杆轴上的轴承的选择和寿命计算 (24)6.2蜗杆轴上轴承的选择计算 (25)7.键连接的选择及校核计算 (29)7.1输入轴与电动机轴采用平键连接 (29)7.2输出轴与联轴器连接采用平键连接 (29)7.3输出轴与蜗轮连接用平键连接 (29)8.联轴器的选择计算 (31)8.1与电机输出轴的配合的联轴器 (31)8.2与一级齿轮降速齿轮轴配合的联轴器........................................................ 错误!未定义书签。
目录一、电动机的选择 (3)二、传动比分配 (4)三、计算传动装置的运动和动力参数 (4)四、传动零件的设计计算 (4)五、轴的设计计算 (6)六、蜗杆轴的设计计算 (17)七、键联接的选择及校核计算 (18)八、减速器箱体结构尺寸确定 (19)九、润滑油选择: (21)十、滚动轴承的选择及计算 (21)十一、联轴器的选择 (22)十二、设计小结 (22)减速器种类:蜗杆—链条减速器减速器在室内工作,单向运转工作时有轻微震动,两班制。
要求使用期限十年,大修期三年,速度误差允许5%,小批量生产。
设计计算及说明结果一 .电动机的选择1、电动机类型选择按工作要求和工作条件,选用一般用途的卧式封闭型Y(112M-4)系列三相异步电动机。
2、电动机容量(1)工作机所需功率W P1000W FvP ==2x102=2.4kw (2)电动机的输出功率d Pηwd P P =传动装置的总效率7654321ηηηηηηηη⋅⋅⋅⋅⋅⋅= 式中,η1、η2…为从电动机至卷筒轴之间的各传动机构和轴承的效率。
由《机械设计课程设计》表2-4查得:单头蜗杆10.75η=;轴承20.98η=75(三对);联轴器30.99η=;滚筒40.95η= 链传动965.05=η则6624.07654321=⋅⋅⋅⋅⋅⋅=ηηηηηηηη故wd P P η==2.4/0.6624=3.6233kw3、电动机的转速(1)工作机滚筒主轴转速601000w v n Dπ⨯==45.84/min rW P =2.4kwη≈0.6624d P =3.6233kwn w =45.84/min r型号 额定功率 同步转速 满载转速 质量 Y112M-44.015001440470有表中数据可知两个方案均可行,但方案1的总传动比较小,传动装置结构尺寸较小,并且节约能量。
因此选择方案1,选定电动机的型号为Y112M-4,二.传动比分配a i =mn n= =114.55 2(0.03~0.06)i i ==3~5取i 涡=30所以2i =3.82三.计算传动装置的运动和动力参数1)各轴传速960minD m rn n ==11212324960960min 196032min 303232min 18.38minD D n rn i n rn i n rn i r n n ===========2) 各轴输入功率4D P P kw ==d 1 3.96d P P kw η==3 1212 2.9106P P kw ηη== 32 2.824P P kw ηη==23a i =114.55i 涡=30 2i =3.82D n =960min r1n =960min r 2n =32min r 3n =32min rn 工=8.38r/minD P =4kw3 2.63P P kw ηη==4w 工 3)各轴输入转矩T (N •m) T n =9550× p/ n iT 1=9550×3.96/960=39.393 N ·m T 2=9550×2.9106/32=868.63 N ·m T 3=9550×2.824/32=842.79 N ·m T 4=9550×2.63/8.38=2985.7995 N ·m将以上算得的运动及动力参数列表如下:轴号功率P/kw转矩T/(m N ⋅) 转速n/1min -⋅r电动机轴 4 2 960 Ⅰ轴 3.96 39.4 960 Ⅱ轴 2.824 868.63 32 Ⅲ轴 2.9106 842.79 32 工作轴2.6329854.79958.38四、传动零件的设计计算 ㈠ 蜗轮蜗杆1、选择蜗杆的传动类型根据GB/T10085-1988的推荐,采用渐开式蜗杆(ZI) 2、选择材料考虑到蜗杆传动功率不大,速度只是中等,故蜗杆采用45钢;因希望效率高些,耐磨性好些,故蜗杆螺旋齿面要求淬火,硬度为45~55HRC ,蜗轮用铸锡磷青铜ZC u S n 10P1,金属模铸造 3、按齿面接触疲劳强度进行设计1).在蜗轮上的转矩,即T 2 ,按Z=1,估取效率η=0.75,则T 2=868630 ⑴确定作用在蜗轮上的转矩,即T 2 ,按Z=1,估取效率η=0.75,1P =3.96kw 2P =2.9106kw 3P =2.824kw P =工 2.63kwT 1=39.393N ·m T 2=868.63 N ·m T 3=842.79 N ·m T 4=2985.7995 N ·m则T2=868630⑵确定载荷系数K因工作载荷较稳定,故取载荷分布不均系数KB=1,由书上(机械设计)表11-5,选取使用系数KA=1.15;由于转速不高,冲不大,可取载荷KV =1.05。
蜗杆齿轮减速器课程设计说明书(总29页)--本页仅作为文档封面,使用时请直接删除即可----内页可以根据需求调整合适字体及大小--燕山大学机械设计课程设计说明书题目:蜗杆-齿轮二级减速器学院(系):机械工程学院年级专业: 12级机自卓工班学号: 9学生姓名:王博皓指导教师:齐效文教师职称:教授目录一.传动方案分析................................................................................. 错误!未定义书签。
1.蜗杆传动.................................................................................. 错误!未定义书签。
2.斜齿轮传动.............................................................................. 错误!未定义书签。
二.电动机选择计算............................................................................. 错误!未定义书签。
1.原始数据.................................................................................. 错误!未定义书签。
2.电动机型号选择...................................................................... 错误!未定义书签。
三.总传动比确定及各级传动比分配 ................................................. 错误!未定义书签。
四.运动和动力参数的计算................................................................. 错误!未定义书签。
目录一设计任务书 (1)二传动方案的拟定 (2)三电动机的选择和传动装置的运动和动力学计算 (3)四传动装置的设计 (6)五轴及轴上零件的校核计算 (11)1 蜗杆轴及其轴上零件的校核计算 (11)2 蜗轮轴及其轴上零件的校核计算 (14)六啮合条件及轴承的润滑方法、润滑机的选择 (16)七密封方式的选择 (18)八减速器的附件及其说明 (21)九设计小结 (23)十参考文献 (24)第一章.设计任务书1.1设计题目设计用于带速传输机的传动装置。
1.2工作原理及已知条件工作原理:工作传动装置如下图所示:设计数据:运输带工作拉力F=2500N运输带工作速度v=1.10m/s卷筒直径D=400mm工作条件:连续单向运转,工作时轻微冲击,灰尘较少;运输带速度允许误差±5%;一班制工作,3年大修,使用期10年(卷筒支承及卷筒与运输带间的摩擦影响在运输带工作拉力F中已考虑)。
加工条件:批量生产,中等规模机械厂,可加工7~8级齿轮。
设计工作量:1.减速器装配图1张;2.零件图1~3张;3.设计说明书1.3原始数据1-电动机2、4-联轴器3-一级蜗轮蜗杆减速器5-传动滚筒6-输送带第二章. 传动方案选择2.1传动方案的选择该工作机采用的是原动机为Y系列三相笼型异步电动机,三相笼型异步电动机是一般用途的全封闭自扇冷式电动机,电压380 V,其结构简单、工作可靠、价格低廉、维护方便;另外其传动功率大,传动转矩也比较大,噪声小,在室内使用比较环保。
因为三相电动机及输送带工作时都有轻微振动,所以采用弹性联轴器能缓冲各吸振作用,以减少振动带来的不必要的机械损耗。
总而言之,此工作机属于小功率、载荷变化不大的工作机,其各部分零件的标准化程度高,设计与维护及维修成本低;结构较为简单,传动的效率比较高,适应工作条件能力强,可靠性高,能满足设计任务中要求的设计条件及环境。
第三章. 电动机的选择和运动参数的计算3.1电动机的选择1. 选择电动机的类型按工作要求和条件选取Y 系列一般用途全封闭自扇冷鼠笼式三相异步电动机。
蜗轮蜗杆齿轮减速器设计说明书蜗轮蜗杆齿轮减速器设计说明书一、引言本文档旨在提供蜗轮蜗杆齿轮减速器设计的详细说明。
减速器是一种常用于机械设备的传动装置,通过将高速旋转的输入轴转换成低速并具有更大扭矩的输出轴,以适应不同工作环境和需求。
二、设计要求本章详细描述蜗轮蜗杆齿轮减速器设计的要求,包括但不限于:1.减速比要求2.输出扭矩要求3.输入功率限制4.设计寿命要求等三、设计原理本章介绍蜗轮蜗杆齿轮减速器的设计原理,并详细阐述蜗杆传动、蜗轮传动和齿轮传动的工作原理,以便更好地理解减速器的工作方式和特点。
四、设计参数计算本章详细说明蜗轮蜗杆齿轮减速器设计过程中涉及的各项参数计算方法,包括蜗杆蜗轮的齿数、模数、齿宽等参数的计算方法,并给出具体的计算示例。
五、零件选型本章常用的蜗轮蜗杆齿轮减速器的相关标准,并介绍如何根据设计要求和参数计算结果进行零件的选型,包括蜗轮、蜗杆、齿轮和轴承等。
六、结构设计本章详细描述蜗轮蜗杆齿轮减速器的结构设计过程,包括各个零件的布局、装配方式、皮带传动装置的设计等。
七、强度校核本章介绍蜗轮蜗杆齿轮减速器的强度校核方法,包括齿轮强度校核、轴承强度校核和装配强度校核等。
八、润滑与密封本章介绍蜗轮蜗杆齿轮减速器的润滑和密封设计要求,包括润滑方式的选择、润滑油的选用和密封装置设计等。
九、安全与可靠性本章重点阐述蜗轮蜗杆齿轮减速器的安全与可靠性设计要求和考虑因素,以确保减速器的正常、安全、可靠运行。
十、附件本文档涉及的附件如下:1.设计图纸:包括装配图、零件图和尺寸图等。
2.计算数据表格:包括参数计算结果和零件选型结果等。
3.测试报告:包括减速器性能测试结果等。
附:法律名词及注释1.著作权:指法律对著作成果所赋予的权利和义务的总称。
2.专利权:指法律对发明创造者在技术领域所创造的技术方案所给予的专有权利。
燕山大学
机械设计课程设计说明书题目:蜗杆-齿轮二级减速器
学院(系):机械工程学院
年级专业:
学号:
学生:
指导教师:
目录
一.传动方案的拟定 (1)
二.电动机的选择及传动比确定 (1)
1.性能参数及工况 (1)
2.电动机型号选择 (1)
三.运动和动力参数的计算 (3)
1.各轴转速 (3)
2.各轴输入功率 (3)
3.各轴输入转距 (3)
四.传动零件的设计计算 (4)
1.蜗杆蜗轮的选择计算 (4)
2.斜齿轮传动选择计算 (8)
五.轴的设计和计算 (13)
1.初步确定轴的结构及尺寸 (13)
2.3轴的弯扭合成强度计算 (17)
六.滚动轴承的选择和计算 (21)
七.键连接的选择和计算 (22)
八、联轴器的选择 (22)
九.减速器附件的选择 (23)
十.润滑和密封的选择 (24)
十一.拆装和调整的说明 (24)
十二.主要零件的三维建模 (24)
十三.设计小结 (28)
十四.参考资料 (29)
图5 轴3结构尺寸图6 轴3受力图
水平面受力图
图7 水平面弯矩图竖直面受力图
图8 垂直面弯矩图图9 合成弯矩图
1
293 MPa
σ
-
=
1
169 MPa
τ
-
=
527 MPa
σ=
325 MPa
τ=
0.11
0.04
σ
τ
ψ
ψ
=
=
M=209876 N·mm
T=502990 N·mm
σ=14.74MPa σm=0
τ=16.45MPa =8.225
a m
MPa ττ=
图10 轴3扭矩图
4)计算轴的安全系数 轴选用45号钢,
650,360b s MPa MPa σσ==
对称循环疲劳极限
10.450.45650293b MPa σσ-==⨯= 10.260.26650169b MPa τσ-==⨯=
脉动循环疲劳极限
00.810.81650527b MPa σσ==⨯= 00.500.50650325b MPa τσ==⨯=
由式
10
2σσσψσ--=
10
2ιττψτ--=
得
0.11σψ= 0.04ιψ=
由图9和图10可得危险截面处弯矩M=209876N ·mm 。
最大转矩为T=502990 N ·mm 。
11
232
3()322209876
=14.74166(556)5532255
a M M bt d t W d d
MPa σ
σσππ==
=
--=⨯⨯--⨯
m σ=
1.82k σ=
k τ
=1.62
β=0.92
0.81σε=0.76τε=
8.14S σ=
8.72S τ=
5.95S =
3轴设计合理
轴承的计算公式和有关数据皆引自《机械设计》第159页~第173页
F a = 1144.04N X=0.56,Y=1.71 f P =1.1
102196811h L h
=选用6210型
轴承符合要求
座外壁要有凸台,经机械加工成为螺塞头部的支承面,并加封油圈以加强密封。
十.润滑和密封的选择
润滑说明
因为是下置式蜗杆减速器,且其传动的圆周速度v<12m/s,故蜗杆采用浸油润滑;大、小斜齿圆柱齿轮采用浸油润滑,因大齿轮浸不到油,所以加装带油轮;润滑油使用50号机械润滑油。
蜗杆轴的轴承采用稀油润滑,其他轴承采用润滑脂润滑,因为轴承转速v<1500r/min,所以选择润滑脂的填入量为轴承空隙体积的1/2。
密封说明
在试运行过程中,所有联接面及轴伸密封处都不允许漏油。
剖分面允许涂以密封胶或水玻璃,不允许使用任何垫片。
轴伸处密封应涂以润滑脂。
十一.拆装和调整的说明
在安装调整滚动轴承时,必须保证一定的轴向游隙,因为游隙大小将影响轴承的正常工作。
在安装齿轮或蜗杆蜗轮后,必须保证需要的侧隙及齿面接触斑点,蜗杆副传动按齿高接触斑点不小于55%,按齿长接触斑点不小于50%,当传动侧隙及接触斑点不符合精度要求时,可以对齿面进行刮研、跑合或调整传动件的啮合位置。
十二.主要零件的三维建模
十三.设计小结
转眼间我们的课设基本上结束,回想当初刚拿到设计书的时候,一脸茫然,不知道从何下手,后来课程进行到一定程度的时候才对课设有了大致的了解。
深入接触才知道并没有那么简单,他涉及到各种知识,如画法几何,机械制图,机械设计,互换性原理基础等等。
每一步都要自己来做,每一个尺寸都要有根有据,否则就要出现错误,更改是牵一发而动全身。
我认为这次课设不仅仅是一次任务,更是对我们以后工作的一次锤炼,我们在这次课设中,独立自主认真设计,我们学习了知识,也收获了严谨,认真,耐心,总之收获了很多很多。
这次课设虽说是独立自主,但是我们还是有很多东西都不知道,所以老师,还有一些同学都给了我一定的指导,这些指导都是比较珍贵的,在这里我要感所有帮助过我的每一个人。
最后,浪费课设就是浪费未来的事业,珍惜以后的每一次学习机会。
燕山大学《机械设计》课程设计综评。