10t单梁桥式起重机大车运行机构设计
- 格式:doc
- 大小:295.00 KB
- 文档页数:21
第一章绪论1.1 选题意义起重机械用来对物料作起重、运输、装卸和安装等作业的机械设备,它可以完成靠人力无法完成的物料搬运工作,减轻人们的体力劳动,提高劳动生产率,在工厂、矿山、车站、港口、建筑工地、仓库、水电站等多个领域部门中得到了广泛的使用,随着生产规模的日益扩大,特别是现代化、专业化的要求,各种专门用途的起重机相继产生,在许多重要的部门中,它不仅是生产过程中的辅助机械,而且已成为生产流水作业线上不可缺少的重要机械设备,它的发展对国民经济建设起着积极的促进作用。
起重机械是起升,搬运物料及产品的机械工具。
起重机械对于提高工程机械各生产部门的机械化,缩短生产周期和降低生产成本,起着非常重要的作用在高层建筑、冶金、华工及电站等的建设施工中,需要吊装和搬运的工程量日益增多,其中不少组合件的吊装和搬运重量达几百吨。
因此必须选用一些大型起重机进行吊装工作。
通常采用的大型起重机有龙门起重机、门座式起重机、塔式起重机、履带起重机、轮式起重机以及在厂房内装置的桥式起重机等。
在道路,桥梁和水利电力等建设施工中,起重机的使用范围更是极为广泛。
无论是装卸设备器材,吊装厂房构件,安装电站设备,吊运浇注混凝土、模板,开挖废渣及其他建筑材料等,均须使用起重机械。
尤其是水电工程施工,不但工程规模浩大,而且地理条件特殊,施工季节性强、工程本身又很复杂,需要吊装搬运的设备、建筑材料量大品种多,所需要的起重机数量和种类就更多。
在电站厂房及水工建筑物上也安装各种类型的起重机,供检修机组、起闭杂们及起吊拦污栅之用。
在这些起重机中,桥式起重机是生产批量最大,材料消耗最多的一种。
由于这种起重机行驶在高空,作业范围能扫过整个厂房的建筑面积,因而受到用户的欢迎,得到很大的发展。
图1-1是典型的双梁桥式起重机。
图1-1 双梁桥式起重机1.2 本课题的研究目的(1)熟悉桥式起重机的结构和工作原理(2)掌握桥式起重机的设计方法(3)将所学的理论知识应用到实际的生产设计中去,培养实际动手能力(4)了解制造业的发展,为以后工作做准备1.3 桥式起重机的研究现状目前,在工程起重机械领域,欧洲、美国和日本处于领先地位。
十吨位桥式起重机大车运行机构设计毕业设计(论文)相关资料题目:十吨位桥式起重机大车运行机构设计目录一、毕业设计(论文)开题报告二、毕业设计(论文)外文资料翻译及原文三、学生“毕业论文(论文)计划、进度、检查及落实表”四、实习鉴定表无锡太湖学院毕业设计(论文)开题报告题目:十吨位桥式起重机大车运行机构设计信机系机械工程及自动专业学号: 0923087学生姓名:叶宏城指导教师:陈炎冬(职称:讲师)(职称:)2012年11月25日外文资料翻译及原文英文原文:Fatigue life prediction of the metalwork of a travelling gantrycraneAbstractIntrinsic fatigue curves are applied to a fatigue life prediction problem of the metalwork of a traveling gantry crane. A crane, used in the forest industry, was studied in working conditions at a log yard, an strain measurements were made. For the calculations of the number of loading cycles, the rain flow cycle counting technique is used. The operations of a sample of such cranes were observed for a year for the average number of operation cycles to be obtained. The fatigue failure analysis has shown that failures some elements are systematic in nature and cannot be explained by random causes.卯1999 Elsevier Science Ltd. All rights reserved.Key words: Cranes; Fatigue assessment; Strain gauging1. IntroductionFatigue failures of elements of the metalwork of traveling gantry cranes LT62B are observed frequently in operation. Failures as fatigue cracks initiate and propagate in welded joints of the crane bridge and supports in three-four years. Such cranes are used in the forest industry at log yards for transferring full-length and sawn logs to road trains, having a load-fitting capacity of 32 tons. More than 1000 cranes of this type work at the enterprises of the Russian forest industry. The problem was stated to find the weakest elements limiting the cranes' fives, predict their fatigue behavior, and give recommendations to the manufacturers for enhancing the fives of the cranes.2. Analysis of the crane operationFor the analysis, a traveling gantry crane LT62B installed at log yard in the Yekaterinburg region was chosen. The crane serves two saw mills, creates a log store, and transfers logs to or out of road trains. A road passes along the log store. The saw mills are installed so that the reception sites are under the crane span. A schematic view of the crane is shown in Fig. 1.1350-6307/99/$一see front matter 1999 Elsevier Science Ltd. All rights reserved. PII: S 1 3 5 0一6307(98) 00041一7A series of assumptions may be made after examining the work of cranes:·if the monthly removal of logs from the forest exceeds the processing rate, i.e. there is a creation of a log store, the crane expects work, being above the centre of a formed pile with the grab lowered on the pile stack;·when processing exceeds the log removal from the forest, the crane expects work above an operational pile close to the saw mill with the grab lowered on the pile; ·the store of logs varies; the height of the piles is considered to be a maximum;·the store variation takes place from the side opposite to the saw mill;·the total volume of a processed load is on the average k=1.4 times more than the total volume of removal because of additional transfers.2.1. Removal intensityIt is known that the removal intensity for one year is irregular and cannot be considered as a stationary process. The study of the character of non-stationary flow of road trains at 23 enterprises Sverdlesprom for five years has shown that the monthly removal intensity even for one enterprise essentially varies from year to year. This is explained by the complex of various systematic and random effects which exert an influence on removal: weather conditions, conditions of roads and lorry fleet, etc. All wood brought to the log store should, however, be processed within one year. Therefore, the less possibility of removing wood in the season between spring and autumn, the more intensively the wood removal should be performed in winter. While in winter the removal intensity exceeds the processing considerably, in summer, in most cases, the more full-length logs are processed than are taken out.From the analysis of 118 realizations of removal values observed for one year, it is possible to evaluate the relative removal intensity g(t) as percentages of the annualload turnover. The removal data fisted in Table 1 is considered as expected values for any crane, which can be applied to the estimation of fatigue life, and, particularly, for an inspected crane with which strain measurement was carried out (see later). It would be possible for each crane to take advantage of its load turnover per one month, but to establish these data without special statistical investigation is difficult. Besides, to solve the problem of life prediction a knowledge of future loads is required, which we take as expected values on cranes with similar operation conditions.The distribution of removal value Q(t) per month performed by the relative intensityq(t) is written aswhere Q is the annual load turnover of a log store, A is the maximal designed store of logs in percent of Q. Substituting the value Q, which for the inspected crane equals 400,000 m3 per year, and A=10%, the volumes of loads transferred by the crane are obtained, which are listed in Table 2, with the total volume being 560,000 m3 for one year using K,.2.2. Number of loading blocksThe set of operations such as clamping, hoisting, transferring, lowering, and getting rid of a load can be considered as one operation cycle (loading block) of the crane. As a result to investigations, the operation time of a cycle can be modeled by the normal variable with mean equal to 11.5 min and standard deviation to 1.5 min. unfortunately, this characteristic cannot be simply used for the definition of the number of operation cycles for any work period as the local processing is extremely irregular. Using a total operation time of the crane and evaluations of cycle durations, it is easy to make large errors and increase the number of cycles compared with the real one. Therefore, it is preferred to act as follows.The volume of a unit load can be modeled by a random variable with a distribution function(t) having mean22 m3 and standard deviation 6;一3 m3, with the nominalvolume of one pack being 25 m3. Then, knowing the total volume of a processed load for a month or year, it is possible to determine distribution parameters of the number of operation cycles for these periods to take advantage of the methods of renewal theory [1].According to these methods, a random renewal process as shown in Fig. 2 is considered, where the random volume of loads forms a flow of renewals:In renewal theory, realizations of random:,,,having a distribution function F-(t),are understoodas moments of recovery of failed units or request receipts. The value of a processedload:,,after}th operation is adopted here as the renewal moment.<t﹜. The function F-(t) is defined recurrently,Let F(t)=P﹛nLet v(t) be the number of operation cycles for a transferred volume t. In practice, the total volume of a transferred load t is essentially greater than a unit load, and it is useful therefore totake advantage of asymptotic properties of the renewal process. As follows from an appropriatelimit renewal theorem, the random number of cycles v required to transfer the large volume t hasthe normal distribution asymptotically with mean and variance.without dependence on the form of the distribution function月t) of a unit load (the restriction isimposed only on nonlattice of the distribution).Equation (4) using Table 2 for each averaged operation month,function of number of load cycles with parameters m,. and 6,., which normal distribution in Table 3. Figure 3 shows the average numbers of cycles with 95 % confidence intervals. The values of these parametersfor a year are accordingly 12,719 and 420 cycles.3. Strain measurementsIn order to reveal the most loaded elements of the metalwork and to determine a range of stresses, static strain measurements were carried out beforehand. Vertical loading was applied by hoisting measured loads, and skew loading was formed with a tractor winch equipped with a dynamometer. The allocation schemes of the bonded strain gauges are shown in Figs 4 and 5. As was expected, the largest tension stresses in the bridge take place in the bottom chord of the truss (gauge 11-45 MPa). The top chord of the truss is subjected to the largest compression stresses.The local bending stresses caused by the pressure of wheels of the crane trolleys are added to the stresses of the bridge and the load weights. These stresses result in the bottom chord of the I一beam being less compressed than the top one (gauge 17-75 and 10-20 MPa). The other elements of the bridge are less loaded with stresses not exceeding the absolute value 45 MPa. The elements connecting the support with the bridge of the crane are loaded also irregularly. The largest compression stresses take place in the carrying angles of the interior panel; the maximum stresses reach h0 MPa (gauges 8 and 9). The largest tension stresses in the diaphragms and angles of the exterior panel reach 45 MPa (causes 1 and hl.The elements of the crane bridge are subjected, in genera maximum stresses and respond weakly to skew loads. The suhand, are subjected mainly to skew loads.1, to vertical loads pports of the crane gmmg rise to on the otherThe loading of the metalwork of such a crane, transferring full-length logs, differs from that ofa crane used for general purposes. At first, it involves the load compliance of log packs because ofprogressive detachment from the base. Therefore, the loading increases rather slowly and smoothly.The second characteristic property is the low probability of hoisting with picking up. This is conditioned by the presence of the grab, which means that the fall of the rope from the spreader block is not permitted; the load should always be balanced. The possibility of slack being sufficient to accelerate an electric drive to nominal revolutions is therefore minimal. Thus, the forest traveling gantry cranes are subjected to smaller dynamic stresses than in analogous cranes for general purposes with the same hoisting speed. Usually, when acceleration is smooth, the detachment of a load from the base occurs in 3.5-4.5 s after switching on an electric drive. Significant oscillations of the metalwork are not observed in this case, and stresses smoothly reach maximum values.When a high acceleration with the greatest possible clearance in the joint between spreader andgrab takes place, the tension of the ropes happens 1 s after switching the electric drive on, theclearance in the joint taking up. The revolutions of the electric motors reach the nominal value inO.}r0.7 s. The detachment of a load from the base, from the moment of switching electric motorson to the moment of full pull in the ropes takes 3-3.5 s, the tensions in ropes increasing smoothlyto maximum. The stresses in the metalwork of the bridge and supports grow up to maximumvalues in 1-2 s and oscillate about an average within 3.5%.When a rigid load is lifted, the accelerated velocity of loading in the rope hanger and metalworkis practically the same as in case of fast hoisting of a log pack. The metalwork oscillations are characterized by two harmonic processes with periods 0.6 and 2 s, which have been obtained from spectral analysis. The worst case of loading ensues from summation of loading amplitudes so that the maximum excess of dynamic loading above static can be 13-14%.Braking a load, when it is lowered, induces significant oscillation of stress in the metalwork, which can be }r7% of static loading. Moving over rail joints of 3} mm height misalignment induces only insignificant stresses. In operation, there are possible cases when loads originating from various types of loading combine. The greatest load is the case when the maximum loads from braking of a load when lowering coincide with braking of the trolley with poorly adjusted brakes.4. Fatigue loading analysisStrain measurement at test points, disposed as shown in Figs 4 and 5, was carried out during the work of the crane and a representative number of stress oscillograms was obtained. Since a common operation cycle duration of the crane has a sufficient scatter with average value } 11.5min, to reduce these oscillograms uniformly a filtration was implemented to these signals, and all repeated values, i.e. while theconstruction was not subjected to dynamic loading and only static loading occurred, were rejected. Three characteristic stress oscillograms (gauge 11) are shown inFig. 6 where the interior sequence of loading for an operation cycle is visible. At first, stressesincrease to maximum values when a load is hoisted. After that a load is transferred to the necessary location and stresses oscillate due to the irregular crane movement on rails and over rail joints resulting mostly in skew loads. The lowering of the load causes the decrease of loading and forms half of a basic loading cycle.4.1. Analysis of loading process amplitudesTwo terms now should be separated: loading cycle and loading block. The first denotes one distinct oscillation of stresses (closed loop), and the second is for the set of loading cycles during an operation cycle. The rain flow cycle counting method given in Ref. [2] was taken advantage of to carry out the fatigue hysteretic loop analysis for the three weakest elements: (1) angle of the bottom chord(gauge 11), (2) I-beam of the top chord (gauge 17), (3) angle of the support (gauge 8). Statistical evaluation of sample cycle amplitudes by means of the Waybill distribution for these elements has given estimated parameters fisted in Table 4. It should be noted that the histograms of cycle amplitude with nonzero averages were reduced afterwards to equivalent histograms with zero averages.4.2. Numbers of loading cyclesDuring the rain flow cycle counting procedure, the calculation of number of loading cycles for the loading block was also carried out. While processing the oscillograms of one type, a sample number of loading cycles for one block is obtained consisting ofintegers with minimum and maximum observed values: 24 and 46. The random number of loading cycles vibe can be describedby the Poisson distribution with parameter =34.Average numbers of loading blocks via months were obtained earlier, so it is possible to find the appropriate characteristics not only for loading blocks per month, but also for the total number of loading cycles per month or year if the central limit theorem is taken advantage of. Firstly, it is known from probability theory that the addition of k independent Poisson variables gives also a random variable with the Poisson distribution with parameter k},. On the other hand, the Poisson distribution can be well approximated by the normal distribution with average}, and variation },. Secondly, the central limit theorem, roughly speaking, states that the distribution of a large number of terms, independent of the initial distribution asymptotically tends to normal. If the initial distribution of each independent term has a normal distribution, then the average and standard deviation of the total number of loading cycles for one year are equal to 423,096 and 650 accordingly. The values of k are taken as constant averages from Table 3.5. Stress concentration factors and element enduranceThe elements of the crane are jointed by semi-automatic gas welding without preliminary edge preparation and consequent machining. For the inspected elements 1 and 3 having circumferential and edge welds of angles with gusset plates, the effective stress concentration factor for fatigue is given by calculation methods [3],kf=2.}r2.9, coinciding with estimates given in the current Russian norm for fatigue of welded elements [4], kf=2.9.The elements of the crane metalwork are made of alloyed steel 09G2S having an endurance limit of 120 MPa and a yield strength of 350 MPa. Then the average values of the endurance limits of the inspected elements 1 and 3 are ES一l=41 MPa. Thevariation coefficient is taken as 0.1, and the corresponding standard deviation is 6S-、一4.1 MPa.The inspected element 2 is an I-beam pierced by holes for attaching rails to the top flange. The rather large local stresses caused by local bending also promote fatigue damage accumulation. According to tables from [4], the effective stress concentration factor is accepted as kf=1.8, which gives an average value of the endurance limit as ES 一l=h7 Map. Using the same variation coiffing dent th e stand arid d emit ion is 1s σ-=6.7 MPa.An average S-N curve, recommended in [4], has the form:with the inflexion point No=5·106 and the slope m=4.5 for elements 1 and 3 and m=5.5 for element 2.The possible values of the element endurance limits presented above overlap the ranges of load amplitude with nonzero probability, which means that these elements are subjected to fatigue damage accumulation. Then it is possible to conclude that fatigue calculations for the elements are necessary as well as fatigue fife prediction.6. Life predictionThe study has that some elements of the metalwork are subject to fatigue damage accumulation.To predict fives we shall take advantage of intrinsic fatigue curves, which are detailed in [5]and [6].Following the theory of intrinsic fatigue curves, we get lognormal life distribution densities for the inspected elements. The fife averages and standard deviations are fisted in Table 5. The lognormal fife distribution densities are shown in Fig. 7. It is seen from this table that the least fife is for element 3. Recollecting that an average number of load blocks for a year is equal to 12,719, it is clear that the average service fife of the crane before fatigue cracks appear in the welded elements is sufficient: the fife is 8.5 years for element 1, 11.5 years for element 2, and h years for element 3. However, the probability of failure of these elements within three-four years is notsmall and is in the range 0.09-0.22. These probabilities cannot be neglected, and services of design and maintenance should make efforts to extend the fife of the metalwork without permitting crack initiation and propagation.7. ConclusionsThe analysis of the crane loading has shown that some elements of the metalwork are subjectedto large dynamic loads, which causes fatigue damage accumulation followed by fatigue failures.The procedure of fatigue hfe prediction proposed in this paper involves tour parts:(1) Analysis of the operation in practice and determination of the loading blocks for some period.(2) Rainflow cycle counting techniques for the calculation of loading cycles for a period of standard operation.(3) Selection of appropriate fatigue data for material.(4) Fatigue fife calculations using the intrinsic fatigue curves approach.The results of this investigation have been confirmed by the cases observed in practice, and the manufacturers have taken a decision about strengthening the fixed elements to extend their fatigue lives.References[1] Feller W. An introduction to probabilistic theory and its applications, vol. 2. 3rd ed. Wiley, 1970.[2] Rychlik I. International Journal of Fatigue 1987;9:119.[3] Piskunov V(i. Finite elements analysis of cranes metalwork. Moscow: Mashinostroyenie, 1991 (in Russian).[4] MU RD 50-694-90. Reliability engineering. Probabilistic methods of calculations for fatigue of welded metalworks.Moscow: (iosstandard, 1990 (in Russian).[5] Kopnov VA. Fatigue and Fracture of Engineering Materials and Structures 1993;16:1041.[6] Kopnov VA. Theoretical and Applied Fracture Mechanics 1997;26:169.中文翻译龙门式起重机金属材料的疲劳强度预测摘要内在的疲劳曲线应用到龙门式起重机金属材料的疲劳寿命预测问题。
目录第一章绪论 ............................................ 错误!未定义书签。
1.1 选题的意义 ........................................ 错误!未定义书签。
1.2 本课题的研究目的 (2)1.3 桥式起重机的研究现状 (2)第二章设计方案 (4)2.1 起重机的介绍 42.2 起重机设计的总体方案 42.2.1 主梁的设计 (4)2.2.2 小车的设计 (4)2.2.3端梁的设计 (5)2.2.4桥架的设计 (5)第三章大车行车机构的设计 (6)3.1 设计的原则和要求63.1.1 机构传动方案 (6)3.1.2 大车行车机构布局 (6)3.2 搭车行车机构的计算73.2.1 确定结构的传动方案 (7)3.2.2 选择车轮与轨道并校核其强度 (7)3.2.3 运行组里的计算 (9)3.2.4 选择电动机 (10)3.2.5 计算发动机的发热功率 (11)3.2.6 减速器的选择 (11)3.2.7 验算运行速度与实际功率 (11)3.2.8 验算启动时间 (12)3.2.9 校核减速器功率 (13)3.2.10 验算不打滑条件 (13)3.2.11 选择制动器 (15)3.2.12 选择联轴器 (16)3.2.13 验算浮动轴 (17)3.2.14 缓冲器的选择 (18)第四章端梁的设计 (20)4.1 端梁尺寸的确定214.2 端梁的计算214.3主要焊缝的计算24第五章端梁结头的设计 (26)5.1 端梁接头的确定和计算 265.2 主要螺栓和焊缝的设计 29第六章桥架的结构设计 (31)6.1 桥架的结构形式316.2 桥架的结构设计与计算 31第七章焊接工艺设计 (39)致谢 (42)参考文献 (43)附录 (44)第一章绪论1.1 选题意义起重机械用来对物料作起重、运输、装卸和安装等作业的机械设备,它可以完成靠人力无法完成的物料搬运工作,减轻人们的体力劳动,提高劳动生产率,在工厂、矿山、车站、港口、建筑工地、仓库、水电站等多个领域部门中得到了广泛的使用,随着生产规模的日益扩大,特别是现代化、专业化的要求,各种专门用途的起重机相继产生,在许多重要的部门中,它不仅是生产过程中的辅助机械,而且已成为生产流水作业线上不可缺少的重要机械设备,它的发展对国民经济建设起着积极的促进作用。
`LD型电动单梁起重机设计计算书LD10t-13.52m-10m股份有限公司2012.6.16一、起重机的总体要求与已知参数额定起重量: Q=n G =10000kg 葫芦自重: 葫G =1098kg 跨度: L=13.52m 起升速度: m in /7~7.0m V =起升 小车运行速度: m in /20~0.2m V =小 大车运行速度: min /20~0.2m V =大 起重机工作级别: A4二、大车运行机构设计计算1、大车运行机构电机选择(1) 大车运行机构静阻力:kN g G G W zd n jd 279.1009.08.9)51.410()(=⨯⨯+=••+=ω jd W 大车运行机构静阻力n G 起重量,取10t zd G 大车自重,取4.51tω 静阻力系数,查表取0.009(2) 大车惯性阻力kN a G G k W zd n ad 967.3228.0)5.410(2.1)(=⨯+⨯=•+•=ad W 大车起动时的惯性阻力k 考虑旋转件的惯性阻力系数, k 取1.2 a 起动平均加速度大车起动加速度 228.0035.0==k V ak V 额定运行速度,min /20m V V k ==大(3) 风阻力N W fd 0=室内用风阻力不计(4) 大车运行机构电动机功率kW Z P p P K K p m cpfdad jd t h d 58.0212056.150.012.111=⨯++⨯⨯=•++••=λ d P 大车电机功率jd P 按静阻力计算的静功率kW V W P k jd jd 50.085.06020279.160=⨯⨯=•=ηad P 按惯性阻力计算的功率kW V W P k ad ad 56.185.06020967.360=⨯⨯=•=η 2、 大车运行机构减速机选择:52.5820138027.0=⨯⨯=••=ππKV nR iR 车轮直径:270mmn 电动机转速 i 机构传动比按减速机、电机样本选取 LDA ,58.95 ZDY (D )22-4/1.5kW三、主梁设计计算1、主梁断面几何特性LD10-13.52m 的断面如右图所示: 计算得主梁断面惯性矩为:Ix= 2224147663.1084mm Iy=419499208.1274mm 2、主梁强度计算根据此种梁的结构特点,主梁强度计算按第Ⅱ类载荷进行组合。
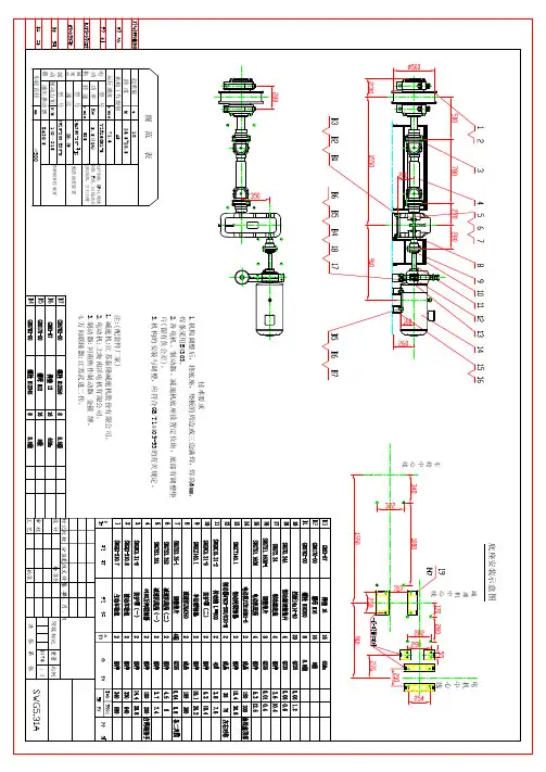
设计题目:10t桥式起重机设计设计人:侯雪鹏设计项目计算与说明结果确定机构传动方案跨度22.5m为中等跨度,为减轻重量,决定采用电动机与减速器间、减速器与车轮间均有浮动轴的布置传动方案如图3-1所示。
1-电动机;2-制动器;3-带制动轮的半齿轮联轴器;4-浮动轴;5-半齿联轴器;6-减速器;7-车轮3.2选择车轮与轨道,并验算其强度按图3-2所示的重量分布,计算大车车轮的最大轮压和最小轮压图3-2 轮压计算图满载时,最大轮压:)(1-3t65.112015.2224104424e24xcxcmax=-⨯++-=-⋅++-=LLGQGGP空载时,最大轮压:)(2-3t9.65.2215.22244424124xcxcmax=-⋅+-=-⋅+-='LLGGGP空载时,最小轮压:t65.11max=Pt9.6max='P图3-1 分别传动大车运行机构布置图m设计题目:10t桥式起重机设计设计人:侯雪鹏设计项目计算与说明结果主梁腹板高度确定主梁截面尺寸加筋板的布置尺寸定如下:腹板厚mm6=δ;上下盖板厚mm81=δ主梁两腹板内壁间距根据下面的关系式来决定:mmH3195.311105.3b==>mmL45050225050b==>因此取mm490b=盖板宽度:5424062490402b=+⨯+=++=δB(4-1)取mm550=B主梁的实际高度:m m11168211002h1=⨯+=+=δH(4-2)同理,主梁支承截面的腹板高度取mm600h=,这时支承截面的实际高度mm6162h1=+=δH。
主梁中间截面和支承截面的尺寸简图分别示于图4-1和图4-2。
mm6=δmm81=δmm490b=mm550=Bmm1116=H(实际值)图4-1 主梁中间截面尺寸简图图4-2 主梁支承截面尺寸简图设计题目:10t 桥式起重机设计设计人:侯雪鹏设计项目计算与说明 结果为了保证主梁截面中受压构件的局部稳定性,需要设置一些加筋构件如图4-3所示。
目录目录 (I)序言 (1)第1章桥式起重机的概述 (2)1.1 桥式起重机分类及工作特点 (2)1.2 桥式起重机的用途 (4)1.3 桥式起重机的基本参数 (5)1.4 桥式起重机主要零部件 (7)1.4.1吊钩 (7)1.4.2钢丝绳 (8)1.4.3 滑轮和滑轮组 (10)1.4.4 滑轮组类型及选配原则 (11)1.5滑轮组及其滑轮组的倍率 (12)1.6 卷筒 (13)1.7 位置限位器 (13)1.8 缓冲器 (14)1.9桥式起重机发展概述 (15)1.9.1 国内桥式起重机发展动向 (15)第2章大车运行机构的设计 (18)2.1大车运行结构设计的基本思路及要求 (18)2.2 大车运行机构传动方案的确定 (18)2.3 大车运行机构具体布置时要注意的问题 (19)2.4 大车运行机构的设计计算 (19)2.4.1 大车运行结构的传动方案 (20)2.5轮压计算及强度验算 (21)2.5.1计算大车的最大轮压和最小轮压: (21)2.5.2 强度计算及校核 (22)2.6 运行阻力计算 (24)2.7 选择电动机 (25)2.8 减速器的选择 (26)2.9 验算运行速度及实际功率 (27)2.10 验算启动时间 (27)2.11 起动工况下校核减速器功率 (29)2.12 验算起动不打滑条件 (29)2.13 选择制动器 (32)2.14 选择联轴器 (33)2.15 低速浮动轴的验算 (33)2.16 缓冲器的选择 (35)第3章起升小车的计算 (37)3.1 确定机构的传动方案 (37)3.2小车运行机构的计算 (38)3.3选择车轮与轨道并验算起强度 (38)3.4运行阻力计算 (40)3.5 选电动机 (41)3.6 验算电动机发热条件 (42)3.7 选择减速器 (42)3.8 验算运行速度和实际所需功率 (43)3.9验算起动时间 (43)3.10 按起动工况校核减速器功率 (44)3.11 验算起动不打滑条件 (45)3.12 选择制动器 (46)3.13 选择高速轴联轴器及制动轮 (47)3.14 验算低速浮动轴强度 (48)3.15 起升机构的设计参数 (49)3.16 钢丝绳的选择 (50)3.17 滑轮、卷筒的计算 (52)3.18 根据静功率初选电动机 (53)3.19 减速器的选择 (54)3.20 制动器的选择 (55)3.21 启动时间及启动平均加速度的验算 (55)3.22 联轴器的选择 (56)第4章桥架结构的设计 (58)4.1 桥架的结构形式 (58)4.1.1 箱形双梁桥架的构成 (58)4.1.2 箱形双梁桥架的选材 (58)4.2 桥架结构的设计计算 (59)4.2.1 主要尺寸的确定 (59)4.2.2 主梁的计算 (61)4.3 端梁的计算 (67)4.4 端梁的尺寸的确定 (71)4.4.1 端梁总体的尺寸 (71)4.4.2端梁的截面尺寸 (71)第5章端梁接头的设计 (73)5.1 端梁接头的确定及计算 (73)5.1.1 腹板和下盖板螺栓受力计算 (74)5.1.2 上盖板和腹板角钢的连接焊缝受力计算 (75)5.2 计算螺栓和焊缝的强度 (76)5.2.1 螺栓的强度校核 (76)5.2.2 焊缝的强度校核 (77)第6章焊接工艺设计 (79)参考文献 (82)致谢 (83)序言桥式起重机是横架于车间和料场上空进行物料调运的起重设备。
10t单梁桥式起重机大车运行机构设计摘要:桥式起重机是一种工作性能比较稳定,工作效率比较高的起重机。
随着我国制造业的发展,桥式起重机越来越多的应用到工业生产当中。
在工厂中搬运重物,机床上下件,装运工作吊装零部件,流水在线的定点工作等都要用到起重机。
在查阅相关文献的基础上,综述了桥式起重机的开发和研究成果,重点对桥式起重机大车运行机构、端梁、主梁、焊缝及连接进行设计并进行强度核算,主要是进行端梁的抗震性设计及强度计算和支承处的接触应力分析计计算过程。
设计包括电动机,减速器,联轴器,轴承的选择和校核。
设计中参考了许多相关数据, 运用多种途径, 利用现有的条件来完成设计。
本次设计通过反复考虑多种设计方案, 认真思考, 反复核算, 力求设计合理;通过采取计算机辅助设计方法以及参考他人的经验, 力求有所创新;通过计算机辅助设计方法, 绘图和设计计算都充分发挥计算机的强大辅助功能, 力求设计高效。
关键词:桥式起重机,大车运行机构,主梁;端梁;焊缝The Design Of 10t Single Beam Bridge Crane Traveling MechanismAbstract:Bridge crane is a kind of performance is stability, the working efficiency is relatively high crane. Along with the development of China's manufacturing industry,bridge crane is applied to industrial production more and more . Carrying heavy loads in factories , machine tool fluctuation pieces, shipping work on the assembly line for hoisting parts, the designated work with a crane.On the basis of literature review, summarized the bridge crane development and research results, focusing on bridge crane during operation organization, main beam,end beam weld and connection for design and the strength calculation; Mainly for the girders extent design and strength calculation and the support of contact stress analysis program in calculation. Design including motor, reducer, coupling, bearing choosing and chec- king. The design refer to many related information, reference to apply a variety of ways, make the existing conditions to complete design. By considering various design scheme repeatedly, thinking deeply,strive to design reasonable; By taking computer aided design method and reference the experience of others,strive to make innovation; Through computer aided design method, graphics and design calculations give full play to the powerful auxiliary function, computer to design efficient.Keywords: bridge crane; during operation organization; main beam; end beam; weld1 绪论1.1 起重机背景及其理论桥式起重机是桥架在高架轨道上运行的一种桥架型起重机,又称天车。
10T桥式起重机设计一、设计背景桥式起重机是一种常用的起重设备,广泛应用于工厂、码头、仓库等场所。
本设计旨在设计一台10T桥式起重机,以满足工业生产中对起重能力的需求。
二、设计要求1.起重能力:10T2.起重高度:5米3.最大跨度:20米4.工作级别:A55. 提升速度:8m/min6.电机功率:15KW7.控制方式:遥控8.安全保护措施:防碰撞、限位开关、载荷保护等9.结构紧凑、稳定可靠、操作简单、维护方便10.符合国家相关标准和安全规定三、设计方案1.结构设计本桥式起重机采用钢结构形式,由主梁、大车、小车、电气系统等组成。
主梁采用箱型梁结构,保证了起重机的刚性和稳定性,同时减轻了自重。
大车和小车采用轮轨式移动,通过电机驱动,具有灵活性和精确移动能力。
2.提升系统设计采用起重链条或钢丝绳提升机构,负责起重运输工作。
提升机构设计应具备高起重效率、平稳可靠、能适应长时间连续工作等特点。
3.控制系统设计控制系统采用PLC自动控制,具有快速、精确和灵活性的特点。
配备遥控器,操作方便,提高工作效率。
同时设置防碰撞装置、限位开关等安全保护措施,以确保操作安全。
4.电气系统设计电气系统设计应符合国家相关标准和安全规定。
选用大功率、高效率的电动机,以提供足够的动力。
配备电动机保护装置、断电保护装置等,确保安全可靠。
5.安全保护设计为了保障起重机及人员的安全,需设置各种安全保护装置,如防碰撞装置、限位开关、载荷保护装置等。
确保起重机能在安全范围内工作。
四、结论本设计方案涵盖了桥式起重机的结构设计、提升系统设计、控制系统设计、电气系统设计以及安全保护设计等方面。
该方案能够满足10T起重能力的需求,并且具备良好的稳定性、安全性和操作性能。
这将有效提高工作效率,确保工作安全。
同时,该起重机设计符合国家相关标准和安全规定,具备良好的可行性和可操作性。
前言本毕业设计的课题是:50/10T桥式起重机设计。
起重机械主要用于装卸和搬运物料,是现代化生产的重要设备。
它不仅广泛应用于工厂、矿山、港口、车站、建筑工地、电站等生产领域,而且也应用到人们的生活领域。
使用起重运输机械,能减轻工人劳动强度,降低装卸费用,减少货物的破损,提高劳动生产率,实现生产过程机械化和自动化不可缺少的机械设备。
本设计课题介绍了起重机的工作特点、用途、发展历史、组成、种类等,及桥式起重机的设计原则、参数、过程等。
其中重点介绍了小车起升机构和运行机构、大车运行机构、桥架结构的设计计算,及各重要零部件像电动机、减速器、制动器、联轴器等的选择等。
在此次设计中,我综合运用了以往所学的机械设计、机械原理、工程制图等专业知识的同时,也加深了对专业知识的理解,并提高了运用所学知识分析、解决问题的能力。
此外我也深切体会到了理论学习与生产实际的差别,通过实地学习,我消除了对所学理论知识片面的理解,一些不成熟的看法也逐渐在分析、解决问题的过程中淡去。
通过这一个多月的努力,我学到了很多,但同时也发现了自己在时间的统筹安排、创造能力的提高上存在的不足,这也为我指明了今后努力的方向。
在此次设计中,我还在图书馆、互联网上查找阅读了大量的参考资料,用来认识、理解桥式起重机的概念,帮助自己定制设计方案、步骤等。
这样不仅使自己提升的查找资料,运用各种材料、有用资源,及和自己所学知识的相结合应用,从而更好的去增加、巩固知识与获得更多知识。
总计,自己受益匪浅。
经过一个多月的努力,在指导老师和同学的帮助下,我的毕业设计顺利完成。
在此要感谢文庆明教授自始至终给予的鼓励和指导,文教授孜孜不倦的教导,让我的毕业设计的过程很顺利。
文教授认真、严谨、求实的态度也深深影响了自己,鞭策自己要不断的探索。
至此在完成课题设计之际,特向导师、各位同学表示感谢!在今后的工作学习过程中,我也会加倍努力,以这次毕业设计为契机,真正把自己的综合素质提高到一个新水平,以更大的热情投身到祖国的现代化建设中去,为中华民族复兴大业贡献自己的一份光和热!关键词:桥式起重机小车大车运行机构桥架结构目录1总述 (7)1.1起重机械的工作特点和用途 (7)1.2起重机械的历史发展 (8)1.3起重机械的组成和种类 (9)1.4桥式起重机的分类和用途 (10)1.5桥式起重机的基本参数 (12)2吊钩桥式起重机设计任务书 (14)2.1设计参数 (14)2.2工作条件 (14)2.3设计原则 (14)3小车起升机构和运行机构的计算 (14)3.1起升机构计算 (15)3.2小车运行机构计算 (32)4大车运行机构的计算 (41)4.1确定传动机构方案 (41)4.2选择车轮与轨道,并验算其强度 (41)4.3运行阻力计算 (43)4.4选择电动机 (44)4.5验算电动机发热条件 (44)4.6选择减速器 (45)4.7验算运行速度和实际所需功率 (45)4.8验算起动时间 (46)4.9起动工况下校核减数器功率 (47)4.10验算起动不打滑条件 (47)4.11选择制动器 (49)4.12选择联轴器 (50)4.13浮动轴低速轴的验算 (51)4.14浮动轴高速轴的验算 (52)5桥架结构的计算 (53)5.1主要尺寸的确定 (54)5.2主梁的计算 (56)5.3端梁的计算 (61)5.4主要焊缝的计算 (65)6总结 (67)7参考资料 (68)8 致谢 (69)1总述1.1 起重机械的工作特点和用途起重机械主要用于装卸和搬运物料,是现代化生产的重要设备。
优秀设计毕业论文(设计)任务书学生姓名学号年级专业及班级指导教师及职称学部20XX年9月20日填写说明一、毕业论文(设计)任务书是学院依照已经确信的毕业论文(设计)题目下达给学生的一种教学文件,是学生在指导教师指导下独立从事毕业论文(设计)工作的依据。
此表由指导教师填写。
二、此任务书必需针对每一名学生,不能多人共用。
三、选题要适当,任务要明确,难度要适中,分量要合理,使每一个学生在规定的时限内,通过自己的尽力,能够完成任务书规定的设计研究内容。
四、任务书一经下达,不得随意更改。
五、各栏填写大体要求。
(一)要紧内容和要求:1.工程设计类选题明确设计具体任务,设计原始条件及要紧技术指标;设计方案的形成(比较与论证);该生的偏重点;应完成的工作量,如图纸、译文及运算机应用等要求。
2.实验研究类选题明确选题的来源,具体任务与目标,国内外相关的研究现状及其评述;该生的研究重点,研究的实验内容、实验原理及实验方案;运算机应用及工作量要求,如论文、文献综述报告、译文等。
3.文法经管类论文明确选题的任务、方向、研究范围和目标;对相关的研究历史和研究现状简要介绍,明确该生的研究重点;要求完成的工作量,如论文、文献综述报告、译文等。
(二)要紧参考文献与外文资料:在确信了毕业论文(设计)题目和明确了要求后,指导教师应给学生提供一些相关资料和相关信息,或划定参考资料的范围,指导学生搜集反映当前研究进展的近1-3年参考资料和文献。
外文资料是指导教师依照选题情形明确学生需要阅读或翻译成中文的外文文献。
(三)毕业论文(设计)的进度安排:1.设计类、实验研究类课题实习、调研、搜集资料、方案制定约占总时刻的20%;主体工作,包括设计、计算、绘制图纸、实验及结果分析等约占总时刻的50%;撰写初稿、修改、定稿约占总时刻的30%。
2.文法经管类论文实习、调研、资料搜集、归档整理、形成提纲约占总时刻的60%;撰写论文初稿,修改、定稿约占总时刻的40%。
摘要本次毕业设计是针对毕业实习中桥式起重机所做的具体到吨位级别的设计。
我国现在应用的各大起重机还是仿造国外落后技术制造出来的,而且已经在工厂内应用了多年,有些甚至还是七八十年代的产品,无论在质量上还是在功能上都满足不了日益增长的工业需求。
如何设计使其成本最低化,布置合理化,功能现代化是我们研究的课题。
本次设计就是对小吨位的桥式起重机进行设计,主要设计内容是10t桥式起重机的结构及运行机构,其中包括桥架结构的布置计算及校核,主梁结构的计算及校核,端梁结构的计算及校核,主端梁连接以及大车运行机构零部件的选择及校核包括: 轮压计算及强度验算, 运行阻力计算,选择电动机,减速器的选择验算,运行速度及实际功率,选择制动器,选择联轴器,低速浮动轴的验算,缓冲器的选择等计算。
还有小车的运行和起升机构零部件的选择及校核包括: 运行阻力计算,选电动机,选择减速器验算起动时间,按起动工况校核减速器功率,选择制动器,选择高速轴联轴器及制动轮,验算低速浮动轴强度,钢丝绳的选择,滑轮、卷筒的计算,联轴器的选择。
关键词: 起重机;大车运行机构;小车运行结构;小车起升结构;桥架;主端梁AbstractThe graduation design is aimed at the graduation fieldwork medium-sized crane do specific to tonnage level of design. Our country is the application of the big crane or counterfeit foreign backward technology out of manufacture and has within the plant for many years, some even application or the 70s and 80s products, both in quality and in on the function can't satisfy the growing industrial demand. How to design makes it the lowest cost, decorate rationalization, functional modernization is our topic. This design is on small tonnage design of bridge crane, the main design content is 10t bridge crane structure and operation organization, including bridge structure arrangement calculation and checking the structure of the girder, the calculation and checking, calculated and checked the beam structure, the main girders connection and cart mechanism parts selection and checking including: wheel pressure calculation and intensity checking, running friction calculation, the choice of motor, gear reducer is checked, choose speed and actual power, choose brakes, choose coupling calculating speed floating axis, buffer choice calculation, etc. And car running and lifting mechanism parts selection and checking including: running friction calculation, choose motor, choose reducer, by starting checked start-up time check reducer power, choose working brakes, choose high-speed couplings and brake wheel, the checking low-speed axial intensity, the wire rope floating choice, pulley, drum calculation, coupling choice.Keywords: cranes; During operation organization; Car running structure; Car hoisting structure; Bridge; Main girders目录摘要 (1)Abstract (2)前言 (1)第1章桥式起重机的概述 (2)1.1 桥式起重机的特点 (2)1.2 桥式起重机的用途 (4)1.3 桥式起重机的基本参数 (5)1.4 桥式起重机主要零部件 (9)1.4.1吊钩 (9)1.4.2钢丝绳 (10)1.4.3 滑轮和滑轮组 (13)1.4.4 滑轮组类型及选配原则 (14)1.5滑轮组及其滑轮组的倍率 (15)1.6 卷筒 (16)1.7 位置限位器 (16)1.8 缓冲器 (17)1.9桥式起重机发展概述 (18)1.9.1 国内桥式起重机发展动向 (18)1.9.2 国外桥式起重机的发展动向 (19)第2章大车运行机构的设计 (20)2.1大车运行结构设计的基本思路及要求 (20)2.2 大车运行机构传动方案的确定 (21)2.3 大车运行机构具体布置时要注意的问题 (21)2.4 大车运行机构的设计计算 (22)2.4.1 大车运行结构的传动方案 (22)2.5轮压计算及强度验算 (23)2.5.1计算大车的最大轮压和最小轮压 (23)2.5.2 强度计算及校核 (24)2.6 运行阻力计算 (26)2.7 选择电动机 (27)2.8 减速器的选择 (29)2.9 验算运行速度及实际功率 (29)2.10 验算启动时间 (30)2.11 起动工况下校核减速器功率 (32)2.12 验算起动不打滑条件 (32)2.13 选择制动器 (35)2.14 选择联轴器 (36)2.15 低速浮动轴的验算 (37)2.16 缓冲器的选择 (38)第3章起升小车的计算 (41)3.1 确定机构的传动方案 (41)3.2小车运行机构的计算 (42)3.3选择车轮与轨道并验算起强度 (42)3.4运行阻力计算 (44)3.5 选电动机 (46)3.6 验算电动机发热条件 (46)3.7 选择减速器 (47)3.8 验算运行速度和实际所需功率 (47)3.9验算起动时间 (48)3.10 按起动工况校核减速器功率 (49)3.11 验算起动不打滑条件 (50)3.12 选择制动器 (51)3.13 选择高速轴联轴器及制动轮 (51)3.14 验算低速浮动轴强度 (53)3.15 起升机构的设计参数 (54)3.16 钢丝绳的选择 (55)3.17 滑轮、卷筒的计算 (56)3.18 根据静功率初选电动机 (58)3.19 减速器的选择 (58)3.20 制动器的选择 (60)3.21 启动时间及启动平均加速度的验算 (60)3.22 联轴器的选择 (61)第4章桥架结构的设计 (62)4.1 桥架的结构形式 (62)4.1.1 箱形双梁桥架的构成 (63)4.1.2 箱形双梁桥架的选材 (63)4.2 桥架结构的设计计算 (63)4.2.1 主要尺寸的确定 (63)4.2.2 主梁的计算 (66)4.3 端梁的计算 (72)4.4 端梁的尺寸的确定 (78)4.4.1 端梁总体的尺寸 (78)4.4.2端梁的截面尺寸 (78)第5章端梁接头的设计 (79)5.1 端梁接头的确定及计算 (79)5.1.1 腹板和下盖板螺栓受力计算 (80)5.1.2 上盖板和腹板角钢的连接焊缝受力计算 (81)5.2 计算螺栓和焊缝的强度 (82)5.2.1 螺栓的强度校核 (82)5.2.2 焊缝的强度校核 (83)总结 (87)致谢 (89)参考文献 (89)前言桥式起重机是横架于车间和料场上空进行物料调运的起重设备。
10吨位桥式起重机的总体设计一、引言桥式起重机是一种常见的起重设备,它由桥架、起重机械和电气系统组成,主要用于工业和建筑等领域的货物搬运。
本文将对一种重量为10吨的桥式起重机进行总体设计,包括结构设计、动力系统设计和控制系统设计等方面。
二、结构设计1.桥架设计桥架是起重机的主要支撑结构,其设计要充分考虑机械强度和稳定性。
对于10吨位的桥式起重机,桥架应具有足够的刚性和承载能力。
设计时可以采用双梁和四轮驱动的结构,桥架材料可以选择高强度钢材制作,以确保起重机在工作时的稳定性和安全性。
2.起重机械设计起重机械是桥式起重机的核心部件,其设计应满足起重货物的需求。
10吨位的起重机械应具有足够的起重高度和起重速度。
同时,起重机械的设计还应考虑附加装置的安装,如翻转夹具和吊具等。
起重机械的选择可以根据具体的工作要求,如起重高度、加载方式等来进行。
3.结构优化在桥式起重机的设计过程中,应通过结构优化方法对各部件进行优化设计,以提高整机的效率和性能。
结构优化可以通过有限元分析等方法来进行,以获取最佳设计方案。
同时,还可以采用轻量化设计和模块化设计来降低整机重量和提高制造效率。
三、动力系统设计桥式起重机的动力系统设计主要包括驱动装置和传动系统。
驱动装置可以选择电动驱动或液压驱动,具体选择可以根据需求来确定。
传动系统主要包括齿轮传动和链传动等,其设计应满足起重机的工作负荷和速度要求。
同时,还应考虑安全保护装置的安装,如过载保护和限位装置等,以确保起重机在工作过程中的安全性。
四、控制系统设计桥式起重机的控制系统设计主要包括电气控制和自动控制两个方面。
电气控制主要包括起重机的开关控制和驱动控制等,其设计应考虑安全可靠和操作方便。
自动控制可以通过PLC控制或计算机控制来实现,以提高起重机的自动化程度和操作效率。
同时,还应考虑远程控制和数据采集等功能的设计,以满足用户的不同需求。
五、安全性和可维护性设计在桥式起重机的总体设计中,安全性和可维护性是非常重要的考虑因素。
摘要单梁桥式起重机是一种轻型起重设备,它的起重量一般为1~20吨,适用跨度4.5~16.5米,工作环境温度在-35≤℃≤+35范围内,适合于车间、仓库、露天堆场等处的物品装卸工作。
桥架由一根主梁和两根端梁刚接组成。
根据起重量和跨度,主梁采用普通工字钢和U形槽组合焊接形成。
主梁和端梁之间采用承载突缘普通螺栓法兰连接。
此次设计主要是通过问题的提出,构思总体方案的设计,同时着重对大车机构、行走机构,以及主梁和端梁的结构进行设计,并绘制出装配图和零件图。
同时对核心部件的受力、强度等方面进行分析。
关键词:桥式起重机;大车运行机构;结构桥架;主端梁。
更多毕业设计请详询QQ245250987ABSTRACTThe list beam bridge type derrick is a kind of light heavy equipments,it start to apply the weight as1~20tons,apply to across degree4.5~16.5meters, the work environment temperature is in the≥-35.C and≤+35.Inside scope, suitable for car,warehouse,open-air heap field etc.of the product pack to unload a work.The bridge was carried beam by a lord beam and2to just connect to constitute.According to weight with across a degree,lord beam adoption common the work word steel and U form slot combination weld formation.Lord beam and carry an of beam an adoption loading To good luck common stud bolt method orchid conjunction.This design mainly through problem is put forward,idea of overall scheme design,at the same time walking on cart institutions,institutions,and the structure design of main girder and beam,and draw the assembly drawing and part drawing.At the same time the core parts of stress analysis,strength,etc.Keywords:bridge type derrick;During operation organization;;Bridge; Main girders.目录摘要 (1)目录 (3)第一章概述 (5)1.1整体描述 (5)1.2重机各部件的作用介绍 (7)1.3运行机构 (8)1.4发展趋势 (10)第二章主体设计 (13)2.1构造特点 (13)2.2主梁设计计算 (14)2.2.1主梁断面几何特性 (14)2.2.2主梁强度的计算 (16)2.2.3刚度计算 (21)2.2.4稳定性计算 (24)2.3端梁设计计算 (24)2.3.1轮距的确定 (25)2.3.2端梁中央断面几何特性 (25)2.4起重机最大轮压 (27)2.4.1起重机支座及作用 (27)2.4.2起重机最大轮压的计算 (27)2.5最大歪斜侧向力 (34)2.6端梁合成应力分析 (35)2.7车轮轴对端梁腹板的挤压应力 (35)2.8主、端梁连接计算 (36)2.8.1主、端梁连接形成及受力分析 (36)2.8.2螺栓拉力的计算 (37)第三章大车设计及计算 (41)3.1传动方案 (41)3.2车轮和轨道的选择及验算 (41)3.3验算车轮的疲劳强度 (42)3.4传动装置设计计算 (43)3.4.1选择电动机 (43)3.4.2大车运行机构的功率计算 (44)3.4.3验算电动机 (44)3.5设计减速装置 (46)3.5.1选择减速器的类型 (46)3.5.2确定减速器的型号 (47)3.6起重机安全装置 (49)3.6.1缓冲器 (49)3.6.2起升高度限位器 (49)3.6.3行程限位器 (49)3.6.4安全开关 (49)3.7起重机的组装及试车要求 (50)3.7.1起重机的安装注意事项 (50)3.7.2起重机的试车要求 (51)第四章焊缝连接分析 (53)4.1连接方法 (53)4.1.1焊接 (53)4.1.2对接焊缝 (53)4.1.3角焊缝 (54)致谢 (56)参考文献 (57)致谢本次的毕业设计,我们严格按照任务书中得要求来完成,总体感觉,在毕业设计中的每一项工作,均是环环相扣的,从毕业实习、手机资料,到设计计算、绘制图件均是紧密联系在一起的。
10 吨起重机单梁设计书1. 设计规范及参考文献中华人民共和国国务院令( 373)号《特种设备安全监察条例》GB3811—2008GB6067—2009 GB5905-86GB/T14405—93 《起重机设计规范》《起重机械安全规程》《起重机试验规范和程序》《通用桥式起重机》GB50256—96 《电气装置安装施工及验收规范》JB4315-1997 《起重机电控设备》GB10183—88 《桥式和门式起重机制造和轨道安装公差》JB/T1306-2008 《电动单梁起重机》GB164—88 《起重机缓冲器》GB5905—86 《低压电器基本标准》GB50278-98 《起重设备安装工程及验收规范》GB5905—86 《控制电器设备的操作件标准运动方向》ZBK26008—89 《YZR系列起重机及冶金用绕线转子二相异步电动机技术条件》2. 设计指标2.1 设计工作条件⑴气温:最高气温40 C ;最低气温-20 C⑵湿度:最大相对湿度90%(3) 地震:地震基本烈度为6 度2.2 设计寿命⑴起重机寿命30 年⑵电气控制系统15 年⑶油漆寿命10 年2.3 设计要求2.3.1 安全系数231.1钢丝绳安全系数n》52.3.1.2 结构强度安全系数载荷组合I n > 1.5载荷组合H n > 1.33231.3抗倾覆安全系数n》1.5231.4 机构传动零件安全系数n > 1.5 2.3.2钢材的许用应力值(N/mm)表1s]-钢材的屈服点;[c卜钢材的基本许用应力;[T卜钢材的剪切许用应力;[C c]-端面承压许用应力;233螺栓连接的许用应力值(N/mm)10.9级高强度螺栓抗剪[T ]=3502.3.4焊缝的许用应力值(N/mr i)对接焊缝:[C w] = [ C ](压缩焊缝)[c w] = [ C ](拉伸1、2级焊缝) [c w] = 0.8[ c ](拉伸3级焊缝)[T w]= [ c ]/2 1/2(剪切焊缝)角焊缝:(拉、压、剪焊缝)[T w]= 160 (Q235钢)200 (Q345钢)2.3.5起重机工作级别:利用等级U 5工作级别 A 4机构工作级别为M 53. 设计载荷3.1竖直载荷3.1.1起升载荷额定起升载荷:20t3.1.2桥式起重机自重载荷主梁:10.81t端梁:0.88t小车(包括电动葫芦): 1.12t电气装置及附件(电控箱、电缆、大车导电挂架等):0.15t总计:12.96t3.1.3 起升载荷基本值:20t3.1.4 冲击系数3.1.4.1 起升、制动冲击系数1起升速度:h=0.058m/s起动平均加速度a =0.029m/s2(起升、制动时间t=2s )制动冲击系数11=1+a/g式中:g —重力加速度,取g=9.81 m/s 21=1+a/g=1+0.029/9.81=1.0033.1.4.2 起升载荷动载系数 2 根据《起重机设计手册》当起升速度V h<0.2 m/s 时2=1.13.1.4.3 运行冲击系数起重机大车重载走行速度为0.333m/s,起重小车重载的走行速度为0.333m/s,轨道平顺程度良好,因此在运行中载荷的最大竖向冲击力将发生在轨道接缝处,则运行冲击系数:3=1.10+0.058 h1/2 式中:h —轨缝高差,h=0.002m1/23=1.10+0.058 1.57 0.0021/2=1.1041以上计算的三个冲击系数不会同时发生,因此我们在检算结构和机构的强度和稳定性时取起升载荷的冲击系数=1.1 。
毕业论文(设计)任务书学生姓名学号年级专业及班级指导教师及职称学部20XX年9月20日填写说明一、毕业论文(设计)任务书是学院根据已经确定的毕业论文(设计)题目下达给学生的一种教学文件,是学生在指导教师指导下独立从事毕业论文(设计)工作的依据。
此表由指导教师填写。
二、此任务书必须针对每一位学生,不能多人共用。
三、选题要恰当,任务要明确,难度要适中,份量要合理,使每个学生在规定的时限内,经过自己的努力,可以完成任务书规定的设计研究内容。
四、任务书一经下达,不得随意更改。
五、各栏填写基本要求。
(一)主要内容和要求:1.工程设计类选题明确设计具体任务,设计原始条件及主要技术指标;设计方案的形成(比较与论证);该生的侧重点;应完成的工作量,如图纸、译文及计算机应用等要求。
2.实验研究类选题明确选题的来源,具体任务与目标,国内外相关的研究现状及其评述;该生的研究重点,研究的实验内容、实验原理及实验方案;计算机应用及工作量要求,如论文、文献综述报告、译文等。
3.文法经管类论文明确选题的任务、方向、研究范围和目标;对相关的研究历史和研究现状简要介绍,明确该生的研究重点;要求完成的工作量,如论文、文献综述报告、译文等。
(二)主要参考文献与外文资料:在确定了毕业论文(设计)题目和明确了要求后,指导教师应给学生提供一些相关资料和相关信息,或划定参考资料的范围,指导学生收集反映当前研究进展的近1-3年参考资料和文献。
外文资料是指导老师根据选题情况明确学生需要阅读或翻译成中文的外文文献。
(三)毕业论文(设计)的进度安排:1.设计类、实验研究类课题实习、调研、收集资料、方案制定约占总时间的20%;主体工作,包括设计、计算、绘制图纸、实验及结果分析等约占总时间的50%;撰写初稿、修改、定稿约占总时间的30%。
2.文法经管类论文实习、调研、资料收集、归档整理、形成提纲约占总时间的60%;撰写论文初稿,修改、定稿约占总时间的40%。
六、各栏填写完整、字迹清楚。
应用黑色签字笔填写,也可使用打印稿,但签名栏必须相应责任人亲笔签名。
毕业论文(设计)题目10t单梁桥式起重机大车运行机构设计主要内容和要求(宋体五号,行间距单倍行距)桥式起重机是桥架在高架轨道上运行的一种桥架型起重机,又称天车。
桥式起重机的桥架沿铺设在两侧高架上的轨道纵向运行,起重小车沿铺设在桥架上的轨道横向运行,构成一矩形的工作范围,就可以充分利用桥架下面的空间吊运物料,不受地面设备的阻碍。
桥式起重机广泛地应用在室内外仓库、厂房、码头和露天贮料场等处。
完成3张A0图纸(折合),并要求CAD绘制。
撰写设计说明书,文字在1.0~1.5万字间,条理清楚,计算有据,格式按湖南农业大学全日制普通本科生毕业论文(设计)规范化要求。
设计说明书的内容包括:课题的目的、意义、国内外动态;研究的主要内容;总体方案的拟定和主要参数的设计计算;传动方案的确定及设计计算,主要工作部件的设计;主要零件分析计算和校核;参考文献,鸣谢。
注:此表如不够填写,可另加附页。
主要参考资料(具体格式以规范化要求规定为准)[1] 起重机设计手册《起重机设计手册》编写组,机械工业出版社,1980[2] 机械设计师手册吴宗泽主编,机械工业出版社,2002[3] 起重机课程设计北京钢铁学院编,冶金工业出版社,1982[4] 焊接手册中国机械工程学会焊接学会编,机械工业出版社,1992[5徐灏等.机械设计手册[M].北京:机械工业出版社,2000:112-120.[6]郑提,唐可洪.机电一体化设计基础[M].北京:机械工业出版社,1997:26-30.[7]张建中. 机械设计基础课程设计. 中国矿业大学出版社, 2005.2[8]龚湘义.哈尔滨工业大学. 机械设计课程设计图册.第三版. 高等教育出版社, 2004.1[9]龚湘义. 机械设计课程设计指导书. 第二版.高等教育出版社,2004.4[10]孙昭文,杨惠兰.画法几何及机械制图习题集天津科学技术出版社,1993:50-60.[11]濮良贵 ,记名刚.机械设计[M].北京:高等教育出版社,2003:68-75.[12] 成大先.机械设计手册[M].北京,机械工业出版社,2004[13] 陈道南.盛汉中.起重机课程设计[M].北京,冶金工业出版社,1993[14] 陈道南. 起重运输机械[M].北京,冶金工业出版社,1997工作进度安排(宋体五号,行间距固定值22磅)起止日期主要工作内容20XX年9月14日前选定课题20XX年9月20日前下达任务书20XX年9月25日前完成开题20XX年3月20日~30日提交毕业论文(设计)初稿,进行中期考核20XX年5月10日前提交毕业论文(设计)正稿20XX年5月15日~20日毕业答辩20XX年5月25日~28日最后整改,装订要求完成日期:20 XX 年 5 月 5 日指导教师签名:接受任务日期:20 XX年 9 月 21 日;学生本人签名:注:签名栏必须由相应责任人亲笔签名。
10t单梁桥式起重机大车运行机构设计学生:指导老师:( XX)摘要:桥式起重机是一种工作性能比较稳定,工作效率比较高的起重机。
随着我国制造业的发展,桥式起重机越来越多的应用到工业生产当中。
在工厂中搬运重物,机床上下件,装运工作吊装零部件,流水在线的定点工作等都要用到起重机。
在查阅相关文献的基础上,综述了桥式起重机的开发和研究成果,重点对桥式起重机大车运行机构、端梁、主梁、焊缝及连接进行设计并进行强度核算,主要是进行端梁的抗震性设计及强度计算和支承处的接触应力分析计计算过程。
设计包括电动机,减速器,联轴器,轴承的选择和校核。
设计中参考了许多相关数据, 运用多种途径, 利用现有的条件来完成设计。
本次设计通过反复考虑多种设计方案, 认真思考, 反复核算, 力求设计合理;通过采取计算机辅助设计方法以及参考他人的经验, 力求有所创新;通过计算机辅助设计方法, 绘图和设计计算都充分发挥计算机的强大辅助功能, 力求设计高效。
关键词:桥式起重机,大车运行机构,主梁;端梁;焊缝The Design Of 10t Single Beam Bridge Crane Traveling MechanismAuthor:Tutor:(XX)Abstract:Bridge crane is a kind of performance is stability, the working efficiency is relatively high crane. Along with the development of China's manufacturing industry,bridge crane is applied to industrial production more and more . Carrying heavy loads in factories , machine tool fluctuation pieces, shipping work on the assembly line for hoisting parts, the designated work with a crane.On the basis of literature review, summarized the bridge crane development and research results, focusing on bridge crane during operation organization, main beam,end beam weld and connection for design and the strength calculation; Mainly for the girders extent design and strength calculation and the support of contact stress analysis program in calculation. Design including motor, reducer, coupling, bearing choosing and chec- king. The design refer to many related information, reference to apply a variety of ways, make the existing conditions to complete design. By considering various design scheme repeatedly, thinking deeply,strive to design reasonable; By taking computer aided design method and reference the experience of others,strive to make innovation; Through computer aided design method, graphics and design calculations give full play to the powerful auxiliary function, computer to design efficient.Keywords: bridge crane; during operation organization; main beam; end beam; weld1 绪论1.1 起重机背景及其理论桥式起重机是桥架在高架轨道上运行的一种桥架型起重机,又称天车。
桥式起重机的桥架沿铺设在两侧高架上的轨道纵向运行,起重小车沿铺设在桥架上的轨道横向运行,构成一矩形的工作范围,就可以充分利用桥架下面的空间吊运物料,不受地面设备的阻碍。
桥式起重机广泛地应用在室内外仓库、厂房、码头和露天贮料场等处。
二十世纪以来,由于钢铁、机械制造业和铁路、港口及交通运输业的的发展,促进了起重运输机械的发展。
对起重运输机械的性能也提出了更高的要求。
现代起重运输机械担当着繁重的物料搬运任务,是工厂、铁路、港口及其他部门实现物料搬运机械化的关键。
因而起重机的金属结构都用优质钢材制造,并用焊接代替铆接,不仅简化了结。
缩短了工期,而且大大地减轻了自重,焊接结构是现代金属结构的特征。
我国是应用起重机械最早的国家之一,古代我们祖先采用杠杆及轱辘取水,就是用起重设备节省人力的例子。
几千年的封建统治年代,工业得不到发展,我国自行设计制造的起重机很少,绝大多数起重运输设备主要依靠进口。