JD1A电磁调速电动机控制器资料
- 格式:doc
- 大小:212.50 KB
- 文档页数:4
电磁调速电机控制器电磁调速电机控制器电磁调速电机控制器是一种用于控制电磁调速电机转速的设备。
电磁调速电机是一种广泛应用于工业领域的电动机,其转速可通过调节电磁调速电机控制器实现。
本文将介绍电磁调速电机的工作原理、电磁调速电机控制器的主要功能以及其在工业应用中的一些典型场景。
1. 电磁调速电机工作原理电磁调速电机是一种通过改变电磁场来调节转速的电动机。
它由定子和转子组成,定子上布有恒定电流的励磁绕组,转子上槽内安放有涡流损耗小的、可导电材料制成的导轮,导轮与电磁场之间的关系决定了转矩大小和转速。
当电机开启后,励磁绕组产生电磁场,将电流通过绕组导轮,导轮在电磁场的作用下产生涡流。
涡流产生的磁场与励磁绕组产生的磁场相互作用,产生转矩将转子带动转动。
调节励磁绕组的电流大小,即可实现对电磁调速电机转速的调控。
2. 电磁调速电机控制器的功能电磁调速电机控制器是一种重要的控制设备,其主要功能如下:- 转速调节:电磁调速电机控制器可以通过调节励磁绕组的电流大小来实现对电机转速的调节。
通过增加或减小励磁电流,可以精确控制电机的转速,满足不同应用场景的需求。
- 转向控制:电磁调速电机控制器还可以实现对电机的转向控制。
通过改变励磁电流的方向,可以改变电机的转向,使其正反转切换。
- 过载保护:电磁调速电机控制器还具备过载保护功能。
当电机负载过大或发生其他异常情况时,控制器会及时检测到,并通过减小电机转速或切断电源等方式,保护电机不受损坏。
- 自动控制:电磁调速电机控制器还可与外部设备进行联动,实现自动控制。
例如,可以与传感器、 PLC 等设备联动,根据外部信号实现电机的自动启停、自动调速等功能。
3. 电磁调速电机控制器的工业应用电磁调速电机控制器在许多工业领域中有广泛的应用。
下面介绍一些典型的应用场景:3.1 车间生产线在车间生产线中,电磁调速电机控制器常用于控制传送带等运输设备的转速。
通过根据生产需求动态调节运输设备的转速,可以确保生产线的均衡和高效运转。
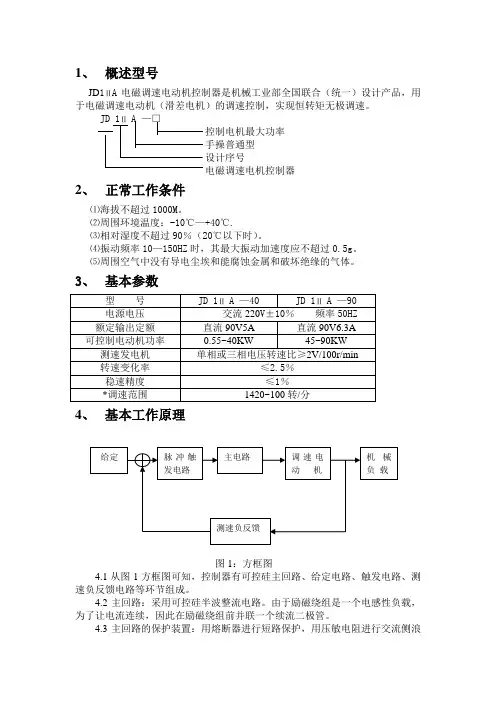
1、概述型号JD1ⅡA电磁调速电动机控制器是机械工业部全国联合(统一)设计产品,用于电磁调速电动机(滑差电机)的调速控制,实现恒转矩无极调速。
JD 1ⅡA —□控制电机最大功率手操普通型设计序号电磁调速电机控制器2、正常工作条件⑴海拔不超过1000M。
⑵周围环境温度:-10℃—+40℃.⑶相对湿度不超过90%(20℃以下时)。
⑷振动频率10—150HZ时,其最大振动加速度应不超过0.5g。
⑸周围空气中没有导电尘埃和能腐蚀金属和破坏绝缘的气体。
3、基本参数4、基本工作原理图1:方框图4.1从图1方框图可知,控制器有可控硅主回路、给定电路、触发电路、测速负反馈电路等环节组成。
4.2主回路:采用可控硅半波整流电路。
由于励磁绕组是一个电感性负载,为了让电流连续,因此在励磁绕组前并联一个续流二极管。
4.3主回路的保护装置:用熔断器进行短路保护,用压敏电阻进行交流侧浪涌电压保护,用阻容吸收回路进行元件侧电压保护。
4.4给定电路:15V交流电压有变压器副边经二极管桥式整流,电容滤波后,经稳压块加到给定电位器两端。
4.5测速负反馈电路:测速发电机三相(或单相)电压经二极管桥式整流后由电容滤波加到反馈电位器两端,此直流电压随调速电机的转速变化而呈线性变化。
4.6触发电路:采用单节晶体管触发电路,此电路比较简单,可靠性高,调整容易,温度补偿较好,受温度影响小,移项范围能达到1600左右。
电源变压器副边40V交流电压经二极管整流、电阻和稳压管削波后,供给晶体管和单节晶体管。
又给定电压和测速负反馈电压进行比较后,它的综合信号便作为控制信号加至晶体管的基极和发射极(晶体管相当于可变电阻),以改变晶体管的电阻,内阻的改变导致电流大小的改变,也就改变了电容的从放电时间,使单节晶体管产生的触发脉冲能进行自动移相,从而改变可控硅的导通角,实现控制电动机转速的目的。
5、安装接线5.1控制器为塑料密封结构,具有IP5X的防尘等级,可用于面板嵌入式或墙挂式安装,底部进线,接线如图3(如果测速发电机为单向发电机只有两个线头,请接插头的第6、7、脚空第五脚)。
JD1A-40电磁调速电机控制器产品使用说明书江苏省泰州市耐特调速电机有限公司JDIA-40型电磁调速电动机控制器是原机械工业部全国联合统一设计产品,用于电磁调速电动机(滑差电机)的调速控制。
实现恒转矩无级调速,当负载为风机和泵类时,节电效果显著,可达10%~30%,是我国目前推广的节能产品之一。
1、型号含义:2、使用条件:2.1、海拔不超过1000m 。
2.2、周围环境温度;-5℃-+40℃。
2.3、相对湿度不超过90%(20℃以下时)。
2.4、振动频率10-15OHz 时,其最大振动加速度应不超过0.5g 。
2.5、电网电压幅位波动±10%额定值时、保证额定使用。
2.6、周围介质没有导电尘埃和能腐蚀金属和破坏绝缘的气体。
3、主要技术数据:3.1调速范围:电源为50Hz 时:1250~125转/分60Hz 时:1500~150转/分3.2转速变化率(机械特性硬度)≤2.5%100%100%%10X 额定最高速度负载下是转速—负载下的转速转速变化率=3.3稳速精度:≤1%3.4最大输出:直流90V3.5控制电机功率:0.55~40KW3.6测速发动机三相2V ≤3.5V/100r .p.m 。
4.基本工作原理:JD1A—40电磁调速电动机控制装置是由速度调节器、移相触发器、可控硅整流电路及速度负反馈等环节所组成。
图1为装置原理方框图。
图2为装置的电气原理图。
图3为装置的移相触发各点波形图。
从图1-图4可知,二种线路的工作原理都是相同的。
速度指令信号电压和调速负反馈信号电压比较后,其差值信号被送入速度调节器(或前置放大器)进行放大,放大后的信号电压与锯齿波叠加,控制了晶体管的导通时刻,产生了随着差值信号电压改变而移动的脉冲,从而控制了可控硅的开放角,使滑差离合器的激磁电流得到了控制,即滑差离合器的转速随着激磁电流的改变而改变。
由于速度负反馈的作用,使电磁调速电动机实现恒转矩无极调速。
从图2-图3可知,JD1A—40型的速度指令信号电压是由装在控制箱面板上的速度操作电位器产生的。
电子报/2010 年/6 月/6 日/第008 版机电维修JD1A型电动机电磁调速控制器原理及检修甘肃杨华常用的控制器有ZLK、ZJK、JZT、JDlA 等系列产品,它们的原理结构大同小异,故障情节彼此相通。
本文以JDlA 型为例,对控制系统的故障检修进行剖析。
电路见附图所示。
一、工作原理1.主电路采用无变压器带续流二极管V4 的半波可控硅整流电路,移相和触发环节采用同步电压为锯齿波的晶体管的触发电路。
移相范围小于180。
,控制电压和移相角之间基本上是线性关系。
触发脉冲功率不大,适用于小功率可控整流电路。
2.锯齿波形成来自同步变压器的4.8V,正弦电压为正半周时,经V10 半波整流后对C6 充电,因V10 正向电阻很小,故C6 上的电压基本上与同步电压一样迅速上升;当同步电压由顶峰开始下降时,电容C6 两端电压大于同步电压,V10 截止。
于是电容C6 通过R6 放电,由于C6 和R6 都较大,放电很慢,一直到下一个周期同步电压大于C6 电压后,C6 又重新充电,因而C6、R6两端形成锯齿波电压。
3.控制电压是由给定电压与反馈电压比较(相减)后输入晶体管V2 进行放大,在V2 的集电极负载电阻R4 上得到放大的控制信号UFE 输入触发器。
4.同步锯齿波电压UCH 与控制电压UFE 合成后,加于V1 的基极(A 点),当锯齿波同步电压高QAC220 于控制电压时(UGH>UFE),V1 截止。
当同步锯齿波电压低于控制电压时,V1 导通,因而有一个集电极电流通过脉冲变压器T2 的一次侧绕组,二次侧绕组输出一个正触发脉冲。
调节RPl 增加给定电压,即增加控制电压UFE,因而触发器输出脉冲前移,可控硅导通角增大,离合器的励磁电压增加,速度上升;反之速度下降,即达到了调速目的。
5.速度反馈的作用。
当离合器的负载增加,其转速下降,因而反馈的直流信号也随之减少。
这样,给定电压与反馈信号之差增大,也就是V2 输入信号增加,结果使离合器的励磁电压自动增加而保持转速近似不变,这就增加了电动机机械特性的硬度。
电磁调速电机控制器正文:⒈引言本文档是针对电磁调速电机控制器的详细说明和操作指南。
电磁调速电机控制器是一种用于电机速度调节的设备,通过调整电磁场的大小来控制电机的转速。
本文档将介绍电磁调速电机控制器的原理、组成部分、使用方法以及相关的法律名词和注释。
⒉电磁调速电机控制器原理电磁调速电机控制器通过改变电磁场的大小来控制电机的转速。
电磁场的大小由控制器中的调速电路控制,通过改变电磁铁中的电流来改变磁场的强度,从而实现对电机转速的控制。
⒊电磁调速电机控制器组成部分电磁调速电机控制器由以下几个主要组成部分构成:⑴控制器外壳,用于保护内部电路和组件。
⑵调速电路,用于控制电磁场的大小。
⑶电磁铁,产生电磁场的关键组件。
⑷控制按钮和指示灯,用于操作控制器和显示当前状态。
⑸电源,提供电力供应给电磁调速电机控制器的各个部分。
⒋电磁调速电机控制器使用方法⑴连接电机:首先,将电机的电源线和控制线连接到电磁调速电机控制器相应的接口上。
确保连接正确无误并紧固好接口。
⑵接通电源:将电磁调速电机控制器的电源线插入电源插座,然后按下电源开关,控制器将开始运行。
⑶调节转速:根据需要调节电磁调速电机控制器的转速。
通常可以通过旋转调速旋钮或按下加减按钮进行调节。
在调节的过程中,可以观察到电机转速的变化,并根据需要调整至合适的转速。
⑷停止运行:当不需要使用电机时,可以按下停止按钮或将调速旋钮调至最低档,这样电磁调速电机控制器将停止运行。
⒌附件本文档附带以下附件供参考:附件1:电磁调速电机控制器引线接口图附件2:电磁调速电机控制器原理图附件3:电磁调速电机控制器操作示例视频⒍法律名词及注释⑴版权:指作品的创作者对其作品所享有的独立的、专有的权利。
⑵专利权:指对发明者在专利法规定范围内的技术发明所享有的独占权利。
⑶商标:指用于区分商品或服务来源的标识。
⑷注册商标:指商标所有权人按照法定程序在商标注册机关申请注册并取得注册证书,享有专有权利。
JD1A型电磁调速控制器的检修调整
任列明
【期刊名称】《农村电工》
【年(卷),期】2000(000)004
【摘要】@@ 从JD1A型电磁调速控制器的电气原理图(图1)中看出,该控制器主要由以下几个部分组成:直流电源供给电路、测速发电机信号输入电路、由BG2及外围电路组成的前置放大器、BG1等组成锯齿波振荡放大电路,单向可控硅等组成触发输出电路.前两个部分电路简单,维修容易,本文不作介绍,着重介绍后三个部分电路的检修调整.
【总页数】1页(P23)
【作者】任列明
【作者单位】414416,湖南省汨罗市弼时电管站
【正文语种】中文
【中图分类】TM7
【相关文献】
1.JD1A电磁调速电动机控制器的故障检修 [J], 张红;井新华
2.JD1A电磁调速控制器运行中的保护装置 [J], 赵彬
3.JD1A型电磁调速控制器常见故障检修 [J], 赵彬
4.基于PLC的JD1A型电磁调速器在燃煤锅炉控制系统中的应用 [J], 刘辉;张铁壁;王璐;蔡国庆;宫翔
5.基于PLC的JD1A型电磁调速器在燃煤锅炉控制系统中的应用 [J], 刘辉;张铁壁;王璐;蔡国庆;宫翔
因版权原因,仅展示原文概要,查看原文内容请购买。
JD1A系列电磁调速电机控制器故障排除及调试作者:杨正勇来源:《硅谷》2009年第23期[摘要]介绍JD1A系列电磁转差离合器的若干常见故障现象,并进行原因分析,探讨排除故障的方法,提出调试思路。
[关键词]电磁调速控制器故障排除调试中图分类号:TM3文献标识码:A文章编号:1671-7597(2009)1210013-01一、引言电磁调速异步电动机俗称滑差电机,实质上就是在笼型转子异步机轴上装一个电磁转差离合器,通过晶闸管控制装置控制离合器绕组的电流,即可调节离合器的输出转速,实现恒转矩交流无级调速。
由于它具有调速范围广、速度调节开滑、起动转矩大、控制功率小、有速度负反馈、自动调节系统机械特性硬度高等一系列的优点,因此在印刷机、骑马订书机、无线装订、高频烘干联动机及链条锅炉控制中得到广泛应用。
及时而准确地诊断出其故障是非常有价值的,本文介绍了一些常见的故障现象及调试方法,不妨一试。
二、JDIA系列电磁调速电动机控制器电路原理图及方框图图1JD1A系列电磁调速电机控制器电路原理图由原理图可看出,JD1A系列电磁调速电动机控制器主要由速度调节,移向触发器,可控硅整流电路,给定电压调节电路,速度负反馈电路和比较放大电路等组成,其对应的方框图如图2所示:图2方框图三、常见故障分析及排除1.原动电机旋转而离合器不转,首先观察面版指示灯SD是否点亮。
指示灯SD不亮,其故障原因一般如下:(1)电源开关XK没有闭合或损坏。
(2)线路板与插座接触不良或接插件烧毁。
(3)供电电压过高,压敏电阻Rr击穿,导致熔丝RD熔断。
(4)晶闸管KZ击穿,主电路短路导致熔丝RD熔断。
(5)离合器励磁线圈烧毁,主电路短路,导致熔丝RD熔断。
指示灯SD点亮,但故障仍然存在,其故障原因一般如下:(1)滑差离合器励磁线圈开路或导线故障。
(2)晶闸管KZ开路。
通过测量脉冲变压器B2的次级有无脉冲电压输出,若有脉冲信号输出,说明KZ损坏。
(3)移相触发电路工作失常。
JD1A-40电磁调速电动机控制器项目可行性研究报告编制单位:北京中投信德国际信息咨询有限公司编制时间:高级工程师:高建关于编制JD1A-40电磁调速电动机控制器项目可行性研究报告编制说明(模版型)【立项 批地 融资 招商】核心提示:1、本报告为模板形式,客户下载后,可根据报告内容说明,自行修改,补充上自己项目的数据内容,即可完成属于自己,高水准的一份可研报告,从此写报告不在求人。
2、客户可联系我公司,协助编写完成可研报告,可行性研究报告大纲(具体可跟据客户要求进行调整)编制单位:北京中投信德国际信息咨询有限公司专业撰写节能评估报告资金申请报告项目建议书商业计划书可行性研究报告目录第一章总论 (1)1.1项目概要 (1)1.1.1项目名称 (1)1.1.2项目建设单位 (1)1.1.3项目建设性质 (1)1.1.4项目建设地点 (1)1.1.5项目主管部门 (1)1.1.6项目投资规模 (2)1.1.7项目建设规模 (2)1.1.8项目资金来源 (3)1.1.9项目建设期限 (3)1.2项目建设单位介绍 (3)1.3编制依据 (3)1.4编制原则 (4)1.5研究范围 (5)1.6主要经济技术指标 (5)1.7综合评价 (6)第二章项目背景及必要性可行性分析 (8)2.1项目提出背景 (8)2.2本次建设项目发起缘由 (8)2.3项目建设必要性分析 (8)2.3.1促进我国JD1A-40电磁调速电动机控制器产业快速发展的需要 (9)2.3.2加快当地高新技术产业发展的重要举措 (9)2.3.3满足我国的工业发展需求的需要 (9)2.3.4符合现行产业政策及清洁生产要求 (9)2.3.5提升企业竞争力水平,有助于企业长远战略发展的需要 (10)2.3.6增加就业带动相关产业链发展的需要 (10)2.3.7促进项目建设地经济发展进程的的需要 (11)2.4项目可行性分析 (11)2.4.1政策可行性 (11)2.4.2市场可行性 (11)2.4.3技术可行性 (12)2.4.4管理可行性 (12)2.4.5财务可行性 (13)2.5JD1A-40电磁调速电动机控制器项目发展概况 (13)2.5.1已进行的调查研究项目及其成果 (13)2.5.2试验试制工作情况 (14)2.5.3厂址初勘和初步测量工作情况 (14)2.5.4JD1A-40电磁调速电动机控制器项目建议书的编制、提出及审批过程 (14)2.6分析结论 (14)第三章行业市场分析 (16)3.1市场调查 (16)3.1.1拟建项目产出物用途调查 (16)3.1.2产品现有生产能力调查 (16)3.1.3产品产量及销售量调查 (17)3.1.4替代产品调查 (17)3.1.5产品价格调查 (17)3.1.6国外市场调查 (18)3.2市场预测 (18)3.2.1国内市场需求预测 (18)3.2.2产品出口或进口替代分析 (19)3.2.3价格预测 (19)3.3市场推销战略 (19)3.3.1推销方式 (20)3.3.2推销措施 (20)3.3.3促销价格制度 (20)3.3.4产品销售费用预测 (21)3.4产品方案和建设规模 (21)3.4.1产品方案 (21)3.4.2建设规模 (21)3.5产品销售收入预测 (22)3.6市场分析结论 (22)第四章项目建设条件 (22)4.1地理位置选择 (23)4.2区域投资环境 (24)4.2.1区域地理位置 (24)4.2.2区域概况 (24)4.2.3区域地理气候条件 (25)4.2.4区域交通运输条件 (25)4.2.5区域资源概况 (25)4.2.6区域经济建设 (26)4.3项目所在工业园区概况 (26)4.3.1基础设施建设 (26)4.3.2产业发展概况 (27)4.3.3园区发展方向 (28)4.4区域投资环境小结 (29)第五章总体建设方案 (30)5.1总图布置原则 (30)5.2土建方案 (30)5.2.1总体规划方案 (30)5.2.2土建工程方案 (31)5.3主要建设内容 (32)5.4工程管线布置方案 (33)5.4.1给排水 (33)5.4.2供电 (34)5.5道路设计 (36)5.6总图运输方案 (37)5.7土地利用情况 (37)5.7.1项目用地规划选址 (37)5.7.2用地规模及用地类型 (37)第六章产品方案 (39)6.1产品方案 (39)6.2产品性能优势 (39)6.3产品执行标准 (39)6.4产品生产规模确定 (39)6.5产品工艺流程 (40)6.5.1产品工艺方案选择 (40)6.5.2产品工艺流程 (40)6.6主要生产车间布置方案 (40)6.7总平面布置和运输 (41)6.7.1总平面布置原则 (41)6.7.2厂内外运输方案 (41)6.8仓储方案 (41)第七章原料供应及设备选型 (42)7.1主要原材料供应 (42)7.2主要设备选型 (42)7.2.1设备选型原则 (43)7.2.2主要设备明细 (44)第八章节约能源方案 (45)8.1本项目遵循的合理用能标准及节能设计规范 (45)8.2建设项目能源消耗种类和数量分析 (45)8.2.1能源消耗种类 (45)8.2.2能源消耗数量分析 (45)8.3项目所在地能源供应状况分析 (46)8.4主要能耗指标及分析 (46)8.4.1项目能耗分析 (46)8.4.2国家能耗指标 (47)8.5节能措施和节能效果分析 (47)8.5.1工业节能 (47)8.5.2电能计量及节能措施 (48)8.5.3节水措施 (48)8.5.4建筑节能 (49)8.5.5企业节能管理 (50)8.6结论 (50)第九章环境保护与消防措施 (51)9.1设计依据及原则 (51)9.1.1环境保护设计依据 (51)9.1.2设计原则 (51)9.2建设地环境条件 (52)9.3 项目建设和生产对环境的影响 (52)9.3.1 项目建设对环境的影响 (52)9.3.2 项目生产过程产生的污染物 (53)9.4 环境保护措施方案 (54)9.4.1 项目建设期环保措施 (54)9.4.2 项目运营期环保措施 (55)9.4.3环境管理与监测机构 (57)9.5绿化方案 (57)9.6消防措施 (57)9.6.1设计依据 (57)9.6.2防范措施 (58)9.6.3消防管理 (59)9.6.4消防设施及措施 (60)9.6.5消防措施的预期效果 (60)第十章劳动安全卫生 (61)10.1 编制依据 (61)10.2概况 (61)10.3 劳动安全 (61)10.3.1工程消防 (61)10.3.2防火防爆设计 (62)10.3.3电气安全与接地 (62)10.3.4设备防雷及接零保护 (62)10.3.5抗震设防措施 (63)10.4劳动卫生 (63)10.4.1工业卫生设施 (63)10.4.2防暑降温及冬季采暖 (64)10.4.3个人卫生 (64)10.4.4照明 (64)10.4.5噪声 (64)10.4.6防烫伤 (64)10.4.7个人防护 (65)10.4.8安全教育 (65)第十一章企业组织机构与劳动定员 (66)11.1组织机构 (66)11.2激励和约束机制 (66)11.3人力资源管理 (67)11.4劳动定员 (67)11.5福利待遇 (68)第十二章项目实施规划 (69)12.1建设工期的规划 (69)12.2 建设工期 (69)12.3实施进度安排 (69)第十三章投资估算与资金筹措 (70)13.1投资估算依据 (70)13.2建设投资估算 (70)13.3流动资金估算 (71)13.4资金筹措 (71)13.5项目投资总额 (71)13.6资金使用和管理 (74)第十四章财务及经济评价 (75)14.1总成本费用估算 (75)14.1.1基本数据的确立 (75)14.1.2产品成本 (76)14.1.3平均产品利润与销售税金 (77)14.2财务评价 (77)14.2.1项目投资回收期 (77)14.2.2项目投资利润率 (78)14.2.3不确定性分析 (78)14.3综合效益评价结论 (81)第十五章风险分析及规避 (83)15.1项目风险因素 (83)15.1.1不可抗力因素风险 (83)15.1.2技术风险 (83)15.1.3市场风险 (83)15.1.4资金管理风险 (84)15.2风险规避对策 (84)15.2.1不可抗力因素风险规避对策 (84)15.2.2技术风险规避对策 (84)15.2.3市场风险规避对策 (84)15.2.4资金管理风险规避对策 (85)第十六章招标方案 (86)16.1招标管理 (86)16.2招标依据 (86)16.3招标范围 (86)16.4招标方式 (87)16.5招标程序 (87)16.6评标程序 (88)16.7发放中标通知书 (88)16.8招投标书面情况报告备案 (88)16.9合同备案 (88)第十七章结论与建议 (90)17.1结论 (90)17.2建议 (90)附表 (91)附表1 销售收入预测表 (91)附表2 总成本表 (92)附表3 外购原材料表 (94)附表4 外购燃料及动力费表 (95)附表5 工资及福利表 (97)附表6 利润与利润分配表 (98)附表7 固定资产折旧费用表 (99)附表8 无形资产及递延资产摊销表 (100)附表9 流动资金估算表 (101)附表10 资产负债表 (103)附表11 资本金现金流量表 (104)附表12 财务计划现金流量表 (106)附表13 项目投资现金量表 (108)附表14 借款偿还计划表 (110) (114)第一章总论总论作为可行性研究报告的首章,要综合叙述研究报告中各章节的主要问题和研究结论,并对项目的可行与否提出最终建议,为可行性研究的审批提供方便。
电磁调速电动机控制器一、电路简介JD1A-40的电动机调速器,电路如图1所示。
所使用的变压器二次只有一个绕组,以二极管D12在图中所处位置水平线以上是调节励磁电流的单向可控硅KZ的触发电路;之下则是触发移相调节控制电路和转速反馈电路等。
XP1-XP7是航空插头,一种7芯的接插件,用于连接控制器与AC220V电源、调速电动机的励磁线圈和测速发电机的输出线。
二、电路原理分析电机调速控制器是通过调节图1中转差离合器励磁线圈的电流来改变电动机转速的,而励磁电流则由单向可控硅KZ进行可控整流控制。
KZ的触发电路由三极管V1、光耦IC1等元件组成。
这部分电路的直流电源与其它电路不共地,它将电源变压器T的220V与225V 之间的电位差经二极管D12整流、电容器C2滤波后供其使用。
光耦IC1的①脚接地,即接变压器二次的0端,当其②脚为负电位时,光耦③、④脚内附的光敏三极管导通,三极管V1随之导通,向单向可控硅KZ发出触发信号,KZ导通,电动机转差离合器励磁线圈中有电流流过,其路径是:电源相线L→接插件XP1→开关S→熔断器FU→接插件XP3→励磁线圈→接插件XP4→单向可控硅KZ→接插件XP2→电源零线N。
这时我们只要在每个电源周期内准确控制IC1②脚由高电平转换为低电平的时刻,就能调节可控硅KZ的导通角,从而调节励磁电流和电动机的转速。
变压器二次的10V电压经过二极管D11和D10整流、电容器C3和C6滤波、稳压管DW2和DW1稳压,得到+5.1V的V+和-5.1V的V-,作为集成电路LM358的工作电源使用。
LM358是双运放电路,其①脚、②脚和③脚内部是一个运放,它的正输入端③脚经电阻R19接地;负输入端②脚接有3路信号:一是由转速调整电位器RP2送来的调速信号;二是测速发电机输出电压经D1~D6整流、再由“反馈量调节”电位器RP3调整后送来的反馈信号;三是输出端①脚经电阻R12、R14、R13送来的负反馈信号,这个负反馈信号使得该运放成为名副其实的反相运算放大器。
JD1A 电磁调速电动机控制器使用说明书JD1A 电磁调速电动机控制器是原机械工业部全国联合(统一)设计产品,用于电磁调速电动机(滑差电机)的调速控制,实现恒转矩2. 正常工作条件2. 1海拔不超过1000m ; 2.2周围环境温度:- 1(TC 、+40°C ;无级调控制电动机最大功率a 手操普通型" 设计序号p电邀调逮电幼机控制器<2.3 相对湿度不超过90% (20°C以下时);2.4振动频率10^ 15Hz时,其最大振动加速度应不超过0. 5g;2.5周围空气中没有导电尘埃和能腐蚀金属和破坏绝缘的气体。
3.4.结构、安装接线与注意事项4.1控制器为塑料密封结构,具有IP5X的防尘等级,可用于面板嵌入式墙挂式安装,底部进线,接线如下图(如果测速发电机为单相发电机,只有两个线头,请接插头的第6、第7脚、空第5脚)。
脚器“拖动电动机•转差离合器”测速发电机#P 型插好I 线编号、顔色、及对应接线位直4. 2接线控制器外接线7条,是用P 型插头与电机相连接,插头正面有标号,①、②为控制器电源220V,①为相线(火线)必须接至接触器 下端(防止停电又来电时瞬间电压把控制器击坏)。
②为零线。
③、④接至电机前端励磁绕组Fl 、F2o ⑤、⑥、⑦接至电机前端测速发 电机上U 、V. Wo4. 3先检查接线是否正确,确认后启动电机,再接通控制器电源,指插脚宅码」 1 A 3 4及弟銭预色仪 红色P 黒色" 黄色"对应的疋 名称卩 相娃中线~220V 相线 捋至开关或 接鮭器下端离合器测遠J 发电亦相线(接至接鮭器或开关下端)4示灯亮旋动调速旋钮,此时转速表上读数逐渐上升,根据需要转速稳定下来。
4. 4关机先把调速旋钮调回零位,关掉控制器电源(注意:必须关掉电源,以免损坏),再关掉电机。
5、调整与试运行5.1转速表指示值校正。
顺时针方向转动给定电位器RP1于任意位置,用机械转速或其它仪表检查调速电机的实际转速,若实际转速与转速表指示值不一致,调速校表电位器RP3。
□ 海拔:1000□ 周围坏境温度:-5 ℃~40 ℃;□ 湿度:相对湿度不超过90%(20 ℃以下时);□ 振动频率范围为10Hz~150Hz 时,其最大振动加速度不超过0.5g ;□ 电网电压幅值波动≤10%额定值时,保证额定使用;□ 周围介质没有尘埃和能腐蚀金属和破坏绝缘的气体。
海拔不超过米;□ 操作方便,广泛应用于轻工、造纸、食品等领域,技术数据见表、表。
□ JD1B 稳速等功能,JD2B 是在JD1B 的基础上采用数字转速表使转速更加直观和精确, 表3、表4。
□ JD1C 系信号控制精密型调速器,前置放大器采用运算集成电路和专用可控硅控制电路,具 有稳速、抗干扰能力强等优点。
□ ZS1A 系列直流调速装置是采用半控模块和集成元件制造的新型调速装置,它与同类分立元件 制造的调速装置相比,具有结构紧凑、接线简单、体积小、重量轻、性能可靠等优点,可用 于Z2/Z3/Z4功率为0.4~4KW 的直流电动机作恒转矩无级调速。
JD1A JD2A 12系指针式手动调节精密型,采用专用可控硅控制电路和运算放大器,具有调节平稳和技术数据见系普通型指针式手动操作调节,系普通型手动操作调节数字显示,具有显示直观JD1广的节能产品,用于电磁调速电动机的速度控制,实现恒转距无级调速,当负载为风机或泵类时,有明显的节点效果。
、、、、等系列电磁调速电动机控制装置,系列电磁调速异步电动机激磁功率而进行调速的装置,装置采用速度控制方式达到自动稳定转速的目的,并从而提高了调速电动机的速度变化率,同时通过操作指令电位器对调速电动机实现宽范围无级调速,并广泛应用于食品加工,冶金,造纸,轻工等领域。
产品符合:GB/T 14048.6标准。
系列电磁调速电动机控制装置是机械电子工业部全国联合设计产品,是国家第十批联合推JD1A JD2A JD1B JD2B JD6A YCT 正常工作条件技术数据及性能产品概述选型指南310注:在大于8A 小于12A 时,其工作时间不大于30分钟表4□ JD6A 调速。
电磁调速电机控制器引言电磁调速电机控制器是一种用于控制电磁调速电机运行的装置。
电磁调速电机是一种常见的电动机类型,其运行速度可以通过调整电磁铁的励磁电流来调节。
而电磁调速电机控制器则是通过对电磁铁励磁电流的精确控制,实现对电机运行速度的精确控制。
控制原理电磁调速电机控制器的控制原理基于电磁调速电机的工作原理。
电磁调速电机是由电磁铁和转子组成的,根据电磁铁的励磁电流大小决定电机的运行速度。
电磁调速电机控制器通过对电磁铁励磁电流的控制,实现对电机运行速度的控制。
电磁调速电机控制器中的控制电路主要包括电流检测电路、比例-积分-微分(PID)控制器和功率放大器。
电流检测电路用于实时监测电机电流大小,将其反馈给PID控制器。
PID控制器根据电流反馈信号和设定速度信号,计算出合适的励磁电流值,并将结果发送给功率放大器。
功率放大器接收PID控制器的输出信号,并将其放大后送给电磁铁,从而控制电机的运行速度。
控制策略电磁调速电机控制器可以采用不同的控制策略来实现对电机运行速度的控制。
常见的控制策略包括开环控制和闭环控制。
开环控制开环控制是最简单的电磁调速电机控制策略,也是最基本的控制策略。
在开环控制中,电机的速度设定值直接输入给PID控制器,PID控制器根据速度设定值计算出相应的励磁电流值,并将结果发送给功率放大器。
开环控制没有反馈环路,无法实时监测电机的运行状态,控制精度较低。
闭环控制闭环控制是一种更高级的电磁调速电机控制策略,通过引入反馈环路来实现对电机运行速度的精确控制。
在闭环控制中,电流检测电路实时监测电机的电流大小,并将其反馈给PID控制器。
PID控制器根据电流反馈信号和速度设定值计算出合适的励磁电流值,并将结果发送给功率放大器。
闭环控制可以实时监测和调整电机的运行状态,提高控制精度。
应用领域电磁调速电机控制器广泛应用于各个领域,包括工业自动化、交通运输、家用电器等。
在工业自动化领域,电磁调速电机控制器常用于控制生产线传送带、机械臂等设备的运行速度。
电磁调速电动机控制器一、电路简介JD1A-40的电动机调速器,电路如图1所示。
所使用的变压器二次只有一个绕组,以二极管D12在图中所处位置水平线以上是调节励磁电流的单向可控硅KZ的触发电路;之下则是触发移相调节控制电路和转速反馈电路等。
XP1-XP7是航空插头,一种7芯的接插件,用于连接控制器与AC220V电源、调速电动机的励磁线圈和测速发电机的输出线。
二、电路原理分析电机调速控制器是通过调节图1中转差离合器励磁线圈的电流来改变电动机转速的,而励磁电流则由单向可控硅KZ进行可控整流控制。
KZ的触发电路由三极管V1、光耦IC1等元件组成。
这部分电路的直流电源与其它电路不共地,它将电源变压器T的220V与225V之间的电位差经二极管D12整流、电容器C2滤波后供其使用。
光耦IC1的①脚接地,即接变压器二次的0端,当其②脚为负电位时,光耦③、④脚内附的光敏三极管导通,三极管V1随之导通,向单向可控硅KZ发出触发信号,KZ导通,电动机转差离合器励磁线圈中有电流流过,其路径是:电源相线L→接插件XP1→开关S→熔断器FU→接插件XP3→励磁线圈→接插件XP4→单向可控硅KZ→接插件XP2→电源零线N。
这时我们只要在每个电源周期内准确控制IC1②脚由高电平转换为低电平的时刻,就能调节可控硅KZ的导通角,从而调节励磁电流和电动机的转速。
变压器二次的10V电压经过二极管D11和D10整流、电容器C3和C6滤波、稳压管DW2和DW1稳压,得到+5.1V的V+和-5.1V的V-,作为集成电路LM358的工作电源使用。
LM358是双运放电路,其①脚、②脚和③脚内部是一个运放,它的正输入端③脚经电阻R19接地;负输入端②脚接有3路信号:一是由转速调整电位器RP2送来的调速信号;二是测速发电机输出电压经D1~D6整流、再由“反馈量调节”电位器RP3调整后送来的反馈信号;三是输出端①脚经电阻R12、R14、R13送来的负反馈信号,这个负反馈信号使得该运放成为名副其实的反相运算放大器。
JD1A-40JD1A电磁调速电动机控制器1. 简介JD1A-40JD1A电磁调速电动机控制器是一种专用于电动机调速的设备。
它采用电磁调速方式,通过调节电机的电源电压和频率来实现电机的调速控制。
2. 特点电磁调速:通过控制电机的电源电压和频率,实现电机的调速控制。
稳定性高:控制器采用先进的控制算法和传感器,保证电机的稳定运行。
易于操作:控制器配备了直观的操作界面和人性化的按键,方便用户进行参数设置和操作。
多种保护功能:控制器具备过载保护、过热保护、短路保护等多种保护功能,保证电机的安全运行。
多种工作模式:控制器支持多种工作模式,满足不同应用场景的需求。
3. 技术参数额定功率:40KW额定电压:380V控制方式:电磁调速控制精度:±2%工作温度:-10℃~+55℃接口:RS485、MODBUS重量:10kg4. 应用领域JD1A-40JD1A电磁调速电动机控制器广泛应用于工业生产线、机械设备、风扇、水泵等需要调速控制的场合。
它具备稳定性高、操作简单、保护功能多等特点,能够满足不同场景的调速需求。
5. 安装与维护安装:请按照产品说明书中的安装步骤进行安装,确保设备安装牢固。
维护:控制器需要定期清理和检查,及时修复故障并更换损坏的部件。
6. 注意事项在使用过程中,请确保设备连接正确,以免引起电机或其他设备故障。
请勿超过产品的额定功率和额定电压,以免危及安全。
在操作控制器时,请谨慎调节参数,以免影响电机的正常运行。
以上是关于JD1A-40JD1A电磁调速电动机控制器的基本介绍,希望能对大家有所帮助。
如有更多问题,请咨询相关厂家或专业人士。
JD1A型电磁调速控制系统的故障诊断与维修电磁调速电动机又叫滑差电动机,是一种可以平滑调速的交流电动机。
它由三相笼型电动机和电磁转差离合器组成。
该调速控制器由主电路、励磁电路、给定电压电路、速度负反馈电路、比较放大电路、触发电路几个主要部分组成,通过各电路的配合工作,改变晶闸管导通角的大小来改变励磁线圈的电流,从而实现调速的目的。
适用于化工、纺织、服装加工等行业。
1JD1A型电磁调速控制系统1.1控制系统原理框图控制系统原理如图1所示。
电磁调速控制系统将给定的电压与检测元件反馈的电压通过比较得出差值,再由放大电路放大这个值,然后送至触发电路中,输出一个电压波形,最终达到调节电动机输出转速的目的。
1.2电路各组成部分作用①主电路:主电路由接触器KM控制电动机M的起动和停止,热继电器FR作电动机M的过载保护。
②励磁电路:励磁电路由晶闸管KZ半波整流给励磁绕组提供励磁电流。
压敏电阻Ry用于电源侧过压保护,R9、C9用于晶闸管KZ的过压保护,GZ为续流二极管。
③给定电压电路:给定电压由电源变压器TB取得~50V电压信号,经BZ01整流,RC型滤波和稳压电路后,由电位器W2输出给定电压ug。
C1、R1、C2为RC 型滤波器,WD1、WD2为稳压二极管,W2为给定电压调节电位器。
④速度负反馈电路:测速发电机G在电动机M的拖动下,输出随转速变化的交流电压,经三相桥式整流器DZ1~DZ6整流和电容C3滤波后,由电位器W3输出速度负反馈电压uf。
W3为速度负反馈调节电位器,W5为转速表校正电位器。
⑤比较放大电路:从变压器TB取得~7.3V电压,经BZ02整流,电容C5滤波后,向晶体管BG2供电。
ug和uf两信号比较后得到偏差电压△U (△U=ug-uf),再由三极管BG2进行放大,在BG2的负载电阻R6上得到放大的控制信号,此控制信号加到BG1的输入回路中,对电容C7充电,使C7两端得到电压Uc7。
BZ7、BZ8、BZ9为正、反限幅二极管,限制加到BG1的基极和发射极间的偏压,防止BG1损坏;W1用于调节BG2的静态工作点,从而改变放大电路的灵敏度。
JD1A电磁调速电动机控制器资料(使用说明书)
默认分类2010-03-03 12:49:22 阅读105 评论0 字号:大中小
电气型号2009-09-12 09:15:39 阅读461 评论0 字号:大中小
资料图片:
JD1A电磁调速电动机控制器是原机械工业部全国联合(统一)设计产品,用于电磁调速电动机(滑差电机)的调速控制,实现恒转矩无级调速。
2. 正常工作条件
2.1 海拔不超过1000m;
2.2 周围环境温度:-10℃~ +40℃;
2.3 相对湿度不超过90%(20℃以下时);
2.4 振动频率10~15Hz时,其最大振动加速度应不超过0.5g;
2.5 周围空气中没有导电尘埃和能腐蚀金属和破坏绝缘的气体。
4.结构、安装接线与注意事项
4.1 控制器为塑料密封结构,具有IP5X的防尘等级,可用于面板嵌入式墙挂式安装,底部进线,接线如下图(如果测速发电机为单相发电机,只有两个线头,请接插头的第6、第7脚、空第5脚)。
4.2接线
控制器外接线7条,是用P型插头与电机相连接,插头正面有标号,①、②为控制器电源220V,①为相线(火线)必须接至接触器下端(防止停电又来电时瞬间电压把控制器击坏)。
②为零线。
③、④接至电机前端励磁绕组F1、F2。
⑤、⑥、⑦接至电机前端测速发电机上U、V、W。
4.3先检查接线是否正确,确认后启动电机,再接通控制器电源,指示灯亮旋动调速旋钮,此时转速
表上读数逐渐上升,根据需要转速稳定下来。
4.4关机
先把调速旋钮调回零位,关掉控制器电源(注意:必须关掉电源,以免损坏),再关掉电机。
5、调整与试运行
5.1转速表指示值校正。
顺时针方向转动给定电位器RP1于任意位置,用机械转速或其它仪表检查
调速电机的实际转速,若实际转速与转速表指示值不一致,调速校表电位器RP3。
5.2顺时针方向转动给定电位器RP1至最大,调节反馈电位器RP2,使转速电机铭牌所标上限转速
一致。
(一般1200转/分~1320转/分)
6、维护及修理
6.1周围环境保持清洁,防止油污水份及潮气进入控制器内部,如发现印刷电路板插脚沾污,则须及
时用酒精擦洗,以免接触不良,影响工作。
6.2在停放时间较长或必要时,应测量控制器的绝缘电阻,阻值不低于1兆
欧。
6.3故障原因及修理
以上资料为某厂家生产的电磁调速电动机控制器使用说明书。