轨道交通明挖法施工模拟图(PPT43页)
- 格式:ppt
- 大小:3.10 MB
- 文档页数:43
第三章地铁明挖施工一、概述城市地铁车站、区间及相关配套的风道、出入口、行车线等工程,只要条件许可,应优先考虑采用明挖施工。
因为不论从施工的难易程度、工程造价、工期、风险等考虑,明挖法都有明显优势。
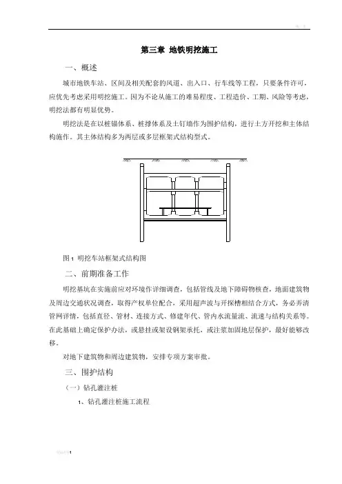
明挖法是在以桩锚体系、桩撑体系及土钉墙作为围护结构,进行土方开挖和主体结构施作。
其主体结构多为两层或多层框架式结构型式。
图1 明挖车站框架式结构图二、前期准备工作明挖基坑在实施前应对环境作详细调查,包括管线及地下障碍物核查,地面建筑物及周边交通状况调查,取得产权单位配合,采用超声波与开探槽相结合方式,务必弄清管网详情,包括直径、管材、连接方式、修建年代、管内水流量流、流速与结构关系等。
在此基础上确定保护办法,或悬挂或架设钢架承托,或注浆加固地层保护,最好能够改移。
对地下建筑物和周边建筑物,安排专项方案审批。
三、围护结构(一)钻孔灌注桩1、钻孔灌注桩施工流程图2.钻孔桩施工流2、钻孔常见故障坍孔、钻孔偏斜、孔径扩大或缩小、钻孔漏浆、糊钻、埋钻、卡钻、掉钻落物等都是钻孔常见问题,应由专业人员根据现场实地判断进行处理和防治。
但切记严禁施工人员进入没有护筒的钻孔中处理任何故障。
3、钻孔桩水下混凝土灌注常见故障导管进水、卡管、灌注过程发生坍孔、埋管、浇短桩头、断桩、夹泥等是水下浇注混凝土常见故障。
钻孔桩水下浇注应确保其质量标准,因此应事先考虑应急措施防止以上故障出现。
(二)人工挖孔桩因人工挖孔桩全部人工操作,施工环境恶劣,危险性大,因此明文禁止。
但是极个别情况(因其可以若干桩同时施工,节省工期)经审批,仍有使用可能。
挖孔桩实施过程中,应注意低压用电,配备软梯,设上下联络信号,备齐抽水设备,监测有害气体,周边认真防护防止落石伤人,严格按支护步序操作。
(三)土钉墙土钉分为钻孔注浆型土钉、打入型土钉和射入型土钉。
四、土方开挖原则基坑土方开挖应按“时空效应”的理论,在时间上控制定量土方开挖和支撑架设的作业时间,不应拖延,在空间上控制一次开挖的土方量和支撑架设量,不得超挖。
第三章地铁明挖施工一、概述城市地铁车站、区间及相关配套的风道、出入口、行车线等工程,只要条件许可,应优先考虑采用明挖施工。
因为不论从施工的难易程度、工程造价、工期、风险等考虑,明挖法都有明显优势。
明挖法是在以桩锚体系、桩撑体系及土钉墙作为围护结构,进行土方开挖和主体结构施作。
其主体结构多为两层或多层框架式结构型式。
图1 明挖车站框架式结构图二、前期准备工作明挖基坑在实施前应对环境作详细调查,包括管线及地下障碍物核查,地面建筑物及周边交通状况调查,取得产权单位配合,采用超声波与开探槽相结合方式,务必弄清管网详情,包括直径、管材、连接方式、修建年代、管内水流量流、流速与结构关系等。
在此基础上确定保护办法,或悬挂或架设钢架承托,或注浆加固地层保护,最好能够改移。
对地下建筑物和周边建筑物,安排专项方案审批。
三、围护结构(一)钻孔灌注桩1、钻孔灌注桩施工流程2、钻孔常见故障坍孔、钻孔偏斜、孔径扩大或缩小、钻孔漏浆、糊钻、埋钻、卡钻、掉钻落物等都是钻孔常见问题,应由专业人员根据现场实地判断进行处理和防治。
但切记严禁施工人员进入没有护筒的钻孔中处理任何故障。
3、钻孔桩水下混凝土灌注常见故障导管进水、卡管、灌注过程发生坍孔、埋管、浇短桩头、断桩、夹泥等是水下浇注混凝土常见故障。
钻孔桩水下浇注应确保其质量标准,因此应事先考虑应急措施防止以上故障出现。
(二)人工挖孔桩因人工挖孔桩全部人工操作,施工环境恶劣,危险性大,因此明文禁止。
但是极个别情况(因其可以若干桩同时施工,节省工期)经审批,仍有使用可能。
挖孔桩实施过程中,应注意低压用电,配备软梯,设上下联络信号,备齐抽水设备,监测有害气体,周边认真防护防止落石伤人,严格按支护步序操作。
(三)土钉墙土钉分为钻孔注浆型土钉、打入型土钉和射入型土钉。
四、土方开挖原则基坑土方开挖应按“时空效应”的理论,在时间上控制定量土方开挖和支撑架设的作业时间,不应拖延,在空间上控制一次开挖的土方量和支撑架设量,不得超挖。