热风炉砌筑施工说明及质量要求
- 格式:docx
- 大小:22.77 KB
- 文档页数:5
热风炉筑炉施工方法【摘要】:热风炉是高炉的主要附属设备之一,它是利用高炉煤气燃烧的热量,借助格子砖的热交换作用,为高炉提供高温的热风,本文介绍了热风炉筑炉的施工方法,对砖的选分和预砌进行了分析,从热风炉、蓄热室围墙、格子砖、燃烧室、炉顶等对热风炉的砌筑做了详细阐述,并说明了热风炉砌筑前应具备的条件。
【关键词】:热风炉;施工工法;砌筑中图分类号:TF578文献标识码: A 文章编号:引言热风炉由燃烧室和蓄热室两部分构成,热风炉分为内燃式、外燃式和顶燃式三种类型。
热风炉本体砌筑的施工方法主要从以下三个方面阐述:(一)施工顺序的安排;(二)材料供应方法;(三)热风炉本体砌筑施工:(四)喷涂施工。
一、施工顺序的安排1、热风炉炉箅子以下砌筑利州?+1.820m冷风管道人孔进料,将炉箅以下炉墙及炉底施工完2、搭设电梯提升机和提升架热风炉炉壳安装完成后,在2#3#热风炉南侧中间位置,提前进行电梯提升机基础的浇筑下作。
待基础强度满足要求后搭设热风炉电梯提升机。
在1#炉正南搭设提升架。
3、热风炉炉箅子以上至?+18.902m炉墙及格子砖砌筑。
第一步,砌筑热风炉炉箅子以以1.125m高的炉墙,第二步砌筑1.25m 格子砖。
然后重复上面的步骤。
4、热风炉喷涂热风炉?+18.902m砌筑完成后,在?+19.851m以上立即焊接锚固钉,锚固钉的焊接必须符合设计及施工标准、规范要求(此部分已在安装炉壳时焊接,喷涂前进行检查)。
然后进行炉内喷涂作业。
采用在炉内搭设脚于架的作业方式,至上面一次性将喷涂完成。
在拆除脚手架前,所有唼涂施工应该结束,同时验收合格,为热风炉?+18.902m以上砌筑创造条件。
5、在蓄热室格子砖顶部铺设6mm橡胶板和木桩后搭设砌筑脚手架,进行预然室和拱顶的砌筑工作。
二、材制供应方法1、耐火材料运输所有耐火材料的水平运输,从耐火仓库运至施工现场,均采用平板车进行,平板车应设胶皮,用叉车装卸车。
现场耐火砖的倒运采用手推车,手推车内设胶皮,防止磕碰。
热风炉砌体砌筑质量标准一、炉砌体的水平和垂直允许误差1、水平误差(用2m靠尺检查)①炉墙:8mm ②炉底:8mm2、垂直误差①炉墙每米高:3mm ②炉墙全高:10mm③基础砖墩每米高:3mm ④基础砖墩全高:10mm3、表面平整误差(用2m靠尺检查)①炉墙表面:5mm ②拱脚砖下、炉墙上表面:5mm ③炉底表面:5mm二、砌体尺寸允许误差1、矩形炉膛①长、宽度:±10mm ②对角线长度:±15mm2、拱顶①跨度:±10mm ②拱脚高度:±10mm3、各种孔洞中心:±3mm4、外形轮廓主要尺寸:±10mm三、砖缝厚度1、矩形耐火砖砌体:不超过3mm2、圆形耐火砖砌体:不超过2mm3、红砖砌体:8~10mm四、砌砖质量必须符合下列标准:1、所有砌筑用的耐火材料和隔热材料,其化学成分、物理力学性能和形状尺寸均应符合图样要求。
如有改制代用者,必须征得技术部门的同意;2、经受潮湿的耐火材料,必须经过干燥后方允许使用;3、砌砖不应产生通缝,必须严格错缝砌筑;4、砖缝应以耐火泥浆填满,泥浆的饱满度应不低于90%,干砌时应以粉料填满;5、缺棱掉角的或经过砍凿的砖面,不准砌于炉膛直接与火焰或炉膛接触的地方、承受重力的部位或膨胀缝的内表面;6、检查砖缝厚度时应在每5m2的表面上用塞尺检查10处比规定砖缝厚度大50%以内的砖缝不超过5处;7、拱脚砖与拱脚梁之间有砌砖体时,砌砖体应紧密砌筑;当其间无砌砖体时,拱脚砖应紧靠拱脚梁砌筑;8、膨胀缝内不准掉入泥浆碎砖等杂物;9、膨胀珍珠岩填充必须饱满,并轻轻捣实;10、对无钢板外壳的炉子,其砌体外表面应勾缝;11、冬季砌筑时,工作地点和砌体周围的温度不得低于+5℃。
耐火泥浆的温度不得低于+5℃,砌筑红砖的砂浆不得低于+10℃;12、炉子点火前,必须严格按照设计规定的升温曲线烘炉。
五、浇注料的施工★高铝水泥浇注料组成(质量分数%):①粗骨料(5mm~15mm粘土或矾土熟料):30~40②细骨料(<5mm粘土或矾土熟料):30~40③粉料(<5mm粘土或矾土熟料):≤15④结合剂(高铝水泥):12~15⑤水(外加):9~11⑥使用温度:1200℃★硅酸盐水泥浇注料组成(质量分数%):①粗骨料(5mm~15mm粘土熟料):30~40②细骨料(<5mm粘土熟料):30~40③粉料(<5mm粘土熟料):8~15④结合剂(硅酸盐水泥):13~15⑤水(外加):9~11⑥使用温度:1300℃~1350℃1、搅拌的要求:①、高铝水泥浇注料的一次搅拌量应以30分钟内施工完为一批量;②、搅拌的次序应分两次进行;先加入骨料、粉料和高铝水泥进行干混,然后加入适量的水(应按配合比严格进行计量控制),搅拌时间以5分钟为宜;2、矾土水泥耐火混凝土适宜于浇水养护,其养护温度适宜于15℃至25℃,养护时间应大于3天;3、矾土水泥耐火混凝土捣打成型脱模时间,夏季为2~3小时,冬季为5~6小时;4、矾土水泥耐火混凝土烘烤温度以500℃为宜,升温应缓慢,升至150℃及350℃应有一定的保温时间.大型预制块的烘烤,升温和保温约需80小时,闷炉冷却16小时,共需4天.5、耐火混凝土膨胀缝的留设:①最高使用温度<800℃时,膨胀缝间距1.5m~2.0m, 膨胀缝宽度3mm~5mm;②最高使用温度800℃~1200℃时,膨胀缝间距1.0m~1.5m, 膨胀缝宽度5mm~6mm;③最高使用温>1200℃时,膨胀缝间距 1.0m~1.5m, 膨胀缝宽度6mm~8mm;现场浇注时,可在模板上安置板条、纤维板条、硬纸板条等待加热后烧去。
!!!!!!!!!!!!!!!!!!!!!!!!!!!!上接:文库中《热风炉砌筑要领书2》第五章热风管道施工5.1热风管道喷涂5.1.1 热风管道含热风主管、热风支管、混风管、倒流休风管、围管、烟道管。
5.1.2 喷涂前将所有管道的设计中心线(水平和垂直)分别测在管壳上并用红油漆作上标记。
5.1.3 在管道内间距约3m的水平中心线下的两侧管壳上焊连接角钢的铁件,接着安装支撑角钢,在支撑角钢的垂直面的管壳上焊接铁件及安装支撑件。
5.1.4 在支撑角钢上安装固定中心板,安装固定中心板时要用管壳上的十字中心线对准固定板上的孔洞十字中心后拧紧调节螺栓。
5.1.5 将直钢管穿入孔洞后就可以用半径活动轮杆来检查喷涂半径。
5.1.6 喷涂可以从下往上进行。
5.1.7 喷涂方法同热风炉本体喷涂。
5.1.8 喷涂时应注意保护所有波纹管,在波纹管的丝网上用棉纱塞严实并在棉纱上贴一层粘胶带后再用五层板密封好。
5.1.9 热风支管外紧靠法兰处也要喷涂,喷涂前应将闸阀板及闸阀板处的间隙密封严实,以免喷涂时的飞溅物粘污阀板5.1.10 混风支管由3个不同内径及变径的管壳焊接成的,最大φ1200,最小φ860,不宜喷涂应改成现浇后安装的方法施工。
5.1.11 烟道管只喷涂,不砌筑,以上各种管道喷涂后的内径必须满足砌筑半径。
5.1.12 烟道应从烟气口开始向堵头方向进行喷涂。
5.1.13 烟道管φ3500,除了锚固件外还设计增加了φ6加强筋及φ3.2钢丝网片。
5.1.14 烟道管喷涂施工工序:5.2 热风管道砌筑5.2.1 热风管道砌筑方法,先砌下半圆后砌上半圆,下半圆用十字轮杆控制半径,上半圆支设木拱胎砌筑。
5.2.2 热风主管、支管组合砖砌筑时应从支管三岔口处开始,支管上部砌筑必须从阀门处开始向主管方向移动,主管迎合支管的三岔口组合砖砌筑。
5.2.3热风主管与倒流休风管三岔口组合砖砌筑同热风主管、支管组合砖。
5.2.4 热风主管与热风围管三岔口组合砖砌筑同热风主管、支管组合砖。
热风炉炉顶耐火材料的砌筑流程包括以下步骤:施工前确定好中心线与标高线,然后校核尺寸进行放线砌筑。
耐火砖砌体灰缝应使用匹配材质的耐火泥填充饱满密实,干砌(预砌)时,应施工设计要求砌筑。
填充耐火泥时,灰缝内应先清理干净。
转型的处理加工应使用机械加工,特别是格子砖。
小弧度的拱找平,可适量使用手工处理加工,注意加工面不宜朝向工作面。
砌筑找正时,应使用木锤或橡皮锤,禁止使用铁锤。
砌体上的孔洞、膨胀缝及墙体砌筑的质量,应在施工过程中检查,方便及时作出调整。
耐火砖砌体上的膨胀缝应按照设计要求尺寸留设,膨胀缝内应及时清理干净,耐火泥填充应饱满密实。
砌体上的滑动缝应按设计要求填设纸板,保证砌体能自由滑动。
用塞尺检查热风炉耐火材料的砖缝厚度,塞尺的厚度应与被检查的砖缝厚度相同。
耐火泥浆饱满度也应及时检查,一般部位的耐火泥饱满度不低于90%;球顶、陶瓷燃烧器的砌体耐火泥饱满度不低于95%。
圆形墙应以中心线和设计的半径为依据进行砌筑,每砌筑五层耐火砖进行测量检验一次。
弧形墙应按样板放线砌筑,砌筑时随时用样板检查。
圆形墙体不得有三层重缝。
圆形墙体合门砖应均匀分布,上下层应错开2~3块砖。
合门砖的宽度应不小于整砖的三分之二,若小于三分之二,则需加工邻近的耐火砖。
拱顶砖下的炉墙上表面,应按设计标高找平。
拱胎及其它支柱材料,应满足砌体施工的所需支撑强度及安全要求。
拱胎的弧度应符合设计要求,拱胎应平整。
支设拱胎,应正确牢固且经检查合格后,方能砌筑。
砌筑拱砖时,必须从两侧同时向中心对称砌筑。
砌筑至拱砖中心合门处及两侧时,不得使用直型砖。
拱和拱顶的放射缝,应与半径方向相吻合。
拱和拱顶的内表面应平整,个别砖的错台尺寸应不大于3mm。
砌筑球形拱顶时,应采用金属挂勾和拱胎相结合的方法,球形拱应逐层砌筑。
当拱顶砖砌筑向上一层砌筑时,必须合门完一层后,再砌筑上一层砖。
热风围管内衬砌筑应按管壳分段砌筑,各段内衬的接触面应砌成直缝,处理加工耐火砖时,尺寸应仔细准确。
热风炉砌筑主要施工方法方案热风炉是一种广泛应用于工业生产中的热能设备,其主要功能是通过燃烧燃料产生热风,并将其应用于干燥、蒸汽发生、物料加热等工艺。
热风炉砌筑是热风炉建设的重要环节,合理的砌筑方法方案可以有效保证炉体的稳定性和热工性能。
以下将详细介绍热风炉砌筑的主要施工方法方案。
一、前期准备工作1.确定热风炉的设计要求,包括炉体结构尺寸、热工参数等。
2.制定砌筑方案和详细的施工计划,并进行相应的技术交底。
3.准备所需材料和施工所需的机械设备。
二、砌筑方法1.炉底及排渣口的砌筑首先,在炉底进行整平和对齐工作,然后将耐火材料按照设计要求进行砌筑,主要方式包括钢模砌块、浇筑或拼砌。
砌筑完毕后,进行初次固化。
2.炉体墙壁的砌筑炉体墙壁的砌筑一般采用脚手架辅助搭设,根据热风炉的结构和尺寸,选择相应的砌筑方法,主要有以下几种:(1)砖砌法:采用砖块进行砌筑,形成稳定的墙体结构。
砌筑时要注意控制砖缝的大小和水平度,同时加强对砖块角部的处理,以提高砖体的强度和稳定性。
(2)胶结剂砌筑法:采用胶结剂粘合材料进行砌筑,除了能够提高砌筑工艺的灵活性外,还能够提高墙体的耐火性和抗渣侵蚀能力。
(3)浇筑法:采用浇筑耐火材料的方式进行砌筑,能够形成整体结构,提高炉体的稳定性和密封性。
在浇筑过程中要控制浇筑层的厚度和温度,确保炉体质量。
3.炉顶和烟道的砌筑根据设计要求,制定相应的砌筑方案。
炉顶主要采用砖砌法,一般先进行防水处理,然后进行砖块砌筑,最后进行固化。
烟道的砌筑主要采用砖砌或耐火材料浇筑,通过砖与砖之间的缝隙形成连通的烟道结构。
4.搪砂和支承架的制作砌筑完毕后,需要进行炉膛搪砂工作,以增加炉内的耐火性和提高燃烧效果。
同时,还需要制作合适的支承架,用于支撑热风炉的炉体和设备。
三、检验和调整砌筑完成后,需要进行检验和调整工作,确保热风炉的性能符合设计要求。
主要包括以下几个方面:1.检查炉体的密封性和安装质量,排除可能存在的渗漏和松动问题。
热风炉耐材砌筑施工方案目录目录 (1)1.编制依据 (3)2.工程概况 (3)2.1工程简介 (3)2.2工程特点 (4)2.3耐材品种型号多 (4)3.施工部署 (4)3.1指导思想 (4)3.2主要目标 (4)3.3项目管理机构 (4)4. 主要施工方法 (5)4.1 施工顺序 (5)4.2 耐材运输 (5)4.3 热风炉本体施工 (7)4.4 竖管砌筑 (11)4.5热风管道砌筑 (11)5. 施工网络进度计划 (13)6. 施工平面布臵图 (13)7. 主要资源 (17)7.2主要劳动力资源配臵计划 (17)8. 工程质量管理 (18)8.1 质量管理目标 (18)8.2 质量保证体系 (18)- 1 -8.3 质量管理措施 (18)8.4 质量控制手段 (19)8.5 质量保证措施 (24)9. 安全控制措施 (27)9.1 安全保证体系 (27)9.2 安全保证措施 (27)10. 文明施工(含治安保卫、消防、环保、成品保护) (28)10.1 文明施工目标及管理体系 (28)10.2 文明施工管理措施 ................................................. 28 10.3 治安保卫、消防措施 ............................................... 29 10.4 环境保护措施 ..................................................... 29 10.5 卫生防疫管理措施 (30)11.冬雨季施工措施 (30)11.1 雨季施工措施 ..................................................... 30 11.2 冬季施工措施 .. (30)·- 2 -1.编制依据一、国家及行业现行规范、标准《工业炉砌筑工程及验收规范》GB50211-2004国家有关部门颁发的有关安全及环保标准与规定二、设计文件及技术资料浙江省工业设计研究院设计的热风炉工程施工图三、参考文献《筑炉手册》——冶金工业出版社《筑炉工手册》——冶金工业出版社四、质量管理文件及施工经验本公司质量管理体系中的相关文件及规定;13MCC工业炉窑作业指导书和施工工艺卡以及各类专用设施的设计资料;参加武钢、攀钢、昆钢、韶钢、宝钢、马钢、沙钢、宁钢、元立等各型高炉工程建设的施工经验。
跃东高炉-热风炉砌筑监理细则120207新背景介绍跃东高炉自2019年开始建设以来,一直受到社会各界的关注。
该高炉设备先进、技术领先,被视为我国冶金行业的重要里程碑。
作为跃东高炉的重要组成部分,热风炉的砌筑工作尤为关键。
为了确保热风炉的砌筑质量,保障高炉建设的进度和质量,在本文中,我们将为相关责任人员提供一份砌筑监理细则。
监理要求材料要求1.砌筑用砖:应采用耐火砖或高铝砖,质量应符合以下标准:–砖形规则,表面光滑,无裂纹;–砖体均匀致密,无疏松、鼓包、脱落、变形等缺陷;–砖体破坏强度符合规定标准。
2.砌筑用水泥:应采用优质硅酸盐水泥,质量应符合以下标准:–水泥质地细腻,颜色均匀,无结块;–初凝时间、凝结时间符合规定要求;–破坏强度符合规定标准。
手续审查在砌筑施工前,监理人员应对相关手续进行审查,包括但不限于: 1. 工程质量监督合同; 2. 砌筑材料的检验合格证明; 3. 砌筑施工方案; 4. 相关施工人员的岗位证书等。
砌筑施工要求1.清理场地:在砌筑前,必须先清理砌筑场地,确保场地地面平整、墙体干净。
2.砖料配合比:热风炉的砌筑材料的配合比应符合施工方案的要求,且砖料的搭配应是同一品种、同一工厂、同一批次的砖。
3.砖缝的施工:砖缝应符合施工方案的要求,砖缝宽度不得小于2mm、不得大于4mm,砖缝距离应按照施工方案要求进行布置,并保证铺设整齐、美观。
4.砂浆施工:施工人员需要根据配合比将水泥和砂拌和均匀,不能出现浆料过稀、过干等情况。
5.砌筑质量检验:砌筑完一定层次后,应当进行质量检验,检测砌筑缝中的泥砂是否均匀、是否有空鼓、是否符合规范标准等。
6.热风炉温度:施工人员需要根据热风炉内部的温度变化及时调整砌筑施工工艺,确保砌筑质量。
监理责任1.监理人员应对施工现场进行常规巡查,确保砌筑施工顺利进行。
2.监理人员应对砌筑材料进行验收,并对施工质量进行全面检查,并填写检查表格。
3.监理人员应对施工人员进行技术培训,使其具备专业的砌筑施工技能。
热风炉砌筑简介热风炉砌筑简介近年来,热风炉的使用越来越普遍,特别是东北三省及内蒙古自治区在粮食处理所需热源方面应用广泛,也广泛应用于大型种子烘干机上。
笔者经过多年的摸索、实践及搜集国内有关资料,归纳、总结了热风炉砌筑方法及注意事项。
此简介在实际应用中切实可行,运用灵活,简单易懂。
粘土质耐火砖砌筑灰缝≤2mm,红机砖灰缝≤6mm。
砖的加工面和有缺陷的表面不宜朝向炉膛或炉子通道的内表面。
炉拱砌筑拱脚处,墙不留间隙,拱脚外边耐火砖或红砖应顶紧钢架。
拱顶上保温层因地制宜,炉渣、蛭石及其他保温材料均可。
砌筑耐火制品用的泥浆的耐火度和化学成分,应同所用耐火制品的耐火度和化学成分相适应。
泥浆的种类、牌号及其他性能指标,应根据炉子的温度和操作条件由设计选定。
例如粘土质耐火砖砌筑用泥浆,采用重量为80%的粘土质耐火泥,20%的矾土水泥调质的泥浆。
耐火浇注料的品种和配合比应符合设计要求,浇注体表面不应有剥落、裂纹和孔洞等缺陷。
各部位砌体的孔洞和火道转向处,均应放线砌筑。
对少量由于砖型结构限制,无法用挤浆法砌筑的砖,必须勾缝。
砌筑炉体各部位异形砖以前,应进行干排验缝。
当砖的尺寸偏差满足不了砖缝要求时,应进行砖的加工或选砖。
砖砌体应拉线砌筑,砖缝应横平竖直,泥浆饱满。
砖砌体的允许偏差应符合表2。
砌砖昀应使用木槌或橡胶槌,不应使用铁锤。
砌体中的泥浆干固后,严禁用敲打的办法修正其质量缺陷。
搅拌好的粘土耐火浇注料,高铝水泥耐火浇注料,水玻璃耐火浇注料和已加促凝剂的磷酸盐耐火浇注料,应在30min内浇注完。
炉墙粘土砖砌至一定高度后,应向外墙出115mm长的拉固砖。
拉固砖在同层内应间断留设,上下层应交错。
砌在炉墙内的柱子、梁、炉门框、窥视孔、管子、集箱等与耐火砌体接触的表面,均应铺贴石棉板和缠绕石棉绳;砌体伸缩缝的大小,构造及分布位置,应符合设计规定,留设的伸缩缝应均匀平直。
伸缩缝内应无杂物,并应充填直径大于缝宽的有耐火泥浆的石棉绳。
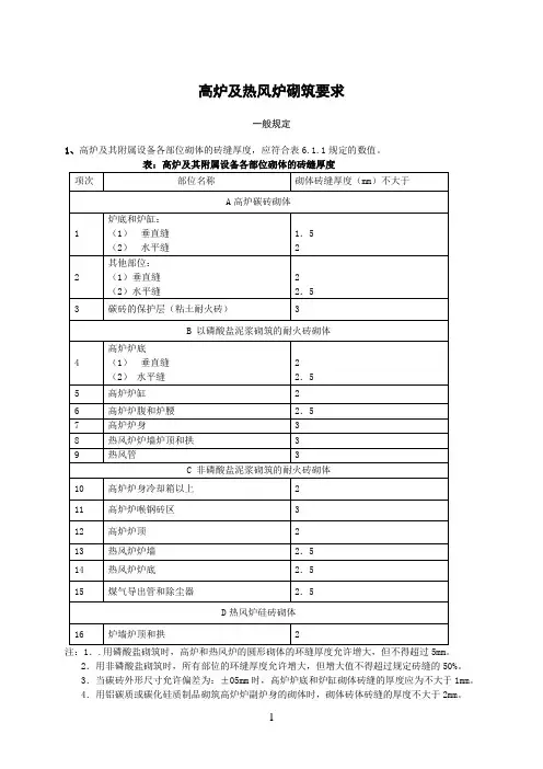
高炉及热风炉砌筑要求一般规定1、高炉及其附属设备各部位砌体的砖缝厚度,应符合表6.1.1规定的数值。
2.用非磷酸盐砌筑时,所有部位的环缝厚度允许增大,但增大值不得超过规定砖缝的50%。
3.当碳砖外形尺寸允许偏差为:±05mm时,高炉炉底和炉缸砌体砖缝的厚度应为不大于1mm。
4.用铝碳质或碳化硅质制品砌筑高炉炉副炉身的砌体时,砌体砖体砖缝的厚度不大于2mm。
砌筑高炉及其附属设备的允许误差,应符合表6.1.2规定的数值。
注:1、满铺炭砖炉底砌体(包括其底基)的表面平整误差,应用3m钢靠尺检查。
2、高炉、热风炉圆形砌体径向倾斜杜不大于5‰。
6.1.3 高炉、热风炉及其热风管各孔、洞砌体,宜用组合砖砌筑。
组合砖砌体下的炉墙上表面标高误差,不应超过0~-5mm.组合砖应采用集装方式包装运输。
高炉部份1 、砌筑前应校核炉口钢圈中心对炉底底基中心的位移。
厚壁炉腰和炉身气体的中心线,应以炉口钢圈为准。
炉缸砌体的中心线,应由测量确定,对炉身的中心线的位移,不应超过30mm。
炉底、炉缸砌体的标高,应以出铁口中心线或风口中心平均标高为基准。
2 、冷却壁之间和冷却壁与出铁口框、风口和渣口大套之间的缝隙,应在砌筑前用填料填塞,其牌号和性能应由设计规定。
注:设计无规定时,可采用下列铁屑填料,其成分(质量比%)宜为:1.生铁屑(洁净无锈、无油污,粒径1~5mm) 70黏土孰料粉 30水玻璃(密度1.3~1.4g/ml,u模数不低于2.2)(外加)15~17硅酸盐水泥(强度等级42.5)(外加) 22.生铁屑(洁净无锈、无油污,粒径1~5mm)60精铁粉 24高铝水泥(强度等级42.5) 16水(外加)适量3、炉各部位的炭素捣打料,应按本规定第4.4节的要求施工。
当采用压缩比检查捣打机实密度时,其压缩比为:炉底垫层,不应小于45%;砌体与冷却壁(或炉壳)之间的缝隙,不应小于40%)。
高炉热捣炭素料(粗缝糊)的加热温度,不应超过120℃。
目录一、编制依据 (3)二、工程概况 (3)三、施工部署 (3)3.1指导思想: (3)3.2项目管理机构 (3)3.3项目部管理人员安排 (4)四、主要施工条件 (4)五工程进度计划及劳动力组织 (4)5.1工程进度计划 (4)5.2工种计划 (4)六主要施工内容和施工方法 (5)6.1喷涂设施布置 (5)6.2 耐火材料的运输及保管 (5)6.3 耐材作业技术要求 (6)6.4 喷涂料试喷涂实验 (6)6.5热风主管内部耐材砌筑 (7)6.9烟道内衬施工 (7)6.10热风围管耐材砌筑 (8)七施工网络进度计划 (11)八主要施工机械、机具使用计划表 (12)九工程质量管理 (13)9.1质量管理目标 (13)9.2质量保证体系 (13)9.3质量管理措施 (13)9.4砌砖质量检查方法 (14)9.5砌砖注意事项 (15)9.6质量保证措施 (16)十安全控制措施 (17)10.1安全保证体系 (17)10.2 安全保证措施 (18)十一文明施工 (19)11.1 文明施工目标及管理体系 (19)11.2 文明施工管理措施 (19)11.3 治安保卫、消防措施 (19)十二环境保护措施 (20)12.1环境保护管理体系 (20)12.2现场环境管理措施 (21)12.3 卫生防疫管理措施 (21)十三.冬雨季施工措施 (22)13.1 雨季施工措施 (22)13.2 冬季施工措施 (22)一、编制依据1.1《工业炉砌筑工程施工及验收规范》(GB 50211-2004)1.2《工业炉砌筑工程质量检验评定标准》(GB 50309-2007)1.3《施工现场临时用电安全技术规范》(JGJ46-2005);1.4浙江省工业设计研究院提供的施工图及有关设计变更等。
1.5本公司质量管理体系的文件及规定。
1.6本公司长期的管道耐材砌筑施工实践经验。
二、工程概况申特钢厂1250m3高炉配置3座热风炉,1座热风竖管,以及配套的热风管道。
昆钢红河钢铁厂1#高炉新建8#热风炉工程热风炉砌筑施工技术方案云南建工集团总公司二○○四年二月十三日1、砌筑前应具备下列条件1)炉壳安装验收合格,焊缝检测达到规范要求(或进行炉壳试压)炉底钢板上工字钢安装合格;2)炉底钢板下的压力灌浆完毕,灌浆孔焊接严密;3)炉箅子及其支柱的安装符合设计规定。
2、热风炉的喷涂1)施工前应进行一次试喷,以检验喷涂料的施工性能。
必要时,应进行级配调整。
2)检查热风炉炉壳内半径和椭圆度,并调整确定中心线。
喷涂施工前应以炉壳安装中心为准,对炉壳全高分段进行半径的检测,将所检测的炉壳半径实测数作出记录,在一定允许范围内可将中心适当调整(修正中心),以达到既能满足砌筑的规定半径误差,又能满足喷涂层厚度的基本要求。
检测通常按直筒段,锥部和球顶部分别进行(内燃式热风炉可按一段进行检测)。
蓄热室直筒部的炉壳检测及中心线的确定步骤。
以蓄热室下部平台安设的中心架中间放下8kg线锤,找好炉底中心,然后以细钢丝绳拉紧固定,见图6-135,并以此中心线为准,分段量出炉壳各点的半径分别记入记录内。
经调整后确定为修正后的筑炉施工基准中心线。
3)热风炉各部(外燃式为蓄热室,燃烧室和混风室等)的喷涂层精加工夹具的安装。
如蓄热室直筒部的喷涂层精加工夹具安装一般以1.8m为一段,上、下沿圆周按120º三等分,炉壳上焊以螺帽用以连接花篮螺栓、固定盘,见图6-136。
(2)喷涂施工喷涂施工的操作要领,见不定形耐火材料有关耐火喷涂施工的要求和步骤进行施工。
3、蓄热室围墙的砌筑。
砌砖前,应在炉底钢板上抹灰找平,抹灰通常分两次进行。
先抹围墙下的环状带,其余部分待以后炉底砌砖时再进行。
抹灰层达到一定强度后,即可开始放线。
内燃式热风炉的放线应以喷涂中心线为准,即将它自炉顶热电偶孔放下线锤,吊至炉底,经检查确认无误后定为砌筑中心,并据此实绘出燃烧室中心。
蓄热室的十字中心线,燃烧室的十字中心线返在喷涂料层表面上,随砌筑的上升而延伸。
热风炉系统耐火材料砌筑说明本文件作为XXXX高炉热风炉系统耐火材料砌筑最基本要求。
一、热风炉本体:1、砌筑要遵守下列说明步骤:1.1 每个位置的第一层必须从同一水平面开始。
1.2 每个位置的第一层必须先预砌,检查合格后,再用泥浆砌筑。
不包括浇注料或隔热材料。
1.3 在砌筑工作层砖的时候,下一层的垂直缝必须错开至少40mm。
在相临两层轻质砖之间,水平缝必须错开至少40 mm。
1.4 合门砖不小于90 mm宽。
合门砖必须居中压在下面一层砖的砖缝上。
1.5 每个位置开始必须在相应图纸标高的正负40mm内。
开始砌筑的高度必须以测量结果为基础,而不是根据层数。
1.6在使用带有凹槽和凸台砖的大墙上,如需切砖,只能在有凸台的一面切割。
在被切砖的另一面刻一个三角形的新凹槽,以便凹槽和凸台结合不受影响。
1.7 被切割砖和合门砖不能用于靠近膨胀缝的位置上。
2.泥浆缝2.1 所有泥浆缝(用泥铲抹)必须饱满。
2.2 泥浆必须涂抹均匀,边缘没有花脸。
2.3 泥浆不能从接缝流出,导致砖下沉。
2.4 在滑动接缝和膨胀缝处必须清理多余的泥浆。
2.5 适宜(额定)泥浆缝厚度为2mm。
2.6 最大泥浆缝厚度为环缝≤3mm,其他≤2mm2.7 由于砖尺寸公差,导致泥浆缝厚度超过3mm,要取得XXXX监督人员的同意。
3.水平滑动缝3.1 轻质砖层和高铝砖、硅砖间的缝隙不可填充泥浆。
3.2 在蓄热室立墙的膨胀缝应错开。
4.膨胀缝4.1 膨胀缝必须用陶瓷纤维毡和/或塑料材料填充。
4.2 所有应为膨胀缝必须使用陶瓷毡和/或塑料材料完全填充。
承包商要特别注意防止在膨胀缝有灰泥和灰尘。
4.3 膨胀缝必须填满,严禁泥浆进入膨胀缝。
4.4由于只有有限的富余的膨胀材料,承包商要特别注意在每个接缝上用合适的材料。
建议一个人负责所有的陶瓷纤维毡和塑料材料。
5.热电偶(自动化专业有要求,以自动化为准,热电偶孔全部设计了组合砖)6.蓄热室大墙6.1 轻质砖应该在重质砖砌筑之前砌轻质砖。
热风炉砌体砌筑质量标准一、炉砌体的水平和垂直允许误差1、水平误差(用2m靠尺检查)①炉墙:8mm ②炉底:8mm2、垂直误差①炉墙每米高:3mm ②炉墙全高:10mm③基础砖墩每米高:3mm ④基础砖墩全高:10mm3、表面平整误差(用2m靠尺检查)①炉墙表面:5mm ②拱脚砖下、炉墙上表面:5mm ③炉底表面:5mm二、砌体尺寸允许误差1、矩形炉膛①长、宽度:±10mm ②对角线长度:±15mm2、拱顶①跨度:±10mm ②拱脚高度:±10mm3、各种孔洞中心:±3mm4、外形轮廓主要尺寸:±10mm三、砖缝厚度1、矩形耐火砖砌体:不超过3mm2、圆形耐火砖砌体:不超过2mm3、红砖砌体:8~10mm四、砌砖质量必须符合下列标准:1、所有砌筑用的耐火材料和隔热材料,其化学成分、物理力学性能和形状尺寸均应符合图样要求。
如有改制代用者,必须征得技术部门的同意;2、经受潮湿的耐火材料,必须经过干燥后方允许使用;3、砌砖不应产生通缝,必须严格错缝砌筑;4、砖缝应以耐火泥浆填满,泥浆的饱满度应不低于90%,干砌时应以粉料填满;5、缺棱掉角的或经过砍凿的砖面,不准砌于炉膛直接与火焰或炉膛接触的地方、承受重力的部位或膨胀缝的内表面;6、检查砖缝厚度时应在每5m2的表面上用塞尺检查10处比规定砖缝厚度大50%以内的砖缝不超过5处;7、拱脚砖与拱脚梁之间有砌砖体时,砌砖体应紧密砌筑;当其间无砌砖体时,拱脚砖应紧靠拱脚梁砌筑;8、膨胀缝内不准掉入泥浆碎砖等杂物;9、膨胀珍珠岩填充必须饱满,并轻轻捣实;10、对无钢板外壳的炉子,其砌体外表面应勾缝;11、冬季砌筑时,工作地点和砌体周围的温度不得低于+5℃。
耐火泥浆的温度不得低于+5℃,砌筑红砖的砂浆不得低于+10℃;12、炉子点火前,必须严格按照设计规定的升温曲线烘炉。
五、浇注料的施工★高铝水泥浇注料组成(质量分数%):①粗骨料(5mm~15mm粘土或矾土熟料):30~40②细骨料(<5mm粘土或矾土熟料):30~40③粉料(<5mm粘土或矾土熟料):≤15④结合剂(高铝水泥):12~15⑤水(外加):9~11⑥使用温度:1200℃★硅酸盐水泥浇注料组成(质量分数%):①粗骨料(5mm~15mm粘土熟料):30~40②细骨料(<5mm粘土熟料):30~40③粉料(<5mm粘土熟料):8~15④结合剂(硅酸盐水泥):13~15⑤水(外加):9~11⑥使用温度:1300℃~1350℃1、搅拌的要求:①、高铝水泥浇注料的一次搅拌量应以30分钟内施工完为一批量;②、搅拌的次序应分两次进行;先加入骨料、粉料和高铝水泥进行干混,然后加入适量的水(应按配合比严格进行计量控制),搅拌时间以5分钟为宜;2、矾土水泥耐火混凝土适宜于浇水养护,其养护温度适宜于15℃至25℃,养护时间应大于3天;3、矾土水泥耐火混凝土捣打成型脱模时间,夏季为2~3小时,冬季为5~6小时;4、矾土水泥耐火混凝土烘烤温度以500℃为宜,升温应缓慢,升至150℃及350℃应有一定的保温时间.大型预制块的烘烤,升温和保温约需80小时,闷炉冷却16小时,共需4天.5、耐火混凝土膨胀缝的留设:①最高使用温度<800℃时,膨胀缝间距1.5m~2.0m, 膨胀缝宽度3mm~5mm;②最高使用温度800℃~1200℃时,膨胀缝间距1.0m~1.5m, 膨胀缝宽度5mm~6mm;③最高使用温>1200℃时,膨胀缝间距 1.0m~1.5m, 膨胀缝宽度6mm~8mm;现场浇注时,可在模板上安置板条、纤维板条、硬纸板条等待加热后烧去。
热风炉砌筑施工说明及质量要求1、概要水城钢铁公司1号高炉大修配置3座热风炉,设置分离型管换热器回收余热预热助燃空气和高炉煤气,设计风温11500C,最高拱顶温度13200C。
2、本要求涉及的范围2.1热风炉墙体a)热风炉墙体014.031L T0605b)热风炉蓄热室格子砖砌砖图014.031L T0606c)热风炉拱顶砌砖图014.031L T0607d)热风炉矩形陶瓷燃烧器砌砖图014.031L T0608e)热风管道砌砖图014.031L T06092.2热风炉组合砖砌砖图包括热风炉本体人孔、热风出口、管道三叉口等,共5种16套组合砖。
2.3热风炉不定形耐火材料喷涂料-包括热风炉本体、热风管道、烟道总管余热区部份。
保温涂料-包括热风炉助燃空气管及高炉煤气管、冷风管。
3.砌筑施工要点a)为进一步缩短现场砌筑施工周期,本高炉热风炉设计采用了大量的异形砖,并对热风炉拱顶砖、陶瓷燃烧器砖、各孔口组合组合砖均要求整体预装,对数量最大的大墙砖也要求分段预装,对格子砖要求按高度偏差分级包装,建议各有关施工单位派人参与耐材的出厂验收工作。
b)由于热风炉砌体结构设计的需要,热风炉砌筑施工中设计的材料品种较多,除耐火砖、隔热砖及与之配套的泥浆外,还采用了纤维毯、纤维纸、油纸、聚乙烯及发泡聚苯乙烯等材料,因此必须事先做好各种材料的现场堆放、运送方式及通道的统一规划工作。
c)耐材施工前必须严格验收上道工序的施工质量,特别是炉壳及管壳内径尺寸、各孔口标高以及喷涂层内径尺寸偏差须控制在图纸要求的范围内。
4.砌筑施工顺序热风炉本体砌筑应在炉壳喷涂、炉箅子及支柱安装就位并验收合格后进行,热风管道砌筑应在管壳喷涂施工完毕并验收合格后方可进行施工。
4.1热风炉本体砌筑施工顺序a)对热风炉墙体砌筑总的顺序为:从上到下(蓄热室大墙、燃烧室大墙、燃烧室隔墙均可同时向上砌筑),从外到内(即从喷涂层向内逐层砌筑),先干摆再实砌。
b)炉底耐热砼找平后,应对蓄热室墙、燃烧室墙、隔墙进行划线定位,各部位砖同步向上砌筑,为便于燃烧室隔墙钢板的安装,隔墙冷端(靠蓄热室侧)墙体应先于其它墙体12层高砌筑。
热风炉砌筑施工说明及质量要求
1、概要
水城钢铁公司1号高炉大修配置3座热风炉,设置分离型管换热器回收余热预热助燃空气和高炉煤气,设计风温11500
C,最高拱顶温度13200
C。
2、本要求涉及的范围
2.1热风炉墙体
a)热风炉墙体
014.031LT0605
b)热风炉蓄热室格子砖砌砖图
014.031LT06
c)热风炉拱顶砌砖图
014.031LT0607
d)热风炉矩形陶瓷燃烧器砌砖图
014.031LT0608
e)热风管道砌砖图
014.031LT0609
2.2热风炉组合砖砌砖图
包括热风炉本体人孔、热风出口、管道三叉口等,共5种16套组合砖。
2.3热风炉不定形耐火材料
喷涂料-包括热风炉本体、热风管道、烟道总管余热区部份。
保温涂料-包括热风炉助燃空气管及高炉煤气管、冷风管。
3.砌筑施工要点
a)为进一步缩短现场砌筑施工周期,本高炉热风炉设计采用了大量的异形砖,并对热风炉拱顶砖、陶瓷燃烧器砖、各孔口组合砖均要求整体预装,对数量最大的大墙砖也要求分段预装,对格子砖要求按高度偏差分级包装,建议各有关施工单位派人参与耐材的出厂验收工作。
b)由于热风炉砌体结构设计的需要,热风炉砌筑施工中设计的材料品种较多,除耐火砖、隔热砖及与之配套的泥浆外,还采用了纤维毯、纤维纸、油纸、聚乙烯及发泡聚苯乙烯等材料,因此必须事先做好各种材料的现场堆放、运送方式及通道的统一规划工作。
c)耐材施工前必须严格验收上道工序的施工质量,特别是炉壳及管壳内径尺寸、各孔口标高以及喷涂层内径尺寸偏差须控制在图纸要求的范围内。
4.砌筑施工顺序
热风炉本体砌筑应在炉壳喷涂、炉箅子及支柱安装就位并验收合格后进行,热风管道砌筑应在管壳喷涂施工完毕并验收合格后方可进行施工。
4.1热风炉本体砌筑施工顺序
a)对热风炉墙体砌筑总的顺序为:
从上到下(蓄热室大墙、燃烧室大墙、燃烧室隔墙均可同时向上砌筑),从外到内(即从喷涂层向内逐层砌筑),先干摆再实砌。
b)炉底耐热砼找平后,应对蓄热室墙、燃烧室墙、隔墙进行划线定位,各部位砖同步向上砌筑,为便于燃烧室隔墙钢板的安装,隔墙冷端(靠蓄热室侧)墙体应先于其它墙体12层高砌筑。
c)各墙体砌筑应从其相结合的“眼睛角”处开始进行,分别向其中间砌筑,并注意确保“眼睛角”处各膨胀缝的尺寸,以保证该部分的砌筑质量。
d)大部分墙体由“滑动块”构成,同层砖砌筑时,首先应对“滑动块”进行定位,重点控制膨胀缝两侧的砖,确保膨胀缝的尺寸,然后对同一“滑动块”内的砖进行干摆,通过采用不同宽度级别的砖来调整砖缝,达到要求后再实际砌1
筑。
e)格子砖的砌筑可在墙体砖砌筑到一定的高度后再施工,并与其交替进行砌筑,每层格子砖应采用相同高度偏差级别的格子砖砌筑。
f)各孔口组合砖、陶瓷燃烧器均应与墙体砖的砌筑同步,砌筑时仅需“对号入座”,与各组合砖相配合的墙体砖应根据现场情况进行切割加工(机加工),同时在距组合砖10~20层砖,应注意控制各层砖的标高值。
g)拱顶砖的砌筑可与直筒部大墙砖的砌筑同时进行,砌筑总的顺序为:先下后上、先内后外,最后砌筑顶部测温孔砖。
4.2热风管道砌筑施工顺序
热风管道砌砖应在管道钢结构(包括阀门、伸缩管)安装完毕、喷涂层检查修补结束并验收合格后方可进行,现场可根据各区域施工进度并结合管道上设置的永久性人孔及临时砌砖用人孔的设置位置,对管道砌砖采用分段同步施工。
a)热风支管砌砖
热风支管的砌砖由热风出口侧及热风阀法兰侧同时向中间砌筑,
最后合门砖在热风支管伸缩管与热风阀法兰之间。
b)热风主管砌砖
热风主管及总管的砌砖中心线、管壳及喷涂中心线相同,因此砌
砖时可以喷涂层为导面进行施工,现场施工时可根据情况临时开设砌砖用人孔(即最后砌合门砖用孔),其临时开孔的数量应尽可能少,同时每一环砖(主要是指耐火砖)应采用同一长度级别的砖。
c)热风围管砌砖
热风围管砖应砌成环状,可以喷涂面为导面进行砌筑,砌筑合门
砖用人孔可根据现场情况临时开设,但最多不超过3处。
所有的合门砖砌筑完毕、浇注料填充结束后,应将临时人孔封焊。
5.砌筑质量要求
本高炉热风炉砌筑质量要求除图中注明外,均应按照国标GBJ211-87《工业炉砌筑工程施工及验收规范》和GB50309-92《工业炉砌筑工程质量检验评定标准》的有关要求执行,同时结合本热风炉结构设计的特殊性,特补充以下条款。
5.1砖缝及允许偏差
a)热风炉墙体及拱顶砌砖
设计值:
层间缝2mm,辐射缝
1.5~
4.0mm。
b)热风管道及组合砖
环缝2mm,辐射缝2mm,层间缝2mm。
砌筑时砖缝允许有一定的偏差,砖缝应控制在1~4mm范围内,
但泥浆一定要饱满,泥浆饱满度原则上为100%,检查要求≥95%,表面勾缝。
5.2炉墙砌筑半径误差
热风炉蓄热室墙体砌筑半径误差为:
中、下部±5mm;(标高+
26.498以下)
上部0~+7mm;
热风炉燃烧室大墙及隔墙砌筑半径误差应控制在0~+10mm。
5.3墙体高度
若炉壳高度方向产生负偏差,可相应降低大墙砖的高度,但要保证墙体和外部管道连接的各孔中心标高不变、拱顶尺寸不变。
5.4格子砖2根据格子砖实际的尺寸公差,控制单块格子砖间的间隙在4~6mm,最下两层格子砖的高度差必须≤
1.0mm,所有的格子砖其上、下层格孔的错位不得超过5mm。
5.5热风管道
热风管道相邻两层间应错缝砌筑,管道及孔洞砌体内直径偏差±5mm,与组合砖相接的管道应根据现场实际砌筑情况进行调整加工.
注:
1、热风炉本体上部及热风管道涂层部分利旧、利旧部分需进行检查修补。
2、热风炉原有烟道砌砖部位利旧,改造及新建部分需进行重新施工。
(本要求摘自于
014.031LT0604-2
32000.8.18)。