公司招待费标准
- 格式:doc
- 大小:12.50 KB
- 文档页数:2
公司招待费标准公司招待费是指公司为了开展业务活动或者维护客户关系而发生的费用支出。
为了规范公司的财务管理,公司招待费需要有明确的标准和管理办法。
以下是公司招待费的相关标准及管理规定。
一、招待费的范围。
公司招待费包括但不限于,商务宴请、客户招待、业务考察、商务旅行等费用支出。
二、招待费的标准。
1. 商务宴请,公司内部员工聚餐、部门会议等商务宴请费用,每人不超过200元人民币。
2. 客户招待,招待客户的餐饮费用,每人不超过500元人民币。
3. 业务考察,接待外地客户或者合作伙伴的交通、住宿、餐饮等费用,按实报实销,需提供有效的费用票据。
4. 商务旅行,公司员工因公出差的交通、住宿、餐饮等费用,按公司规定的差旅标准执行。
三、招待费的管理办法。
1. 申请审批,公司员工在发生招待费用前,需提前向上级主管部门提出申请,并经相关部门审批同意后方可发生费用。
2. 费用报销,招待费用发生后,需及时报销,报销时需提供完整的费用票据和相关活动记录。
3. 费用核查,公司财务部门对招待费用进行定期核查,确保费用的合理性和真实性。
4. 案例审查,公司定期对招待费用进行案例审查,发现违规行为及时处理并纠正。
四、招待费的注意事项。
1. 合理节约,在进行招待活动时,应合理控制费用,避免奢侈浪费。
2. 诚信经营,招待活动应遵循诚实守信的原则,不得违反公司相关规定和国家法律法规。
3. 公开透明,公司招待费用应当公开透明,接受内部和外部的监督。
以上就是公司招待费的相关标准及管理规定,希望全体员工严格遵守,共同维护公司的财务管理秩序,为公司的发展做出积极贡献。
招待费支出标准及报销规定一、总则为严格对招待费用的监督管理,合理控制费用支出,杜绝不合理开支,提高公司效益,特制定本规定。
本规定中所指的是管理费用明细科目内容的业务招待费科目。
招待费是指以公司或部门的名义,招待上级领导、客户、政府官员等非公司人员所发生的餐费、酒水、饮料、食品,茶叶、卷烟,礼品、贺礼等,以及在业务活动过程中用于必要招待的各项费用(不包括正常给予代理商的返利)。
招待费用报销的程序依照财务报账规定执行。
报销人按所发生的费用类别填写《费用报销凭证》,本人签字,给所在部门经理就开支的必要性审核后送综合部复核,综合部主要从财务监督角度检查各种单据是否齐全、费用凭证的合法性、费用金额是否符合预算、金额计算的准确性和资金支付安排等方面进行程序性核准,由财务相关人员统一汇总后,报CEO(或授权人)批准方可报销。
招待费用的支出、使用须坚持合理、适度、高效、节约的原则,遵循标准,规范程序,严守制度,并与各部门业绩评定、经理考核相结合。
二、招待费管理公司全年业务招待费严格控制在年度预算额度内,全年在限额内使用业务招待费,原则上不得超支。
坚决控制非业务性接待,适当控制业务接待。
严格执行分档次接待原则,对应接待。
禁止越档次接待。
(一)招待标准1、往来公司副总裁、董事以上职务领导,省厅级、市政府副市级以上政府官员,此类人员简称“A类客人”。
招待餐费标准为350—400元/人/次;酒店住宿为五星级酒店以上标准。
2、往来公司部门负责人以上、总监以下领导,重要客户,政府部门科级以上官员,此类人员简称“B类客人”;餐费标准为250—300元/人/次;四星级酒店单间住宿标准。
3、往来公司部门负责人、政府部门科级以下官员,普通职员,此类人员简称“C类客人”;餐费标准为100-150元/人/次。
三星级酒店单间住宿标准。
4、一般客户及来客招待,此类人员简称“D类客人”;餐费标准为50-80元/人/次。
5、公司内部培训或会议,往来客户的午餐招待,此类人员简称“E类客人”;餐费标准为15元/人/次。
新财务制度招待费列支标准一、前言近年来,我国经济发展迅速,企业之间的交流和合作日益频繁,因此招待费的支出也相应增加。
为了规范招待费的使用,加强财务管理,提高资金使用效率,公司决定制定新的财务制度,对招待费的列支标准进行规范。
二、招待费的定义招待费是公司为了开展业务活动、推动经济合作、维护客户关系和企业形象而发生的费用支出,包括但不限于各类宴请、礼品赠送、差旅费用等。
三、招待费列支标准1. 招待对象范围招待对象包括客户、合作伙伴、政府官员、重要媒体、行业专家等。
在招待对象确定时,应充分考虑其对公司业务发展的重要性和影响力。
2. 招待场合及范围(1)招待场合应以商务宴请、座谈会、商务考察、庆典活动等为主。
(2)招待范围不宜过大,以能够达到业务目的为原则,不得追求奢华、浪费。
3. 招待标准(1)宴请标准:不得超过每人500元,酒水不得超过每桌500元。
(2)礼品赠送标准:每份礼品不得超过300元。
(3)差旅费用:按照公司差旅费用标准执行。
4. 招待费报销流程(1)招待费支出应提供相关证明和报销单据,如发票、收据、招待对象及用餐人数等记录。
(2)招待费报销须经相关部门审批后才能报销。
5. 招待费列支原则(1)明码标价:在招待费用的列支过程中,应明码标价,严禁违规套取。
(2)审慎使用:招待费不得用于无关商务活动,不能超出规定范围和标准。
(3)真实记录:招待费用的使用应真实记录,不得虚报、变相报销。
四、招待费列支的监督和管理1. 财务监管(1)公司财务部门应建立健全招待费用审批和报销制度,加强对招待费用的监督管理。
(2)财务部门应定期对招待费用的使用情况进行审计和检查,发现问题及时处理。
2. 内部控制(1)各部门应加强对招待费用的预算管控,确保招待费用在预算范围内使用。
(2)内部审计部门应对招待费用的使用情况进行定期审计,确保招待费用的合理使用。
3. 外部监督(1)公司应接受政府及监管部门的监督,对招待费用的使用情况进行公开透明,接受社会公众的监督。
财务制度招待费一、总则为规范和加强公司招待费的管理,确保资金使用的合理性和透明度,提高公司的形象和效益,特制定本制度。
二、适用范围本规定适用于公司内部及外部相关人员进行各类招待的经费支出管理。
三、招待对象及范围1、公司外部客户、业务合作伙伴;2、公司内部员工;3、来访客户、供应商等;4、其他与公司业务相关的人员。
四、招待费标准1、根据不同的招待对象、招待场合和消费水平,公司明确招待费的标准,并在招待时严格执行标准,不得超支;2、招待费的标准应根据实际情况进行调整,保持合理和适度;3、公司应建立和定期更新各项招待费标准,确保招待行为合规和公平。
五、招待费管理流程1、申请阶段:招待费支出需提前报备并获得上级领导批准;2、执行阶段:在招待活动结束后及时汇总相关费用并进行报销;3、复核阶段:公司财务部门及审计部门对招待费的支出进行审核核实,确保支出合理及符合相关政策法规;4、监督阶段:公司内设专门的审计部门对招待费的管理情况进行定期检查,发现问题及时纠正;5、总结阶段:定期对公司招待费的使用情况进行总结和评估,提出合理化建议和改进措施。
六、招待费使用范围1、招待餐饮:公司可以通过宴请、自助餐、餐厅等形式对招待对象进行餐饮招待;2、招待旅游:公司可以组织招待对象进行旅游活动,包括景点参观、游玩等;3、招待礼品:公司可以送给招待对象一定价值的礼品,以示感谢和尊重;4、其他形式的招待:如演出、展览、座谈会等招待形式。
七、招待费支付方式1、招待费可以通过公司统一预算支付,也可以由直接支付者垫付后报销;2、招待费支付方式需在招待费申请环节明确,不得私自决定。
八、违规处理1、对于超支、私自决定和未经报备的招待费使用行为,公司将依据《公司员工行为管理规定》进行相应处理,严肃批评甚至追究责任;2、对于其他违规行为,公司将视情况采取相应的管理措施,包括警告、记过、停职等处理方式;3、在发现有人涉嫌贪污、受贿等违法行为时,公司将立即组织调查,并按照相关法律法规和公司规定予以处理。
公司招待费管理制度及各项表格第一章总则第一条为规范公司招待费的管理和使用,提高公司经营管理水平,特制定本制度。
第二条本制度适用于公司各部门、各分支机构的招待费支出。
第三条公司招待费管理应遵循合理、节约、透明的原则,确保招待费用的合理使用。
第二章招待费范围和标准第四条招待费包括以下范围:(一)业务招待费:指为开拓市场、维护客户关系、促进业务合作等目的所发生的接待费用。
(二)会议招待费:指为举办会议、研讨会、培训等所发生的接待费用。
(三)其他招待费:指因公司其他业务需要所发生的招待费用。
第五条招待费标准:(一)业务招待费:1. 国内接待:根据接待对象、接待地点、接待规模等因素确定接待费用标准。
2. 国际接待:根据接待对象、接待地点、接待规模等因素确定接待费用标准。
(二)会议招待费:1. 会议场地租赁费用:根据会议规模、场地设施等因素确定租赁费用。
2. 会议餐饮费用:根据参会人数、餐饮标准等因素确定餐饮费用。
3. 会议住宿费用:根据参会人员、住宿标准等因素确定住宿费用。
(三)其他招待费:根据实际情况和公司规定确定招待费用标准。
第三章招待费申请和审批第六条各部门、分支机构需要使用招待费时,应填写《招待费申请单》,并附上相关证明材料。
第七条招待费申请单应包括以下内容:(一)申请部门和申请人。
(二)接待对象、接待目的。
(三)接待时间、地点、规模。
(四)预计费用和费用明细。
(五)其他相关说明。
第八条招待费申请单应由申请部门负责人审批,超过一定金额的招待费申请单应由公司总经理审批。
第四章招待费报销和审核第九条招待费报销应提供以下材料:(一)招待费申请单。
(二)接待费用明细单。
(三)发票、收据等财务凭证。
(四)其他相关证明材料。
第十条招待费报销应由财务部门审核,审核内容包括:(一)招待费申请单是否经过审批。
(二)接待费用明细单是否与申请单相符。
(三)发票、收据等财务凭证是否真实、合法。
(四)其他相关证明材料是否齐全。
招待费报销标准招待费是指单位或个人用于接待来访客人、商务活动或其他相关活动所发生的费用。
对于企业或机构来说,招待费是一项必不可少的支出,但在报销时需要遵守一定的标准和规定。
以下是招待费报销标准的相关内容。
一、招待费的范围。
招待费主要包括接待来访客人的餐饮费用、商务活动的礼品费用、相关活动的场地租赁费用等。
这些费用必须是在开展业务活动中发生的,并且必须符合公司或机构的相关规定。
二、招待费的报销标准。
1. 餐饮费用,对于接待来访客人的餐饮费用,报销标准应当根据实际情况进行合理核定。
一般来说,应当根据接待人数、场合和消费水平等因素进行综合考虑,确保费用合理、节约。
2. 礼品费用,商务活动中的礼品费用应当符合公司或机构的相关规定,不得超出规定的金额。
礼品的选择应当合理,既能够体现对来访客人的尊重和关怀,又不会过分奢华。
3. 场地租赁费用,如果活动需要租赁场地,租赁费用应当根据市场价格进行合理核定,不得超出合理范围。
三、招待费的报销流程。
1. 提交报销申请,招待费的报销申请应当由相关人员在活动结束后及时提交,申请中应当详细列明招待的时间、地点、对象、费用等相关信息,并附上相应的票据和发票。
2. 审批流程,报销申请应当经过相关部门的审批,审批人员应当对招待费的合理性进行审核,并确保费用符合规定标准。
3. 报销发放,经过审批的招待费报销申请,财务部门应当及时进行报销发放,确保相关人员的费用得到合理补偿。
四、招待费的管理控制。
为了规范招待费的使用,公司或机构应当建立健全的招待费管理制度,明确招待费的使用范围、标准和流程,加强对招待费的监督和控制,防止出现滥用招待费的情况。
在实际操作中,相关部门应当加强对招待费的监督和管理,对招待费的使用情况进行定期检查和审计,确保招待费的合理使用。
五、招待费的注意事项。
1. 严格执行规定,相关人员在使用招待费时应当严格按照公司或机构的相关规定执行,不得私自调用招待费用。
2. 合理使用,在使用招待费时,应当合理控制费用,避免出现过度消费和浪费现象。
一、目的为规范我公司业务招待行为,提高费用使用效益,加强公司费用管理,严格控制业务招待费用的支出,特制定本制度。
二、适用范围本制度适用于我公司因业务拓展、商务洽谈、客户关系维护等需要进行的业务招待活动。
三、业务招待费标准1. 餐饮费用:按人均不超过100元/餐的标准控制,含菜、酒、饮料等。
2. 交通费用:按照实际发生的交通费用报销,但不得超过市内出租车费用的标准。
3. 住宿费用:按照出差住宿标准执行,每人每晚不超过300元。
4. 礼品费用:原则上不赠送客户礼品,如需赠送,价值不超过500元。
5. 娱乐费用:不得报销娱乐费用,包括KTV、桑拿、按摩等。
四、业务招待费管理制度1. 事前审批(1)业务招待活动需提前向财务部提出申请,填写《业务招待费申请表》。
(2)申请表需经部门负责人审批,报公司总经理审批。
2. 事中控制(1)业务招待活动需在活动结束后及时向财务部报送相关费用凭证。
(2)财务部对费用凭证进行审核,确认费用合规后予以报销。
3. 事后监督(1)财务部每月对业务招待费用进行汇总,向公司领导汇报。
(2)公司领导对业务招待费用进行监督,确保费用合理、合规。
4. 费用报销(1)业务招待费用报销需提供以下凭证:费用发票、报销单、业务招待活动记录等。
(2)报销单需填写详细费用项目,并由经办人、部门负责人、财务负责人签字。
五、责任追究1. 对违反本制度,造成公司经济损失的,将依法追究相关责任。
2. 对业务招待费用报销过程中弄虚作假、隐瞒事实的,一经查实,将严肃处理。
3. 对不履行审批、监督职责的部门和个人,将依法追究责任。
六、附则本制度自发布之日起实施,由财务部负责解释。
如有未尽事宜,由公司领导研究决定。
通过以上制度,我公司旨在规范业务招待行为,提高费用使用效益,确保业务招待活动合规、透明,为公司的发展创造良好条件。
公司业务招待费管理规定2.1外部招待要根据客人身份、职位、场合等因素进行合理安排,避免铺张浪费。
2.2招待场所可以是公司指定的合作餐厅或者客人提出的合理要求的餐厅。
2.3就餐费用不得超过100元/人,招待用酒水价格要控制在40元/瓶以内。
2.4外部招待要提前报备,填写《公司业务招待费用预算表》并经过审批后方可执行。
2.5外部招待费用报销时,需提供相关、单据等材料,并按照财务相关规定执行。
三、馈赠礼品使用规定和标准1.馈赠礼品应根据客人身份、职位、场合等因素进行合理选择,礼品要体现公司文化和企业形象,不得超过300元/人。
1.2礼品的包装要简洁大方,不得使用过于华丽的包装材料。
1.3礼品的赠送要注重礼仪,表达公司的诚意和感谢之情。
1.4礼品的采购要按照公司采购相关规定执行,需提供、单据等材料。
四、其他规定1.公司领导及员工参加业务招待活动时,应注意形象和言行,严禁超标准、超范围接受招待,严禁收受礼品、礼金等财物。
2.对于违反本规定的行为,将按照公司相关规定进行处理。
为了更好地管理公司的业务招待费,实现降本增效,我们制定了这份规定。
在使用业务招待费时,我们要本着“必需、节俭、适当”的原则,体现热情招待、礼节得体、大方不俗套、体面不浪费的精神,以树立企业良好形象,彰显企业文化理念。
业务招待的范围包括与公司有业务关系的客户、供应商、银行、税务、政府及其相关主管部门的工作检查、考察、调研等,以及公司上级领导以及其他所需招待的客人。
就餐费用要根据不同情况进行合理安排,内部招待要按照公司内部招待就餐审批单制度执行,外部招待要提前报备,并经过审批后方可执行。
馈赠礼品要根据客人身份、职位、场合等因素进行合理选择,不得超过300元/人。
对于违反本规定的行为,将按照公司相关规定进行处理。
支机构、合作伙伴等。
不超过50员工级主陪接待公司内部员工、外来实生等。
2.1 对于一般性的招待,每位就餐者的标准不得超过50元。
综合部会安排就餐地点,而分管领导则会根据客人的情况来决定招待标准。
公司招待费标准
公司招待费是指公司为了开展业务活动或者表达感谢之情而发生的费用支出。
公司招待费的标准是公司财务管理中的重要内容,合理的招待费标准不仅可以提高公司形象,增强客户信任,还可以有效控制费用支出,提高公司的经济效益。
因此,公司招待费标准的制定和执行至关重要。
首先,公司招待费的标准应当符合公司的经济实力和财务状况。
在制定公司招
待费标准时,应当充分考虑公司的财务状况和经济实力,避免因为招待费用过高而导致公司财务压力过大。
其次,公司招待费标准应当符合行业惯例和市场价格。
在制定公司招待费标准时,应当参考行业内的惯例和市场价格,避免因为招待费用过低而导致客户感到不满或者影响公司形象。
另外,公司招待费标准应当符合国家法律法规和财务制度的规定。
在制定公司
招待费标准时,应当严格遵守国家法律法规和公司的财务制度,避免因为招待费用违规而导致不良后果。
最后,公司招待费标准应当符合公司的管理要求和业务需求。
在制定公司招待
费标准时,应当充分考虑公司的管理要求和业务需求,避免因为招待费用不合理而影响公司的业务发展。
综上所述,公司招待费标准的制定应当合理、合规、合情,符合公司的经济实
力和财务状况,符合行业惯例和市场价格,符合国家法律法规和财务制度的规定,符合公司的管理要求和业务需求。
只有这样,公司才能有效控制招待费用支出,提高公司的经济效益,增强公司的竞争力和发展实力。
招待客户费用标准制度范本第一条总则为了规范公司招待客户费用的管理,节约成本,提高服务质量,根据国家相关法律法规和公司实际情况,制定本制度。
本制度适用于公司各部门接待客户所需的费用报销管理。
第二条费用标准1. 业务招待费:(1)重要客户接待:每位客户招待费用上限为人民币500元,含餐饮、住宿、交通等费用。
(2)一般客户接待:每位客户招待费用上限为人民币200元,含餐饮、交通等费用。
2. 餐饮费用:(1)接待重要客户时,可选择公司协议酒店或高档餐厅,人均消费不超过200元。
(2)接待一般客户时,可选择公司协议餐厅,人均消费不超过100元。
3. 住宿费用:(1)接待重要客户时,可选择公司协议酒店,标准间每间每晚不超过500元。
(2)接待一般客户时,住宿费用自理。
4. 交通费用:(1)接待重要客户时,可安排专车接送,车辆费用按实际发生额报销,但不得超过每人每次50元。
(2)接待一般客户时,可安排公共交通工具,交通费用自理。
第三条审批流程1. 各部门在接待客户前,应提前向总经理请示,并在接待结束后提交费用报销申请。
2. 费用报销申请应包括:接待客户名单、费用明细、相关证明材料等。
3. 财务部门对报销申请进行审核,符合规定的予以报销,不符合规定的予以退回。
第四条监督管理1. 各部门应严格按照本制度执行,不得擅自提高费用标准。
2. 财务部门应加强对业务招待费用的监督检查,确保报销合规。
3. 公司不定期对业务招待费用进行审计,发现问题及时纠正。
第五条违规处理1. 违反本制度规定的,一经查实,予以通报批评,并追究相关责任人的责任。
2. 造成公司经济损失的,依法承担赔偿责任。
第六条附则1. 本制度自发布之日起生效。
2. 本制度解释权归公司董事会所有。
3. 公司可根据实际情况对本制度进行修订,修订后的制度自发布之日起生效。
通过以上规定,公司可以更好地管理招待客户费用,提高接待服务质量,同时节约成本,确保公司财务健康稳定。
企业业务招待费标准企业业务招待费是指企业在开展业务活动过程中,为了促进业务合作、加强客户关系、提升企业形象而发生的费用支出。
合理的招待费用支出可以有效地推动企业的业务发展,但如果管理不善,也可能会带来负面影响。
因此,制定合理的企业业务招待费标准显得尤为重要。
首先,企业应该明确招待费用的范围和标准。
招待费用的范围应该包括餐饮费、交通费、住宿费以及礼品费等相关费用。
在制定标准时,可以参考当地的物价水平和行业惯例,结合企业的实际情况进行制定。
同时,也要考虑到不同场合的招待标准可能有所不同,比如对内部员工的招待和对外部客户的招待可能存在差异。
其次,企业应该建立严格的审批制度。
在发生招待费用支出前,必须经过相关部门的审批,审批程序应该明确、规范,避免出现违规报销的情况。
同时,对于高额招待费用支出,应该进行更为严格的审批程序,确保资金使用的合理性和合规性。
另外,企业还应该建立健全的记录和报销制度。
对于招待费用支出,必须做到有据可查,要求相关人员对招待费用支出进行详细记录,包括招待对象、时间、地点、费用明细等,并及时进行报销。
同时,对于报销的费用,也应该进行严格的审核,确保费用的合理性和真实性。
此外,企业还应该加强内部管理和监督。
通过定期的费用核查和审计,发现问题及时进行整改和处理,防止出现违规行为。
同时,加强对员工的培训和教育,提高员工对招待费用管理的重视程度,增强员工的风险意识和合规意识。
最后,企业应该建立有效的风险防控机制。
在招待费用支出过程中,可能存在潜在的风险,比如贪污腐败风险、违规行为风险等。
因此,企业应该建立健全的内部控制制度,加强对招待费用支出的监督和管理,及时发现和解决问题,降低风险发生的可能性。
总之,企业业务招待费标准的制定和管理对于企业的良好运作和发展至关重要。
只有建立合理的招待费用标准,并严格执行和管理,才能有效地防范风险,提升企业形象,促进业务合作,实现企业可持续发展的目标。
希望各位同事在日常工作中,能够遵循相关规定,合理使用招待费用,共同维护企业的良好形象和发展环境。
关于办公室招待标准为了规范公司办公室招待工作,提高接待能力和服务水平,特制定本标准。
一、招待对象本标准适用于公司来访客人、客户等所有需要接待的对象。
二、招待时间招待时间指公司接待来访客人的时间,包括日常接待和会议接待。
日常接待应安排在工作时间内的合适时间段,会议接待应根据公司会议计划进行安排。
三、招待地点招待地点包括公司办公室、会议室及其他相关场所。
办公室主要用于日常接待,会议室可用于会议接待和茶歇。
如有其他需要,可协调相关场地资源。
四、招待费用1.费用承担范围:招待费用包括餐饮费、饮料费、小吃费等与招待相关的费用。
具体费用承担范围根据公司制度规定执行。
2.报销流程:招待费用报销需遵循公司报销制度,填写相关报销申请单,并按照审批流程报批。
五、招待饮品1.茶水:为传统饮品,应保证茶水品质,体现公司待客之道。
2.咖啡:根据客人需求提供咖啡服务,确保咖啡品质。
3.饮料:可根据客人需求提供各种瓶装或现场制作的饮料。
六、招待小吃1.零食:可提供适当种类的零食,以满足客人的口感需求。
2.点心:根据客人需求提供各种点心,如糖果、蛋糕等。
七、招待礼仪1.尊重客人:对待来访客人要热情、礼貌、尊重,以树立良好的企业形象。
2.客气热情:接待过程中应保持热情、周到、礼貌,主动介绍公司及产品情况,加强沟通交流。
3.明确分工:接待工作应明确分工,责任到人,确保各项服务工作的顺利进行。
4.遵守规定:招待过程中应遵守公司相关规定和制度,确保各项工作的合规性。
同时要注意保护公司机密和客户隐私。
公司招待费标准公司招待费是指公司为了开展业务活动、促进业务合作、加强与客户、合作伙伴之间的沟通和交流而发生的费用。
公司招待费的支出是公司业务开展的必要支出,但是在支出过程中需要合理控制,避免造成浪费和不必要的支出。
因此,公司需要制定一定的招待费标准,以便管理和控制招待费支出。
首先,公司招待费标准应当根据公司规模、行业特点、地区差异等因素进行科学制定。
一般来说,公司招待费标准应当包括招待对象、招待场合、招待标准等内容。
在招待对象方面,应当明确公司招待的对象范围,包括客户、合作伙伴、员工、政府官员等。
在招待场合方面,应当明确公司招待的场合范围,包括商务酒店、高级餐厅、咖啡厅等。
在招待标准方面,应当明确公司招待的标准要求,包括餐饮费用、交通费用、礼品费用等。
其次,公司招待费标准应当遵循合理、节约、规范的原则。
合理是指公司招待费支出应当符合公司业务发展的实际需要,不能超出必要范围。
节约是指公司招待费支出应当节约成本,避免不必要的浪费。
规范是指公司招待费支出应当符合相关法律法规和公司内部规定,不能违反规定。
最后,公司招待费标准应当建立健全的审批制度和监督机制。
公司应当建立招待费使用的审批程序,明确招待费使用的权限和程序,严格控制招待费使用的范围和标准。
同时,公司应当建立招待费使用的监督机制,加强对招待费使用的监督和检查,及时发现和纠正招待费使用中的问题和不正当行为。
总之,公司招待费是公司业务开展的必要支出,但是在支出过程中需要合理控制,避免造成浪费和不必要的支出。
因此,公司需要制定一定的招待费标准,并遵循合理、节约、规范的原则,建立健全的审批制度和监督机制,以便管理和控制招待费支出。
希望各部门能够严格按照公司招待费标准执行,确保招待费使用的合理性和规范性,为公司的可持续发展做出贡献。
公司业务招待费用报销标准介绍本文档旨在规定公司员工在进行业务招待时,可以报销的费用标准。
公司鼓励员工通过业务招待来促进和增强客户关系,但同时也需要控制费用开支并确保合规性。
费用报销标准1. 餐饮费:- 在业务招待活动期间,员工可以报销与客户或合作伙伴共进的餐饮费用。
- 报销金额不得超过员工参与人数的平均费用水平。
餐饮费用应合理且符合实际消费情况,不得出现明显浪费行为。
- 为了保持透明度,员工需要提供餐厅或收据,并在报销申请中详细说明参与人员、用餐时间和用餐事由。
2. 交通费:- 员工在业务招待活动期间可以报销与客户或合作伙伴见面所需的交通费用。
- 报销范围包括公共交通费用(如出租车、地铁、公交车等)以及部分特殊情况下的私人交通费用。
- 报销金额应合理且符合实际消费情况,员工需要提供相关的交通票据或收据。
3. 礼品费:- 在业务招待活动期间,为了加强客户关系,员工可以购买适当的礼品赠送给客户或合作伙伴。
- 礼品费用应合理且与业务招待活动相符。
员工需要提供礼品购买凭证,并在报销申请中说明赠送对象和原因。
4. 其他费用:- 在特殊情况下,员工可能会发生其他与业务招待相关的费用,比如会议室租用费、活动场地费用等。
- 这些费用应由员工提前与直属领导协商,并在报销申请中提供相关的费用明细和必要的凭证。
报销申请流程1. 员工参与业务招待后,需填写费用报销申请表格,并附上相关的票据和凭证。
2. 直属领导对报销申请进行审批,并确保费用合规性。
3. 财务部门对审批通过的报销申请进行审核,并进行报销。
4. 员工可以在一周内收到报销款项。
注意事项- 员工在业务招待过程中,应始终遵守公司的行为准则和商业道德规范。
- 员工需要保留所有的票据和凭证,以备报销时使用。
- 如果有任何涉及法律或合规问题的费用,请在报销前与法务部门进行咨询。
以上为公司业务招待费用报销标准,希望所有员工能遵守并理解该标准,以确保费用开支的合理性和合规性。
国有企业招待费规定国有企业招待费是指国有企业在工作、业务等需要时,为接待外来来宾和相关工作人员提供的食宿、交通、礼品等费用的支出。
国有企业作为国家的重要经济实体,为了展示国家形象,推动经济发展,加强国际交流合作,合理规定招待费是必要的。
下面是关于国有企业招待费的规定。
一、总体原则:1. 合理适度:招待费开支应符合公司经济实力和财务状况,根据具体情况合理确定。
2.严格审批:招待费支出需要严格审批,必须符合相关法规和国家有关规定,同时应遵循公开、公正、公平、公务的原则。
二、招待对象:1. 国内外政府官员、外国公司高管、企业客户及其他市场供需关系紧密的人士。
2. 参观考察、学术交流、培训等需要。
三、费用标准:1. 交通费:按照实际往返交通工具的费用报销,需提供票据证明。
2. 餐饮费:可根据招待对象的级别适度调整,且应选择合理的餐饮场所,按规定提供结算凭证。
3. 活动费:如举办座谈会、研讨会等,根据具体规模和要求报销相应费用。
4. 住宿费:提供合理、经济的住宿条件,不得超出标准,应提供住宿发票。
四、礼品赠送:1. 礼品选择应合规、合理,遵循国家礼品赠送的相关规定。
2. 礼品总额不得超过一定限额,一般不得超过接待对象工作单位制定的规定。
五、监督和管理:1. 招待费支出应进行严格审批和备案,审批程序应公开透明,审批权限应明确。
2. 招待费支出的报销需要提供详细的费用明细和相关凭证,严禁乱报、虚报、套取差旅费等行为。
3. 相关部门应加强对招待费支出的监督和检查,及时发现和纠正问题。
六、信息公开:1. 招待费支出应及时公开披露,向股东、媒体、社会公众等提供相关数据和信息,接受社会监督。
2. 招待费支出情况应纳入企业年度报告和财务报告等,向社会公开。
在加强招待费支出规定的同时,国有企业还应建立健全差旅费和招待费报销的内部管理制度,加强对公司人员的培训和教育,提高其管理水平和自律意识,确保招待费的合规性和正确性。
同时,也要对招待费支出进行定期审查和评估,及时总结和完善经验,确保招待费的合理化和效益化。
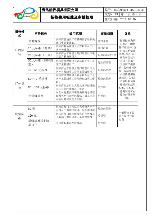
公司招待费标准
北京正兴华泰数码影视技术有限公司
公司业务招待费管理规定第一条
为进一步规范公司各类业务接待行为,有效控制招待费用,特制定本规定。
第二条
业务招待费适用范围:业务费招待费是指因业务需要发生的礼金、礼品、赞助费、会务费、餐费、娱乐费用等。
第三条
业务招待费的使用原则:业务招待费应遵循勤俭节约,不奢侈浪费。
严格按照规定要求和预算开支。
第四条
业务招待费的管理原则:
1.业务招待费使用实行预算控制原则。
所有的招待实行事前审批制度。
2.严格执行分档次接待原则,对应接待。
禁止越档次接待。
第五条
业务招待费基本标准及使用对象:
1、招待费标准:用餐标准分为A、B、C三个档次(不包括酒水):
就餐标准酒水标准香烟标准住宿标准档次元/桌元/瓶元/盒元/间
A ?2000 ?500 ?80 星
B ?1500 ?300 ?60 星
C ?1000 ?200 ?40 星
2、招待费标准适用对象:
(1)招待政府主要官员用A档,由经理级人员负责安排接待; (2)招待政府相关业务单位主要领导及关联公司的领导用B档,由相关业务部门
安排接待;
(3) 招待相关业务单位的部门经办人、关联公司部门负责人用C档,由对应部门负责安排接待。
第六条
业务招待费的审批程序:根据需要一般性招待,由经办人填写《公司招待申请表》(见附表),经部门经理、综合部经理、主管副总经理、总经理审批后方可招待。
第七条
业务招待归行政部门及财务部门共同管理,用于招待的烟酒,由财务部统一购买,烟、酒并保存入库。
业务招待用的烟、酒,各部门根据招待需要到财务部统一领取。
第八条
饭店、宾馆实行定点制度。
行政部根据业务招待需要经主管副总经理、总经理批准后与该饭店、宾馆接触洽谈,并签订协议。
第九条
业务招待所需要的烟、酒领用,应由经办人填写《招待礼品领用申请表》(见附表),经部门经理、行政部经理和总经理审批后交行政部经理领取。
第十条业务招待费报销遵循谁经手谁报销的原则,不得由他人代报业务招待费。
注:
本标准自颁布之日起执行。
本标准由公司行政人事部及财务部共同制定,适用公司内各业务部门及人员。
北京正兴华泰数码影视技术有限公司
2012-09-12。