铅丝石笼技术交底
- 格式:docx
- 大小:20.94 KB
- 文档页数:6
一、交底目的为确保格网石笼施工过程中的安全,预防安全事故的发生,特制定本安全技术交底。
二、交底对象全体参与格网石笼施工的施工人员、技术人员、管理人员。
三、交底内容1. 施工工艺及流程- 工艺流程:铅丝、格宾石笼组装——铅丝、格宾石笼定位组装连接——人工装填石块——铅丝、格宾石笼封盖。
- 组装要求:使用2.2mm镀锌铅丝、格宾绑扎,每隔200mm设置一个绑扎点,确保石笼结构的稳定性。
2. 施工方法- 材料准备:确保所有施工材料符合国家相关标准,如镀锌铅丝、格宾笼、石块等。
- 组装操作:1. 铅丝、格宾石笼组装:按照设计尺寸进行组装,确保组装后的石笼结构平整、牢固。
2. 定位组装连接:将组装好的石笼放置在设计位置,进行定位组装连接,确保石笼与基础或其他结构的连接牢固。
3. 人工装填石块:在石笼内均匀填充石块,石块大小应符合设计要求,确保石笼结构的稳定性。
4. 封盖:在石笼顶部进行封盖,防止石块滑落,确保石笼结构的安全。
3. 安全注意事项- 个人防护:施工人员必须佩戴安全帽、手套、防尘口罩等个人防护用品。
- 高处作业:进行高处作业时,必须系好安全带,并设置安全防护措施。
- 机械设备:使用机械设备进行施工时,必须确保机械设备处于良好状态,并严格遵守操作规程。
- 材料堆放:施工材料应按照规定堆放,防止材料滑落伤人。
- 施工环境:确保施工现场通风良好,防止有害气体积聚。
4. 应急处理- 事故报告:一旦发生安全事故,应立即停止施工,并向上级报告。
- 现场处理:根据事故情况,采取相应的应急措施,如紧急疏散、现场救援等。
- 事故调查:事故发生后,应进行调查分析,找出事故原因,并采取预防措施。
四、交底要求1. 施工人员必须认真学习本安全技术交底,确保了解和掌握相关安全知识和操作规程。
2. 施工人员必须严格遵守安全技术交底的要求,确保施工安全。
3. 施工管理人员应定期对施工人员进行安全技术交底,确保施工人员掌握最新的安全知识。
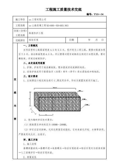
高镀锌铅丝石笼护底、险工段护砌施工方案(1)材料线材:为锌-10%铝-稀土合金线材。
网箱:1000×1000×500mm 和 1000×1000×1000mm网面丝径为Φ2.6mm,框丝为Φ3.2mm,网面与网箱之间用C型扣件连接,使用扣件能使结构更稳定,每25~30cm 处用一个环扣。
(2)高镀锌铅丝石笼护底、险工段护砌施工方法①基面处理:按设计断面准确放线,确定清基范围。
将基面内的树根、杂草、淤泥、垃圾等杂物清除干净后压实,压实密度不小于93% (或按施工图规定),并铺设250g/m2土工布,锚固长度500mm。
铅丝石笼护砌与基槽工作面部位回填素土,压实系数不小于93%。
②捆扎铅丝笼:用φ2.2mm 高镀锌铅丝单根缠绕成双股,由顶部角端扎紧两条主边框铅丝,再向下每隔20cm 捆结一次,直至底部角端,相邻铅丝笼联接及与面网全边连接,连接方式相同。
上下层笼箱应错缝码放。
③绑扎完笼箱以后内填卵石粒径100~200mm,卵石要分层填筑,完工后封盖前,应使用较小的卵石料找平上平面,然后将铅丝石笼封盖,用铅丝绑扎牢固。
(3)铅丝石笼工程质量检查①铅丝石笼所用铅丝、石料和网片、网箱规格必须符合实际要求,铅丝应由有资质的质检部门检验合格方可进场使用。
②铅丝石笼工程填筑前进行测量放样成果的检查和基础面开挖清理质量的检查和验收,按本技术规范相关内容执行。
③在铅丝石笼进厂及填筑过程中,按规定对工程的各项材料指标和填筑质量进行检查和验收。
④铅丝(格栅)石笼的轮廓线、表面平整度、充填密实度等项目的检查和验收。
⑤表面平整度:允许偏差±30mm;铺料厚度不小于规定厚度的10%,也不得超厚。
⑥铅丝石笼网箱内装排卵石要密实,大石在外,小石在内,大石排紧,小石排严。
铅丝石笼箱装成后外形方正,扎口结实,不开口,不漏石。
(4)安全保证①工人进场以后,应进行铅丝石笼施工专项安全技术交底。
围堰铅丝石笼护底施工方案及流程咱来唠唠围堰铅丝石笼护底施工这事儿。
一、施工前的准备。
这就像是要去打仗之前得把家伙事儿都准备齐全喽。
咱得先看看施工场地的情况,哪里地势咋样,水流啥样,心里得有个底儿。
然后呢,材料可不能少,铅丝石笼这可是主角,得确保它的质量杠杠的。
这铅丝得结实,石笼的规格得符合要求。
还有那些填充用的石头,不能太大也不能太小,太大了塞不进去,太小了又不稳固。
另外,施工的工具,像起重机啊,叉车啥的,都得提前检查好,可不能到时候掉链子。
施工人员也得安排好,每个人都得知道自己干啥事儿,就像一支足球队,每个人都有自己的位置,这样才能踢好这场“施工球赛”。
二、铅丝石笼的制作。
这铅丝石笼可不能乱做。
咱得按照一定的方法来。
先把铅丝按照设计的尺寸和形状编织起来,就像女孩子编辫子一样,得细心点儿。
编织的过程中要注意铅丝的连接牢固不,可不能松松垮垮的,不然石笼散了可就麻烦了。
石笼的网孔大小也要均匀,不能有的大有的小,那多难看呀。
而且在编织的时候,最好是有经验的老师傅带着新手一块儿干,这样新手也能学得快,老师傅也能把自己的手艺传下去。
三、护底的基础处理。
基础就像是房子的地基,要是基础没处理好,那整个护底工程就像在沙滩上建房子,不牢靠。
要把施工场地的底部清理干净,把那些杂物啊,软土啊啥的都弄走。
如果底部不平坦,还得把它整平了。
有的地方可能需要夯实,就像我们拍被子一样,把它拍得结结实实的。
这样铅丝石笼放上去才稳稳当当的。
四、铅丝石笼的放置与填充。
把做好的铅丝石笼运到施工现场,这过程可得小心点儿,别把石笼给碰坏了。
然后把石笼放在处理好的基础上,摆放得整整齐齐的,就像小朋友排队一样。
接着就是填充石头啦。
往石笼里填石头也是个技术活呢。
要把石头均匀地填进去,不能这边多那边少。
一边填一边还要把石头捣实了,让它们紧紧挨在一起。
这样石笼才不会变形,而且在水里也能经受得住水流的冲击。
五、施工后的检查与维护。
工程做完了可不能就拍拍屁股走人。
一、交底依据1. 《格宾网施工技术规程》2. 《堤防工程施工规范》--SL260-20143. 《水利水电建筑安全技术规范》--SD267-19884. 《水利水电工程施工安全防护设施技术规范》--DL5162-20025. 《水利水电工程施工质量验收评定规程》--SL176-20076. 《水利水电建设工程验收规范》--SL223-20087. 《砌体工程施工质量验收规程》--GB50203-20028. 其他相关法律、法规、标准、规范、规程二、交底对象全体参与石笼施工作业的施工人员、技术人员及管理人员。
三、交底时间及地点时间:____年____月____日地点:____施工现场四、施工内容1. 铅丝、格宾石笼组装2. 铅丝、格宾石笼定位组装连接3. 人工装填石块4. 铅丝、格宾石笼封盖五、安全技术交底内容1. 施工前准备工作- 确保施工现场环境整洁,无障碍物。
- 施工人员应熟悉施工图纸、技术规范和安全操作规程。
- 严格按照施工方案进行施工,确保施工质量。
2. 施工安全注意事项- 作业人员应佩戴安全帽、安全带等个人防护用品。
- 上下立体交叉作业时,应设置安全隔离层,防止物体坠落。
- 机械设备操作人员应持证上岗,严格遵守操作规程。
- 施工现场应设置警示标志,提醒作业人员注意安全。
- 施工过程中,严禁酒后作业、疲劳作业。
- 严禁在施工现场吸烟、使用明火。
3. 施工过程中注意事项- 铅丝、格宾石笼组装时,应确保连接牢固,防止石笼变形。
- 人工装填石块时,应从石笼底部开始,逐层填充,确保石块间缝隙紧密。
- 施工过程中,严禁在石笼上站立或跳跃,防止石笼损坏。
- 遇到恶劣天气时,应暂停施工,确保作业人员安全。
4. 应急措施- 施工现场应配备必要的应急救援器材,如急救箱、灭火器等。
- 作业人员应掌握基本的急救知识和技能。
- 发现安全事故隐患时,应立即报告,并采取相应措施进行处理。
六、交底人(签名)七、接收人(签名)八、备注1. 本安全技术交底内容仅供参考,具体施工过程中应根据实际情况进行调整。
一、交底依据1. 国家及地方相关法律法规、标准规范。
2. 《水利水电工程施工安全规范》。
3. 《格宾网施工技术规程》。
4. 《堤防工程施工规范》。
5. 《水利水电建筑安全技术规范》。
6. 《水利水电工程施工质量验收评定规程》。
7. 《水利水电建设工程验收规范》。
8. 《砌体工程施工质量验收规程》。
9. 项目施工组织设计、施工方案。
10. 其他相关技术文件。
二、施工内容1. 工程名称:________________________2. 施工单位:________________________3. 承包人:________________________4. 主持人/交底人:________________________5. 时间/地点:________________________三、施工工艺及流程1. 铅丝、格宾石笼组装。
2. 铅丝、格宾石笼定位组装连接。
3. 人工装填石块。
4. 铅丝、格宾石笼封盖。
四、施工方法1. 铅丝、格宾石笼由镀锌铅丝、格宾笼和石料组成。
规格为长高宽2.5m×0.5m,格宾石笼护坡规格为长宽高2.7m×0.5m。
2. 本工程采用2.2mm镀锌铅丝、格宾绑扎,每隔200mm设置一个铅丝连接点。
3. 格宾石笼组装时,确保笼体结构完整、牢固。
五、安全技术措施1. 施工前准备- 施工现场应平整、坚实,排水畅通。
- 预留足够的施工场地,确保施工顺利进行。
- 施工人员必须熟悉施工图纸、技术规范和安全操作规程。
2. 施工过程中- 施工人员必须佩戴安全帽、安全带等防护用品。
- 严格按照施工工艺进行操作,确保施工质量。
- 定期检查施工设备,确保其安全可靠。
- 严禁酒后作业、疲劳作业。
3. 施工现场管理- 施工现场应设置明显的警示标志。
- 施工人员必须遵守施工现场的各项规章制度。
- 施工现场应保持整洁,及时清理施工垃圾。
4. 应急救援- 制定应急救援预案,确保一旦发生事故,能够迅速有效地进行处置。
一、工程名称:(请填写具体工程名称)二、施工单位:(请填写施工单位名称)三、建设单位:(请填写建设单位名称)四、分项工程名称:(请填写分项工程名称)五、交底部门:(请填写交底部门名称)六、交底人:(请填写交底人姓名及职务)七、施工期限:(请填写施工期限,例如:2023年10月1日至2023年12月31日)八、接受交底班组或员工签名:(请填写接受交底班组或员工签名)九、交底内容:1. 安全注意事项:- 进入施工现场的人员必须佩戴安全帽,扣好帽带,穿着适合的劳动防护服。
- 严禁酒后作业,严禁携带危险品进入施工现场。
- 施工现场应设置明显的安全警示标志,并保持通道畅通。
2. 材料与工具:- 铅丝石笼材料必须符合设计要求,不得使用锈蚀、变形的铅丝。
- 施工工具应完好无损,操作前应进行检查,确保其安全性。
3. 施工方法及程序:- 铅丝石笼的安装应严格按照设计图纸进行,确保其结构稳定。
- 铅丝石笼的摆放应整齐,避免倾斜或变形。
- 施工过程中,应注意石笼与基础之间的连接牢固,防止石笼倾倒。
4. 高处作业安全:- 高处作业人员必须佩戴安全带,安全带应连接到可靠的固定点。
- 高处作业时应使用防滑鞋,并确保作业平台稳固。
- 高处作业时应设置安全防护网,防止坠落物伤人。
5. 用电安全:- 施工现场用电必须符合安全规范,电线应使用绝缘良好、截面合适的电缆。
- 电焊作业时应采取防触电措施,如使用绝缘手套、绝缘鞋等。
- 施工现场应设置配电箱,并配备漏电保护器。
6. 消防及应急救援:- 施工现场应配备足够的消防器材,并定期进行检查和维护。
- 施工人员应熟悉消防器材的使用方法,并掌握基本的消防知识。
- 应制定应急救援预案,并定期进行演练。
十、检查执行情况:(请填写检查执行情况,例如:执行情况良好)十一、备注:(如有其他需要说明的事项,请在此处填写)十二、接受交底班组或员工签名:(请填写接受交底班组或员工签名)十三、交底日期:(请填写交底日期)十四、附件:(如有相关附件,请在此处列出)注:本模板仅供参考,具体内容应根据实际情况进行调整。
CB15附件1 工程施工技术交底合同名称:合同编号:铅丝、格宾石笼组装铅丝、格宾石笼定位组装连接人工装填石块铅丝、格宾石笼封盖(二)、施工方法1、铅丝、格宾、格宾石笼组装(1)铅丝、格宾石笼由镀锌铅丝、格宾笼和石料组成。
规格为长*高*宽=2.5*2*0.5m,格宾石笼护坡规格为长*宽*高=2.7*2*0.5m。
(2)本工程采用2.2mm镀锌铅丝、格宾绑扎,每隔200mm绑扎一次,从顶部角端开始直到底部角端。
2、铅丝、格宾石笼定位组装连接(1)人工将铅丝、格宾石笼运至施工作业面,按照每排铅丝、格宾笼的位置线将铅丝、格宾石笼依次就位。
(2)相邻铅丝、格宾石笼的边框采用22mm镀锌铅丝、格宾,从角端开始每200mm依次连接,面网纵横方向没200mm全部连接,连接方式相同。
3、人工装填块石(1)块石由装载机端运至施工作业面,采用人工装填,填充石料不得一次装满,以保证铅丝、格宾石笼形状完整。
(2)每隔铅丝、格宾石笼必须同时均匀投料,以保证外观不变形,铅丝、格宾石笼分两次投料每次均匀投入,严禁使用分化石、垃圾石。
(3)块石装填应两人一组配合施工,一人运料一人砌筑。
铺筑时,先从笼底四角开始,大小石块均匀放置,依次向上铺筑。
4、铅丝、格宾笼封盖封盖前,须将顶部石料铺筑平整,检查箱笼填充石料高度一致,才可封盖绑扎。
(三)、施工大样图(四)、质量要求1、检查项目(1)笼体材质质量:铅丝不得有锈迹;(2)石料质量:质地坚硬,不易风化;(3)笼体质量:牢固结实,石料的最小边尺寸不得小于笼体的孔眼尺寸;(4)笼体护体:石料的装填必须饱满,不得有掉笼、散笼、架空现象,笼与茏之间连接要紧密。
2、检测项目(1)石笼的砌筑厚度允许偏差为±50mm;(2)石笼的砌筑表面平整度允许偏差为±80mm;(3)石笼的绑扎点允许偏差为±50mm。
(五)、验收标准施工班组在铅丝、格宾笼砌筑施工前,必须上报项目部对前一道工序进行验收,经监理工程师及业主验收合格后,方可进行施工。
一、交底目的为确保穿河段格宾石笼施工过程中的安全,提高施工人员的安全意识,预防安全事故的发生,特进行本次安全技术交底。
二、交底对象全体参与穿河段格宾石笼施工的施工人员、监理人员及管理人员。
三、交底时间[填写具体日期]四、交底地点[填写具体地点]五、交底内容1. 施工工艺及流程(1)格宾石笼组装:采用镀锌铅丝、格宾笼和石块组装成格宾石笼,规格为长×宽×高=2.5m×0.5m。
(2)定位组装连接:将格宾石笼按照设计要求定位,并使用铅丝进行连接。
(3)人工装填石块:将石块装入格宾石笼内,确保石块填充饱满。
(4)封盖:使用铅丝对格宾石笼进行封盖,确保石笼结构完整。
2. 施工注意事项(1)施工前应充分了解施工图纸,掌握施工工艺和流程。
(2)施工过程中应严格按照施工规范和操作规程进行操作。
(3)施工人员必须佩戴安全帽、安全带等个人防护用品。
(4)施工过程中,严禁酒后作业、疲劳作业。
(5)施工区域应设置安全警示标志,禁止无关人员进入。
3. 安全防护措施(1)施工区域应设置安全防护设施,如围栏、警示标志等。
(2)施工过程中,应定期对施工区域进行巡查,发现安全隐患及时整改。
(3)施工过程中,应加强对施工人员的培训,提高其安全意识和操作技能。
4. 应急处置措施(1)发生安全事故时,立即停止施工,并迅速组织人员进行救援。
(2)及时上报事故情况,按照事故应急预案进行处理。
(3)对事故原因进行分析,制定整改措施,防止类似事故再次发生。
六、交底要求1. 施工人员必须认真学习本次安全技术交底内容,确保掌握施工过程中的安全要点。
2. 施工过程中,严格遵守安全操作规程,确保施工安全。
3. 定期对施工人员进行安全教育培训,提高其安全意识和操作技能。
七、交底人签字[填写交底人姓名]八、验收人签字[填写验收人姓名]九、备注1. 本交底范本仅供参考,具体施工安全要求应根据实际情况进行调整。
2. 施工过程中,如遇特殊情况,应立即向相关部门报告,并采取相应的安全措施。
一、交底目的为确保石笼施工过程中的安全,降低事故发生风险,提高施工质量,特制定本安全技术交底。
二、交底对象全体参与石笼施工的作业人员、管理人员及监理人员。
三、交底内容1. 施工准备(1)熟悉施工图纸,明确石笼施工范围、规格、尺寸及质量要求。
(2)了解施工现场环境,包括地质条件、地形地貌、周边环境等。
(3)熟悉相关法律法规、技术规范、操作规程和安全标准。
2. 施工工艺及流程(1)石笼制作:选用符合质量要求的镀锌铁丝,按设计要求制作石笼,确保石笼的规格、尺寸及强度。
(2)石笼组装:将石笼网片焊接或绑扎成所需形状,并进行质量检查。
(3)石笼安装:根据设计要求,将石笼固定在指定位置,确保石笼的稳定性。
(4)石料填充:选用符合质量要求的石料,按设计要求填充石笼,确保石笼的密实度。
3. 安全技术措施(1)施工人员应穿戴好安全帽、安全带、防滑鞋等个人防护用品。
(2)施工现场应设置安全警示标志,确保施工人员对危险区域有足够的警觉性。
(3)石笼制作、组装过程中,注意铁丝切割、焊接等操作,防止切割伤人。
(4)石笼安装过程中,注意石笼的固定和调整,防止石笼滑落或倾斜。
(5)石料填充过程中,注意石料堆放整齐,防止石料滑落伤人。
(6)高处作业时,必须系好安全带,并遵守高处作业安全规程。
(7)施工现场应设置消防器材,确保施工过程中消防安全。
4. 事故处理(1)发生事故时,立即停止施工,并立即报告上级领导。
(2)对受伤人员进行紧急救治,并立即拨打急救电话。
(3)保护事故现场,协助相关部门进行调查和处理。
四、交底要求1. 施工人员应认真听取安全技术交底,确保理解并掌握各项安全措施。
2. 施工过程中,严格遵守安全技术措施,确保施工安全。
3. 定期对施工人员进行安全教育培训,提高安全意识。
4. 施工单位应定期对施工现场进行安全检查,发现问题及时整改。
五、交底时间本次安全技术交底时间为【填写时间】,请相关人员准时参加。
六、交底人【填写交底人姓名】七、备注本安全技术交底适用于石笼施工全过程,如有未尽事宜,可根据实际情况进行调整。
一、交底目的为确保石笼护岸施工过程中的安全,防止事故发生,特进行安全技术交底。
本交底适用于所有参与石笼护岸施工的作业人员。
二、交底内容1. 施工前的准备工作(1)施工人员必须经过专业培训,熟悉石笼护岸施工工艺和安全操作规程。
(2)施工现场应设置明显的安全警示标志,明确危险区域。
(3)施工前,应对施工人员进行安全教育和培训,确保其了解并掌握施工过程中的安全注意事项。
2. 施工工艺及流程(1)石笼组装:采用镀锌铅丝、格宾笼和石块组装石笼。
规格为长宽高2.5m×0.5m,格宾石笼护坡规格为长宽高2.7m×0.5m。
(2)石笼定位:根据设计图纸,将石笼放置在指定位置,确保石笼与地面垂直。
(3)石笼连接:采用铅丝将石笼连接牢固,每隔200mm进行一次绑扎。
(4)石块填充:将石块填充至石笼内,确保石笼稳定。
3. 施工安全注意事项(1)施工人员应佩戴安全帽、手套、防滑鞋等防护用品。
(2)施工过程中,严禁酒后作业、疲劳作业。
(3)施工时,应保持施工现场整洁,避免杂物堆积。
(4)石笼组装和连接过程中,注意铅丝和石块不要伤人。
(5)石块填充时,注意不要压伤脚部。
(6)高处作业时,必须系好安全带,并确保安全带牢固可靠。
(7)施工过程中,严禁擅自改变施工方案和安全措施。
4. 事故应急处理(1)发生事故时,立即停止施工,保护现场。
(2)及时上报事故情况,并采取必要的应急措施。
(3)根据事故原因,采取相应的处理措施,确保施工安全。
三、交底时间及地点交底时间:2023年X月X日交底地点:施工现场四、交底人及负责人交底人:XXX负责人:XXX五、其他事项(1)本交底内容为石笼护岸施工安全技术交底模板,具体施工过程中,应根据实际情况进行调整。
(2)施工人员应严格遵守本交底内容,确保施工安全。
(3)本交底自发布之日起生效,如有变更,另行通知。
六、附件1. 施工现场平面布置图2. 施工安全操作规程3. 施工人员名单及培训记录4. 施工进度计划请注意:以上模板仅供参考,具体施工过程中,应根据实际情况进行调整和完善。
一、交底目的为确保石笼网施工现场的安全,预防安全事故的发生,提高施工人员的安全意识和自我保护能力,特制定本安全技术交底。
二、交底对象所有参与石笼网施工现场的施工人员、管理人员及现场监理人员。
三、交底内容1. 施工前的准备工作- 仔细阅读施工图纸和施工方案,明确施工内容、工艺流程和安全注意事项。
- 施工现场应设置明显的警示标志,明确施工区域、安全通道、危险区域等。
- 对施工人员进行安全教育培训,确保其掌握石笼网施工的安全操作规程。
2. 施工现场安全管理- 施工现场应设置专职安全员,负责现场安全管理工作。
- 施工人员必须佩戴安全帽、安全带等个人防护用品。
- 施工现场应配备必要的安全防护设施,如安全网、防护栏杆、警示标志等。
- 施工现场应保持整洁,不得堆放杂物,确保通道畅通。
3. 石笼网施工操作规程- 施工人员应熟悉石笼网的规格、材质和施工工艺,确保施工质量。
- 施工前应检查石笼网质量,确保无破损、变形等缺陷。
- 石笼网施工过程中,应按照施工图纸和施工方案进行操作,不得擅自改变施工工艺。
- 施工过程中,应确保石笼网搭接牢固,防止石笼网倾倒、滑落等事故发生。
4. 高空作业安全- 高空作业人员必须佩戴安全带,并系牢。
- 高空作业平台应设置安全防护栏杆,确保作业人员安全。
- 高空作业时,应使用安全绳,确保作业人员安全。
- 高空作业过程中,应避免上下交叉作业,防止安全事故发生。
5. 物料运输安全- 物料运输过程中,应确保车辆行驶安全,不得超载、超速。
- 物料装卸过程中,应确保安全,防止物料滑落伤人。
- 物料堆放应整齐,不得占用消防通道和安全出口。
6. 紧急事故处理- 施工现场应配备必要的急救药品和设备。
- 施工人员应掌握急救知识和技能,一旦发生事故,应立即进行急救处理。
- 施工现场应制定应急预案,确保在紧急情况下能够迅速有效地进行处理。
四、交底要求1. 施工人员应认真学习本安全技术交底,确保掌握各项安全操作规程。
一、交底项目:石笼护砌施工安全技术交底二、交底时间:____年__月__日三、交底地点:____工程现场四、交底对象:施工管理人员、作业人员五、交底内容:1. 施工前的准备工作- 施工人员应充分了解石笼护砌的施工图纸和施工方案,熟悉施工工艺流程。
- 对施工人员进行安全技术培训,确保所有人员掌握石笼护砌施工的安全操作规程。
- 检查施工机械设备,确保其性能良好,符合施工要求。
- 准备好施工所需的安全防护用品,如安全帽、安全带、防护眼镜、防尘口罩等。
2. 施工过程中的安全注意事项- 施工现场应设置明显的安全警示标志,提醒施工人员注意安全。
- 施工人员应佩戴好个人防护用品,进入施工现场必须佩戴安全帽。
- 在进行石笼组装、焊接、吊装等作业时,必须严格遵守操作规程,确保作业安全。
- 施工过程中,应随时检查石笼的焊接质量,确保石笼结构稳定。
- 施工现场应保持整洁,及时清理施工现场的杂物,防止滑倒事故发生。
- 高处作业时,必须系好安全带,并采取防坠落措施。
- 严禁在石笼上行走或站立,防止石笼坍塌造成人员伤害。
- 施工现场应设置警戒区域,禁止无关人员进入。
3. 石笼组装与焊接安全- 铅丝、格宾石笼的组装应严格按照施工图纸和规范要求进行,确保石笼的规格尺寸和结构稳定。
- 钢筋焊接时应佩戴防护眼镜,防止火花飞溅伤眼。
- 焊接作业时,应保持通风良好,防止一氧化碳中毒。
- 焊接作业现场应设置隔离措施,防止火花飞溅造成火灾。
4. 吊装作业安全- 吊装前应检查吊车和吊具的性能,确保其安全可靠。
- 吊装作业应由专业人员进行,非专业人员不得操作吊车。
- 吊装过程中,应保持吊车和吊具稳定,防止吊装事故发生。
- 吊装作业现场应设置警戒区域,禁止无关人员进入。
5. 施工结束后的清理工作- 施工结束后,应对施工现场进行清理,将施工垃圾和杂物清理干净。
- 检查施工现场的安全设施,确保其完好无损。
六、安全措施- 施工单位应建立健全安全管理制度,加强对施工现场的安全管理。