遥控玩具车电路图
- 格式:doc
- 大小:130.50 KB
- 文档页数:4
描述
TX2S 是一顆专为遥控玩具车设计专用发射和接收的大规模集成电路,它采用先进的CMOS 工艺制造。
8PIN 封装技术,降低对封装的需求。
TX2S 内部设计A/D 转换单元,在3个输入脚中保留6个功能键(即前进、后退、左转、右转、加速及附加键)。
⏹ 主要特点:
工作电压范围(V CC ⏹ TX2S :2.0V < VCC < 6.0 =1.5~5.0V )
低静态功耗
TX2S 有自动关机功能
外围组件少
标准8PIN 封装,节省体积及成本
⏹ 管脚排列图
TX2S-DIP8/SOP8
OSC FB LR TF
PC VCC Dout
GND
⏹ 内部框图
LR FB TF
OSC
PC
Dout
⏹ 极限参数
⏹ 电气参数(除非特殊说明,Tamb=25℃,VDD=4.0V,Fosc=128KHZ )
⏹ 管脚描述
⏹ 功能描述
1. 编码方法
串行码格式一帧为 n+4 个脉冲
起始码+功能码
起始码4个 W2
功能码 n 个W 1 其中 W2 为500HZ 频宽比为3/4 W 1 为1KHZ
频宽比为1/2
2. 编码规则
a) 位格式
n X W18mSEC 8mSEC
T
4 W2
b) 数据格式
第一個字
第二個字
第三個字
12345678TX2S 任一功能鍵TX2S 的SO 編碼輸出
RX2S 功能輸出
編碼結束
功能码由n个W1脉冲组成n的不同数值分别表示不同的功能详述如下
⏹建议应用电路
●TX2S
E1A ntenna。
概述
TX2/RX2是一对用于遥控玩具汽车的CMOS电路,有五种控制功能,即控制玩具汽车向前、向后、左转、右转和加速功能。
TX2采用DIP14和SOP14封装,RX2采用DIP16和SOP16封装。
特点
z工作电压范围:2~5V
z外接元件少
z标准振荡频率114KHz,振荡电阻200KΩ
z TX2具有静态电流低、自动切断电源等功能
z RX2内置3.6V稳压二极管,外接串联电阻降压,可提高工作电压范围
引脚排列和说明
RX2
极限值
说明:上述参数绝对不允许超出,否则器件将受到永久性损坏。
也不能在临界条件下长时间工作,否则即使不损坏器件也会影响器件的可靠性。
电特性
TX2
(VDD= 3.6V,FOSC=114KHZ,除非另有说明TA=250C)
RX2
(VDD=3.6V,FOSC=114KHZ,除非另有说明TA=250C)
功能码由n个W1脉冲组成,n的不同数值分别表示不同的功能,详述如下:
)
发射器(TX2Fosc≌114KH
Z Array)
接收器(RX2Fosc≌114KH
Z Array
红外线遥控应用电路
发射器(TX2Fosc≌114KH
)
Z
接收器(RX2Fosc≌114KHZ)
TX2的振荡频率≌RX2的振荡频率,振荡电阻取相同值。
封装尺寸图
TX2:DIP14和SOP14
RX2:DIP16和SOP16。
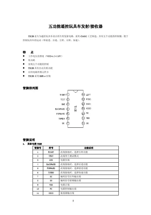
五功能遥控玩具车发射/接收器
TX2B是专为遥控玩具车设计的专用发射电路,采用CMOS工艺制造,具有五个功能的控制键,便于控制玩具车的运动(即前进、后退、左转、右转、加速)。
特点
●工作电压范围宽(VCC=1.5~5.0V)
●低功耗
●实现五个功能的控制
●TX2B具有自动关机功能
●应用电路外围元件少
●TX2B采用DIP14封装
管脚排列图
管脚说明
1.发射电路TX2B
TX2B内部管脚图
* 芯片衬底应与PCB的VDD连接
直流特性参数
1.发射电路TX2B(除非特殊说明,Tamb=25℃,Fosc=128KHZ)
2.接收电路RX2B(除非特殊说明,Tamb=25℃,Fosc=128KHZ)
射频应用示意图
红外应用示意图
3V
Ω典型射频应用图。
概述General DescriptionTX2/RX2C 是一对用于遥控玩具汽车的大型CMOS 电路,它具有五种控制功能:即控制玩具汽车向前向后左转右转和加速功能。
TX2有自动关机功能,当输入的端口为低电位时,TX2的SO 及SC 端口将会传送相关数据码,并利用射频电路(RF )或红外线电路(IR )将数据码传送到RX2C 并控制RX2C 的相关输出。
RX2C 内置2极放大器,透过简单的外围原理即可实现小信号放大的功能;将放大后的信号接入SI 端口便可控制RX2C 。
RX2C 内置升压电路,其输入电压可在0.8-3.3V 之间。
升压电路在1.0V 以上就稳定升压值3.6V 。
特性Features●TX22.0-4.5V 的宽工作电压5通道遥控控制:前进、后退、左转、右转及加速2种信号输出模式:射频信号及红外线信号 ⏹ 射频标准震荡频率:116KHZ ~140KHZ ⏹ 红外线标准频率:◆ 192KHz (载波为57KHZ ) ◆ 128KHz (载波为38KHZ )自动关机、内置震荡器低静态功耗14脚直插及贴片封装●RX2C宽工作电压:正常模式:1.8V ~ 5.0V 升压模式:1.0V ~ 3.3V5通道输出:前进、后退、左转、右转及加速MOD 端口控制减速功能内置高效升压电路、2极放大器、震荡器16脚直插及贴片封装⏹ 管脚图Pin AssignmentGE-TX2-DIP14/SOP14 GE-RX2C-DIP16/SOP16NC GND LEFT NC OSCI OCSO PC VDD SOGND OSCO RIGHTT LX⏹电器极限Absolute Maximum RatingsDC Supply Voltage.............................................. -0.3V to 6.0VInput / Output Voltage........................................ GND -0.2V to VDD + 0.2VStorage Temperature......................................... -25℃ to 125℃Operating temperature............................. -10℃ to 60℃Comments*Never allow a stress to exceed the values listed und er "Absolute Maximum Ratings", otherwise the d evice would suffer from a permanent damage. Nor is a stress at the listed value be allowed to persist over a period, since an extend ed exposure to the absolute maximum rating condition may also affect the reliability of the d evice, if not causing a damage thereof.⏹电器特性Electronic CharacteristicsTX2RX2C方块图Block Diagram管脚定义说明Pin Description脚位坐标图Pad LocationsTX2RX2CChip size=0.85X0.85mm 2The IC substrate must be connected to VDDChip size=1.2X0.9mm 2The IC substrate must be connected to VDD输入/输出对照表Output TablesNOTE: L=低电平, ●=高电平,○=84Hz, 2/3(66.7%) DUTY Pulse @F OSC=128KHZ应用电路Application Diagram发射射频电路GE-TX2RF Circuit接收射频电路(无升压)GE-RX2C RF Circuit(Without DC-DC)接收射频电路(有升压) GE-RX2C RF Circuit(With DC-DC)红外线发射/接收电路 IR Circuitiode 1NOTE :1. MOD=1 (Mod Pin opens)2. No using DC-DC converter because of higher supply voltage.3. Two grad e shift gears are realized电压对频率变化Variation Of VDD & F OSC规格书版本纪录。
自制无线遥控小汽车电路图PT2262 无线发射PT2272 无线接收T10A发射模块XY-R04A接收模块无线遥控发射和接受原理图编码芯片PT2262 发出的编码信号由:地址码、数据码、同步码组成一个完整的码字,解码芯片PT2272 接收到信号后,其地址码经过两次比较核对后,VT 脚才输出高电平,与此同时相应的数据脚也输出高电平,如果发送端一直按住按键,编码芯片也会连续发射。
当发射机没有按键按下时,PT2262 不接通电源,其17 脚为低电平,所以315MHz 的高频发射电路不工作,当有按键按下时,PT2262 得电工作,其第17 脚输出经调制的串行数据信号,当17 脚为高电平期间315MHz 的高频发射电路起振并发射等幅高频信号,当17 脚为低平期间315MHz 的高频发射电路停止振荡,所以高频发射电路完全收控于PT2262 的17 脚输出的数字信号,从而对高频电路完成幅度键控(ASK 调制)相当于调制度为100%的调幅。
PT2262和PT2272除地址编码必须完全一致外,振荡电阻还必须匹配,一般要求译码器振荡频率要高于编码器振荡频率的2.5~8倍,否则接收距离会变近甚至无法接收,随着技术的发展市场上出现一批兼容芯片,在实际使用中只要对振荡电阻稍做改动就能配套使用。
在具体的应用中,外接振荡电阻可根据需要进行适当的调节,阻值越大振荡频率越慢,编码的宽度越大,发码一帧的时间越长。
市场上大部分产品都是用2262/1.2M=2272/200K 组合的,少量产品用2262/4.7M=2272/820K。
解码接收模块包括接收头和解码芯片PT2272两部分组成。
接收头将收到的信号输入PT2272的14脚(DIN),PT2272再将收到的信号解码。
接收板工作电压为DC 5V,接收灵敏度:-103dBm ,尺寸(mm):49*20*7 ,工作频率:315MHz,工作电流:5mA ,编码类型:固定码(板上焊盘跳接设置) 应用说明:与各类型遥控器配合使用,解码输出后进行相应控制,在通常使用中,我们一般采用8位地址码和4位数据码,这时编码芯片PT2262和解码芯片PT2272的第1~8脚为地址设定脚,有三种状态可供选择:悬空、接正电源、接地三种状态,地址编码不重复度为38=6561组,只有发射端PT2262和接收端PT2272的地址编码完全相同,才能配对使用,遥控模块的生产厂家为了便于生产管理,出厂时遥控模块的PT2262和PT2272的八位地址编码端全部悬空,这样用户可以很方便选择各种编码状态,用户如果想改变地址编码,只要将PT2262和PT2272的1~8脚设置相同即可,例如将发射机的PT2262的第2脚接地,第3脚接正电源,其它引脚悬空,那么接收机的PT2272只要也第2脚接地,第3脚接正电源,其它引脚悬空就能实现配对接收。
五功能遥控玩具车接收器RX2C 与TX2B 配对使用,是专为遥控玩具车设计的专用接收集成电路,。
RX2C 采用CMOS 工艺制造,具有五个遥控功能的控制键,便于控制玩具车的运动;RX2C 具有内置DC-DC 升压,可延长电池使用寿命。
特 点● 工作电压范围:VCC=1.8~5.0V (不使用DC-DC ),VCC=1.2~5.0V (使用DC-DC ) ● 低待机功耗● 实现五种遥控功能:前进、后退、左转、右转和加速 ● 可选择不同的输出格式 ● 内设仅需外接一个电阻的振荡器● 内建DC-DC ,可以在低电源电压下安全工作,具有可选性。
● 使用DC-DC 时,选用外围元件少,启动电压1.2V ,维持电压1.0V ,输出3.0V ● 与RX2B 兼容 ● 采用DIP16封装管脚排列图VI1VO1VI2VO2SI LXRIGHT LEFT OSCI GND OSCO MODBACKWARD FORWARD TURBO VDD内部框图BACKWARD VO2VI2VI1VO1SI OSCO OSCI GNDVDD RIGHTLEFT TURBO FORWARDMOD LX功能描述注:1、MOD=1时,输出格式与RX2B 相同,输出高电平2、MOD=0时,*指输出格式改变为50Hz、占空比50%的脉冲,其余输出高电平测试电路图典型射频应用图应用图1(MOD 悬空,因供电电压较高,故不使用内置DC-DC ,通过对电机供电电压的控制实现前进的二级变速)应用图2(因供电电压较低,故使用内置DC-DC ,MOD 接地,实现前进的二级变速)R14690天线R101K 后退。
遥控玩具车电路图今天介绍这款遥控车采用台湾瑞昱公司生产的专用于遥控车模的CMOS大规模集成电路TX-2/RX-2。
该集成电路具有5种控制功能,即前进、后退加速、左转和右转等。
由于采用了编码发射及解码接收电路,所以具有较高的抗干扰性能。
图2为接收机电路,在发射端发出的高频信号经接收天线接收,Q1、L2、C2、C3等构成的超再生接收电路,L2、C2为并联谐振回路,其作用是选频,C3为超再生正反馈电容,调整L2可改变接收频率。
R1、R2、C5决定超再生的熄灭电压。
接收信号经R4、C7送入译码电路RX-2的{14}脚进行放大,放大后的信号由{1}脚输出经R8送入译码信号输出端{3}脚进行译码。
当译码电路将收到的信号译码后,若是前进信号,则{11}脚输出高电平,Q11导通→Q12、Q13分别导通,+4。
5V等经Q12→MA→MB→Q13→地,电机正转,车子前进,其他功能依此类推,不再赘述。
R9为振荡电阻。
RX-2中的{6}、{7}、{10}、{11}、{12}脚分别为右转、左转、后退、前进、加速等功能的输出端。
R20、D1、C1、C14组成简单的稳压电路,为RX-2提供稳定的工作电压,D2为隔离二极管。
为使该车更加美观逼真,如图2中所示。
用两只小灯泡,两只LED按图安装,小灯泡作遥控车的前大灯使用,LED为倒车灯。
当车子前进时,大灯亮,LED反偏不亮;倒车时在前大灯亮着的同时,LED为正偏也亮起来作倒车灯使用。
夜晚玩车时,更为有趣。
玩具汽车遥控接收电路:(a)图所示为接收电路,它有ABCDEFG七路输出,分别控制转向(图b);左右转向灯(图c);驱动电机(图d);音乐片发出声音(图e);刹车制动电磁铁和驱动尾部刹车灯LED5LED6发光;前后大灯开关(图g);电源(图h).遥控玩具汽车电路本例介绍的遥控玩具汽车,采用彩色电视机、影碟机等家用电器遥控器来控制其前进与后退,前进时汽车发出警笛声,后退时汽车发出“倒车,请注意!”的语音声,趣味性较强,可用于改制各种电动玩具汽车。
家电维修电子报/2004年/11月/07日/第006版/遥控玩具车电路分析及检修河南郜振国遥控玩具车由遥控信号发生器及接收部分组成,遥控部分由/前后左右0控制摇杆发送相应的操纵指令来控制车体的运动。
车体部分是前轮转向,后轮驱动。
遥控和接收的核心是TX2、RX2编码解码集成电路。
1.遥控部分如图1所示,/前、后、左、右0四个开关安装在遥控器的两个摇杆下方,操作摇杆时,控制开关接通与断开,IC(TX2)的¹、¼、½、(14)四脚分别为右、后、前、左四个方向控制脚,接地时选通。
电阻R2(330k8)为IC1的时钟振荡电阻,其振荡频率约为70kHz,控制信号由IC1编码后从其À脚输出,再经三极管VT1(9014)倒相后调制到三极管VT2(9018)。
VT2与晶振JT及其外围元件产生27.145M Hz的射频信号,经变压器T1后,从天线上发射出去。
2.接收电路如图2所示,三极管VT13(9015)及其外围元件组成超再生接收电路,调节电感L2可以改变其接收频率,使之能够较好地谐振于发射频率。
超再生解调的信号经电阻R5电容C8滤波后由电容C9耦合至接收机的集成块IC(RX2)的(14)脚。
IC的¹、(14)、(15)、(16)四脚,接收信号经两级整形放大后由IC ¹脚输出至»脚,R6、R8为偏置电阻,C11、C12为滤波电容,电阻R11为IC(RX2)的时钟振荡电阻。
»脚输入的信号经过IC的译码,控制其¾、¿、Â、(11)脚产生相应于遥控器控制的高电平,由VT1~VT6控制主电机M1作前后动作,由VT7~VT12控制转向电机M2完成转向动作。
3.遥控不起作用检修一例这可能是遥控部分故障,也可能是接收部分故障,如果短接遥控器电路的电容C3后,电阻R7两端电压不发生变化,表明发射电路没有工作。
实际使用中,由于摔、碰等原因,遥控部分的晶振最易损坏,换晶振后,一般故障可排除。
遥控玩具车电路图今天介绍这款遥控车采用台湾瑞昱公司生产的专用于遥控车模的CMOS大规模集成电路TX-2/RX-2。
该集成电路具有5种控制功能,即前进、后退加速、左转和右转等。
由于采用了编码发射及解码接收电路,所以具有较高的抗干扰性能。
图2为接收机电路,在发射端发出的高频信号经接收天线接收,Q1、L2、C2、C3等构成的超再生接收电路,L2、C2为并联谐振回路,其作用是选频,C3为超再生正反馈电容,调整L2可改变接收频率。
R1、R2、C5决定超再生的熄灭电压。
接收信号经R4、C7送入译码电路RX-2的{14}脚进行放大,放大后的信号由{1}脚输出经R8送入译码信号输出端{3}脚进行译码。
当译码电路将收到的信号译码后,若是前进信号,则{11}脚输出高电平,Q11导通→Q12、Q13分别导通,+4。
5V等经Q12→MA→MB→Q13→地,电机正转,车子前进,其他功能依此类推,不再赘述。
R9为振荡电阻。
RX-2中的{6}、{7}、{10}、{11}、{12}脚分别为右转、左转、后退、前进、加速等功能的输出端。
R20、D1、C1、C14组成简单的稳压电路,为RX-2提供稳定的工作电压,D2为隔离二极管。
为使该车更加美观逼真,如图2中所示。
用两只小灯泡,两只LED按图安装,小灯泡作遥控车的前大灯使用,LED为倒车灯。
当车子前进时,大灯亮,LED反偏不亮;倒车时在前大灯亮着的同时,LED为正偏也亮起来作倒车灯使用。
夜晚玩车时,更为有趣。
玩具汽车遥控接收电路:(a)图所示为接收电路,它有ABCDEFG七路输出,分别控制转向(图b);左右转向灯(图c);驱动电机(图d);音乐片发出声音(图e);刹车制动电磁铁和驱动尾部刹车灯LED5LED6发光;前后大灯开关(图g);电源(图h).遥控玩具汽车电路本例介绍的遥控玩具汽车,采用彩色电视机、影碟机等家用电器遥控器来控制其前进与后退,前进时汽车发出警笛声,后退时汽车发出“倒车,请注意!”的语音声,趣味性较强,可用于改制各种电动玩具汽车。
电子技校版电子报/2003年/08月/31日/第011版/玩具汽车遥控接收电路原理及检修辽宁柳志胜笔者根据实物绘制出了电动玩具遥控汽车接收电路原理图(电路板上标注为H~ 20101RA)。
该玩具汽车采用两只电动机分别作为前进或后退、向左或向右转弯的动力。
电动机M1是驱动玩具汽车运行的动力,通过三极管Q9~Q11、Q13、Q12、Q7等组成的驱动电路使电动机M1进行正、反转,达到前进与后退的目的。
电动机M2则是玩具汽车能够完成左、右转弯而设的,同样也是由三极管Q2~ Q6、Q8等组成的驱动电路驱使M2正、反转,使汽车左、右转弯。
该类玩具汽车配备了专用的电池和充电器,电池电压为7.2V,给两只电动机供电。
电阻R8和稳压二极管W1及滤波电容C13等组成简单的稳压电路,将电池7.2V电压降为3. 5V后,分别向解码集成电路IC的(13)脚和由三极管Q1、电感L1、L2、电容C1~C5、电阻R1、R3、R4、R14等组成的超再生式遥控接收电路供电。
接收到的指令信号通过电阻R2和电容C10传送到解码集成电路IC的(14)脚,经IC 内部电路与外围阻容元件组成的解码电路将编码的指令信号进行解调,由IC的Â、(11)脚输出控制玩具汽车前进或后退的指令,由IC的¾、¿脚输出控制玩具汽车左、右转弯的指令。
当接收到使玩具汽车前进的信号时,IC的Â脚输出高电平,(11)脚为低电平,Q7、Q9、Q11导通,Q10、Q12、Q13截止,电机M1正转,玩具汽车前行;反之,当接收到使玩具汽车后退的指令时,则Â脚为低电平,(11)脚为高电平,Q7、Q9、Q11截止,Q10、Q12、Q13导通,电机M1反转,玩具汽车后行。
左、右转弯驱动电路与运行驱动电路基本相同,不再赘述。
该电路中易损元件多为运行电机M1驱动三极管Q9~Q11、Q13,原配型号为2SC2328和A928,使用中若坏时,可用中功率管代;如果安装不上,可用导线引出固定在其他位置。
SDR2000C 说明书遥控玩具车专用27MHZ-50MHZ射频接收电路描述SDR2000C 是针对遥控玩具车设计的专用集成电路,它有五 个功能来控制玩具车的运动(即前进、后退、左转、右转、加 速),同时集成了射频接收电路和马达驱动电路,使客户所需的 外围器件大大减少。
从安全角度考虑,SDR2000C 内部集成了过流检测和过温检 测电路,确保电路和整机处于安全的工作状态。
SDR2000C 采用 DIP-16 封装,无需散热片,大大减小了 PCB 面积。
DIP-16-300-2.54主要特点∗ 极宽的工作电压范围; ∗ 采用标准 CMOS 工艺,极低的功耗; ∗ 集成马达驱动电路,集成 RF 接收电路,极少的外围器件; ∗ 内建升压电路模块; ∗ 内建低压检测电路; ∗ 内建过温及过流保护。
应用∗ 遥控玩具车产品规格分类产品名称 SDR2000C封装形式 DIP-16-300-2.54打印名称 SDR2000C材料 无铅包装 料管内部框图深圳市明月微电子有限公司共6页 第1页版本号:0.4 2010.11.08推荐工作条件参数 工作电压 环境温度符号 VDD Temp测试条件电气参数(测试条件:VDD=4.5V,Temp=25°C )参数 电源 工作电压 工作电流 LVD 低压检测阈值 过温保护阈值 过温保护阈值迟滞 本振 起振时间振幅 RF 接收 灵敏度 马达驱动主驱动等效电阻副驱动等效电阻驱动效率 驱动功率 非交叠时间 过流保护符号测试条件VDD 27MIVDD 49MVLVD TSD TSH27M 模式Ts49M 模式27M 模式Vosc49M 模式SenRonmRonsEff Pout Tcr IovSource 7V Source 5V Source 3V Sink 7V Sink 5V Sink 3V Source 7V Source 5V Source 3V Sink 7V Sink5V Sink3VSDR2000C 说明书最小值 1.5 -20典型值 4.5 25最大值 7.2 85单位 V oC最小值 典型值 最大值 单位1.57.2V6mA7mA1.5V135°C15°C1.2mS1.0mS150200250mV60100130mV-95dBm1Ω1Ω1Ω1Ω1Ω1Ω2Ω2Ω2Ω2Ω2Ω2Ω90%8W120Ns5A深圳市明月微电子有限公司共6页 第2页版本号:0.4 2010.11.08参数 过流检测迟滞管脚排列图SDR2000C 说明书符号 Iovd测试条件最小值典型值 1最大值单位 A管脚描述管脚号 1 2 3 4 5 6 7 8 910,14 11 12 13 15 16管脚名称 VBST C1 C2 LNAP LNAM GNDA OSCI OSCO MT2P GNDP MT2M VDDP MT1M MT1P SWI/O功能说明P升压电路电源输入IO内部检波滤波器的外部电容连接端IO内部检波滤波器的外部电容连接端I低噪放输入端口I低噪放输入端口P模拟地I振荡输入脚O振荡输出脚O转向驱动正端P驱动地O转向驱动负端P驱动电路电源O主马达驱动负端O主马达驱动正端O升压电路开关深圳市明月微电子有限公司 共6页 第3页版本号:0.4 2010.11.08SDR2000C 说明书功能描述SDR2000C 为遥控玩具车专用的射频接收解码及马达驱动电路,它集成了射频接收模块,解码模块和马 达驱动模块。
以图中右上部Q2----Q7为例说明。
控制信号由集电路11脚输出,经R11隔离限流使Q2导通,因Q5是PNP管,导通条件是下偏导通,所以控制电流由Q5发射极流入,基极流出经R13 三极管Q2的集电极发射极(因基极己送入信号)将电流注入Q6基极,这时电源流经Q5发射极--集电极--电机M1--Q6集电极--发射极--地,形成回路,电机正转,而同时Q3没有输入信号,Q3不导通Q4基极电压经电阻R14不能流Q3注入Q7所以Q4 Q7不导通,可视为开路。
控制信号由集电路10脚输出,经R12隔离限流使Q3导通,因Q4是PNP管,导通条件是下偏导通,所以控制电流由Q4发射极流入,基极流出经R14 三极管Q3的集电极发射极(因基极己送入信号)将电流注入Q7基极,这时电源流经Q4发射极--集电极--电机M1--Q7集电极--发射极--地,形成回路,电机反转,而同时Q2没有输入信号,Q2不导通Q5基极电压经电阻R13不能流Q2注入Q6所以Q5 Q5不导通,可视为开路。
自制无线遥控小汽车电路图PT2262 无线发射PT2272 无线接收T10A发射模块XY-R04A接收模块无线遥控发射和接受原理图编码芯片PT2262 发出的编码信号由:地址码、数据码、同步码组成一个完整的码字,解码芯片PT2272 接收到信号后,其地址码经过两次比较核对后,VT 脚才输出高电平,与此同时相应的数据脚也输出高电平,如果发送端一直按住按键,编码芯片也会连续发射。
当发射机没有按键按下时,PT2262 不接通电源,其17 脚为低电平,所以315MHz 的高频发射电路不工作,当有按键按下时,PT2262 得电工作,其第17 脚输出经调制的串行数据信号,当17 脚为高电平期间315MHz 的高频发射电路起振并发射等幅高频信号,当17 脚为低平期间315MHz 的高频发射电路停止振荡,所以高频发射电路完全收控于PT2262 的17 脚输出的数字信号,从而对高频电路完成幅度键控(ASK 调制)相当于调制度为100%的调幅。
PT2262和PT2272除地址编码必须完全一致外,振荡电阻还必须匹配,一般要求译码器振荡频率要高于编码器振荡频率的2.5~8倍,否则接收距离会变近甚至无法接收,随着技术的发展市场上出现一批兼容芯片,在实际使用中只要对振荡电阻稍做改动就能配套使用。
在具体的应用中,外接振荡电阻可根据需要进行适当的调节,阻值越大振荡频率越慢,编码的宽度越大,发码一帧的时间越长。
市场上大部分产品都是用2262/1.2M=2272/200K 组合的,少量产品用2262/4.7M=2272/820K。
解码接收模块包括接收头和解码芯片PT2272两部分组成。
接收头将收到的信号输入PT2272的14脚(DIN),PT2272再将收到的信号解码。
接收板工作电压为DC 5V,接收灵敏度:-103dBm ,尺寸(mm):49*20*7 ,工作频率:315MHz,工作电流:5mA ,编码类型:固定码(板上焊盘跳接设置) 应用说明:与各类型遥控器配合使用,解码输出后进行相应控制,在通常使用中,我们一般采用8位地址码和4位数据码,这时编码芯片PT2262和解码芯片PT2272的第1~8脚为地址设定脚,有三种状态可供选择:悬空、接正电源、接地三种状态,地址编码不重复度为38=6561组,只有发射端PT2262和接收端PT2272的地址编码完全相同,才能配对使用,遥控模块的生产厂家为了便于生产管理,出厂时遥控模块的PT2262和PT2272的八位地址编码端全部悬空,这样用户可以很方便选择各种编码状态,用户如果想改变地址编码,只要将PT2262和PT2272的1~8脚设置相同即可,例如将发射机的PT2262的第2脚接地,第3脚接正电源,其它引脚悬空,那么接收机的PT2272只要也第2脚接地,第3脚接正电源,其它引脚悬空就能实现配对接收。
遥控玩具车电路图
今天介绍这款遥控车采用台湾瑞昱公司生产的专用于遥控车模的CMOS大规模集成电路TX-2/RX-2。
该集成电路具有5种控制功能,即前进、后退加速、左转和右转等。
由于采用了编码发射及解码接收电路,所以具有较高的抗干扰性能。
图2为接收机电路,在发射端发出的高频信号经接收天线接收,Q1、L2、C2、C3等构成的超再生接收电路,L2、C2
为并联谐振回路,其作用是选频,C3为超
再生正反馈电容,调整L2可改变接收频率。
R1、R2、C5决定超再生的熄灭电压。
接收信号经R4、C7送入译码电路RX-2的{14}脚进行放大,放大后的信号由{1}脚输出经R8送入译码信号输出端{3}脚进行译码。
当译码电路将收到的信号译码后,若是前进信号,则{11}脚输出高电平,Q11导通→Q12、Q13分别导通,+4。
5V等经Q12→MA→MB→Q13→地,电机正转,车子前进,其他功能依此类推,不再赘述。
R9为振荡电阻。
RX-2中的{6}、{7}、{10}、{11}、{12}脚分别为右转、左转、后退、前进、加速等功能的输出端。
R20、D1、C1、C14组成简单的稳压电路,为RX-2提供稳定的工作电压,D2为隔离二极管。
为使该车更加美观逼真,如图2中所示。
用两只小灯泡,两只LED按图安装,小灯泡作遥控车的前大灯使用,LED为倒车灯。
当车子前进时,大灯亮,LED反偏不亮;倒车时在前大灯亮着的同时,LED
为正偏也亮起来作倒车灯使用。
夜晚玩车
时,更为有趣。