政府采购验收报告模板
- 格式:doc
- 大小:25.00 KB
- 文档页数:1
政府采购合同履行验收报告模板6篇篇1一、引言本报告旨在详细记录和评估政府采购合同的履行情况,包括合同双方的权责、履约过程、验收标准及验收结果。
通过本报告,我们可以全面了解合同的执行情况,确保公共资源的有效利用和政府采购的透明度。
二、合同双方权责1. 甲方(采购方):- 提出采购需求,明确采购标的、数量、质量要求。
- 按时支付合同款项,确保供应商的合法权益。
- 提供必要的协助和支持,确保采购活动的顺利进行。
2. 乙方(供应商):- 按照合同约定提供符合要求的商品或服务。
- 按时交付商品或完成服务,确保采购活动的及时性。
- 承担合同约定的保修和服务责任。
三、履约过程1. 采购需求确定:甲方根据实际需求,明确提出采购标的、数量和质量要求,确保采购活动的针对性。
2. 供应商选择:甲方通过公开招标、邀请招标或竞争性谈判等方式,选择符合条件的乙方作为供应商。
3. 合同签订:双方在协商一致的基础上,签订政府采购合同,明确双方的权责和义务。
4. 履约过程监督:甲方对乙方的履约过程进行监督,确保其按照合同约定提供商品或服务。
四、验收标准及验收结果1. 验收标准:- 商品或服务的质量、性能符合合同约定。
- 商品或服务的数量、种类与合同一致。
- 乙方提供的保修和服务符合合同规定。
2. 验收结果:- 经验收,乙方提供的商品或服务全部符合合同约定,质量合格,性能稳定。
- 乙方按时交付商品并完成服务,无逾期现象。
- 乙方提供的保修和服务满足甲方需求,得到甲方的高度评价。
五、总结与建议1. 总结:本次政府采购活动顺利进行,双方均按照合同约定履行了各自的权责和义务。
乙方的商品或服务质量可靠,性能稳定,得到了甲方的认可和好评。
甲方的及时支付和必要协助也为乙方的履约提供了有力保障。
2. 建议:为了进一步规范政府采购活动,提高公共资源的利用效率,建议甲方在今后的采购活动中继续加强监督和管理,确保供应商的履约质量;同时,乙方也应不断提高自身的产品质量和服务水平,以满足甲方日益增长的采购需求。
采购项目验收报告范文(精选11篇)采购项目验收报告范文验收的定义按照一定标准进行检验而后收下。
建筑工程在施工单位自行质量检查评定的基础上,参与建设活动的有关单位共同对检验批、分项、分部、单位工程的质量进行抽样复验,根据相关标准以书面形式对工程质量达到合格与否做出确认。
采购项目验收报告范文(精选11篇)在当下社会,报告对我们来说并不陌生,我们在写报告的时候要注意语言要准确、简洁。
那么大家知道标准正式的报告格式吗?以下是小编收集整理的采购项目验收报告范文(精选11篇),仅供参考,大家一起来看看吧。
采购项目验收报告1一、验收流程,成立验收小组核对货物数量,检查货物质量(小件物品抽查但外观没有与抽查的物品不同及不能有外观损坏,大件贵重物品一定要每一件开机检查过)二、验收内容主要包括:数量、品牌、规格、质量、安装。
1、数量:今年我们市为全市所有学校采购了xx多万的教学仪器,教学仪器品种多,数量多,都是小件物品,所以发货、接收都是一件比较繁重的工作,请大家一定要负起责任,把这件工作做好。
货物接收不用马上填写货物验收,只出具货物接收单就可以了,意思是我接收了你多少件货物,具体数量是多少,质量怎么样我们还没有办法确定,但贵重物品一定要专门出具接收手续。
等我们对货物进行了清点、验收后再出具货物验收单,部分仪器、体育器材需要安装的,还要出具安装确认单。
2、品牌、规格:参照我发到“薄改群”的招投标文件,对送到学校的物品的品牌和规格进行查验,因为物品数量多,有些是供货商故意以次充好,来投标时是这个品牌,送货时换另一种便宜的品牌,也有可能是因物品数量多,把初中规格的送到小学,小学规格的送到了初中。
特别体育器材,我们要求部分体育器材要经过国体认证的品牌我们才采购,经过认证的产品价格上就贵得多,所以我们就要注意供货商是不是送中标的体育器材给我们学校。
3、质量:质量问题很多人说不懂得怎么验,其实先从外观看有没有损坏,对一些重要设备进行试用,看能不能正常运行。
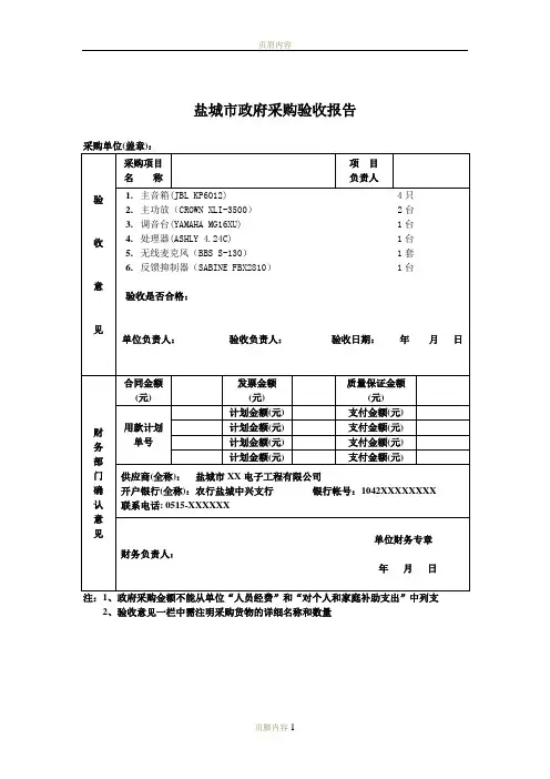
政府采购验收报告(全文5篇)第一篇:政府采购验收报告验收报告XXX公共资源交易服务中心:我单位委托贵中心采购的XX采购项目(xX号)已履行完毕(合同编号:号),供应商所提供的货物/服务,经我单位使用运行了天,经验收未发现重大质量问题。
同意将该供应商交纳的履约保证金¥元(大写人民币:拾万千佰拾元)予以退还。
收款单位:开户行:账号:采购单位:(盖章)采购单位验收人员签字:供应商:(盖章)供应商法人代表或授权代表签字:年月日注:此表由成交供应商退履约保证金时提供。
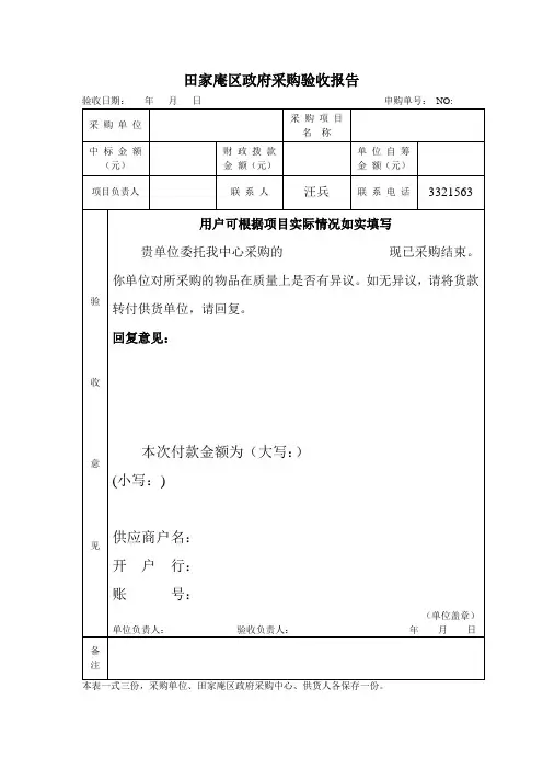
第二篇:沛县政府采购验收报告联系电话采购人指定收货人联系电话采购方式:公开招标□邀请招标□竞争性谈判□询价□单一来源采购□采购组织形式:委托集中采购机构□主管部门集中采购□单位分散采购□采购项目名称数量及要求:见采购合同采购合同编号合同金额人民币(大写):拾万万仟佰拾元角分元整结算方式:财政集中支付□采购人支付□验收意见验收及付款意见:我单位已按采购合同(采购合同编号:)办理验收,(无,有)质量问题,(同意,不同意)支付货款.根据合同约定,付款方式:(一次性,分期)付款.其中:第一次支付$;第二次支付$;第三次支付$.预留质量保证金$.质保期个月,于年月日后无质量问题投诉退回.本次付款内容为:第次(支付货款,支付质量保证金),供应商提供发票号码:.付款金额为:人民币大写:拾万万仟佰拾元角分元整,$_______________.供应商户名:开户行:,账号:.采购人(单位公章):验收人(签字):验收日期:年月日说明:请采购人验收时根据需要,要求供应商提供相关资质原件.本一式三份(采购人,财政部门,集中采购机构各一份)验收合格,请索要质保证书.沛县政府采购第三篇:政府采购合同履行验收报告政府采购合同履行验收报告篇一:政府采购合同履约验收报告政府采购合同履约验收报告经验收符合合同所签定的数量,质量及各项条款,予以接受。
验收单位(盖章):验收人(签字):政府采购合同履约验收报告经验收符合 [XX]0001合同所签定的数量,质量及各项条款,予以接受。
政府采购验收报告模板篇一:政府采购货物验收单政府采购货物验收单依据开发区政府采购办公室下达的政府采购项目批准书和政府采购合同,项目编号),我单位提供的标的货物进行了验收,验收收情况如下:篇二:政府采购货物验收单政府采购货物验收单浙江省电化教育馆:供应商浙江电化教育发展公司已将我单位下列采购货物安装调试完毕,并已在系统中粘贴了《政府集中采购货物售后服务联系单》,现经我单位验收合格,特此回复。
(附产品验收清单)供应商:浙江电化教育发展公司用户单位(公章)安装人签名:验收人签名:联系电话:88845198 联系电话:安装日期:年月日验收日期:年月日政府采购货物验收单浙江省电化教育馆:供应商浙江电化教育发展公司已将我单位下列采购货物安装调试完毕,并已在系统中粘贴了《政府集中采购货物售后服务联系单》,现经我单位验收合格,特此回复。
(附产品验收清单)供应商:浙江电化教育发展公司用户单位(公章)安装人签名:验收人签名:联系电话:88845198 联系电话:安装日期:年月日验收日期:年月日政府采购货物验收单浙江省电化教育馆:供应商浙江电化教育发展公司已将我单位下列采购货物安装调试完毕,并已在系统中粘贴了《政府集中采购货物售后服务联系单》,现经我单位验收合格,特此回复。
(附产品验收清单)供应商:浙江电化教育发展公司用户单位(公章)安装人签名:验收人签名:联系电话:88845198 联系电话:安装日期:年月日验收日期:年月日政府采购货物验收单浙江省电化教育馆:供应商浙江电化教育发展公司已将我单位下列采购货物安装调试完毕,并已在系统中粘贴了《政府集中采购货物售后服务联系单》,现经我单位验收合格,特此回复。
(附产品验收清单)供应商:浙江电化教育发展公司用户单位(公章)安装人签名:验收人签名:联系电话:8(来自: 小龙文档网:政府采购验收报告模板)8845198 联系电话:安装日期:年月日验收日期:年月日篇三:政府采购验收报告采购验收报告说明:请采购人验收时根据需要可以要求供应商提供相关资质原件。
政府采购合同验收报告单8篇篇1甲方(采购人):_________乙方(供应商):_________根据《中华人民共和国政府采购法》及其实施条例和相关法律法规的规定,本着公平、公正、公开的原则,经甲、乙双方友好协商,特订立本合同,以明确双方的权利和义务。
一、验收内容本次验收的内容为政府采购合同项下的商品和服务,具体包括以下几个方面:1. 商品名称:_________2. 规格型号:_________3. 数量:_________4. 质量标准:_________5. 服务内容:_________6. 验收标准:_________二、验收时间本次验收的具体时间为:_________年_________月_________日。
三、验收地点本次验收的具体地点为:_________。
四、验收方式本次验收采用以下方式进行:1. 现场验收:由甲方组织相关技术人员和专家进行现场验收。
2. 书面验收:乙方需提供详细的验收资料,包括商品清单、服务记录等,以供甲方进行书面验收。
3. 第三方验收:如需要,可邀请第三方机构进行验收。
五、验收内容要求本次验收的内容需符合以下要求:1. 商品必须是全新的,未经使用过的,并符合规定的规格型号和质量标准。
2. 服务必须按照合同规定的内容和要求进行,确保质量达标。
3. 验收资料必须齐全、准确、真实。
六、验收结果评定本次验收结果评定采用以下标准:1. 商品和服务符合合同规定的要求,质量优良,评为“优秀”。
2. 商品和服务基本符合合同规定的要求,质量良好,评为“良好”。
3. 商品和服务存在轻微瑕疵,但不影响整体使用效果,评为“合格”。
4. 商品和服务存在严重质量问题或未能按照合同规定进行服务,评为“不合格”。
七、验收结果处理本次验收的结果将作为甲方支付款项的重要依据。
具体处理如下:1. 评为“优秀”的,甲方将按照合同规定支付全额款项。
2. 评为“良好”的,甲方将按照合同规定支付90%的款项。
一、报告标题关于XX项目的采购验收申请报告二、报告编制单位XX公司采购部三、报告编制日期2023年3月15日四、报告正文一、项目背景为了满足公司业务发展需求,经公司领导批准,决定对XX项目进行采购。
本项目采购内容包括:设备、材料、服务等。
为确保采购质量,提高采购效率,特申请对本次采购进行验收。
二、采购实施情况1.采购计划本次采购计划于2023年2月15日启动,采购周期为2个月。
采购计划如下:(1)设备采购:共需采购设备10台,预计金额为人民币100万元。
(2)材料采购:共需采购材料50吨,预计金额为人民币50万元。
(3)服务采购:共需采购服务10项,预计金额为人民币30万元。
2.采购实施(1)设备采购:通过公开招标方式,选取了3家供应商参与投标。
经过严格评审,最终确定了1家供应商,签订了采购合同。
(2)材料采购:通过询价方式,选取了2家供应商参与报价。
经过综合比较,最终确定了1家供应商,签订了采购合同。
(3)服务采购:通过公开招标方式,选取了3家供应商参与投标。
经过严格评审,最终确定了1家供应商,签订了采购合同。
3.采购进度截至2023年3月15日,设备采购已完成70%,材料采购已完成60%,服务采购已完成80%。
预计2023年4月15日前完成全部采购工作。
三、验收申请根据《中华人民共和国政府采购法》及相关法律法规,为确保采购质量,现申请对本次采购进行验收。
具体验收事项如下:1.验收时间:2023年4月16日至2023年4月20日。
2.验收地点:XX公司采购部。
3.验收人员:由公司领导、相关部门负责人及采购部相关人员组成验收小组。
4.验收内容:(1)设备验收:检查设备外观、规格、型号、数量等是否符合合同要求,功能是否正常。
(2)材料验收:检查材料质量、规格、型号、数量等是否符合合同要求,包装是否完好。
(3)服务验收:检查服务质量、完成情况等是否符合合同要求。
四、验收流程1.验收小组对采购的设备、材料、服务进行现场查验。
XX 市************采购项目
单位(公章):
20 年 月 日
验
收
骑 缝 章
报
告
说明
各采购人及政府采购代理机构:请严格按照本报告格式模板内容认真、详实填写相关信息内容,不得遗漏,按要求报送,以避免因内容信息不全造成本报告无效。
总体情况
一、项目基本情况:概述项目名称、中标金额、验收时间、地点、人员等(*年*月*日,本单位“**采购项目”经委托**政府采购代理机构进行招标采购,由**承建(供货)单位中标,中标金额**万元。
现由本单位会同**政府采购代理机构在**地点组织政府采购项目专家验收小组(及相关质检机构)对**项目进行现场竣工或货物验收)。
二、概述项目运行情况、完成情况(或货物到位情况)。
三、概述项目验收意见。
附件:1.XX市政府采购项目验收情况表
2.XX市**采购项目验收清单
3.**项目验收小组组成人员签名表
附件一
XX市政府采购项目验收情况表
年月日
说明:1.此表可根据实际验收需要增加栏目内容,如相关单位、相关质检机构意见等;
2.此表需双面打印。
附件二
XX市**采购项目验收清单
说明:1.此表可根据实际验收需要调整栏目内容,但“是否与合同相符”、“验收内容”及“验收结果”栏目不可删除;
2.此表可增页填写。
附件三
**项目验收小组组成人员签名表
时间:年月日
说明:组织人员及采购人代表应填所在单位名称及职务,专家组成员可不填单位名称及职务。
政府采购验收报告
使用单位:
项目名称:
供应商:
合同总金额(万元)
合同编号
验收日期
清
单
序号名称规格型号单价数量金额
相应条款打√□1.供应商提供货物的规格、型号、数量、颜色、等是否与采购单位政府采购计划表的需求、中标供应商的投标产品以及采购合同的货物相符
□2.供应商是否按照投标文件上的时间、地点交货
□3.供应商提供的货物是否在验收现场开箱、拆封
□4.货物安装调试是否完毕
□5.设备是否能够正常运行
□6.供应商提供的发票是否真实
□7.供应商是否有违规及超出投标文件的行为
验收小组人员:(签名)(使用单位公章)
采购单位使用人:
采购单位财务部门:
采购单位纪检部门:
(根据需要,采购单位相关技术部门):。