塔式起重机板式基础设计
- 格式:pdf
- 大小:415.76 KB
- 文档页数:11
第1章编制说明及依据 (1)1.1 编制说明 (1)1.2 适用范围 (1)1.3 编制依据 (1)第2章工程概况 (2)2.1 工程所在位置、场地及其周边环境情况 (2)2.2 工程总体概况 (2)2.3 ±0.00标高、自然地面标高及其相互关系 (3)第3章塔吊选型与布置 (4)3.1 塔吊选型与现场布置原则 (4)3.2 塔吊选型 (4)3.3 塔吊基础定位 (8)3.4 塔吊性能参数 (8)3.5 本工程岩土体分析与评价 (10)3.6 塔吊基础开挖深度附近地质分析 (10)3.7 塔吊基础承台的配筋 (11)第4章塔吊基础施工顺序与方法 (12)4.1 塔吊基础施工准备 (12)4.2 塔吊基础施工流程 (12)4.3 塔吊基础施工控制要点 (12)4.4 塔吊基础防水、散水做法 (13)4.5 塔吊基础施工质量保证措施 (13)4.6 塔吊基础施工安全注意事项 (13)4.7 塔吊基础施工技术注意事项 (14)附录1:塔吊基础计算书 (15)1. TC7525塔吊基础计算书 (15)附录2:塔吊基础附图 (25)第1章编制说明及依据1.1编制说明本方案为工程塔吊基础设计及施工专项方案,塔吊的安装和拆除另行编制专项方案。
1.2适用范围根据本工程的施工组织设计及施工部署并结合本工程现有招标图纸及场地情况,我司布置2台塔吊,并自编号为9#、10#。
本方案适用于该2台塔吊基础设计,下文将选取其中TC7525(臂长75m)、TC6016(臂长50m)进行基础设计说明。
1.3编制依据(1)本工程招标图纸(2)《基坑支护工程岩土工程勘察》(3)《建筑地基基础设计规范》(GB5007—2011)(4)《混凝土结构设计规范》(GB50010-2010)(5)《建筑桩基技术规范》(JGJ94-2008)(6)《建筑机械使用安全技术规程》(JGJ33-2012)(7)《国家标准现行建筑机械规范大全》(中国建筑出版社,1994)(8)《塔式起重机混凝土基础工程技术规程》(JGJ/T187-2009)(9)《建筑地基基础工程施工质量验收规范》(GB50202—2002(2011版))(10)TC7525塔式起重机安装使用说明书本方案有未说明或未明确的地方以有关规范、图集或当地政府有关文件规定为准。
筑龙网WW W.ZH U L ON G.C OM(一)塔吊基础设计计算 1、根据塔吊使用说明书,十字梁设计为1100×1500、砼C25,适当配置钢筋,本基础坐落在5根桩上,即本塔吊基础设计, 2、基础十字梁钢筋设计根据塔吊使用说明书,十字梁所受的荷载为F1=F2=150KN 截面尺寸为1100×1500,砼为C25假如十字梁双排钢筋为5Φ25验算如上草图,M max F ×a =150×3.00=450KN.M 查表:ρ=0.26%As =ρ×b ×h =0.26%×1100×1500=4290mm 2A 设=4908mm 2 >As =4290mm 2故十字梁双排配筋满足要求。
3、 稳定验算以知条件:基础所受的垂直荷载 476KN基础所受的水平荷载 24KN 基础所受的倾翻力矩 1220KN 基础所受的扭矩 185 KN.mm 基础设计重量 610 KN.mm计算塔吊在非工作情况下是否稳定筑龙网WW W.ZH U L ON G.C OMe =(M+H ×h )/(V+G )≤Le/3=(185×103×24103×50)/(476×103+610×103)=1.28<=2.03L/3 故基础满足要求 五、塔吊稳定验算:(1) 塔吊在工作情况下有荷载稳定验算:K1=[G ×(c-h ×sina+b )-v ×(a-h )÷gt] ÷[Q ×(a-b )]=1.534>1.15 取a =0(2) 非工作下的稳定验算(取W3=2KN/M 风载按12级台风取) K2=[G1×(b+c1-h1×sina )] ÷[G2×C2-b + h2×sina+W3×P3]]=1.39>1.15故:塔吊在工作和非工作下均能保持稳定。
塔吊矩形板式桩基础计算书一、塔机属性塔机型号QTZ80(浙江建机)(m) 40塔机独立状态的最大起吊高度H塔机独立状态的计算高度H(m) 45塔身桁架结构方钢管塔身桁架结构宽度B(m) 1.6二、塔机荷载塔机竖向荷载简图1、塔机自身荷载标准值塔身自重G(kN) 251(kN) 62.2 起重臂自重G1起重臂重心至塔身中心距离R(m) 23.4G1小车和吊钩自重G(kN) 3.82k三、桩顶作用效应计算矩形桩式基础布置图承台及其上土的自重荷载标准值:Gk =bl(hγc+h'γ')=5×5×(1.25×25+0×19)=781.25kN承台及其上土的自重荷载设计值:G=1.2Gk=1.2×781.25=937.5kN桩对角线距离:L=(ab 2+al2)0.5=(32+32)0.5=4.24m1、荷载效应标准组合轴心竖向力作用下:Qk =(Fk+Gk)/n=(490.2+781.25)/4=317.86kN荷载效应标准组合偏心竖向力作用下:Qkmax =(Fk+Gk)/n+(Mk+FVkh)/L=(490.2+781.25)/4+(1067.6+65.95×1.25)/4.24=588.93kNQkmin =(Fk+Gk)/n-(Mk+FVkh)/L=(490.2+781.25)/4-(1067.6+65.95×1.25)/4.24=46.8kN 2、荷载效应基本组合荷载效应基本组合偏心竖向力作用下:Qmax =(F+G)/n+(M+Fvh)/L=(588.24+937.5)/4+(1577.89+92.33×1.25)/4.24=780.55kNQmin =(F+G)/n-(M+Fvh)/L=(588.24+937.5)/4-(1577.89+92.33×1.25)/4.24=-17.68kN 四、桩承载力验算桩身周长:u=πd=3.14×0.4=1.26m桩端面积:Ap=πd2/4=3.14×0.42/4=0.13m2Ra =uΣqsia·li+qpa·Ap=1.26×(0.46×15+2.04×15+1.41×15+4.77×25+9.04×50+0.28×70)+2200×0.1 3=1092.65kNQk =317.86kN≤Ra=1092.65kNQkmax =588.93kN≤1.2Ra=1.2×1092.65=1311.18kN满足要求!2、桩基竖向抗拔承载力计算Q kmin=46.8kN≥0不需要进行桩基竖向抗拔承载力计算!3、桩身承载力计算纵向预应力钢筋截面面积:A ps=nπd2/4=11×3.14×10.72/4=989mm2 (1)、轴心受压桩桩身承载力荷载效应基本组合下的桩顶轴向压力设计值:Q=Qmax=780.55kN 桩身结构竖向承载力设计值:R=2700kN满足要求!(2)、轴心受拔桩桩身承载力Qkmin=46.8kN≥0不需要进行轴心受拔桩桩身承载力计算!五、承台计算承台有效高度:h0=1250-50-20/2=1190mmM=(Qmax +Qmin)L/2=(780.55+(-17.68))×4.24/2=1618.29kN·mX方向:Mx =Mab/L=1618.29×3/4.24=1144.3kN·mY方向:My =Mal/L=1618.29×3/4.24=1144.3kN·m。
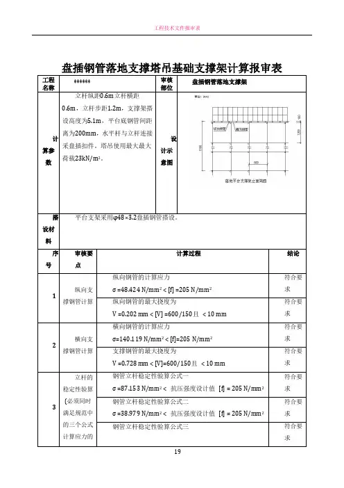
盘插钢管落地支撑塔吊基础支撑架计算报审表工程名称******审核部位盘插钢管落地支撑架计算参数立杆纵距0.6m立杆横距0.6m,立杆步距1.2m,支撑架搭设高度为5.1m,平台底钢管间距离为200mm,水平杆与立杆连接采盘插扣件。
塔吊使用最大最大荷载23kN/m2。
设计示意图搭设材料平台支架采用φ48×3.2盘插钢管搭设。
序号审核要点计算过程结论1纵向支撑钢管计算纵向钢管的计算应力σ =48.424 N/mm2 < [f] =205 N/mm2符合要求纵向钢管的最大挠度为V =0.202 mm < [V] =600/150且< 10 mm符合要求2横向支撑钢管计算横向钢管的计算应力σ=140.119 N/mm2 < [f]=205 N/mm2符合要求支撑钢管的最大挠度为V =0.728 mm < [V]=600/150且< 10 mm符合要求3立杆的稳定性验算(必须同时满足规范中的三个公式计算应力的钢管立杆稳定性验算公式一σ =87.153 N/mm2 < 抗压强度设计值[f] = 205 N/mm2符合要求钢管立杆稳定性验算公式二σ =38.979 N/mm2 < 抗压强度设计值[f] = 205 N/mm2符合要求钢管立杆稳定性验算公式三符合要求******·国际家居城市广场塔吊基础盘插钢管落地支撑架专项方案************建设有限公司2014年5月目录一、工程概况及说明 (4)二、塔式起重机基础计算 (4)三、塔式起重机部位楼板计算及支撑 (6)四、附图 (7)附图1、塔式起重机平面位置图 (8)附图2、支撑架搭设平面图 (8)附图3、塔式起重机位置钢管支撑图负1层 (9)附图4、塔式起重机位置钢管支撑图负2层、负3层 (10)计算书: (12)一、工程概况及说明本工程为****实业有限公司投资开发的商业综合楼,地处****,****交汇处,总建筑面积为****平方米;地下室为**,地上部分***层,建筑总高度最高为****米;本工程相对标高±0.000 相当于绝对标高477.460m。
塔式起重机混凝土基础工程技术规程塔式起重机混凝土基础工程技术规程一、引言塔式起重机是目前广泛应用于建筑工地的一种重要起重设备,其搭建依赖于混凝土基础。
塔式起重机混凝土基础工程技术规程的制定旨在规范塔式起重机基础的施工和设计,确保其安全可靠地运行。
二、基础设计1. 基础类型塔式起重机的基础一般分为挖坑基础和砼板基础两种类型。
挖坑基础适用于工地地基较坚硬、无需特殊加固的情况;砼板基础适用于工地地基较差、需要加强基础承载力的情况。
2. 基础尺寸基础的尺寸应根据塔式起重机的型号、额定吊重和工地地基情况进行合理设计。
考虑到塔式起重机的稳定性,基础的宽度一般不小于塔式起重机高度的1/3。
3. 强度和稳定性计算基础的设计应满足强度和稳定性要求。
对于挖坑基础,需考虑土壤的承载力和压实度。
对于砼板基础,需考虑基础板和地基之间的接触,避免基础与地基之间产生空隙。
三、基础施工1. 基坑开挖根据基础设计要求,进行准确的基坑开挖,保证基坑的平整度和尺寸的准确性。
开挖过程中应注意地下管线的位置,避免破坏。
2. 基础搭模搭模前需将基坑清理干净,并将基坑底部夯实或加盖一层碎石进行均压。
然后根据基础设计要求搭建模板,保证模板的平整度和稳固性。
3. 砼浇筑在模板安装完毕后,进行砼浇筑。
砼的配合比应符合设计要求,并保持浇注过程的连续性,避免出现冷接缝。
四、基础验收基础施工完毕后,进行基础的验收。
验收应包括基础尺寸的测量、基础强度和平整度的检测等,确保基础达到设计要求。
五、安全措施在进行塔式起重机混凝土基础施工过程中,应加强安全措施,确保施工人员和设备的安全。
施工现场应设立明确的警示标志,禁止未经认可的人员进入。
六、结论塔式起重机混凝土基础工程技术规程的制定是为了保证塔式起重机基础的施工和设计达到国家标准和相关技术要求。
通过严格按照规程进行施工,可以确保塔式起重机基础的安全可靠,并提高工程质量和效率。
在今后的工程建设中,应加强对塔式起重机混凝土基础工程技术规程的宣传和应用,促进施工质量和安全管理水平的提升。
塔式起重机抗倾覆计算及基础设计一、基础的设置:根据塔式起重机说明书基础设置要求的技术参数及对地基的要求选用基础设计图,基础尺寸采用5.5m ×5.5m ×1。
2m,基础砼标号为C35(7天和28天期龄各一组),要有砼检测报告,基础表面砼平整度要求≤1/1000,塔式起重机预埋螺栓材料选用40Cr 钢,承重板高出基础砼面5~8㎜左右,要有排水设施。
二、塔式起重机抗倾覆计算①、塔式起重机的地基为天然地基,必须稳妥可靠,在表面上平整夯实,夯实后的 基础的承压能力不小于200kPa,基础的总重量不得小于80T ,砼 标 号 不 得 小 于 C35,砼的捣 制应密实,塔式起重机采用预埋螺栓固定式。
②、参数信息:塔吊型号:QTZ5510,塔吊起升高度H :37。
50m ,塔身宽度B :1。
7m , 自重F K :453kN,基础承台厚度h :1。
2m ,最大起重荷载Q :60kN,基础承台宽度b :5。
50m ,混凝土强度等级:C35。
③、塔式起重机在安装附着前,处于非工作状况时为最不利工况,按此工况进行设计计算。
塔式起重机受力分析图如下:根据《塔式起重机说明书》,作用在塔吊底座荷载标准值为:M K =1654kn ·m ,F K = 530KN ,Fv K =74。
9KN ,砼基础重量G K = 835KN④、塔式起重机抗倾覆稳定性验算:为防止塔机倾覆需满足下列条件:式中e-—-—- 偏心距,即地基反力的合力至基础中心的距离;MK-——-——相应于荷载效应标准组合时,作用于矩形基础顶面短边方向的力矩值;FvK-----—相应于荷载效应标准组合时,作用于矩形基础顶面短边方向的水平荷载;FK—————--塔机作用于基础顶面的竖向荷载标准值;h ------———基础的高度(h=1.2m);GK——---—---—基础自重;b——--————-矩形基础底面的短边长度。
(b=5.5m)将上述塔式起重机各项数值MK 、FvK、FK、h、GK、b代入式①得:e =1.28< b/3=1.83m偏心距满足要求,抗倾覆满足要求。
塔式起重机基础工程设计施工手册第一章绪论1.1 工程背景塔式起重机是一种常用于建筑工地及其他工业领域的重型起重设备,其安装需要具备坚固稳定的基础工程。
本手册旨在对塔式起重机基础工程的设计施工进行详细的规范和指导,以确保其安全可靠的使用。
1.2 编制目的本手册的编制旨在规范和指导塔式起重机基础工程的设计施工,确保其符合相关国家标准和规范要求,提高工程质量,保障安全生产。
1.3 适用范围本手册适用于塔式起重机基础工程的设计和施工,包括但不限于建筑工地、港口、码头、仓储等领域。
第二章塔式起重机基础设计2.1 地质勘察在进行塔式起重机基础设计前,必须进行地质勘察,了解地质条件,包括地下水位、土层性质、承载力等,以便合理设计基础结构。
2.2 基础类型根据地质条件和起重机的规格要求,选择适当的基础类型,常见的基础类型包括桩基础、承台基础、钢筋混凝土基础等。
2.3 基础结构设计基础结构设计应符合相关国家标准和规范,包括地基承载力计算、基础尺寸确定、钢筋混凝土配筋等内容,确保基础结构承载能力和稳定性。
2.4 基础附属设施设计除了主体基础结构外,还应考虑基础附属设施的设计,如基础排水系统、基础防腐保护等,以确保基础工程的完整性和可靠性。
第三章塔式起重机基础施工3.1 施工准备进行基础施工前,必须进行充分的施工准备工作,包括制定施工方案、搭建施工场地、采购施工材料设备等。
3.2 基础施工工艺根据设计要求,严格按照基础施工工艺进行施工,包括基础开挖、钢筋安装、混凝土浇筑等环节,确保施工质量。
3.3 施工质量控制在施工过程中,严格控制施工质量,包括基础尺寸、混凝土强度、钢筋连接等,确保施工质量达标。
3.4 施工安全在施工过程中,严格执行施工安全规范,加强安全教育培训,配备必要的施工安全设施,确保施工安全。
第四章质量验收与安全监管4.1 基础质量验收在基础施工结束后,必须进行基础质量验收,包括基础结构的尺寸、强度、平整度等,确保基础质量合格。
塔式起重机基础设计1.引言2.地基选择塔式起重机的地基选择是基础设计中的首要任务。
一般来说,地基应具备良好的承载能力和稳定性。
根据地基的不同,可以选择桩基础或者浅基础。
对于较为软弱的地基,可以采用钢管桩等形式的深基础,而对于较为稳定的地基,则可以采用筏式浅基础。
3.基础形式塔式起重机的基础形式有多种选择,常见的有梅花式基础、单柱式基础和双柱式基础。
梅花式基础是最常用的一种形式,其特点是具有较高的稳定性和承载能力。
单柱式基础适用于较小的起重机,而双柱式基础适用于较大的起重机。
选择基础形式时还需考虑周围环境和工程要求等因素。
4.基础尺寸塔式起重机的基础尺寸是基础设计中的关键问题。
基础尺寸的大小直接关系到塔式起重机的承载能力和稳定性。
一般来说,基础尺寸应根据起重机的工作条件和额定承载力来确定,同时还需考虑周围交通、施工区域等因素。
在确定基础尺寸时,还需要进行充分的受力计算和结构分析。
5.基础设计要点塔式起重机基础设计的要点包括地基处理、基础的选择和设计、基础的施工等方面。
地基处理是确保地基承载能力和稳定性的重要措施,可以采用加固地基、加桩等方式。
基础的选择和设计需要根据具体情况进行,应综合考虑起重机尺寸、地基条件、施工工艺等因素。
基础的施工需要按照相关规范进行,确保施工质量和安全。
6.基础监测与维护塔式起重机基础设计完成后,还需要进行基础监测和维护工作。
基础监测可以采用传感器等设备进行,主要监测基础的沉降、倾斜等情况,及时发现并处理异常情况。
基础维护包括定期检查基础的状况、清除周围堆积物、防止基础破坏等工作,确保基础的安全可靠。
7.结论塔式起重机基础设计是确保起重机安全稳定工作的重要环节。
通过合理的地基选择、基础形式选择、基础尺寸确定以及基础设计、施工、监测维护等工作,可以保证塔式起重机的工作效果和安全可靠性。
同时,在进行基础设计时还需遵循相关规范和标准,确保设计合理、施工安全。
塔式起重机基础工程设计施工手册1.本手册旨在指导塔式起重机基础工程的设计和施工。
This manual aims to guide the design and construction of the foundation engineering for tower cranes.2.在进行基础设计前,需要对场地进行勘察和测量。
Before designing the foundation, the site needs to be surveyed and measured.3.基础设计应符合国家相关标准和规范。
The foundation design should comply with the relevant national standards and regulations.4.地基的承载力和稳定性是基础设计的重要考虑因素之一。
The bearing capacity and stability of the soil are important considerations in foundation design.5.不同类型的塔式起重机需要不同类型的基础设计。
Different types of tower cranes require different types of foundation design.6.基坑的开挖应按照设计要求进行,并且保证边坡的稳定。
The excavation of the foundation pit should be carried out in accordance with the design requirements, and the stability of the slopes should be ensured.7.钢筋混凝土基础的浇筑应严格按照工艺要求进行。
The pouring of reinforced concrete foundations should be carried out strictly in accordance with the process requirements.8.基础施工现场应设置安全防护措施,确保施工人员的安全。
塔式起重机基础工程设计施工手册第一章塔式起重机基础工程设计概述1.1 塔式起重机基础工程的重要性塔式起重机是工程施工中常见的起重设备,它能够在施工现场进行大型物料的搬运和安装。
而塔式起重机的稳定性和安全性直接关系到施工现场的安全和效率,因此塔式起重机基础工程的设计施工至关重要。
1.2 塔式起重机基础工程的设计原则在设计塔式起重机基础工程时,需要遵循以下原则:(1)满足塔式起重机的使用要求;(2)保证基础工程的稳定性和安全性;(3)合理利用材料和降低成本;(4)考虑施工现场的实际情况和环境要素。
1.3 塔式起重机基础工程的设计施工标准根据国家相关标准和规范,塔式起重机基础工程的设计施工需要符合《建筑工程混凝土结构工程施工质量验收规范》(GB 50204-2015)、《塔式起重机基础与安装要求及验收规范》(GB 17770-1999)等相关标准。
第二章塔式起重机基础工程设计要点2.1 基础类型选择在选择塔式起重机基础类型时,需要考虑施工现场的土壤情况、起重机的类型和规格、施工要求等因素。
常见的基础类型包括桩基础、板桩基础、沉井基础等。
2.2 基础设计参数塔式起重机的基础设计参数包括承载能力、稳定性、防倾覆、地基承载力等。
其中,承载能力是设计的重点,需要根据起重机的最大起重量和工作状态进行计算。
2.3 基础结构设计基础结构设计应考虑基础的稳定性和抗风性能。
常见的基础结构形式有桩基础、承台基础、钢筋混凝土基础等,设计应根据实际情况选择合适的结构形式。
第三章塔式起重机基础工程施工工艺3.1 基础施工前准备基础施工前,需要做好土方开挖、场地平整、勘察资料准备等工作。
同时,要制定好施工组织设计,确保施工安全和质量。
3.2 基础材料选用基础材料的选用直接影响到基础工程的质量和使用寿命。
常见的材料包括水泥、砂、石子、钢筋等,应根据设计要求和标准进行选用。
3.3 基础施工工艺基础施工包括桩基础施工、承台浇筑、地锚施工等步骤,需要按照设计和规范要求进行施工,确保施工质量和安全。
矩形板式基础计算书计算依据:1、《塔式起重机混凝土基础工程技术规程》JGJ/T187-20092、《混凝土结构设计规范》GB50010-20103、《建筑地基基础设计规范》GB50007-2011一、塔机属性塔机竖向荷载简图1、塔机自身荷载标准值k基础布置图Gk =blhγc=5.5×5.5×1.4×25=1058.75kN基础及其上土的自重荷载设计值:G=1.2Gk=1.2×1058.75=1270.5kN 荷载效应标准组合时,平行基础边长方向受力:Mk ''=G1RG1+G2RQmax-G3RG3-G4RG4+0.9×(M2+0.5FvkH/1.2)=57.9×28+4.2×12.97-29.11×6.3-152.3×12.5+0.9×(800+0.5×18.927×43/1.2)=613.729kN·mFvk ''=Fvk/1.2=18.927/1.2=15.772kN荷载效应基本组合时,平行基础边长方向受力:M''=1.2×(G1RG1+G2RQmax-G3RG3-G4RG4)+1.4×0.9×(M2+0.5FvkH/1.2)=1.2×(57.9×28+4.2×12.97-29.11×6.3-152.3×12.5)+1.4×0.9×(800+0.5×18.927×43/1.2)=941.514kN·mFv ''=Fv/1.2=26.498/1.2=22.081kN基础长宽比:l/b=5.5/5.5=1≤1.1,基础计算形式为方形基础。
Wx=lb2/6=5.5×5.52/6=27.729m3Wy=bl2/6=5.5×5.52/6=27.729m3相应于荷载效应标准组合时,同时作用于基础X、Y方向的倾覆力矩:Mkx =Mkb/(b2+l2)0.5=834.167×5.5/(5.52+5.52)0.5=589.845kN·mMky =Mkl/(b2+l2)0.5=834.167×5.5/(5.52+5.52)0.5=589.845kN·m1、偏心距验算相应于荷载效应标准组合时,基础边缘的最小压力值:Pkmin =(Fk+Gk)/A-Mkx/Wx-Mky/Wy=(521.1+1058.75)/30.25-589.845/27.729-589.845/27.729=9.683kPa≥0 偏心荷载合力作用点在核心区内。
塔式起重机抗倾覆计算及基础设计塔式起重机抗倾覆计算及基础设计一、基础的设置:根据塔式起重机说明书基础设置要求的技术参数及对地基的要求选用基础设计图,基础尺寸采用5.5m×5.5m×1.2m,基础砼标号为C35(7天和28天期龄各一组),要有砼检测报告,基础表面砼平整度要求≤1/1000,塔式起重机预埋螺栓材料选用40Cr钢,承重板高出基础砼面5~8㎜左右,要有排水设施。
二、塔式起重机抗倾覆计算①、塔式起重机的地基为天然地基,必须稳妥可靠,在表面上平整夯实,夯实后的基础的承压能力不小于200kPa,基础的总重量不得小于80T,砼标号不得小于 C35,砼的捣制应密实,塔式起重机采用预埋螺栓固定式。
②、参数信息:塔吊型号:QTZ5510,塔吊起升高度H:37.50m,塔身宽度B:1.7m,自重FK:453kN,基础承台厚度h:1.2m,最大起重荷载Q:60kN,基础承台宽度b:5.50m,混凝土强度等级:C35。
③、塔式起重机在安装附着前,处于非工作状况时为最不利工况,按此工况进行设计计算。
塔式起重机受力分析图如下:根据《塔式起重机说明书》,作用在塔吊底座荷载标准值为:MK=1654kn·m, FK = 530KN,FvK=74.9KN,砼基础重量GK= 835KN④、塔式起重机抗倾覆稳定性验算:为防止塔机倾覆需满足下列条件:式中e----- 偏心距,即地基反力的合力至基础中心的距离;MK------ 相应于荷载效应标准组合时,作用于矩形基础顶面短边方向的力矩值;FvK------相应于荷载效应标准组合时,作用于矩形基础顶面短边方向的水平荷载;FK-------塔机作用于基础顶面的竖向荷载标准值;h ---------基础的高度(h=1.2m);GK----------基础自重;b---------矩形基础底面的短边长度。
(b=5.5m)将上述塔式起重机各项数值MK 、FvK、FK、h、GK、b代入式①得:e =1.28< b/3=1.83m偏心距满足要求,抗倾覆满足要求。
QTZ6021板式桩基础塔吊方案计算书(按JGJ187-2009规范)矩形板式桩基础计算书一、塔机属性塔机型号 QTZ6021 塔机独立状态的最大起吊高度 H 0 (m) 40.00 塔机独立状态的计算高度 H(m) 43.00 塔身桁架结构方钢管塔身桁架结构宽度 B(m) 1.60 二、塔机荷载塔机竖向荷载简图 1 、塔机自身荷载标准值塔身自重 G 0矩形板式桩基础计算书一、塔机属性二、塔机荷载塔机竖向荷载简图QTZ6021板式桩基础塔吊方案计算书(按JGJ187-2009规范)(2)1 、塔机自身荷载标准值塔身自重 G 0 (kN) 251.00 起重臂自重 G 1 (kN) 37.40 起重臂重心至塔身中心距离 R G1 22.00 小车和吊钩自重 G2 (kN) 3.80 最大起重荷载 Q max (kN) 60.00 小车和吊钩至塔身中心的最小距离1、塔机自身荷载标准值塔身自重G0(kN)251.00起重臂自重G1(kN)37.40起重臂重心至塔身中心距离R G122.00小车和吊钩自重G2(kN) 3.80最大起重荷载Q max(kN)60.00小车和吊钩至塔身中心的最小距离R Qmax(m)11.50最小起重荷载Q min(kN)10.00最大吊物幅度R Qmin(m)50.00最大起重力矩M2(kN·m)Max[60.00×11.50,10.00×50.00]=690.002、风荷载标准值W k(kN/m2)QTZ6021板式桩基础塔吊方案计算书(按JGJ187-2009规范)(3)3 、塔机传递至承台荷载标准值工作状态塔机自重标准值 F k1 (kN)251.00+37.40+3.80+19.80+89.40 = 401.40 起重荷载标准值 F Qk (kN) 60.00 竖向荷载标准值 F k (kN) 401.40+60.00 = 461.40 水平荷载标准值 F v3、塔机传递至承台荷载标准值4、塔机传递至承台荷载设计值QTZ6021板式桩基础塔吊方案计算书(按JGJ187-2009规范)(4)三、桩顶作用效应计算承台布置桩数 n 4 承台高度 h(m) 1.25 承台长 l(m)4.80 承台宽 b(m) 4.80 承台长向桩心距 a l (m) 3.60 承台宽向桩心距 a b (m) 3.60 桩直径 d(m) 0.60 承台参数承台混凝土等级 C25 承台混三、桩顶作用效应计算承台布置桩数n4承台高度h(m) 1.25承台长l(m) 4.80承台宽b(m) 4.80承台长向桩心距a l(m) 3.60承台宽向桩心距a b(m) 3.60桩直径d(m)0.60承台参数承台混凝土等级C25承台混凝土自重γC(kN/m3)25.00承台上部覆土厚度h'(m)0.00承台上部覆土的重度γ'(kN/m3)19.00承台混凝土保护层厚度δ(mm)50配置暗梁是矩形桩式基础布置图承台及其上土的自重荷载标准值:G k=bl(hγc+h'γ')=4.80×4.80×(1.25×25.00+0.00×19.00)=720.00kN承台及其上土的自重荷载设计值:G=1.2G k=1.2×720.00=864.00kN桩对角线距离:L=(a b2+a l2)0.5=(3.602+3.602)0.5=5.09m(责任编辑:品茗软件)QTZ6021板式桩基础塔吊方案计算书(按JGJ187-2009规范)(5)1 、荷载效应标准组合轴心竖向力作用下: Q k =(F k +Gk )/n=(401.40+720.00)/4=280.35kN 荷载效应标准组合偏心竖向力作用下: Q kmax =(F k +G k )/n+(M k +F Vk h)/L=(401.40+720.00)/4+(1263.60+75.371.25)/51、荷载效应标准组合轴心竖向力作用下:Q k=(F k+G k)/n=(401.40+720.00)/4=280.35kN荷载效应标准组合偏心竖向力作用下:Q kmax=(F k+G k)/n+(M k+F Vk h)/L=(401.40+720.00)/4+(1263.60+75.37×1.25)/5.09=547.05kNQ kmin=(F k+G k)/n-(M k+F Vk h)/L=(401.40+720.00)/4-(1263.60+75.37×1.25)/5.09=13.65kN2、荷载效应基本组合荷载效应基本组合偏心竖向力作用下:Q max=(F+G)/n+(M+F v h)/L=(481.68+864.00)/4+(1840.40+105.52×1.25)/5.09=723.82kNQ min=(F+G)/n-(M+F v h)/L=(481.68+864.00)/4-(1840.40+105.52×1.25)/5.09=-50.98kN四、桩承载力验算(责任编辑:品茗软件)QTZ6021板式桩基础塔吊方案计算书(按JGJ187-2009规范)(6)1 、桩基竖向抗压承载力计算桩身周长: u=d=3.140.60=1.88m 桩端面积: A p =d2 /4=3.140.60 2 /4=0.28m 2 R a =uq sia l i +q pa A p=1.88(13.005.00+7.4024.00+1.6018.0)+200.000.28=568.13kN 2 、桩基竖向抗1、桩基竖向抗压承载力计算桩身周长:u=πd=3.14×0.60=1.88m桩端面积:A p=πd2/4=3.14×0.602/4=0.28m2R a=uΣq sia·l i+q pa·A p=1.88×(13.00×5.00+7.40×24.00+1.60×18.0)+200.00×0.28=568.13kN2、桩基竖向抗拔承载力计算Q kmin=13.65kN≥0不需要进行桩基竖向抗拔承载力计算!3、桩身承载力计算纵向预应力钢筋截面面积:A ps=nπd2/4=11×3.14×10.72/4=989mm2(1)、轴心受压桩桩身承载力荷载效应基本组合下的桩顶轴向压力设计值:Q=Q max=723.82kN桩身结构竖向承载力设计值:R=2700.00kN满足要求!(2)、轴心受拔桩桩身承载力Q kmin=13.65kN≥0不需要进行轴心受拔桩桩身承载力计算!(责任编辑:品茗软件)QTZ6021板式桩基础塔吊方案计算书(按JGJ187-2009规范)(7)五、承台计算承台配筋 ( 设暗梁 ) 承台梁上部配筋 HRB335 618 承台梁腰筋配筋 HPB235 414 承台梁底部配筋 HRB335 820 承台梁箍筋配筋 HPB235 12@200 承台梁箍筋肢数 n 4 暗梁计算宽度 l'(m) 0.60 1 、荷载计算塔五、承台计算1、荷载计算塔身截面对角线上立杆的荷载设计值:F max=F/n+M/(20.5B)=481.68/4+1840.40/(20.5×1.60)=933.77kNF min=F/n-M/(20.5B)=481.68/4-1840.40/(20.5×1.60)=-692.93kNV max=483.15kN,M max=341.66kN·m,M min=-681.24kN·m2、受剪切计算截面有效高度:h0=h-δc=1250-50=1200mm受剪切承载力截面高度影响系数:βhs=(800/1200)1/4=0.90塔吊边至桩边的水平距离:a1b=(a b-B-d)/2=(3.60-1.60-0.60)/2=0.70ma1l=(a l-B-d)/2=(3.60-1.60-0.60)/2=0.70m 计算截面剪跨比:λb'=a1b/h0=0.70/1.20=0.58,取λb=0.58;λl'= a1l/h0=0.70/1.20=0.58,取λl=0.58;承台剪切系数:αb=1.75/(λb+1)=1.75/(0.58+1)=1.11αl=1.75/(λl+1)=1.75/(0.58+1)=1.11V max=483.15kN≤βhsαb f t l'h0=0.90×1.11×1270.00×0.60×1.20=913.23kNV max=483.15kN≤βhsαl f t l'h0=0.90×1.11×1270.00×0.60×1.20=913.23kN满足要求!3、受冲切计算塔吊对承台底的冲切范围:B+2h0=1.60+2×1.20=4.00ma b=3.60m≤B+2h0=4.00m,a l=3.60m≤B+2h0=4.00m角桩位于冲切椎体以内,可不进行角桩冲切的承载力验算!4、承台配筋计算(1)、承台梁底部配筋αS1= M min/(α1f c l'h02)=681.24×106/(1.05×11.90×600×12002)=0.063ζ1=1-(1-2αS1)0.5=1-(1-2×0.063)0.5=0.065γS1=1-ζ1/2=1-0.065/2=0.967A S1=M min/(γS1h0f y1)=681.24×106/(0.967×1200×300)=1957mm2最小配筋率:ρ=max(0.2,45f t/f y1)=max(0.2,45×1.27/300)=max(0.2,0.19)=0.20%梁底需要配筋:A1=max(A S1, ρlh)=ma x(1957,0.002×600×1250)=1957mm2梁底部实际配筋:A S1'=2514mm2≥A S1=1957mm2满足要求!(2)、承台梁上部配筋αS2= M max/(α2f c l'h02)=341.66×106/(1.05×11.90×600×12002)=0.032ζ2=1-(1-2αS2)0.5=1-(1-2×0.032)0.5=0.032γS2=1-ζ2/2=1-0.032/2=0.984A S1=M max/(γS2h0f y2)=341.66×106/(0.984×1200×300)=965mm2最小配筋率:ρ=max(0.2,45f t/f y2)=max(0.2,45×1.27/300)=max(0.2,0.19)=0.20%梁上部需要配筋:A2=max(A S2, ρl'h)=max(965,0.002×600×1250)=1500mm2梁上部实际配筋:A S2'=1527mm2≥A S2=1500mm2满足要求!(3)、梁腰筋配筋梁腰筋按照构造配筋4Φ14(4)、承台梁箍筋计算箍筋抗剪计算截面剪跨比:λ'=(L-20.5B)/(2h0)=(4.80-20.5×1.60)/(2×1.20)=1.06取λ=1.50混凝土受剪承载力:1.75f t l'h0/(λ+1)=1.75×1.27×0.60×1.20/(1.50+1)=0.64kN V max=483.15kN>1.75f t l'h0/(λ+1)=0.64kNnA sv1/s=4×(3.14×122/4)/200=2.26(V-0.7f t l'h0)/(1.25f yv h0)=(483.15×103-0.7×1.27×600×1200)/(1.25×210×1200)=-0.50mm2/mm nA sv1/s≥(V-0.7f t lh0)/(1.25f yv h0)满足要求!配箍率验算ρsv=nA sv1/( l's)=4×(3.14×122/4)/(600×200)=0.38%≥p sv,min=0.24f t/f yv=0.24×1.27/210=0.15%满足要求!(5)、承台竖向连接筋配筋面积承台竖向连接筋为双向Φ10@500。
塔式起重机基础施工方案(1)一、项目简介本文档旨在提供塔式起重机基础施工方案的详细步骤,确保施工进程顺利进行。
在建筑领域,塔式起重机被广泛应用于大型建筑工程中,其基础施工至关重要。
二、施工准备1.在进行塔式起重机基础施工前,需对施工现场进行充分的调查和勘探,确定地基土质。
2.根据设计要求,准备好所需的施工设备和材料,确保吊装设备齐全。
3.确保施工人员具备相关的专业技能和证书,做好安全防护准备。
三、施工步骤1.标志定位:根据设计图纸要求,在地面标明基础位置,确定基准点,确保准确施工。
2.基础开挖:使用挖掘机对地面进行开挖,确保开挖深度和面积符合设计要求。
3.基础浇筑:在基础开挖完毕后,进行基础混凝土浇筑,注意控制浇筑质量和时间。
4.基础固化:待混凝土初凝后,进行基础固化处理,确保基础强度和稳定性。
5.安装基础支架:在基础固化后,安装支架,为塔式起重机的安装提供支撑。
6.验收:对基础工程进行验收,确保符合安全施工标准。
四、施工注意事项1.施工过程中,保持现场整洁,及时清理施工垃圾和泥浆。
2.严格按照设计要求和施工图纸操作,不得擅自更改。
3.保证施工人员安全,做好安全教育和防护工作。
4.定期对施工设备进行检查和维护,确保设备正常运行。
五、总结塔式起重机基础施工是建筑工程中的重要环节,合理的施工方案和严格的执行能够确保施工质量和安全。
通过本文档提供的施工方案,可以帮助施工人员有效地完成基础施工工作,为建筑工程的顺利进行打下坚实的基础。
以上是塔式起重机基础施工方案的部分内容,希望能对相关人员在实际工作中提供一定的指导和帮助。
QTZ80塔吊基础设计1、塔吊技术参数:1.1 垂直压力:560KN1.2 倾覆力矩:1526KN·m1.3 扭矩:274KN·m1.4 水平力:62KN2、底板设计:2.1 塔吊基础采用整板基础,板厚h=1400mm,板顶与底板垫层相平,平面尺寸为5500*5500mm。
2.2 混凝土强度等级C25 fcm =13.5N/mm² fc=12.5N/mm² ft=1.5N/mm²2.3 Ⅱ级钢筋fy =310N/mm²Ⅰ级钢筋fy=210N/mm²3、荷载计算:3.1基础自重G=5.5*5.5*1.4*25=1058.75KN荷载值 1058.75*1.2=1270.5KN3.2基础顶部荷载中心轴向力:560KN弯矩:1526KN·m扭矩:274KN·m水平力:62KN4、配筋计算:4.1 基础自重均布荷载:q=1270.5/5.5=231KN/m4.2 由自重引起的弯矩:M1=ql²/8=231*5.5²/8=873.5KN·m4.3 As=M/fy rh=(M1+M2)/fyrh=(1526+873.5)*106/(310*0.9*1330)=6466mm2(H=h-70=1400-70=1330mm) 选33Φ16@170As=33*201=6633mm2>6466mm25、抗剪强度验算:V≤0.07fcAA=5.5*103*1400=7.7*106mm2V=560+1270.5=1830.50.07fA=0.07*12.5*7.7*106=6.74*106=6.74*103KNV<0.07fA6、抗冲切验算:p jmax A1≤0.6ftA2A 1=(b/2-bc/2-h)*l-(l/2-lc/2-h)2=(5.5/2-1.6/2-1.4)*5.5-(5.5/2-1.6/2-1.4)2=2.72m2A 2=h(lc+h)=1.4*(1.6+1.4)=4.2p jmax A1=92*2.72=250.24KN 0.6ftA2=0.6*1.5*103*4.2=3780KNpjmax:基底最大净反力设计值(Kpa)A1:考虑冲切荷载时取用的多边形面积(m2)A2:冲切截面的水平投影面积故Pjmax A1≤0.6ftA2满足抗冲切要求7、地基应力计算:根据地基勘查报告,承台支承于粉质粘土上,其地基承载力标准值fk=200KN/m2f K ≥1.2PmaxPmax=N/A+M/W=(560+1270.5)/(5.5*5.5)+873.5/(1/6*5.53) =60.5KN/m2+31.5KN/m2=92KN/m2Pmin=60.5KN/mm2-31.5KN/mm2=29KN/mm2>0P=60.5KN/mm2<fk=200KN/mm2Pmax=92KN/mm2f K ≥1.2Pmax=1.2*92KN/mm2=110.4KN/mm28、抗扭验算: 8.1截面验算:V/bxh0+T/Wt≤0.25fcV=1830.5KN Wt=b2(3h-b)/6=5.52*(3*5.5-5.5)/6=55.46m3 T=274KN·mV/bxh0+T/Wt=1830.5*103/(5500*5400)+(274*106)/(55.46*109)=0.063+0.005=0.068N/mm2<0.25*12.5N/mm2=3.125N/mm28.2素混凝土抗扭验算:T U =0.7FtWt=0.7*1.5N/mm2*55.46m3*106*10-3=5.82*104KN·m>274KN·m因此不必设置抗扭钢筋9、塔吊基础平面布置及配筋图见附图:10、塔吊具体位置见塔吊基础平面位置布置图。
浅谈塔式起重机板式基础设计汪少波(苏州中正建设工程有限公司)【摘 要】: 板式塔式起重机基础作为最基本的基础形式被广泛应用于建设领域,几乎每个项目技术人员都会遇到板式塔吊基础的设计。
本文对板式塔吊基础设计的规范及常见问题进行了分析,以期帮助技术人员更好的理解板式塔吊基础设计。
【关键词】:塔式起重机 板式基础1引言1.0.1 根据集团公司统计,近两年我们每年的塔吊安装台次近170余台,其中70%以上都采用了板式基础的形式,目前执行的主要规范依据为《塔式起重机混凝土基础工程技术规程》JGJ/T 187-2009,另外《建筑地基基础设计规范》GB50007-2011、《建筑施工塔式起重机安装、使用、拆卸安全技术规程》JGJ196-2010、《高耸结构设计规范》GB50135-2006、《塔式起重机设计规范》GB/T 13752-92都可以作为设计参考依据。
1.0.2 从技术部门对塔吊基础方案的审批反馈情况来看,方案的设计情况差异较大,过分依赖软件,对规范理解不够,考虑因素不全面,加之不同规范有不同的条文规定,因此本文对板式塔吊基础的设计参考规范及常见问题进行了分析,希望通过本文的分析,帮助技术人员更好理解目前几本发行的有效规范,在塔吊基础设计时能采用合理参数,使塔吊基础设计兼具安全与经济性。
1.0.3 板式塔吊基础的设计主要包含地基承载力特征值确定于修正、塔吊传递给基础的荷载、基础尺寸确定、板式基础偏心距、承载力验算及基础脱开面积校核、软弱下卧层验算、地基变形计算、地基稳定性计算、冲切验算与配筋计算。
1.0.4 本文的一些计算分析结论主要依据无锡巨神生产的QTZ5013塔式起重机参数,在同级别的塔式起重机中,无锡巨神QTZ5013塔吊说明书所提供的荷载参数偏大且最全面,具有代表性,这个级别的塔吊也是应用最广泛的塔式起重机。
无锡巨神QTZ5013塔式起重机荷载参数及荷载示意图见表1.0.4、图1.0.4-1、图1.0.4-2所示。
表1.0.4 无锡巨神QTZ塔式起重机荷载参数表吊钩高度固定方式混凝土基础承受的载荷工作状态非工作状态H1 H2 M1 M2 M3 P H1 H2 M1 M2 M3 P40.1m a / 27.8 564 996 170 51340.1m a 24.5 / 1252 / 67 513 73.5 / 1796 / / 434 40.1m b 24.5 / 1211 / 67 513 66.2 / 1628 / / 434注:表中中固定方式a为大臂沿塔身对角线方向,b为大臂与塔身平行方向。
P为基础所受的垂直力(kN),H1、H2为基础所受水平力(kN),M1、M2为基础所受的倾覆力矩(kN·m),M3为基础所受的扭矩(kN·m)。
本表中所列荷载不含基础自重在内。
固定方式(a)固定方式(b)图1.0.4-1 塔吊荷载示意图图1.0.4-2 板式基础尺寸及荷载示意图注:以上均为说明书所提供,关于荷载的示意图及荷载参数表,个人认为应体现(对板式基础来说)单向偏心与双向偏心(沿塔身对角线方向)两种受力状态下的荷载参数,但目前很多厂家只提供单向的荷载参数,数据不够全面。
1.0.5 对于其他大吨位的塔式起重机,也可根据本文进行另外测算。
2地基承载力特征值修正2.0.1 地基承载力设计值可以直接采用未经修正的地勘报告提供的地基承载力特征值 。
2.0.2 由于板式塔吊基础的宽度一般都大于3m,埋置深度也大于0.5m,因此根据建筑地基基础设计规范,对于地勘报告提供的地基承载力特征值fak可以根据基础宽度和深度按下式对其进行修正并得出设计值。
= + ( −3)+ ( −0.5)(2.0.2)2.0.3 塔吊基础的宽度一般都不低于5m,宽度较大,有利于荷载的传递与扩散,因此可以进行修正。
2.0.4 对于深度修正,规范是基于回填至原自然地面、基础周边回填土的压重对基础两侧滑动土体向上滑动具有抵抗作用的前提条件下,但目前塔吊基础在安装前进行回填的情况很少,塔吊安装前其基础基本处于基坑内敞开状态,因此不建议对深度进行修正。
2.0.5 当塔吊基础设计为下图2.0.5形式且塔吊安装前基础周边土(2~4倍基础宽度范围内)经压实回填至原自然地面标高时,可以对地基承载力特征值予以深度修正。
图2.0.5 地基承载力特征值可以进行深度修正时的设计形式示意图2.0.6 当地勘报告所提供的地基承载力特征值fak值不小于100kPa时,根据塔式起重机混凝土基础工程技术规程所设计的板式基础地基最大压应力 一般都小于 1.2 ,因此这种情况下对地基承载力特征值是否进行修正影响有限。
2.0.7 经计算分析,对于长三角冲积平原的软土地基,当地勘报告所提供的地基承载力特征值在70~100kPa左右时,对地基承载力特征值进行修正有利于板式塔吊基础设计,可以提高板式基础设计的经济性,但此时对基础偏心距及基础允许脱开面积应从紧控制。
3塔吊传递到基础的载荷3.0.1 《塔式起重机设计规范》GB/T 13752自1993年实施,2010年启动修订,2014年海南岛台风导致130余台塔吊倾覆事件发生后,设计规范修订加速,并提高了安全系数,风压值提高约30%。
新规范已于2014年底报批,预计将于2016年左右颁布实施。
3.0.2 根据《塔式起重机设计规范》GB/T 13752-92,塔吊在设计时已经充分考虑了如下因素:1. 各类可能产生的载荷,塔吊设计载荷参见图3.0.2所示。
2. 各类载荷都有规范明确规定的载荷系数。
3. 对基本稳定性、动态稳定性、暴风侵袭、突然卸载都要进行工况验算。
4. 对抗倾覆稳定性进行校核。
5. 对防风抗滑安全性进行验算。
6. 对支承反力进行确定。
7. 对基础(和轨道)进行抗倾覆稳定性验算。
3.0.3 根据3.0.2条,一般塔吊说明书所提供的塔身传递到基础的荷载为考虑荷载组合后的最大设计值,因此在进行板式塔吊基础设计时可以直接采用说明书中提供的载荷作为设计值。
3.0.4 市场上常见的计算软件(如品茗)输入的都是标准值,软件内又附加了风荷载,恒荷载、活荷载的荷载系数也按照规范正常取值,此时如果直接代入塔吊说明书中的荷载,会导致荷载系数二次重复计算,设计的板式基础偏大,不经济,常常会出现以前设计都没问题的基础怎么算都算不过的情况。
3.0.5 国内一些大厂的塔式起重机的整体安全系数可达1.3~1.5,随着生产厂家增多竞争加剧,一些小厂的产品整体安全系数普遍下降到1.2左右,说明书中提供的荷载参考值也不完整,在选用时应特别注意。
3.0.6 容易受大风或台风影响的地区如沿海,老规范考虑的风荷载偏小,在设计板式基础时可以考虑附加的风荷载,或者采用其他措施如增加附墙架、降节至附墙位置、增加缆风绳等增强板式基础的抗倾覆性能。
设计载荷其他载荷特殊载荷附加载荷基本载荷图3.0.2 塔式起重机设计载荷示意图4 基础的尺寸确定4.0.1 板式基础的初步尺寸(面积)可根据下式进行估算:A = (4.0.1)式中: ——基底以上土的平均重度,(kN╱m³);P ——塔吊竖向荷载(kN);ℎ ——基础底面以上覆土厚度(m)。
μ——根据以往设计所取经验系数,可取7~9。
4.0.2 由于塔吊倾覆力矩较大,因此根据式4.0.1所估算的基础底面积因倾覆力矩大小不同会略有出入,除接近淘汰的40系列塔吊,一般不应小于20㎡。
4.0.3 塔吊传递至基础的荷载为中心对称荷载,因此板式基础应尽量设计为双向对称的正方形,当设计为矩形时,边长比应尽量小于1.1。
限于工程实际情况,当边长比大于1.1时,应严格验算沿短边方向的抗倾覆承载力。
4.0.4 矩形板式基础长边的经济性及短边的抗倾覆能力不如同等面积的正方形基础,设计时应尽量避免。
5 板式基础偏心距e5.0.1 《塔式起重机混凝土基础工程技术规程》JGJ/T 187-2009是目前进行塔吊基础设计的主要依据,其编制参考了高耸结构设计规范,规范中对于基础偏心距及脱开面积有较为严格的规定,塔吊基础偏心距按照下式进行计算:(5.0.1) 式中: ——塔吊基础自重(kN);h ——塔吊基础高度(m);M ——塔吊的倾覆力矩(kN·m);H ——塔吊传递至基础的水平荷载(kN);P ——塔吊传递至基础的竖向荷载(kN)5.0.2 《塔式起重机混凝土基础工程技术规程》JGJ/T 187-2009、《建筑施工塔式起重机安装、使用、拆卸安全技术规程》JGJ196-2010中均明确规定基础偏心距e≤b/4(b 为基础边长)。
5.0.3 《建筑地基基础设计规范》GB50007-2011中仅规定了e≥b/6时的计算方式,未对上限做出规定。
5.0.4 《塔式起重机设计规范》GB/T 13752-92中明确规定e≤b/3(P13第4.6.3条)。
5.0.5 根据以上情况,个人认为塔吊基础在设计时可根据以下情况进行评估控制:1. 塔吊安装高度不超过20m 且地质情况较好(地勘报告提供的地基承载力特征值不小于130kPa 且无软弱下卧层)、风荷载影响不大时,可放宽对基础偏心距的条件,但应以b/3为最高限值。
2. 安装高度超过20m(且无附墙)或地质情况不理想(地勘报告提供的地基承载力特征值小于130kPa 或存在软弱下卧层)时,应从严控制基础偏心距,即e≤b/4。
= ∙3. 提高偏心距有利于塔吊基础设计的经济性,但是还应该满足《塔式起重机混凝土基础工程技术规程》JGJ/T 中关于基础底面脱开面积的限值规定。
4. 基础偏心距与基础的自重有反比关系,而基础自重与边长的平方成正比,与基础高度成正比,因此增加边长比增加高度更能有效降低偏心距,增强基础抗倾覆能力。
从经济性上来讲,在条件许可的情况下宜扩大基础面积,其次才是增加基础高度。
5. 除非基础设计成可装配、可周转的形式,否则将偏心距e 设计为不大于b/6是很不经济的。
6. 从规范制定趋势来看安全性在逐步提升,一旦《塔式起重机设计规范》发布应严格遵守有关偏心距的控制。
7. 宜参考最新规范进行基础设计。
6 承载力验算及基础脱开面积校核6.0.1 出于经济性考虑,板式基础在单向偏心荷载作用下,其偏心距应控制在b/6~b/3,单向偏心工况下地基最大压应力按下式进行计算复核:(6.0.1)式中:l ——垂直于计算方向的基础边长(m);a ——荷载合力至基础边缘的距离(m)。
6.0.2 板式基础在双向偏心荷载作用下,其合力点设计在荷载核心区外是较为经济的,地基最大压应力按下式进行计算复核:(6.0.2)式中: 、 ——合力点至基础两个方向边缘的距离( = − 、 = − )。
6.0.3 《塔式起重机混凝土基础工程技术规程》JGJ/T 187-2009中对于基础脱开面积只有笼统的一条规定,即:基础底面允许脱开地基土的面积不应大于全面积的1/4。