塔吊基础设计(单桩)
- 格式:doc
- 大小:338.50 KB
- 文档页数:8
目录1.工程概况 (1)2.编制根据 (1)3.塔吊基础形式选择 (2)4.塔吊基础受力验算 (2)5.施工规定 (8)6.沉降观测 (10)1.工程概况1.1.本工程为“东安花园二期保障性住房工程”, 采用BT形式兴建。
本工程由九栋塔楼(五个单体)和一种幼稚园构成。
详细状况如下:1#、2#楼(两栋)为一单体, 17层(无地下室), 塔楼最高点+58.4m, ±0.000标高相称于绝对标高15.1m(塔吊基础处排污管道内底标高12.84m);14#、15#楼(两栋)为一单体, 17#楼为一单体, 12#、13#楼(两栋)为一单体, 均为18层和一层地下室, 塔楼最高点均为+60m, ±0.000标高相称于绝对标高分别为15.1m、15.3m、15.5m;10#、11#楼(两栋)为一单体, 28层(无地下室), 塔楼最高点+93.9m, ±0.000标高相称于绝对标高15.7m。
1.2、塔吊旳现场布置原则:综合考虑现场平面覆盖、材料旳垂直运送需求及安装、附墙、运转、拆除旳以便, 满足施工工艺旳规定;基础避让承台、地梁和管道。
1.3、根据上述布置原则, 本工程设置4台塔吊, 其中 4#塔吊QTZ63(5013)附着在11#楼, 覆盖10#、11#楼。
(详见附图2“塔吊平面布置图”)。
2.编制根据2.1 《塔式起重混凝土基础工程技术规程》(GB/T187-2023);《地基基础设计规范》(GB50007-2023);《建筑构造荷载规范》(GB50009-2023);《建筑安全检查原则》(JGJ59-2023);《混凝土构造设计规范》(GB50010-2023);《建筑桩基技术规范》(JGJ94-2023)本工程《岩土工程勘查汇报》;本工程构造施工图纸。
2.2.佛山市南海高达建筑机械有限企业提供旳《QTZ63(5013|)塔式起重机使用阐明书》;2.3.工程施工现场实际状况。
单桩承台塔吊基础专项施工方案一、项目概况该项目是为了安装塔吊而进行的基础施工工程,施工地点是在市的工地。
工期为45天,总施工面积为1000平方米,总投资为500万元。
二、工程准备1.施工环境:(1)施工现场无障碍物,地面平坦。
(2)临时供电、供水和排水系统完善。
(3)施工班组人员到位。
2.材料准备:(1)搅拌站提供标准的混凝土。
(2)钢筋、木模板、道具等相应的材料。
3.机械设备准备:(1)塔吊:根据实际需求配备塔吊。
(2)混凝土搅拌机、运输车辆等。
三、施工组织1.组织架构(1)项目经理:负责整个施工项目的管理和协调。
(2)技术员:负责施工方案的制定和技术指导。
(3)施工人员:负责具体的施工操作。
(4)安全员:负责施工现场的安全管理和事故预防。
2.施工流程(1)洽谈施工合同和手续办理。
(2)施工准备:包括材料准备、机械设备准备等。
(3)现场布置与施工测量。
(4)开挖基坑:按照设计要求进行基坑开挖。
(5)制作模板:根据设计要求制作木模板。
(6)钢筋加工和安装:根据设计要求加工和安装钢筋。
(7)混凝土浇注:采用搅拌站提供的混凝土进行浇注。
(8)养护:对浇注后的混凝土进行养护。
(9)验收和收尾:进行验收,并进行收尾工作。
四、施工安全措施1.安全协议:签订安全协议,明确方案中的安全责任和安全措施。
2.安全防护设施:搭设安全网、警示标志,为施工人员提供安全帽、安全带等防护装备。
3.碎片防护:对塔吊施工区域进行围护和警示。
4.封锁区域:将施工区域封锁,设置警示线和警戒标志,防止非施工人员进入。
5.施工人员培训:进行施工人员安全培训,强化施工安全意识。
6.监测设施:安装塔吊倾斜监测设备,及时进行监测。
五、质量控制1.施工材料:(1)混凝土:混凝土按照设计比例掺合,通过搅拌站供应。
(2)钢筋:采用合格的钢筋,按照设计要求进行安装。
2.施工质量控制:(1)现场布置和施工测量:按设计要求进行施工现场布置和测量。
(2)基坑开挖:按照设计要求进行基坑开挖。
塔吊基础施工方案一、工程概况:本工程位于深圳市皇岗口岸商住区,用地现为非耕地,建设用地:18672.88M2;总建筑面积:75122。
24M2;结构类型:桩基础、框支剪力墙,由两层地下室及上盖4栋25-28层的塔楼组成,首层为架空层花园。
建筑高度约94.20m。
施工工期480天。
采用QTZ80、QTZ63塔吊各一台,塔吊位置布置详(附图)。
二、塔吊基础设计(一)、塔式起重机技术性能参数说明:塔吊型号:QTZ80、QTZ63自升式塔式起重机技术性能参数概况:本方案以QTZ80进行验算,本塔吊为上回转自升式,有重、中、轻三档,最大起升速度达80.0米/分钟,最大起重量为8。
0T,最大幅度处起重量为1。
30T,起重臂长为56.0米,平衡臂长为12.0米。
本次安装高度为110.0米。
本机具有起升、变幅、回转机构,有起升高度限位,最大和最小幅度限位,回转限位,重量限位,力矩限位。
操作简单,视野开阔。
(二)、现场地质情况:据野外钻探揭露,地质观察和室内土工试验结果分析、拟建场地揭露的岩土层有:第四纪人工填土层(Qml)、第四纪海相沉积层(Qm)、第四纪冲洪积层(Qal+pl)、第四纪残积层(Qel)、燕山期粗粒花岗岩(Y53(1)),现从上至下分述如下:1、第四纪人工填土层(Qml)○1杂填土:褐灰、淡灰、褐红色,湿,松散状,主要由残积粘性土、砖块、砼块和碎块回填而成,含少量砂和块石。
本层场地内各孔均有钻遇,揭露层厚3。
60~6。
20M.2、第四纪海相沉积层(Qm)○2淤泥质土:黑、深灰色,湿~饱各,软~可塑状,手捏细腻,味臭,污手,含少量贝壳、有机质和细砂,岩芯呈土柱状,本层场地内除ZK2、5、8、10、15、16、19、22孔未有钻遇外,其它各孔均有揭露,揭露厚度0.80~2.80M,层顶埋深3.60~6.00M,层顶标高-0。
28~1.85M。
3、第四纪冲洪积层(Qal+pl)错误!粉质粘土:灰褐、灰白、褐红色,湿~饱和,软~可塑状,粘性好,岩芯呈土术状。
塔吊基础设计计算书四桩基础计算一、塔吊的基本参数信息塔吊型号:QTZ63,塔吊起升高度H=101.00m,塔吊倾覆力矩M=630.00kN.m,混凝土强度等级:C35,塔身宽度B=2.50m,基础以上土的厚度D=1.50m,自重F1=450.80kN,基础承台厚度Hc=1.00m,最大起重荷载F2=60.00kN,基础承台宽度Bc=4.00m,桩钢筋级别:II级钢,桩直径或者方桩边长=0.60m,桩间距a=3.50m,承台箍筋间距S=200.00mm,承台砼的保护层厚度=50.00mm。
二、塔吊基础承台顶面的竖向力和弯矩计算塔吊自重(包括压重)F1=450.80kN,塔吊最大起重荷载F2=60.00kN,作用于桩基承台顶面的竖向力F=1.2×(F1+F2)=612.96kN,塔吊的倾覆力矩M=1.4×630.00=882.00kN。
三、矩形承台弯矩及单桩桩顶竖向力的计算图中x轴的方向是随机变化的,设计计算时应按照倾覆力矩M最不利方向进行验算。
1. 桩顶竖向力的计算依据《建筑桩技术规范》JGJ94-94的第5.1.1条。
其中 n──单桩个数,n=4;F──作用于桩基承台顶面的竖向力设计值,F=612.96kN;G──桩基承台的自重G=1.2×(25×Bc×Bc×Hc/4+20×Bc×Bc×D/4)=1.2×(25×4.00×4.00×1.00+20×4.00×4.00×1.50)=1056.00kN;Mx,My──承台底面的弯矩设计值,取882.00kN.m;xi,yi──单桩相对承台中心轴的XY方向距离a/2=1.75m;Ni──单桩桩顶竖向力设计值(kN);经计算得到单桩桩顶竖向力设计值,最大压力:N=(612.96+1056.00)/4+882.00×1.75/(4×1.752)=543.24kN 。
塔吊分项参数计算塔吊是施工场地最重要的施工机械之一,其使用贯穿了整个工程。
在这过程中间隔时间长,不可预见性因素多,为确保塔吊的安全,以下计算都按极限苛刻条件下能保证塔吊正常工作计算。
即:塔吊设置在最大开挖深度处;型钢柱与混凝土灌注桩连接按光滑面锚固。
(计算详值见计算表格) 1. 基础竖向极限承载力计算F=F1+ F2F ——基础竖向极限承载力kn F1——塔吊自重(包括压重)kn F2最大起吊重量kn 2.单桩抗压承载力、抗拔力计算桩顶竖向力的计算(依据《建筑桩技术规范》JGJ94-94的第条)F 十。
iV V-A- M =1.2 —±士 弱尹2" Z* ("+”计算结果为抗压,“-”为抗拔)其中 N i ——单桩桩顶竖向力设计值kNn 单桩个数,n=4;F ——作用于桩基承台顶面的竖向力设计值TG ——塔吊基础重量KNMx,My 承台底面的弯矩设计值kN.mxi,yi 单桩相对承台中心轴的XY 方向距离mM ——塔吊的倾覆力矩kN.m3.桩长以及桩径计算 桩采用钻孔灌注桩R =f A +U £ f l >R = N xgk 实际 ppp s ii1U P =n d其中Rk 实际一一实际钻孔灌注桩承载能力KN桩端面承载能力KN桩侧摩擦阻力总和IUp£fsliKNR——单桩轴向承力安全值KN孔一一桩安全系数取2d桩直径m4.桩抗拔验算Ok=入RQk八k实际5.桩配筋计算桩身配筋率可取0.20%〜0.65% (计算取上限0.65%),抗压主筋不应少于6①10,箍筋采用不少于①6@3mm的螺旋箍筋,在桩顶5倍桩身直径范围内箍筋①6@1mm,每隔2m设一道2①12焊接加强箍筋。
As = S桩截面*配筋率n = 4As/ (n 巾2)其中n ——竖筋根数根As ——钢筋总截面积m①一一竖筋直径m6.桩上部钢支柱计算钢支柱采用 hxbxtwxt = 350 * 350 x 12 x 19, H 型钢。
单桩承台塔吊基础专项施工方案
一、背景
我们正在筹划为地方紧急通信系统建设紧密的群组网路,需要在我国的主要道路上安装一些单桩承台塔吊,以支持该系统的正常运行。
本施工方案旨在提供安装单桩承台塔吊所需的基础结构,确保结构的安全可靠,并确保在施工过程中管理和执行质量。
二、施工单位
本施工方案由省级设计单位、施工单位和质量检查一体化施工验收。
设计单位负责出具施工图,并按照国家乃至地方政府规定负责施工前和施工前的质量检验、监督等工作。
施工单位按照设计图及技术规范,安装拉绳、起重设备和安装变压器设备,确保每台塔吊质量合格。
最后,质量检验单位将对施工验收,确保每台塔吊的质量符合国家和地方政府的要求以及业主技术规范要求。
三、施工流程
1、现场踏勘:现场踏勘是对安装地点的环境条件进行勘查,主要包括地形、土质、地势、气候等以及安装地点附近的地质状况,以及安装地点所在城市的交通设施状况。
2、深度调查:深度调查可以帮助更好地了解安装地点的地质状况,以便为单桩承台塔吊的安装提供有效的技术支持。
3、勘查报告:完成现场勘查后准备勘查报告。
1、工程概况1、工程名称:闽侯县旧城改造安置房工程四标段2、建设单位:闽侯县人民政府甘蔗街道办3、施工单位:厦门市建安集团有限公司4、建设地点:闽侯县甘蔗街道5、结构类型:钢筋混凝土框架剪力墙结构6、建筑层数:B7#楼地上三十三层,B8#楼地上二十七层,地下室一层7、工程规模:最大建筑总高度(室外地面至女儿墙高度)为102.5 m (消防高度为98.65m),总建筑面积为31749.67m2。
8、建筑等级:二级9、主体结构合理使用年限50年10、建筑防火等级:地上二级。
11、主体结构体系:钢筋混凝土框架剪力墙结构,抗震设防烈度为六度。
12、工程质量要求:符合《工程施工质量验收规范》合格标准2、垂直运输设备选型根据本工程平面范围大,建筑物高度较大的特点,在结构施工阶段主要使用塔式起重机作为主要垂直运输设备,拟选用1台QTZ63型塔吊,该塔吊服务半径为56m。
3、塔吊定位塔吊定位原则应基本覆盖全部单位工程上部框架剪力墙结构施工范围,拟选用1部塔吊,具体位置详附图。
4、塔机基础设计QTZ63型塔吊基础选用C35 5000×5000×1500钢筋砼承台。
其桩端持力层在卵石层,其地基承载力选用静压桩基础(桩径为500mm)5、塔机基础的计算书塔吊基础计算选用中国建筑科学研究院开发的PKPM建筑塔吊施工安全计算软件设计。
一、计算参数选择1.1塔吊信息根据《QTZ63塔式起重机使用说明书》,塔机对基础产生的荷载如下表所示。
工况Fv(KN) F H(KN) M1(KN.M) M2(KN.M) MK(KN.M) 非工作449 71 1668 0 0工作509 31 1039 875 270 Fv—基础所受的垂直力FH—基础所受的水平力M —基础所受的倾覆力矩MK—基础所受的扭矩1.2基本参数承台尺寸:5000×5000×1500,桩中心距4000mm,混凝土设计强度为C35,承台顶标高为:-4.9。
塔吊基础设计计算方案一、引言塔吊是建筑施工中不可或缺的设备之一,它起到了起重、吊装、运输等作用。
高效、安全的工作需要有稳固的基础来支撑塔吊的重量和工作力矩。
本文将提出一种基于桩基础的塔吊基础设计计算方案。
二、基本参数1.塔吊参数塔吊的规格和参数需要根据具体项目来确定,主要包括塔吊起重量、力矩、高度等。
这些参数将作为基础设计计算的输入数据。
2.地质参数地质参数包括土壤类型、土层厚度、土壤承载力等。
这些参数将影响到桩基础的设计和计算。
三、基础设计计算步骤1.确定荷载和力矩根据项目需求和塔吊参数,确定作用在基础上的垂直荷载和水平力矩。
垂直荷载是塔吊的起重量,水平力矩是塔吊工作时产生的力矩。
2.土壤承载力计算根据地质勘测数据,确定土壤类型和相应的承载力。
使用合适的计算方法,计算出桩基础的单桩侧阻力和端面摩阻力。
3.确定桩直径和间距根据桩的承载力和荷载要求,计算出单桩的面积和直径。
根据需要确定桩群的间距和排列方式,以满足规定的安全系数。
4.确定桩长根据桩的直径和土质的承载力计算结果,参考规范和经验确定桩的长度,保证桩的承载力和变形满足要求。
5.考虑桩身的沉降和倾斜通过对桩身沉降和倾斜的计算,确定桩的布置方式和桩身的尺寸,以保证沉降和倾斜在合理范围内。
6.确定桩的锚固方式根据塔吊的高度和水平力矩,确定桩的锚固方式和长度,以保证基础的稳固性。
7.综合考虑安全性和经济性在设计计算中,需要综合考虑塔吊的安全性和经济性,选择合适的桩径、间距、长度和锚固方式,以满足项目需求并降低成本。
四、基础设计计算示例以一些具体项目为例,假设塔吊的起重量为200吨,力矩为600吨·米。
地质调查显示土质为黏土,承载力为100kPa。
通过计算得出单桩的面积为2平方米,直径为1.6米。
根据荷载和承载力要求,确定桩间距为3米,桩长为20米。
考虑到沉降和倾斜的影响,桩身需要进行加固和加宽处理。
最后,根据塔吊的高度和水平力矩,确定桩的锚固方式和长度。
雨花区污水处理厂厂外配套管网及泵站施工工程塔吊基础专项施工方案湖南高岭建设集团股份有限公司二0一五年九月塔吊基础施工方案一、编制依据:1、业主提供的本工程的全套施工图纸;2、我项目编制的施工总平面布置图;3、本工程现场实际情况和周边环境;4、厂家提供的塔吊资料。
5、本工程地质勘察报告。
6、《建筑工程施工质量验收统一标准》 GB50300-20137、《建筑地基基础设计规范》GB5007-20118、《混凝土结构设计规范》GB50010-20109、《建筑结构荷载规范》GB50009-201210、《QTZ63塔式起重机使用说明书》11、《施工现场临时用电安全技术规范》JCJ46—200512、《建筑桩基技术规范》 JGJ94-200813、《建筑施工安全检查标准》JCJ59—201114、建筑、结构设计图纸二、工程概况工程名称:雨花污水处理厂厂外配套管网及泵站施工工程第一标段;建设地点:长沙市绕城高速李家塘收费站西南侧;建设单位:长沙市排水有限责任公司;设计单位:湖南省农林工业勘察设计研究总院;监理单位:长沙工程建设监理有限责任公司;施工单位:湖南高岭建设集团股份有限公司;安拆单位:长沙中联重工科技发展有限公司;监督单位:长沙市建设工程质量监督站、长沙市建筑工程安全监察站。
2、建筑设计概况:本工程为雨花污水处理厂厂外配套管网及泵站施工工程第一标段。
由长沙市排水有限责任公司兴建,长沙工程建设监理有限责任公司监理,湖南省农林工业勘察设计研究总院勘察,长沙市规划设计院有限责任公司设计,湖南高岭建设集团股份有限公司承建。
本工程抗震设防烈度为6度,抗震设防类别为乙类;根据工程地质报告场地土类别为II类;地基基础设计等级为丙级。
泵站位于辅助用房北侧,为地下一层,泵站采用地下现浇钢筋混凝土剪力墙结构,墙厚0.8米,基础采用现浇钢筋混凝土筏板基础。
板厚0.9米,泵站最深约17.6米(地面至底板顶面),泵站最浅为进水位置约15.2米(地面至底板顶面),建筑占地面积为1148平方米;防水等级为二级。
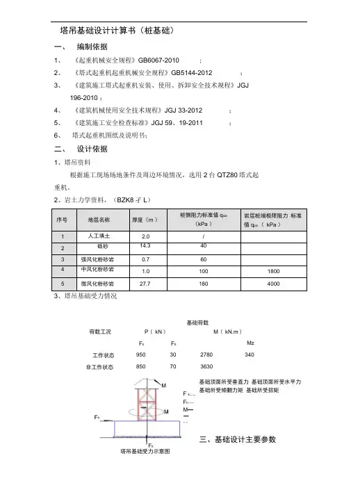
塔吊基础设计计算书(桩基础)一、 编制依据1、 《起重机械安全规程》GB6067-2010;2、 《塔式起重机起重机械安全规程》GB5144-2012;3、 《建筑施工塔式起重机安装、使用、拆卸安全技术规程》JGJ196-2010 ;4、 《建筑机械使用安全技术规程》JGJ 33-2012 ;5、 《建筑施工安全检查标准》JGJ 59、19-2011 ;6、 塔式起重机图纸及说明书;二、 设计依据1、塔吊资料根据施工现场场地条件及周边环境情况,选用2台QTZ80塔式起 重机。
2、岩土力学资料,(BZK8孑L )序号 地层名称 厚度(m )桩侧阻力标准值q sia(kPa )岩层桩端极限阻力 标准值q pa ( kPa )1 人工填土2.0 /2 砾砂 14.3 403 强风化粉砂岩 0.7 604 中风化粉砂岩 1.0 100 1800 5微风化粉砂岩27.718040003、塔吊基础受力情况基础荷载基础顶面所受垂直力 基础顶面所受水平力 基础所受倾翻力矩 基础所受扭矩三、基础设计主要参数荷载工况P ( kN ) M ( kN.m )F kF h Mz 工作状态 非工作状态950 30 2780 340850703630F k .... F h ---- M —— M----塔吊基础受力示意图基础桩:4①400预制管桩承台混凝土等级:C30 ;承台面标高:-1.50m 。
比较桩基础塔吊基础的工作状态和非工作状态的受力情况,桩基础按非工作状态计算,受力如上图所示:F k=850.0kNG k = 25 X 4 X 4 X 1.50=600kNF h=70kNM k=3630+70 X 1.50=3735kN.m四、单桩允许承载力特征值计算1、单桩竖向承载力特征值:1 )、按地基土物理力学指标与承载力参数计算A p = n r2= 0.5027m 2R a 二艮a R ra R pa ( DBJ15-31-2003 ) ( 10.2.4-1 )G =0.40;C2 = 0.05; f rs - 10MPa; f rp =10MPaR sa q s」=3.1415926 0.8 (40 13.76 60 0.7) =1488.9kN3R ra1 =0.8U p C2f rs h r =0.8 3.1415926 0.8 0.05 10 10 0.5 =502.6kN3R ra2 =0.8U p C2f rs h r =0.8 3.1415926 0.8 0.05 10 10 1.0 =1005.2kN 式中:= 0.7”2E-jPgd ;=0.07226m.Wl 』072260.8=0.0289mb o =0.9(1.5d+0.5)=1.53m 桩长 L = 15.96m• L=0.60 X 15.96=9.576>4,按〉• L=4 查表 得:x =2.441(DBJ15-31-2003 ) ( 10.2.22 )0 6248 沢 2 汇1 78 汽 103 汇 0 05286R Ha = — (1.25 22 0.5625%)(1 0.8 ------------- 二^)=236.7kN 2 汉 1.78 汉 10 汉 0.65单桩抗拔力特征值计算 R ta =u^ i q sia l i 0.9G 0( DBJ15-31-2003 ) ( 10.2.10 )=950.9+180.5= 1131.4kN7 lU p Wsia j = 3.14 X 0.8 X (0.4 X 40 X 13.76+0.6 X 60 X 0.7 +0.7 X 100 X 1.0+0.7 X 180 X 0.5) = 950.9kN 0.9G 0 = 0.9 Xn X 0.4 2 X 15.96 X 25 = 180.5kN五、 单桩桩顶作用力计算和承载力验算1、轴心竖向力作用下F k +G k Q ik匕 (DBJ15-31-2003 ) ( 10.2.1-1 )33.14 0.832[0.822(82.0 102.80 1071) 0.5625% (0.8-0.06 2)2]EI=0.85E c I 0=0.85X 2.80 X 107 X 0.0 289=687820mb。
单桩承台式塔吊深基础施工方案一、工程概述根据当地土壤条件和塔吊的设计要求,采用单桩承台式深基础施工方案。
深基础采用H型钢桩作为承台,通过单桩震动法锤入地下,确保深度和承载力满足设计要求。
二、施工准备工作1.根据设计要求,选定施工区域,确保场地平整,并清除障碍物。
2.按照设计要求,制定施工图纸和方案,并购置所需的施工材料和设备。
3.执行土方开挖工作,确保深基础有足够的埋深。
三、施工步骤1.钢桩定位:根据设计要求和施工图纸,确定H型钢桩的位置和数量,并进行标记。
2.钢桩制作:选用具有较高质量的钢材制作H型钢桩,并按照设计要求进行加工和焊接。
3.桩基施工:根据设计要求,使用振动锤将H型钢桩逐桩锤入地下。
在钢桩的锤入过程中,要对每根桩进行测量和校正,确保其垂直度和水平度。
4.浇筑混凝土:在钢桩上设置模板,进行混凝土浇筑。
在浇筑过程中,要保证混凝土的均匀性和密实性,并采取防渗措施。
5.养护:施工完毕后,对混凝土进行养护,以确保其强度和稳定性。
四、施工注意事项1.施工过程中要遵循相关的施工规范和操作规程,确保施工质量和安全。
2.钢桩的制作和安装需要严格执行设计要求和标准,确保其承载力和稳定性。
3.钢桩在锤入过程中要及时测量和校正,以保证其垂直度和水平度。
4.混凝土浇筑要保证浇筑质量,防止渗漏和空洞的产生。
5.混凝土施工后要及时进行养护,避免其裂缝和开裂。
五、施工后维护1.施工完毕后要对基础进行检查和测试,确保其符合设计要求。
2.施工后要及时清理施工现场和设备,并妥善保管施工材料和设备。
3.深基础完成后,要进行定期检查和维护,以确保其稳定性和安全性。
六、安全措施1.在施工过程中,要设置合理的安全警示标志,并采取必要的防护措施。
2.施工现场要进行定期巡查,及时发现和处理安全隐患。
3.操作人员要经过专业培训和资质认证,严禁无资质人员操作设备。
桩基础塔吊基础方案一、项目概述塔吊基础是塔吊安装施工的基础设施,它的安装质量直接影响着塔吊的稳定性和安全性。
本文将对桩基础塔吊基础方案进行详细介绍。
二、方案设计1.基础选择针对塔吊基础的选择,我们建议采用桩基础。
桩基础能够通过将承载力传递到地层深处来增加基础的稳定性和承载能力。
在土质较软或地震等地质条件较差的地区,桩基础对于保证塔吊的安全性是非常关键的。
2.预压桩安装预压桩是桩基础中常用的一种形式,通过桩机将预先制作好的预压桩嵌入地下。
预压桩的优点是可以通过调整预制桩底部灌注的水泥砂浆的量来提高桩基础的承载能力,确保塔吊的稳定性。
3.动力灌注桩安装动力灌注桩是另一种常见的桩基础形式,通过将钢筋和混凝土灌注到地下孔内来构成桩体。
钢筋混凝土的组合提供了更大的强度和稳定性,能够满足大型塔吊的需求。
4.考虑地基情况在选择桩基础方案时,需要充分考虑地基的情况。
例如,如果地基土质较为坚硬,可以选择动力灌注桩;如果地基土质较松软,可以选择预压桩。
此外,还需要结合地质调查结果来确定桩的直径和深度,以确保基础的稳定性。
5.施工过程桩基础的施工过程需要进行严格的控制,确保基础的质量和稳定性。
首先,需要对地基进行清理和平整,以提供良好的施工环境。
然后,通过桩机将桩嵌入地下,确保桩的直径和深度符合设计要求。
最后,根据设计要求,进行预压桩或动力灌注桩的浇筑和加固。
三、安全措施在桩基础塔吊基础施工中,安全是首要考虑的因素。
以下是一些常见的安全措施:1.在施工现场周围设置警示标识,提醒工人和其他人员注意安全;2.在施工现场提供足够的照明设备,确保夜间施工的安全性;3.基础施工过程中,严格遵守施工制度和操作规程,禁止乱操作和违章行为;4.工人必须佩戴好安全帽和防护鞋,避免发生人员伤害事故;5.定期检查塔吊基础的施工质量和安全状况,及时发现问题并采取相应措施。
四、施工周期总结:桩基础塔吊基础方案通过采用桩基础的形式,提高了基础的承载能力和稳定性,确保塔吊的安全性。
塔吊桩基础安全验算塔吊(QTZ80)基础设计(单桩)计算书1、计算参数2、基本参数QZT80(6012)臂长60米塔式起重机,塔身尺寸1.80m,基坑开挖深度 m;承台面标高 m,设两道附墙件。
2、QZT80(6012)塔机主要技术参数:公称起重力矩800KN.m ,最大起重量60KN,基本臂最大幅度处额定起重量12KN,最大独立起升高度42m,附着最大起升高度150m,工作幅度:2.5~60米。
起升速度:2倍率钢丝绳时为8 0米/分、40米/分、5米/分。
4倍率钢丝绳时为40米/分、20米/分、2.5米/分。
回转速度:0~0.54转/分。
变幅速度米/分。
塔机载荷:最大起重量6吨,最大辐度起重量1.2吨。
(2)计算参数1)塔机基础受力情况荷载工况基础荷载P(KN) M(KN·m)F k F h M M z工作状态971.00 45.00 1967.00 305.00 非工作状态961.00 2168.00 0比较桩基础塔机的工作状态和非工作状态的受力情况,塔机基础按非工作状态计算如图:F k=971.00KN,F h=45.00KN,M=2168.00+45.00×2.40=2276.00kN.mF k=971.0×1.35=1310.85KN,F h=45×1.35KN=60.75KN, M k=(2168.0+45×2.40)×1.35=3072.6kN.m2)桩顶以下岩土力学资料3)基础设计主要参数基础桩采用1根φ1200人工挖孔灌注桩,桩顶标高 m,桩端不设扩大头,桩端入全风化花岗岩0.50m;桩混凝土等级C35,fc=16.70N/mm2,Ec=3.15×104N/mm2;f t=1.57N/mm2,桩长14.00m;,钢筋HRB335,f y=300.00N/mm2,E2=2.00×105N/mm2;承台尺寸长(a)=4.50m、宽(b)=4.5.00m、高(h)=1.40m;桩中心与承台中心重合,承台面标高 m;承台混凝土等级C35,f t=16.70N/mm2,γ砼=25 N/mm3。
塔吊基础施工方案一、工程概况:广州市荔湾区大坦沙珠岛花园总建筑面积93759m²,建筑基底面积2536 m²,住宅建筑层数:地面40层,地下室两层,建筑总高118.1米。
建筑结构形式为剪力墙结构,建筑结构的类别为3类,工程合理使用年限为50年,抗震设防烈度为7度。
地下工程防水Ⅱ级,主体建筑屋面工程防水Ⅱ级。
该工程属一类建筑(仅用于高层民用建筑),耐火等级一级。
桩基采用冲(钻)孔灌注桩,设计标高为室内±0.000相当于广州城建高程系统标高8.400米。
1.工程名称:珠岛花园七期工程2.编制单位:广东电白建设集团有限公司3.编制依据:1)珠岛花园七期工程施工图纸。
2)珠岛花园七期工程桩桩位超前勘探报告。
3)《塔式起重机设计规范》(67B/T13752-1992)4)《地基基础设计规范》(67B50007-2002)5)《建筑结构荷载规范》(67B5009-2001)6)《混凝土结构设计规范》(67B50010-2002)二、计算参数:(1)基本参数采用1台QZT80A(6010)塔式起重机,塔身尺寸1.70m,总高度140m。
基坑开挖深度-2.50m;现场地面标高-10.00m,承台面标高-9.10m。
塔吊位置:2-k轴~2-j轴交18轴~19轴中间。
(2)计算参数1)塔机基础受力情况M基础顶面所受垂直力基础顶面所受水平力基础所受扭矩基础顶面所受倾覆力矩塔吊基础受力示意图比较桩基础塔机的工作状态和非工作状态的受力情况,塔机基础按非工作状态计算如图:F k =619.00kN,Fh=31.00kN,M=1866.00+31.0×1.40=1909.40kN.mF k ‘=619.00×1.35=835.65kN,Fh,=31.00×1.35=41.85kN,Mk=(1866.00+31.0×1.40)×1.35=2577.69kN.m2)桩顶以下岩土力学资料基础桩采用1根φ1400冲孔灌注桩,桩顶标高-10.5m,桩端入微风化钙质泥岩 1.00m;桩混凝土等级C30水下混凝土,fC =11.90N/mm2 ,EC=2.80×104N/mm2;ft=1.27N/mm2,桩长20.0m;钢筋HRB335,fy =300.00N/mm2 ,Es=2.00×105N/mm2;承台尺寸长(a)=4.50m、宽(b)=4.50m、高(h)=1.50m;桩中心与承台中心重合,承台面标高-2.00m;承台混凝土等级C35,ft =1.57N/mm2,fC=16.70N/mm2,γ砼=25kN/m3。
G k =a×b×h×γ砼=4.50×4.50×1.50×25=759.38kN三、桩顶作用效应计算:(1)轴心竖向力作用下N k =(Fk+Gk)/n=(619.00+759.38)/1=1378.38kN(2)水平力作用下H ik =Fh/n=31.00/1=31.00kN四、桩基竖向承载力验算:(1)单桩竖向极限承载力标准值计算h r =1.00m,d=1.40m=1400mm,hr/d=1.00/1.40=0.71,查表得,ζr=1.04Ap=πD2/4=3.14×(1.40+2×0.40)2/4=3.80m2Q sk =u∑qsik i=πd∑qsia i=3.14×1.40×835.00=3670.66kNQ rk =ζrfrkAp=1.04×3000×4.52=14102.40kNQ uk =Qsk+Qsk=3670.66+14102.40=17773.06kNR a =1/KQuk=1/2×17773.06=8886.53kN五、桩基竖向承载力计算:轴心竖向力作用下N k =1378.38kN<Ra=8886.53kN,竖向承载力满足要求。
六、桩基水平承载力验算:(1)单桩水平承载力特征值计算αE =Es/Ec=2.00×105/2.80×104=7.14,γm=2,ζN=0.50ρg=0.2+(2000-1400)/(2000-300)×(0.65-0.2)=0.36%W o =πd/32[d2+2(ES/EC-1)ρgd2]=3.14×1.40/32×(1.402+2×(7.14-1)×0.36%×(1.40-2×0.10)2)=1.08m3I o =Wod/2=1.08×1.60/2=0.86m4EI=0.85EC Io=0.85×2.80×107×0.86=20468000kN.m2查表得:m=35.00×103kN/m4 ,bo=0.9(d+1)=2.34mα=(mbo /ECI)0.2=(35.00×1000×2.34/7854000)0.2=0.40αL=0.40×13.00=5.22>4 ,按αL=4 查表得: Vm=0.768N k =(Fk’+1.2Gk)/n=(835.65+1.2×759.38)/1=1746.91kNA n =πd2/4[1+(Es/Ec-1)Pg]=2.01×(1+6.14×0.31%)=2.05m2R Ha =(0.75×αγmftW/Vm)(1.25+22ρg)(1+ζNN1k/γmftAn)=(0.75×0.40×2×1.27×1000×0.41/0.768)×(1.25 + 22×0.31/100)×[1 + 0.50×1746.91/(2×1.27×100 0×2.05)]=594.93kN(2)桩基水平承载力H ik =31.00kN<Rha=594.93kN,水平承载力满足要求。
七、抗拔桩基承载力验算:(1)抗拔极限承载力标准值计算T gk =1/nu1ΣλiqsikLi=1.40×4×638.50=3575.60kNT uk =ΣλiqsikuiLi=638.50×3.14×1.40=2806.85kN(2)抗拔承载力计算Ggp=4.50×4.50×12.90×(18.80 - 10)/1=2298.78kNGp=3.14×1.2×1.2×13.00×(25 - 10)=881.40kNT gk /2+Ggp=4086.40/2+2298.78=4341.98kNT uk /2+Gp=3207.82/2+881.40=2485.31kN八、抗倾覆验算:b i =4.50/2=2.25m倾覆力矩M 倾=M +F h ×h=1866.00+31.00×1.40=1909.40kN .m 抗倾覆力矩M 抗=(F k +G k )×b i +(T uk /2+G p )×b i=(619.00+759.38)×2.25+(3207.82/2+881.40)×2.25=8693.30kN .m M 抗/M 倾=8693.30/1909.40=4.55 抗倾覆验算4.55>1.6,满足要求。
九、桩身承载力验算:(1)正截面受压承载力计算N k =(F k ’+1.2G k )/n=(835.65+1.2×759.38)/1=1746.91kN Ψc =0.90Ψc f c A p =0.90×11.90×1000×2.01=21527.10kN正截面受压承载力=21527.10kN >N K =1746.91kN,满足要求。
(2)配筋计算采用HRB335钢筋,f y =300.00N/mm 2,按照配筋率ρ=ρg =0.31%计算: A s1=ρA=0.31%×3.14×1.402/4×106=4770mm 2 桩身钢筋抗拔计算:A s2=2M 倾/df y =2×1909.40×106/(1400×300)=7956mm 2 比较A s1和A s2,按A s2配筋,取3722,A s =26×314=8164mm 2>A S2=7956mm 2 (满足要求)十、承台受冲切承载力验算:只考虑塔身边冲切承载力计算:F ι=F-1.2ΣQik=Fk’=835.65kN,ho=1.50-0.10=1.40m=1400mmβhp=1.0+(2000-1500/(2000-800)×(0.9-1.0)=0.96а0=(4.50-1.70)/2=1.40m,λ=а/ho=1.40/1.40=1.00β=0.84/(1.00+0.2)=0.70um=4×(1.70+1.40)=12.40mβhp βumftho=0.96×0.70×12.40×1.57×1000×1.40=18315.49kN承台受冲切承载力=18315.49kN>Fk=835.65kN,满足要求。
十一、承台受剪切承载力计算:V=Nk ’=Fk’/n=835.65/1=835.65kNβhs =(800/ho)1/4=(800/1400)0.25=0.87,λ=а/ho=1.40/1.40=1.00α=1.75/(λ+1)=1.75/(1.00+1)=0.88,b=4.50m=4500mmβhs αftbho=0.87×0.88×1.57×1000×4.50×1.40=7572.55kN承台受剪切承载力=7572.55kN>V=835.65kN,满足要求。
十二、承台配筋计算:(1)承台弯矩计算N i =Fk=835.65kN,xi=0.80mM=Ni xi=835.65×0.80=668.52kN.m(2)承台配筋计算基础采用HRB335钢筋,fy=300N/mm2A s1=M/0.9fyho=668.52×106/(0.9×300×1400)=1769mm2采用HRB335钢筋,fy=300N/mm2,最小配筋率ρ=0.15%计算配筋:A s2=ρbho=0.0015×4500×1400=9450mm2比较As1和As2,按As2配筋,取2522@185mm (钢筋间距满足要求)As=25×380=9500 mm2承台配筋面积=9500mm2>9450mm2,满足要求。