WHS质量控制点设置表
- 格式:docx
- 大小:90.96 KB
- 文档页数:21
.土建专业质量WHS 控制点设置表工程编号控制点统计单 分 子 分分 检位 部项质量控制项目区分控制表编号部验工 工 工WHS工 批程 程 程程01地基与基础工程 22 28 501无支护土方 1 201定位及高程控制101 定位及高程控制1BT00102挖方101 开挖1 BT00203填方101 土方回填1BT00302有支护土方 4 201排桩墙支护工程101 重复使用的钢板桩支护工程1BT00403锚杆及土钉墙支护工程101 锚杆及土钉墙支护工程1BT00504钢及混凝土支撑系统101 钢及混凝土支撑系统1BT00605地下连续墙101 地下连续墙1BT00706沉井(箱)101沉井(箱)1BT008 ;..工程编号控制点统计单 分 子分分 检位 部 项 质量控制项目区分控制表编号部 验工 工 工W HS工 批程 程 程程07降水与排水101 降水与排水1BT00903地基办理801灰土地基101 灰土地基1 BT01002砂和砂石地基101 砂和砂石地基1 BT01105强夯地基101 强夯地基1 BT01208预压地基101 预压地基1 BT01309高压发射注浆地基101 高压发射注浆地基1 BT01410土和灰土挤密桩复合地基101 土和灰土挤密桩复合地基1 BT01511注浆地基101 注浆地基1 BT01614水泥土搅拌桩地基101 水泥土搅拌桩地基1BT01704桩基工程 362;.工程编号控制点统计单 分 子分分 检位 部 项 质量控制项目区分控制表编号部 验工 工 工W HS工 批程 程 程程01锚杆静力压桩及静力压桩101 锚杆静力压桩及静力压桩1BT01802先张法预应力管桩101 先张法预应力管桩1BT01905钢筋混凝土预制桩混凝土103 混凝土外观及结构尺寸误差1BT02006钢筋混凝土预制桩(打桩)101钢筋混凝土预制桩(打桩)1BT02107钢桩1 101 成品钢桩 1BT02202 钢桩施工1BT02308混凝土灌输桩成孔101 成孔1BT024-BT02609混凝土灌输桩成孔钢筋102 钢筋安装1BT02710混凝土灌输桩1201 混凝土原资料及配合比设计 1BT03202 混凝土施工1 BT03303 混凝土灌输桩1BT02805混凝土基础 411;.工程编号控制点统计单 分 子分分 检位 部 项 质量控制项目区分控制表编号部 验工 工 工W HS工 批程 程 程程02基础模板201 模板安装 1BT02902 模板拆掉1BT03003基础钢筋102 钢筋安装1BT03104基础混凝土2101 混凝土原资料及配合比设计 1BT03202 混凝土施工1BT03303 混凝土外观及结构尺寸误差1BT03406设施基础及沟道 5 1202设施基础模板201 模板安装 1BT02902 模板拆掉1BT03003设施基础钢筋102 钢筋安装1BT03104设施基础混凝土2101 混凝土原资料及配合比设计 1BT03202 混凝土施工1BT03303 混凝土设施基础外观尺寸1BT03405 设施基础二次灌浆1;..工程编号控制点统计单 分 子分分 检位 部 项 质量控制项目区分控制表编号部 验工 工 工W HS工 批程 程 程程01 设施基础二次灌浆1BT03515盖板安装101 盖板安装1BT03707砌体基础 2 101砖砌体101 砖砌体1BT03802配筋砌体101 配筋砌体1BT03903石砌体101 石砌体1BT04008地下防水3701防水混凝土工程101 防水混凝土工程1 BT04102水泥沙浆防水层101 水泥沙浆防水层1 BT04203卷材防水层101 卷材防水层1 BT04304涂料防水层101 涂料防水层1BT04407 细部结构 1;..工程编号控制点统计单 分 子分分 检位 部 项 质量控制项目区分控制表编号部 验工 工 工W HS工 批程 程 程程01 细部结构1BT04508锚喷支护101 锚喷支护1 BT04610地下连续墙101 地下连续墙1 BT04711盾构法地道101 盾构法地道1BT04812渗排水、盲沟排水101 渗排水、盲沟排水1BT04913遂道、坑道排水101 遂道、坑道排水1BT05002主体工程 9 4 101混凝土结构 5 3101模板201 模板安装 1BT02902 模板拆掉1BT03002钢筋102 钢筋安装1BT03103混凝土2101 混凝土原资料及配合比设计1BT032;..工程编号控制点统计单 分 子分分 检位 部 项 质量控制项目区分控制表编号部 验工 工 工W HS工 批程 程 程程02 混凝土施工1BT03303 混凝土外观及结构尺寸1BT03404装置式结构施工101 装置式结构施工1BT05105预制构件1 101 预制构件模板 1BT02902 预制构件1BT05202砌体工程 4 101砖砌体101 砖砌体1BT03802混凝土小型空心砌块砌体101 混凝土小型空心砌块砌体1BT05303石砌体101 石砌体1BT04004配筋砌体101 配筋砌体1BT03905填补墙砌体101 填补墙砌体1BT05403建筑装饰装饰 21 301地面2;.工程编号控制点统计单 分 子分分 检位 部 项 质量控制项目区分控制表编号部 验工 工 工W HS工 批程 程 程程01基层101 基层1BT057-BT06102面层101 面层1BT062-BT07102抹灰 301一般抹灰101 一般抹灰1BT03602装饰抹灰101 装饰抹灰1BT07203清水砌体勾缝101 清水砌体勾缝1BT07303门窗4 101木门窗制作与安装102 木门窗安装1BT07402金属门窗安装101 金属门窗安装1BT07503塑料门窗安装101 塑料门窗安装1BT07604特种门窗安装101 特种门窗安装1BT077;.工程编号控制点统计单 分 子分分 检位 部 项 质量控制项目区分控制表编号部 验工 工 工W HS工 批程 程 程程05门窗玻璃安装101 门窗玻璃安装1BT07804吊顶1101暗龙骨吊顶101 暗龙骨吊顶1BT07902明龙骨吊顶101 明龙骨吊顶1BT08005轻质隔墙 401板材隔墙101 板材隔墙1BT08102骨架隔墙101 骨架隔墙1BT08203活动隔墙101 活动隔墙1BT08304玻璃隔墙101 玻璃隔墙1BT08406饰面板(砖) 201饰面板安装101 饰面板安装1BT08502 饰面砖粘贴1;.工程编号控制点统计单 分 子分分 检位 部 项 质量控制项目区分控制表编号部 验工 工 工W HS工 批程 程 程程01 饰面砖粘贴1BT08607幕墙 301玻璃幕墙101 玻璃幕墙1BT087-BT08802金属幕墙101 金属幕墙1BT08903石材幕墙101 石材幕墙1BT09008涂饰201水性涂料涂饰101 水性涂料涂饰1BT09102溶剂型涂料涂饰101 溶剂型涂料涂饰1BT09209细部104护栏和扶手制作与安装101 护栏和扶手制作与安装1BT09304建筑屋面 7 401屋面找平层101 屋面找平层1BT09402 屋面保温层1;.工程编号控制点统计单 分 子分分 检位 部 项 质量控制项目区分控制表编号部 验工 工 工W HS工 批程 程 程程01 屋面保温层1BT09503屋面卷材防水层101 屋面卷材防水层1 BT09604屋面涂膜防水层101 屋面涂膜防水层1 BT09705屋面细石混凝土防水层101 屋面细石混凝土防水层1BT09806屋面密封资料嵌缝101 屋面密封资料嵌缝1BT09907平瓦屋面101 平瓦屋面1BT10008油毡瓦屋面101 油毡瓦屋面1BT10109金属板材屋面101 金属板材屋面1BT10210屋面工程细部结构101 屋面工程细部结构1BT10311架空房面101 架空房面1BT10405建筑给水、排水 32;..工程编号控制点统计单 分 子分分 检位 部 项 质量控制项目区分控制表编号部 验工 工 工W HS工 批程 程 程程01室内给水系统1 201室内给水管道及配件安装101 室内给水管道及配件安装1BT10502室内消火栓系统安装101 室内消火栓系统安装1 BT10603室内给水设施安装101 室内给水设施安装1BT10702室内排水系统201室内排水管道及配件安装101 室内排水管道及配件安装1BT10802雨水管道及配件安装101 雨水管道及配件安装1BT10906建筑电气7 401电气照明安装工程7 101动力、照明配电箱(盘)安装101 动力、照明配电箱(盘)安装1BT11002电线导管、电缆导管和线槽敷设101 电线导管、电缆导管和线槽敷设1BT11103电线、电缆穿管和线槽敷线101 电线、电缆穿管和线槽敷线1BT112工程编号控制点统计单 分 子分分 检位 部 项 质量控制项目区分控制表编号部 验工 工 工W HS工 批程 程 程程04槽板配线101 槽板配线1BT11305电缆头制作、接线和线路绝缘测试101 电缆头制作、接线和线路绝缘测试1BT11406一般灯具安装101 一般灯具安装1BT11507专用灯具安装101 专用灯具安装1BT11609建筑物照明通电试运转101 建筑物照明通电试运转1 BT11702防雷及接地装置安装工程 301接地装置安装101 接地装置安装1 BT11802防雷引下线敷设101 防雷引下线敷设1 BT11903变配电室接地干线101 变配电室接地干线1BT12007通风与空调工程 8 101风管与配件制作201风管与配件制作(金属风管)1BT121工程编号控制点统计单 分 子分分 检位 部 项 质量控制项目区分控制表编号部 验工 工 工W HS工 批程 程 程程02 风管与配件制作(非金属、复合资料风管)1BT12203风管系统安装101 风管系统安装1BT12304通风机安装101 通风机安装1BT12405通风与空调设施安装201 通风与空调设施安装(通风系统) 1BT12502 通风与空调设施安装(空调系统)1BT12606防腐与绝热201 防腐与绝热(风管系统) 1BT12702 防腐与绝热(管道系统)1BT12807工程系统调试101 工程系统调试1BT12908电梯工程4 201电力驱动的曳引式或强迫式电梯安装 2 101设施进场查收101 设施进场查收1BT13002土建交接查验101 土建交接查验1BT13110 电梯整机安装1工程编号控制点统计单 分 子分分 检位 部 项 质量控制项目区分控制表编号部 验工 工 工W HS工 批程 程 程程01 电梯整机安装1BT13202液压电梯安装 2 101设施进场查收101 设施进场查收1BT13002土建交接查验101 土建交接查验1BT13110液压电梯整机安装101 液压电梯整机安装1BT132;.。
电力公司基建工程WHS控制点设置表1工程质量WHS控制点设置表编制及使用说明1.1土建专业WHS控制点设置工程编号采用五级编号,编号含义如下:单位工程编号分部工程编号分项工程编号检验批编号1.2 电气安装专业WHS控制点设置工程编号采用三级编号,编号含义如下:XX XX XX单位工程编号分部工程编号分项工程编号1.3线路专业WHS控制点设置工程编号采用三级编号,编号含义如下:XX XX XX单位工程编号分部工程编号子分部工程编号1.4 为满足不同工程的质量控制需要,可对工程质量WHS控制点设置范围中的工程项目进行增加或减少,工程编号可续编和缺号,但不得变更原编号。
1.5 变电工程施工中,可能存在多个同类单位工程,如有多台主变压器、配电装置同时有500kV、220kV、110kV、35kV、10kV等多个电压等级,这些设备、系统均属于单位工程项目,其单位工程编号,可共用同一个编号,不再续编。
因技术资料是按单位工程归档,以设备、系统编号或电压等级可以很清楚的区别不同的单位工程。
1.6 由多个间隔(回路)、设备组成的分部工程,其分部工程编号,应在原编号后加“.”序编。
1.7 分项工程编号方法同分部工程,也采用加“.”的方法,以区别多台设备或多个施工项目。
2前控项目质量WHS控制点设置表3土建专业质量WHS控制点设置表3土建专业质量WHS控制点设置表3土建专业质量WHS控制点设置表3土建专业质量WHS控制点设置表3土建专业质量WHS控制点设置表3土建专业质量WHS控制点设置表3土建专业质量WHS控制点设置表3土建专业质量WHS控制点设置表3土建专业质量WHS控制点设置表3土建专业质量WHS控制点设置表3土建专业质量WHS控制点设置表3土建专业质量WHS控制点设置表3土建专业质量WHS控制点设置表3土建专业质量WHS控制点设置表3土建专业质量WHS控制点设置表3土建专业质量WHS控制点设置表3土建专业质量WHS控制点设置表3土建专业质量WHS控制点设置表3土建专业质量WHS控制点设置表3土建专业质量WHS控制点通用设置表3土建专业质量WHS控制点通用设置表3土建专业质量WHS控制点通用设置表3土建专业质量WHS控制点通用设置表3土建专业质量WHS控制点通用设置表3土建专业质量WHS控制点通用设置表3土建专业质量WHS控制点通用设置表3土建专业质量WHS控制点通用设置表3土建专业质量WHS控制点通用设置表3土建专业质量WHS控制点通用设置表3土建专业质量WHS控制点通用设置表3土建专业质量WHS控制点通用设置表3土建专业质量WHS控制点通用设置表3土建专业质量WHS控制点通用设置表3土建专业质量WHS控制点通用设置表3土建专业质量WHS控制点通用设置表4电气安装专业质量WHS控制点设置表4电气安装专业质量WHS控制点设置表4电气安装专业质量WHS控制点设置表4电气安装专业质量WHS控制点设置表4电气安装专业质量WHS控制点设置表4电气安装专业质量WHS控制点设置表4电气安装专业质量WHS控制点设置表4电气安装专业质量WHS控制点设置表4电气安装专业质量WHS控制点设置表中国南方电网基建工程质量WHS控制作业标准5电气试验、调试专业质量WHS控制点设置表6线路专业质量WHS控制点设置表。
一、总则为贯彻“百年大计,质量第一”的方针,全面落实中国南方电网有限责任公司(以下简称公司)建设“智能、高效、可靠”绿色电网的战略目标,以及业主项目部有关于施工过程中对质量的文件要求,建设规范达标、绿色可靠、文档齐全的基建工程。
为统一公司基建工程质量控制类型和检查方式,强化全过程质量管理。
依据规程规范和公司有关规定,以及《基建工程质量WHS控制作业标准》。
针对于本工程特编制的控制点设置表。
本标准适用于公司10kV~500kV新建、改扩建(含技改)送变电工程三通一平至竣工阶段的WHS质量控制。
其他工程可参照执行。
WHS质量控制点设置说明****************10kV及以下工程共设涉及****行政村、****自然村,共计***个工程项目,主要包括新建(改造)10kV架空线路****km、新建(改造)、0.4—0.2kV架空线路*******km、、新建(改造)配电变压器******台、改造户表******* 户。
本工程主要涉及的工程量为10kV架空线路、变压器台架安装、低压台区安装及基础及隐蔽工程四个大项,现按照以下原则对于上述涉及的工程量进行WHS质量控制点设置:一、10kV架空线路部分(W见证点):以一个耐张段作为一个控制点,内容包括电杆组立、安装金具、安装拉线、导线展放等工作,共设置为*******个控制点。
二、变压器台架安装(S旁站点):以一个台区的变压器安装作为一个控制点,内容包括台架安装、设备安装及调试等工作,共设置为****个控制点。
三、低压台区安装(W见证点):以一个低压台区作为一个控制点,内容包括电杆组立、安装金具、安装拉线、导线展放、户表安装、接户线安装等工作,共设置为*******个控制点。
四、基础及隐蔽工程(H停工待检点):以一基铁塔基础作为一个控制点,内容包括基坑开完、钢筋绑扎、模板安装、混凝土浇筑等工作,共设置为10个控制点。
特此说明涉及本项工程配网专业质量WHS控制点设置表(引用编号)二、规范性引用文件以下法律、法规、规程、规范及技术标准如经修订,以最新版本为准。
W H S质量控制点设置表公司标准化编码 [QQX96QT-XQQB89Q8-NQQJ6Q8-MQM9N]牟定县2014年农村电网改造升级10kV及以下工程 WHS质量控制点设置表牟定县2014年农村电网改造升级10kV及以下工程监理项目部(章)2014年05月审批:(总监理工程师)年月日编写:(专业监理工程师)年月日1、工程概况:牟定县包括6个乡镇,16个行政村、22个自然村;新建(改造)10kV 架空线路;架空线路;架空线路;安装变压器27台,容量2480kVA,完成户表改造842户。
安装JP柜27台预算投资万元。
2、编制目的:为贯彻执行中国南方电网有限公司《基建工程质量控制作业标准(WHS)》,强化工程建设全过程质量控制,提高工程施工质量管理水平,使工程施工全过程处于受控状态,最终实现达标投产的目标。
3、编制依据:国家和行业颁布的现行与电力建设工程项目有关的法律、法规、规章、规范及规程;《工程建设标准强制性条文》;中国南方电网有限公司《基建工程质量控制作业标准(WHS)》;本工程设计文件及相关技术资料。
4、WHS点设置计划:根据工程特点,按工程性质和检查方式设置WHS点,详见附表《牟定县2014年农村电网改造升级10kV及以下工程WHS控制点设置表》。
5、控制措施:见证点(W):按《牟定县2014年农村电网改造升级10kV及以下工程WHS控制点设置表》中设置的W点,施工实施过程中在规定时间内提前通知相关部门,在约定时间到现场进行见证检查并核查相关技术文件,直至该项目经检验合格并得到书面认可,再进行下道工序的施工。
停工待检点(H):按《牟定县2014年农村电网改造升级10kV及以下工程WHS控制点设置表》中设置的H点,施工实施过程中在规定时间(12小时)内提前通知相关部门,在约定时间到现场进行检查并核查相关技术文件,直至该项目经检验合格并得到书面认可,再进行下道工序的施工,在约定时间内未经检查合格,不得进行下道工序(隐蔽)的施工,如果相关部门超过约定时间12小时都未到现场,视为默认,可以进行隐蔽和下道工序的施工。
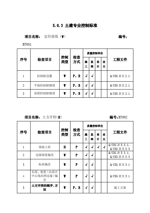
5.6.3 土建专业控制标准项目名称:定位放线(W)编号:BT001项目名称:土方开挖(H)编号:BT002项目名称:土方回填(H)编号:BT003项目名称:重复使用的钢板桩支护工程(W)编号:BT004项目名称:锚杆及土钉墙支护工程(W)编号:BT005BT006项目名称:钢及混凝土支撑系统(W)编号:项目名称:地下连续墙(H)编号:BT007项目名称:沉井(箱)(H)编号:BT008项目名称:降水与排水(W)编号:BT009项目名称:灰土地基(H)编号:BT010项目名称:砂和砂石地基(H)编号:BT011项目名称:强夯地基(H)编号:BT012项目名称:预压地基(H)编号:BT013项目名称:高压喷射注浆地基(H)编号:BT014项目名称:土和灰土挤密桩复合地基(H)编号:BT015项目名称:注浆地基(H)编号:BT016项目名称:水泥土搅拌桩地基(H)编号:BT017项目名称:锚杆静力压桩及静力压桩(H)编号:BT018项目名称:先张法预应力管桩(H)编号:BT019项目名称:混凝土预制桩混凝土外观及尺寸(W)编号:BT020项目名称:混凝土预制桩(打桩)(H)编号:BT021项目名称:成品钢桩(W)编号:BT022项目名称:钢桩施工(H)编号:BT023项目名称:混凝土灌注桩成孔(H)编号:BT024注:本表用于螺旋钻、潜水钻、回旋钻和冲击钻成孔项目名称:混凝土灌注桩成孔(H)编号:BT025注:本表用于钻扩机、机动洛阳铲和沉管法成孔项目名称:混凝土灌注桩成孔(H)编号:BT026注:本表用于人工扩大直径底墩成孔项目名称:混凝土灌注桩钢筋笼(H)编号:BT027项目名称:混凝土灌注桩工程(S)编号:BT028项目名称:模板安装(W)编号:BT029项目名称:模板拆除(W)编号:BT030项目名称:钢筋安装(H)编号:BT031项目名称:混凝土原材料及配合比(W)编号:BT032注:商品砼检查方式可取消P点项目名称:混凝土施工(S)编号:BT033项目名称:现浇混凝土结构外观及尺寸偏差(W)编号:BT034项目名称:设备基础二次灌浆(S)编号:BT035项目名称:一般抹灰(W)编号:BT036项目名称:盖板安装(W)编号:BT037项目名称:砖砌体(W)编号:BT038项目名称:配筋砌体(H)编号:BT039项目名称:石砌体(W)编号:BT040项目名称:防水混凝土(H)编号:BT041项目名称:水泥砂浆防水层(H)编号:BT042项目名称:卷材防水层(H)编号:BT043项目名称:涂料防水层(H)编号:BT044项目名称:细部构造(W)编号:BT045项目名称:锚喷支护(H)编号:BT046项目名称:地下连续墙(H)编号:BT047项目名称:盾构法隧道(H)编号:BT048项目名称:渗排水、盲沟排水(W)编号:BT049项目名称:隧道、坑道排水(W)编号:BT050项目名称:装配式结构施工(H)编号:BT051项目名称:预制构件(H)编号:BT052项目名称:混凝土小型空心砌块砌体(W)编号:BT053项目名称:填充墙砌体(W)编号:BT054项目名称:防腐涂料涂装(W)编号:BT055项目名称:防火涂料涂装(W)编号:BT056项目名称:地面基土、路基(H)编号:BT057项目名称:垫层(W)编号:BT058项目名称:找平层(W)编号:BT059项目名称:隔离层(W)编号:BT060项目名称:填充层(W)编号:BT061项目名称:水泥混凝土整体面层(W)编号:BT062项目名称:水泥砂浆面层(W)编号:BT063项目名称:砖面层(W)编号:BT064项目名称:大理石面层和花岗岩面层(W)编号:BT065项目名称:预制板块面层(W)编号:BT066项目名称:料石面层(W)编号:BT067项目名称:塑料板面层(W)编号:BT068项目名称:油漆面层(W)编号:BT069项目名称:活动地板面层(W)编号:BT070项目名称:中密度(强化)复合地板面层(W)编号:BT071项目名称:装饰抹灰工程(W)编号:BT072项目名称:清水砌体勾缝(W)编号:BT073项目名称:木门窗安装(W)编号:BT074项目名称:金属门窗安装(W)编号:BT075项目名称:塑料门窗安装(W)编号:BT076项目名称:特种门窗安装(H)编号:BT077项目名称:门窗玻璃安装(W)编号:BT078项目名称:暗龙骨吊顶(H)编号:BT079项目名称:明龙骨吊顶(W)编号:BT080项目名称:板材隔墙(W)编号:BT081项目名称:骨架隔墙(W)编号:BT082项目名称:活动隔墙(W)编号:BT083项目名称:玻璃隔墙(W)编号:BT084项目名称:饰面板安装(W)编号:BT085项目名称:饰面砖粘贴(W)编号:BT086项目名称:明框玻璃幕墙(W)编号:BT087项目名称:隐框、半隐框玻璃幕墙(W)编号:BT088。
工程项目W、H、S质量控制点明细表
编号:BTG001
工程项目W、H、S质量控制点明细表
编号:BTG002
工程项目W、H、S质量控制点明细表
编号:BTG003
工程项目W、H、S质量控制点明细表
编号:BTG004
工程项目W、H、S质量控制点明细表
编号:BTG005
工程项目W、H、S质量控制点明细表
编号:BTG006
工程项目W、H、S质量控制点明细表
编号:BTG007
工程项目W、H、S质量控制点明细表
编号:BTG008
工程项目W、H、S质量控制点明细表
编号:BTG009
工程项目W、H、S质量控制点明细表
编号:BTG0010
工程项目W、H、S质量控制点明细表
编号:BTG011
工程项目W、H、S质量控制点明细表
编号:BDG001
工程项目W、H、S质量控制点明细表
编号:BDG002
工程项目W、H、S质量控制点明细表
编号:BDG003 项目名称:110kV五大连池变电站专业:电气日期:
工程项目W、H、S质量控制点明细表
编号:BDG004 项目名称:110kV五大连池变电站专业:电气日期:
工程项目W、H、S质量控制点明细表
编号:BDG005
工程项目W、H、S质量控制点明细表
编号:BDG006
工程项目W、H、S质量控制点明细表
编号:BDG007。
配网专业质量WHS控制点设置表项目名称:电缆管沟、井(W) 编号:D-01 见证点(W)质量控制记录表★表号:D-03工程名称:编号:PD-工程编号-流水号施工负责人/检查人:监理项目部见证人员:其他单位(可选择)见证人员:D-02 见证点(W)质量控制记录表★表号:D-03工程名称:编号:PD-工程编号-流水号施工负责人/检查人:监理项目部见证人员:其他单位(可选择)见证人员:D-03 见证点(W)质量控制记录表★表号:D-03工程名称:编号:PD-工程编号-流水号施工负责人/检查人:监理项目部见证人员:其他单位(可选择)见证人员:D-04 见证点(W)质量控制记录表★表号:D-03工程名称:编号:PD-工程编号-流水号施工负责人/检查人:监理项目部见证人员:其他单位(可选择)见证人员:D-05 停工待检点(H)质量控制记录表★表号:D-04工程名称:编号:PD-工程编号-流水号施工负责人/检查人:监理项目部检查人员:勘察、设计单位检查人员:业主单位检查人员:D-06 旁站点(S)质量控制记录表★表号:D-05工程名称:编号:PD-工程编号-流水号施工负责人/检查人:监理项目部旁站人员:其他单位(可选择)旁站人员:D-07 旁站点(S)质量控制记录表★表号:D-05工程名称:编号:PD-工程编号-流水号施工负责人/检查人:监理项目部旁站人员:其他单位(可选择)旁站人员:D-08旁站点(S)质量控制记录表★表号:D-05工程名称:编号:PD-工程编号-流水号施工负责人/检查人:监理项目部旁站人员:其他单位(可选择)旁站人员:D-09 见证点(W)质量控制记录表★表号:D-03工程名称:编号:PD-工程编号-流水号施工负责人/检查人:监理项目部见证人员:其他单位(可选择)见证人员:。
D-01WHS质量控制点设置报审表(W)★(控制类型:W,检查方式:R)表号:D-06工程名称:儋州市配网升级改造工程(B)标段编号:本表(含附件)一式份,由提出单位填报,监理项目部存份,建设单位(业主项目部)存份,提出单位存份。
WHS质量控制点设置表为贯彻“百年大计,质量第一”的方针,全面落实中国南方电网有限责任公司建设“智能、高效、可靠”绿色电网的战略目标,建设规范达标、绿色可靠、文档齐全的基建工程,根据本工程特点和施工内容,编制WHS设置表,在施工过程中严格执行,分阶段提交WHS执行情况汇总表并提供相关WHS记录资料备查。
1.工程质量WHS控制点的设置原则1.1 质量控制点的设置以现行国家或行业工程施工质量验收规范、工程施工及验收规范中规定应检查的项目为依据。
1.2 对产品的适用性(性能、精度、寿命、可靠性、安全性等)有严重影响的关键质量特性、关键部位和重要影响因素应设置质量控制点。
1.3 对工艺有严格要求、对下道工序的工作有严重影响的关键部位或工序应设置质量控制点。
1.4 所有隐蔽工程都是设置为质量控制点。
1.5 对质量不稳定、容易出现不合格品的环节,应设置质量控制点。
1.6 可能对生产安全有严重影响的关键项目设置质量控制点。
2.工程质量WHS控制点的设置类型2.1根据施工中各工序的质量控制点对工程最终质量影响的重要程度及不同的质量控制类型,将质量控制点的类型划分为见证点(W)、停工待检点(H)、旁站点(S)三种类型。
3.工作程序要求3.1工程质量WHS控制点设置表审批工程开工前,由施工项目部编制工程质量检验及评定范围项目划分表提交监理项目部,各单位根据已审批的质量检验及评定项目划分范围,编制各单位工程质量WHS控制点设置表。
设置表由监理项目部组织业主、勘察、设计、施工项目部有关人员会审,经业主项目部批准,作为工程项目质量WHS控制点设置计划。
经审批的质量控制点设置表作为质量控制、工程验收、质量监督检查的依据文件之一,在工程质量控制全过程中实施。
控制措施和办法 按拆除要求拆除 (1)防止管材除锈不净。
(2)主要是刷子沾油漆太多和刷油不认真.(3)防止承包商采用不同种保 严格执行规范、观察量测;垫层材料配合比、密实度、防止空鼓开裂、标按设计施工、检查量测高不许、表面不平、强度不足认真执行施工工艺规程消除质量通病,作样板间材质符合设计要求,严禁一次 (1)经对焊加工的钢筋,在现 场进行绑扎时对焊接头要错开 搭接位置,加工下料时,凡距钢 筋端头搭接长度范围以内不得 (1) 防止有电对流焊过接大头,。
电弧过长。
(2)防止电流过小,焊接速度太快。
(3)防止焊药太薄或者受潮,电 弧不当. (1)施工前地面砖需要挑选, 将颜色、花纹、规格尺寸相同的砖挑选出来备用。
(2)地面砖空鼓、断裂。
(2)地面基层一定要清理干净,地砖在施工前必须提前用清水浸润,保证含水率,地面铺装砂浆时应先将板块试铺后,检 查干硬性砂浆的密实度,安装 时用橡皮锤敲实,保证不浮现(1)砌筑空时鼓上、下断左裂右。
拉线找规 矩,普通门窗框上皮应低于门 窗过梁 10~15mm ,窗框下皮应比窗台上皮高 5mm 。
(2)安装人员必须按照工艺要 点施工,安装前先弹线找规矩,(1)墙柱钢筋位移。
(2)钢筋接头位置错误.(3)绑扎接头、对焊接头未错开。
(1)咬边。
(2)未熔合。
(3)有气孔.(4)有焊瘤。
( (1)地面砖釉面色差大及棱边缺损,面砖规格偏差翘曲. (3)地面砖排版不合理、砖缝不直、宽窄不均 匀、勾缝不实.(4)地面浮现高低差,不平整。
(1)门窗洞口预留尺寸不许.(2)合页不平、螺丝松动、合页槽深浅不一。
(3)上下层门窗不顺直, 摆布门窗安装标高不一致。
质量控制要点拆除部位不干净破坏原有建造物 (1)管道表面脱皮,返锈。
(2) 管道表面油漆不均匀,有流坠和漏涂现象. 管道安装钢管焊接工程工程项目 工程拆除清理墙面及天棚抹灰序号 1地面砖工程钢筋工程管道防腐门窗工程4625379 11 10混凝土施工排水沟及盖板制作脚手架搭设控制裂缝的产生。
500kV甘顶变220kV接入系统工程WH腔制点设置表四川省明远电力建设工程有限公司500kV甘顶变220kV接入系统工程一标段项目部2011年5月盐津WHS空制点设置表为贯彻“百年大计,质量第一”的方针,全面落实中国南方电网有限责任公司建设“智能、高效、可靠”绿色电网的战略目标,建设规范达标、绿色可靠、文档齐全的基建工程,根据本工程特点和施工内容,编制WH设置表,在施工过程中严格执行,分阶段提交WH执行情况汇总表并提供相关WHS 记录资料备查。
1.工程质量WH控制点的设置原则1.1质量控制点的设置以现行国家或行业工程施工质量验收规范、工程施工及验收规范中规定应检查的项目为依据。
1.2对产品的适用性(性能、精度、寿命、可靠性、安全性等)有严重影响的关键质量特性、关键部位和重要影响因素应设置质量控制点。
1.3对工艺有严格要求、对下道工序的工作有严重影响的关键部位或工序应设置质量控制点。
1.4所有隐蔽工程都是设置为质量控制点。
1.5对质量不稳定、容易出现不合格品的环节,应设置质量控制点。
1.6可能对生产安全有严重影响的关键项目设置质量控制点。
2.工程质量WH控制点的设置类型2.1根据施工中各工序的质量控制点对工程最终质量影响的重要程度及不同的质量控制类型,将质量控制点的类型划分为见证点(W、停工待检点(H)、旁站点(S)三种类型。
3.工作程序要求3.1工程质量WH腔制点设置表审批工程开工前,由施工项目部编制工程质量检验及评定范围项目划分表提交监理项目部,各单位根据已审批的质量检验及评定项目划分范围,编制各单位工程质量WH腔制点设置表。
设置表由监理项目部组织业主、勘察、设计、施工项目部有关人员会审,经业主项目部批准,作为工程项目质量WHS控制点设置计划。
经审批的质量控制点设置表作为质量控制、工程验收、质量监督检查的依据文件之一,在工程质量控制全过程中实施。
业主、勘察、设计、监理项目部应依据各控制点内的工作内容制定质量控制措施。
3.2 WH殒量控制点的发起单位均为施工单位。
施工过程中,施工单位依照WH 腔制点自检后,报送监理项目部协调相关责任方现场检查、监督,并形成WH控制记录和数码照片。
3.3见证点(W控制。
施工、监理方为见证点(W控制责任方,业主为监督、检查方。
施工、监理方按WHS^设置范围,采用巡视(P)、文件见证(R方式进行控制,业主方采用抽查方式进行监督,对施工的部位或工序见证检查,形成检查记录。
3.4停工待检点(H)控制。
施工、监理、勘察、设计、业主方为停工待检点(H)控制责任方。
H点分高、中、低三级控制。
设置为施工、监理方控制的H点为低等级控制,设置为施工、监理、勘察、设计方控制的H点为中等级控制,设置为施工、监理、勘察、设计、业主方控制的H点为高等级控制。
施工项目部提前24小时向监理项目部书面申请,监理即时通知业主、勘察、设计等相关单位在48小时内对工程停工待检点检查签证。
相关责任单位应同步形成停工待检点检查验收签证记录和数码图片归档。
3.5旁站点(S)控制。
施工、监理方为旁站点(S)控制责任方,业主方为监督、检查方,业主方采用抽查方式进行监督。
施工项目部提前24小时向监理项目部书面申请,监理通知业主等相关单位在约定时间内对工程旁站点检查签证。
监理、施工项目部依照标准设置的旁站点,采取旁站S检查方式,进行全过程监督检查,并形成旁站检查记录和数码图片归档4.线路工程质量控制关键点清单5.线路专业质量WH控制点设置表6. 线路专业控制标准项目名称:路径复测(H )编号:XL01项目名称:普通基础分坑和开挖编号:项目名称:岩石、掏挖基础分坑和开挖编号:编号:项目名称:角钢插入式基础项目名称:自立式铁塔组立(W )编号:XL14项目名称:导地线(含O P G W)展放(W)编号:XL18项目名称:导地线连接管编号:项目名称:导地线(含 OP G W )紧线(W )编号:XL20 项目名称:附件安装(含) 编号:项目名称:表面式接地装置(H) 编号:XL22项目名称:深埋式接地装置编号:项目名称:线路防护设施编号:7.工程质量WH控制记录表的编制及使用说明W记录表(见证点记录表)编号前控W为前控见证记录表、编号BTW为变电土建工程、BDW为电气安装工程、XLW为架空送电线路工程、DLW高压电缆线路工程、SYV fe变电试验、PDW为配网工程的见证记录表,序号与工程检查同步。
W质量控制记录表为质量见证点通用检查记录表,前控项目、土建专业检验批、电气安装专业分项工程、电气试验专业、线路专业子分部检查项目,在同时进行多项同类项工程质量检查时,可合并使用1张W质量控制记录表记录。
文件见证中如果存在审批文件或者签字确认文件,可以不再形成W记录。
检查范围按工程质量控制点设置表、工程质量控制标准及检查方式。
记录表编号按专业检查同步排序。
业主、监理、施工项目部采用巡视检查、文件检查方式见证工程质量。
文件检查R检查方式:业主、监理项目部依据国家及行业有关法律法规、标准规范和设计文件,对施工单位报审的材料出厂质保资料、材料见证送检报告、隐蔽工程验收记录、试验报告等工程质量文件进行检查并签署审核意见。
H记录表(停工待检点记录表)编号前控H为前控停工待检点记录表、BTH为变电土建工程、BDH为电气安装工程、XLH为架空送电线路工程、DLH为高压电缆线路工程、PDH 为配网工程停工待检点记录表,序号与工程检查同步。
H质量控制记录表为工程质量停工待检点通用检查表,记录表编号按专业检查同步排序,每个控制点使用1张H质量控制记录表记录。
如:线路基础混凝土浇筑前基础坑深、基坑土质、基础坑底板尺寸H点,可合并1张记录表。
S记录表(旁站点记录表)编号BTS为变电土建工程、BDS为电气安装工程、XLS为架空送电线路工程、DLS为高压电缆线路工程、PDS为配网工程旁站点记录表,序号与工程检查同步。
S质量控制检查表为质量旁站点通用检查表,记录表编号按专业检查同步排序,每个控制点使用1张S质量控制检查表记录。
线路专业控制标准7.1见证点(w)质量控制记录表见证点(W)质量控制记录表工程名称:编号:施工单位见证人员:监理单位见证人员:见证点(w)质量控制记录表填写说明:1、工程名称:送变电工程项目全称;2、编号:按专业代号加序号,如线路专业见证记录表编号XLW001 ;3、工程编号:按工程质量WHS控制点设置,土建专业五级或线路、电气专业三级工程编号;4、控制标准编号:本项检查点采用工程质量控制标准编号,如绝缘油和SF6气体试验见证点检查,编号为SY14;5、检查部位:如试验报告检查或活动墙面检查等;6、检查日期:同步检查日期;7、检查项目及检查方式:采用工程质量控制标准设置的检查项目和相应的检查方式;8、检查情况:被检查项目实体质量的,例如结构、工艺、观感、文件内容、试验项目等见证检查情况;9、检查结论:检查合格、符合设计要求或符合验收规范等;10、在同时进行多项同类项工程质量检查时,可合并使用1张W质量控制记录表记录,文件、现场见证中如果存在审批文件或签字确认文件,可以不再形成W 记录。
7.2停工待检点(H)质量控制记录表停工待检点(H)质量控制记录表工程名称:编号:施工单位检查人员:监理单位检查人员:勘察、设计单位检查人员:停工待检点(H)质量控制记录表填写说明:1、工程名称:送变电工程项目全称;2、编号:按专业代号加序号,如线路专业见证记录表编号XLH001 ;3、工程编号:按工程质量WHS控制点设置,土建专业五级或线路、电气专业三级工程编号;4、控制标准编号:本项检查点采用工程质量控制标准编号,例如强夯地基停工待检点(H)点检查,编号为BT0125、检查部位:例如110kV配电装置场地或220kV配电装置场地等;6、检查日期:同步检查日期;7、检查项目及检查方式:采用工程质量控制标准设置的检查项目和相应的检查方式;8、检查情况:被检查项目实体质量,例如结构、工艺、前控文件检查检查情况等;9、检查结论:检查合格,允许进行下一道工序或不合格,不允许进行下一道工序;10、本表参加检查单位各自留存一份。
7.3旁站点(S)质量控制记录表旁站点(S)质量控制记录表工程名称:编号:施工单位旁站人员:监理单位旁站人员:旁站点(S)质量控制记录表填写说明:1、工程名称:送变电工程项目全称;2、编号:按专业代号加序号,如线路专业见证记录表编号XLS001 ;3、工程编号:按工程质量WHS控制点设置,土建专业五级或线路、电气专业三级工程编号;4、控制标准编号:本项检查点采用工程质量控制标准编号,例主变压器注油及密封性试验旁站(S)点检查,编号为BD0045、旁站项目:例如#1主变注油或#2主变密封性试验等;6、旁站日期:同步检查日期;7、旁站时间:旁站开始时间至旁站结束时间;8、天气:当天气候;9、温度:当天最低、最高气温;10、检查项目及检查方式:采用工程质量控制标准设置的检查项目和相应的检查方式;11、旁站检查情况:例如混凝土施工(S)记录,检查混凝土浇筑前准备、机械状况、商品混凝土规格及塌落度检查、混凝土浇筑过程情况等;12、检查结论:检查合格或符合设计要求、符合验收规范;13、本表参加检查单位各自留存一份。