-九年级物理 浮力专项练习题.pdf
- 格式:pdf
- 大小:122.21 KB
- 文档页数:3
(人教版)初三物理14.5_浮力习题及答案编辑整理:尊敬的读者朋友们:这里是精品文档编辑中心,本文档内容是由我和我的同事精心编辑整理后发布的,发布之前我们对文中内容进行仔细校对,但是难免会有疏漏的地方,但是任然希望((人教版)初三物理14.5_浮力习题及答案)的内容能够给您的工作和学习带来便利。
同时也真诚的希望收到您的建议和反馈,这将是我们进步的源泉,前进的动力。
本文可编辑可修改,如果觉得对您有帮助请收藏以便随时查阅,最后祝您生活愉快业绩进步,以下为(人教版)初三物理14.5_浮力习题及答案的全部内容。
选项不正确.F=F浮木,铁块和木块受的浮铁 注意:物体所受的浮力跟物体自身的重力、自身的密度、自身的形状无关.这个铁块的质量是多少?重多少?将这个铁块kg) 这道题考查学生对计算物体重力和计算浮力的公式的区别.盐水酒精 水 盐水(a) (b) (c)图1—5—2水<盐水 ∴ V排水>V排盐水 而V排酒精>V排水>ρ1-5—2大致表示出来.溢出酒精的质量是________,物体在水中漂浮.浸没:V排=V=50cm3进行求值.造成结绳子的拉力为3N,若绳子突然断了,木块A在没有露出水面之前,所受合力的大小和方向是 ( ) A.5 N,竖直向下 B.3N,竖直向上C.2N,竖直向上 D.8N,竖直向下图1—5-3 精析 结合浸没在水中物体的受力分析,考查学生对受力分析、合力等知识的掌握情况. 【分析】 绳子未断时,A物体受3个力:重力G A,拉力F,浮力F浮.3个力关系为:G A+F=F,求得F浮=5N+3N=8N.绳子剪断后,物体只受重力和浮力,且浮力大于重力,物体上浮,浮浮力大小仍等于8N.合力F 合=F浮—G=8N—5N=3N 合力方向:与浮力方向相同,竖直向上. 答案 B 例10 以下是浮力知识的应用,说法正确的是 ( ) A.一艘轮船在海里和河里航行时,所受浮力一样大 B.一艘轮船在海里和河里航行时,在海里受的浮力大 C.密度计漂浮在不同液体中,所受浮力不同 D.密度计在不同液体中漂浮,浸入液体体积越大,所测得的液体密度越大 【分析】 轮船在河里和海里航行,都处于漂浮状态,F浮=G.ρρ 因为轮船重力不变,所以船在河里和海里所受浮力相同.A选项正确.又因为海水>河水, 所以V排海水<V排河水,在河水中没入的深一些. 密度计的原理如图1—5—4,将同一只密度计分别放入甲、乙两种液体中,由于密度计均处于漂浮状态,所以密度计在两种液体中受的浮力都等于重力.可见,密度计没人液体越多,所测得的液体密度越小. F甲浮=F乙浮=G 根据阿基米德原理:ρρ 甲gV排甲=乙gV排乙 ∵ V排甲>V排乙ρρ ∴ 甲<乙 答案 A例11 (北京市西城区中考试题)如图1-5-5,展示了一个广为人知的历史故事--“曹冲称象".曹冲运用了等效替代的方法,巧妙地测出了大象的体重.请你写出他运用的与浮力相关的两条知识.(1)_______________________;(2)_______________________.图1-5—5 精析 此题考查学生通过对图形的观察,了解此图中G象=G石的原理. 【分析】 当大象在船上时,船处于漂浮状态,F浮′=G船+G象,曹冲在船上画出标记,实际上记录了当时船排开水的体积为V排. 用这条船装上石头,船仍处于漂浮状态,F浮′=G船+G石,且装石头至刚才画出的标记处,表明此时船排开水的体积V排′=V排.根据阿基米德原理,两次浮力相等.两次浮力相等.便(a) (b)图1—5—6)图当中的木块进行受力分析.2×10—5m3,F拉=0。
中考物理总复习《浮力》专项练习题(带参考答案)学校:___________班级:___________姓名:___________考号:___________一、选择题1.游泳时佩戴游泳圈是防止溺水的有效方法,质量为50kg的小蓉佩戴游泳圈后,能静静地漂浮在水面上,如图所示,游泳圈对她的作用力大小最符合实际的是()A.5000N B.500N C.50N D.5N2.如图所示,同一物体以两种方法浸入水中,其向上、向下的压力差F甲和F乙的关系为()A.F甲<F乙B.F甲>F乙C.F甲﹦F乙D.条件不足,无法确定3.如图所示,下列说法正确的是()A.如图,该压强计是一个连通器B.如图,纸片在杯口不落下来,是因为大气对纸片的压力大于杯中水的重力C.如图,密度计在两种液体中所受浮力F A=F B,两种液体的密度ρA>ρB D.如图,把水气压计从山下移到山顶,细管内的水柱上升4.某同学用石块、细线、弹簧测力计、烧杯、水和食盐等器材,进行如图所示的实验探究。
下列说法正确的是()A.石块在水中受到的浮力方向竖直向下B.石块在水中受到的浮力大小为1.0NC.石块浸没在水中时,排开水的体积为1.2×10−4m3D.丙图中盐水的密度为1.1×103kg/m35.一块铝投入装满酒精的烧杯中,测得溢出的酒精的质量是8g,那么要把此铝块投入装满水的烧杯中,(ρ酒精=0.8×103 kg/m3ρ铝=2.7×103 kg/m3)溢出水的质量是()A.8g B.10g C.27g D.35g6.科学研究中常用图像来表示两个变量(x,y)之间的关系,使研究的问题变得直观明了,如图所示,下列两个量之间的关系不符合图中曲线关系的是()A .物体受到的重力与质量的关系B .做匀速直线运动的物体路程与时间的关系C .动力和动力臂一定时,阻力和阻力臂的关系D .排开液体体积一定时,浸在液体中的物体受到的浮力与液体密度的关系7.如图,底面积为100cm 2的薄壁圆柱形容器盛有适量的水。
初中物理总复习浮力【基础练习】一、填空题1.浸在液体中的物体受到液体向上托的力叫浮力.浮力产生的原因是__________.浮力的方向是________.浮力的施力物是__________.受力物是___________。
2.浮上来的木块.从它刚露出水面到最后漂在水面上不动的过程中.它受到的重力将_____.浮力将______.浸没在水里的体积_______。
(选填“变大”、“变小”或“不变”)3.三个实心球甲、乙、丙.已知ρ甲>ρ水.ρ乙=ρ水.ρ丙<ρ水.当把它们放入水中静止后.三球的浮沉情况:甲______;乙_______;丙______.且它们受到的浮力和重力的关系:F甲_____G甲;F乙_____G乙;F丙_____G丙。
4.潜水艇在水中的浮沉是靠改变 ______来实现的;鱼的上浮和下沉是靠改变__ ____来实现的。
5.轮船从河里驶到海里的时候.船受到的浮力______.(选填“变大”、“变小”或“不变”)原因是_________;船身将______一些.原因是________________。
6.把质量为7.9kg的铁块用细线拴好.完全浸入水中.它所受的浮力是____N.这时细线受到的拉力是______N。
(ρ铁=7.9×103kg/m3 g=10N/kg)7.一木块浮在水面.露出水面跟浸入水中部分的体积之比是2∶3.则该木块的密度为_____。
8.将同一简易密度计.分别放在A、B两种液体中.如图1:则液体密度ρA______ρB.两支密度计所受浮力之比为________。
二、选择题:9.木块分别放入盐水、水、酒精中.静止后如图2所示.则()A、在盐水中受到的浮力最大B、在水中受到的浮力最大C、在酒精中受到的浮力最大D、在三种液体中受到的浮力一样大10.铜球被绳子吊着浸没于水中.如图3.设此时受到浮力为F1.现剪断绳子.铜球下沉过程中受到浮力为F2.当铜球在底部静止时受到的浮力为F3.则()A、F1最大B、F2最大C、F3最大D、F1、F2、F3一样大11.四个外形相同的铅球、铁球、铝球、木球静止在水中.如图4:其中能判断是空心还是实心的是()A 、木、铅B 、铅、铁C 、木、铝D 、铝、铅12.下列判断正确的是( )A 、两个体积相同的金属块.都浸没在水中.它们所受浮力一样大B 、轮船从河里驶入海里时.所受浮力变大C 、潜水艇潜入水中后.下潜时所受浮力不断增大D 、ρ物>ρ液时.该物体一定要下沉13.实心蜡球漂浮在杯中水面上.当向杯中慢慢不断地加入酒精时.(已知:ρ水>ρ蜡>ρ酒精)可能出现的情况是( )A 、蜡球向上浮一些.所受浮力增大B 、蜡球向下沉一些.所受浮力增大C 、蜡球在液面之上的体积不变.所受浮力不变D 、蜡球逐渐下沉一些.直至沉到杯底.所受浮力先不变.后来减小14.一个物体挂在弹簧秤下.把物体浸没在某液体中.弹簧秤示数是空气中示数的1/4.则该液体的密度是( )A 、物ρ41 B 、物ρ43 C 、4ρ物 D 、条件不足.无法判断15.A 、B 两物体的质量之比是3∶4.将它们浸没在水中时.受到的浮力之比为3∶2.则两个物体的密度之比是( )A 、2∶1B 、1∶2C 、8∶9D 、9∶816.一块冰放在一杯盐水中.若冰块全部溶化后.杯中液面将( ) A 、上升B 、不变C 、下降D 、无法判断17.一个实心塑料球.恰能悬浮在10℃的某种液体中.当温度计升高时.液体膨胀较大.而塑料球膨胀很小.那么塑料球将( )A 、有部分露出液面B 、仍悬浮在液体中C 、下沉到容器底D 、浮沉情况无法判断18.甲、乙两个实心金属球.它们的质量相同.其密度分别是5×103kg/m 3和10×103kg/m 3.甲球挂在甲弹簧秤下.乙球挂在乙弹簧秤下.并且让金属球全部没入水中.这时( )A 、甲、乙两球所受浮力之比是2∶1B 、甲、乙两球所受浮力之比是1∶2C 、甲、乙两弹簧秤示数之比是3∶9D 、甲、乙两弹簧秤示数之比是11∶1219.一根蜡烛.为了使它能竖直浮在火中.在其底端钉进一只小钉.这时蜡烛有1.5厘米长露出水面.如果露出出部分切去.则剩余部分将( )A 、上浮B 、下沉C 、悬浮D 、无法判断20.两个质量相同的铁球和铝球.分别挂在两个弹簧称上.然后将两球全部浸没入水中.则弹簧称的读数是:()A、挂铁球的读数大些B、挂铁球的读数小些C、两弹簧秤的读数相同D、以上三个答案都有可能21.烧杯中盛有半杯水.水中漂浮着一木块.当往杯中注入浓盐水后.木块所受浮力及排开水的体积是:()A、浮力增大.排开水的体积也增大B、浮力增大.排开水的体积也减小C、浮力不变.排开水的体积也增大D、浮力增大.排开水的体积也不变三、作图题:22.25N的小球浸没在水中时受到40N的浮力.在图5中用力的图示法表示小球所受的合力。
初三物理浮力的应用同步练习题及答案物理浮力的应用同步练习题及答案以下1.物体吞没在液体中时,碰到_______的浮力F浮,同时还受到方向 _______ 的重力 G。
当 F 浮 G 时,物体就会____________。
思路剖析:物体所受浮力的大小与物体排开液体的重力有关系,排开的液体重力越大,碰到的浮力也越大。
当浮力小于物体的重力,物领悟下沉 ;当浮力等于重力时,物体就可以停留在液体内部任一地址,这样的现象叫悬浮;当浮力大于重力时,物体将浮在水面上。
答案:向上竖直向下下沉悬浮上浮2.轮船是依照 _______制成的。
潜水艇的工作原理是______________,它是靠改变 ______________实现上浮解下沉的。
热气球是靠加热球内的空气,使其密度_________,相当于充入了 _______的气体,当 F 浮_______G 时就升空了,若需要下降则要_______ ,这时,球内空气的密度_______,当 F 浮 _______G 时就下降了。
答案:飘扬的条件 F 浮 =G 物体的浮沉条件自己重力减小密度小于空气密度大于停止加热变大小于3.以下说法正确的选项是( )A.浮力等于重力,必然悬浮B.浮力等于重力,必然飘扬C.物体在水中上浮,在没有露出水面从前浮力不变D.在水中匀速下沉的物体重力大于浮力思路剖析:浮力等于重力,有两种可能,即飘扬或悬浮。
匀速下沉的物体,浮力等于重力。
上升的物体,在露出水面之前 V 物不变,浮力不变,故只有 C 是正确的。
答案: C10 分钟训练 (增强类训练,可用于课中)1.(2019 北京四中模拟模拟 )吞没在盐水中的鸡蛋 (不沉底 ),所排开盐水的重力大体为 ( )A.0.5 NB.5 NC.50 ND.500 N思路剖析:吞没在盐水中的鸡蛋将悬浮,因此鸡蛋的重力等于排开水的重力,而一个鸡蛋的重力大体为0.5 N。
答案: A2.把重 5 N 、体积为 0.6 cm3 的物体投入水中,若不计水的阻力,当物体静止时,以下说法正确的选项是( )A. 物体上浮, F 浮 =6 NB. 物体悬浮, F 浮=5 NC.物体飘扬, F 浮 =5 ND. 物体沉在水底, F 浮 =6 N思路剖析:假设体积为0.6 cm3 的物体能吞没于水中,则F 浮=液 gV 排 =1.0 g/cm310 N/kg0.6 cm3=6 N ,大于物体自己的重力,因此物体最后飘扬于水面上,由飘扬条件可得 F 浮=G=5 N 。
初三物理浮力试题及答案一、选择题(每题3分,共30分)1. 一个物体浸没在水中,受到的浮力大小为F浮,当物体露出水面后,受到的浮力大小为F'浮,则F浮与F'浮的大小关系是()。
A. F浮 > F'浮B. F浮 = F'浮C. F浮 < F'浮D. 无法确定答案:A2. 质量相等的实心木球和实心铁球,放入水中,静止时木球和铁球所受浮力的大小关系是()。
A. 木球大B. 铁球大C. 相等D. 无法确定答案:A3. 将一木块放入水中,静止时处于漂浮状态,若将木块缓慢地压入水中,直至刚好没入水中,则在此过程中()。
A. 木块受到的浮力变大B. 木块受到的浮力变小C. 木块受到的浮力不变D. 木块受到的浮力先变大后变小答案:C4. 一个空心球,空心部分体积为球体积的1/3,当球放入水中时,球将()。
A. 上浮B. 悬浮C. 下沉D. 无法确定答案:A5. 一个实心铁球先后放入水和酒精中,静止时铁球受到的浮力大小关系是()。
A. 在水中大B. 在酒精中大C. 相等D. 无法确定答案:A6. 将一物体挂在弹簧测力计下,先后浸没在水和煤油中,物体静止时弹簧测力计示数的大小关系是()。
A. 在水中大B. 在煤油中大C. 相等D. 无法确定答案:B7. 体积相同的实心木球和实心铁球,放入水中后,静止时木球和铁球所受浮力的大小关系是()。
A. 木球大B. 铁球大C. 相等D. 无法确定答案:A8. 将一木块放入水中,静止时处于漂浮状态,若将木块缓慢地压入水中,直至刚好没入水中,则在此过程中()。
A. 木块受到的浮力变大B. 木块受到的浮力变小C. 木块受到的浮力不变D. 木块受到的浮力先变大后变小答案:C9. 一个空心球,空心部分体积为球体积的1/3,当球放入水中时,球将()。
A. 上浮B. 悬浮C. 下沉D. 无法确定答案:A10. 一个实心铁球先后放入水和酒精中,静止时铁球受到的浮力大小关系是()。
初三物理中考复习浮力专项训练1. 将两物体区分挂在弹簧测力计下,让它们同时浸没在水中时,两弹簧测力计示数的减小值相反,那么这两物体肯定有相反的〔〕A. 溶度B. 体积C. 质量D. 重量2. 两手区分拿着一个小木块和一个大石块浸没在水中,同时松手,小木块上浮,大石块下沉.比拟松手时两者所受的浮力〔〕A. 木块受的浮力大B. 石块受的浮力大C. 两者受的浮力一样大D. 无法比拟3. 一只塑料球,放在酒精中恰恰悬浮,而放在水中那么漂浮在水面上。
该球在这两种液体中所受的浮力大小关系是( )A.在酒精中受的浮力大 B.在水中受的浮力大C.所受浮力一样大 D.无法确定4. 一个木块能浮在水面上,也能浮在酒精面上。
以下说法中正确的选项是( ) A.它在两种液体中受的浮力相等,但在酒精中浸入的体积大些B.它在两种液体中受的浮力相等,并且排开液体的体积也相等C.由于酒精的密度较小,所以它浸在酒精中时受的浮力小些D.它在两种液体中受的浮力不等,排开液体的体积也不相等5. 如下图,台秤上放一个盛水的烧杯,一个弹簧测力计吊着一个金属块且金属块刚好完全浸没在水中.现将金属块从水中匀速提起直至刚分开水面的进程中,以下说法错误的选项是〔〕A. 烧杯底部的压强逐渐减小B. 弹簧测力计的示数逐突变大C. 弹簧测力计对金属块拉力的功率增大D. 台秤的示数逐渐增大6. 浸在液体中的物体假设遭到浮力的作用,那么施力物体是〔〕A.地球 B.液体 C.盛液体的容器 D.物体自身7. 如图甲为盛水的烧杯,上方有弹簧测力计悬挂的圆柱体,将圆柱体缓慢下降,直至将圆柱体全部浸入水中,整个进程中弹簧测力计示数F与圆柱体下降高度h 变化关系的图象如图K1-10-2乙所示,g取10 N/kg,以下说法正确的选项是〔〕A. 圆柱体遭到的重力是6 NB. 圆柱体遭到的最大浮力是3 NC. 圆柱体的密度是1. 5×103 kg/m3D. 当圆柱体刚好全部浸没时,下外表遭到水的压强为800 Pa8. 如下图,在水平桌面上的盛水容器中漂浮一个质量散布平均的正方体木块,假定将木块显露水面的局部截去并取走,那么〔〕A、木块余下局部下沉,容器底所受水的压强增大B、木材余下局部上浮,容器底所受水的压强减小C、木块余下局部上浮,容器对桌面的压强不变D、木块余下局部不上浮也不下沉,容器对桌面的压强不变9. 有一支密度计,浮在水中时,所受的浮力为F1,浸入水中体积为V1;将它放在煤油中,所受的浮力为F2,浸入煤油中的体积为V2,那么F1与F2,V1与V2相比拟〔〕A.F1=F2,V1=V2 B.F1=F2,V1<V2 C.F1>F2,V1>V2 D.F2>F1,V1=V2 10. 甲、乙两个实心金属球,它们的质量相反,其密度区分是5×103kg/m3和10×103kg/m3。
浮力(1)一、填空题1.漂浮在水面上的巨型油轮受到向上的 力作用,浮力的方向是,此力的施力物体是 。
2. 三国时代,诸葛亮曾放出一种“会飞”的灯笼,后人称其为“孔明灯”,如图13-24所示.它上升的主要原因是:灯笼内的热空气密度小于空气密度,导致灯笼受到的________灯笼重力,所以灯笼才上升。
3.石块在液体中下沉时 浮力的作用(填“受到”、“不受到”),若一个石块重5N ,把石块挂在弹簧测力计下端,将其浸没在某种液体中,此时弹簧测力计的示数为2N ,则该石块受到液体的浮力为 N 。
由此可知,此石块排开的液体重 N 。
4.把一块橡皮泥分别捏成形状不同的圆柱体、球体和长方体,先后将不同形状的橡皮泥浸没在水中,橡皮泥受到的浮力 (填“圆柱体大”、“球体大”、“长方体大”或“一样大”)。
再将同一块橡皮泥浸没在水中的不同深度,则橡皮泥受到的浮力 (填“变大”、“变小”、“不变”或“无法判断”)二、选择题5.下列说法正确的是 ( )A.物体在上浮过程中受到浮力作用,在下沉时不受浮力作用B.轮船无论是在海面上航行还是在码头处静止,都受到水的浮力C.热气球内的气体密度大于空气密度,球升空时不受浮力作用D.潜水艇在150m 的深海中潜行时所受到浮力在不断变小6.如图13-25所示,球从水面下上浮至漂浮在水面上的过程中,判断正确的是 ( )A.露出水面前,浮力逐渐增大;露出水面后,浮力继续增大B.露出水面前,浮力保持不变C.露出水面前,浮力逐渐减小D.露出水面前,浮力保持不变;露出水面后,浮力开始逐渐增大 7. 用一根细线将一个石块系住,分别浸没在盛有盐水和水的容器中(石块未触及容器的底及侧壁,且盐水的密度大于水的密度),由于细线拉力的作用,石块静止在液体中,此时线上拉力分别为F 1、F 2,则两次拉力大小关系是 ( )A.F 1>F 2B.F 1=F 2C.F 1<F 2D.无法比较8.甲、乙、丙三个完全相同的小球,分别投入三种不同的液体中,静止后,甲漂浮,乙悬浮,并沉底,如图13-24所示,它们所受浮力分别是F 甲、F 乙、F 丙,则其大小关系是 ( )A.F 甲=F 乙>F 丙B. F 甲>F 乙>F 丙C. F 甲>F 乙=F 丙D. F 甲>F 乙=F 丙9.将物体投入液体中,受力情况如图13-27所示,四个物体中将会下沉的是 ( )A.甲B.乙C.丙D.丁10.甲、乙、丙、丁四个形状体积都相同而材料不同的球体,它们在水中静止的情况如图图13-25图13-26 图13-2413-28所示,其中所受浮力最小的是 ( )A.甲B.乙C.丙D.丁三、作图题11. 如图13-29所示,一个质量为3kg 的小球,悬浮在斜面上盛水的杯中。
一、初中物理浮力类问题1.如图所示是“探究浮力的大小跟哪些因素有关”的几个实验情景。
实验甲、丙和丁中,弹簧测力计的示数分别为4.0N 、2.8N 和2.5N 。
若盐水的密度为331.210kg /m ⨯,则下列结论正确的是( )A .物体A 的密度为333.210kg /m ⨯B .实验乙中,物体A 受到的拉力为1.0NC .实验丙中,弹簧测力计的示数比乙中小0.2ND .实验丁中,容器底部受到的压力等于0.3N 【答案】C 【解析】 【分析】 【详解】A .实验甲、丙中,弹簧测力计的示数分别为4.0N 、2.8N ,则F 丙浮=G −F 丙拉=4.0N -2.8N=1.2N由F 浮=ρ液g V 排,且物体A 全部浸没,所以43331.2N =1.010m 1.210kg /m 10N/kgF V V g ρ-===⨯⨯⨯丙浮物排盐水 物体A 质量4.0N 0.4kg 10N/kgG m g === 物体A 的密度33430.4kg = 4.010kg /m 1.010mm V ρ-==⨯⨯物 故A 错误;B .物体A 在水中受到的浮力33431.010kg /m 10N/kg 1.010m =1.0N F gV ρ-==⨯⨯⨯⨯乙浮水排在乙中物体A 受到的拉力4.0N 1.0N=3.0N F G F =-=-乙浮乙拉故B 错误;C .在实验丙中弹簧测力计的示数2.8N ,在实验乙中弹簧测力计的示数3.0N 。
所以实验丙中弹簧测力计的示数比乙中小3.0N−2.8N =0.2N故C 正确; D .由甲、丙F 丙浮=G −F 丙拉=4.0N -2.8N=1.2N根据实验丁中物体A 对烧杯底部的压力等于支持力F 支=G −F 丙浮−F 丁拉=4.0N−1.2N−2.5N =0.3N同时容器底部也受到盐水对它的压力,所以压力大于0.3N ,故D 错误。
故选C 。
2.将一密度均匀的正方体轻轻放入盛满浓盐水的大烧杯中,静止后有72g 浓盐水溢出;若将该物体轻轻放入盛满煤油的大烧杯中,静止后有64g 煤油溢出(浓盐水密度为1.2×103kg/m 3,煤油密度为0.8×103kg/m 3),则以下选项不可能的是( ) A .该物体前后两次所受浮力之比为9:8 B .该物体前后两次排开液体体积之比为3:4 C .该物体的密度为0.9×103kg/m 3 D .该物体在煤油中可能沉底或悬浮 【答案】D 【解析】 【详解】A .因为大烧杯内原来装满浓盐水,所以,由阿基米德原理可知,物体在盐水中受到的浮力F 浮盐水=G 排=G 溢水=m 溢水g =0.072kg ×10N/kg=0.72N物体在煤油中受到的浮力F 浮煤油=G 排=G 溢煤油=m 溢煤油g =0.064kg ×10N/kg=0.64N故该物体前后两次所受浮力之比为0.72N:0.64N=9:8故A 不符合题意;B .该物体前后两次排开液体体积之比为F g ρ浮盐水盐水:F g ρ浮煤油煤油=330.72N 1.210kg /m 10N /kg ⨯⨯:330.64N0.810kg /m 10N /kg⨯⨯ =3:4 故B 不符合题意;D .由F 浮=ρ水V 排g 得排开水的体积V 排水=F g ρ浮盐水 =330.72N1.210kg /m 10N /kg⨯⨯ =6×10−5m 3 假设物体在盐水中悬浮或下沉,则物体的体积V =V 排水=6×10−5m 3由于煤油的密度小于盐水,所以物体在煤油中一定下沉,则排开煤油的体积V 排煤油=V =6×10−5m 3排开煤油的质量应该为m 排煤油=ρ煤油V 排煤油=0.8×103kg/m 3×6×10−5m 3=0.048kg=48g因为m 排煤油<64g ,所以物体在盐水中不能悬浮或下沉;可见,物体在盐水中一定漂浮,则物体的重力G =F 浮=0.72N ,物体受到煤油的浮力F 浮煤油=G 排=G 溢煤油=m 溢煤油g =0.064kg ×10N/kg=0.64N因为F 浮煤油<G ,所以物体在煤油中下沉,故D 符合题意; C .则物体的体积V =V 排煤油=V 溢煤油=m ρ溢煤油煤油=364g 0.8g /cm=80cm 3物体的质量m =G g =0.72N10N /kg=0.072kg=72g 物体的密度ρ=m V =372g 80cm=0.9g/cm 3=0.9×103kg/m 3 故C 不符合题意。
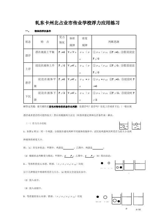
水水银水水银甲 乙图1轧东卡州北占业市传业学校浮力应用练习一、 物体的浮沉条件解答这类题,最关键的是首先对物体的状态作出判断............,是漂浮吗?悬浮吗?还是上浮或者下沉,〔一般出现漂浮或者悬浮的可能性较大〕然后再根据两大法宝〔阿基米德定律和沉浮条件来〕解决。
〔一〕浮力大小比较1、如图1所示,同一个鸡蛋,分别放在盛有两种不同液体的烧杯中,试比较鸡蛋两次所受浮力的大小及两种液体的密度大小。
析:〔1〕首先审状态:甲图中,鸡蛋是 ;乙图中,鸡蛋是 ;〔2〕根据状态判断受力情况:甲图中,G F 浮;乙图中,G F 浮;〔3〕得出结论:2、、等体积的实心木球、铁球,〔ρ木<ρ水<ρ铁<ρ水银〕比较以下几种情况中两球所受浮力大小。
(1)使其完全浸没在水中;〔2〕投入水中;〔3〕投入水银中。
3、等质量的实心木球、铁球,〔ρ木<ρ水<ρ铁<ρ水银〕比较 木球铁球 木球铁球以下几种情况中两球所受浮力大小。
〔1〕使其完全浸没在水中;〔2〕投入水中;〔3〕投入水银中。
1、如下列图有质量相同的甲、乙两个物体分别悬浮在水面下2m和4m深处,由此可判( )A.F甲>F乙B.F甲=F乙C.F甲<F乙D.无法确定2、把体积相等的木块和铁块置于水中,木块浮在水面上,而铁块沉入水底.这时它们所受的浮力( )A.F木<F铁.B. F木=F铁.C.F木>F铁.D.无法确定3、如下列图,三个完全相同的铜球A、B、C分别放在水、盐水、水银中,那么受到浮力最大的是球,最小的是球.4、.浸没在液体中的物体当______时,物体会上浮,在上浮过程中,未露出液面前浮力______;露出液面后继续上浮时,浮力______。
( 填“变大〞、“变小〞或“不变〞〕1、将同一木球分别浮在水、煤油和盐水中,静止时木球受到的浮力是:〔〕A.在水中最大B.在煤油中最大C.在盐水中最大D.一样大2、上题中,木球浸入液体中的体积是: ( )A.在水中最大B.在煤油中最大C.在盐水中最大D.一样大3、轮船从大海驶入长江,其浮力,轮船是〔上浮一些还是下沉一些〕。
初三物理浮力专项计算题计算浮力方法:①称量法:F浮=G-F(用弹簧测力计测浮力)。
②压力差法:F浮=F向上-F向下(用浮力产生的原因求浮力)。
③漂浮、悬浮时,F浮=G(二力平衡求浮力)。
④F浮=G排或F浮=ρ液V排g (阿基米德原理求浮力,知道物体排开液体的质量或体积时常用)。
⑤根据浮沉条件比较浮力(知道物体质量时常用)1.一池塘中,停着一只载有木材的船,如果将船上的木材投人水中后,水面将()2.一石块在空气中称时弹簧秤示数为24.5牛,把它全部浸入水中称得弹簧秤示数为14.7牛,则①物体所受的浮力?②如果把物体浸入水中一半,弹簧秤读数为多少?3.有一重为2. 94牛的木块体积为600厘米3,在木块上放一砝码时,木块恰好没入水面,那么砝码的重为多少牛?如果把砝码拿走,则木块下挂一质量为多大的铁块?(已知ρ铁=7.9克/厘米3)4.有一体积为1×10-4米3的实心铁块,挂在弹簧秤上后浸没在水中(铁块没有接触容器底部),铁的密度为7.8×103千克/米3,求:(1).铁块的重力。
(2).铁块所受到的浮力。
(3).弹簧秤的示数。
5.体积为1dm3石块在空气中称时弹簧秤示数为24.5牛,把它全部浸入水中后①称得弹簧秤示数为多大? ②如果把物体浸入水中一半,弹簧秤读数为多少?6.某物体在空气中用弹簧称得读数为98牛,全部浸入水中弹簧称得读数为49牛,全部浸入某液体中弹簧称得读数为58.8牛,那么①该物体在水中所受的浮力多少?②物体的体积多大?③该物体的密度多少?④求液体密度?7.体积为1分米3的正方体金属块全部浸入水中,a)它受到水向上的压力是20牛时,它受到水向下的压力是多少牛?b)若金属块浸入水中的深度增加,它受到水向上的压力为30牛,则增加的深度为多少?8/.有一金属块,在空气中称得重3.8N,将它浸没在盛满水的溢水杯中时,有50mL的水从溢水杯中流入量筒,求:(1)金属块的体积;(2)金属块在水中受到的浮力;(3)金属块在水中时弹簧秤的读数;(4)金属的密度是多少?9.一金属块的体积为1分米3,全部浸入水中时排开水的体积是多少?排开水的重为多少?金属块所受的浮力为多少?10.体积为1分米3的长方体金属块全部浸入水中,①它受到水向上的压力是20牛时,它受到水向下的压力是多少牛?②若金属块浸入水中的深度增加,它受到水向上的压力为30牛,则金属块受到水向下的压力为多少牛?11.质量为1千克,体积为0.5分米3的实心球,把它浸入水中,静止时所受的浮力多大?若把它放入水银中静止后,球所受的浮力为多大?12.某物体在空气中用弹簧称得读数为2.646牛,全部浸入水中用弹簧称得读数为1.666牛,那么①该物体在水中所受的浮力多少?②物体的体积多大?③该物体的密度多少?13.有一木体积为150厘米3,在木块上放质量为60克的砝码时,木块恰好没入水面,那么木块的重为多少牛?如果把砝码拿走,则木块露出水面的体积多少米3?14.底面积为100cm 的圆柱形容器内装有适量的液体,将其竖直放置在水平桌面上,把木块A放入容器内的液体中,静止时,木块有五分之一的体积露出水面,此时,液体的深度为20cm。
中考物理总复习《浮力》专项练习题(含答案)学校:___________班级:___________姓名:___________考号:___________一、单选题1.如图所示,三个完全相同的容器内装有适量的水后,在乙容器内放入木块漂浮在水面上,丙容器内放一个实心小球悬浮在水中,此时,甲、乙、丙三个容器内水面高度相同,下列说法正确的是A.乙容器中木块的密度等于丙容器中小球的密度B.三个容器对水平桌面的压力相等C.如果向乙容器中加入盐水(ρ盐水>ρ水),木块受到的浮力变大D.如果向丙容器中加入酒精(ρ酒精<ρ水),小球受到的浮力不变2.把一木块轻轻放入盛满密度为0.8×103kg/m3的酒精的杯中,木块浮在液面上,此时杯中溢出酒精10g。
若将此木块轻轻放入盛满水的杯中,从杯中溢出水的质量为()A.大于10g B.等于10gC.小于10g D.无法确定3.小明和小红用相同的橡皮泥捏小船,探究“看谁装得硬币多”,如图甲、乙所示分别是小明和小红捏的小船装4枚和6枚一元硬币时放入相同水杯中的情景,下列分析正确的是()A.图甲中的小船所受的浮力大B.图乙中小船排开水的体积大C.两艘小船排开水的重力相等D.甲、乙两杯杯底受到水的压强相等4.关于下列四幅图的说法错误的是()A.图甲中“推而未动”说明物体受到平衡力的作用B.图乙说明不接触的物体也可以产生力的作用C.图丙中产生弹力时是因为施力物体发生形变造成的D.图丁中沉到水底的铁球没有受到浮力5.甲、乙两烧杯完全相同,装满水放在水平桌面上,将体积相同的两实心小球A、B分别放于其中,静止时A漂浮、B沉底,如图所示。
A、B两小球的密度分别为ρA、ρB,其所受浮力分别为F A、F B;甲、乙杯中水对容器底的压强分别为p甲、p乙,两容器对桌面的压力分别为F1、F2。
下列判断中正确的是()A.ρA>ρB B.F1<F2C.F A=F B D.p甲>p乙6.掉进水中的苹果,向下运动一段距离后(没有触底),又向上运动,最终漂浮在水面上静止。
初中物理浮力测试题及答案编辑整理:尊敬的读者朋友们:这里是精品文档编辑中心,本文档内容是由我和我的同事精心编辑整理后发布的,发布之前我们对文中内容进行仔细校对,但是难免会有疏漏的地方,但是任然希望(初中物理浮力测试题及答案)的内容能够给您的工作和学习带来便利。
同时也真诚的希望收到您的建议和反馈,这将是我们进步的源泉,前进的动力。
本文可编辑可修改,如果觉得对您有帮助请收藏以便随时查阅,最后祝您生活愉快业绩进步,以下为初中物理浮力测试题及答案的全部内容。
浮力 测试题姓名: 班级: 学号:一、填空题1。
小华家乡有一条清清的小河,河底全是一些鸡蛋大小的鹅卵石,每年夏秀小华都要到河里游泳,每次她都发现由河心处走向河岸时,会感觉到脚底被鹅卵石硌得越来越痛,这是因为小华由河心走向河岸时,小华受到的浮力越来越_______ ,河底对小华脚底产生的压强越来越____________造成的,在这个过程中小华的重力___________。
2。
铝是一种密度较小的金属。
近年来科学家研制出更轻的铝-—泡沫铝,某种泡沫铝的密度只有0.18 ×103Kg/m 3。
把一块重10N 的这种泡沫铝浸没在水中,放手后,它会______ (填“上浮”或“下沉");静止时,它受到的浮力是________N.3.弹簧测力计吊着物块在空气中称时示数为1.6N ,当把物块总体积的12浸入水中称时示数为0.6N ,则物体受到的浮力为 N ,物块的密度为 kg/m 3。
当把物块总体积的45浸入水中称时示数为 N.物块排开水的质量为 kg 。
(g 取10N/kg)4.将一只质量为20g 、密度为0。
5×103kg/m 3的实心球放在容积为300mL 的容器内,往容器里加水,最多可以加 g 的水.5.如图,物体浸没在水中时,所受到的浮力为 N ;如果直接将该物体投入水中,该物体将 (填“上浮”、“悬浮"或“下沉”);从图乙、丙可以看出浮力的大小与液体的 有关。
浮力测试题一、选择题。
(每题3分,共60分)1、如图1所示,一个铁球分别放在水中、盐水中和水银中,受到的浮力最大的是:A.在水中B.在盐水中C.在水银中D.条件不足,无法确定2、一只密封的箱子体积是5×10-3m3,质量是4千克,不慎落入水中,木箱在水中将:()A.上浮B.下沉C.悬浮D.无法判断3、体积相同的铁球、铝球和木块,浸在液体中的情况如图2所示,则比较它们受到的浮力:A.铁球受到的浮力最大B.铝球受到的浮力最大C.木块受到的浮力最大D.它们受到的浮力一样大4、形状不同的物体都浸没在同种液体中时,所受浮力相等.它们:()A.质量一定相等. B.密度一定相等.C.一定都是实心物体. D.体积一定相等.5、把一根密度计先后放入三种不同的液体中,静止时如图3所示,那么比重计在三种液体中受到的浮力:A、甲最大B、乙最大C、丙最大D、甲、乙、丙一样大6、图4中所示为一根表面涂蜡一端绕有适量铁丝的木棍竖直浮于水面的情况,若将其露出水面的部分切去,则剩下的部分一定会:A、下沉B、上浮C、悬浮在水中不动D、以上情况均有可能7、潜水艇在海水里匀速竖直上浮过程中(未露出海面),下面说法确的是:A、浮力变大,重力小于浮力B、浮力不变,重力小于浮力C、浮力不变,重力等于浮力D、浮力和重力同时变小,但浮力和重力始终相等8、有一个空心铝球,重4.5N,体积为0.5dm3,如果把这个铝球用细线系着拴在装满水的容器底部,并让水浸没(如图5),则:A、细蝇是松驰的(图甲),客器底对铝球的支持力为零B、细绳是松驰的(图甲),容器底对铝球的支持力为4.9NC、细绳是张紧的(图乙),绳对铝球拉力是4.9ND、细绳是张紧的(图乙),绳对铝球拉力是0.4N9、乒乓球漂浮在盐水中,当向盐水中倒入一点清水后,乒乓球在盐水中将:( )A.上浮一点B.保持原位置C.下沉一点D.无法判断10、将原来悬浮在盐水中的塑料块取出后分割成大小不等的两块,再投入盐水中后:A.大块下沉,小块上浮B.大块上浮,小块下沉C.两块仍然悬浮于盐水中D.两块都将上浮或下沉11、如图6,木块A下面挂一铁球B,木块仍浮在水面,下列说法中正确的是:A、木块A的重力等于它受到的浮力B、铁球B的重力等于它受到的浮力C、A与B的总重等于它们受到的总浮力D、A、B之间线的拉力等于B的重力12、某海滨浴场,水底布满石头,在海水中游泳的人由深水走向浅水的过程中.以下体验和分析合理的是:( )A.脚越来越疼,因为水底对人的支持力越来越大B.脚越来越疼,因为人受到的重力越来越大C.脚不疼,因为人越来越轻D.脚不疼,因为水底对人的支持力越来越大13、“死海不死”的故事说的是:“……将奴隶和俘虏扔进海里,可他们都漂浮在海面上……”。
初中物理浮力题20套(带答案)含解析一、浮力1.两手分别拿着质量相等木块和石块,把它们都浸没到水中。
松开手后,木块上浮,石块下沉。
静止时受到浮力较大的是A.石块 B.木块 C.一样大 D.不能确定【答案】B【解析】【详解】松开手后,木块上浮,静止时漂浮,木块受到的浮力;石块下沉,石块受到的浮力;因为,所以。
故选B。
【点睛】重点是浮力大小的比较,当质量相等时,根据两物体在液体中的浮沉状态很容易比较浮力的大小,漂浮时物体的浮力等于自身的重。
2.三个相同容器里盛有密度不同的三种液休,将同一个小球先后放人三个容器中,静止时位置如图所示,容器中的液面到容器底的距离都相等.下列说法正确的是()A.在甲液体中小球所受的重力小于浮力B.小球在丙液体中所受浮力等于小球在乙液体中所受浮力C.甲乙丙三种液体对容器底的压强相同D.丙液体的密度最小【答案】D【解析】由图可知,同一个小球在甲液体中处于漂浮状态,在乙液体中处于悬浮状态,在丙液体中沉底.A.根据漂浮条件,在甲液体中小球所受的浮力等于其自身重力,故A错误.B.小球在乙液体中悬浮,所受浮力等于其重力,即F浮乙=G;小球在丙液体中沉底,则F浮丙<G,因此F浮丙<F浮乙,故B错误.C.因ρ物>ρ液时下沉、ρ物=ρ液时悬浮、ρ物<ρ液时漂浮,所以,三液体的密度关系为ρ甲>ρ物=ρ乙>ρ丙,因容器中的液面到容器底的距离都相等,所以,由p=ρgh可知,甲乙丙三种液体对容器底的压强为p甲>p乙>p丙,故C错误.D.根据漂浮条件,ρ物>ρ液时下沉、ρ物=ρ液时悬浮、ρ物<ρ液时漂浮,所以,三液体的密度关系为ρ甲>ρ物=ρ乙>ρ丙,即丙液体的密度最小,故D正确为答案.3.甲、乙两个完全相同的杯子盛有不同浓度的盐水,将同一个鸡蛋先后放入其中.当鸡蛋静止时,两个杯子中液面恰好相平,鸡蛋所处的位置如图所示.则A.甲杯底部所受的液体压力较大B.乙杯底部所受的液体压强较大C.鸡蛋在甲杯里排开液体的质量较大D.鸡蛋在乙杯中受到液体的浮力较大【答案】B【解析】【详解】A.由于两杯完全相同,所以F甲小于F乙,A错误;B.甲杯中的V排大,所以ρ液小,根据p=ρ液gh,深度相同,甲液体的密度小于乙液体的密度,所以p甲小于p乙.B正确;C.根据浮力的公式F浮=ρ液gV排,在浮力相同时,排开液体的质量也相同,C错误;D.因为鸡蛋在甲、乙两杯中处于悬浮和漂浮状态,所以,浮力都等于自身的重力,是相等的,D错误.4.如图所示,将同一个鸡蛋先后放入甲、乙两杯盐水中,鸡蛋在甲杯中处于漂浮状态,在乙杯中处于悬浮状态.下列判断正确的是A.鸡蛋在甲杯中受到的浮力大于在乙杯中受到的浮力B.鸡蛋在甲杯中受到的浮力小于在乙杯中受到的浮力C.甲杯中盐水的密度大于乙杯中盐水的密度D.甲杯中盐水的密度小于乙杯中盐水的密度【答案】C【解析】【详解】AB.鸡蛋在甲中漂浮,所以浮力等于重力,在乙中悬浮,所以浮力等于重力,所以甲乙中受到的浮力相等,则AB错误;CD.同一个鸡蛋在甲中漂浮,所以鸡蛋的密度小于甲盐水的密度;在乙中悬浮,所以鸡蛋的密度等于乙盐水的密度,所以甲盐水的密度大于乙盐水的密度,故C正确,D错误.5.如图所示,将一圆柱体从水中匀速提起,直至其下表面刚好离开水面。
第五节浮力1.浸在液体里的物体受到竖直向上的浮力,浮力的大小一定等于( )
A.物体排开水的重力 B.与物体同体积的液体受到的重力
C.物体排开的液体受到的重力 D.物体受到的重力
2.两个物体分别挂在弹簧测力计下,将它们都浸没在水中,发现两只弹簧测力计的示数减小的数值相同,由此可知这两个物体的( )
A.密度相同,体积相等
B.受到的浮力相等,体积相等
C.质量相等,被排开的水受到的重力相等
D.质量相等,密度相同
3.人自河边从浅水区走向深水区,若水底布满小石头,则下述体验与分析合理的是()
A.脚底疼痛感觉减弱,因为人越来越轻
B.脚底疼痛感觉减弱,因为水对人的浮力越来越大
C.脚底疼痛感觉加重,因为人越来越重
D.脚底疼痛感觉加重,因为水对人的浮力越来越小
4.在空气中用弹簧测力计称质量为2 kg的物体时,弹簧测力计的示数是_______N,当把该物体浸没在水中称时,弹簧测力计的示数为12.4N,则物体受到的浮力大小是_______N。
5.小明和小华分别利用重为1N的橡皮泥、弹簧测力计、细线、烧杯和水等器材探究浮力大小与物体形状的关系。
他们将各自的橡皮泥依次捏成圆锥体和圆柱体进行实验,实验过程及相关数据如图所示。
请你解答下列问题:
(1)图A中橡皮泥所受浮力的大小为_____N。
(2)他们经过交流发现实验结论不一致,你认为_____的实验方案得出的结论更可靠,另一方案得出的结论不可靠的主要原因是_______________________。
参考答案:
1.C 2.B 3.B 4.20N 7.6N
5.( 1)0.4 (2)小华没有控制物体排开液体的体积。