工厂设计整理
- 格式:docx
- 大小:18.49 KB
- 文档页数:4
有关名词概念管道设计:包括糖厂各种介质管道的材料、管、壁厚、阻力、管道补偿计算和选择,以及管道的布置与安装等项目。
管路设计包括管径、壁厚、管道流体阻力及管道补偿的计算和管子材料的选择等项。
蔗渣打包率:满足了燃料量后剩下的打包蔗渣量占总蔗渣量的百分比标煤耗:榨100 t 甘蔗所消耗能量等折成消耗的标准煤量。
标汽耗:榨100 t 甘蔗所消耗蒸汽等折成消耗的标准汽量。
基础设计程序:基本建设前期工作项目建议书→可行性研究→编制计划(设计)任务书→厂址选择→初步设计→施工图设计→项目列入国家年度计划,办理材料,设备供应及编制施工计划。
基本建设后期工作施工安装→试生产→施工验收→交付生产使用风玫瑰图:即风向频率图是某一地区各个方向吹风次数占常年总吹风次数的平均百分数,按比例绘制成图,步骤为:①选确定方位坐标,绘出方位方向座标图,一般用8或16个罗盘方位。
②根据多年(十年以上)风向资料的统计平均值,按一定比例绘出个方向长度,越长表示次数越多,各段线长总和为100%。
③连接各线的端点绘成封闭图形,图上最长部分即为测定时间内(一般为一年)的主导风向,风向规定为从外面吹响图面中心(厂址所在地)。
④风玫瑰图画在总平面图右上角。
填空题:资料收集要满足:完整性、正确性、适用性、恰当性(1)管道布置图表示车间内管道空间位置的平、立面布置情况。
包括平面图、剖视图、向视图和局部放大图。
(2)管段图表示一个设备至另一设备(或另一管道)间的一段管道的立体因。
(3)管架图表达管架的零部件图。
(4)管件图表达管件的零件图工厂设计原则:工艺上可靠,经济上合理,技术上先进,系统上最优。
工艺衡算:物料衡算、热量衡算、供水衡算、设备衡算厂址选择的程序(三个阶段):准备阶段,现场勘查阶段,整理选厂报告供排水工程包括供水工程和排水工程。
1.供水工程主要包括:取水工程、净化和配水工程三大部分;排水工程指:污水排除管网及污水处理。
2、用水量包括:生产、生活及消防用水。
厂容厂貌整治方案是指对工厂的外部环境进行美化和整顿,以提升企业形象和员工的工作环境。
一个整洁、有序的工厂环境不仅能展示企业的管理水平和文化内涵,还能提高员工的工作效率和工作积极性。
下面将详细介绍厂容厂貌整治方案的目标、内容和实施步骤。
一、目标通过厂容厂貌整治方案,旨在实现以下几个目标:1. 提升企业形象:通过精心打造的外部环境,展示企业的管理水平和文化内涵,吸引更多的客户、合作伙伴和投资者。
2. 改善员工的工作环境:整洁、有序的工厂环境可以提高员工的工作效率和积极性,减少事故和错误发生的可能性。
3. 增强安全意识:规范和美化工厂环境,为员工提供一个安全、健康的工作场所,增强安全意识和文化。
二、内容厂容厂貌整治方案的内容主要包括以下几个方面:1. 清洁卫生:定期清理工厂内的垃圾和污泥,保持地面、墙壁等的清洁和整洁。
特别注意厕所、食堂等公共区域的清洁和消毒。
2. 绿化美化:合理布局和设计植被,如花坛、草坪等,增强工厂的环境美感。
对植物进行定期修剪和养护,保持绿化植物的良好状态。
3. 标识标牌:制作和安装工厂的标识标牌,包括企业名称、Logo、企业宣传口号等,提升企业的品牌形象和知名度。
4. 设施设备:对工厂内的设施设备进行维护和修缮,保持其正常运转和安全可靠。
5. 垃圾处理:明确垃圾分类和处理的规范,设置垃圾桶和垃圾分类指示牌,提高员工的环保意识。
6. 路面硬化:对工厂内部的道路进行硬化,提供良好的交通环境和机械设备的运输通道。
7. 废品堆放区:规范和整理废品堆放区,确保废品的分类、堆放和处理符合环保要求。
三、实施步骤针对厂容厂貌整治方案的实施,可以按照以下步骤进行:1. 制定计划:根据厂容厂貌整治的目标和内容,制定详细的实施计划,明确责任人和时间节点。
2. 组织人员:成立整治小组,负责方案的实施和监督。
根据实际情况确定人员的数量和职责。
3. 整理清理:对工厂内的垃圾、杂物进行清理和整理,确保工作区域的整洁和有序。
工业厂房设计规范篇一:工业厂房设计规范在介绍工业厂房设计规范钱,先解释下:这里的工业厂房,是用于工业生产过程中的房屋。
工业厂房除了用于生产的车间,还包括其附属建筑物,如厂房宿舍,食堂,办公楼等配套房屋。
(中工招商网整理提供)工业厂房的特点工业厂房按其建筑结构型式可分为单层工业建筑和多层工业建筑。
多层工业建筑的厂房绝大多数见于轻工、电子、仪表、通信、医药等行业,此类厂房楼层一般不是很高,其工业厂房方案设计-满川照明设计与常见的科研实验楼等相似,多采用荧光灯照明方案。
机械加工、冶金、纺织等行业的生产厂房一般为单层工业建筑,并且根据生产的需要,更多的是多跨度单层工业厂房,即紧挨着平行布置的多跨度厂房,各跨度视需要可相同或不同。
单层厂房在满足一定建筑模数要求的基础上视工艺需要确定其建筑宽度(跨度)、长度和高度。
厂房的跨度B:一般为6、9、12、15、18、21、24、27、30、36m……。
厂房的长度L:少则几十米,多则数百米。
厂房的高度H:低的一般5~6m,高的可达30~40m,甚至更高。
厂房的跨度和高度是厂房照明设计中考虑的主要因素。
另外,根据工业生产连续性及工段间产品运输的需要,多数工业厂房内设有吊车,其起重量轻的可为3~5t,大的可达数百吨(目前机械行业单台吊车起重量最大可达800t)。
因此,工厂照明通常采用装在屋架上的灯具来实现。
工业厂房设计规范工业厂房设计标准是根据厂房结构而制订的,厂房设计根据工艺流程和生产条件的需要,决定厂房的形式才进行设计的。
标准厂房设计规范:一、工业厂房设计必须贯彻执行国家的有关方针政策,做到技术先进、经济合理、安全适用、确保质量,符合节约能源和环境保护的要求。
二、本规范适用于新建和改建、扩建的工业厂房设计,但不适用于以细菌为控制对象的生物洁净室。
本规范有关防火和疏散、消防设施章节的规定,不适用于建筑高度超过24米的高层工业厂房和地下工业厂房的设计。
三、条在利用原有建筑进行洁净技术改造时,工业厂房设计必须根据生产工艺要求,因地制宜、区别对待,充分利用已有的技术设施。
⾷品⼯⼚设计-复习整理《⾷品⼯⼚设计》复习整理第⼀章:基本建设程序1.新建⼀个⾷品⼚的基本建设程序是什么?各主要环节的作⽤和⽬的是什么?答:指基本建设项⽬在整个建设过程中各项⼯作的先后顺序。
根据国民经济和社会发展的长远规划和⽣产⼒布局的要求,结合⾏业和区域发展规划的要求,提出项⽬建议书。
项⽬建议书经有关部门批准后,进⾏初步可⾏性研究或可⾏性研究,同时选择⼚址。
在可⾏性研究获得批准后,编写设计计划任务书。
根据批准的设计计划任务书进⾏勘察、设计、施⼯、安装、试产、验收,最后交付使⽤。
2.基建的概念及分类?答:(概念)固定资产的建筑、添置与安装。
包括⼯⼚、农场、⽔库、商店等⼯程的建设,以及机械设备和车辆等的添置和安装,也包括机关、学校、医院等房屋建筑、设备添置和安装及居民住宅的建设(分类)按其经济⽬的可以分为⽣产性建设与⾮⽣产性建设,按照建设的性质可以分为新建、改建、扩建、重建、迁建、和更新改造3.可⾏性研究的概念、依据、作⽤和步骤?可⾏性研究报告的内容及可⾏性研究的注意事项?答:【概念】对拟建项⽬在⼯程技术、经济及社会等⽅⾯的可⾏性和合理性进⾏的研究;对项⽬的经济效果及价值的研究。
其成果是根据各项调查研究材料进⾏分析、⽐较⽽得出。
它的论证以⼤量数据作为基础。
因此,在进⾏可⾏性研究时,必须搜集各种资料、数据作为开展⼯作的前提和条件。
【依据】国民经济和社会发展的长远规划及⾏业和区域发展规划;根据国家计划部门批准的项⽬建议书;市场的供求状况及变化趋势;可靠的⾃然、地理、⽓象、地质、经济、社会等基础资料;与项⽬有关的⼯程技术⽅⾯的标准、规范、指标等;国家公布的关于项⽬评价的有关参数、指标等。
【作⽤】建设项⽬投资决策和编制设计任务书的依据;投资者申请项⽬贷款的依据;与建设项⽬有关部门商谈合同和协议的依据;建设项⽬开展初步设计的基础;投资项⽬制订技术⽅案、设备⽅案的依据;作为安排基本建设计划和开展各项建设前期⼯作的参考;作为环保部门审查建设项⽬对环境影响程度的依据。
《现代化工厂施工方案(生产线与环保设施布局)》一、项目背景随着科技的不断进步和市场需求的增长,现代化工厂的建设成为了推动经济发展的重要力量。
本项目旨在建设一座集先进生产线和完善环保设施于一体的现代化工厂,以提高生产效率、降低环境污染,实现可持续发展。
工厂将主要生产[具体产品名称],产品广泛应用于[产品应用领域]。
为了满足市场需求,提高产品质量,工厂将引进先进的生产设备和技术,同时建设完善的环保设施,确保生产过程对环境的影响最小化。
二、施工步骤1. 场地平整与基础施工- 对选定的工厂场地进行平整,清除杂物和障碍物,确保场地平整。
- 根据设计要求进行基础施工,包括厂房基础、设备基础等。
采用钢筋混凝土结构,确保基础的稳定性和承载能力。
2. 厂房建设- 按照设计图纸进行厂房主体结构的施工,采用钢结构或混凝土结构,确保厂房的强度和稳定性。
- 安装厂房的屋面和墙面材料,确保厂房的防水、保温和隔热性能。
- 进行厂房内部的装修和分隔,根据生产工艺要求设置不同的功能区域。
3. 生产线安装- 根据生产工艺要求,进行生产线设备的选型和采购。
- 在厂房内进行生产线设备的安装和调试,确保设备的正常运行。
- 连接生产线设备的管道和电气系统,确保生产线的自动化控制和运行。
4. 环保设施建设- 建设污水处理设施,对生产过程中产生的废水进行处理,达到国家排放标准后排放。
- 安装废气处理设备,对生产过程中产生的废气进行处理,减少对大气环境的污染。
- 建设固体废弃物处理设施,对生产过程中产生的固体废弃物进行分类处理和回收利用。
5. 辅助设施建设- 建设办公区域、员工宿舍、食堂等辅助设施,为员工提供良好的工作和生活环境。
- 安装消防设施、安全监控系统等,确保工厂的安全运行。
三、材料清单1. 建筑材料- 钢材、水泥、砂石、砖块等主体结构材料。
- 屋面和墙面材料,如彩钢板、夹芯板、防水涂料等。
- 装修材料,如地砖、墙面涂料、吊顶材料等。
2. 生产线设备- [具体生产线设备名称]等生产设备。
工厂设计范文
随着工业化的不断发展,工厂作为生产和制造的重要场所,其
设计也变得越来越重要。
一个好的工厂设计不仅可以提高生产效率,还可以提升员工的工作环境和生产安全。
下面我们将介绍一种优秀
的工厂设计范文,希望能够对大家有所启发。
首先,工厂的整体布局需要合理规划。
在设计工厂时,需要考
虑到原材料的存放、生产线的布置、成品的存储和出货等因素。
合
理的布局可以缩短生产流程,提高生产效率。
同时,还需要考虑到
员工的工作环境,比如通风设备、照明设施等,以确保员工的健康
和安全。
其次,工厂的生产设备需要选择先进、高效的设备。
现代化的
生产设备可以大大提高生产效率,降低生产成本。
在选择设备时,
需要考虑到设备的稳定性、维护成本以及生产效率等因素,以确保
设备的长期运行。
另外,工厂的环保设施也是设计中需要考虑的重要因素。
随着
环保意识的提升,工厂在设计时需要考虑到废气、废水的处理设施,以及垃圾的分类和处理设施。
合理的环保设施不仅可以降低对环境
的污染,还可以提升企业的社会形象。
最后,工厂的安全设施也是设计中需要重点考虑的因素。
在工厂设计中,需要考虑到火灾、事故等突发情况的处理措施,比如消防设备、应急通道等。
同时,还需要考虑到员工的安全设施,比如防护设备、安全标识等,以确保员工的生命安全。
综上所述,一个优秀的工厂设计范文需要考虑到整体布局、生产设备、环保设施以及安全设施等因素。
只有综合考虑这些因素,才能够设计出一个高效、安全、环保的工厂。
希望以上内容能够对大家有所帮助。
食品工厂绪论1、食品工厂设计:将一个待建项目(一个工厂、车间、一套设备)用图纸、表格和必要的文字说明表达出来,然后由施工人员建设完成的一系列程序。
2、食品工厂设计有哪些要求,需要遵循什么原则?有哪些主要内容?答:(1)要求:1.经济上合理,技术上先进2.在三废治理和环境保护方面必须符合国家有关规定3.尽可能减轻工厂的劳动强度,使工人有一个良好的劳动工作条件。
4.考虑到食品生产的季节差异性。
(2)原则:1、符合经济建设的总原则:做精心设计、投资省、技术新、质量好、收效快、回收期短.2、设计的技术经济指标以达到或超过国内同类型工厂生产实际平均先进水平为宜。
3、积极采用新技术,力求设计在技术上具有现实性和先进性,在经济上具有合理性.4、必须结合实际,因地制宜,体现设计的通用性和独特性相符合的原则,并留有适当的发展余地.5、食品类工厂还应贯彻国家食品卫生有关规定充分体现卫生、优美、流畅并能让参观者放心的原则。
6、设计工作必须加强计划性、各阶段工作要有明确进度。
(3)设计的内容(工艺与非工艺的关系):1、工艺向土建提出工艺要求,而土建给工艺提供符合工艺要求的建筑; 2、工艺向给排水、电、汽、冷、暖、风等提出工艺要求和有关数据,而水、电、汽等又反过来为工艺提供有关车间安装图; 3、土建对给排水、电、汽、冷、暖、风等提供有关建筑,而给排水、电、汽等又给建筑提供有关涉及建筑布置的资料; 4、用电各工程如工艺、冷、风、汽、暖等向供电提出用电资料; 5、用水各工程如工艺、冷、风、汽、消防等向给排水提出用水资料。
第一章基本建设程序和工厂设计的内容1、基本建设:是指固定资产的建筑、添置和安装,包括工厂、农场、水库、商店等工程的建设,以及机械设备和车辆等的添置和安装,也包括机关、学校、医院等房屋、设备的建筑、添置和安装及居民住宅的建设等。
2、基本建设内容包括:建筑工程、设备安装工程、设备(包括需要安装的和不需要安装的)、工具、器具等。
新达高梵新工厂设计方案新达高梵新工厂设计方案1. 项目背景•新达高梵公司是一家知名的高端家具制造商,希望建设一座全新的工厂来满足市场需求。
•工厂规模:总占地面积100,000平方米,建筑面积40,000平方米。
2. 设计目标•提高生产效率,优化工厂布局。
•创造舒适、安全的工作环境。
•提高产品质量,降低生产成本。
3. 工厂布局主要功能区划分•生产车间:划分为原材料处理区、制造区和包装区。
•物流中心:负责材料调拨、产品配送等。
•办公区:包括行政办公区、设计研发区和会议室。
•人员休息区:提供员工用餐、休息等设施。
•按生产流程合理设置设备,形成紧凑的生产线。
•采用智能化设备,提高生产效率。
4. 环境设计照明设计•充分利用自然光,最大程度减少人工照明;•采用节能灯光,提高照明效果。
空调通风设计•室内设置合理通风系统,保持空气流通;•使用高效空调设备,保持室内舒适温度。
噪音控制•对噪音敏感区域进行隔音处理,减少噪音对员工的干扰。
5. 安全防护消防设施•设置灭火器、喷淋系统等消防设施,保障工厂安全。
安全通道•设置紧急疏散通道,保证员工在紧急情况下的安全。
•在关键位置设置明显的安全标识,提醒员工注意安全。
6. 社区和环境友好绿化建设•绿化园区,美化环境,提升员工幸福感。
垃圾处理•设置垃圾分类设施,进行环保垃圾处理。
社区融入•加强企业与周边社区的交流与合作,建设和谐社区。
7. 经济效益•优化工厂布局,提高生产效率,降低生产成本。
•提高产品质量,树立品牌形象,增加市场份额。
以上是新达高梵新工厂设计方案的相关资料,针对项目的背景、目标、工厂布局、环境设计、安全防护、社区和环境友好、经济效益等方面进行了详细的说明。
通过合理的规划和设计,希望能为新达高梵打造一个优秀的生产工厂。
8. 时间计划阶段一:前期准备•洽谈与新达高梵公司确认设计要求、需求和预算。
•调研现有工厂及其运营情况,制定可行的设计方案。
阶段二:方案设计•根据调研结果,进行工厂布局、环境设计和安全防护等方面的设计。
工厂花坛整理方案背景在许多工业区域,建筑物四周总是有一些空地,这些空地由于缺乏有效的维护和管理,成为了无人问津的垃圾场或者杂草丛生的荒地。
这样对于企业不仅影响着环境卫生,还会降低工作效率和员工的士气。
在这种情况下,我们可以通过整理花坛等绿化带来改善环境,并且为工厂营造一个更加美好、舒适的办公环境。
方案花坛设计花坛设计是整个方案的核心,该设计要考虑到以下方面:•花坛的尺寸和形状:尺寸要根据场地大小和地形来设计。
形状考虑到花坛的美观性和操作方便性。
•植物的选择:首先要选择适合当地气候条件的植物。
另外还要考虑以下几个因素:–植物的高度和颜色:花坛的植物要具有层次感,高度和颜色的搭配要协调。
–植物的生长速度:植物的生长速度要适中,不宜太快或太慢。
–植物的病虫害抵抗力:植物的抗病虫害能力要较强,以保证花坛的长期美观。
•灌溉和肥料:花坛的灌溉和肥料要根据植物需求来进行管理。
不仅要保证灌溉和施肥的时机和量,还要注意保护环境,不得使用含有有害物质的肥料和农药。
花坛施工步骤花坛施工步骤如下:1.清理和修整土地:清除土地上的垃圾和杂草,并进行平整处理。
2.构建花坛围栏:针对花坛设计进行构建,并确保花坛围栏坚固耐用。
3.植物选择和按设计方案种植:植入植物时应遵循植物种植深度,施肥以及浇水的技巧来进行操作。
4.浇灌养护:施行定期的浇水和施肥,排除病虫害,定期修剪,保证花坛的生态系统平衡和美观。
效果经过花坛的整理,工厂周围区域充满了生机和活力。
植物清晰、有序的设计增强了工厂周围的环境,增添了员工的好心情。
由于盆栽能吸收有害气体,使空气清新,花坛的浇灌也增加了空气湿度,缓解了工厂周围干燥的问题。
总结工厂花坛整理方案,不仅能够改善环境,增强企业区域形象,同时还能让工厂员工有良好愉悦的工作氛围。
因此,需要充分重视花坛的设计、施工和养护工作,提高工厂的整体环境质量,增强企业竞争力。
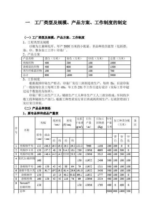
一工厂类型及规模、产品方案、工作制度的制定(一)工厂类型及规模、产品方案、工作制度1、工程类型及规模以棉为主兼顾化纤、年产3000万米的小批量、多品种的全能型(包括漂、染、印、整各加工工序)印染厂。
根据我国印染生产特点,印染厂实行三班制连续生产,每班8h。
目前印染厂一般按每位员工每周工作40h,年工作251个工作日进行设计(实际工作中超过这个数值的为加班)。
印染厂职工由生产工人、辅助生产工人和非生产工人三部分组成。
车间的少数工段和辅助生产部门,根据工种性质实行常日班或两班制生产,行政管理部门实行常日班制。
(二)产品品种规格1、原布品种和成品产量表2. 成品质量指标2.1折皱弹性指标2.2 缩水率[2]表2-3 常见面料的缩水范围参考值2.3 染色牢度[3](三)工艺设计1 工艺流程选择原则和特点[1]产品质量标准和技术要求:印染产品质量必须达到国家或企业规定的质量标准方可被市场接受。
工艺设计就要根据这些标准和要求来确定工艺流程及工艺条件。
如根据印染产品染色牢度要求可以选择不同的染料品种和染色加工条件;根据印染产品缩水率指标可以确定织物的加工张力和防缩整理的工艺参数。
因此,在确定工艺流程之前,设计者需对印染产品的质量标准和技术要求做到心里有数。
技术的先进性和成熟程度:选用工艺流程不能单纯只考虑技术的先进性,还必须经生产实践已充分证明是成熟的,否则很难保证其顺利的用于生产。
染化料供应的可能性:所选工艺需用的染化料,特别是一些新型助剂应能充分供应,以保证正常生产。
加工成本:工艺流程是影响产品加工成本的重要因素,因为它直接影响产品的质量、产量,水、电、汽、高温热源的耗用以及设备的定员。
对调整产品的适用性:根据市场需求的变化应及时调整产品种类,所选择的工艺流程对此应有一定的灵活性和适用性。
所建厂的条件:根据所建厂的技术、供应条件,结合发展生产、开发新产品规划以及改善劳动条件,选择相应的生产方法和工艺流程。
工程项目工厂设计方案模板一、项目背景随着市场需求的增加和产业结构的调整,某地区决定新建一家工厂,以满足日益增长的市场需求。
该工厂计划生产汽车零部件,主要包括发动机零部件、底盘零部件和车身零部件。
该工厂的设计必须兼顾生产效率、安全性、可持续性和成本控制等因素,以满足市场的需求。
二、项目范围该工厂项目占地面积约为100亩,主要包括生产车间、仓库、办公楼、员工宿舍和相关辅助设施。
工厂的规划与设计必须充分考虑工厂生产线的布局、设备配置、生产流程等细节。
三、项目目标1. 提高生产效率,达到预期产能;2. 保障员工和生产设备的安全;3. 降低生产成本,提高工厂运营的竞争力;4. 实施成本控制,提高项目的投资回报率;5. 推动工厂的可持续发展。
四、项目内容1. 生产车间生产车间包括发动机零部件生产线、底盘零部件生产线和车身零部件生产线。
车间内设施应满足生产需求,包括通风、照明、排污等设备。
2. 仓库仓库用于存放原材料、半成品和成品,需满足货物的堆放和管理需求。
3. 办公楼办公楼为工厂管理和行政人员提供办公空间,包括办公室、会议室、休息室、餐厅等设施。
4. 员工宿舍员工宿舍用于提供员工住宿,并需提供基本的生活设施和服务。
5. 辅助设施辅助设施包括停车场、餐厅、医务室、娱乐设施等,为员工提供便利和舒适的工作环境。
五、设计方案1. 建筑设计工厂建筑采用轻钢结构,符合现代工厂建筑标准,同时采用节能、环保的设计理念。
2. 生产设备生产设备采用国际先进的自动化生产线,并根据生产需求进行合理配置。
3. 安全设施工厂安全设施包括火灾报警系统、疏散通道、应急照明等,保障员工和生产设备的安全。
4. 环保设施工厂环保设施包括废水处理设备、废气处理设备等,保障工厂的环保要求。
5. 其他设施其他设施包括停车场、餐厅、医务室等,为员工提供便利和舒适的工作环境。
六、投资预算根据以上设计方案,预计项目总投资约为1亿元,其中包括土地购买费用、建筑施工费用、设备采购费用、装修费用、人力资源费用等。
第一章基本建设程序是指基本建设项目在整个建设过程中各项工作的先后顺序。
内容:我国现行的基本建设程序为如下几个阶段(1)项目建议书阶段(2)可行性研究阶段(包括项目评估)(3)设计阶段(4)开工准备阶段(5)施工阶段(6)竣工验收阶段(7)后评价阶段可行性研究报告的结构和内容包括一下几个方面(1)总论项目背景、项目概况、问题与建议(2)市场预测产品市场供应预测、产品市场需求预测、产品目标市场分析、价格现状与预测、市场竞争力分析、市场风险分析(3)资源条件分析评价资源可利用量、资源品质情况、资源赋存条件、资源开发价值(4)建设规模与产品方案建设规模与产品方案的构成、建设规模与产品方案的比选、推荐的建设规模与产品方案、原有设施的利用情况(5)场址选择场址现状、场址条件比选、推荐的场址的方案、技术改造项目原有场址的利用情况(6)技术方案、设备方案和工程方案技术方案选择、主要设备方案选择、工程方案选择、技术改造项目改造前后的比较(7)主要原材料、燃料供应主要原材料供应方案、燃料供应方案(8)总图、运输与公用辅助工程总图布置方案、场内外运输方案、公用工程与公用辅助工程方案、技术改造项目原有公用辅助设施利用情况(9)节能措施节能措施、能耗指标分析(10)节水措施节水措施、水耗指标分析(11)环境影响评价环境条件调查、影响环境因素分析、环境保护方案(12)劳动、卫生、安全与消防危险因素和危害程度分析、安全消防措施、卫生保健措施、消防设施(13)组织机构与人力资源配置组织机构及其适应性分析、人力资源配置、职工培训(14)项目实施进度建设工期、实施进度安排、技术改造项目建设与生产的衔接(15)投资估算(16)融资方案融资组织形势、资本金筹措、债务资金筹措、融资方案分析(17)财务评价财务评价基础数据与参数选取、销售收入估算与成本费用估算、财务评价报表、盈利能力分析、偿债能力分析、不确定性分析、财务评价结论(18)国民经济评价影子价格及通用参数选取、效益费用范围与数值调整、国民经济评价报表、国民经济评价指标、国民经济评价结论(19)社会评价项目的社会影响分析、项目与所在地互适性分析、社会风险分析、社会评价结论(20)风险分析项目主要风险因素识别、风险程度分析、社会防范风险对策(21)研究结论与建议推荐方案总体描述、推荐方案优缺点描述、主要对比方案、结论与建议食品工厂设计的内容工厂设计包括工艺设计和非工艺设计两大组成部分食品工厂工艺设计的内容大致包括:全厂总体工艺布局,产品方案及班产量的确定,主要产品和综合利用产品生产工艺流程的确定,工艺计算;设备生产能力的计算与选型,生产车间平面布置,劳动力计算及平衡,水、电、汽、冷、风、暖等用量的估算,管道布置、安装及材料清单和施工说明等。
酸奶厂工程设计方案范文1. 布局设计酸奶生产厂一般由原料进库、生产车间、包装车间、成品库、配料间、办公室及生活设施组成。
厂房布局要合理,便于原料的进出、生产的流程、成品的包装和出库等工序的顺畅。
同时要使生产和办公区域相对独立,保证员工的工作环境和生活环境的分离。
此外,还要考虑到未来的扩建和更新,合理的布局可以为未来的发展提供空间。
比如,可以设置未来的新生产线扩建区域、办公区扩建区域等。
2. 厂房结构设计酸奶生产厂的厂房结构设计应采用轻型钢结构或预制砖混结构,其承重结构采用混凝土柱和梁结构,墙体部分采用轻质隔墙或夹心墙,地板部分采用高强地坪,保证生产车间的结构牢固、承重力强。
同时,要对厂房进行全面的防火处理,设置消防设施,并确保建筑结构的稳固和安全。
3. 生产设备选型酸奶生产厂常见的生产设备有发酵罐、杀菌罐、消毒罐、灌装设备、包装设备等。
生产设备的选型应根据生产规模、工艺流程和产品需求而定,并且设备的品质和性能直接影响到产品的质量和生产效率。
因此,要选择专业的设备制造商,并且充分考虑设备的运行成本、维护成本等。
4. 生产车间设计生产车间的设计应安装足够的通风设备、排烟系统以及温控设备,以保证生产车间内的空气新鲜、环境干净、温度适宜。
此外,还要对生产车间进行防水、防潮处理,确保生产车间内干燥、清洁。
同时应合理配置生产设备的位置,以便于设备间的联动,提高生产效率。
5. 环保设施设计酸奶生产厂应配置废水处理设备、废气处理设备,以保护环境,满足环保标准。
废水处理设备包括废水收集池、生物处理池等,废气处理设备包括通风设备、废气过滤器等。
对于垃圾处理,也要配置垃圾分类设施和垃圾处理设备,以保证厂区环境的整洁。
6. 办公及生活设施设计在工厂的办公区域内,应设立办公用房、会议室、员工休息室等,保证员工的工作和生活区域分离。
同时应配置员工宿舍、餐厅、健身房等生活设施,提高员工的生活质量,增强员工的身心健康。
7. 安全设施设计酸奶生产厂的安全设计涉及消防设施、安全出口、紧急报警装置等。
工厂5S管理实施步骤工厂5S管理是一种用于管理和改善工作环境和效率的方法,通过整理、整顿、清扫、标准化和素养培养五个步骤,实现工作场所的整洁和高效。
本文将介绍工厂5S管理的实施步骤,并探讨如何有效地推行该管理方法。
第一步:整理(Seiri)整理是指去除工作场所不必要的物品,只保留必要的物品和材料。
在整理的过程中,需要明确工作场所的用途和功能,遵循“有序放置”的原则,使工作场所更加清晰明了。
整理的具体步骤如下:1. 评估物品的价值:根据实际需要评估工作场所的物品价值,将有用的物品保留,没有用的物品进行处理。
可以通过设立物品分类标准,如“经常使用”、“无用”、“待定”等,对物品进行分类。
2. 确定物品的存放位置:对分类后的物品确定存放的位置,每个物品都应有一个固定的存放位置,并标明标签或编号。
合理的存放位置可以提高使用效率,减少物品丢失和浪费的可能性。
3. 处理无用物品:对于无用的物品,可以进行回收、销毁、捐赠或售出等处理方式。
尽量避免将这些无用物品继续占用工作场所的空间和资源。
整理的目的是创建一个清洁、整齐、有序的工作环境,为下一步的整顿打下基础。
第二步:整顿(Seiton)整顿是指将整理后的物品有条理地摆放到各自的位置。
通过合理布置和整顿,提高工作效率和安全性,减少物品的损坏和浪费。
整顿的具体步骤如下:1. 设计存放布局:根据工作流程和物品的使用频率,设定合理的存放布局。
将常用的物品放置在易达到的位置,减少不必要的移动和时间浪费。
2. 制定标准化存放方法:制定统一的物品存放方式,规定物品的编号、标签和存放要求,以便员工能够迅速找到所需的物品。
可以使用工具柜、货架、托盘等来规范存放。
3. 建立物品管理制度:建立物品借用、归还和报废等制度,对物品进行有效的管理,确保物品能够长时间保持整齐和完好。
整顿的目的是建立一个规范、高效、安全的操作环境,为下一步的清扫打下基础。
第三步:清扫(Seiso)清扫是指对工作场所进行日常的清洁和维护。