气流吹放光缆施工操作规程及技术标准
- 格式:doc
- 大小:176.50 KB
- 文档页数:27
光缆吹送技术施工工法光缆吹送技术施工工法一、前言随着通信技术的快速发展,光缆吹送技术逐渐被广泛应用于光纤通信工程中。
光缆吹送技术通过将光缆利用气流推送到预埋管道中,提高了施工效率和工程质量,减少了施工成本。
本文将详细介绍光缆吹送技术的工法特点、适应范围、工艺原理、施工工艺、劳动组织、机具设备、质量控制、安全措施、经济技术分析和工程实例等内容,以期为读者提供有关光缆吹送技术施工工法的全面指导。
二、工法特点光缆吹送技术具有以下几个显著的工法特点:1. 高效快捷:光缆吹送技术无需开挖地面,通过将光缆利用气流吹送到管道内完成布线,施工速度快,大大缩短了施工周期。
2. 低成本:与传统的敷设光缆方式相比,光缆吹送技术省去了开挖和回填的工序,降低了工程成本,减少了劳动力和材料的使用。
3. 连续性好:光缆吹送技术可以一次性完成光缆的布线,避免了连接点的增多,提高了通信线路的稳定性和可靠性。
4. 适应性广:光缆吹送技术适用于各种类型的管道,包括混凝土管道、钢管道、塑料管道等,具有很强的适应性。
三、适应范围光缆吹送技术适用于以下各类光缆布设工程:1. 长距离光缆敷设工程:光缆吹送技术能够有效地解决长距离光缆布设的问题,提高了施工效率。
2. 地下光缆敷设工程:光缆吹送技术可以避免地面开挖,减少了对环境的影响,适用于需要保护地面整体性的场所。
3. 管道布线工程:光缆吹送技术可以在已有管道中进行光缆布设,减少了对环境和道路的破坏,适用于城市道路、高速公路等场所。
四、工艺原理光缆吹送技术的施工工法与实际工程之间的联系主要体现在以下几个方面:1. 管道准备:在施工前需要对管道进行清理、排污、检测,保证管道的畅通和干燥。
2.光缆准备:光缆在施工前需要进行预处理,包括剥皮、引线、测试等工序,提高光缆的可布设性和质量。
3. 吹送气源:根据实际工程需要,选择合适的气源和压力,保证气流的稳定和充足,以推送光缆到预埋管道中。
4. 管道连接:施工中需要进行管道的连接和密封,保证管道的无泄漏和合适的承压能力。
硅芯管管道及气流吹放光缆施工操作规程及技术标准第一章总则1.1本规程为硅芯管道及气流吹放光缆施工操作、质量检查的主要依据,在施工中除设计文件另有要求外,均须按本规程要求进行施工。
1.2本规程范围主要包括硅芯管线路复测、进货检验、配盘、敷设以及气流吹放光缆、竣工技术资料的编制和竣工验收等,其余在硅芯管工程中的相关内容如直埋光缆、水线光缆、架空光缆、市区管道光缆的敷设、接续请参照《光缆通信干线线路工程施工操作规程》。
1.3本规程所需安装的各种器材、设备的规格、程式和质量应符合本规程和设计文件的有关规定。
凡本规定未包括的新设备规格、程式质量应符合设计要求。
1.4凡因特殊情况而达不到设计及规格要求的施工项目,应同建设、设计单位协商解决,并办理有关手续。
1.5本规程编制的主要依据为邮电部颁布的《电信网光纤数字传输系统工程施工及验收暂行技术规定》。
第二章硅芯管路由的复测2.1一般要求2.1.1复测的主要任务一、根据设计核定硅芯管路由走向敷设位置。
二、核定和丈量中继续段距离,其中包括直埋光(电)缆、硅芯管管道、城区管道、水线等段落和进局距离。
三、核定硅芯管穿越铁路、公路、河流、湖泊及大型水渠、地下管线等障碍物具体位置和处理措施。
四、核定防护地段及处理措施。
五、核定沟坎保护的地点和数量。
六、核定管道光(电)缆占用管孔的位置。
七、为中继段硅芯管的配盘、硅芯管的运输提供资料。
八、修改、补充施工图。
2.1.2复测小组的组成一、复测小组应由施工单位组织,施工、设计、建设(维护)、监理单位的人员参加。
二、复测前应做好准备工作,拟订计划,复测应在配盘和挖沟前完成。
三、复测小组的劳力组合和所需机具材料见表2-1、表2-2表2-1 复测小组劳力组合表表2-2 复测小组机具、材料配备参考表2.2 路由复测的原则:2.2.1路由的选定:一、复测时应严格按照设计路由,如遇特殊情况不能按设计路由时应与设计、建设单位协商确定。
二、市区内硅芯管埋设路由及在市郊规划线内穿越公路、铁路位置如发生变动时应报当地相关部门审批后确定。
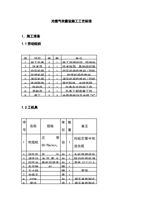
光缆气吹敷设施工工艺标准1.施工准备1.1劳动组织1.2工机具1.3材料2.操作程序2.1 工艺流程工艺流程图见气吹敷设光缆施工流程图。
2.2 操作要领2.2.1 施工准备(1)在敷设光缆之前要对管道径路和管孔之间的距离进行调查,选定气吹点,同时将管道、人孔情况、人孔高程差和管道走向记录在案。
建立管道孔距台帐,以便光缆配盘。
气吹敷设光缆施工流程图2.2.2 硅芯管压力测试(1)硅芯管压力测试主要是检查硅芯管的密封完整性,也是为了保证吹缆过程中有足够的牵引力且基本保持恒定地作用在光缆上。
(2)测试方法是对管道加压以检查是否有渗漏现象,实际操作中用吹缆机厂家提供的硅芯管压力测试包检测,或用吹缆机本身的气块组件及密封装置进行检测。
(3)硅芯管保压压力为80—100psi,2分钟内压降不超过20psi(1.38bar)为合格。
2.2.3 管道试通及预润滑(1)在管道中吹过加有润滑剂的泡沫载体(或海绵体)对管道进行预润滑,并检查管道的畅通性。
润滑剂用量为0.2升/公里,吹过泡沫载体的大致时间是40s。
(2)若管道中进了水,在试通过程中就会有水被排出,这样就必须反复吹过海棉载体,直到不再有水排出为止。
(3)如果管道有故障,可用电飞梭(俗称“电老鼠”)来检测,电飞梭由信号发生器和信号接收器(即手持式探测器)两部分组成,用气吹机将电老鼠送入塑料管道中,电老鼠在故障点停止前进并连续发射信号,此时用手持探测器沿管道路由寻找,找到电老鼠的位置,也就是塑料管道变形阻塞的故障点位置。
2.2.4 安装光缆并添加润滑剂(1)在光缆上安装子弹头,并按程序送入吹缆机,通过吹缆机进入硅芯管。
(2)安装防止倒气的密封圈,在密封圈后面的凹陷处加入100ml润滑剂,封装吹缆机,记录清零。
2.2.5 开始吹缆(1)在管道末端人孔位置配备联络员一人,并持有对讲机。
(2)启动空压机,制备高压气体。
启动液压机给吹缆机提供液压动力,启动吹缆机,利用吹缆机的履带将光缆慢慢推进管道,匀速转动光缆盘,给吹缆机传送光缆。
忻州气吹光缆工程施工随着我国信息产业的快速发展,光缆通信已经成为现代通信的主要方式。
光缆通信技术的不断进步,为各行各业提供了高速、稳定、安全的信息传输手段。
在忻州市,气吹光缆工程施工技术的发展和应用也取得了显著的成果。
一、气吹光缆工程施工概述气吹光缆工程施工是一种新型的光缆布放技术,主要是利用压缩空气作为动力,将光缆通过气吹方式布放在预先挖好的沟槽中。
与传统的挖掘布放方式相比,气吹光缆工程施工具有施工速度快、工程质量高、环境影响小等优点。
二、气吹光缆工程施工流程1. 施工前准备:在施工前,需要对施工区域进行勘察,了解地形地貌、交通状况、光缆路由等信息。
同时,还需要准备相应的施工设备和材料,如光缆、接头盒、吹缆机等。
2. 光缆布放:根据设计图纸,利用气吹方式将光缆布放在沟槽中。
在布放过程中,要注意光缆的弯曲半径、牵引力等参数,确保光缆不受损伤。
3. 接头盒安装:在光缆布放过程中,需要按照设计要求安装接头盒。
接头盒的安装要牢固可靠,确保接头盒与光缆的连接质量。
4. 光缆固定:光缆布放完成后,需要对光缆进行固定,防止光缆在施工过程中受到损伤。
固定方法可以采用绑扎、挂钩等方式。
5. 施工质量检查:施工完成后,要对光缆线路进行质量检查,确保光缆线路的可靠性。
检查内容包括光缆的损伤、接头盒的安装质量等。
三、气吹光缆工程施工注意事项1. 施工安全:在施工过程中,要注意施工安全,遵守相关安全规定。
特别是要加强对施工人员的安全培训,确保施工人员熟悉掌握气吹光缆工程施工的操作规程。
2. 环境保护:气吹光缆工程施工过程中,要注意保护环境,减少对地形地貌的破坏。
在施工结束后,要及时对施工区域进行清理,恢复地貌。
3. 工程质量:气吹光缆工程施工质量是工程的关键,要加强对施工过程的质量控制,确保光缆线路的可靠性。
总之,气吹光缆工程施工在忻州市的应用和发展,为忻州市的信息产业发展提供了有力支持。
在今后的发展中,我们要不断总结经验,提高气吹光缆工程施工技术水平,为忻州市的信息化建设做出更大的贡献。
气吹法敷设光缆的技术要点学习气吹法敷设光缆这么久,今天来说说关键要点。
首先呢,我理解气吹法这个设备的选择超级重要。
它得有合适的气压产生装置,我之前就老是搞混不同类型设备适用的场景。
就像你做饭,不同的菜得用不同的厨具一样,敷设不同类型、长度和直径的光缆,你就得选适合的气吹设备。
比如说,如果要敷设比较长距离而且比较粗的光缆,那设备的气压产生能力就得强一些,不然光缆就吹不进去或者在管道里卡着不动了。
这可都是我在实际操作中遇到过的问题啊,当时我就想,为啥吹不进去呢,后来才明白是设备没选对。
还有就是管道的准备工作,这管道就像咱的马路,要是坑坑洼洼的,车肯定跑不顺溜,光缆也一样。
管道得干干净净的,不能有杂物,而且管道的内径和光缆外径得配合好。
我总结啊,一般管道内径得比光缆外径大个合适的数值,具体数值按照不同的标准有不同的要求。
就拿我做的一个小工程来说,之前没检查好管道,结果吹光缆的时候老是遇到阻力,后来才发现管道里有一些小石子和垃圾,清理了之后就顺利多了。
对了还有个要点,在气吹的时候,气压的控制也是门学问呢。
气压不能过大也不能过小,太大了可能把光缆给吹坏了,太小又达不到吹动的效果。
我理解这就像给气球打气一样,气打得太多气球就爆了,打得太少气球就鼓不起来。
这个气压的数值啊,还得根据不同的光缆材料、管道长度等等来调整。
至于气吹机的操作位置,也要讲究。
要使气吹机保持水平稳定,这是保证气压稳定输出的前提条件。
就像你站着干活和歪歪扭扭干活肯定不一样啊。
要是气吹机晃来晃去的,那吹出来的气也不稳,光缆在管道里走得就不顺畅。
在整个气吹过程中,随时监控也不能少。
要时刻关注光缆的推进速度,有没有异常的振动之类的。
我之前有次没太在意监控,结果光缆卡在管道里有一段距离了我才发现,只能重新来,特别浪费时间。
我觉得学习气吹法敷设光缆,得多实际操作才行。
我学习的过程中也看了不少参考资料,像专门讲通信工程施工的技术书籍里面就有好多关于气吹法的详细理论,还有一些工业设备操作手册也对气吹设备有很详细的介绍。
HDPE管道气吹光缆施工作业指导书一、光缆配盘管道光缆配盘要进行管道径路复测,根据两个人孔间距离实际长度,还要考虑管道径路的地形。
1、对于地势比较平坦地区,光缆盘长按照人孔间距,考虑增加3%余量以及接头盒处盘留20米。
2、对于地势比较复杂,桥、涵较多,光缆盘长按照人孔间距考虑增加4.5%余量以及接头盒处盘留20米。
二、开盘、测试及运输1、对照运单检查包装标记、端别、盘号和盘长,光缆的结构、制式是否符合设计要求。
包装及缆身有无破损,若有破损,应详细记录。
2、检查光缆中纤芯色谱是否完整正确。
3、测试单盘光缆光纤的衰减和长度。
检验方法:用光时域反射仪(OTDR)测单盘光纤1550nm和1310nm窗口衰减和长度并做好记录。
4、装卸须用吊车或跳板等措施,以保证光缆安全。
如光缆在运输途中发生磕碰现象,应进行测试,并做好标记。
三、吹缆前准备1、把吹缆设备运到指定地点后(手孔旁),选择好管卡口和管塞以及缆塞和密封圈。
2、准备好后,开机试运转,检查机器是否正常,设备运转正常后,进行管道试通,将润滑剂加入管内,塞入海绵球,开始送气,直到在另一人孔内海绵球被打出来,在这过程中另一人孔检查人员应站在管孔的外侧,不要正对着管孔,以免管内有其他杂物出来伤人。
四、吹缆过程1、把光缆支架固定好,光缆应从轴盘上方出盘,确定光缆的A 端,劳务工需5名。
2、吹缆时把气压控制在8—12m3,把进缆速度控制在60—90/min,保证光缆吹放顺利的完成。
3、在吹缆过程中,操作吹缆机的人员要时刻注意进缆的速度,一旦发现进缆的速度小于10m/min,应先查找故障位置处理后在进行吹放,防止损伤光缆或气吹设备。
4、吹缆时管道两端必须设专人防护,并用对讲机保持通信联络,防护人员同时做好光缆吹出后的预留盘放。
5、在吹缆过程中,光缆外皮要保持干燥清洁,如果光缆外皮不干燥清洁,要用干燥的毛巾进行擦拭。
6、当光缆从手孔吹到人孔时,盘上的光缆要进行“∞”字盘放,盘放时应确保安全,其弯曲半径不应小于规定的要求。
第四章吹缆技术一、吹缆工艺介绍1、硅芯管硅芯管由高密度聚乙烯制造。
其特点:硅胶被同步挤压进高密度聚乙烯管道内壁,形成固体的永久润滑层,该润滑层与高密度聚乙烯管具有相同的物理和机械特性,即使重物压迫下也不变形,可使硅芯管内壁摩擦系数≤0.15,比一般塑料管的摩擦系数小60%-70%。
2、光缆气吹敷设法:采用高压气流吹送的方式将光缆吹放到预先埋设的硅芯管中。
吹缆机将高压、高速的压缩空气吹入硅芯管,高压气流推动气封活塞,这样连接在光缆端部的气封活塞对光缆形成一个可设定的均匀的拉力,与此同时,吹缆机液压履带输送机构夹持着光缆向前输送形成一个输送力,拉力与输送力的组合,使穿入的光缆随高速气流一道以悬浮状态在管道内快速穿行。
3、光缆气吹敷设法的主要特点:(1)与其它的光缆敷设方法相比,光缆在敷设过程中所受的张力比较均匀而且小得多;(2)敷设过程简化,敷设光缆速度快;(3)一次敷设距离长,可以采用盘长较长的光缆,减少接头数,降低了衰耗;(4)管道线路上人孔、手孔数量可大大地减少;(5).敷设作业使用的人力较少。
4、影响吹缆效果的主要因素:(1)地形地貌及硅芯管敷设质量的影响;(2)光缆外径与塑料管道内径之比;(3)光缆的单位长度重量及外皮材料(一般地,采用外皮为中密度聚乙烯的光缆气吹效果较好);(4)吹缆点的选定,在上下坡的地段,尽可能选择由上往下吹的地点;(5)空气压缩机的性能参数;(6)施工时环境温度和湿度5、工艺参数的选取(1)一般光缆外径与硅芯管内径之比取0.35 - 0.6范围内。
(2)压缩空气压力和液压输送力最佳的压缩空气压力和液压输送力取决于每次作业时的不同工况,对于液压输送力,在吹缆机开始阶段要低一些,当进入硅芯管内的光缆较长时,逐渐增加液压输送力。
另外,在相对于管道来说直径较小的光缆进行吹缆作业时,建议对液压输送力进行限制,以减小光缆在管道中被折叠的潜在危险。
由于光缆前端的牵引力等于有效截面积(管道的截面积减去光缆的截面积)乘以压缩空气压力,故有效截面积越大,光缆上的牵引力也就越大。
简述气吹法敷设光缆的技术要点1. 什么是气吹法?说到气吹法敷设光缆,别被那些技术术语吓着。
这其实就像是给光缆装上一对“气垫”鞋,让它能在管道里飞速前进。
我们可以把它理解成一种利用空气的压力来把光缆送到指定位置的办法。
就像在游乐场看到的那种气垫飞车,光缆在管道里滑行,几乎没啥摩擦。
要是你曾经玩过射击游戏,那种用气流把小球射出去的感觉,跟气吹法有点儿像。
2. 为什么选择气吹法?为什么不直接用手搬运光缆呢?其实,光缆的外层特别娇嫩,像个小宝宝,需要特别的照顾。
传统的铺设方法可能会对光缆造成挤压或摩擦,搞不好就把它弄坏了。
而气吹法就像是给光缆穿上了防护装备,轻轻松松地将它送到管道的另一端。
这个方法的好处可多了:速度快,损耗低,不容易出问题。
而且,长距离的光缆敷设不需要频繁的接头,减少了故障点,安全性和稳定性都大大提高。
3. 气吹法的操作步骤咱们接下来聊聊气吹法的具体操作步骤。
首先,你得有个气吹设备,这玩意儿看上去像个大号的吹风机,实际作用可大着呢。
它负责把空气吹进光缆管道里。
操作步骤是这样的:3.1 设备准备首先,你得检查设备。
就像是开车前要检查车况一样。
确保气吹设备工作正常,气压合适。
然后,确认光缆和管道都是干净的,没有任何杂物挡路。
光缆一旦进入管道里,可不是容易出来的,得小心翼翼。
3.2 光缆放置接下来是光缆的放置。
把光缆从设备的一端插入管道,确保光缆的头部平整,避免尖锐的地方。
这个时候,气吹设备就开始“开工”了。
它会将空气送入管道,光缆在气流的推动下,顺利滑过管道。
如果气压过高,光缆可能会被吹得不稳定,甚至可能出现问题,所以这时候要注意调节气压。
要是气压过低,那光缆就可能会被卡住,处理起来也麻烦。
4. 关键注意事项气吹法看似简单,其实里面有不少讲究。
首先,光缆和管道的兼容性很重要。
光缆的外径、柔韧性和管道的内径、弯曲半径都得考虑进去。
如果不匹配,那光缆在管道里就会被卡住,甚至有可能出现断裂的情况。
西安气吹光缆工程施工随着我国信息产业的快速发展,光缆作为一种重要的信息传输载体,其在通信网络中的地位日益凸显。
而在光缆施工过程中,气吹光缆技术因其施工速度快、成本低、损伤率低等优点,成为了光缆敷设的首选方法。
本文将以西安气吹光缆工程施工为例,介绍气吹光缆施工的流程及注意事项。
一、工程背景西安,作为我国西部地区的经济、文化、科技中心,近年来信息化建设发展迅速。
为了满足日益增长的通信需求,提高通信网络的传输速度和可靠性,西安市政府决定对现有的通信网络进行升级改造,其中就包括采用气吹光缆技术进行光缆敷设。
二、气吹光缆施工流程1. 施工前准备在施工前,首先要对施工人员进行技术培训,确保他们熟悉气吹光缆施工的工艺流程和操作方法。
同时,要对施工所需的设备、材料进行检验,确保其质量符合要求。
此外,还要与相关部门进行沟通,办理施工许可等相关手续。
2. 光缆敷设光缆敷设是气吹光缆施工的核心环节。
施工过程中,首先要将光缆穿过吹缆机,然后通过气压将光缆吹送入已经预先挖好的沟槽中。
在光缆敷设过程中,要确保光缆的牵引力和侧压力在允许范围内,避免光缆损伤。
3. 光缆接头处理光缆接头是影响光缆传输性能的关键因素。
在气吹光缆施工中,光缆接头的处理非常重要。
要确保接头质量,需要采用专业设备进行光纤切割、熔接,并做好接头的保护工作。
4. 光缆测试光缆敷设完成后,要对光缆进行测试,以验证其传输性能是否达到预期。
测试内容包括光缆的长度、损耗、接头损耗等。
如有问题,要及时进行修复或重新敷设。
5. 竣工验收施工完成后,要进行竣工验收。
验收内容包括光缆的敷设质量、接头质量、传输性能等。
只有通过验收,才能交付使用。
三、注意事项1. 施工安全在气吹光缆施工过程中,要严格遵守安全操作规程,确保施工人员的人身安全。
同时,要做好施工现场的防护措施,防止对其他交通和行人造成影响。
2. 质量控制气吹光缆施工过程中,要严格把控施工质量,特别是光缆的敷设、接头处理等关键环节。
气吹法敷设光缆及高速布控方案(一)、组成部分空压机、输气管、油压机(两根油压管)、油压推进器(一进一出、形成回路)、吹缆机、喇叭碗气吹口、伞形端帽。
(二)、敷设前的准备(1)检查通信管道是否连通,管道接头是否密封,确信管道已连通才能准备气吹敷设光缆。
(2)光缆气吹机的驱动滚轴间距应调整到与光缆外径相匹配。
(3)胶粘或用螺钉将伞形端帽___在光缆头上,人工将光缆扦入管道。
(4)在硅管内放入海绵塞,加压试吹海绵塞、对端一人确认海绵塞是否穿通管道到达出口井、防止中间漏气。
(三)、敷设程序(1)打开空气进气阀门,注入空气,不要启动推动器发动机,使洞管的口进入管道,此时光缆气吹机已准备好了。
(2)硅管道口径与吹缆___封性好坏是气吹法敷设成功的保证,否则将对光缆气吹机的性能产生极大影响,甚至无法进行。
气吹法敷设硅管道无大漏气为合格,如在管道中加入10bar的压力,如果压力减弱速度小于0.5bar/min,则该孔基本可用。
(3)移动控制阀门至向前位置。
用左手打开控制阀门,调整发动机压力,直到光缆开始平滑的移动,使压力表稳定在2.5-5bat之间。
(4)光缆的敷设过程可通过光缆气吹机上的长度及速度测量计算的显示。
(5)当光缆出来时,在未发出停机命令前,应与末端人员联系,保证光缆有足够的长度用于接头。
(四)、敷设光缆的要求条件(1)气吹法敷设光缆适用于光缆路由顺延公路或交通条件便利,空压机械易于运抵吹放现场的地点。
(2)地势平、坡度缓、落差小、线路直的路由特别适用于该法。
否则选择气吹法较困难。
(3)要求硅管道敷设质量高(即要求微弯少,波动小)。
(4)对硅管道连接件及接续质量要求较高(保证管道接续后密封不漏气、不进水)。
用于敷设光缆的硅管道质量要求高(机械强度高。
抗击性能好,不易变形受损)。
(5)气吹开始时,由于气压很大,堵头附近人员尽量隐蔽,以防被吹出的碎石和杂物伤及施工人员。
(6)气吹过程中要有巡视员来回巡视,保证在气吹过程中正常进行,有其他情况立即停止调整。
吹缆机施工作业指导书一、工作概述吹缆机是一种专门用于布放光缆的设备,它能够将光缆按照规定的路径和要求进行布放。
本作业指导书主要介绍吹缆机的施工作业流程、操作方法和注意事项,以确保施工的安全性和效率。
二、施工准备1. 安全准备(1)着装:穿戴合适的工作服,佩戴安全头盔、防滑鞋和手套。
(2)安全防护设施:确保施工现场安装好警示牌和安全围挡,设置警戒线。
(3)通风和防止触电:如果作业环境狭小或密闭,应进行通风处理,并确保设备和线材绝缘良好。
2. 工具和设备准备(1)吹缆机:确保吹缆机运转正常,检查各个部件是否完好。
(2)光缆:检查光缆是否完好,避免损坏和弯曲。
(3)辅助工具:包括切割工具、固定工具、测量工具等。
确保这些工具都在良好的工作状态下。
三、施工流程1. 拟定施工方案根据工程图纸、现场情况和项目要求,制定合理的施工方案。
确定光缆的布放路径、起始点和距离,并分配好各个作业人员的任务。
2. 布放导线(1)确定吹缆机的摆放位置,保持机器的平稳和稳定。
(2)将光缆端子固定在吹缆机上,并将光缆整齐地放置在地面上,避免交错和缠绕。
(3)确保光缆的绷紧度适中,不得过紧或过松。
3. 吹缆作业(1)将吹缆机的输送装置与光缆的导线端连接,确保连接稳固。
(2)启动吹缆机,控制好吹缆机的速度和力度。
根据实际情况调整吹缆机的速度,保证光缆的连续布放。
(3)同时,监控光缆的布放路径,确保光缆不会被障碍物挡住或卡住。
(4)在施工过程中,不得随意停止吹缆机和拉动光缆,以免影响光缆的质量。
4. 安装检测(1)光缆布放完毕后,及时进行安装检测。
检查光缆布放的路径、长度和质量是否符合要求。
(2)检查光缆的固定情况,确保光缆不会因为外力引起松动或移位。
5. 清理整理(1)清理施工现场,将吹缆机和工具设备进行清理和整理。
确保施工环境干净、整洁。
(2)及时处理吹缆机产生的垃圾和废料,并分类进行处理。
保护环境,做到垃圾不扬尘、不滴水、不污染。
气流法敷设光缆的操作规程3.1.1硅芯塑料管管道采用气流法敷设光缆的操作规程(以下简称规程)是基于高密度聚乙烯塑料管内光缆的穿放以气流法为主、牵引法为辅的条件下制定的。
长度通信光缆塑料管道的建设标准应符合YD502 5-96《长途通信光缆塑料管道工程设计暂行技术规定》和YD5043-97《长途通信光缆塑料管道工程验收暂行规定》。
3.1.2本规程适用于新建或已建长途通信光缆塑料管道内穿放(或抽换)管道型光缆。
3.1.3本规程未涉及的事项,应执行YDJ14-91《长途通信干线光缆数字传输系统线路工程设计暂行技术规定》和YDJ44-89《电信网数字传输系统工程及验收暂行技术规定》的相关规定。
3.1.4本规程与国家标准、规范和通信行业标准、规范相矛盾时,应以国家标准、规范和通信行业标准、规范为准。
3.2光缆吹放前的准备工作3.2.1施工操作人员技术要求施工操作人员应经过相应技术培训合格,能熟练掌握各道工序的施工操作方法,严格执行国家和通信行业的规范、标准和本操作规程,并具备一定的质量和安全意识。
3.2.2施工装备标准气流法敷设光缆的施工队伍、其设备机械、车辆等配备标准,应综合各种因素综合考虑,表3.2-1的装备配置仅供参考。
表3.2-1 施工装备标准3.2.3开挖光缆沟要求(1) 光缆沟应平直、沟底平整无硬土、无突出尖石和砖块。
(2) 沟坎及转角处应将光缆沟操平和裁直,使之平缓过渡。
(3) 光缆沟沟底宽度通常应大于管群排列宽度100mm,以方便施工操作人员下沟置放硅管。
(4) 在高速公路隔离带或路肩上开挖光缆沟,硅管的埋深及管群排列宽度,应考虑到安装防撞栏杆立柱时对硅管的影响。
(5) 光缆沟回填土应高出地面100 mm。
并不得将石块、砖头和混凝土大块等直接填入靠近硅管30 0 mm以内的缆沟内。
3.2.4硅管的敷设(1) 硅管在布放之前,应先检查硅管两端口上的塑料端帽是否有脱落,并补齐、封堵严密。
严禁在布放过程中有水、土、泥及其他杂物等进入管内。
光缆吹送技术施工工法光缆吹送技术施工工法一、前言光缆吹送技术是一种用于光纤通信线路敷设的先进工法,在现代通信领域得到了广泛应用。
它通过采用压缩空气的方式将光缆吹送到预定位置,避免了传统的开挖敷设工程,从而减少了工程周期、降低了成本,并且对地表和环境的破坏也较小。
本文将对光缆吹送技术的工法特点、适应范围、工艺原理、施工工艺、劳动组织、机具设备、质量控制、安全措施、经济技术分析以及工程实例进行详细介绍。
二、工法特点光缆吹送技术具有以下特点:1. 高效快速:相比传统的敷设工法,光缆吹送技术施工速度快,能够大大缩短施工周期。
2. 成本节约:光缆吹送技术无需进行大面积开挖敷设,减少了人力和机械投入,降低了施工成本。
3. 土地破坏少:光缆吹送技术不需要挖掘地面,对地表和环境的破坏相对较小。
4. 线路布局灵活:光缆吹送技术适用于各种地形和环境,可灵活调整线路布局。
三、适应范围光缆吹送技术适用于各种地质条件和施工环境,特别适合以下场景:1. 长距离线路:光缆吹送技术适用于大跨越、长距离线路的敷设,可以缩短线路建设周期。
2.狭窄空间:光缆吹送技术可以在狭窄的空间中施工,适用于城区、地下管廊等场景。
3. 施工难度大的地区:光缆吹送技术适用于地下水位高、地质条件复杂、施工难度大的地区。
四、工艺原理光缆吹送技术的施工工法是基于以下原理:1. 压缩空气作为驱动力:光缆吹送过程中,通过采用压缩空气作为驱动力,将光缆从一端吹送到另一端。
2. 光缆套管和滑头:在施工过程中,采用光缆套管和滑头来保护光缆并减少摩擦。
3. 预留及末端固定:在吹送过程中,需要在起点和终点处预留足够的长度,并采取固定措施来确保光缆的稳定和安全。
五、施工工艺光缆吹送技术的施工工艺包括以下阶段:1. 工程准备:在施工前,对施工区域进行勘察、设计工艺方案,并准备所需材料和机具设备。
2. 套管施工:在施工区域先进行光缆套管的敷设,采用合适的方法和机具设备将套管安装到预定位置。
光纤吹缆机施工作业指导书第一章安全操作注意事项在使用光纤吹缆机之前,需要仔细阅读和理解所有操作程序和安全操作规程,注意本手册所列的各项安全注意事项。
1.1 安全工作区域1.1.1穿戴个人保护装备:安全帽,安全眼镜,安全手套,安全鞋。
1.1.2操作者不能站立于松软的地面上。
1.1.3当进行吹缆操作时,应尽量远离输气管和硅芯管。
1.1.4当空压机在使用时应远离人孔。
1.1.5吹缆机只能用于吹缆。
不要使用没有气块组件的传送带直接推或拉光缆。
1.1.6电缆盘不要离吹缆机太近,为确保正常的控制应将电缆盘置于适当远的地方。
1.1.7不要损坏减压阀。
1.1.8吹缆时硅管末端应有人值守。
1.1.9吹缆机工作时,手应远离驱动部分。
1.2 气压设备光纤吹缆机是一种气动设备,使用压缩空气在气密性很好的子管中高速铺放光缆。
操作机器时,应注意以下事项。
1.2.1 加压前拧紧所有接头,连接或拆管前应释放其内的压力。
1.2.2 压缩空气会产生碎片,应穿个人防护装备。
1.2.3 吹放光缆时,不要让人接近光缆到达的出口。
1.2.4 定期检查输气软管,如果损坏则及时替换。
第二章吹缆机工作原理吹放光缆是一种既安全又有效的光缆铺设方法。
光纤吹缆机在铺缆过程中,同时作用在光缆上的有拖拽器的牵引力、压缩空气的吹力和传送带的推力。
因此需要空气压缩机来辅助吹缆机工作。
空气压缩机产生压缩空气,通过输气软管送往吹缆机的密闭腔,子管的引出端与吹缆机的密闭腔相通。
牵引光缆用的拖拽器连同光缆置于子管内,拖拽器周边橡胶与子管内壁密封,形成的密闭容积与吹缆机的密闭腔相通。
因此压缩空气产生的压力推动拖拽器牵引着光缆在子管内前进。
空气压缩机持续供气,以保证施加在拖拽器上的力基本恒定,从而保证施加在光缆上的力基本恒定。
同时压缩空气向前流动,一方面施加力于光缆上推动光缆前进,另一方面使光缆在子管中处于悬浮状态,减少了铺放时光缆与子管内璧间的摩擦,最大程度地保护光缆。
吹缆操作规程吹缆是一种常见的布线方法,它将电缆通过空气或水力压力从一段管道吹入另一段管道。
吹缆操作规程是为了确保吹缆作业安全、高效进行而建立的一系列操作流程和安全措施。
以下是一个大致的吹缆操作规程,供参考:一、前期准备1. 开展前期技术交底,明确施工任务、工期和质量要求。
2. 准备清单:根据实际情况准备吹缆所需的设备和工具清单。
3. 现场准备:检查施工现场,确保施工现场环境安全无障碍。
4. 准备电气图纸和布线图纸,并进行查看和核对。
二、设备检查和安装1. 检查吹缆机械设备,包括吹缆机、设备连接管、空气或水源。
2. 安装吹缆设备:根据厂商提供的指导,正确安装吹缆设备,确保设备各部位正常运转。
3. 检查电气设备:检查电气设备的接线和开关,确保正常使用。
三、吹缆操作流程1. 根据布线图纸,确定吹缆的起点和终点,以及中间需要经过的弯曲点。
2. 在起点处清理管道,确保管道内干净无障碍、无异物。
3. 将电缆固定在吹缆设备上,并确保电缆端口封闭。
4. 在起点处将吹缆设备与管道连接,确保密封牢固。
5. 开启吹缆设备,逐渐增加空气或水的压力,并进行观察,确保电缆顺利进入管道。
6. 在到达弯曲点时,根据需要调整吹缆设备的方向和位置,确保电缆能够顺利通过。
7. 在到达终点时,关闭吹缆设备,停止输送空气或水压力。
8. 检查吹入的电缆是否达到预期位置,如有需要,进行调整和修正。
四、安全措施1. 工作人员必须佩戴个人防护装备,包括安全帽、安全鞋、手套等。
2. 操作人员必须熟悉吹缆设备的操作步骤和安全要求,并按要求操作。
3. 操作人员在操作吹缆设备时,必须保持警觉,防范事故的发生。
4. 严禁操作人员在施工现场吸烟、饮酒等违反安全和卫生规定的行为。
5. 在吹缆过程中,禁止站在电缆的正上方或下方,以防意外伤害。
五、设备保养1. 吹缆设备使用结束后,要进行清洁和保养,确保设备的良好状态。
2. 定期检查吹缆设备的各项功能和部件,及时更换损坏或失效的零部件。
气流法敷设光缆的操作规程.1硅芯塑料管管道采用气流法敷设光缆的操作规程(以下简称规程)是基于高密度聚乙烯塑料管内光缆的穿放以气流法为主、牵引法为辅的条件下制定的。
长度通信光缆塑料管道的建设标准应符合YD5 025-96《长途通信光缆塑料管道工程设计暂行技术规定》和YD5043-97《长途通信光缆塑料管道工程验收暂行规定》。
.2本规程适用于新建或已建长途通信光缆塑料管道内穿放(或抽换)管道型光缆。
.3本规程未涉及的事项,应执行YDJ14-91《长途通信干线光缆数字传输系统线路工程设计暂行技术规定》和YDJ44-89《电信网数字传输系统工程及验收暂行技术规定》的相关规定。
.4本规程与国家标准、规范和通信行业标准、规范相矛盾时,应以国家标准、规范和通信行业标准、规范为准。
3.2光缆吹放前的准备工作3.2.1施工操作人员技术要求施工操作人员应经过相应技术培训合格,能熟练掌握各道工序的施工操作方法,严格执行国家和通信行业的规范、标准和本操作规程,并具备一定的质量和安全意识。
3.2.2施工装备标准气流法敷设光缆的施工队伍、其设备机械、车辆等配备标准,应综合各种因素综合考虑,表3.2-1的装备配置仅供参考。
表3.2-1 施工装备标准3.2.3开挖光缆沟要求(1) 光缆沟应平直、沟底平整无硬土、无突出尖石和砖块。
(2) 沟坎及转角处应将光缆沟操平和裁直,使之平缓过渡。
(3) 光缆沟沟底宽度通常应大于管群排列宽度100mm,以方便施工操作人员下沟置放硅管。
(4) 在高速公路隔离带或路肩上开挖光缆沟,硅管的埋深及管群排列宽度,应考虑到安装防撞栏杆立柱时对硅管的影响。
(5) 光缆沟回填土应高出地面100 mm。
并不得将石块、砖头和混凝土大块等直接填入靠近硅管300 mm以内的缆沟内。
3.2.4硅管的敷设(1) 硅管在布放之前,应先检查硅管两端口上的塑料端帽是否有脱落,并补齐、封堵严密。
严禁在布放过程中有水、土、泥及其他杂物等进入管内。
⽓吹光缆敷设施⼯⼯法⽓吹光缆敷设施⼯⼯法1 前⾔⾼速公路通信光缆作为⾼速公路运营管理及监控、收费系统提供必要的语⾳业务及数据、图像传输通道,起着⾄关重要的作⽤。
通常⾼速公路光缆沿中分带预埋管道及⼈⼿井敷设,⼀般共敷设两条通信光缆,其中⼀条为主⼲光缆,为⼲线和接⼊⽹传输⽤,另⼀条为辅助光缆,为监控外场图像、数据、语⾳业务⾄就近通信站传输⽤。
⽟林(省界)⾄湛江⾼速公路⼯程,共计敷设60芯和48芯光缆约230公⾥,敷设线路长、⼯程量⼤,且⼯期紧张,并受其它⼯序交叉施⼯影响。
针对该项⽬难点与特点,中交⼀航局五公司在施⼯过程中组织全线三个分区同时进⾏吹缆施⼯,⾼峰期五台吹缆机同时作业,最终满⾜了通信光缆施⼯的⼯期、造价、安全、质量等⽅⾯的要求,取得了较好的经济及社会效益。
同时,形成了⽓吹光缆敷设施⼯⼯法。
2 ⼯法特点(1)⽓吹光缆施⼯过程简单,敷设速度快,并可以节省⼤量的⼈⼒。
(2)⽓吹光缆施⼯⼀次性敷设光缆距离长,且施⼯时所占⽤的施⼯场地少。
(3)⽓吹光缆施⼯光缆所受的拉⼒、摩擦⼒较⼩,且施⼯过程中光缆不易扭曲、弯折,保证了光缆的通信指标性能,进⼀步提⾼了后期的通信质量。
3 适⽤范围本⼯法适⽤于⾼速公路光缆敷设施⼯及敷设线路长、⼯程量⼤的光缆敷设施⼯。
4 ⼯艺原理⽓吹光缆敷设采⽤吹缆机⽓吹光缆的施⼯⼯艺,其原理为采⽤⾼压⽓流吹送的⽅式将光缆吹放到预先埋设的硅芯管中,将⾼压、⾼速的压缩空⽓吹⼊硅芯管,⾼压⽓流推动⽓封活塞,活塞对光缆形成⼀定的均匀拉⼒。
与此同时,吹缆机液压履带输送机构夹持着光缆向前输送形成⼀个输送⼒,拉⼒与输送⼒的组合,使穿⼊于硅芯管内的光缆快速向前穿⾏。
5 ⼯艺流程及操作要点5.1 ⼯艺流程1图1 ⽓吹光缆施⼯⼯艺流程图5.2 操作要点5.2.1 施⼯准备(1)认真检查预留管道的布放情况,若预留管道拐弯布放过急,则会严重加⼤光缆吹进阻⼒。
(2)确认预留管道是否存在断裂和压扁部位,若发⽣此类情况,则需将该段切除并重新连接。
硅芯管管道及气流吹放光缆施工操作规程及技术标准第一章总则1.1本规程为硅芯管道及气流吹放光缆施工操作、质量检查的主要依据,在施工中除设计文件另有要求外,均须按本规程要求进行施工。
1.2本规程范围主要包括硅芯管线路复测、进货检验、配盘、敷设以及气流吹放光缆、竣工技术资料的编制和竣工验收等,其余在硅芯管工程中的相关内容如直埋光缆、水线光缆、架空光缆、市区管道光缆的敷设、接续请参照《光缆通信干线线路工程施工操作规程》。
1.3本规程所需安装的各种器材、设备的规格、程式和质量应符合本规程和设计文件的有关规定。
凡本规定未包括的新设备规格、程式质量应符合设计要求。
1.4凡因特殊情况而达不到设计及规格要求的施工项目,应同建设、设计单位协商解决,并办理有关手续。
1.5本规程编制的主要依据为邮电部颁布的《电信网光纤数字传输系统工程施工及验收暂行技术规定》。
第二章硅芯管路由的复测2.1一般要求2.1.1复测的主要任务一、根据设计核定硅芯管路由走向敷设位置。
二、核定和丈量中继续段距离,其中包括直埋光(电)缆、硅芯管管道、城区管道、水线等段落和进局距离。
三、核定硅芯管穿越铁路、公路、河流、湖泊及大型水渠、地下管线等障碍物具体位置和处理措施。
四、核定防护地段及处理措施。
五、核定沟坎保护的地点和数量。
六、核定管道光(电)缆占用管孔的位置。
七、为中继段硅芯管的配盘、硅芯管的运输提供资料。
八、修改、补充施工图。
2.1.2复测小组的组成一、复测小组应由施工单位组织,施工、设计、建设(维护)、监理单位的人员参加。
二、复测前应做好准备工作,拟订计划,复测应在配盘和挖沟前完成。
三、复测小组的劳力组合和所需机具材料见表2-1、表2-2表2-1 复测小组劳力组合表表2-2 复测小组机具、材料配备参考表2.2 路由复测的原则:2.2.1路由的选定:一、复测时应严格按照设计路由,如遇特殊情况不能按设计路由时应与设计、建设单位协商确定。
二、市区内硅芯管埋设路由及在市郊规划线内穿越公路、铁路位置如发生变动时应报当地相关部门审批后确定。
三、硅芯管管道路由应选择在路由顺直、地势较平坦、地质稳固、高差较小、土质较好、石方量较小,不易塌陷和冲刷的地段,避开地形起伏很大的山区。
四、硅芯管管道路由宜沿靠现有(或规划)公路敷设,并顺路取直。
与公路(含支线公路)的隔距不宜超过200米,避开公路升级、取直、改道、扩宽和路边规划的影响。
五、优先考虑在高等级公路中间隔离带、边沟或路肩上建设硅芯管管道。
六、不宜选择在地下水位高和常年积水的水网地区。
七、应便于空压机(由汽车拖载)设备运达。
2.2.2硅芯管与其他建筑物的平行或交越时的净距:一、埋设硅芯管与其他建筑设施间的净距表埋式光缆与其他建筑设施间的净距表表2-3注:1).地下硅芯管采取了防腐蚀的高压石油、天然气管接近时,除满足表中的距离外,还应考虑防腐蚀的距离要求;或采取有效的防腐蚀措施。
2).地下硅芯管采用了钢管保护,与水管、煤气管、石油管等交叉跨越的净距可降为0.15米,光缆与热力管靠近时,应采取隔热措施。
3).地下硅芯管采用了防腐蚀和防机械损伤后,与粪坑积肥池的净距可降为1-1.5米。
4).硅芯管与易塌方的土井的净距不小于5米。
2.2.3硅芯管敷设位置的选择硅芯管管道应铺设在路由较稳定的位置,避免受道路扩改或其他部门建设的影响.避开地上、地下管线及障碍物较多,经常挖掘动工地段,可参照表2-4。
硅芯管铺设位置表2-42.3 路由复测的方法2.3.1 定线一、根据设计施工图,在前方三角定位桩或转角桩上竖起大标旗,始标点至大标旗间插入二根以上花杆,始标、花杆和大标旗成一直线,以此画线和丈量距离。
二、复测中需改变路由时,如遇有新路由比原路由增加长度超过100米,连续变更路由超过2公里或改变水线路由等情况应上报主管单位审批后方可修改。
2.3.2测距一、测地距离时一般使用100米地链,地链应每天用皮尺校正以免由于地链变化而造成测量误差。
二、测距时拉前后链人员应保持在始标至大标旗的直线上,地链应拉直。
三、穿越较大的障碍物(铁路、河流,一、二级公路等)时,如位置变更应绘出新的断面图。
四、每隔100米打一记数桩,在转角点穿越障碍处应打定位桩。
桩号应随时与绘图记录者核对。
五、在前、后桩之间把地链拉直沿地链用白灰画线,沿途预留处应划出,余留长度应记入距离数之内。
2.3.3绘图一、核实复测的路由与设计施工图有无差异,路由变动部分应该按施工图的比例绘出路由位置,左右50米以内的地形和主要建筑物。
二、核实施工图上的各种障碍及“防护”段落。
三、提供配盘及硅芯管运输的资料(障碍分布及沿途交通情况等)。
第三章硅芯管的进货检验和配盘3.1.硅芯管及接口连接件的规格、性能3.1.1硅芯管的规格、程式、型号和盘长应符合下列规定:1.硅芯管的规格、外径、厚度应符合表3-1的规定硅芯管规格表3-1-12.成盘硅芯管、盘号、型号、长度及颜色色条应与出厂产品质量合格证一致。
3.硅芯管主要性能应符合表3-1-2的规定硅芯管主要性能表3-1-24.硅芯管外部及内部必须是光滑的,内外径的均匀性误差必须在允许范围内,不得有任何缺陷,硅芯管端面应是平滑的,并与轴向垂直。
5.硅芯管包装必须成卷或固定在卷轴上,卷轴的直径至少应为硅芯管外径的20倍。
若已成卷,生产厂家必须捆绑牢固,确保运输及装卸过程中不致散架和损坏,否则无法确保硅芯管敷设质量。
6.成盘硅芯管必须有聚乙烯薄膜卷在成盘硅芯管外层,并将其宽度全部覆盖。
7.硅芯管的标志应包括:⑴工厂名称⑵制造年月⑶产品编号⑷原料⑸外径和厚度⑹硅芯管长度,标记隔距为1米8.成盘硅芯管的标签应包括:⑴制造单位⑵HDPE字母⑶硅芯管数量⑷外径与厚度⑸硅芯管长度⑹运输和储存时小心的常规标签⑺卷和卷轴号码9.硅芯管两端堵头应完整无损,密封(防水)可靠。
3.1.2 硅芯管接口连接件主要性能应符合以下要求1.连接件壳体主要性能见表3-2-1表3-2-1 连接件壳体主要性能2.橡胶密封圈性能:耐磨、耐老化、耐酸、碱、盐,耐环境应力开裂,耐压及具有高弹性能。
3.外观:连接螺管与配合螺帽的外壁应光滑,无缺陷,两者螺旋配合良好,外壁有规格型号标志。
配合尺寸、连接螺管内径(D1)必须在满足被接硅芯管外径(D0)及其公差的情况下顺列插入,即(D1)>(D0)连接螺管长度(L1):(为了适应埋设后的硅芯管管道必要时需中间开断,为连接方便不宜过长)其长度为硅芯管外径(D0)的2.5倍。
组装后连接件总长度(L2)约为硅芯管外径(D0)的5倍。
4.连接件组装后可反复装卸使用,并具有气闭性能及连接强度。
3.2硅芯管的检验一、检查硅芯管盘有无变形,应做好记录。
二、根据硅芯管的规格、性能要求进行检验。
3.3硅芯管的配盘1.气吹孔的位置应考虑气吹设备运达。
2.手孔位置应选择避开湖、塘、河岸的位置。
3.根据到货情况合理配盘,尽量不截断硅芯管。
第四章硅芯管的分屯运输和敷设4.1光缆分屯运输4.1.1准备工作一、制定分屯运输计划,根据硅芯管配盘图所确定的分屯点及复测提供的有关资料,制定合理的运输计划,并应按装运顺序将硅芯管排列好。
二、负责分屯运输的人员,在分屯前应熟悉个分屯点的路线,查明车辆要经过的公路、简易桥梁、建筑安全情况,并绘制出简易行车路线图。
必要时应实地做好标记。
三、做好安全教育,制定安全措施,确保分屯运输中人力、硅芯管、车辆安全。
4.1.2分屯运输的要求:一、安全1.运输车辆,要严格注意停车安全,硅芯管盘在车上要捆牢,垫好、防止冲撞。
2.卸放硅芯管时严禁从车上直接推下,防止撞伤。
二、准确1.硅芯管卸放地点要准确,为顺利支盘布放硅芯管提供方便。
2.硅芯管的放置应使出线方向与布放方向相一致。
4.2硅芯管管道的铺设与安装硅芯管采用人工挖沟及抬放方式铺设,并应符合下列要求:4.2.1开挖管道沟要求1.管道沟应平直,沟底平整无硬坎,无突出的尖石和砖块。
2.沟坎及转角处应将管道沟操平和裁直,使之平滑过渡。
3.管道沟沟底宽度通常应比管群排列宽度大100mm,以方便施工操作人员下沟置放硅芯管。
4.在高速公路隔离带或路肩开挖管道沟,硅芯管管道的埋深及管群排列宽度,应考虑到公路方安装防撞栏立柱时对硅芯管的影响。
5.管道沟回填土应高出地面100mm,并不得将石块,砖头和混凝土大块等直接填入靠近硅芯管250mm以内的缆沟内。
4.2.2硅芯管管道埋深,应根据铺设地段的土质和环境条件等,应按表4-2的要求分段确定。
硅芯塑料管埋深(沟深)表4-2注A:对于垫有砂土的石质沟,可将沟深视作硅芯管的埋深。
B:坡坎埋深以垂直坡坎斜面的深度为准。
C:边沟设计深度为公路方或街道主管部门要求的深度。
4.2.3硅芯管配盘应避免将接头点安排在常年积水的洼地、水塘、沟滩、堤坝及铁路、公路的路基下。
4.2.4硅芯管的敷设应符合下列要求:1.硅芯管在布放之前,应先检查塑料管两端口上的塑料端帽是否有脱落,并补齐,封堵严密。
严禁在布放过程中有水、土、泥及其他杂物等进入管内。
2.硅芯管可采用“固定拖车法”或“移动拖车法”等进行布放,布放硅芯管应从轴盘上方出盘入沟。
3.在一般地区铺设塑料管道,可直接将塑料管放入沟底,不需另做专门的管道基础。
对土质较松散的局部地段,应将沟底进行人工夯实。
4.硅芯管在沟底应顺直,无微弯、无纽绞、无缠绕、无环扣和死弯。
5.硅芯管布放后应尽快连接密封,对引入手孔的管道应及时对端口进行封堵,塑料管布放后不能及时接续时,应将塑料管重叠200mm。
6.同沟布放多根塑料管,按隔3米捆绑一次,以增加塑料管的挺直性,并保持一定的管群断面。
有其他同沟管群宜单独捆扎。
7.管道沟有水,敷管前应将水抽干将塑料管平压在沟底。
排列塑料管困难时,可采用固定支架或竹片分隔,确保塑料管埋深和顺直。
8.布放硅芯管从障碍物下方穿过后应立即将塑料管抬起,避免管皮拖地。
9.塑料管布放后应先回土掩埋300mm,尽量减少塑料管裸露时间,以防塑料管受到人为及其他各种损伤。
4.2.5铺设硅芯管的弯曲半径宜大于1,个别困难处的最小弯曲半径应不小于该硅芯管外径的10倍。
严禁使用喷灯或其他加热方法使硅芯管变软进行弯曲。
4.2.6位于斜坡上的硅芯管管道,一般不采用“S”型敷设。
4.3塑料管的接续塑料管采用与其他规格相配套的密封接头件进行接续,并应符合下列要求:1.塑料管的接口断面应平直,无毛刺。
2.塑料管接头件的规格程式应与塑料管规格配套,接头件内的橡胶垫圈及两端塑料管应安放到位。
3.接续过程中应防止泥砂、水等杂物进入塑料管内。
4.塑料管道接续后应不漏气、不进水。
4.4塑料管道手孔的位置塑料管道手孔的位置由铺设地段的环境条件和光缆盘长等因素确定,具体应符合以下要求:4.4.1手孔的位置1.在光缆接续点设置手孔。