通信光缆施工规范
- 格式:doc
- 大小:38.00 KB
- 文档页数:5
光缆施工规范及要求Company Document number:WTUT-WT88Y-W8BBGB-BWYTT-19998光缆线路施工要求光缆敷设方式通信光缆的敷设方式一般分为三种:管道、直埋和架空敷设方式。
一、光缆线路工程实施要求(一)基本要求1、一般要求(1)线路工程实施前应按设计图纸进行复测,重新丈量线路路由长度、人孔井位置。
复测中因外界环境变化而导致路由不通或存在危及线路安全隐患的地段,要及时反馈给建设单位和设计单位,并在下达设计变更通知单后再进行调整、实施。
(2)施工前应根据光缆盘长和路由情况进行合理配盘,应尽量按盘号顺序敷设,以减少光纤参数差别所产生的接头本征损耗;光缆单盘标准长度:管道光缆以2km做为配盘基数,架空光缆按3公里配盘,直埋光缆按3公里配盘;靠近局站侧的单盘长度不宜小于500米,严禁使用短段光缆。
(3)光缆敷设安装的最小曲率半径应符合下表的要求:光缆允许的最小弯曲半径指标表波纹管和钢管管孔内应穿放子管道,其子管道总外径不应超过原管孔内径的85%,子管道内径不宜小于光缆外径的15倍。
(5)光缆引上部分均采用Φ80mm钢管保护,钢管内穿放2根子管,子管规格为Φ28/32mm聚乙烯塑料管。
钢管下部延伸至人(手)孔内或地下,钢管上方管口以及子管管口应作堵塞处理。
(6)光缆线路在施工过程中要考虑光缆必要的预留长度,主要包括光缆接头处的预留长度、光缆弯曲增加长度、局站内预留长度等。
光缆的预留长度要严格按照下表要求实施,对特殊地段可结合工程现场实际情况确定。
光缆预留长度表XX局为A端,XX中继站为B端。
(二)架空光缆线路安装要求1、杆路建筑安装要求(1)电杆的规格及选用架空杆路全程采用油木电杆,电杆稍径φ14-20厘米。
杆路建筑标准杆高为8米,标准杆距为50米,超过65米按长杆档处理。
光缆距地面的高度达不到要求时,可采取增加电杆高度的方式,当电杆高度为12米以下时(不含12米)采用单接杆方式,当电杆高度为12米以上时采用品接杆方式。
光缆线路施工要求光缆敷设方式通信光缆的敷设方式一般分为三种:管道、直埋和架空敷设方式。
一、光缆线路工程实施要求(一)基本要求1、一般要求(1)线路工程实施前应按设计图纸进行复测,重新丈量线路路由长度、人孔井位置。
复测中因外界环境变化而导致路由不通或存在危及线路安全隐患的地段,要及时反馈给建设单位和设计单位,并在下达设计变更通知单后再进行调整、实施。
(2)施工前应根据光缆盘长和路由情况进行合理配盘,应尽量按盘号顺序敷设,以减少光纤参数差别所产生的接头本征损耗;光缆单盘标准长度:管道光缆以2km做为配盘基数,架空光缆按3公里配盘,直埋光缆按3公里配盘;靠近局站侧的单盘长度不宜小于500米,严禁使用短段光缆。
(3)光缆敷设安装的最小曲率半径应符合下表的要求:波纹管和钢管管孔内应穿放子管道,其子管道总外径不应超过原管孔内径的85%,子管道内径不宜小于光缆外径的15倍。
(5)光缆引上部分均采用Φ80mm钢管保护,钢管内穿放2根子管,子管规格为Φ28/32mm聚乙烯塑料管。
钢管下部延伸至人(手)孔内或地下,钢管上方管口以及子管管口应作堵塞处理。
(6)光缆线路在施工过程中要考虑光缆必要的预留长度,主要包括光缆接头处的预留长度、光缆弯曲增加长度、局站内预留长度等。
光缆的预留长度要严格按照下表要求实施,对特殊地段可结合工程现场实际情况确定。
光缆预留长度表XX局为A端,XX中继站为B端。
(二)架空光缆线路安装要求1、杆路建筑安装要求(1)电杆的规格及选用架空杆路全程采用油木电杆,电杆稍径φ14-20厘米。
杆路建筑标准杆高为8米,标准杆距为50米,超过65米按长杆档处理。
光缆距地面的高度达不到要求时,可采取增加电杆高度的方式,当电杆高度为12米以下时(不含12米)采用单接杆方式,当电杆高度为12米以上时采用品接杆方式。
接杆时电杆锯出断面及刨平面需用沥青作防腐处理,接杆下节杆稍径不得小于上节杆稍径,单接杆时下节杆稍径不小于上节杆根径的四分之三。
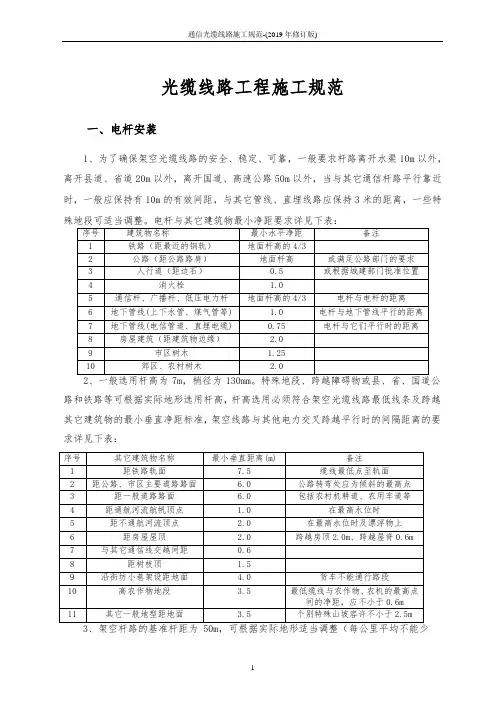
光缆线路工程施工规范一、电杆安装1、为了确保架空光缆线路的安全、稳定、可靠,一般要求杆路离开水渠10m以外, 离开县道、省道20m以外,离开国道、高速公路50m以外,当与其它通信杆路平行靠近时,一般应保持有10m的有效间距,与其它管线、直埋线路应保持3米的距离,一些特殊地段可适当调整。
电杆与其它建筑物最小净距要求详见下表:2、一般选用杆高为7m梢径为130mm特殊地段、跨越障碍物或县、省、国道公路和铁路等可根据实际地形选用杆高,杆高选用必须符合架空光缆线路最低线条及跨越其它建筑物的最小垂直净距标准,架空线路与其他电力交叉跨越平行时的间隔距离的要求详见下表:3、架空杆路的基准杆距为50m可根据实际地形适当调整(每公里平均不能少于条)。
当线路路由受地形或其它障碍物的原因杆档距离在120米以上,按长杆档考虑装置辅助吊线,应选用9米以上的电杆;当杆挡距离小于120米以下时,应考虑选用8米以上的电杆;4、角杆应在线路转角点内移10-15cm,因地形限制装设撑杆的角杆可不内移,吊线收紧后,角杆应向拉线方向倾斜半个杆梢左右;终端杆竖立后应向拉线侧倾斜10-20cm;5、直线杆路的电杆位置应在线路路由中心线上,电杆中心线在路由中心线的左右偏差应不大5cm,电杆本身应上下垂直,不允许有眉毛或“s”弯;6电杆埋深必须符合下表要求:8、安装在水洼地、鱼塘和水流易冲刷的低洼地段的电杆,应做石护墩加固。
9、电杆杆号必须面朝公路,并按照光缆线路A端到B端的方向递增编号,字体为白底黑色宋体,最下面字体距地面米。
具体要求及杆号模板如下:5 cm 20055cm10cm O5cm10cm五5cm10cm八5cm10cm九1、角杆拉线抱箍应装在吊线上面间距为10cm终端拉线与吊线共用一个抱箍,距杆梢50cm,特殊情况下不能小于25cm>2、杆上需装设两条吊线时,终端杆两个拉线抱箍间距为40cm3、双方拉线抱箍应装在吊线下面10cm四方拉线顺拉抱箍应装在吊线下面10cm,拉线安装侧拉线抱箍应装在四方拉顺拉线下面 10cm4、拉线上把采用卡固法,使用三个U 形卡子(即钢丝扣)各间距为100mm 再隔150mm 采用铁线另缠封尾5圈,具体做法详见下图:5、拉线中把采用另缠法,封尾可使用铁线另缠封尾 5圈,具体规格及做法详见下表图(单位:mrh单位mm6、一般情况下制作拉线材料选用镀锌钢绞线,角杆拉线和终端拉线均采用比吊线 程式高一级别的程式,双方拉和四方拉的侧拉线均采用与吊线程式相同的钢绞线;7、当转角杆的角深大于15m 时,应装设两条终端拉线;当转角杆的角深大于 15m 时装设两条拉线,每条拉线分别装在对应的线条张力方向的反侧,两条拉线出土点应相 互内移30cm-45cm 之间;8、 一般情况下,在直线段内每隔8根电杆设一处双方拉,每隔16根电杆设一处四 万拉;9、 地锚钢柄出土长度为300mm 允许偏差50mm 拉线地锚的实际出土点与规定 出土点之间的偏移不大于50 mm 地锚的出土斜槽应与拉线上把成直线;拉线程式 缠物品种首节 间隔 未节 全长 钢绞线留长7/0铁线 100 约330 100 600 100 7/ 0铁线 150 约280 100 600 100 7/0铁线150约230150600100类别另缠法中把缠 扎示意 图 留长 耒节.厨隔,首节」丨L 」电杆亠钢线5潮单位:mm全长10、拉线地锚应按要求埋设端正,不得偏斜,地锚的拉线盘应与拉线垂直,出土点与地面倾斜呈45度。
近年来通信光缆施工及维护技术得到了广泛的提高,特点鲜明,通信光缆施工产业发展前景看好,同时业内也有很多值得思考的问题有待解决,以下为通信光缆施工规范详细说明:一、通信光缆施工规范架空光缆敷设要求1)架空光缆在平地敷设光缆时,使用挂钩吊挂,山地或陡坡敷设光缆,使用绑扎方式敷设光缆。
光缆接头应选择易于维护的直线杆位置,预留光缆用预留支架固定在电杆上。
2)架空杆路的光缆每隔3-5档杆要求作u型伸缩弯,大约每1公里预留15米。
3)引上架空(墙壁)光缆用镀锌钢管保护,管口用防火泥堵塞。
4)架空光缆每隔4档杆左右及跨路、跨河、跨桥等特殊地段应悬挂的光缆警示标志牌。
5)空吊线与电力线交叉处应增加三叉保护管保护,每端伸长不得小于1米。
6)近公路边的电杆拉线应套包发光棒,长度为2米。
7)为防止吊线感应电流伤人,每处电杆拉线要求与吊线电气连接,各拉线位应安装拉线式地线,要求吊线直接用衬环接续,在终端直接接地。
二、通信光缆施工规范管道光缆敷设要求1)光缆敷设前管孔内穿放子孔,光缆选1孔同色子管始终穿放,空余所有子管管口应加塞子保护。
2)按人工敷设方式考虑,为了减少光缆接头损耗,管道光缆应采用整盘敷设,3)为了减少布放时的牵引力,整盘光缆应由中间分别向两边布放,并在每个人孔安排人员作中间辅助牵引。
4)光缆穿放的孔位应符合设计图纸要求,敷设管道光缆之前必须清刷管孔。
子孔在人手孔中的余长应露出管孔15cm左右。
5)手孔内子管与塑料纺织网管接口用pvc胶带缠扎,以避免泥沙渗入。
6)光缆在人(手)孔内安装,如果手孔内有托板,光缆在托板上固定,如果没有托板则将光缆固定在膨胀螺栓,膨胀螺栓要求钩口向下。
7)光缆出管孔15cm以内不应作弯曲处理。
8)每个手孔内及机房光缆和odf架上均采用塑料标志牌以示区别。
三、通信光缆施工规范墙壁光缆敷设要求1)除地下光缆引上部分外,严禁在墙壁上敷设铠装或油麻光缆。
2)跨越街坊或院内通道等,其缆线最低点距地面应不小于4.5米。
通信光缆施工规范通信光缆施工规范1. 施工单位要负责调查、勘测和评估现场,确保施工的可行性和安全性。
同时,要按照相关规定获取施工许可证和安全许可证。
2. 施工前要制定详细的施工计划,并与相关部门进行沟通和协调。
确保施工的顺利进行,并减少对周围环境和设施的影响。
3. 施工人员要进行专业培训,掌握光缆施工的基本知识和操作技能。
并穿着符合安全规范的工作服和工作鞋,配备必要的个人防护装备。
4. 在施工前,要对现场环境进行清理和整理,确保施工区域的安全和整洁。
并设置明确的施工标识和警示牌,以提醒周围人员和车辆注意安全。
5. 施工设备要经过检验和维护,确保其正常工作和安全可靠。
并在使用过程中,要严格按照操作规程进行操作。
禁止超负荷和不当使用设备。
6. 光缆敷设要根据设计要求进行,确保其安装质量和性能。
并在敷设过程中,要对光缆进行保护,避免刮蹭和拉伸造成损坏。
7. 光缆要按照规范进行连接和固定。
连接要采用专业工具和设备,确保连接质量和可靠性。
固定要采用合适的固定件和夹具,确保光缆的稳定性和安全性。
8. 在施工过程中,要及时清理和整理施工现场。
严禁乱倒垃圾和泼洒废水等行为,保持施工区域的清洁和整洁。
9. 施工完成后,要进行验收和检测。
确保光缆的安装质量和性能满足设计和规范要求。
并按照相关规定提交验收报告和记录。
10. 施工单位要对施工现场进行消防安全检查和清理,避免火灾和其他事故发生。
并配备必要的消防设备和灭火器具,以应对突发事件。
11. 施工单位要定期对施工人员进行安全教育和培训。
提高他们的安全意识和应急处置能力。
并建立健全施工安全管理制度和责任制,确保施工安全。
12. 施工单位要按照相关规定保存施工记录和资料,并做好档案管理工作。
以备后续的审查和整改,同时保护施工知识产权和商业机密。
总之,通信光缆施工规范是保障通信设施建设质量和安全的重要保障。
施工单位要严格按照规范要求进行施工,确保施工质量和施工安全。
通信光缆施工工艺与规范一、光缆施工工艺流程1.方案设计:在施工前,需要根据工程要求和实际情况进行方案设计,包括线路布线、选择合适的光缆和设备等。
2.材料采购:根据设计方案,采购所需的光缆、光缆接头、光纤等材料,并检查材料的质量和数量是否符合要求。
3.线路布线:根据设计方案,在施工区域进行线路布线,包括确定光缆的敷设路径和敷设方式。
4.打孔、管道预处理:在需要进行光缆敷设的地方,进行打孔和管道预处理,以便于光缆的顺利敷设和保护。
5.光缆敷设:使用专业工具和设备,将光缆沿着敷设路径仔细敷设,并注意保护光缆的弯曲半径,避免造成光缆损坏。
6.光缆接续:在光缆敷设完成后,进行光缆接头的安装和接续,确保信号传输的顺畅和稳定。
7.测试和调试:在光缆接续完成后,进行光缆的测试和调试,确保光缆的信号质量和传输性能符合要求。
8.防水、固定处理:对光缆进行防水和固定处理,以保护光缆不受外界环境的影响。
9.维护与检修:定期进行光缆的维护与检修,检查光缆的连接是否松动,光缆是否出现断裂等问题。
二、光缆施工规范1.安全规范:在施工过程中,必须遵守相关的安全规范和操作规程,佩戴好个人防护装备,确保施工人员的安全。
2.施工环境:施工现场应保持整洁,避免杂物堆积和火源等,确保施工环境的安全和整体效果。
3.直埋光缆:直埋光缆的敷设应按照相关规范进行,保持足够的覆土厚度,避免光缆受到外界压力或损坏。
4.架空光缆:架空光缆的敷设应保证光缆的拉力和张力,避免光缆的上下弯曲和折线弯曲,确保光缆的正常工作。
5.特殊环境处理:在特殊环境下(如高温、低温、潮湿等),需要根据情况采取相应的处理措施,确保光缆的正常工作。
6.接续处理:光缆接续时,要注意光缆的弯曲半径和接头的固定,避免光缆接头因外力而松动或破坏。
7.测量和测试:在光缆施工完成后,应进行光缆的测量和测试,确保光缆的质量和传输性能符合要求。
8.质量验收:施工结束后,应进行光缆的质量验收,确保施工质量符合相关规范和要求。
近年来通信光缆施工及维护技术得到了广泛的提高,特点鲜明,通信光缆施工产业发展前景看好,同时业内也有很多值得思考的问题有待解决,以下为通信光缆施工规范详细说明:一、通信光缆施工规范架空光缆敷设要求1)架空光缆在平地敷设光缆时,使用挂钩吊挂,山地或陡坡敷设光缆,使用绑扎方式敷设光缆。
光缆接头应选择易于维护的直线杆位置,预留光缆用预留支架固定在电杆上。
2)架空杆路的光缆每隔3-5档杆要求作u型伸缩弯,大约每1公里预留15米。
3)引上架空(墙壁)光缆用镀锌钢管保护,管口用防火泥堵塞。
4)架空光缆每隔4档杆左右及跨路、跨河、跨桥等特殊地段应悬挂的光缆警示标志牌。
5)空吊线与电力线交叉处应增加三叉保护管保护,每端伸长不得小于1米。
6)近公路边的电杆拉线应套包发光棒,长度为2米。
7)为防止吊线感应电流伤人,每处电杆拉线要求与吊线电气连接,各拉线位应安装拉线式地线,要求吊线直接用衬环接续,在终端直接接地。
二、通信光缆施工规范管道光缆敷设要求1)光缆敷设前管孔内穿放子孔,光缆选1孔同色子管始终穿放,空余所有子管管口应加塞子保护。
2)按人工敷设方式考虑,为了减少光缆接头损耗,管道光缆应采用整盘敷设,3)为了减少布放时的牵引力,整盘光缆应由中间分别向两边布放,并在每个人孔安排人员作中间辅助牵引。
4)光缆穿放的孔位应符合设计图纸要求,敷设管道光缆之前必须清刷管孔。
子孔在人手孔中的余长应露出管孔15cm左右。
5)手孔内子管与塑料纺织网管接口用pvc胶带缠扎,以避免泥沙渗入。
6)光缆在人(手)孔内安装,如果手孔内有托板,光缆在托板上固定,如果没有托板则将光缆固定在膨胀螺栓,膨胀螺栓要求钩口向下。
7)光缆出管孔15cm以内不应作弯曲处理。
8)每个手孔内及机房光缆和odf架上均采用塑料标志牌以示区别。
三、通信光缆施工规范墙壁光缆敷设要求1)除地下光缆引上部分外,严禁在墙壁上敷设铠装或油麻光缆。
2)跨越街坊或院内通道等,其缆线最低点距地面应不小于4.5米。
光缆线路工程施工规范一、电杆安装1、为了确保架空光缆线路的安全、稳定、可靠,一般要求杆路离开水渠10m以外,离开县道、省道20m以外,离开国道、高速公路50m以外,当与其它通信杆路平行靠近时,一般应保持有10m的有效间距,与其它管线、直埋线路应保持3米的距离,一些特路和铁路等可根据实际地形选用杆高,杆高选用必须符合架空光缆线路最低线条及跨越其它建筑物的最小垂直净距标准,架空线路与其他电力交叉跨越平行时的间隔距离的要求详见下表:于17.5条)。
当线路路由受地形或其它障碍物的原因杆档距离在120米以上,按长杆档考虑装置辅助吊线,应选用9米以上的电杆;当杆挡距离小于120米以下时,应考虑选用8米以上的电杆;4、角杆应在线路转角点内移10-15cm,因地形限制装设撑杆的角杆可不内移,吊线收紧后,角杆应向拉线方向倾斜半个杆梢左右;终端杆竖立后应向拉线侧倾斜10-20cm;5、直线杆路的电杆位置应在线路路由中心线上,电杆中心线在路由中心线的左右偏差应不大5cm,电杆本身应上下垂直,不允许有眉毛或“∽”弯;6、电杆埋深必须符合下表要求:9、电杆杆号必须面朝公路,并按照光缆线路A端到B端的方向递增编号,字体为白底黑色宋体,最下面字体距地面2.5米。
具体要求及杆号模板如下:二、拉线安装1、角杆拉线抱箍应装在吊线上面间距为10cm;终端拉线与吊线共用一个抱箍,距杆梢50cm,特殊情况下不能小于25cm。
2、杆上需装设两条吊线时,终端杆两个拉线抱箍间距为40cm;3、双方拉线抱箍应装在吊线下面10cm;四方拉线顺拉抱箍应装在吊线下面10cm,侧拉线抱箍应装在四方拉顺拉线下面10cm;4、拉线上把采用卡固法,使用三个U形卡子(即钢丝扣)各间距为100mm,再隔150mm 采用3.0铁线另缠封尾5圈,具体做法详见下图:5、拉线中把采用另缠法,封尾可使用3.0铁线另缠封尾5圈,具体规格及做法详见下表图(单位:mm)、一般情况下制作拉线材料选用镀锌钢绞线,角杆拉线和终端拉线均采用比吊线7、当转角杆的角深大于15m时,应装设两条终端拉线;当转角杆的角深大于15m 时装设两条拉线,每条拉线分别装在对应的线条张力方向的反侧,两条拉线出土点应相互内移30cm-45cm之间;8、一般情况下,在直线段内每隔8根电杆设一处双方拉,每隔16根电杆设一处四方拉;9、地锚钢柄出土长度为300mm,允许偏差50mm,拉线地锚的实际出土点与规定出土点之间的偏移不大于50 mm,地锚的出土斜槽应与拉线上把成直线;10、拉线地锚应按要求埋设端正,不得偏斜,地锚的拉线盘应与拉线垂直,出土点与地面倾斜呈45度。
通信光缆施工规范通信光缆施工规范1. 施工前的准备工作1.1 建立项目团队,指定专人负责施工的组织和协调工作,并与设计单位、监理单位和施工方进行沟通和协调。
1.2 编制施工组织设计方案,明确施工过程、工序、施工要求和安全措施。
1.3 准备施工材料,包括光缆、光纤接头盒、管道材料等,并对材料进行检查和验收。
1.4 清理施工现场,确保施工区域内无杂物和障碍物。
2. 施工过程的注意事项2.1 管道预埋工作:施工人员应根据设计要求进行管道预埋,确保管道的安全和稳固性。
2.2 光缆敷设工作:施工人员应根据设计要求进行光缆敷设,保持光缆的弯曲半径,避免光缆的损坏和断裂。
2.3 光纤接续工作:施工人员应根据设计要求进行光纤接续,确保光纤的质量和连接的可靠性。
2.4 光缆固定工作:施工人员应使用专用的光缆固定夹将光缆固定在管道内,确保光缆的稳固性和安全性。
2.5 光缆标识工作:施工人员应对已敷设的光缆进行标识,以便后续的维护和管理工作。
3. 施工后的验收工作3.1 完成施工的验收:施工方应根据设计要求对已完成的施工进行验收,包括管道的质量、光缆的敷设情况和光纤的接续质量等。
3.2 光缆的测试和调试:施工方应使用光缆测试仪对光缆进行测试和调试,确保光缆的传输性能和质量。
3.3 编制施工报告:施工方应编制施工报告,对施工过程、施工质量和问题进行总结和归纳。
3.4 归档和保存资料:施工方应将施工过程、设计图纸、验收记录等资料进行整理和归档,以备日后的维护和管理工作。
4. 安全注意事项4.1 施工人员应佩戴安全帽和工作服,使用防护眼镜和防护手套,确保自身的安全。
4.2 施工人员应遵守施工现场的安全规定,确保施工现场的安全和秩序。
4.3 施工过程中,应注意防火和防爆措施,确保施工现场的安全。
4.4 施工现场应设置安全警示标志,提醒施工人员注意安全。
以上是通信光缆施工的一般规范,施工人员在施工过程中应严格遵守这些规范,确保施工质量和施工安全。
一、概述通信光电缆工程是现代社会信息传输的重要基础设施,为确保工程质量和施工安全,特制定本规范。
本规范适用于各类通信光电缆工程的施工,包括架空、管道、直埋、海底光缆工程等。
二、施工准备1. 施工前,应进行现场勘查,了解工程周边环境、地形地貌、建筑物等情况,制定合理的施工方案。
2. 施工人员应具备相应的专业技能和资质,熟悉施工规范、操作规程和安全生产要求。
3. 施工材料、设备应满足工程要求,并经检验合格。
4. 施工现场应设置安全警示标志,确保施工安全。
三、施工工艺1. 架空光缆施工(1)根据设计图纸,确定杆路路由、杆距、电杆高度等参数。
(2)安装电杆,确保电杆垂直、稳固。
(3)在电杆上安装光缆挂钩,间距按设计要求。
(4)将光缆敷设于挂钩上,保持光缆平直。
(5)在光缆接头处,采用热熔或机械连接方式。
(6)光缆接头处应设置标志,便于维护。
2. 管道光缆施工(1)根据设计图纸,确定管道路由、管孔数量、管道规格等参数。
(2)挖掘管道沟槽,确保沟槽深度、宽度符合设计要求。
(3)安装管道,确保管道平直、稳固。
(4)在管道内穿放子孔,光缆选1孔同色子管始终穿放。
(5)将光缆敷设于子孔内,保持光缆平直。
(6)在光缆接头处,采用热熔或机械连接方式。
(7)光缆接头处应设置标志,便于维护。
3. 直埋光缆施工(1)根据设计图纸,确定直埋光缆路由、埋深、保护措施等参数。
(2)挖掘直埋沟槽,确保沟槽深度、宽度符合设计要求。
(3)在沟槽内敷设光缆,保持光缆平直。
(4)在光缆接头处,采用热熔或机械连接方式。
(5)光缆接头处应设置标志,便于维护。
4. 海底光缆施工(1)根据设计图纸,确定海底光缆路由、敷设深度、保护措施等参数。
(2)采用专业设备进行海底光缆敷设。
(3)在光缆接头处,采用热熔或机械连接方式。
(4)光缆接头处应设置标志,便于维护。
四、施工质量控制1. 施工过程中,应对施工质量进行全程监控,确保工程质量符合设计要求。
2. 施工完成后,应进行自检、互检和专检,合格后方可进行下一道工序。
光缆施工规范和标准最新光缆施工是通信基础设施建设的重要组成部分,其规范和标准对于确保通信网络的稳定性和安全性至关重要。
以下是最新的光缆施工规范和标准概述:1. 施工前准备:施工前,必须进行详细的现场勘查,了解地形地貌、地下管线情况,以及可能存在的障碍物。
同时,需要准备相应的施工设备和材料,包括光缆、接头盒、熔接机等,并确保施工人员具备相应的专业技能和安全意识。
2. 光缆敷设:光缆敷设应遵循最小弯曲半径的规定,避免过度弯曲导致的光缆损伤。
敷设过程中,应使用适当的敷设设备,如牵引机、卷扬机等,确保光缆敷设的平稳性和均匀性。
在特殊地形或地下管线密集区域,应采取保护措施,如使用保护管或进行地下探测。
3. 光缆接续:光缆接续是施工中的关键环节,需要使用专业的熔接机进行熔接,并确保熔接质量符合标准。
接续后的光缆应进行性能测试,包括光衰、回损等指标,确保接续质量。
4. 光缆保护:敷设完成后,光缆需要进行适当的保护措施,如使用保护管、铠装光缆或进行地面标识,以防止光缆在后续施工或使用过程中受到损伤。
5. 施工安全:施工过程中,必须严格遵守安全操作规程,包括但不限于个人防护装备的佩戴、施工现场的安全警示、以及施工机械的安全使用等。
6. 环境保护:施工过程中应尽量减少对环境的影响,如合理规划施工路线,减少对植被的破坏,以及施工结束后对现场进行恢复。
7. 施工验收:施工完成后,应进行严格的验收程序,包括光缆敷设质量、接续质量、以及整体施工质量的检查。
验收合格后,方可进行后续的网络调试和投入使用。
8. 维护与更新:施工完成后,应建立光缆维护和更新机制,定期对光缆进行检查和维护,确保通信网络的长期稳定运行。
随着技术的发展和行业标准的更新,光缆施工规范和标准也在不断完善。
施工单位和个人应密切关注相关规范的最新动态,确保施工过程符合最新的行业要求。
通信光缆施工规范具体要求一、通信光缆施工规范1、架空光缆敷设要求1)架空光缆在平地敷设光缆时,使用挂钩吊挂,山地或陡坡敷设光缆,使用绑扎方式敷设光缆。
光缆接头应选择易于维护的直线杆位置,预留光缆用预留支架固定在电杆上.2)架空杆路的光缆每隔3-5档杆要求作u型伸缩弯,大约每1公里预留15米.3)引上架空(墙壁)光缆用镀锌钢管保护,管口用防火泥堵塞。
4)架空光缆每隔4档杆左右及跨路、跨河、跨桥等特殊地段应悬挂的光缆警示标志牌.5)空吊线与电力线交叉处应增加三叉保护管保护,每端伸长不得小于1米。
6)近公路边的电杆拉线应套包发光棒,长度为2米。
7)为防止吊线感应电流伤人,每处电杆拉线要求与吊线电气连接,各拉线位应安装拉线式地线,要求吊线直接用衬环接续,在终端直接接地.2、管道光缆敷设要求1)光缆敷设前管孔内穿放子孔,光缆选1孔同色子管始终穿放,空余所有子管管口应加塞子保护。
2)按人工敷设方式考虑,为了减少光缆接头损耗,管道光缆应采用整盘敷设。
3)为了减少布放时的牵引力,整盘光缆应由中间分别向两边布放,并在每个人孔安排人员作中间辅助牵引.4)光缆穿放的孔位应符合设计图纸要求,敷设管道光缆之前必须清刷管孔。
子孔在人手孔中的余长应露出管孔15cm左右.5)手孔内子管与塑料纺织网管接口用PVC胶带缠扎,以避免泥沙渗入.6)光缆在人(手)孔内安装,如果手孔内有托板,光缆在托板上固定,如果没有托板则将光缆固定在膨胀螺栓,膨胀螺栓要求钩口向下。
7)光缆出管孔15cm以内不应作弯曲处理.8)每个手孔内及机房光缆和ODF架上均采用标志牌以示区别.3、墙壁光缆敷设要求1)除地下光缆引上部分外,严禁在墙壁上敷设铠装或油麻光缆.2)跨越街坊或院内通道等,其缆线最低点距地面应不小于4。
5米.3)吊线程式采用7/2.2、7/2.6,支撑间距为8~10米,终端固定与第一只中间支撑间距应不大于5米。
4)吊线在墙壁上水平或垂直敷设时,其终端固定、吊线中间支撑应符合《本地网通信线路工程验收规范》。
光缆线路工程施工规范一、电杆安装1、为了确保架空光缆线路的安全、稳定、可靠,一般要求杆路离开水渠10m以外,离开县道、省道20m以外,离开国道、高速公路50m以外,当与其它通信杆路平行靠近时,一般应保持有10m的有效间距,与其它管线、直埋线路应保持3米的距离,一些特殊地段可适当调整。
电杆与其它建筑物最小净距要求详见下表:公路和铁路等可根据实际地形选用杆高,杆高选用必须符合架空光缆线路最低线条及跨越其它建筑物的最小垂直净距标准,架空线路与其他电力交叉跨越平行时的间隔距离的要求详见下表:于17.5条)。
当线路路由受地形或其它障碍物的原因杆档距离在120米以上,按长杆档考虑装置辅助吊线,应选用9米以上的电杆;当杆挡距离小于120米以下时,应考虑选用8米以上的电杆;4、角杆应在线路转角点内移10-15cm,因地形限制装设撑杆的角杆可不内移,吊线收紧后,角杆应向拉线方向倾斜半个杆梢左右;终端杆竖立后应向拉线侧倾斜10-20cm;5、直线杆路的电杆位置应在线路路由中心线上,电杆中心线在路由中心线的左右偏差应不大5cm,电杆本身应上下垂直,不允许有眉毛或“∽”弯;6、电杆埋深必须符合下表要求:9、电杆杆号必须面朝公路,并按照光缆线路A端到B端的方向递增编号,字体为白底黑色宋体,最下面字体距地面2.5米。
具体要求及杆号模板如下:二、拉线安装1、角杆拉线抱箍应装在吊线上面间距为10cm;终端拉线与吊线共用一个抱箍,距杆梢50cm,特殊情况下不能小于25cm。
2、杆上需装设两条吊线时,终端杆两个拉线抱箍间距为40cm;3、双方拉线抱箍应装在吊线下面10cm;四方拉线顺拉抱箍应装在吊线下面10cm,侧拉线抱箍应装在四方拉顺拉线下面10cm;4、拉线上把采用卡固法,使用三个U形卡子(即钢丝扣)各间距为100mm,再隔150mm采用3.0铁线另缠封尾5圈,具体做法详见下图:5、拉线中把采用另缠法,封尾可使用3.0铁线另缠封尾5圈,具体规格及做法详见下表图(单位:mm)、一般情况下制作拉线材料选用镀锌钢绞线,角杆拉线和终端拉线均采用比吊线7、当转角杆的角深大于15m时,应装设两条终端拉线;当转角杆的角深大于15m 时装设两条拉线,每条拉线分别装在对应的线条张力方向的反侧,两条拉线出土点应相互内移30cm-45cm之间;8、一般情况下,在直线段内每隔8根电杆设一处双方拉,每隔16根电杆设一处四方拉;9、地锚钢柄出土长度为300mm,允许偏差50mm,拉线地锚的实际出土点与规定出土点之间的偏移不大于50 mm,地锚的出土斜槽应与拉线上把成直线;10、拉线地锚应按要求埋设端正,不得偏斜,地锚的拉线盘应与拉线垂直,出土点与地面倾斜呈45度。
光缆线路工程施工规一、电杆安装1、为了确保架空光缆线路的安全、稳定、可靠,一般要求杆路离开水渠10m以外,离开县道、省道20m以外,离开国道、高速公路50m以外,当与其它通信杆路平行靠近时,一般应保持有10m的有效间距,与其它管线、直埋线路应保持3米的距离,一公路和铁路等可根据实际地形选用杆高,杆高选用必须符合架空光缆线路最低线条及跨越其它建筑物的最小垂直净距标准,架空线路与其他电力交叉跨越平行时的间隔距离的要求详见下表:于17.5条)。
当线路路由受地形或其它障碍物的原因杆档距离在120米以上,按长杆档考虑装置辅助吊线,应选用9米以上的电杆;当杆挡距离小于120米以下时,应考虑选用8米以上的电杆;4、角杆应在线路转角点移10-15cm,因地形限制装设撑杆的角杆可不移,吊线收紧后,角杆应向拉线方向倾斜半个杆梢左右;终端杆竖立后应向拉线侧倾斜10-20cm;5、直线杆路的电杆位置应在线路路由中心线上,电杆中心线在路由中心线的左右偏差应不大5cm,电杆本身应上下垂直,不允许有眉毛或“∽”弯;6、电杆埋深必须符合下表要求:9、电杆杆号必须面朝公路,并按照光缆线路A端到B端的方向递增编号,字体为白底黑色宋体,最下面字体距地面2.5米。
具体要求及杆号模板如下:5cm10cm O5cm10cm 五5cm10cm 八5cm10cm 九二、拉线安装1、角杆拉线抱箍应装在吊线上面间距为10cm;终端拉线与吊线共用一个抱箍,距杆梢50cm,特殊情况下不能小于25cm。
2、杆上需装设两条吊线时,终端杆两个拉线抱箍间距为40cm;3、双方拉线抱箍应装在吊线下面10cm;四方拉线顺拉抱箍应装在吊线下面10cm,侧拉线抱箍应装在四方拉顺拉线下面10cm;4、拉线上把采用卡固法,使用三个U形卡子(即钢丝扣)各间距为100mm,再隔150mm采用3.0铁线另缠封尾5圈,具体做法详见下图:5、拉线中把采用另缠法,封尾可使用3.0铁线另缠封尾5圈,具体规格及做法详见下表图(单位:mm)、一般情况下制作拉线材料选用镀锌钢绞线,角杆拉线和终端拉线均采用比吊线7、当转角杆的角深大于15m时,应装设两条终端拉线;当转角杆的角深大于15m 时装设两条拉线,每条拉线分别装在对应的线条力方向的反侧,两条拉线出土点应相互移30cm-45cm之间;8、一般情况下,在直线段每隔8根电杆设一处双方拉,每隔16根电杆设一处四方拉;9、地锚钢柄出土长度为300mm,允许偏差50mm,拉线地锚的实际出土点与规定出土点之间的偏移不大于50 mm,地锚的出土斜槽应与拉线上把成直线;10、拉线地锚应按要求埋设端正,不得偏斜,地锚的拉线盘应与拉线垂直,出土点与地面倾斜呈45度。
电力通信光缆工程施工规范第一章总则1.1 本规范适用于电力通信光缆工程施工过程中的相关工作。
1.2 本规范的目的是规范电力通信光缆工程施工行为,保障工程质量,确保施工安全。
1.3 本规范包括施工前的准备工作、施工过程中的各项操作规范、验收及竣工验收等内容。
第二章施工前的准备工作2.1 施工前,应根据工程设计要求进行现场勘察,并制定详细的施工方案。
2.2 施工前,应对现场地形、地貌等进行详细的检查,并及时清理可能影响施工的障碍物。
2.3 施工前,应对施工设备、施工人员等进行全面的检查,确保施工过程中的安全。
2.4 施工前,应根据工程设计要求,采购所需材料及设备,并对其进行检验,确保质量符合要求。
第三章施工过程中的操作规范3.1 施工过程中,应按照设计要求进行管道开挖和敷设光缆等操作,保证施工质量。
3.2 施工过程中,应对施工现场进行安全防护,确保施工人员的安全。
3.3 施工过程中,应及时清理施工现场,保持施工环境整洁。
3.4 施工过程中,应做好施工记录,及时反馈施工进展情况,并配合监理工程师进行检查。
第四章验收及竣工验收4.1 施工完成后,应进行验收工作,确保工程符合设计要求。
4.2 验收过程中,应对光缆的敷设情况、接头质量等进行检查,并填写验收报告。
4.3 竣工验收时,应按照相关标准进行验收,对工程质量进行全面检查。
4.4 竣工验收合格后,应办理相关手续,完成工程移交手续。
第五章安全管理5.1 施工过程中,应严格按照相关安全规定进行操作,确保施工安全。
5.2 施工现场应设置明显的安全标识,指导施工人员遵守安全规定。
5.3 施工人员应接受必要的安全培训,掌握相关安全知识,提高安全意识。
5.4 施工现场应配备必要的安全设施,确保施工过程中的安全。
第六章环境保护6.1 施工过程中,应遵守相关的环保法律法规,保护施工周边环境。
6.2 施工现场产生的污染物应进行合理处理,减少对周边环境的污染。
6.3 施工过程中,应合理利用资源,减少能源消耗,提倡绿色施工。
第1篇一、概述电力通信光缆工程施工规范是针对电力通信光缆线路工程在施工过程中的一系列要求,旨在确保电力通信光缆线路工程施工质量,提高电力通信系统的可靠性。
本规范适用于电力通信光缆线路工程施工的全过程,包括施工准备、光缆敷设、光纤接续、光缆成端、光缆测试验收等。
二、施工准备1. 施工现场应具备必要的施工条件,如道路、电源、水源等。
2. 施工单位应按照设计文件要求,备足施工所需的器材、设备和材料。
3. 施工单位应制定施工组织设计和施工方案,明确施工流程、质量标准和安全措施。
4. 施工单位应组织施工人员进行技术交底,确保施工人员掌握施工规范和操作技能。
三、光缆敷设1. 光缆敷设前,应对敷设路径进行勘察,确保路径符合设计要求,避开障碍物。
2. 敷设光缆时,应保持光缆平直,不得扭曲、打结。
3. 架空敷设光缆时,应确保光缆与电杆、导线等设施的距离符合规范要求。
4. 地埋敷设光缆时,应按照设计要求进行开挖、铺设、回填等工序。
5. 管道敷设光缆时,应确保光缆在管道内顺畅,无扭曲、打结。
四、光纤接续1. 光纤接续前,应对光纤进行清洗、熔接,确保光纤质量。
2. 熔接过程中,应严格控制温度、压力等参数,确保熔接质量。
3. 光纤接续完成后,应对接续点进行测试,确保接续质量。
五、光缆成端1. 光缆成端前,应对成端设备进行检查,确保设备正常。
2. 成端过程中,应按照设计要求进行操作,确保成端质量。
3. 成端完成后,应对成端点进行测试,确保成端质量。
六、光缆测试验收1. 施工单位应按照规范要求对光缆进行测试,包括衰减、反射、长度等指标。
2. 测试完成后,应将测试数据报监理单位审核。
3. 监理单位审核通过后,方可进行光缆验收。
七、安全措施1. 施工单位应制定安全措施,确保施工人员安全。
2. 施工过程中,应遵守施工现场安全规定,防止发生安全事故。
3. 施工单位应定期对施工人员进行安全培训,提高安全意识。
八、施工质量保证1. 施工单位应建立健全质量管理体系,确保施工质量。
近年来通信光缆施工及维护技术得到了广泛的提高,特点鲜明,通信光缆施工产业发展前景看好,同时业内也有很多值得思考的问题有待解决,以下为通信光缆施工规范详细说明:
一、通信光缆施工规范架空光缆敷设要求
1)架空光缆在平地敷设光缆时,使用挂钩吊挂,山地或陡坡敷设光缆,使用绑扎方式敷设光缆。
光缆接头应选择易于维护的直线杆位置,预留光缆用预留支架固定在电杆上。
2)架空杆路的光缆每隔3-5档杆要求作u型伸缩弯,大约每1公里预留15米。
3)引上架空(墙壁)光缆用镀锌钢管保护,管口用防火泥堵塞。
4)架空光缆每隔4档杆左右及跨路、跨河、跨桥等特殊地段应悬挂的光缆警示标志牌。
5)空吊线与电力线交叉处应增加三叉保护管保护,每端伸长不得小于1米。
6)近公路边的电杆拉线应套包发光棒,长度为2米。
7)为防止吊线感应电流伤人,每处电杆拉线要求与吊线电气连接,各拉线位应安装拉线式地线,要求吊线直接用衬环接续,在终端直接接地。
二、通信光缆施工规范管道光缆敷设要求
1)光缆敷设前管孔内穿放子孔,光缆选1孔同色子管始终穿放,空余所有子管管口应加塞子保护。
2)按人工敷设方式考虑,为了减少光缆接头损耗,管道光缆应采用整盘敷设,
3)为了减少布放时的牵引力,整盘光缆应由中间分别向两边布放,并在每个人孔安排人员作中间辅助牵引。
4)光缆穿放的孔位应符合设计图纸要求,敷设管道光缆之前必须清刷管孔。
子孔在人手孔中的余长应露出管孔15cm左右。
5)手孔内子管与塑料纺织网管接口用pvc胶带缠扎,以避免泥沙渗入。
6)光缆在人(手)孔内安装,如果手孔内有托板,光缆在托板上固定,如果没有托板则将光缆固定在膨胀螺栓,膨胀螺栓要求钩口向下。
7)光缆出管孔15cm以内不应作弯曲处理。
8)每个手孔内及机房光缆和odf架上均采用塑料标志牌以示区别。
三、通信光缆施工规范墙壁光缆敷设要求
1)除地下光缆引上部分外,严禁在墙壁上敷设铠装或油麻光缆。
2)跨越街坊或院内通道等,其缆线最低点距地面应不小于4.5米。
3)吊线程式采用7/2.2、7/2.6,支撑间距为8~10米,终端固定与第一只中间支撑间距应不大于5米。
4)吊线在墙壁上水平或垂直敷设时,其终端固定、吊线中间支撑应符合《本地网通信线路工程验收规范》。
5)钉固螺丝必须在光缆的同一侧。
光缆不宜以卡钩式沿墙敷设。
不可避免时,
6)应在光缆上加套子管予以保护。
光缆沿室内楼层凸出墙面的吊线敷设时,卡钩距离为1米。
四、通信光缆施工规范局内光缆敷设要求
1)局内光缆在经由走线架、拐弯点(前、后)应予绑扎,垂直上升段应分段(段长不大于1米)绑扎,上下走道或墙壁应每隔50cm用2~3圈绑扎,绑扎部位应垫胶管,避免受到侧压力。
2)局内光缆不改变程式时,采用pvc阻燃胶带包扎作防火处理,进线孔洞要求用防火泥堵塞。
3)odf架端子板上应清楚注明各端子的局向和序号。
4)局内光缆预留盘圈绑扎固定在走线架或墙壁上,基站光缆可预留在基站外的终端杆上。
5)局内光缆一般从局前手井经地下进线室引至光传输设备。
局内光缆应挂按相关规定制作的标识牌以便识别。
6)光缆在进线室内应选择安全的位置,当处于易受外界损伤的位置时,应采取保护措施。
7)局内光缆应布放整齐美观,沿上线井布放的光缆应绑扎在上线加固横铁上。
8)按规定预留在设备侧的光缆,可以留在传输设备机房或进线室。
有特殊要求预留的光缆,应按设计要求留足。
9)光缆引入局站后应堵塞进线管孔,不得渗水、漏水。
五、通信光缆施工规范光缆成端
1)应根据规定或设计要求留足预留光缆。
2)在设备机房的光缆终端接头安装位置应稳定安全,远离热源。
3)成端光缆和自光缆终端接头引出的单芯软光纤应按照odf的说明书进行
4)走线并按设计要求进行保护和绑扎。
5)单芯软光纤所带的连接器,应按设计要求顺序插入光配线架(分配盘)。
6)末连接软光纤的光配线架(分配盘)的接口端部应盖上塑料防尘帽。
8)软光纤在机架内的盘线应大于规定的曲率半径。
9)光缆在光纤配线架(odf)成端处,将金属构件用铜芯聚氯乙烯护套电缆引出,并将其连接到保护地线上。
10)软光纤应在醒目部位标明方向和序号。
光缆施工大致分为以下几步:准备→路由工程→光缆敷设→光缆接续→工程验收。
1.准备工作
(1).检查设计资料、原材料、施工工具和器材是否齐全。
(2).组建一支高素质的施工队伍。
这一点至关重要,因为光纤施工比电缆施工要求要严格得多,任何施工中的疏忽都将可能造成光纤损耗增大,甚至断芯。
2.路由工程
(1).光缆敷设前首先要对光缆经过的路由做认真勘查,了解当地道路建设和规划,尽量避开坑塘、打麦场、加油站等这些潜在的隐患。
路由确定后,对其长度做实际测量,精确到50m之内。
还要加上布放时的自然弯曲和各种预留长度,各种预留还包括插入孔内弯曲、杆上预留、接头两端预留、水平面弧度增加等其他特殊预留。
为了使光缆在发生断裂时再接续,应在每百米处留有一定裕量,裕量长度一般为5%~10%,根据实际需要的长度订购,并在绕盘时注明。
(2).画路径施工图。
在预先栽好的电杆上编号,画出路径施工图,并说明每根电杆或地下管道出口电杆的号码以及管道长度,并定出需要留出裕量的长度和位置。
这样可有效地利用光缆的长度,合理配置,使熔接点尽量减少。
(3).两根光纤接头处最好安设在地势平坦、地质稳固的地点,避开水塘、河流、沟渠及道路,最好设在电杆或管道出口处,架空光缆接头应落在电杆旁0.5~1m左右,这一工作称为“配盘”。
合理的配盘可以减少熔接点。
另外在施工图上还应说明熔接点位置,当光缆发生断点时,便于迅速用仪器找到断点进行维修。
3.光缆敷设
(1).同一批次的光纤,其模场直径基本相同,光纤在某点断开后,两端间的模场可视为一致,因而在此断开点熔接可使模场直径对光纤熔接损耗的影响降到最低程度。
所以要求光缆生产厂家用同一批次的裸纤,按要求的光缆长度连续生产,在每盘上顺序编号,并分别标明a(红色)、b(绿色)端,不得跳号。
架设光缆时需按编号沿确定的路由顺序布放,并保证前盘光缆的b端要和后一盘光缆的a端相连,从而保证接续时两光纤端面模场直径基本相同,使熔接损耗值达到最小。
(2).架空光缆可用72.2mm的镀锌钢绞线作悬挂光缆的吊线。
吊线与光缆要良好接地,要有防雷、防电措施,并有防震、防风的机械性能。
架空吊线与电力线的水平与垂直距离要2m以上,离地面最小高度为5m,离房顶最小距离为1.5m。
架空光缆的挂式有3种:吊线托挂式、吊线缠绕式与自承式。
自承式不用钢绞吊线,光缆下垂,承受风荷力较差,因此常用吊挂式。
(3).架空光缆布放。
由于光缆的卷盘长度比电缆长得多,长度可能达几千米,故受到允许的额定拉力和弯曲半径的限制,在施工中特别注意不能猛拉和发生扭结现象。
一般光缆可允许的拉力约为150~200kg,光缆转弯时弯曲半径应大于或等于光缆外径的10~15倍,施工布放时弯曲半径应大于或等于20倍。
为了避免由于光缆放置于路段中间,离电杆约20m处,向两反方向架设,先架设前半卷,在把后半卷光缆从盘上放下来,按“8”字型方式放在地上,然后布放。
(4).在光缆布放时,严禁光缆打小圈及折、扭曲,并要配备一定数量的对讲机,“前走后跟,光缆上肩”的放缆方法,能够有效地防止背扣的发生,还要注意用力均匀,牵引力不超过光缆允许的80%,瞬间最大牵引力不超过100%。
另外,架设时,在光缆的转弯处或地形较复杂处应有专人负责,严禁车辆碾压。
架空布放光缆使用滑轮车,在架杆和吊线上预先挂好滑轮(一般每10~20m挂一个滑轮),在光缆引上滑轮、引下滑轮处减少垂度,减小所受张力。
然后在滑轮间穿好牵引绳,牵引绳系住光缆的牵引头,用一定牵引力让光缆爬上架杆,吊挂在吊线上。
光缆挂钩的间距为40cm,挂钩在吊线上的搭扣方向要一致,每根电杆处要有凸型滴水沟,每盘光缆在接头处应留有杆长加3m的余量,以便接续盒地面熔接操作,并且每隔几百米要有一定的盘留。
4.光缆接续
常见的光缆有层绞式、骨架式和中心束管式光缆,纤芯的颜色按顺序分为本、橙、绿、棕、灰、白、黑、红、黄、紫、粉红、青绿,这称为纤芯颜色的全色谱,有些光缆厂家用“蓝”替换色谱中的某颜色。
多芯光缆把不同颜色的光纤放在同一束管中成为一组,这样一根多芯光缆里就可能有好几个束管。
正对光缆横截面,把红束管看作光缆的第一束管,顺时针依次为白一、白二、白三……最后一根是绿束管。
光纤接续,应遵循的原则是:芯数相等时,相同束管内的对应色光纤对接,芯数不同时,按顺序先接芯数大的,再接芯数小的。
通信光缆施工后应进行相应的初验和终验。
在初验测试阶段应对技术文件进行移交,技术文件应包括以下内容:设备资料、系统测试记录、局数据文件和施工图设计文件。