东北大学《画法几何与工程制图》期末考试必备真题集(含答案)79
- 格式:doc
- 大小:123.50 KB
- 文档页数:4
画法几何及工程制图试题及参考答案1、单项选择题(30)1.图纸的会签栏一般在( B )A.图纸右上角及图框线内B.图纸左上角及图框线外C.图纸右上角及图框线外D.图纸左上角及图框线内@!.一物体图上长度标注为2000,其比例为1﹕5,则其实际大小为( B )A.400 B.2000 C.10000 D.2003.下列仪器或工具中,不能用来画直线的是( D )A.三角板B.丁字尺C.比例尺D.曲线板4. 在土木工程制图中,除了遵守建筑工程制图标准和某些行业标准外,还必须遵守的国家标准为:( A )A.总图制图标准B.水利水电工程制图标准C.技术制图标准D.铁路工程制图标准5. 由国家职能部门制定、颁布的制图标准,是国家级的标准,简称国标。
国标的代号为:( B )A. ISOB. GBC. StandardD. ANSI6. 图纸上的各种文字如汉字、字母、数字等,必须按规定字号书写,字体的号数为:( A )A. 字体的高度B. 字体的宽度C. 标准中的编号D. 序号7. 绘制工程图应使用制图标准中规定的幅面尺寸,其中A2幅面的尺寸为:( C )A. 594?841(A1)B. 210?297(A4)C. 420?594(A2)D. 297?420(A3) 1189*841(A0)8. 绘制工程图应使用制图标准中规定的幅面尺寸,其中A4幅面的尺寸为:( B )A. 594?841B. 210?297C. 420?594D. 297?4209. 绘图比例是:( A )A. 图形与实物相应要素的线性尺寸之比B. 实物与图形相应要素的线性尺寸之比C. 比例尺上的比例刻度D. 图形上尺寸数字的换算系数10. 如果物体的长度为1000mm,绘图比例是1:20,则在绘图时其长度应取:( C )A. 100B. 1000C. 50D. 2011. 如果物体的长度为1000mm,绘图比例是1:20,则在其图形上长度标注的尺寸数字为( B )A. 100B. 1000C. 50D. 2012. 比例尺是三棱柱形的,按比例画图时,应使用比例尺,它的作用是:( A )A. 按比例进行尺寸度量B. 查找换算系数C. 与计算器的作用类似D. 可画直线13. 粗实线的用途为:( B )A. 表示假想轮廓B. 表示可见轮廓C. 表示不可见轮廓D. 画中心线或轴线14. 中粗虚线的用途为:( C )A. 表示假想轮廓B. 表示可见轮廓C. 表示不可见轮廓D. 画中心线或轴线15. 粗线、中粗线和细线的宽度比率为:( D )A. 3:2:1B. 2: 1.5 :1C. 5: 2.5 :1D. 4:2:116. 虚线由短画和短间隔组成,如下图所示,其短画的长度a的值应取:( C)A. 1~2mmB. 2~4mmC. 4~6mmD. 6~8mm17. 点画线由长画、短间隔和点组成,如下图所示,其长画的长度a的值应取:( D )A. 3~8mmB. 8~10mmC. 10~15mmD. 15~20mm18. 右图中直径尺寸注法错在:( C )A. 尺寸起止符号应为短斜线B. 尺寸数字没有居中C. 尺寸线应该倾斜D. 直径尺寸应该注在圆外19. 右图中直径尺寸注法错在:( D )A. 尺寸起止符号应为短斜线B. 尺寸数字不能水平注写C. 尺寸数字应注写在圆内D. 尺寸数字注写的引出线不应从尺寸线端点引出20. 右图中长度尺寸注法错在:( D )A. 尺寸起止符号倾斜方向不对B. 尺寸线距离标注位置太远C. 该尺寸应注写在图形轮廓内D. 尺寸线不应是图形轮廓线的延长线21. 绘图仪器中分规的主要作用是:( D )A. 画圆或圆弧B. 是圆规的备用品C. 用来截量长度D. 只是等分线段22. 徒手画图草图时:( D )A. 只是不需要固定图纸,其它与仪器图相同B. 可以了草随意一些C. 所有图线一样,没有粗中细线型的要求D. 画线靠徒手,定位靠目测,必须保持线型明确,比例协调23. 工程上常用的图示方法中使用最广泛的是那一种?( A )A. 多面正投影法B. 轴测投影法C. 标高投影法D. 透视投影法24. 下面关于轴测投影的说法哪一个是正确的?( A )A. 直观性强,有一定的度量性B. 最具有真实感,但作图太繁杂费时C. 绘图简便,有立体感,无度量性D. 绘图简便,度量性好,无立体感25. 正投影法是指:( B )A. 投射线都相交于投射中心,投射出形体投影的方法B. 投射线互相平行且垂直于投影面,投射出形体投影的方法C. 由互相平行的投射线投射出形体投影的方法D. 投射线互相平行且倾斜于投影面,投射出形体投影的方法26. 多面正投影法的优点是:( D )A. 直观性强B. 富有立体感和真实感C. 绘图简便,立体感强D. 绘图简便,度量性好27. 下面哪一个性质不是中心投影法和平行投影法共有的基本性质( D )A. 同素性B. 从属性C. 积聚性D. 平行性28. @下面哪一个性质不是平行投影法特有的基本性质( D )A. 平行性B. 定比性C. 相似性D.接合性29.@ 平行投影法中图形的相仿性是指:( A )A. 相似性B. 全等性C. 平面图形非退化的平行投影D. 平行性30@. 三面投影图在度量关系上有:( C )A. 三个投影各自独立B. 正面投影和水平投影长对正C. 长对正、高平齐、宽相等D. 正面投影和侧面投影高平齐31. @三面投影图中水平投影反映形体的:(B )A. 上下、左右、前后的三个方位的关系B. 左右、前后的方位关系C. 上下、左右的方位关系D. 上下、前后的方位关系32.@ 三面投影图中正面投影反映形体的:( C)A. 上下、左右、前后的三个方位的关系B. 左右、前后的方位关系C. 上下、左右的方位关系D. 上下、前后的方位关系33. 三面投影图中侧面投影反映形体的:(D )A. 上下、左右、前后的三个方位的关系B. 左右、前后的方位关系C. 上下、左右的方位关系D. 上下、前后的方位关系34. 如果A点在V投影面上,则:(B )A. A点的x坐标为0B. A点的y坐标为0C. A点的z坐标为0D. A点的x、y、z坐标都不为035. 如果A点在H投影面上,则:( C )A. A点的x坐标为0B. A点的y坐标为0C. A点的z坐标为0D. A点的x、y、z坐标都不为036. 如果A点在W投影面上,则:( A )A. A点的x坐标为0B. A点的y坐标为0C. A点的z坐标为0D. A点的x、y、z坐标都不为037. 右图中两直线的相对几何关系是:( 做重线)A. 相交B. 交错C. 相交垂直D. 交错垂直38. 右图中两直线的相对几何关系是:A. 相交B. 交错C. 平行D. 无法判断39. 右图中两直线的相对几何关系是:A. 相交B. 交错C. 相交垂直D. 交错垂直40. 右图中两直线的相对几何关系是:A. 相交B. 交错C. 相交垂直D. 交错垂直41. 右图中两直线的相对几何关系是:比例) ( C ) ( A ) ( D ( B )A. 相交B. 交错C. 平行D. 交错垂直42. 右图所示平面的类型是:( D )A. 水平面B. 正平面C. 侧平面D. 任意倾斜平面43. @右图所示平面的类型是:( B )A. 铅垂面B. 正垂面C. 侧垂面D. 任意倾斜平面44. 右图所示平面的类型是:( B )A. 铅垂面B. 正平面C. 侧平面D. 任意倾斜平面45. 下图中三棱锥的侧面投影是:( C )46.在右图所示的三棱锥两面投影图中:( )A. D点在三棱锥右前棱面上B. D点在三棱锥后棱面上C. D点在三棱锥左前棱面上D. D点不在三棱锥表面上47. 轴测投影是根据什么原理投射得到的:( A )A. 平行投影B. 中心投影C. 正投影D. 斜投影48. 在下图中已知形体的三面投影图,则与其吻合的轴测图是:( D )49. 下图所示组合体,正确的左侧立面图是:( D )50. 下图所示组合体,正确的1-1剖视图是:( )1、单项选择题1. 在钢筋混凝土结构中,分布钢筋的作用是:(D )A. 起架立作用B. 主要受力钢筋C. 承受剪力D. 固定钢筋的位置并分配荷载到受力钢筋2. 在钢筋混凝土结构中,箍筋的作用是:( C )A. 起架立作用B. 主要受力钢筋C. 固定钢筋的位置并承受剪力D. 分配荷载到受力钢筋3. 在钢筋混凝土结构中,受力钢筋的弯起作用是:( C )A. 形成钢筋骨架B. 使受力钢筋始终处于构件中拉应力最大的区域C. 承受剪力D. 分配荷载到其它钢筋4. 在钢筋混凝土结构图中,构件的轮廓线用:( C )A. 粗实线绘制B. 中粗实线绘制C. 细实线绘制D. 加粗的粗实线绘制5. 在钢筋混凝土结构图中,可见的钢筋用:( D )A. 粗实线绘制,线宽由钢筋直径确定B. 中粗实线绘制C. 用钢筋的实际投影表示D. 粗实线绘制,线宽不表示钢筋粗细6. 在钢筋混凝土结构图中,不可见的钢筋用:(B )A. 粗虚线绘制,线宽由钢筋直径确定B. 粗虚线绘制,线宽不表示钢筋粗细C. 用细虚线绘制D. 中粗虚线绘制7. 在钢筋混凝土结构图中,钢筋的横断面用:( C )A. 涂黑的圆点表示,圆点大小由钢筋直径确定B. 空心圆圈表示C. 统一大小的涂黑圆点表示D. 涂黑的三角形表示8. 在钢筋混凝土结构图中,预应力钢筋用:( C )A. 粗双点画线绘制,线宽由钢筋直径确定B. 中粗双点画线绘制C. 粗双点画线绘制,线宽不表示钢筋粗细D. 细双点画线绘制9. 在钢筋混凝土结构图中,钢筋的标注中符号@的含义为:( C )A. 钢筋的直径符号B. 钢筋的品种代号C. 均匀分布的钢筋间距D. 钢筋表面的种类10.总平面图上拟建建筑物的标高是指( B )的标高A.室外设计地面B.底层室内地面C.二楼楼面D.屋面11.组合体的尺寸不包括( D )A.总尺寸B.定位尺寸C.定形尺寸D.标志尺寸12.图线不得穿越尺寸数字,不可避免时。
1.请首先按要求在试卷的标封处填写您的姓名、专业、学号。
2.在试题后答题,写在其它处无效。
已知直线AB的两面投影,设直线AB上一点C将AB分成3:2,求C点的
三面投影。
(12分)
二、已知平面的两面投影,完成其第三面投影。
(10分)
三、已知两视图,求作第三视图。
(15分)
四、求作立体的相贯线。
(12分)
五、根据两视图补画第三视图。
(12分)
六、分析下列螺纹画法的错误,正确的打“√”,错误的打“×”。
(8分)
()()()()
七、在指定位置将主视图画成全剖视图。
(16分)
八、读齿轮轴零件图,在指定位置补画A-A 断面图,并回答下列问题。
(15分)
1.说明M12×1.5-6g 含义:___________________________。
2.说明
含义:__________________________。
3.指出图中的工艺结构:它有处倒角,其尺寸分别为, 有处退刀槽,其尺寸为。
十你若真见过那些强者打拼的样子,就一定会明白,那些人之所以能达到别人到不了的高度,全是因为他们吃过许多别人吃不了的苦。
这世上从来就没有横空出世的运气,只有不为人知的努力。
专业_______姓名________学号______
…………密……………………………封………………………………线…………………………..。
“画法几何及工程制图”复习资料“画法几何及工程制图”课程是培养绘制和阅读工程图样基本能力的技术基础课。
土木工程图样是土木工程建设中的重要技术文件,工程图纸表达了有关工程建筑物的形状、构造、尺寸、工程数量以及各项技术要求和建造工艺,在设计和施工建造中起着记载、传达技术思想和指导生产实践的作用。
作为工程技术人员,必须精通工程制图的原理,熟练掌握图形技术。
本课程的主要任务就是帮助学习制图原理和方法,教会绘制工程图的初步技术,培养绘制和阅读工程图的基本能力,为后续课程的学习和专业技术工作打下必要的基础。
复习重点:第1章制图基本知识与技术掌握制图基本知识:制图标准、图纸幅面、字体、绘图比例、图线、尺寸的标注形式。
第2章投影法和点的多面正投影1.掌握投影法的基本知识:投影的形成及分类、工程上常用的四种图示方法2.掌握二面投影图和三面投影图的投影规律3.掌握作辅助正投影的方法第3章平面立体的投影及线面投影分析1.掌握基本平面立体的三面投影图的投影特性2.掌握立体上直线的投影特性3.掌握立体上平面的投影特性4.掌握点、线、面间的相对几何关系第4章平面立体构形及轴测图画法1.掌握基本平面体的叠加、切割、交接2.掌握平面立体的尺寸标注方法3.掌握轴测投影原理及平面立体的轴测投影画法第5章规则曲线、曲面及曲面立体1.了解曲线的形成与分类2.掌握圆的投影的画法,了解圆柱螺旋线投影的画法5.掌握基本曲面立体(圆柱、圆锥)的投影特性6.掌握平面与曲面体或曲表面相交的投影画法7.了解两曲面体或曲表面相交的投影画法8.掌握圆柱与圆锥的轴测图画法第6章组合体1.学会使用形体分析法对组合体的形成进行分析2.掌握根据实物绘制组合体的三视图的方法3.掌握组合体的尺寸注法4.掌握组合体三视图的阅读方法,根据组合体的两视图作第三视图5.掌握组合体轴测图的画法第7章图样画法1.掌握六个基本视图的画法2.掌握剖视图的表达方法3.掌握断面图的表达方法4.掌握在组合体轴测图中进行剖切的画法5.了解常用的简化画法6.了解第三角画法的概念第12章钢筋混凝土结构图(了解)1.了解钢筋混凝土结构的基本知识2.掌握钢筋混凝土结构的图示方法3.掌握钢筋混凝土结构图的阅读方法第13章房屋建筑图(了解)1.了解房屋的组成和各部分的作用,了解房屋的一般设计方法2.了解房屋施工图的分类及有关规定3.了解房屋总平面图的绘制方法4.掌握建筑平面图、建筑立面图、建筑剖面图的绘制方法5.了解建筑详图的绘制方法第14章桥梁、涵洞工程图(了解)了解桥涵工程图的基本知识,了解桥墩图、桥台图、涵洞图的图示方法本课程的考核方法:本课程在教学方式上的一个显著特点是突出强调它的实践性环节。
1、单项选择题(30)1 •图纸的会签栏一般在(B )A•图纸右上角及图框线内 B •图纸左上角及图框线外C•图纸右上角及图框线外 D •图纸左上角及图框线内@. 一物体图上长度标注为2000,其比例为1 : 5,则其实际大小为(B )A. 400 B . 2000 C . 10000 D . 2003 •下列仪器或工具中,不能用来画直线的是( D )A. 三角板B .丁字尺C .比例尺D .曲线板4. 在土木工程制图中,除了遵守建筑工程制图标准和某些行业标准外,还必须遵守的国家标准为:(A )A. 总图制图标准B.水利水电工程制图标准C.技术制图标准D.铁路工程制图标准5. 由国家职能部门制定、颁布的制图标准,是国家级的标准,简称国标。
国标的代号为:(B )A. ISOB. GBC. Sta ndardD. ANSI6. 图纸上的各种文字如汉字、字母、数字等,必须按规定字号书写,字体的号数为:(A )A.字体的高度B. 字体的宽度C. 标准中的编号D. 序号297 420(A3)1189*841(A0)8. 绘制工程图应使用制图标准中规定的幅面尺寸,其中A4幅面的尺寸为:(B )A. 594 841B. 210 297C. 420 594D. 297 4209. 绘图比例是:(A )A.图形与实物相应要素的线性尺寸之比B.实物与图形相应要素的线性尺寸之比C.比例尺上的比例刻度D. 图形上尺寸数字的换算系数10. 如果物体的长度为1000mm绘图比例是1:20,则在绘图时其长度应取:(C )A. 100B.1000C. 50D. 2011. 如果物体的长度为1000mm绘图比例是1:20,则在其图形上长度标注的尺寸数字为(B)A. 100B. 1000C. 50D. 2012. 比例尺是三棱柱形的,按比例画图时,应使用比例尺,它的作用是:(A )A.按比例进行尺寸度量B.查找换算系数C.与计算器的作用类似D. 可画直线13.粗实线的用途为:(B )A.表示假想轮廓B.表示可见轮廓C.表示不可见轮廓D.画中心线或轴线14.中粗虚线的用途为: (C )A.表示假想轮廓B.表示可见轮廓C.表示不可见轮廓D.画中心线或轴线15. 粗线、中粗线和细线的宽度比率为:(D )A. 3:2:1B. 2: 1.5 :1C. 5: 2.5 :1D. 4:2:116. 虚线由短画和短间隔组成,如下图所示,其短画的长度a的值应取:(C )A. 1~2mmB. 2~4mmC. 4~6mmD. 6~8mm17•点画线由长画、短间隔和点组成,如下图所示,其长画的长度a的值应取: (D )A. 3~8mmB. 8~10mmC. 10~15mmD. 15~20mm18. 右图中直径尺寸注法错在:(C )A. 尺寸起止符号应为短斜线B. 尺寸数字没有居中C. 尺寸线应该倾斜D. 直径尺寸应该注在圆外19. 右图中直径尺寸注法错在:(D )A. 尺寸起止符号应为短斜线B. 尺寸数字不能水平注写C. 尺寸数字应注写在圆内D. 尺寸数字注写的引出线不应从尺寸线端点引出D. 尺寸线不应是图形轮廓线的延长线21.绘图仪器中分规的主要作用是:(D )A.画圆或圆弧B.是圆规的备用品C.用来截量长度D.只是等分线段22.徒手画图草图时:(D )A. 只是不需要固定图纸,其它与仪器图相同B. 可以了草随意一些C. 所有图线一样,没有粗中细线型的要求D. 画线靠徒手,定位靠目测,必须保持线型明确,比例协调23. 工程上常用的图示方法中使用最广泛的是那一种?( A )A.多面正投影法B. 轴测投影法C.标高投影法D. 透视投影法24. 下面关于轴测投影的说法哪一个是正确的?( A )A.直观性强,有一定的度量性B.最具有真实感,但作图太繁杂费时C.绘图简便,有立体感,无度量性D.绘图简便,度量性好,无立体感25. 正投影法是指:(B )A. 投射线都相交于投射中心,投射出形体投影的方法B. 投射线互相平行且垂直于投影面,投射出形体投影的方法C. 由互相平行的投射线投射出形体投影的方法D. 投射线互相平行且倾斜于投影面,投射出形体投影的方法 26. 多面正投影法的优点是:(D )A.直观性强B.C.绘图简便,立体感强D.27. 下面哪一个性质不是中心投影法和平行投影法共有的基本性质(D )A.同素性B. 从属性C. 积聚性D. 平行性28. @下面哪一个性质不是平行投影法特有的基本性质 (D )A.平行性B. 定比性C. 相似性D. 接合性 29. @平行投影法中图形的相仿性是指:(A )A.相似性B.全等性C.平面图形非退化的平行投影D.平行性 30@.三面投影图在度量关系上有:(C )A.三个投影各自独立B.正面投影和水平投影长对正 C.长对正、高平齐、宽相等 D.正面投影和侧面投影高平齐31. @三面投影图中水平投影反映形体的: (B )A.上下、左右、前后的三个方位的关系B.左右、前后的方位关系 C.上下、左右的方位关系 D.上下、前后的方位关系32.@三面投影图中正面投影反映形体的: (C)A.上下、左右、前后的三个方位的关系B.左右、前后的方位关系 C.上下、左右的方位关系D.上下、前后的方位关系33.三面投影图中侧面投影反映形体的: (D )A.上下、左右、前后的三个方位的关系B.左右、前后的方位关系 C.上下、左右的方位关系D.上下、前后的方位关系34.如果A 点在V 投影面上,贝U: (B )A. A 点的x 坐标为0B. A 点的y 坐标为0C. A 点的z 坐标为0D. A点的x 、y 、z 坐标都不为035. 如果A 点在H 投影面上,贝( C )富有立体感和真实感 绘图简便,度量性好A. A点的x坐标为0B. AC. A点的z坐标为0D. A36. 如果A点在W投影面上,贝U:A. A点的x坐标为0B. AC. A点的z坐标为0D. A点的y坐标为0点的x、y、z坐标都不为0(A )点的y坐标为0点的x、y、z坐标都不为037. 右图中两直线的相对几何关系是:(做重线)A.相交B. 交错C.相交垂直D. 交错垂直38. 右图中两直线的相对几何关系是:(C )A.相交B. 交错C.平行D. 无法判断39. 右图中两直线的相对几何关系是:(A )A.相交B. 交错C.相交垂直D. 交错垂直40. 右图中两直线的相对几何关系是:(D比例)A.相交B. 交错C.相交垂直D. 交错垂直41. 右图中两直线的相对几何关系是:(B )A.相交B. 交错C.平行D. 交错垂直42. 右图所示平面的类型是:(D )A.水平面B. 正平面C.侧平面D. 任意倾斜平面43. @右图所示平面的类型是:(B )A.铅垂面B. 正垂面C.侧垂面D. 任意倾斜平面44. 右图所示平面的类型是:(B )A.铅垂面B. 正平面C.侧平面D. 任意倾斜平面45. 下图中三棱锥的侧面投影是:(C )A A K46. 在右图所示的三棱锥两面投影图中:()A. D点在三棱锥右前棱面上B. D点在三棱锥后棱面上C. D点在三棱锥左前棱面上D. D点不在三棱锥表面上47. 轴测投影是根据什么原理投射得到的:(A )A.平行投影B.中心投影C. 正投影D. 斜投影48.在下图中已知形体的三面投影图,贝U与其吻合的轴测图是:(D 49.下图所示组合体,正确的左侧立面图是:(D )B50.下图所示组合体, 正确的1-1剖视图是:()C| 1、、单项选择题*1. 在钢筋混凝土结构中,分布钢筋的作用是:(D )A.起架立作用B.主要受力钢筋C.承受剪力D. 固定钢筋的位置并分配荷载到受力钢筋2. 在钢筋混凝土结构中,箍筋的作用是:(C )A.起架立作用B. 主要受力钢筋C. 固定钢筋的位置并承受剪力D. 分配荷载到受力钢筋 3. 在钢筋混凝土结构中,受力钢筋的弯起作用是: ( C ) A. 形成钢筋骨架 B. 使受力钢筋始终处于构件中拉应力最大的区域 C. 承受剪力 D. 分配荷载到其它钢筋4. 在钢筋混凝土结构图中,构件的轮廓线用: ( C ) A. 粗实线绘制 B. 中粗实线绘制 C. 细实线绘制D.加粗的粗实线绘制5. 在钢筋混凝土结构图中,可见的钢筋用: A. 粗实线绘制,线宽由钢筋直径确定 B. C. 用钢筋的实际投影表示 D.6. 在钢筋混凝土结构图中,不可见的钢筋用: 细C. 用细虚线绘制D.7. 在钢筋混凝土结构图中,钢筋的横断面用:C. 统一大小的涂黑圆点表示8. 在钢筋混凝土结构图中,预应力钢筋用:A. 粗双点画线绘制,线宽由钢筋直径确定C. 粗双点画线绘制,线宽不表示钢筋粗细10.总平面图上 拟建建筑物的标高是指 ( B ) 的标高 A.室外设计地面 B •底层室内地面 C.二楼楼面D •屋面11.组合体的尺寸不包括 ( D ) A.总尺寸 B .定位尺寸 C.定形尺寸D .标志尺寸12.图线不得穿越尺寸数字,不可避免时。
东北大学22春“土木工程”《画法几何及土木建筑制图》期末考试高频考点版(带答案)一.综合考核(共50题)1.标注尺寸时,尺寸线()与其他图线重合或画在其延长线上。
A.可以B.不可以C.没有规定D.视情况而定参考答案:B2.房屋的主要承重结构有()等。
A.梁、柱、基础B.屋面板、墙C.门、窗D.散水、雨水管参考答案:AB3.绘制建筑立面图时,立面图两端的定位轴线要与()相对应标出,以便于明确与平面图的联系。
A.平面图B.剖面图C.楼梯详图D.总平面图参考答案:A4.楼梯平面图中的踏面数与楼梯剖面图中的步级数相等。
()A.正确B.错误参考答案:B5.圆锥面的三个投影都没有积聚性。
()A.正确B.错误参考答案:A6.当平面在某两个投影面的投影具有积聚性时,该平面一定是()。
A.那个投影面的垂直面B.那个投影面的平行面C.一般位置平面D.某个投影面的垂直面,或某个投影面的平行面参考答案:B7.建筑立面图上的内容,主要应反映该建筑的()等。
A.外部造型特征B.房屋内部构造、各层之间的联系C.外立面装修及做法D.檐口的构造参考答案:AC8.半剖面图中,外形视图与剖面图的分界线必须画细点划线。
()A.正确B.错误参考答案:A9.棱线为铅垂线的棱柱体顶面上的点,其水平投影是()。
A.可见的B.不可见的参考答案:A10.尺寸起止符号采用斜短线形式时,应与尺寸界线成(),长度是()。
A.45°,5B.45°,2~3C.60°,2~3D.30°,2~3参考答案:B11.工程图样上所注的尺寸,如没注明计量单位时,一定是以()为单位的。
A.mmB.cmC.m2D.km参考答案:A12.建筑立面图(正立面图)应该()。
A.反映主要出入口或比较显著地反映出房屋外貌特征B.任何一个立面方向都可以C.表达建筑物楼梯的形式,构造及细部尺寸D.表示物建筑房间的格局与分布参考答案:A13.在楼梯剖面图中,应画粗实线型的结构为()。
1.复习题下面主要是介绍考试题型,考试题目会有一些变化,不要背复习题的答案,一定要学会解题的方法!!考试题与复习题的题型相同,绝对不会完全照搬。
请认真复习以下题目,掌握解题的方法!题1:作辅助投影求AABC的实形。
a答案:O答案作輔助投影求点K到AABC平面的聽离。
补全三⅛⅛⅛正垂面切割后的水平披歆并求蛾而投朝求作勘口四⅛⅛的刚而投孰答案:补全醱推被两个平面斓后的水平投歆并作出侧面投歆求⅛⅛⅛侧垂面⅛J割后的正面投歆轴测图是必考内容,且一般含有圆柱或圆锥的轴测图绘制,希望大家认真复习!题7:答案:题8 :答案:作物体的正等轴测题9 :作物体的正等轴测曙并在三面投影图上标注尺寸(尺寸数值从图上按1: 1量取,M⅛t)O答案:题10 :作物体的正等轴测曙并在三面投影图上标注尺寸(尺寸数值从图上按1:1董軸取整数儿答案:11 :绘制帶有同IS顶的房屋模型的W≡轴测图种类自返答案:画出下面形体的正等轴测图答案:画出下面形体的正等轴测图答案:题14补鋪切口圆筲的侧面投影和水平投影,画出它的正等轴测草霊答案题15 :补全戦口圆柱的正面披影和水平投歆画岀它的正等⅛≡僵答案:题16 :已知圆柱被切割后的两面投歆求作其水平投歆答案:题17 :补全带切口舲的水平役歆作出其侧面投影题18 :补全帶切口圆粧的水平披畝作出其侧面投孰答案:答案:答案:画出下面组合体的水平投影答案:答案:r(2f)画出下面组合体的侧面投影答案:已知涵洞端墙的两而投影,求作其水平投影。
答案:分析组合依的成型方法,画出其水平0投影画出下面组合体的1-1、2-2剖视画出下面组合体的1-1、2-2剖视2L案Z-口——/题28:函出下面如合体的卜1、2-厠视答案题29:题30:画出组合体的1-1、2-2断面。
答案:1-1 2-2题31:答案:画出组合体的1-1、2-2断面。
Ein 1-1 2-2。
东北大学继续教育学院
画法几何与工程制图试卷(作业考核线下) B 卷(共 6 页)总分题号一二三四五六七八九十得分
作业要求:
1.本作业要求必须使用三角板(或直尺),圆规等绘图工具,不允许徒手绘制,且必须使用铅笔;
2. 作业中所应用的图线要符合国家标准的规定,既:粗、细线应分明;
3. 作业要求图面整洁,汉字、数字、符号等书写工整,清晰。
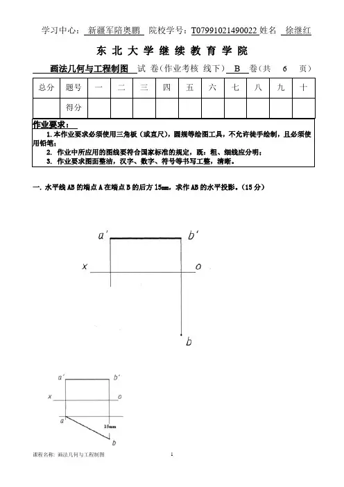
一. 水平线AB的端点A在端点B的后方l5mm,求作AB的水平投影。
(15分)
二.根据已知视图,试补全左视图投影。
(17分)
三.圆台被两正平面所截,试补全主视图。
(15分)
四.标注尺寸(10分)
五.将主视图进行全剖视并画在二视图中间。
(15分)
六.读零件图题(28分,每空4分)
看懂阀体零件图,回答下列问题:
(1) 该零件在四类典型零件中属于(箱体)类零件。
(2) 零件左端法兰上共有( 4 )个螺孔。
(3) 零件右边的外螺纹尺寸为( M36*2-6g )。
(4) 未注圆角的尺寸是:( R2-3 )。
(5) 阀体上端的螺孔是粗牙螺纹还是细牙螺纹:( 细牙螺纹 )。
(6) 左端面的表面粗糙度代号中的Ra值是:( 25 )。
(7) 50H11尺寸的下偏差是:( 0 )。
画法几何与工程制图中国大学mooc课后章节答案期末考试题库2023年1.判断下面三视图的正确性(线条是否一一对应、是否存在多线少线)【图片】参考答案:正确2.投影面的垂直面要变成新投影面的平行面,只须变换一次。
参考答案:正确3.判断下图中的坡脚线和坡面交线的作图是否正确【图片】【图片】参考答案:正确4.【图片】若图中的1'k'=2k,那么I点到直线AB的距离和II点到直线AB的距离是相等的。
参考答案:正确5.关于斜二测投影的说法正确的是参考答案:斜二测投影图中,轴间角取45度和轴向变形系数取0.5,是为了直观效果和方便作图考虑的6.以下哪一个角度是斜二测的轴间角参考答案:135度7.正等测投影的轴间角取值是参考答案:120度8.圆柱和圆球的相贯线可能是参考答案:空间曲线或圆9.曲面立体相交,其相贯线可能是参考答案:空间曲线,平面曲线或直线10.【图片】直线DE垂直于平面ABC的作图是否正确?参考答案:正确11.【图片】关于图中的几何元素的表述正确是参考答案:图中两几何形体分别是圆锥和四棱柱_二者的相贯线在前、后两个棱面上是双曲线_图中正面投影中双曲线的求解取点方法是纬圆法,且都是水平纬圆_二者的相贯线在左、右两个棱面上也是双曲线,侧面投影将反映其实形12.已知A点和BC直线的正面和水平投影,求作过点A的直线,使其与直线BC和OX轴都相交。
【图片】黑色是已知条件,蓝色和红色是作图过程及结果,请选出该作图过程的第一个步骤。
参考答案:作出b"c"、a"13.【图片】判别直线AB与BC的位置关系(请填空:平行、相交、交叉、相交垂直、交叉垂直)参考答案:相交14.【图片】判别FD与平面ABC的位置关系(请填空:平行、相交、交叉、相交垂直、交叉垂直)参考答案:相交15.【图片】判别直线AB与CD的位置关系(请填空:平行、相交、交叉、相交垂直、交叉垂直)参考答案:交叉16.关于下面的投影图说法正确的是【图片】参考答案:是短轴垂直于V面椭圆的投影图17.下面有关锥状面的定义,哪个是正确的参考答案:一直母线沿一曲导线和一直导线运动,且始终平行于一导平面而形成的曲面18.图中的立体表面应是【图片】参考答案:锥状面19.回转体与球相交且轴线通过球心,其相贯线应是参考答案:相贯线是圆,在平行于轴线的投影面上反映为直线,在所垂直的投影面上反映为圆20.建筑剖面图中,室内地坪以下的基础部分,一般不在剖面图中表示,而在结构施工图中表达。
“画法几何及工程制图”复习资料复习重点:1制图基本知识与技术掌握制图基本知识:制图标准、图纸幅面、字体、绘图比例、图线、尺寸的标注形式。
2投影法和点的多面正投影1.掌握投影法的基本知识:投影的形成及分类、工程上常用的四种图示方法2.掌握二面投影图和三面投影图的投影规律3.掌握作辅助正投影的方法3平面立体的投影及线面投影分析1.掌握基本平面立体的三面投影图的投影特性2.掌握立体上直线的投影特性3.掌握立体上平面的投影特性4.掌握点、线、面间的相对几何关系4平面立体构形及轴测图画法1.掌握基本平面体的叠加、切割、交接2.掌握平面立体的尺寸标注方法3.掌握轴测投影原理及平面立体的轴测投影画法5规则曲线、曲面及曲面立体1.了解曲线的形成与分类2.掌握圆的投影的画法,了解圆柱螺旋线投影的画法3.了解曲面的形成、分类4.掌握曲面投影的表达方法,主要是圆柱面、圆锥面、球面投影的画法5.掌握基本曲面立体(圆柱、圆锥)的投影特性6.掌握平面与曲面体或曲表面相交的投影画法7.了解两曲面体或曲表面相交的投影画法8.掌握圆柱与圆锥的轴测图画法6组合体1.学会使用形体分析法对组合体的形成进行分析2.掌握根据实物绘制组合体的三视图的方法3.掌握组合体的尺寸注法4.掌握组合体三视图的阅读方法,根据组合体的两视图作第三视图5.掌握组合体轴测图的画法7图样画法1.掌握六个基本视图的画法2.掌握剖视图的表达方法3.掌握断面图的表达方法4.掌握在组合体轴测图中进行剖切的画法5.了解常用的简化画法6.了解第三角画法的概念8 钢筋混凝土结构图(了解)1.了解钢筋混凝土结构的基本知识2.掌握钢筋混凝土结构的图示方法3.掌握钢筋混凝土结构图的阅读方法9 房屋建筑图(了解)1.了解房屋的组成和各部分的作用,了解房屋的一般设计方法2.了解房屋施工图的分类及有关规定3.了解房屋总平面图的绘制方法4.掌握建筑平面图、建筑立面图、建筑剖面图的绘制方法5.了解建筑详图的绘制方法10 桥梁、涵洞工程图(了解)了解桥涵工程图的基本知识,了解桥墩图、桥台图、涵洞图的图示方法题1:单项选择题,将正确答案填写在括号内1.制图标准是在全国范围内使图样标准化、规范化的统一准则。
《画法几何及工程制图》期末考试试卷附答案
《画法几何及工程制图》期末考试试卷附答案
一、单项选择(共3题,每题2分,共6分)
1.工程图样中字体的号数代表字体的()
A.宽度B高度C宽高比D1/2高度
2.已知主、俯视图,正确的左视图是()
2.已知KC(KL)线段是属于平面ABC的线段,其正确的投影图是()
二、填空题(每空2分,共计20分)
1.编写定位轴线编号时,横向编号用阿拉伯数字,从至顺序编写;竖向编号用,从至顺序编写。
2.建筑详图所表达的部位,应在有关的平、立、剖面图中绘注出符号,并在说话
的建筑像涂上绘注出符号。
3.在钢筋混领土结构图中2φ20,其中2表示,φ表示,20表示。
三、作图题(共5题,每题10分,共50分)
1.求直线AB与直线CD间的最短距离。
2.完成球被截切后的水平投影和侧面投影
3.求圆锥与四棱柱的相贯线
4.已知祝贺体的两面投影,画出第三面投影,虚线不可省略
5.补全投影图中所缺的先,虚线不和省略。
四、剖面图作图题(12分)
已知物体的平面图和正面图,试作1-1、2-2剖面图(剖视图)
五、轴测图作图题(12分)画出物体的水平斜等轴测图。
画法几何及工程制图参考答案。
工程制图期末复习试题套含答案〔高校期末复习资料〕1、第1页共46页_______________学院__________专业________________班级姓名:___________学号:________________座号:___密封线内不要答题———————————密———————————————封———————————————线————————————____________________学院____________________专业_____________班姓名_______________学号______________________2、密封线内不要答题———————————密———————————————封———————————————线————————————一、单项选择题〔每题一、单项选择题〔每题33分,共分,共1818分〕分〕1.图中哪一个平面是投影面的垂直面。
〔〕2.图中哪一个是圆的投影。
〔〕3.两立体正确的相贯线是。
〔〕4.在以下四组视图中,正确的一组视图是。
〔〕5.以下四组视图中,哪一组是正确的。
〔〕6.在以下四组视图中,正确的左视图是。
〔〕题号一二三四五六七八九总分得分阅卷人得分XXXX 工学院工学院??工程制图〔工程制图3、〔11〕〕??课程试卷课程试卷20XX――――20XX学年第学年第1学期学期第2页共46页_______________学院__________专业________________班级姓名:___________学号:________________座号:___密封线内不要答题———————————密———————————————封———————————————线————————————二、在三角形二、在三角形ABCABC平面内取点平面内取点DD,使点,使点DD与与HH、、VV面的距离分别为面的距离分别为14、515、、2022。
〔〔88分〕分〕三、过点三、过点DD作正平线作正平线DEDE 与与△ABC△ABC平行。
1、单项选择题(30)1.图纸的会签栏一般在( B)A.图纸右上角及图框线内 B.图纸左上角及图框线外C.图纸右上角及图框线外 D.图纸左上角及图框线内@!.一物体图上长度标注为2000,其比例为1﹕5,则其实际大小为( B)A.400 B.2000 C.10000 D.2003.下列仪器或工具中,不能用来画直线的是( D )A.三角板 B.丁字尺 C.比例尺 D.曲线板4. 在土木工程制图中,除了遵守建筑工程制图标准和某些行业标准外,还必须遵守的国家标准为:( A )A.总图制图标准B.水利水电工程制图标准C.技术制图标准D.铁路工程制图标准5. 由国家职能部门制定、颁布的制图标准,是国家级的标准,简称国标。
国标的代号为:( B )A. ISOB. GBC. StandardD. ANSI6. 图纸上的各种文字如汉字、字母、数字等,必须按规定字号书写,字体的号数为:( A )A. 字体的高度B. 字体的宽度C. 标准中的编号D. 序号7. 绘制工程图应使用制图标准中规定的幅面尺寸,其中A2幅面的尺寸为:( C)A. 594 841(A1)B. 210 297(A4)C. 420 594(A2)D. 297 420(A3) 1189*841(A0)8. 绘制工程图应使用制图标准中规定的幅面尺寸,其中A4幅面的尺寸为:(B )A. 594 841B. 210 297C. 420 594D. 297 4209. 绘图比例是:( A )A. 图形与实物相应要素的线性尺寸之比B. 实物与图形相应要素的线性尺寸之比C. 比例尺上的比例刻度D. 图形上尺寸数字的换算系数10. 如果物体的长度为1000mm,绘图比例是1:20,则在绘图时其长度应取:( C )A. 100B. 1000C. 50D. 2011. 如果物体的长度为1000mm,绘图比例是1:20,则在其图形上长度标注的尺寸数字为( B )A. 100B. 1000C. 50D. 2012. 比例尺是三棱柱形的,按比例画图时,应使用比例尺,它的作用是:( A )A. 按比例进行尺寸度量B. 查找换算系数C. 与计算器的作用类似D. 可画直线13. 粗实线的用途为:( B )A. 表示假想轮廓B. 表示可见轮廓C. 表示不可见轮廓D. 画中心线或轴线14. 中粗虚线的用途为:( C )A. 表示假想轮廓B. 表示可见轮廓C. 表示不可见轮廓D. 画中心线或轴线15. 粗线、中粗线和细线的宽度比率为:( D )A. 3:2:1B. 2: 1.5 :1C. 5: 2.5 :1D. 4:2:116. 虚线由短画和短间隔组成,如下图所示,其短画的长度a的值应取:( C )A. 1~2mmB. 2~4mmC. 4~6mmD. 6~8mm17. 点画线由长画、短间隔和点组成,如下图所示,其长画的长度a的值应取:( D )A. 3~8mmB. 8~10mmC. 10~15mmD. 15~20mm18. 右图中直径尺寸注法错在:( C )A. 尺寸起止符号应为短斜线B. 尺寸数字没有居中C. 尺寸线应该倾斜D. 直径尺寸应该注在圆外19. 右图中直径尺寸注法错在:( D )A. 尺寸起止符号应为短斜线B. 尺寸数字不能水平注写C. 尺寸数字应注写在圆内D. 尺寸数字注写的引出线不应从尺寸线端点引出20. 右图中长度尺寸注法错在:( D )A. 尺寸起止符号倾斜方向不对B. 尺寸线距离标注位置太远C. 该尺寸应注写在图形轮廓内D. 尺寸线不应是图形轮廓线的延长线21. 绘图仪器中分规的主要作用是:( D )A. 画圆或圆弧B. 是圆规的备用品C. 用来截量长度D. 只是等分线段22. 徒手画图草图时:( D )A. 只是不需要固定图纸,其它与仪器图相同B. 可以了草随意一些C. 所有图线一样,没有粗中细线型的要求D. 画线靠徒手,定位靠目测,必须保持线型明确,比例协调23. 工程上常用的图示方法中使用最广泛的是那一种?( A )A. 多面正投影法B. 轴测投影法C. 标高投影法D. 透视投影法24. 下面关于轴测投影的说法哪一个是正确的? ( A )A. 直观性强,有一定的度量性B. 最具有真实感,但作图太繁杂费时C. 绘图简便,有立体感,无度量性D. 绘图简便,度量性好,无立体感25. 正投影法是指:( B )A. 投射线都相交于投射中心,投射出形体投影的方法B. 投射线互相平行且垂直于投影面,投射出形体投影的方法C. 由互相平行的投射线投射出形体投影的方法D. 投射线互相平行且倾斜于投影面,投射出形体投影的方法26. 多面正投影法的优点是:( D )A. 直观性强B. 富有立体感和真实感C. 绘图简便,立体感强D. 绘图简便,度量性好27. 下面哪一个性质不是中心投影法和平行投影法共有的基本性质( D )A. 同素性B. 从属性C. 积聚性D. 平行性28. @下面哪一个性质不是平行投影法特有的基本性质( D )A. 平行性B. 定比性C. 相似性D. 接合性29.@ 平行投影法中图形的相仿性是指:( A )A. 相似性B. 全等性C. 平面图形非退化的平行投影D. 平行性30@. 三面投影图在度量关系上有: ( C )A. 三个投影各自独立B. 正面投影和水平投影长对正C. 长对正、高平齐、宽相等D. 正面投影和侧面投影高平齐31. @三面投影图中水平投影反映形体的: (B )A. 上下、左右、前后的三个方位的关系B. 左右、前后的方位关系C. 上下、左右的方位关系D. 上下、前后的方位关系32.@ 三面投影图中正面投影反映形体的: ( C)A. 上下、左右、前后的三个方位的关系B. 左右、前后的方位关系C. 上下、左右的方位关系D. 上下、前后的方位关系33. 三面投影图中侧面投影反映形体的: (D )A. 上下、左右、前后的三个方位的关系B. 左右、前后的方位关系C. 上下、左右的方位关系D. 上下、前后的方位关系34. 如果A点在V投影面上,则:(B )A. A点的x坐标为0B. A点的y坐标为0C. A点的z坐标为0D. A点的x、y、z坐标都不为035. 如果A点在H投影面上,则:( C )A. A点的x坐标为0B. A点的y坐标为0C. A点的z坐标为0D. A点的x、y、z坐标都不为036. 如果A点在W投影面上,则:( A )A. A点的x坐标为0B. A点的y坐标为0C. A点的z坐标为0D. A点的x、y、z坐标都不为037. 右图中两直线的相对几何关系是: ( 做重线 )A. 相交B. 交错C. 相交垂直D. 交错垂直38. 右图中两直线的相对几何关系是: ( C )A. 相交B. 交错C. 平行D. 无法判断39. 右图中两直线的相对几何关系是: ( A )A. 相交B. 交错C. 相交垂直D. 交错垂直40. 右图中两直线的相对几何关系是: ( D比例 )A. 相交B. 交错C. 相交垂直D. 交错垂直41. 右图中两直线的相对几何关系是: ( B )A. 相交B. 交错C. 平行D. 交错垂直42. 右图所示平面的类型是:( D )A. 水平面B. 正平面C. 侧平面D. 任意倾斜平面43. @右图所示平面的类型是:( B )A. 铅垂面B. 正垂面C. 侧垂面D. 任意倾斜平面44. 右图所示平面的类型是:( B )A. 铅垂面B. 正平面C. 侧平面D. 任意倾斜平面45. 下图中三棱锥的侧面投影是:( C )46.在右图所示的三棱锥两面投影图中:( )A. D点在三棱锥右前棱面上B. D点在三棱锥后棱面上C. D点在三棱锥左前棱面上D. D点不在三棱锥表面上47. 轴测投影是根据什么原理投射得到的:( A )A. 平行投影B. 中心投影C. 正投影D. 斜投影48. 在下图中已知形体的三面投影图,则与其吻合的轴测图是:( D )49. 下图所示组合体,正确的左侧立面图是:( D )50. 下图所示组合体,正确的1-1剖视图是:( )1、单项选择题1. 在钢筋混凝土结构中,分布钢筋的作用是:(D )A. 起架立作用B. 主要受力钢筋C. 承受剪力D. 固定钢筋的位置并分配荷载到受力钢筋2. 在钢筋混凝土结构中,箍筋的作用是:( C )A. 起架立作用B. 主要受力钢筋C. 固定钢筋的位置并承受剪力D. 分配荷载到受力钢筋3. 在钢筋混凝土结构中,受力钢筋的弯起作用是:( C )A. 形成钢筋骨架B. 使受力钢筋始终处于构件中拉应力最大的区域C. 承受剪力D. 分配荷载到其它钢筋4. 在钢筋混凝土结构图中,构件的轮廓线用:( C )A. 粗实线绘制B. 中粗实线绘制C. 细实线绘制D. 加粗的粗实线绘制5. 在钢筋混凝土结构图中,可见的钢筋用:( D )A. 粗实线绘制,线宽由钢筋直径确定B. 中粗实线绘制C. 用钢筋的实际投影表示D. 粗实线绘制,线宽不表示钢筋粗细6. 在钢筋混凝土结构图中,不可见的钢筋用:(B )A. 粗虚线绘制,线宽由钢筋直径确定B. 粗虚线绘制,线宽不表示钢筋粗细C. 用细虚线绘制D. 中粗虚线绘制7. 在钢筋混凝土结构图中,钢筋的横断面用:( C )A. 涂黑的圆点表示,圆点大小由钢筋直径确定B. 空心圆圈表示C. 统一大小的涂黑圆点表示D. 涂黑的三角形表示8. 在钢筋混凝土结构图中,预应力钢筋用:( C )A. 粗双点画线绘制,线宽由钢筋直径确定B. 中粗双点画线绘制C. 粗双点画线绘制,线宽不表示钢筋粗细D. 细双点画线绘制9. 在钢筋混凝土结构图中,钢筋的标注中符号@的含义为:( C )A. 钢筋的直径符号B. 钢筋的品种代号C. 均匀分布的钢筋间距D. 钢筋表面的种类10.总平面图上拟建建筑物的标高是指( B )的标高A.室外设计地面 B.底层室内地面C.二楼楼面 D.屋面11.组合体的尺寸不包括( D )A.总尺寸 B.定位尺寸C.定形尺寸 D.标志尺寸12.图线不得穿越尺寸数字,不可避免时。
东北大学22春“土木工程”《画法几何及土木建筑制图》期末考试高频考点版(带答案)一.综合考核(共50题)1.局部剖面图中外形与剖面以及剖面部分相互之间的分界线画()。
A.细实线B.波浪线C.点划线D.粗实线参考答案:B2.当平面在某两个投影面的投影具有积聚性时,该平面一定是()。
A.那个投影面的垂直面B.那个投影面的平行面C.一般位置平面D.某个投影面的垂直面,或某个投影面的平行面参考答案:B3.房屋建筑图的图名可标注在图纸的任何位置。
()A.正确B.错误参考答案:B4.钢筋混凝土板的平法配筋图上,只有板块集中标注一种注写方式。
()A.正确B.错误参考答案:B“长对正,高平齐,宽相等”的投影原理()。
A.只适合于基本体的投影B.只适合组合体的投影C.既适合整个组合体,也适合组成组合体的每个基本体D.只适合平面体的投影参考答案:C6.钢筋混凝土梁的平面图上,采用平法注写方式时,其集中标注的内容里能够反映梁顶面与结构层楼面的标高差。
()A.正确B.错误参考答案:A7.楼梯详图上楼梯段的水平长度为(),梯段的高度为()。
A.踏面宽X踏面数,踏面宽X踢面数B.踏面宽X踏面数,踏面宽X踢面高C.踏面宽X步级数,踏面宽X踢面数D.踏面宽X踏面数,步级数x踢面高参考答案:D8.画半剖面图时,外形视图与剖面图之间用()分开。
A.细实线B.粗实线C.虚线D.细点划线参考答案:D9.当采用带装订边的图纸幅面格式时,不管图纸大小,其装订边尺寸都是()。
A.5D.20参考答案:C10.绘制建筑立面图时,立面图两端的定位轴线要与()相对应标出,以便于明确与平面图的联系。
A.平面图B.剖面图C.楼梯详图D.总平面图参考答案:A11.当组合体上相邻两个基本体的表面相交时,会产生()或()。
A.截交线B.相贯线C.切线D.结合面参考答案:AB12.在钢筋混凝土梁的平面图上,采用平法集中注写方式时,“ KL-4(2)”中的“2”表示该梁的跨数。