感烟火灾探测器的安装要求
- 格式:docx
- 大小:11.42 KB
- 文档页数:2
烟感布置要求:1 探测器至墙壁、梁边的水平距离,不应小于;2 探测器周围水平距离内,不应有遮挡物;3 探测器至空调送风口边的水平距离不应小于,并宜接近回风口安装,探测器至多孔送风顶棚孔口的水平距离不应小于。
4 在宽度小于3m的内走道顶棚上安装探测器时,宜居中安装。
点型感温火灾探测器的安装间距,不应超过10m;点型感烟火灾探测器的安装间距,不应超过15m。
探测器至端墙的距离,不应大于安装间距的一半;5 探测器至广播的水平距离,不应小于;6 探测器至灯具的水平距离,不应小于;7 探测器至喷头的水平距离,不应小于;8 房间被书架、设备或隔断等分隔,其顶部至顶棚或梁的距离小于房间净高的5%时,每个被隔开的部分至少应安装一只探测器。
9 烟感距开水器的距离不应小于。
5.3感温元件的布置5.3.1感温元件5.3.1.1感温元件采用铜—康铜热电偶,测量不确定度应小于0.25K。
5.3.1.2铜—康铜热电偶必须使用同批生产、丝径为0.2mm~0.4mm的铜丝和康铜丝制作。
铜丝和康铜丝应有绝缘包皮。
5.3.1.3铜—康铜热电偶感应头应作绝缘处理。
5.3.1.4铜—康铜热电偶应定期进行校验〔见附录B(标准的附录)〕。
5.3.2铜—康铜热电偶的布置5.3.2.1空气温度测点a)应在热箱空间内设置两层热电偶作为空气温度测点,每层均匀布4点;b)冷箱空气温度测点应布置在符合GB/T13475规定的平面内,与试件安装洞口对应的面积上均匀布9点;c)测量空气温度的热电偶感应头,均应进行热辐射屏蔽;d)测量热、冷箱空气温度的热电偶可分别并联。
5.3.2.2表面温度测点a)热箱每个外壁的内、外表面分别对应布6个温度测点;b)试件框热侧表面温度测点不宜少于20个。
试件框冷侧表面温度测点不宜少于14个点;c)热箱外壁及试件框每个表面温度测点的热电偶可分别并联;d)测量表面温度的热电偶感应头应连同至少100mm长的铜、康铜引线一起,紧贴在被测表面上。
感烟火灾探测器的安装要求烟火灾探测器是一种用于探测火灾和烟雾的装置。
它能够及早发现火灾并提供警示,防止火灾引发更大的损失和伤害。
然而,为了确保探测器能够正常工作,安装要求十分重要。
下面详细介绍了感烟火灾探测器的安装要求。
首先,探测器的安装位置至关重要。
在选择位置时,需要考虑以下因素:1.探测器应该安装在每个楼层的中心位置,以便能够尽早地探测到烟雾。
2.安装位置应远离阳光直射的地方,避免阳光对探测器的影响。
3.避免安装在烟雾较多或有尘埃的区域,以免误报。
4.探测器应安装在房间的最高点,因为烟雾比空气轻,往往会向上升起。
5.对于特殊闲置住所,如车库、仓库等,应将探测器安装在远离易燃物品的位置。
其次,安装探测器时要遵循以下步骤:1.首先,需要将探测器的电源与建筑电网相连。
电源的连接要牢固可靠,并符合安全电气工程的要求。
2.探测器通常需要安装在天花板上。
在安装之前,需要使用探测器底座将其固定在天花板上。
底座应坚固、耐热、耐火,并符合相关的建筑标准。
3.安装完成后,需要确保探测器位置的稳定性。
探测器底座应与天花板完全贴合,并采取适当的固定措施,以防止探测器移位或脱落。
4.安装好的探测器需要定期进行检测和维护。
检测应包括探测器的正常运行、电源供应的可靠性以及报警信号的有效性等方面。
5.安装探测器时,还应遵守相关法律法规和标准。
例如,不得在禁烟地区使用无线烟感探测器,并确保探测器符合国家或地方标准的要求。
最后,要确保安装的探测器能够与其他防火设备实现有效的联动。
探测器应与报警控制室、喷水系统、火灾自动报警系统等相连,以便在发生火灾时能够及时采取措施进行灭火或疏散。
总而言之,感烟火灾探测器的安装要求非常重要,直接关系到火灾检测的准确性和及早发现火灾的能力。
合理选择安装位置、正确进行电源连接、稳固固定探测器、定期检测和维护以及与其他防火设备的联动是确保探测器正常工作的关键。
在进行安装前,需要仔细研究相关标准和法规,确保安装过程符合规范,以提高安全性和可靠性。
欧阳道创编 2021.03.06
烟感和温感探测器的安装间距要求及规范
烟感、温感探测器安装装间距一、烟感探测器安装间距一般为直径15米,半径7.5米;温感探测器安装间距一般为直径10米,半径5米二、设于走道的烟感,则按1 5米的间距设置,温感按10米间距设置三、探测器至墙壁、梁边的水平距离,不应小于0.5m。
四、探测器周围0.5m内,不应有遮挡物。
五、探测器至空调送风口边的水平距离,不应小于1.5m;至多孔送风顶棚孔口的水平距离,不应小于0.5m。
烟感探测器就是通过监测烟雾的浓度来实现火灾防范的,烟雾探测器内部采用离子式烟雾传感,离子式烟雾传感器是一种技术先进,工作稳定可靠的传感器,被广泛运用到各种消防报警系统中,性能远优于气敏电阻类的火灾报警器。
温感探测器是通过监测探测周围环境温度的变化来实现火灾防范的,采用高品质线性传感器,SMD贴片加工工艺生产,具有灵敏度高、稳定可靠、低功耗、美观耐用、使用方便等特点。
电路和电源可自检,可进行模拟报警测试。
感温探测器805[1]温感探测器适用于相对湿度经常大于95%、无烟火、有大量粉尘、在正常情况下有烟和粉尘滞留、厨房、锅炉房、发电机房、烘干车间、吸烟室、其它不宜安装烟感探测器的厅堂和公共场所。
详细请参考〈火灾自动报警系统设计规范〉
欧阳道创编 2021.03.06。
烟感和温感探测器的安装间距要求及规范
烟感、温感探测器安装装间距
一、烟感探测器安装间距一般为直径15米,半径7.5米;温感探测器安装间距一般为直径10米,半径5米
二、设于走道的烟感,则按15米的间距设置,温感按10米间距设置
三、探测器至墙壁、梁边的水平距离,不应小于0.5m。
四、探测器周围0.5m内,不应有遮挡物。
五、探测器至空调送风口边的水平距离,不应小于1.5m;至多孔送风顶棚孔口的水平距离,不应小于0.5m。
烟感探测器就是通过监测烟雾的浓度来实现火灾防范的,烟雾探测器内部采
用离子式烟雾传感,离子式烟雾传感器是一种技术先进,工作稳定可靠的传
感器,被广泛运用到各种消防报警系统中,性能远优于气敏电阻类的火灾报
警器。
温感探测器是通过监测探测周围环境温度的变化来实现火灾防范的,采用高
品质线性传感器,SMD贴片加工工艺生产,具有灵敏度高、稳定可靠、低功耗、美观耐用、使用方便等特点。
电路和电源可自检,可进行模拟报警测试。
感温探测器805[1]温感探测器适用于相对湿度经常大于95%、无烟火、有
大量粉尘、在正常情况下有烟和粉尘滞留、厨房、锅炉房、发电机房、烘干车间、吸烟室、其它不宜安装烟感探测器的厅堂和公共场所。
详细请参考〈火灾自动报警系统设计规范〉。
烟感点烟验收规范
1.火灾探测器应安装在便于维修与便于观察的地方。
不得安装在闸机上方、扶梯上方或者无维修空间检修的位置。
2.探测区域的每个房间应至少设置一只火灾探测器。
3.探测器至墙壁、梁边的水平距离,不应小于0.5m;
4.探测器周围水平距离0.5m内,不应有遮挡物;
5.探测器至空调送风口最近边的水平距离,不应小于1.5m;至多孔送风顶棚孔口的水平距离,不应小于0.5m;
6.在宽度小于3m的内走道顶棚上安装探测器时,宜居中安装。
7.点型感温火灾探测器的安装间距,不应超过10m;点型感烟火灾探测器的安装间距,不应超过15m。
8.探测器至端墙的距离,不应大于安装间距的一半:
9.探测器宜水平安装,当确需倾斜安装时,倾斜角不应大于45度。
10.在有梁的顶棚上,当梁突出顶棚高度超过600mm时,被隔断的每隔梁间区域应至少设置一只探测器。
11.扶梯底部的烟感固定支架不能直接与扶梯相连,需从墙边拉出角钢进行固定。
12.安装在站厅、站台层漏空天花上的烟感必须在天花上方加装聚烟板,聚烟板材质为金属铝,大小为450mmX450mm,厚度不小于0.5mm。
烟感探测器的安装布置要求
1 烟感探测器至墙壁、梁边的水平距离,不应小于0.5m;
2 烟感探测器周围水平距离0.5m内,不应有遮挡物;
3 烟感探测器至广播的水平距离,不应小于0.1m;
4 宽度小于3m的内走道顶棚上安装探测器时,居中安装。
点型感温火灾探测器的安装间距不应超过10m;点型感烟火灾探测器的安装间距,不应超过15m。
探测器至端墙的距离,不应大于安装间距的一半;5烟感探测器至空调送风口边的水平距离不应小于1.5m,并宜接近回风口安装,探测器至多孔送风顶棚孔口的水平距离不应小于0.5m。
6 烟感探测器至灯具的水平距离,不应小于0.2m;
7 烟感探测器至喷头的水平距离,不应小于0.3m;
8 房间被书架、设备或隔断等分隔,其顶部至顶棚或梁的距离小于房间净高的5%时,每个被隔开的部分至少应安装一只探测器。
9 烟感距开水器的距离不应小于1.5m。
1.喷淋头:之间的间距一般不超过 3.6米,与墙边的距离在0.8---1.8米之间。
2.烟感:A.烟感至墙壁不应小于0.5米; B.至边墙的距离不大于7.5米;C.在内走道小于3米的天花顶设置时,宜居中布置,之间的距离不应超过15米。
D.每个烟感的保护面积60平方米,保护距离5.8米。
3.消防广播:其位置应保证从一个防火分区的任何部位到最近一个广播的距离不大于25米,走道内最后一个广播至走道末端的距离不应大于12.5米。
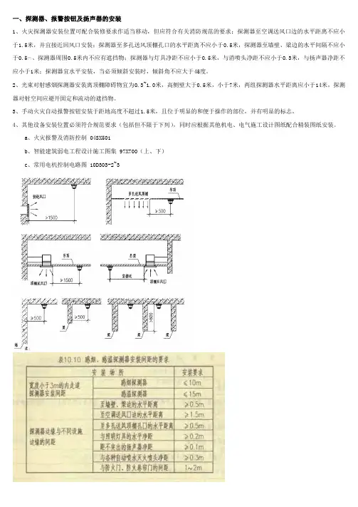
一、探测器、报警按钮及扬声器的安装
1、火灾探测器安装位置可配合装修要求作适当移动,但应符合有关消防规范的要求;探测器至空调送风口边的水平距离不应小于1.5米,并宜接近回风口安装;探测器至多孔送风顶棚孔口的水平距离不应小于0.5米,探测器至墙壁、梁边的水平间隔不应小于0.5m、探测器周围0.5米内不应有遮挡物;探测器与灯具净距不应小于0.5米,与消喷头净距不应小于0.3米,与扬声器净距不应小于1米;探测器宜水平安装,当必须倾斜安装时,倾斜角不应大于45度。
2、光束对射感烟探测器安装离顶棚障碍物宜为0.3~1.0米,高侧壁大于0.5米,小于7米,两组探测器水平距离应小于14米,探测器对射空间应避开固定和流动的遮挡物。
3、手动火灾自动报警按钮安装于距地高度不超过1.5米,且位于明显的和便于操作的部位,并有明显的标志。
4、其他设备安装位置必须符合规范要求(包括但不限于下列),同时应根据其他机电、电气施工设计图纸配合精装图纸安装。
a、火灾报警及消防控制04SX501
b、智能建筑弱电工程设计施工图集97X700(上、下)
c、常用电机控制电路图10D303-2~3。
感烟火灾探测器的安装要求
一、点型感烟火灾探测器安装要求
1、探测器至墙壁、梁边的水平距离,不应小于0.5m;探测器周围水平距离0.5m内,不应有遮挡物;探测器至空调送风口最近边的水平距离,不应小于1.5m;至多孔送风顶棚孔口的水平距离,不应小于0.5m.
2、在宽度小于3m的内走道顶棚上安装探测器时,宜居中安装.点型感温火灾探测器的安装间距,不应超过10m;点型感烟火灾探测器的安装间距,不应超过15m.探测器至端墙的距离,不应大于安装间距的一半.
3、探测器宜水平安装,当确实需倾斜安装时,倾斜角不应大于45°.
二、线型光束感烟火灾探测器安装要求
1、根据设计文件的要求确定探测器的安装位置,探测器应安装牢固,并不应产生位移.在钢结构建筑中,发射器和接收器反射式探测器的探测器和反射板可设置在钢架上,但应考虑位移影响.
2、发射器和接收器反射式探测器的探测器和反射板之间的光路上应无遮挡物,并应保证接收器反射式探测器的探测器避开日光和人工光源直接照射.
三、管路采样式吸气感烟火灾探测器安装要求
1根据设计文件和产品使用说明书的要求确定探测器的管路安装位置、敷设方式及采样孔的设置.
2采样管应固定牢固,有过梁、空间支架的建筑中,采样管路应固定在过梁、空间支架上.
四、探测器底座的安装要求
1、探测器的底座应安装牢固,与导线连接必须可靠压接或焊接.当采用焊接时,不应使用带腐蚀性的助焊剂.
2、探测器底座的连接导线,应留有不小于150mm的余量,且在其端部应有明显的永久性标志.探测器底座的穿线孔宜封堵,安装完毕的探测器底座应采取保护措施.
五、其他要求
探测器报警确认灯应朝向便于人员观察的主要入口方向.探测器在即将调试时方可安装,在调试前应妥善保管并应采取防尘、防潮、防腐蚀措施.。
烟感布置要求:1 探测器至墙壁、梁边的水平距离,不应小于0.5m;2 探测器周围水平距离0.5m内,不应有遮挡物;3 探测器至空调送风口边的水平距离不应小于1.5m,并宜接近回风口安装,探测器至多孔送风顶棚孔口的水平距离不应小于0.5m。
4 在宽度小于3m的内走道顶棚上安装探测器时,宜居中安装。
点型感温火灾探测器的安装间距,不应超过10m;点型感烟火灾探测器的安装间距,不应超过15m。
探测器至端墙的距离,不应大于安装间距的一半;5 探测器至广播的水平距离,不应小于0.1m;6 探测器至灯具的水平距离,不应小于0.2m;7 探测器至喷头的水平距离,不应小于0.3m;8 房间被书架、设备或隔断等分隔,其顶部至顶棚或梁的距离小于房间净高的5%时,每个被隔开的部分至少应安装一只探测器。
9 烟感距开水器的距离不应小于1.5m。
5.3感温元件的布置5.3.1感温元件5.3.1.1感温元件采用铜—康铜热电偶,测量不确定度应小于0.25K。
5.3.1.2铜—康铜热电偶必须使用同批生产、丝径为0.2mm~0.4mm的铜丝和康铜丝制作。
铜丝和康铜丝应有绝缘包皮。
5.3.1.3铜—康铜热电偶感应头应作绝缘处理。
5.3.1.4铜—康铜热电偶应定期进行校验〔见附录B(标准的附录)〕。
5.3.2铜—康铜热电偶的布置5.3.2.1空气温度测点a)应在热箱空间内设置两层热电偶作为空气温度测点,每层均匀布4点;b)冷箱空气温度测点应布置在符合GB/T13475规定的平面内,与试件安装洞口对应的面积上均匀布9点;c)测量空气温度的热电偶感应头,均应进行热辐射屏蔽;d)测量热、冷箱空气温度的热电偶可分别并联。
5.3.2.2表面温度测点a)热箱每个外壁的内、外表面分别对应布6个温度测点;b)试件框热侧表面温度测点不宜少于20个。
试件框冷侧表面温度测点不宜少于14个点;c)热箱外壁及试件框每个表面温度测点的热电偶可分别并联;d)测量表面温度的热电偶感应头应连同至少100mm长的铜、康铜引线一起,紧贴在被测表面上。
火灾探测器的安装作业要求1、探测器的安装定位探测器安装时,要按照施工图选定的位置,现场定位划线。
在吊顶上安装时,要注意纵横成排对称。
在现场如遇到风管、风口、排风机、工业管道、行车和照明灯具等各种障碍,可作必要的移位。
如移位超出探测器的保护范围,则应进行设计修改变更。
2、点型火灾探测器的安装位置,应符合下列规定:(1)探测器至墙壁、梁边的水平距离不应小于 0.5 m;(2)探测器周围0.5m内不应有遮挡物;(3)探测器至空调送风口边的水平距离不应小于1.5m;至多孔送风顶棚孔口的水平距离不应小于0.5m;(4)在宽度小于3m的内走廊顶棚上设置探测器时,宜居中布置。
感温探测器的安装间距不应超过10m;感烟探测器的安装间距不应超过15m。
探测器距端墙的距离不应大于探测器安装间距的一半。
3、探测器一般宜安装在室内顶棚上。
当顶棚上有梁时,梁间净距小于1m时,视为平顶棚。
在梁突出顶棚的高度小于200mm的顶棚上设置探测器时,可不考虑对探测器保护面积的影响。
当梁突出顶棚的高度在200~600mm时,应按规定图、表确定探测器的安装位置。
当被梁隔断的区域面积超出一只探测器的保护面积时,则应将被隔断的区域视为一个探测区域,并应按有关规定计算探测器的设置数量。
4、安装在顶棚上的探测器边缘与下列设施的边缘水平间距宜保持在:(1)与照明灯具的水平净距不应小于0.2m;(2)感烟探测器距高温光源灯具(如碘钨灯、容量大于100W的白炽灯等)的净距不应小于 0.5m;(3)距风扇的净距不宜小于1.5m;(4)距不突出的扬声器净距不应小于0.1m ;(5)于各种自动喷水灭火喷头净距不应小于0.3m;(6)距多孔送风顶棚孔口的净距不应小于0.5m,至空调风口边的水平距离不应小于1.5m;(7)于防火门、防火卷帘的间距一般在1~2m的适当位置。
5、房间被书架、设备或隔断等分隔,其顶部至顶棚或梁的距离小于房间净高的5%时,则每个被隔开的部分应至少安装一只探测器。
为确保建筑消防安全,提高火灾早期探测和报警能力,本工程采用烟感探测器进行火灾自动报警系统安装。
本方案针对烟感探测器的安装施工进行详细说明,以确保工程质量和安全。
二、施工准备1. 材料准备:烟感探测器、底座、接线盒、电源线、膨胀螺栓、螺钉、密封膏等。
2. 工具准备:电钻、扳手、螺丝刀、剥线钳、万用表等。
3. 人员准备:施工人员需具备一定的电气知识和实践经验。
三、施工步骤1. 确定安装位置:根据设计图纸,结合现场实际情况,确定烟感探测器的安装位置。
确保探测器安装位置符合以下要求:(1)至墙壁、梁边的水平距离不小于0.5米;(2)周围0.5米内无遮挡物;(3)至空调送风口边的水平距离不小于1.5米,至多孔送风顶棚孔口的水平距离不小于0.5米;(4)在宽度小于3m的内走道顶棚上设置探测器,宜居中布置。
2. 安装底座:在确定的位置上,使用电钻打孔,然后使用膨胀螺栓固定底座。
确保底座安装牢固,水平。
3. 连接探测器:将探测器套在底座上,顺时针旋转使底座嵌入探测器底部。
稍向底座方向用力压探测器,顺时针旋转至听见“咔哒”声即可。
4. 接线:将探测器端子与接线盒内的总线连接,确保连接正确、可靠。
总线采用枝型接法,推荐使用RVV2X1.0双绞型护套线。
5. 防水处理:底座安装并接线完毕后,使用密封膏或密封胶封堵接线孔,防止穿线管中或建筑内大量积水流入探测器。
6. 安全检查:安装完成后,对探测器进行功能测试,确保探测器工作正常。
四、施工注意事项1. 施工过程中,注意安全,严格遵守操作规程。
2. 探测器安装位置应避开高温、潮湿、腐蚀性气体等环境。
3. 探测器安装后,应进行功能测试,确保探测器工作正常。
4. 施工过程中,注意保护探测器,避免损坏。
五、施工验收1. 施工完成后,由监理单位对安装工程进行验收。
2. 验收内容包括:安装位置、安装质量、接线是否正确、功能测试是否正常等。
3. 验收合格后,方可交付使用。
线型感温、线型光束感烟火灾探测器的设置规范条文及图示理解一、线型光束感烟火灾探测器的设置条文及图示6.2.15 线型光束感烟火灾探测器的设置应符合下列规定:1 探测器的光束轴线至顶棚的垂直距离宜为0.3m~1.0m,距地高度不宜超过20m。
2 相邻两组探测器的水平距离不应大于14m,探测器至侧墙水平距离不应大于7m,且不应小于0.5m,探测器的发射器和接收器之间的距离不宜超过100m。
3 探测器应设置在固定结构上。
4 探测器的设置应保证其接收端避开日光和人工光源直接照射。
5 选择反射式探测器时,应保证在反射板与探测器间任何部位进行模拟试验时,探测器均能正确响应。
条文说明(部分摘录)6.2.15 本条规定根据我国工程实践经验制定。
1 一般情况下,当顶棚高度不大于5m时,探测器的红外光束轴线至顶棚的垂直距离为0.3m;当顶棚高度为10m~20m时,光束轴线至顶棚的垂直距离可为1.0m。
2 相邻两组线型光束感烟火灾探测器的水平距离不应大于14m。
探测器至侧墙水平距离不应大于7m且不应小于0.5m。
超过规定距离探测烟的效果很差。
探测器的发射器和接收器之间的距离不宜超过100m,是为了保证探测器灵敏度,也是为了防止建筑位移使探测器产生误报。
见图7(略)。
3 探测器位置的变化将直接影响探测器的正常运行及探测,因此探测器应安装在固定的结构上,同时应考虑钢结构等建筑结构位移对探测器运行的影响。
4 探测器的工作原理决定了日光和人工光源对接收端的直接照射会影响探测器的正常运行甚至导致探测器的误报警。
5 工程实践表明如果反射式探测器的灵敏度或报警设定值设置不合理,在探测器接收端快速出现高浓度的烟雾粒子的扩散,可能导致探测器不报火警,而直接做出遮挡故障的判断,从而造成探测器的漏报。
因此,在实际工程中发射端和接收端均应进行模拟试验,对探测器的响应进行验证。
注:相邻两组线型光束感烟火灾探测器的水平距离1m≤d≤14m。
提示探测器的发射器和接收器之间的距离为10m~100m(条文解释中的1m改为10m)。
时间:二O二一年七月二十九日
烟感和温感探测器的装置间距要求及规范之答禄夫天创作
烟感、温感探测器装置装间距一、烟感探测器装置间距一般为直径15米,半径7.5米;温感探测器装置间距一般为直径10米,半径5米二、设于走道的烟感,则按15米的间距设置,温感按10米间距设置三、探测器至墙壁、梁边的水平距离,不应小于0.5m.四、探测器周围0.5m内,不应有遮挡物.五、探测器至空调送风口边的水平距离,不应小于1.5m;至多孔送风顶棚孔口的水平距离,不应小于0.5m.烟感探测器就是通过监测烟雾的浓度来实现火灾防范的,烟雾探测器内部采纳离子式烟雾传感,离子式烟雾传感器是一种技术先进,工作稳定可靠的传感器,被广泛运用到各种消防报警系统中,性能远优于气敏电阻类的火灾报警器.温感探测器是通过监测探测周围环境温度的变动来实现火灾防范的,采纳高品质线性传感器,SMD贴片加工工艺生产,具有灵敏度高、稳定可靠、低功耗、美观耐用、使用方便等特点.电路和电源可自检,可进行模拟报警测试. 感温探测器805[1]温感探测器适用于相对湿度经常年夜于95%、无烟火、有年夜量粉尘、在正常情况下有烟和粉尘滞留、厨房、锅炉房、发机电房、烘干车间、吸烟室、其它不宜装置烟感探测器的厅堂和公共场所.详细请参考〈火灾自动报警
时间:二O二一年七月二十九日。
火灾探测器的安装位置要求Document serial number【NL89WT-NY98YT-NC8CB-NNUUT-NUT108】火灾探测器的安装位置要求1. 探测器至墙壁、梁边的水平距离,不应小于。
2. 探测器周围内,不应油遮挡物。
3. 探测器至空调送水口边的水平距离,不应小与;至多孔送风顶棚孔口的水平距离,不应小与。
4. 在宽度小于3m的内走道顶棚上设置探测器时,宜居中布置。
感温探测器的安装间距,不应超过10m;感烟探测器的安装间距,不应超过15m。
探测器距端墙的距离,不应大于探测器安装间距的一半。
5. 探测器宜水平安装,当必须倾斜安装时,倾斜角不应大于45°。
6. 探测区域内的每个防见至少应设置一个火灾探测器。
感温、感光探测器距光源距离应大于1m。
7. 感烟、感温探测器的保护面积和保护半径应按下表确定。
8. 探测器一般安装在室内顶棚上,当顶棚上有梁时,梁间净距小于1m时,视为平顶鹏。
在梁突出顶棚的高度小于200mm的顶棚上设置感烟、感温探测器时,可不考虑梁对探测器保护面积的影响。
当梁突出顶棚的高度为200-600mm时,应按规定图、表确定探测器的安装位置。
当梁突出顶棚的高度超过600mm时,被梁隔断的每个梁间区域应至少设置一个探测器。
当被梁隔离的区域面积超过一个探测器的保护面积时,应将被隔断的区域视为一个探测区域,并按有关规定计算探测器的设置数量。
9. 安装在顶棚上的探测器的探测器边缘与下列设施的边缘水平间距宜保持为:1)与照明灯具的水平净距不应小于。
2)感温探测器距高温光源灯具(如碘钨灯、容量大于100W的白炽灯等)的净距不应小于。
3)距电风扇的净距不应小于。
4)距不突出得扬声器净距不应小于。
5)与各种自动喷水灭火喷头净距不应小于。
6)距多孔送风顶棚孔口的净距不应小于。
7)与防火门、防火卷帘的净距,一般为1-2m。
10. 房间被书架、设备或隔断等分离,其顶部至顶棚或梁的距离小于房间净高的5%时,每个被隔开的部分至少安装一个探测器。
感烟火灾探测器的安装要求
一、点型感烟火灾探测器安装要求
1、探测器至墙壁、梁边的水平距离,不应小于;探测器周围水平距离内,不应有遮挡物;探测器至空调送风口最近边的水平距离,不应小于;至多孔送风顶棚孔口的水平距离,不应小于。
2、在宽度小于3m的内走道顶棚上安装探测器时,宜居中安装。
点型感温火灾探测器的安装间距,不应超过10m;点型感烟火灾探测器的安装间距,不应超过15m。
探测器至端墙的距离,不应大于安装间距的一半。
3、探测器宜水平安装,当确实需倾斜安装时,倾斜角不应大于45°。
二、线型光束感烟火灾探测器安装要求
1、根据设计文件的要求确定探测器的安装位置,探测器应安装牢固,并不应产生位移。
在钢结构建筑中,发射器和接收器(反射式探测器的探测器和反射板)可设置在钢架上,但应考虑位移影响。
2、发射器和接收器(反射式探测器的探测器和反射板)之间的光路上应无遮挡物,并应保证接收器(反射式探测器的探测器)避开日光和人工光源直接照射。
三、管路采样式吸气感烟火灾探测器安装要求
1)根据设计文件和产品使用说明书的要求确定探测器的管路安装位置、敷设方式及采样孔的设置。
2)采样管应固定牢固,有过梁、空间支架的建筑中,采样管路应固定在过梁、空间支架上。
四、探测器底座的安装要求
1、探测器的底座应安装牢固,与导线连接必须可靠压接或焊接。
当采用焊接时,不应使用带腐蚀性的助焊剂。
2、探测器底座的连接导线,应留有不小于150mm的余量,且在其端部应有明显的永久性标志。
探测器底座的穿线孔宜封堵,安装完毕的探测器底座应采取保护措施。
五、其他要求
探测器报警确认灯应朝向便于人员观察的主要入口方向。
探测器在即将调试时方可安装,在调试前应妥善保管并应采取防尘、防潮、防腐蚀措施。