数控线切割试题
- 格式:doc
- 大小:66.50 KB
- 文档页数:5
数控机床技术测试试卷A卷<附答案)一、填空题<每空1分,共30分)1、数控机床按伺服系统的控制方式可分为、、。
2、较常见的CNC 软件结构形式有软件结构和软件结构。
3、数控技术中常用的插补算法可归纳为插补法和插补法,前者用于数控系统,后者用于数控系统。
4、数控机床上导轨型式主要有滑动导轨、导轨和导轨。
5、数控铣削加工需要增加一个回转坐标或准确分度时,可以使用配备或使用。
6、电火花加工一次放电后,在工件和电极表面各形成一个小凹坑,其过程可分为电离、、热膨胀、和消电离等几个连续阶段。
7、影响材料放电腐蚀的主要因素是、、。
8、影响电火花加工精度的主要因素是、、。
9、电火花成形加工极性的选择主要靠经验和实验确定,当采用短脉冲时,一般应选用极性加工。
10、数控车床X 轴方向上的脉冲当量为Z 方向上的脉冲当量的。
11、数控机床的日常维护与保养主要包括、、等三个方面内容。
12、3B 格式的数控系统没有功能,确定切割路线时,必须先根据工件轮廓划出电极丝中心线轨迹,再按编程。
13、旋转变压器和感应同步器根据励磁绕组供电方式的不同,可分为工作方式和工作方式。
二、判断题<每题1分,共10分,正确打√错误打×)1、更换电池一定要在数控系统通电的情况下进行。
否则存储器中的数据就会丢失,造成数控系统的瘫痪。
<)2、数控机床几何精度的检测验收必须在机床精调后一次完成,不允许调整一项检测一项。
<)3、数控铣削螺纹加工,要求数控系统必须具有螺旋线插补功能。
<)4、电火花成形加工在粗加工时一般选择煤油加机油作为工作液。
<)5、当脉冲放电能量相同时,热导率愈小的金属,电蚀量会降低。
<)6、开环数控机床,进给速度受到很大限制,其主要原因是步进电机的转速慢。
7、当数控机床具有刀具半径补偿功能时,其程序编制与刀具半径补偿值无关。
8、只有加工中心机床能实现自动换刀,其它数控机床都不具备这一功能<) <)<)9、M08 指令功能在程序段运动结束后开始。
线切割应知理论测试题A卷姓名部门得分二、填空题(在横线上填入正确的答案,每小题2.5分,共40分)1.如果线切割单边放电间隙为0.02 mm,钼丝直径为0.18mm, 则加工圆孔时的电极丝补偿量为mm2.在电火花加工中,加到间隙两端的电压脉冲的持续时间称为。
3.在电火花加工中,连接两个脉冲电压之间的时间称为。
4. 是直接利用电能、光能、声能、热能、化学能、电化学能及特殊机械能等多种形式的能量实现的工艺方法来完成对零件的加工成型。
5.电火花线切割加工的基本原理是用移动的作电极,对工件进行,切割成形。
6.数控电火花线切割机床能加工各种高硬度﹑高强度﹑高韧度和高熔点的。
7.根据走丝速度,电火花线切割机通常分为两大类:一类是另一类是。
8.高速走丝线切割机主要由机床、脉冲电源、控制系统三大部分组成。
9.线切割加工中常用的电极丝有、、和10.线切割加工时,工件的装夹方式一般采用。
11.电火花线切割加工常用的夹具主要有和。
12.脉冲电源波形及三个重要参数、、。
13.电加工的工作液循环系统由循环导管、工作液箱和等组成。
14.张力调节器的作用就是也称恒张力机构。
15.数控电火花线切割机床的编程,主要采用ISO编程、、自动编程三种格式编写。
16.线切割3B格式编程中加工直线时有四种加工指令:。
三、选择题(在括号内填入正确的符号,每小题2.5分,共40分)1.数控机床如长期不用时最重要的日常维护工作是()。
A. 清洁B. 干燥C.通电2.电源的电压在正常情况下,应为( )V。
A、170B、100C、220至380D、8503.电火花线切割加工属于()。
A 、放电加工B 、特种加工C 、电弧加工D 、切削加工4.用线切割机床不能加工的形状或材料为()。
A、盲孔B、圆孔C、上下异性件D、淬火钢5.在线切割加工中,加工穿丝孔的目的有()A 、保证零件的完整性B 、减小零件在切割中的变形C 、容易找到加工起点D 、提高加工速度6.线切割机床使用照明灯的工作电压为()。
线切割试题1(总11页) -CAL-FENGHAI.-(YICAI)-Company One1-CAL-本页仅作为文档封面,使用请直接删除1.利用电火花线切割机床可以切割导电材料,也可以切割不导电材料。
( )2.利用电火花线切割机床可以加工花岗岩。
( )3.当电火花线切割加工时的单边放电间隙为0.01mm,钼丝直径为0.2mm时,则加工基准件凹模的补偿值为0.11mm( )4.慢走丝线切割机床使用的电极丝主要为黄铜丝。
( )5.在使用3B代码编程中,B称为分隔符,它的作用是将X、Y、J的数值分隔开,如果B后的数字为0,则O可以省略不写。
( )6.脉冲宽度和峰值电流越大,放电间隙越小。
( )7.在线切割加工中,当电流表的指针稳定不动,此时进给速度均匀、平稳,是线切割加工速度和表面粗糙度均好的最佳状态。
( )8.在线切割机床加工中,工件受到的作用力较大。
( )9.线切割机床通常分为两大类,即快走丝机床和慢走丝机床。
( )10.快走丝线切割机床加工速度快。
( )11.慢走丝线切割机床加工速度慢。
( )12.目前我国主要生产的电火花线切割机床是慢走丝电火花线切割机床。
( )13.在电火花线切割加工过程中,可以不使用工作液。
( )14.线切割加工中工件几乎不受力,所以加工中工件不需要夹紧。
( )15.线切割加工中应用较普遍的工作液是乳化液,其成分和磨床使用的乳化液成分相同。
( )16.电火花线切割在加工厚度较大的工件时,脉冲宽度应选择较小值。
( )17.电火花线切割编程时,起始切割点尽量选在交点处,避免产生切入痕迹。
( )18.如果线切割单边放电间隙为0.01mm, 电极丝直径为0.18mm,则加工圆孔时的电极丝补偿量为0.19mm。
( )19.电极丝的进给速度大于材料的蚀除速度,致使电极丝与工件接触,不能正常放电,称为短路。
( )20.有UV锥度装置的线切割机床可以加工任意曲面零件。
( )21.普通两轴联动线切割机床只能加工平面类零件。
数控线切割试题(考试时间:90分钟)一、判断题1.利用电火花线切割机床不仅可以加工导电材料,还可以加工不导电材料。
(× ) 2.电火花线切割加工通常采用正极性加工。
(√ )3.脉冲宽度及脉冲能量越大,则放电间隙越小。
(× )4.电火花线切割加工属于特种加工。
( √ )5.苏联的拉扎连柯夫妇发明了世界上第一台实用的电火花加工装置。
( √ )6.目前我国主要生产的电火花线切割机床是慢走丝电火花线切割机床。
( × )7.在快走丝线切割加工中,由于电极丝走丝速度比较快,所以电极丝和工件间不会发生电弧放电。
( × )8.通常数控系统都具有失动量的补偿功能,这种功能又称为反向间隙补偿功能。
( √ ) 9.在线切割加工中,当电压表、电流表的表针稳定不动,此时进给速度均匀、平稳,是线切割加工速度和表面粗糙度均好的最佳状态。
( √ )10.线切割机床在加工过程中产生的气体对操作者的健康没有影响。
( × )11.低碳钢的硬度比较小,所以用线切割加工低碳钢的速度比较快。
(× )12.在电火花线切割加工中工件受到的作用力较大。
(×)13.线切割机床通常分为两大类,一类是快走丝,另一类是慢走丝。
(√ )14.快走丝线切割加工速度快,慢走丝线切割加工速度慢。
( × )15.数控线切割机床的坐标系是采用右手直角笛卡儿坐标系。
(√ )16.电火花线切割加工过程中,电极丝与工件间不会发生电弧放电。
(×)17.在电火花线切割加工过程中,可以不使用工作液。
( × )18.快走丝线切割机床的导轮要求使用硬度高、耐磨性好的材料制造,如高速钢、硬质合金、人造宝石或陶瓷等材料。
( √ )19.线切割加工中工件几乎不受力,所以加工中工件不需要夹紧。
( × )20.数控线切割机床和数控车、铣床一样都采用右手直角笛卡儿坐标系。
( √ )21.由于铝的导电性比铁好,所以在线切割加工中铝比铁好加工。
21 .利用3B 代码编程加工斜线OA ,设起点O 在切割坐标原点,终点A 的坐标为Xe =17mm , Ye = 5mm ,其加工程序为(BE)A 、Bl7 B5 B17 Gx L1B 、B17000 B5000 B017000 Gx L1C 、Bl7000 B5000 B017000 G Y L1D 、B17000 B50O0 B0050O0 G Y L1E 、B17 B5 BO17000 Gx L122 .利用3B 代码编程加工半圆AB ,切割方向从A 到B ,起点坐标A (-5 , 0 ) ,终点坐标B ( 5 , 0 ) ,其加工程序为( C )A 、B5000 BBO10O00 GX SR2B 、B5 BBO10O00 GY SR2C 、B500O BBO10O00 GY SR2D 、BB5000 BO10O00 GY SR223 .电火花线切割加工机床脉冲电源的脉冲宽度与电火花成形加工机床脉冲电源的脉冲宽度相比( B )。
A 、差不多B 、小得很多C 、大很多D 、不确定。
24 .用线切割机床加工直径为10 mm的圆孔,在加工中当电极丝的补偿量设置为0.12 mm时,加工孔的实际直径为10.02mm。
如果要使加工的孔径为10 mm,则采用的补偿量应为( D )。
A 、0.10mmB 、0.11mmC 、0.12mmD 、0.13mm25 .对于线切割加工,下列说法正确的有( AD )A 、使用步进电机驱动的线切割机床在线切割加工圆弧时,其运动轨迹是折线B 、使用步进电机驱动的线切割机床在线切割加工斜线时,其运动轨迹是一条斜线C 、在利用3B 代码编程加工斜线时,取加工的终点为编程坐标系的原点D 、在利用3B 代码编程加工圆弧时,取圆心为线切割加工坐标系的原点26 .线切割加工中,当使用3B 代码进行数控程序编制时,下列关于计数方向的说法正确的有( AC )A 、斜线终点坐标(Xe , Ye ) ,当︱Ye︱>︱Xe︱时,计数方向取G YB 、斜线终点坐标(Xe , Ye ) ,当︱Xe︱>︱Ye︱时,计数方向取G YC 、圆弧终点坐标(Xe , Ye ) ,当︱Xe︱>︱Ye︱时,计数方向取G YD 、圆弧终点坐标(Xe , Ye ) ,当︱Xe︱<︱Ye︱时,计数方向取G Y27 .电火花线切割加工过程中,工作液必须具有的性能是(ABC)A 、绝缘性能B 、洗涤性能C 、冷却性能D 、润滑性能28 .六西格玛的表示符号是(A)。
数控线切割一、判断题(共110题)( )1.利用电火花线切割机床不仅可以加工导电材料,还可以加工不导电材料。
( )2. 如果线切割单边放电间隙为0.01mm, 钼丝直径为0.18mm,则加工圆孔时的电极丝补偿量为0.19mm。
( )3.电火花线切割加工通常采用正极性加工。
( )4.脉冲宽度及脉冲能量越大,则放电间隙越小。
( )5.在慢走丝线切割加工中,由于电极丝不存在损耗,所以加工精度高。
( )6.在设备维修中,利用电火花线切割加工齿轮,其主要目的是为了节省材料,提高材料的利用率。
( )7.电火花线切割加工属于特种加工。
( )8.苏联的拉扎连柯夫妇发明了世界上第一台实用的电火花加工装置。
( )9.目前我国主要生产的电火花线切割机床是慢走丝电火花线切割机床。
( )10.由于电火花线切割加工速度比电火花成形加工要快许多,所以电火花线切割加工零件的周期就比较短。
( )11.在电火花线切割加工中,用水基液作为工作液时,在开路状态下,加工间隙的工作液中不存在电流。
( )12.在快走丝线切割加工中,由于电极丝走丝速度比较快,所以电极丝和工件间不会发生电弧放电。
( )13.电火花线切割不能加工半导体材料。
( )14.在型号为DK7732 的数控电火花线切割机床中,其字母K 属于机床特性代号,是数控的意思。
( )15,在加工落料模具时,为了保证冲下零件的尺寸,应将配合间隙加在凹模上。
( )16,上一程序段中有了G02指令,下一程序段如果仍是G02 指令,则G02可略。
( )17,机床在执行G00指令时,电极丝所走的轨迹在宏观上一定是一条直线段。
( )18 、机床数控精度的稳定性决定着加工零件质量的稳定性和误差的一致性( )19.轴的定位误差可以反映机床的加工精度能力,是数控机床最关键的技术指标。
( )20.工作台各坐标轴直线运动的失动量是坐标轴在进给传动链上的驱动元件反向死区和各机械传动副的反向间隙、弹性变形等误差的综合反映。
重庆市开州巨龙中等职业技术学校2018年秋机械专业《线切割》期末试卷注意事项1、考试时间:90分钟。
2、请首先按要求在试卷标封处填写您的班级、姓名、学号。
3、请仔细阅读各种题目的回答要求,在规定位置填写答案。
4、不要在试卷上乱写乱画,不要在标封区填写无关内容。
一、填空题(26分,每题1分)1.线切割加工编程时,计数长度的单位应为μm。
2.在型号为DK7632 的数控电火花线切割机床中,D 表示电加工机床。
3.放电通道又称为电离通道或等离子通道,在电火花加工中当介质击穿后电极间形成的导电的等离子体通道。
4.如果线切割单边放电间隙为0.02 mm,钼丝直径为0.18mm, 则加工圆孔时的电极丝补偿量为0.11 mm5.在电火花加工中,加到间隙两端的电压脉冲的持续时间称为脉冲宽度。
对于矩形波脉冲,它的值等于击穿延时时间加上放电时间。
6.在电火花加工中,连接两个脉冲电压之间的时间称为脉冲间隔。
7.电极丝的进给速度大于材料的蚀除速度,致使电极丝与工件接触,不能正常放电,称为短路。
8.在电火花线切割加工中,被切割工件的表面上出现的相互间隔的凸凹不平或颜色不同的痕迹称为条纹。
9.在电火花线切割加工中,为了保证理论轨迹的正确,偏移量等于电极丝半径与放电间隙之和。
10. 在加工冲孔模具时,为了保证孔的尺寸,应将配合间隙加在凹模上。
11.在电火花线切割加工中,在保持一定的表面粗糙度前提下,单位时间内电极丝中心线在工件上切割的面积总和称为切割速度,其单位为mm2 /min。
12.电火花线切割加工过程中,电极丝的进给速度是由材料的蚀除速度和极间放电状况的好坏决定的。
伺服控制系统能自动调节电极丝的进给速度,使电极丝根据工件的蚀除速度和极间放电状态进给或后退,保证加工顺利进行。
13.在火花放电作用下,电极材料被蚀除的现象称为电蚀。
14.电火花线切割机床控制系统的功能包括⑴轨迹控制、⑵加工控制。
15.快走丝线切割最常用的加工波形是矩形波。
《数控线切割加工》期中考试试卷班级姓名成绩一、填空题1.线切割加工中常用的电极丝有、、。
其中和应用快速走丝线切割中,而应用慢速走丝线切割。
2.线切割加工时,工件的装夹方式有装夹,装夹,装夹,和装夹。
3.数控电火花线切割机床加工时的偏移量与和有关,计算式为。
4.线切割加工时,常用的工作液主有和。
5.数控电火花线切割机床的编程,主要采用、两种种格式编写。
6.数控线切割机床U、V移动工作台,是具有_____加工功能的电火花线切割机床的一个组成部分。
7.3B格式的数控系统没有______功能,确定切割路线时,必须先根据工件轮廓划出电极丝中心线轨迹,再按________编程。
二、判断题1.()脉冲宽度及脉冲能量越大,则放电间隙越小。
2.()目前线切割加工时应用较普遍的工作液是煤油。
3.()在模具加工中,数控电火花线切割加工是最后一道工序。
4.()工件的切割图形与定位基准的相互位置精度要求不高是,可采用百分表找正。
5.()数控线切割时,G40、G41、G42为刀具补偿指令。
6.()数控电火花成形精加工时所用工作液,宜选用水基工作液。
7.()数控电火花线切割一块毛坯上的多个零件或加工大型工件时,应沿加工轨迹设置一个穿丝孔。
三、选择题1.电火花线切割加工的特点有:。
A、必考虑电极损耗;B、不能加工精密细小,形状复杂的工件;C、不需要制造电极;D、不能加工盲孔类和阶梯型面类工件。
2.电火花线切割加工的对象有。
A、任何硬度,高熔点包括经热处理的钢和合金;B、成形刀,样板;C、阶梯孔,阶梯轴;D、塑料模中的型腔。
3. 对于线切割加工,下列说法正确的有:。
A、线切割加工圆弧时,其运动轨迹是折线;B、线切割加工斜线时,其运动轨迹是斜线;C、加工斜线时,取加工的终点为编程坐标系的原点;D、加工圆弧时,取圆心为切线坐标系的原点。
4.列各项中对电火花加工精度影响最小的是。
A、放电间隙B、加工斜度C、工具电极损耗D、工具电极直径5.若线切割机床的单边放电间隙为0.02 mm,钼丝直径为0.18 mm,则加工圆孔时的补偿量为。
数控线切割习题库二、填空题1.线切割加工编程时,计数长度的单位应为μm 。
2.在型号为DK7632 的数控电火花线切割机床中,D 表示电加工机床。
3.放电通道又称为电离通道或等离子通道,在电火花加工中当介质击穿后电极间形成的导电的等离子体通道。
4.如果线切割单边放电间隙为0.02 mm,钼丝直径为0.18mm, 则加工圆孔时的电极丝补偿量为0.11 mm5.在电火花加工中,加到间隙两端的电压脉冲的持续时间称为脉冲宽度。
对于矩形波脉冲,它的值等于击穿延时时间加上放电时间。
6.在电火花加工中,连接两个脉冲电压之间的时间称为脉冲间隔。
7.电极丝的进给速度大于材料的蚀除速度,致使电极丝与工件接触,不能正常放电,称为短路。
8.在电火花线切割加工中,被切割工件的表面上出现的相互间隔的凸凹不平或颜色不同的痕迹称为条纹。
9.在电火花线切割加工中,为了保证理论轨迹的正确,偏移量等于电极丝半径与放电间隙之和。
10. 在加工冲孔模具时,为了保证孔的尺寸,应将配合间隙加在凹模上。
11.在电火花线切割加工中,在保持一定的表面粗糙度前提下,单位时间内电极丝中心线在工件上切割的面积总和称为切割速度,其单位为mm2 /min 。
12.电火花线切割加工过程中,电极丝的进给速度是由材料的蚀除速度和极间放电状况的好坏决定的。
伺服控制系统能自动调节电极丝的进给速度,使电极丝根据工件的蚀除速度和极间放电状态进给或后退,保证加工顺利进行。
13.在火花放电作用下,电极材料被蚀除的现象称为电蚀。
14.电火花线切割机床控制系统的功能包括⑴轨迹控制、⑵加工控制。
15.快走丝线切割最常用的加工波形是矩形波。
16.分组脉冲电源是高速走丝和低高速走丝两种线切割机床使用效果比较好的电源,比较有发展前途。
17.采用逐点比较法每进给一步都要经过如下四个工作节拍:⑴偏差判别、⑵拖板进给、⑶偏差计算、⑷终点判别。
18.电火花线切割加工过程中,电极丝与工件之间存在着“疏松接触”式轻压放电现象。
21 .利用3B 代码编程加工斜线OA ,设起点O 在切割坐标原点,终点A 的坐标为Xe =17mm , Ye = 5mm ,其加工程序为(BE)A 、Bl7 B5 B17 Gx L1B 、B17000 B5000 B017000 Gx L1C 、Bl7000 B5000 B017000 G Y L1D 、B17000 B50O0 B0050O0 G Y L1E 、B17 B5 BO17000 Gx L122 .利用3B 代码编程加工半圆AB ,切割方向从A 到B ,起点坐标A (-5 , 0 ) ,终点坐标B ( 5 , 0 ) ,其加工程序为( C )A 、B5000 BBO10O00 GX SR2B 、B5 BBO10O00 GY SR2C 、B500O BBO10O00 GY SR2D 、BB5000 BO10O00 GY SR223 .电火花线切割加工机床脉冲电源的脉冲宽度与电火花成形加工机床脉冲电源的脉冲宽度相比( B )。
A 、差不多B 、小得很多C 、大很多D 、不确定。
24 .用线切割机床加工直径为10 mm的圆孔,在加工中当电极丝的补偿量设置为0.12 mm时,加工孔的实际直径为10.02mm。
如果要使加工的孔径为10 mm,则采用的补偿量应为( D )。
A 、0.10mmB 、0.11mmC 、0.12mmD 、0.13mm25 .对于线切割加工,下列说法正确的有( AD )A 、使用步进电机驱动的线切割机床在线切割加工圆弧时,其运动轨迹是折线B 、使用步进电机驱动的线切割机床在线切割加工斜线时,其运动轨迹是一条斜线C 、在利用3B 代码编程加工斜线时,取加工的终点为编程坐标系的原点D 、在利用3B 代码编程加工圆弧时,取圆心为线切割加工坐标系的原点26 .线切割加工中,当使用3B 代码进行数控程序编制时,下列关于计数方向的说法正确的有( AC )A 、斜线终点坐标(Xe , Ye ) ,当︱Ye︱>︱Xe︱时,计数方向取G YB 、斜线终点坐标(Xe , Ye ) ,当︱Xe︱>︱Ye︱时,计数方向取G YC 、圆弧终点坐标(Xe , Ye ) ,当︱Xe︱>︱Ye︱时,计数方向取G YD 、圆弧终点坐标(Xe , Ye ) ,当︱Xe︱<︱Ye︱时,计数方向取G Y27 .电火花线切割加工过程中,工作液必须具有的性能是(ABC)A 、绝缘性能B 、洗涤性能C 、冷却性能D 、润滑性能28 .六西格玛的表示符号是(A)。
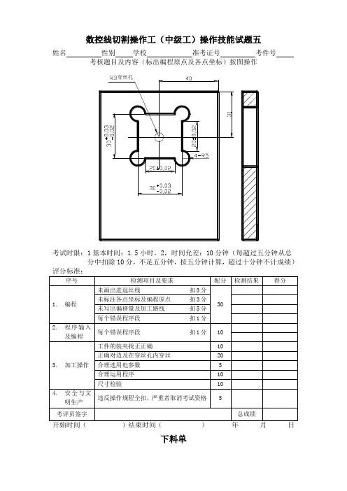
数控线切割工实操试题见下图注:零件关对称于中心线上下左右线切割操作技能考核试卷一.题目名称:数控线切割二.题目内容:按图纸技术要求加工途中双点划线为毛坯尺寸,实际考核为自备料,自备料厚度15毫米以下,材质2Cr13三.考核时限:150分钟含画图及编程时间,工具准备时间四.考核内容及要求:注:理论成绩占总成绩的30%,实操成绩占总成绩的70%数控线切割工理论考试题考试时间90分钟一、选择题共50题,每题1分基础知识1. 电火花线切割加工时,在电极丝和之间进行脉冲放电a. 工件b. 机床c. 导轮2. 当来一个电脉冲时在由电极丝和工件之间产生火花放电a. 一次b. 两次c. 多次3. 高温也使电极丝和工件之间的工作液部分产生汽化这些汽化后的工作液和金属蒸气瞬间迅速热膨胀并具有的特性;a. 蒸发b. 爆炸c. 冷却4. 电火花线切割加工时实现对工件材料进行切割加工;a.火焰b.腐蚀c. 电蚀5. 一般脉冲间隔应为脉冲宽度的倍以上;a.2b. 3c. 46. 为了保证火花放电时电极丝不被烧断必须向放电间隙注人大量以使电极丝得到充分冷却a.水b.油c. 工作液7 高速运动的电极丝有利于不断往放电中带人新的工作液a.火花b. 间隙c. 钼丝8 电火花线切割加工时为了获得比较好的表面粗糙度和高的尺寸精度并保证钼丝不被烧断应选择好相应的a.切割速度b. 脉冲参数c.脉冲电流9. 电弧放电的击穿电压低,而放电的击穿电压高;a. 火花b. 钼丝c. 脉冲10. 电火花加工时工件接脉冲电源a. 正极b. 负极c. 任意一极11. 电极丝和工件之间产生的火花放电在放电通道的中心温度瞬间时可高达℃以上高温使工件金属熔化;a.1000℃b.2000 ℃c.10000℃12. 通常认为电极丝与工件之间的放电间隙δ电在mm左右;a. 0.1b. 0.01c.0.001mm13. 线切割机床编程序时的数据单位是 1 μm,1 μm为mma. 10b. 0.01c.0.001mm14. 线切割机床工作液选用a. 水基乳化液b. 水c. 煤油15. 项不是电火花线切割加工的特点a. 自动化程度高b. 加工周期短c. 成本高16. 开路脉冲是指间隙未被击穿时的电压脉冲这时脉冲电流;a. 有b. 很小c. 没有17. 高速走丝线切割一般走丝速度在以内;a. 8 - 10 m / sb. 1 - 5 m / sc. 8 - 10 m / min18 线切割机床只对工件进行图形加工故余料还使用a. 要特殊处理后b. 不可以c. 可以19. 线切割机床加工屑为a. 微粒小屑b. 卷屑c. 块屑20. 钼丝切割紫铜时钼丝表面的颜色逐渐转变成a. 紫色b. 紫铜色c. 红色21. 线切割机床加工出现条纹原因a. 电流过大b. 导轮、轴承精度不良c. 电压过大22. 电火花加工表层的最外一层是a.热影响层b. 熔化层c. 基体金属23. 切割加工编程时图形绘制结束图形中心线需要a. 不裁剪b. 裁剪c.无所谓24. 切割加工的切割速度是指电极丝在工件上扫过的总和;a.长度mm/ minb. 面积m㎡/ minc.体积mm25. 钼丝半径0.09mm单边放电间隙0.01mm故间隙补偿量为a. 0.08mmb. 0.1mmc.0.2mm26 对称图形绘制最好的方法是a. 镜像b. 复制c.平移27. 齿轮图形绘制在菜单中;a. 高级曲线b. 曲线编辑c.设置28. 短路脉冲是指间隙短路时的电流脉冲这时脉冲电压a. 等于零b. 无穷大c.很小29. 在生成加工轨迹中哪个步骤是不对的a. 生成参数b. 选择切割方向、补偿方向c.代码生成30. 脉冲电源的加工电流较小脉冲宽度较窄属中、精加工范畴所以采用性加工a. 负极b. 正极c.任意31. 电极是运动着的长金属丝单位长度电极丝损耗较小所以当切割面积的周边长度不长时对加工精度影响a. 较小b. 较大c.不影响32. 二次放电是指在已加工面上由于等的介人而进行再次放电的现象a.钼丝b. 冷却液c. 加工屑33. 加工电流是指通过加工间隙电流的算术值a.总计b. 平均c. 差34. 放电时间是指介质击穿后c中通过放电电流的时间a. 放电b.过程c. 间隙35. 快走丝线切割是指电极丝高速的电火花线切割加工a.单向运动b.上下运动c. 往复运动36. 慢走丝线切割是指电极丝低速的电火花线切割加工a.单向运动b.上下运动c. 往复运动37. 是指被切割工件表面上出现的相互间隔凹凸不平或色彩不同的痕迹;a. 热影响层b. 条纹c. 熔化层38. 绝对坐标的坐标原点就是的坐标原点a.设置b.加工开始点c. 绘图功能区39 是指作图过程中有几何特征的交点、切点、端点等a.切割拐点b. 代码c. 工具点40. 轨迹生成时要确定钼丝从或起始点切人到工件的切人方式;a. 穿丝点b. 中心c. 终点41. 割凹模时钼丝补偿偏移方向为a. 不动b. 向内c.向外42. 编程时要根据的情况选择一个合理的装夹位置a. 图纸b. 胚料c.尺寸43. 切割路线主要以防止或减少模具为原则a. 材料b. 变形c.路线长短44. 调整电极丝垂直度在装夹工件前必须以为基准a. 机床b. 工作台c.滚轮45. 起割点应取在图形的处或在容易将凸尖修去的部位;a. 拐角b. 中心c. 胚料外侧46. 脉冲电源的选择是否恰当对加工模具的表面粗糙度、精度及切割速度起着决定的作用a.电压b. 电参数 c 电流47. 工件的形式对加工精度有直接影响a. 定位b. 装夹 c 切割48. 穿丝孔的直径不宜太小或太大以钻或镗孔工艺简便为宜一般选在mm范围内;a. 1-3b. 3-10 c 10-2049. 工件的基准面应清洁无毛刺经热处理的工件在穿丝孔内及扩孔的台阶处要清除热处理残物及a. 氧化皮b. 铁屑 c 油污50. 加工时供液一定要充分且使工作液要电极丝a. 粘到b. 包住 c 冲洗二、判断题共18题,每题1分,正确的打“√”,错误的打“×”1.线切割所用钼丝的直径应小于轴向移动的距离走丝时不会产生叠丝现象而导致断丝;2.切割加工时电极丝接脉冲电源的负极工件接脉冲电源的正极3.脉冲性的放电在时间上是断续的在空间上放电是分散的4.放电是电流通过绝缘介质气体、液体或固体的现象5.击穿电压是指放电开始或介质击穿时瞬间的极间电压6.绘制图形要考虑切割方向、间隙补偿量 f 、凸模或凹模不同的补偿方向即可7. 工艺孔即穿丝孔在线切割加工工艺中是辅助用的8. 电火花线切割加工是实现工件尺寸加工的一种技术;9. 不宜选用线切割长度超过丝架跨距的零件;10. 不宜选用线切割非导电材料;11. 不宜选用线切割窄缝小于电极丝直径加放电间隙的工件12. 脉冲宽度增加、脉冲间隔减小、脉冲电压幅值减小、峰值电流增大都会使切割速度提高13. 当电参数选好后在采用第一条程序切割时要对变频进给速度进行调整14. 细小、精密、薄壁的工件应固定在不易变形的线切割磁性夹具上;15. 程序的起点一般也是终点选择不当会使工件切割表面上残留切痕16. 加工的方形工件一般都得用平磨磨削上下面及侧面作为基面;17. 钢件的应力随含碳量的增加而增加使高碳钢强度高故应使用高碳钢作凸、凹模材料;18. 线切割工作液在加工中不应产生有害气体 ,不应对操作人员的皮肤、呼吸道产生刺激等反应,不应锈蚀工件、夹具和机床;三、填空题每空1分,共12空1.乳化液是指由、和化合物组成的乳化溶液用于电火花线切割加工;2 绘图最基本的方法是和的输人3..键盘输入点坐标分为和两种4. 绘图时点的输人有三种方式输入、输入和输人5. 操作者必须熟悉线切割工艺,恰当地选取加工参数,按规定操作,防止造成断丝四、简答题共2题,每题10分1.7725机床的储丝筒直径120mm,电机转速n为 1400r/min,求电极丝的走丝速度为多少7.线切割机床维护保养方法有那些每答对一条得4分,多答不加分。
六、电火花线切割一、判断题:(×)1、脉冲电源能产生5~100KHz的电脉冲,输出给工件和电极丝,当工件与电极丝全接触时,工件与电极丝产生火花放电。
×(×)2、脉冲放电即脉冲性的放电,这种放电在时间上是连续的,在空间上的放电点是分散的,它是电火花加工所采用的放电形式。
×(×)3、为保证稳压电源能正常工作,若负载小于稳压电源的额定输出功率,可以让交流稳压电源超过规定的连续运转时间。
×(√)4、进给速度是指电极丝中心沿着切割方向相对工件的移动速度(mm/min)。
√(×)5、工作液的配制一般在5~20%的范围内。
对加工表面粗糙度和精度要求较高的工件,配比可淡些(约为5~8%),而要求切割速度高或较大厚度的工件时,配比可适当浓些,约10~20%。
×(√)6、在电火花加工中,把电源正极接工具电极的接法,称为正极接法。
(×)7、脉冲电源能产生5~100KHz的电脉冲,输出给工件和电极丝,当工件与电极丝全接触时,工件与电极丝产生火花放电。
×(×)8、工艺孔(即穿丝孔)在线切割加工过程中是不可缺少的。
它有三个作用:(1)用于加工凹模;(2)减少凸模加工中的变形量和防止因材料变形而发生夹丝现象;(3)保证被加工部分跟其它有关部位的位置精度。
所以工艺孔的加工要求不需过高。
( √)9、用作整流电路的二极管的工作条件(正向电流,反向电压),一定要低于其额定值,并有足够的余量,应该加装散热器(片)的,必须加装。
√(×)10、用加工好的凸模作电火花工具电极,选粗电规准可得到精度符合要求的模具。
(×)11、电路短路引起火灾时,应立即关掉电源;若火势燃烧较大时,可用水、四氯化碳、二氧化碳等合适的灭火器灭火。
×(√)12、电火花线切割加工的电规准分为粗、中、精三种。
√二、选择题:1、线切割机床加工模具时,可以加工_____。
线切割工试题库生产操作类员工成长路径应知应会题库线切割工助理操作师、操作师试题库一(选择题(一)基础知识(1——100)(二)工艺(101——200)(三)设备(201——250)(四)质量(251——275)(五)安全(276——300)一、选择题:, 基础知识1. 电火花线切割加工时,在电极丝和( )之间进行脉冲放电a. 工件b. 机床c. 导轮当来一个电脉冲时,在由极丝和工件之间产生( )火花放电 2.a. 一次b. 两次c. 多次3. 高温也使电极丝和工件之间的工作液部分产生汽化,这些汽化后的工作液和金属蒸气瞬间迅速热膨胀,并具有( )的特性。
a. 蒸发b. 爆炸c. 冷却4. 电火花线切割加工时,实现对工件材料进行( )切割加工。
a.火焰b.腐蚀c. 电蚀5. 通常认为电极丝与工件之,若电脉冲的电压高,放电间隙会( )。
a.小一些b. 大一些c. 不变6. 一般脉冲间隔应为脉冲宽度的 ( )倍以上。
a.2b. 3c. 4 7. 为了保证火花放电时电极丝不被烧断,必须向放电间隙注人大量( ),以使电极丝得到充分冷却a.水b.油c. 工作液8. 高速运动的电极丝,有利于不断往放电( )中带人新的工作液a.火花b. 间隙c. 钼丝9. 电火花线切割加工时,为了获得比较好加工精度,并保证钼丝不被烧断,应选择好相应的( )a.切割速度b. 脉冲参数c.脉冲电流 10. 电弧放电的击穿电压低,而( )放电的击穿电压高。
a. 火花b. 钼丝c. 脉冲11. 电火花加工时工件接脉冲电源( )a. 正极b. 负极c. 任意一极12. 电极丝和工件之间产生的火花放电,在放电通道的中心温度瞬间时可高达( )?以上,高温使工件金属熔化。
1生产操作类员工成长路径应知应会题库a.1000?b.2000 ?c.10000?13. 通常认为电极丝与工件之间的放电间隙δ电在( )mm左右。
a. 0.1,,b. 0.01,,c.0.001mm 14. 线切割机床编程序时的数据单位是 1 μm,1 μm为( )mm,, b. 0.01,, c.0.001mm a. 1015. 线切割机床工作液选用( )a. 水基乳化液b. 水c. 煤油16. ( )项不是电火花线切割加工的特点a. 自动化程度高b. 加工周期短c. ,成本高 17. 开路脉冲是指间隙未被击穿时的电压脉冲,这时( )脉冲电流。
试题一一、填空题(每小题3分共30分)1、工业产品的生产过程包括:,,,。
2、数控加工工艺系统的组成,,,。
3、数控机床按加工路线分类,,。
4、夹具按夹紧的动力源可分为、、、、以及等5 、作用在工艺系统中的力,有、、以及。
6 、零件的主要精度包括精度、精度及精度等三项内容。
7、刀具前角越,切削刃越,使剪切角,变形系数,因此,切削变形。
8、零件在、、等工艺过程中使用的基准统称工艺基准。
9、零件磨损一般分为磨损、磨损、磨损三个阶段。
10、切削速度对积屑瘤影响很大,不易产生积屑瘤的切削速度是速和速,容易产生积屑瘤的切削速度是速和速。
二、判断题(每小题1分共10分)1.()数控机床是在普通机床的基础上将普通电气装置更换成CNC控制装置。
2.()数控机床适用于单品种,大批量的生产。
3.()在数控机床上加工零件,应尽量选用组合夹具和通用夹具装夹工件。
避免采用专用夹具。
4.()数控车床可以车削直线、斜线、圆弧、公制和英制螺纹、圆柱管螺纹、圆锥螺纹,但是不能车削多头螺纹。
5.()数控机床的机床坐标原点和机床参考点是重合的。
6.()零件图中的尺寸标注要求是完整、正确、清晰、合理。
7.()高速钢是一种含合金元素较多的工具钢,由硬度和熔点很高的碳化物和金属粘结剂组成。
8.()长的V形块可消除四个自由度。
短的V形块可消除二个自由度。
9.()公差就是加工零件实际尺寸与图纸尺寸的差值。
10.()加工零件的表面粗糙度小要比大好。
三、选择题(每小题2分共20分)1. ()使用专用机床比较合适。
A.复杂型面加工 B. 大批量加工 C. 齿轮齿形加工2. 车床上,刀尖圆弧只有在加工()时才产生加工误差。
A. 圆弧B. 圆柱C. 端面3. 确定数控机床坐标轴时,一般应先确定()。
A. X轴B. Y轴C. Z轴4. 四坐标数控铣床的第四轴是垂直布置的,则该轴命名为( B )。
A.B轴 B. C轴 C. W轴5. 机床上的卡盘,中心架等属于()夹具。
数控线切割试题班级姓名
一、填空题(每空1分,共20分)
1.线切割加工中常用的电极丝有、、。
其中和应用在快速走丝线切割。
2.线切割加工时,工件的装夹方式有装夹、装夹、装夹和装夹。
3.数控电火花线切割机床加工时的偏移量f与和有关,计算式为。
4.线切割加工时,常用的工作液主要有和。
5.数控电火花线切割机床的编程,主要采用、、和三种格式编写。
6.数控线切割机床U、V移动工作台,是具有加工功能的电火花线切割机床的一个组成部分。
7.3B格式的数控系统没有功能,确定切割路线时,必须先根据工件轮廓划出电极丝中心线轨迹,再按编程。
二、判断题(正确的填√,错误的填×,每题1分,共7分)
1.()脉冲宽度及脉冲能量越大,则放电间隙越小。
2.()目前线切割加工时应用较普遍的工作液是煤油。
3.()在模具加工中,数控电火花线切割加工是最后一道工序。
4.()工件的切割图形与定位基准的相互位置精度要求不高是,可采用百分表找正。
5.()数控线切割时,G40、G41、G42为刀具补偿指令。
6.()数控电火花成形精加工时所用工作液,宜选用水基工作液。
7.()数控电火花线切割一块毛坯上的多个零件或加工大型工件时,沿加工轨迹设置一个穿丝孔。
三、选择题(每题1分,共13分)
1.电火花线切割加工的特点有:。
A、必考虑电极损耗;
B、不能加工精密细小,形状复杂的工件;
C、不需要制造电极;
D、不能加工盲孔类和阶梯型面类工件。
2.电火花线切割加工的对象有。
A、任何硬度,高熔点包括经热处理的钢和合金;
B、成形刀,样板;
C、阶梯孔,阶梯轴;
D、塑料模中的型腔。
3. 对于线切割加工,下列说法正确的有:。
A、线切割加工圆弧时,其运动轨迹是折线;
B、线切割加工斜线时,其运动轨迹是斜线;
C、加工斜线时,取加工的终点为编程坐标系的原点;
D、加工圆弧时,取圆心为切线坐标系的原点。
4.列各项中对电火花加工精度影响最小的是。
A、放电间隙
B、加工斜度
C、工具电极损耗
D、工具电极直径
5.若线切割机床的单边放电间隙为0.02 mm,钼丝直径为0.18 mm,则加工圆孔时的补偿量为。
A、0.10 mm
B、0.11 mm
C、0.20 mm
D、0.21 mm
6.用线切割机床加工直径为10 mm的圆孔,当采用的补偿量为0.12 mm时,实际测量孔的直径为10.02 mm。
若要孔的尺寸达到10mm,则采用的补偿量为。
A、0.10 mm
B、0.11 mm
C、0.12 mm
D、0.13 mm
7.用线切割机床不能加工的形状或材料为。
A、盲孔
B、圆孔
C、上下异性件
D、淬火钢
8.线切割加工数控程序编制时,下列计数方向的说法正确的有:。
A、斜线终点坐标(Xe, Ye)当 |Ye| >|Xe| 时,计数方向取GY;
B.斜线终点坐标(Xe, Ye)当 |Xe|>|Ye| 时,计数方向取GY;
C、圆弧终点坐标(Xe, Ye)当 |Xe|>|Ye| 时,计数方向取GY;
D、圆弧终点坐标(Xe, Ye)当 |Xe|<|Ye| 时,计数方向取Gy。
9.数控电火花高速走丝线切割加工时,所选用的工作液和电极丝为。
A、纯水、钼丝
B、机油、黄铜丝
C、乳化液、钼丝
D、去离子水、黄铜丝
10.线切割加工编程时,计数长度应。
A、以μm为单位;
B、以mm为单位;
C、写足四为数;
D、写足五位数;
E、写足六位数。
11. 在数控电火花线切割加工的工件装夹时,为使其通用性强、装夹方便,应选用的装夹方式为。
A、两端支撑装夹
B、桥式支撑装夹
C、板式支撑装夹
12.加工斜线OA,设起点O在切割坐标原点,终点A的坐标为Xe=17mm,Ye=5mm,其加工程序为。
A、B17B5B17GxLl
B、B17000B5000B017000 GxLl ;
C、B17000B5000B017000 GyL
D、B17000B5000B005000 GyLl;
E、B17B5B017000 GxLl。
13.加工半圆AB,切割方向从A到B,起点坐标A(-5,0),终点坐标B(5,0),其加工程序为。
A、B5000BB010000GxSR2;
B、B5000BB10000 GySR2;
C、B5000BB01000GySR2
D、BB5000B01000 GySR2;
E、B5BB010000 Gy SR2。
四、编程题(每题5分,共35分)
1.若要加工如图1所示斜线段,终点A的坐标为 Xe =14mm, Ye=5mm , 分别用3B和ISO格式编制其线切割程序。
2.加工如图2所示与正Y轴重合的直线线段,长度为22.4mm。
分别用3B和ISO格式编制其线切割程序。
3.加工如图3所示圆弧,A 为此逆圆弧的起点,B 为终点。
分别用3B和ISO格式编制线切割程序。
4.利用ISO格式编制如图4所示凹模的线切割程序,电极丝为¢0.2的钼丝,单边放电间隙为0.01mm。
图4 凹模的线切割程序
5.加工图5所示零件,试分析说明图示穿丝位置优缺点。
图5
6.数控线切割加工图6所示零件,材料为GCr15,试制订其数控线切割加工工艺。
a)零件材料为GCr15,厚度:40 mm。
b)内花键扳手。
花键类型:内花键,模数:1.5,压力角:30°,齿数:12,材料为GCr15,厚度:6 mm
图6
7.用3B格式按图7所依电极丝中心轨迹编制内型腔的数控线切割程序(毛坯尺寸为100×100mm)。
图7
五、简答题(每题5分,共25分)
2.数控线切割加工的主要工艺指标有哪些?影响表面粗糙度的主要因素有哪些? 3.数控线切割加工的工艺准备包括哪些内容?
4.数控线切割加工中对工件装夹有哪些要求?
5.为什么慢走丝比快走丝加工精度高?。