专用灯具安装工程检验批质量验收记录
- 格式:xls
- 大小:43.50 KB
- 文档页数:1
室外电气专用灯具安装检验批质量验收记录项目名称:室外电气专用灯具安装检验批项目地点:XXXXX日期:XXXX年XX月XX日一、目的和要求:根据项目合同要求,对室外电气专用灯具安装进行质量验收,目的是确保灯具安装符合相关规范和要求,保证其正常工作并达到预期效果。
二、验收范围:本次验收的范围涵盖了室外电气专用灯具的安装及其相关配套工程,包括灯具的选择与定位,电缆的铺设与接线,灯具的定位与调试等。
三、验收依据:1.《电气设备安装工程质量验收规范》2.《室外照明工程建设和验收规范》3.相关国家和地方法规及标准要求四、验收内容及要求:1.灯具选择与定位灯具应根据实际需求选择合适的类型和规格,并合理分布在室外场所,以确保照明效果和安全性。
验收要求:灯具选型合理,位置布置合理,照明效果良好。
2.电缆架设与接线电缆应按照规范要求架设,并采取适当的保护措施,避免电缆损坏或绝缘破坏。
验收要求:电缆架设规范,连接牢固可靠,接地良好。
3.灯具定位与调试灯具的定位应准确无误,并进行适当的调试,确保其灯光照射范围和亮度满足实际要求。
验收要求:灯具定位准确,调光调亮功能正常,无闪烁和漏亮现象。
五、验收细则:1.灯具选择与定位验收:验收人员应逐个检查并记录各个灯具的类型、规格、安装位置等信息,并结合实际情况进行评价,判断其是否符合设计要求。
2.电缆架设与接线验收:验收人员应检查电缆的敷设方式、固定方式,以及接线端子的连接质量,包括电缆绝缘、接地等情况,确保符合规范要求。
3.灯具定位与调试验收:验收人员应观察灯具的定位和角度是否正确,以及是否满足照明需求。
同时,对灯具的调光调亮功能进行检测,确保正常运行。
六、验收结论:根据对室外电气专用灯具的安装质量进行检查和评价,结合相关规范要求进行验收。
经过检验,本次室外电气专用灯具安装符合相关规范和要求,全部验收合格。
七、存在的问题及处理意见:经过验收发现以下问题:1.部分灯具定位不准确,需要重新调整位置。
四川-专用灯具安装工程检验批质量验收记录SG-A015 专用灯具安装工程检验批质量验收记录
四川省建设厅制
SG—A015填写说明
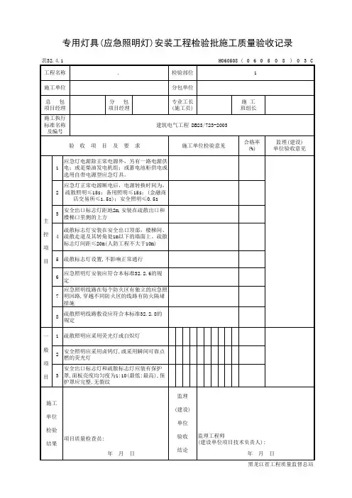
一、本表适用于专用灯具为36v及以下的行灯和行灯变压器、手术台无影灯、应急照明灯、防爆灯等工程的施工质量验收。
二、该分顼工稚检验批可按楼层的层段及区域来划分。
三、主控项目:
1.行灯变压器外壳铁芯和低压侧的任意一端或中性点应有可靠接零或接地。
2.游泳池及类似场所灯具的等电位联结应可靠,标识明显,其电源的专用漏电保护装置应全部检测合格。
电源引入灯具的导管必须采用绝缘导管,严禁采用金属或有金属保护层的导管。
3.手术台无影灯安装的固定螺栓应符合产品的要求,螺栓应采用双螺母锁田;配电箱内的开关电源分别接在两条专用回路上,灯具的导线采用额定电压不低于750v的多股铜芯绝缘电线。
4.应急照明灯具安装的电源除正常电源外,另有一路电源供电;疏散照明线路采用耐火电缆,穿在非燃烧刚性导管铺设,暗铺保护层厚度不小于30mm,电线应采用额定电压不低于750V的铜芯绝缘电线。
5.防爆灯具安装配套齐全,不用非防爆零件替代灯具配件,灯具的安装位置离开释放源,灯具及开关安装牢固可靠,灯具吊管及开关与接线盒螺纹口齿合扣数不少于5扣,螺纹加工光滑完整,无锈蚀,并在螺绞上涂以电力复合酯。
检查方法:见本规范第28、0、7条。
专用灯具安装检验批质量验收记录一、前言话说这天,小明家的客厅灯坏了,于是他决定换一个新的。
可是,新灯装上后,小明发现家里的光线并不如以前亮堂,还有时候会出现闪烁的现象。
这可把小明急坏了,他赶紧找来了专业的灯具安装师傅来检查一下。
经过一番检查,师傅告诉小明,原来是灯具安装不当导致的。
于是,师傅耐心地教给了小明一些关于专用灯具安装检验批质量验收记录的知识,让小明以后再也不用为家里的灯光问题发愁了。
二、灯具安装的重要性1.1 照明效果好我们要明白一个道理,那就是照明效果好的灯具能让我们的家更加温馨、舒适。
想象一下,晚上回家打开门,一片明亮的光线照耀在你的身上,那种感觉是多么美妙啊!所以,我们选择灯具的时候一定要注意照明效果。
1.2 提高生活品质好的灯具还能提高我们的生活品质。
比如,我们在看书、学习的时候,光线太暗会让我们的眼睛疲劳,影响我们的学习效果。
而光线太亮又会刺激我们的眼睛,同样不利于学习。
所以,合适的灯具对于我们的学习和生活都是非常重要的。
三、专用灯具安装检验批质量验收记录的内容2.1 灯具安装前的准备在安装灯具之前,我们需要做好以下几个准备工作:(1)测量空间尺寸:根据实际的空间尺寸,选择合适尺寸的灯具。
(2)选择合适的位置:一般来说,灯具的位置应该在离地面2-3米的高度,这样可以让整个房间的光线更加均匀。
(3)准备好电线和开关:根据灯具的功率,准备好相应的电线和开关。
2.2 灯具安装步骤接下来,我们来看一下灯具的安装步骤:(1)固定灯座:将灯座固定在墙上或者天花板上,确保它牢固可靠。
(2)连接电源线:将电源线连接到灯座上,然后再连接到开关上。
(3)安装灯泡:将灯泡安装到灯座上,然后轻轻拧紧螺丝。
(4)测试开关:打开开关,看看灯光是否正常。
如果不正常,可能是接线有问题,需要重新检查。
2.3 灯具安装后的检查我们还要对安装好的灯具进行一次检查:(1)检查灯光是否正常:看看灯光是否明亮、稳定。
(2)检查开关是否正常:按下开关,看看灯光是否能够正常切换。
专用灯具安装检验批质量验收记录1. 引言嘿,朋友们!今天咱们聊聊一个看似普通却其实蛮有意思的话题,那就是专用灯具的安装检验。
你可能会想,灯具嘛,不就是装上去就行了吗?错!这其中可是大有讲究,稍有不慎,就可能让整个项目“蒙羞”。
所以,今天我们就来好好唠一唠这个话题,顺便给大家普及一下这份验收记录的重要性,保证你听完之后能成为灯具安装的小达人。
2. 灯具安装的重要性2.1 安全第一,生命至上首先,灯具的安装可不是随便来个小钉子就了事的。
想象一下,某天你正在家里追剧,突然灯掉下来,那画面……啧啧,不敢想象!所以,咱们在安装前可得仔细检查,确保每一根电线、每一个螺丝都牢牢把控。
安全嘛,永远是第一位的。
2.2 细节决定成败再来,细节才是真正的“王道”。
你觉得灯具装得漂漂亮亮,结果电源接触不良,光线时明时暗,简直让人崩溃。
特别是在一些特殊场合,比如医院、实验室这些地方,光线的稳定性可是至关重要的。
所以,检查每个接点、每根线,都是必须的!就像做菜,盐多了少了,味道都不一样。
3. 灯具安装检验的步骤3.1 检查设备和材料咱们的第一步,当然是要检查灯具的设备和材料啦。
你得先确认灯具是不是符合标准,材料是不是合格。
要是连基本的东西都不行,那就像盖房子,地基不牢,后面的都是空谈。
你可以把灯具的型号、材质记录下来,形成一份清单,反正现在都电子化了,做个表格也挺方便的。
3.2 现场安装和调整接下来,就是现场安装的时刻啦!这一步可不能马虎,工具、设备得齐全,绝对不能缺斤短两。
在安装时,要仔细对照设计图纸,确保每一步都没问题。
要是发现偏差,那就得及时调整,千万别心存侥幸,毕竟谁也不想“玩火自焚”嘛。
然后,灯具安装好之后,别急着走,检查测试可是重中之重。
打开开关,看看光亮不亮、亮不亮,光的角度对不对。
如果有问题,立马调整,做到心中有数。
4. 完成后的记录和总结4.1 记录验收结果完成后,得把整个过程记录下来,这样才能确保大家心里有数。
专用灯具安装分项工程检验批质量验收记录一、工程概况本次专用灯具安装分项工程涉及的范围主要包括:室内灯具安装、室外灯具安装、景观灯具安装等。
工程施工单位为XXXX有限公司,验收单位为建设单位XXXX有限责任公司。
二、质量验收内容1.施工单位在进行灯具安装之前,应根据相关规范要求对灯具进行检查,保证其质量符合要求。
2.灯具的安装应根据设计要求进行,位置、高度、角度等应符合设计图纸要求。
3.灯具的安装应使用专用灯具安装工具,避免对灯具本身及其附件造成损坏。
4.灯具的安装应牢固可靠,能通过正常使用条件下的摇动试验,确保其不会松动或脱落。
5.灯具的电源线安装应牢固可靠,不得有暴露的接头,应通过拉力试验,确保不会因受力而断裂。
6.灯具的电源线应采用合适的保护措施,避免因外界环境引起的损坏,如防水、防潮等。
7.灯具的电源线与灯具本体之间的连接应牢固可靠,不得有松动或接触不良的情况,应通过电气性能测试,保证正常通电。
8.灯具的灯泡、光源等配件需一致、完好,符合设计要求。
三、质量验收程序1.施工单位备齐进场文件,并向验收人员汇报本次工程的施工进度和相关情况。
2.验收人员针对灯具的选型、材料、施工工艺等进行初步检查,如发现不符合要求的情况,及时提出整改要求。
3.施工单位按照验收人员的整改要求,对灯具进行调整或更换,并重新进行安装。
4.验收人员对灯具的安装位置、高度、角度等进行详细检查,并与设计图纸进行对比,确认是否符合要求。
5.验收人员对灯具的各项功能进行测试,如开关控制、光照度等,确保其正常使用。
6.验收人员对灯具的电源线进行拉力试验,并进行电气性能测试,确保其符合要求。
7.验收人员对灯具的配件进行检查,如灯泡、光源等,确保其一致、完好。
8.验收人员根据检查结果填写《专用灯具安装分项工程检验批质量验收记录》,并与施工单位签署。
四、质量验收结果经过以上的质量验收程序,本次专用灯具安装分项工程合格率达到100%,具体验收结果如下:1.灯具的安装位置、高度、角度等均符合设计图纸要求。
专用灯具安装工程检验批质量验收记录一、工程概况项目名称:专用灯具安装工程工程地址:设计单位:施工单位:检验单位:二、检验内容及标准1.灯具安装位置是否符合设计要求2.灯具安装是否牢固、稳定3.灯具是否正常工作,灯光是否均匀、明亮4.灯具线路是否正确、安全可靠5.灯具材质和外观是否符合规范要求6.灯具安装后是否保持整洁三、检验仪器设备1.测量工具(卷尺、直尺、量角器等)2.电压表、电流表等相关仪器3.视觉检查工具(放大镜、手持灯等)四、检验过程及结果记录(1)检验人员按照设计图纸要求对灯具的安装位置进行验证,并测量位置的准确性。
(2)结果记录:灯具安装位置符合设计要求。
2.灯具安装稳固性检验(1)检验人员进行灯具的扭动、拉扯等力学性能测试,验证安装的稳固性。
(2)结果记录:灯具安装稳固,不松动、不晃动。
3.灯具光照效果检验(1)检验人员按照设计要求对灯具进行开关和调光测试,观察灯光的亮度和颜色是否符合要求。
(2)结果记录:灯具正常工作,光照效果均匀、明亮。
4.灯具线路安全可靠性检验(1)检验人员使用电压表、电流表等仪器对灯具的线路电压和电流进行测试,验证安全可靠性。
(2)结果记录:灯具线路安全可靠,无漏电、短路等现象。
5.灯具材质和外观检验(1)检验人员对灯具的材质和外观进行目测检查,并对照相关规范进行比对。
(2)结果记录:灯具材质和外观符合规范要求。
(1)检验人员对灯具安装位置周围进行清洁检查,确保安装后的整洁。
(2)结果记录:灯具安装后周围整洁。
五、结论经检验,本次专用灯具安装工程质量验收合格。
六、存在问题及整改措施1.部分灯具安装位置稍有偏差,需要重新调整。
2.部分灯具线路接触不良,需要检查并重新连接。
以上问题将由施工单位进行整改,并重新进行检验。
七、检验人员签字。
灯具安装检验批质量验收记录1. 灯具安装的重要性1.1 灯具是家居生活中不可或缺的一部分,咱们每天都在享受那温暖的光线。
想想,要是晚上回家,家里一片漆黑,光靠手机的闪光灯,那可真是“心里苦”,光线的重要性不言而喻。
1.2 安装灯具可不是随便一挂就行,得讲究点。
要是安装不当,不仅影响美观,还可能造成安全隐患,搞得家里一片狼藉。
灯具的质量和安装的规范性,就像是鱼和水,缺一不可。
2. 检验的标准2.1 说到检验,咱们得有个标准。
这就像是考试,得有题目和答案。
首先,灯具的材料得过关,不能是劣质产品。
想象一下,要是灯泡随便用,半夜一闪一闪的,简直能把人吓得不轻。
2.2 其次,电线的连接也得牢靠。
这就像是婚姻,得有基础。
如果电线没接好,那可真是“见光死”的节奏,动不动就跳闸。
还有啊,安装位置也不能马虎,灯具要和房间的整体风格相配,别让它“格格不入”。
3. 安装过程中的注意事项3.1 安装灯具前,最好先做好准备工作。
工具要齐全,螺丝刀、钳子、绝缘胶带一样都不能少。
安装的时候,务必要小心谨慎,别一不小心就把灯具摔了,那可是“费心费力”。
3.2 还有,装灯具的时候要注意保护好周围环境,别把墙面刮了,搞得像打了场仗似的。
用心装好之后,别急着开灯,先检查一下每个连接是否紧固。
最后,开灯的时候,心里一定要忐忑一下,看看是否顺利亮起,真是“心跳加速”。
4. 质量验收的步骤4.1 质量验收可不能马虎。
首先,检查灯具的外观,看看有没有破损、划痕。
这就像是买菜,得先挑挑看,坏的不能买。
接着,测试灯具的亮度,确保每个灯泡都能“精神抖擞”地亮起来。
4.2 然后,咱们还要检查电路的安全性。
用专业的仪器测量一下电流和电压,确保一切正常。
最后,收尾工作也不能忘,验收完毕后,别光顾着欣赏,还得整理好现场,保证干净整洁,留下一个美好的印象。
5. 总结安装灯具和质量验收,真是个“细活”,得有耐心、有技巧。
这不仅仅是个技术活,更是关乎到每个家庭的安全和舒适。
专用灯具安装检验批质量验收记录一、项目基本信息项目名称:专用灯具安装施工单位:XXX公司验收单位:XXXX公司验收日期:XXXX年XX月XX日二、检验批基本信息检验批编号:XXX工程部位:XXX区域灯具型号:XXX安装数量:XXX个安装位置:XXX1.灯具安装(1)检查灯具安装位置是否符合设计要求,是否固定牢固。
结果:符合要求。
灯具位置与设计图纸一致,牢固度满足要求。
(2)检查灯具线路连接是否牢固,接线是否正确。
结果:符合要求。
灯具线路连接牢固,接线正确,符合安全规范要求。
(3)检查灯具安装是否垂直,灯具有无偏斜现象。
结果:符合要求。
灯具垂直安装,无明显偏斜现象。
(4)检查灯具表面是否有损坏、划痕等。
结果:符合要求。
灯具表面光滑,无损坏、划痕等缺陷。
2.供电线路安装(1)检查供电线路是否符合规范要求,有无过度拉伸、断裂现象。
结果:符合要求。
供电线路安装符合规范要求,无过度拉伸、断裂现象。
(2)检查供电线路接线盒是否固定牢固,接线是否正确。
结果:符合要求。
供电线路接线盒固定牢固,接线正确。
3.环境要求(1)检查灯具安装区域是否保持整洁,有无杂物堆积。
结果:符合要求。
灯具安装区域整洁,无杂物堆积。
(2)检查灯具周围环境是否存在明火、易燃物品。
结果:符合要求。
灯具周围环境无明火、易燃物品。
四、存在问题及处理意见1.问题描述:部分灯具安装位置稍有偏斜。
处理意见:重新进行调整,确保灯具垂直安装。
2.问题描述:部分灯具表面有轻微划痕。
处理意见:更换灯具表面无划痕的部分。
3.问题描述:灯具安装区域存在少量杂物堆积。
处理意见:清理杂物,保持灯具安装区域整洁。
以上为本次专用灯具安装质量验收记录,经验收单位验收合格。
验收单位(盖章):日期:。