常用空气压缩机选型参考.
- 格式:doc
- 大小:25.50 KB
- 文档页数:11
实用标准文案
空压机选型
文档.
实用标准文案
文档.
实用标准文案
3、SA-15A螺杆空气压缩机性能参数表
文档.
实用标准文案
文档.
实用标准文案
5、SA-22A螺杆空气压缩机性能参数表
文档.
实用标准文案
文档.
实用标准文案
文档.
实用标准文案
文档.
实用标准文案
9、SA-55A螺杆式空压机参数
文档.
实用标准文案
文档.
实用标准文案
文档.
实用标准文案
12、SA-90A螺杆空气压缩机性能参数表
文档.
实用标准文案
文档.
实用标准文案
14、SA-120A螺杆空气压缩机性能参数表
文档.
实用标准文案
15、SA-132A螺杆空气压缩机性能参数表
文档.
实用标准文案
16、SA-160A螺杆空气压缩机性能参数表
文档.
实用标准文案
17、SA-185A螺杆空气压缩机性能参数表
实用标准文案
螺杆式空压机参数19、SA-220A/W型号 SA-220A/W 文档.
实用标准文案
螺杆空气压缩机性能参数表、20SA-250A SA-250A 号型
文档.
实用标准文案
螺杆空气压缩机性能参数表SA-280A21、
SA-280A
型号文档.
实用标准文案
冷却方式风冷
螺杆空气压缩机性能参数表SA-350A、22文档.
实用标准文案
型号SA-350A
螺杆空气压缩机性能参数表23、SA-400A/W SA-400A/W 型号文档.
实用标准文案
文档.
实用标准文案文档.。
压缩空气系统的设备选型压缩空气站的设备一般包括产生压缩空气的空气压缩机和使气源净化的辅助设备。
气源净化辅助设备分为油水分离器、贮气罐、干燥机和过滤器。
空气压缩机:用以产生压缩空气,一般由电动机带动。
其吸气口装有空气过滤器以减少进入空气压缩机的杂质。
贮气罐:用以贮存压缩空气,稳定压缩空气的压力并除去部分油分和水分。
油水分离器:用以分离并排出降温冷却的水滴、油滴、杂质等。
干燥机:用以进一步吸收或排除压缩空气中的水分和油分,使之成为干燥空气。
过滤器:用以进一步过滤压缩空气中的灰尘、杂质颗粒。
1、空气压缩机的选型首先要确定用气端所需要的工作压力,加上1-2 bar的余量,再选择空压机的压力,(该余量是考虑从空压机安装地点到实际用气端管路距离的压力损失,根据距离的长短在1-2 bar之间适当考虑压力余量)。
当管路通径的大小和转弯点的多少也是影响压力损失的因素,管路通径越大且转弯点越少,则压力损失越小;反之,则压力损失就越大。
因此,当空压机与各用气端管路之间距离太远时,应适当放大主管路的通径。
如果环境条件符合空压机的安装要求且工况允许的话,可在用气端就近安装。
根据容积流量选型:1、在选择空压机容积流量时,应先了解所有的用气设备的容积流量,把流量的总数乘以1.2(即放大20%余量);2、新项目上根据设计院提供的流量值进行选型;3、向用气设备供应商了解用气设备的容积流量参数进行选型;4、空压机站改造可参考原来参数值结合实际用气情况进行选型;合适的选型,对用户本身和空压机设备都有益处,选型过大浪费,选型过小可能造成空压机长期处于加载状态或用气不够或压力打不上去等弊端。
2、其他设备的选择2.1 储气罐的选型储气罐容积大小是要根据空压机的容积流量、调节系统和用气设备的耗气量来决定。
当一个系统由几台空压机组成时,储气罐的容积大小是根据最大空压机的容积流量而确定的。
下面的公式可用于储气罐容积大小的确定,应按如下公式计算得出:V=QS×t×P0/(P1-P2)式中: V:储气罐总容量;QS:供气设计总容量,NM3/min;t:5~20min保持时间;P0:大气压,绝压;P1:正常操作压力,绝压;P2:最低送出压力,绝压。
常用空气压缩机选型参考面对市场上各式各样不同功效的压缩机,很多用户对压缩机的选型上无法有一个确切的认识,有时候是因为对不同压缩机的功效和性能不能完全了解,而导致无法合理选型,无法选择可靠、高效、节能的压缩机型。
根据用户的具体情况和实际工艺要求,选用适合生产需要的空气压缩机。
既不宜贪大求洋盲目选择优质高价的机型而多花费不必要的支出,也不能为了节省开支而一味选取故障频发的劣质机型充数,毕竟空气压缩机是工业生产中的重要动力设备。
现将常用的几种压缩机型的优缺点和其适用范围做一个简单的介绍,希望能为用户在选择压缩机的时候做一个参考。
若按照压缩机气体方式的不同,通常将压缩机分为两大类,即容积式和动力式(又名速度式)压缩机。
容积式和动力式压缩机由于其结构形式的不同,又做了以下分类:螺杆压缩机螺杆空压机是回转容积式压缩机的一种,在其中两个带有螺旋型齿轮的转子相互啮合,从而将气体压缩并排出。
螺杆空气压缩机按照数目分,分为单螺杆和双螺杆;按压缩过程中是否有润滑油参与分为喷油和无油螺杆空压机,无油压缩机又分为干式和喷水两种。
螺杆空压机总的来说结构简单,易损件少,排气温度低,压比大,尤其不怕气体中带液、带尘压缩,喷油螺杆式压缩机的出现,使动力工艺和制冷用的螺杆式压缩机(包括螺杆式空压机、螺杆式制冷机等)在国内外得到了飞速的发展。
工作原理螺杆式空气压缩机是利用阴阳螺杆转子的相互啮合使齿间容积不断减小、气体的压力不断提高,从而连续地产生压缩空气。
螺杆式空气压缩机也属于容积式压缩机,但由于螺杆机型的工作原理,决定了相对于活塞式空气压缩机而言,螺杆式空气压缩机供气稳定,一般不需要配备储气罐。
工作过程如下图所示。
主要优点1、可靠性高:螺杆空压机零部件少,易损件少,因而它运转可靠,寿命长。
2、操作维护方便:操作人员不必经过长时间的专业培训,可实现无人值守运转,操作相对简单,可按需要排气量供气。
3、动力平衡性好:螺杆空压机没有不平衡惯性力,机器可以平稳地高速工作,可实现无基础运转,特别适合用作移动式压缩机,体积小,重量轻,占地面积少。
6万等级空气压缩机组选型建议书一、空气压缩机组简介空气压缩机为空分装置的动力设备。
空分装置将空气低温分离得到氧、氮等产品,从本质上说是通过能量转换来完成的,而空分装置的能量主要是由原料空气压缩机输入的。
相应地,空气分离所需要的总能耗中绝大部分是空气压缩机组的能耗,本压缩机是煤制天然气工程中功率最大,制造周期最大,投资最大的设备。
空气压缩机组由蒸汽轮机、空气压缩机及其辅助设备组成,汽轮机蒸汽冷凝采用空冷。
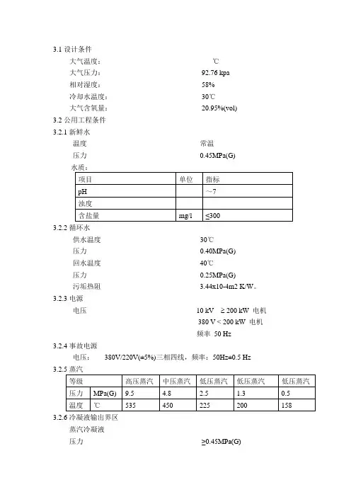
二、空压机组设计参数此数据为参考数据,最终以空分制造厂家数据为准三、设计基础条件和公用工程条件3.1设计条件大气温度:℃大气压力:92.76 kpa相对湿度:58%冷却水温度:30℃大气含氧量:20.95%(vol)3.2公用工程条件3.2.1新鲜水温度常温压力0.45MPa(G)3.2.2循环水供水温度30℃压力0.40MPa(G)回水温度40℃压力0.25MPa(G)污垢热阻 3.44x10-4m2 K/W。
3.2.3电源电压10 kV 200 kW 电机380 V < 200 kW 电机频率50 Hz3.2.4事故电源电压:380V/220V(±5%)三相四线,频率:50Hz±0.5 Hz3.2.6冷凝液输出界区蒸汽冷凝液压力≥0.45MPa(G)温度低于饱和温度30℃3.2.7仪表空气压力:0.7 MPa(G)温度:﹤40℃质量:干燥无尘油含量<10mg/Nm3露点:操作压力下-40℃3.3现场条件3.3.1装置位置中国新疆。
3.3.2气象资料本区属大陆干旱荒漠气候,年温差和昼夜温差较大,夏季气候炎热,冬季气候严寒。
3.3.2.1气温年平均气温︒C绝对最低温度: -44︒C绝对最高温度: 42︒C最冷月平均温度(一月): -17.4︒C最热月平均温度(七月): 22.7︒C3.3.2.2风向和风速年平均风速 3.3m/s(10米处)历史最大风速24m/s(10米处)基本风压Pa年主导风向及频率西南偏西12%年次主导风向及频率西11% 西南11%3.3.2.3降雨量年平均降雨量: 193.7mm年平均蒸发量: 1211.7mm3.3.2.4湿度年平均相对湿度: 58%3.3.2.5气压平均大气压: 92.76kPa最低大气压: 89.96kPa最高大气压: 95.63kPa3.3.2.6雪最大积雪深度390mm最大冻土深度1410mm3.3.2.7地震烈度7度3.3.2.8平均海拔高度720~750m 3.3.3大气分析数据(疆内参考数据,最终以本地区数据为准)O2: 20.95%(vol)CO2: 500ppm(vol)SO2237mg/m3(vol)NH3: 0.2mg/m3NO x: 100mg/m3(vol)CO: 5.0ppm(vol)CH4: 3.5ppm(vol)C2H2: 1.0ppm(vol)CnHm 8.0ppmH2S: 0.01mg/m3(vol)TSp(灰尘): 100mg/Nm3四、空气压缩机组主要设备情况1、空压机:设计参数:正常值·流量(干燥) 350000Nm3/h·进口压力0.09276MPa(A) ·进口温度33℃·相对湿度58%·排气压力(止回阀后)0.6MPa(A)·排气温度120℃·冷却水进口温度30℃·冷却水出口温度40℃2、空气增压压缩机型式:离心式设计参数:正常值·进口流量199000Nm3/h·进口温度30℃·进口压力0.56MPa(A)·相对湿度0%·中抽1流量37000Nm3/h·中抽1压力 1.05MPa(A)·中抽2流量68500Nm3/h·中抽2压力 2.8MPa(A)·出口流量93500Nm3/h·排气压力(止回阀后)7.22MPa(A)·排气温度≤40℃·冷却水进口温度30℃·冷却水出口温度40℃3 、驱动用蒸汽轮机型式:凝汽式汽轮机设计参数正常值蒸汽进口流量180t/h(暂定)蒸汽温度535℃蒸汽压力8.83MPa(G)额定功率 50000KW4 、汽轮机空气冷却器自然条件下设计风速: 3.2m/s散热量:98118KW风机:156.8KW*6台电机:185KW*6台电动葫芦:10KW*2台供货范围:全套,包括风机系统、散热系统、防冻系统及恶劣天气下的应急系统等。
数控机床车间空压机选配方案一、空气压缩机选型主要考虑的参数1、排气量确定一个新厂的压缩空气要求的传统方法是将所有用气设备的用气量(m3/min)加起来,再考虑增加一个安全、泄漏和发展系数。
这里以十台数控机床清理铁屑及转台刀架用为例,假设每一台数控机床配备一把气枪。
由于只是用于清理,所以根据经验每一台机床需要的排气量大概在min.因此十台的用气量大概为2 m3/min.考虑到增加一个安全、泄露的关系该系统用气选择在 m3/min的排气量。
2、排气压力选购空压机时,首先要确定用气端所需要的工作压力,加上 MPa的余量,再选择空压机的压力,(该余量是考虑从空压机安装地点到实际用气端管路距离的压力损失,根据距离的长短在 MPa之间适当考虑压力余量)。
当然,管路通径的大小和转弯点的多少也是影响压力损失的因素,管路通径越大且转弯点越少,则压力损失越小;反之,则压力损失就越大。
因此,当空压机与各用气端管路之间距离太远时,应适当放大主管路的通径。
如果环境条件符合空压机的安装要求且工况允许的话,可在用气端就近安装。
根据数控机床的用气要求压力通常在左右。
根据具体的车间的安装要求可以考虑的压力余量。
因此该系统的排气压力选择在。
3、供电容量在确定供电容量前,首先了解一下功率与工作压力、排流量三者之间的关系;在功率不变的情况下,当转速发生变化时,容积流量和工作压力也相应发生变化例如:一台22KW的空压机,在制造时确定工作压力为7bar,根据压缩机主机技术曲线计算转速,排气量为 m3/min;当确定工作压力为8bar时,转速必须降低(否则驱动电机会超负荷),这时,排气量为 m3/min;因为,转速降低了,排气也相应减少了,依此类推。
功率的选型是在满足工作压力和容积流量的条件下,供电容量能满足所匹配驱动电机的使用功率即可。
4、压缩空气的品质要求根据不同的用途,对压缩气体的要求也会有相应的品质要求。
常用的净化设备是:储气罐、干燥器(冷冻式和吸附式)、过滤器等三种。
空压机选型引言空压机,又称空气压缩机,是一种将空气压缩,以达到增加气压和储存能量的装置。
空压机广泛应用于工业领域,用于驱动各种机械设备、供应气体和快速充气等。
本文将介绍空压机选型的一般原则和过程,帮助读者选择适合自己需求的空压机。
空压机的工作原理空压机的工作原理主要包括以下几个步骤: 1. 吸气过程:空气通过吸气阀进入空气压缩机。
2. 压缩过程:空气在压缩室中逐渐增加气压,同时也增加了气体的温度。
3. 排气过程:压缩后的空气通过排气阀排出,同时冷却降温。
空压机选型的一般原则在选择适合的空压机时,需要考虑以下几个方面:气源需求要考虑所需的气源流量、气源质量等。
根据所需的气源流量,可以选择合适的空压机工作压力和排气量。
工作环境条件工作环境的温度和湿度对空压机的运行和维护都有影响。
要考虑工作环境的温度范围、相对湿度等因素,以选择适合的空压机型号。
能源消耗空压机的能源消耗也是选型的重要考虑因素,不同型号的空压机在能源利用率上有所差异。
要考虑工作效率和能源消耗之间的平衡,选择经济实用的空压机。
维护保养不同型号的空压机在维护保养方面也有差异,要考虑设备的可靠性和维护成本,以选择维护保养比较方便的空压机。
空压机选型的具体过程确定气源需求首先,需要明确所需的气源流量和工作压力。
根据不同的应用场景,可以根据机器设备的需求及使用频率来确定气源需求。
确定工作环境条件根据工作环境的温度和湿度范围,选择符合条件的空压机型号。
如果工作环境条件较为恶劣,需要选择耐高温、防锈蚀的特殊型号空压机。
能源消耗分析了解不同型号的空压机的能源消耗情况,可通过查看产品规格表和能源利用率指标,选择性价比较高的空压机。
维护保养考虑了解不同型号的空压机的维护保养周期、更换零部件的成本等。
选择维护保养相对简便、成本较低的空压机类型。
比较评估根据以上步骤的分析结果,将不同型号的空压机进行比较评估。
综合考虑气源需求、工作环境条件、能源消耗、维护保养等因素,选择合适的空压机。
气动砂轮型号:FA-6C (砂轮直径为180)一、例如:一台砂轮直径为180的砂轮机,它的耗气量为0.4-0.5立方/分钟,那空压机排气量应选择0.4立方/分钟.假如10台砂轮直径为180的砂轮机同时用的话,那么空压机的排气量应选择4-5立方/分钟即UD30A-8因此选择空压机的排器量可以参考以下几种方案:(前提是等离子切割机和喷砂的用气量很小)第一种方案:采用UD37A-7 排气量是6.6立方/分钟,压力是7bar, 功率是37KW第二种方案:采用UD30A-8 排气量是5 立方/分钟, 压力是8bar, 功率是30KWUD22A-8 排气量是3.4 立方/分钟, 压力是8bar, 功率是22KW第三种方案:采用UD30A-8 排气量是5 立方/分钟, 压力是8bar, 功率是30KW我建议贵公司采用第二种方案这样可以满足多台气动砂轮机的同时使用,由于多台气动砂轮机同时使用的可能性很小在平时开一台机器就可以,另外一台作为备用机,在用气量很大的情况下开两台.另外等离子切割机的耗气量是在0.6立方/分钟左右.二、空压机管路连接1.螺杆式空压机2.储气管3.T级过滤器4.分冷式标准型冷冻式干燥机5.A级过滤器6. H级过滤器三、上海优耐特斯压缩机比同类产品更加优异的性能和可靠性1.优耐特斯空压机电脑控制器有电流显示与智能控制系统:加载、卸载、电流显示、风机电流显示和电流保护功能。
(同类产品基本没有上述功能)2.优耐特斯空压机采用直径较大的转子以较低的转速运行降低了机组的运行噪声,而大多生产厂家采用较小转子靠增速齿轮来提高产气量。
3.优耐特斯空压机加大冷却系统:避免46度以下的高温停机(同类产品为40度)。
4.主机三道轴封设计(同类产品为一道轴封设计)避免了主轴的泄露和渗油。
5.电机防护等级为IP55级,特配SKF轴承。
6.空压机通过可调装置自动调节排气压力使空载压力为 1.5bar,同类产品空载压力为4.5bar,大大降低了空载功率,相比节能达到24%。
一、空气压缩机选型主要考虑的参数1、排气量确定一个新厂的压缩空气要求的传统方法是将所实用气设备的用气量(m3/min)加起来,再考虑增加一个安全、泄漏和发展系数。
这里以十台数控机床清理铁屑及转台刀架用为例,假设每一台数控机床配备一把气枪。
由于只是用于清理,所以根据经验每一台机床需要的排气量大概在 0.2m3/min.因此十台的用气量大概为 2 m3/min.考虑到增加一个安全、泄露的关系该系统用气选择在 2.4 m3/min 的排气量。
2、排气压力选购空压机时,首先要确定用气端所需要的工作压力,加之0.1-0.2 MPa 的余量,再选择空压机的压力,(该余量是考虑从空压机安装地点到实际用气端管路距离的压力损失,根据距离的长短在 0.1-0.2 MPa之间适当考虑压力余量)。
固然,管路通径的大小和转弯点的多少也是影响压力损失的因素,管路通径越大且转弯点越少,则压力损失越小;反之,则压力损失就越大。
因此,当空压机与各用气端管路之间距离太远时,应适当放大主管路的通径。
如果环境条件符合空压机的安装要求且工况允许的话,可在用气端就近安装。
根据数控机床的用气要求压力通常在 0.5Mpa 摆布。
根据具体的车间的安装要求可以考虑 0.1-0.2MPa 的压力余量。
因此该系统的排气压力选择在0.7MPa。
3、供电容量在确定供电容量前,首先了解一下功率与工作压力、排流量三者之间的关系;在功率不变的情况下,当转速发生变化时,容积流量和工作压力也相应发生变化例如:一台 22KW 的空压机,在创造时确定工作压力为 7bar,根据压缩机主机技术曲线计算转速,排气量为 3.8 m3/min;当确定工作压力为 8bar 时,转速必须降低 (否则驱动机电会超负荷) ,这时,排气量为 3.6 m3/min;因为,转速降低了,排气也相应减少了,依此类推。
功率的选型是在满足工作压力和容积流量的条件下,供电容量能满足所匹配驱动机电的使用功率即可。
压缩机选型1.0 一般选型原则压缩机选型中要考虑的一般性问题是:介质;流量;排气压力;(1) 考虑介质·昂贵介质宜选用膜压缩机,如:氩气,氦气压缩机。
·冰箱、空调用制冷剂压缩机宜选用无泄漏全封闭特种压缩机,为了避免压缩过程中冷剂泄漏和噪音。
·易燃易爆压缩机,如:氢气,乙炔压缩机,要考虑排气温度,考虑活塞杆和气阀的密封要求,考虑是否加注惰性气体作密封气。
·对材料有腐蚀的气体,如氨压缩机,不得使用铜材。
·有毒或剧毒气体(2) 考虑流量·流量≤60 m3/min (吸入态)宜选用活塞式或螺杆式压缩机。
作为动力用的空气压缩机,仪表风、吹扫空气等的压缩机在公用工程中被大量使用。
·流量≥50m3/min (吸入态)可选用离心式压缩机。
·流量≥150m3/min (吸入态) 宜选用离心式压缩机。
(3) 考虑流量时应兼顾排气压力·流量≤50 m3/min,压比大于9,离心式压缩机效率急剧下降,这时:二级叶轮变得很小,小于100 mm;转速变得很高,大于30,000 rpm;叶轮和轴承的制造难度均加大。
小气量,高压力,对选用离心式压缩机是困难的。
所以流量小于50 m3/min,,排气压力为中、高压(1- 15 MPa[G])一般均采用活塞压缩机。
2.0 有油和无油压缩机对于过程工业,压缩机中的润滑油或冷却油(螺杆)进入气体介质总是有害的:(1) 使单元设备中的吸附剂或催化剂中毒LNG 装置中脱水器的4A分子筛中毒(2) 使热交换器传热表面挂上油膜,增大传热热阻引起两大后果1/ 液化压力降低,或膨胀比下降,产冷量减少LNG 主换热器热阻一般在20 KPa,如果采用有油压缩机,一个月后会上升到50 KPa,两、三个月后装置就不能开了。
空分装置中,压缩机的压头只有5 barg,主换热器压降大了以后,膨胀机的膨胀比减小,产冷量减少,装置就开不下去了。
压缩机的选型及其要求压缩机是一种将气体或蒸汽压缩为更高压力的机器设备。
它广泛应用于制冷、空气压缩和工业生产等领域。
在选择压缩机时,需要考虑多个因素,如要求的压力和流量、工作环境以及能源效率等。
在本文中,将探讨压缩机的选型及其要求。
压缩机的分类压缩机可以根据多种标准进行分类。
一般来说,它们根据压缩方式可以分为正向位移压缩机和动态压缩机。
正向位移压缩机以固定容积压缩气体。
根据排气方式,它们又可以分为往复式压缩机和旋转式压缩机。
动态压缩机则通过高速转动的转子或叶片使气体压缩。
根据压缩介质,它们分为离心式压缩机和轴流式压缩机。
压缩机的选型选型的第一步是确定压缩机所需的最高压力和最大流量。
这些参数将决定压缩机的能力和应用范围。
同时,需要考虑气体的压缩比和热力学属性,以确定压缩机是否适用于所需的气体。
其他选择因素可能包括噪音水平,维护要求和使用环境等。
压缩机的要求压缩机的应用和性能取决于多种因素,包括设计和制造的质量以及操作和维护的技能。
以下是压缩机的一些要求,确保它们能够高效、安全地完成其工作。
1. 稳定性和可靠性压缩机需要具有稳定和可靠的性能,以确保持续和高效的工作。
垂直式压缩机的重心需合理设计,以避免震动和机器倾斜的情况。
需要保证气体密封,以防止泄漏和故障。
2. 能源效率压缩机的能源效率对于尽可能减少操作成本很重要。
选择高效冷却和润滑系统和其他特定技术有助于提高能源效率。
运营员对压缩机的操作和维护也会影响其能源效率,定期进行检查和维护是关键。
3. 安全性压缩机的安全性必须得到充分考虑。
应采用各种安全设备和措施,如防滑底座、安全阀、温度传感器和应急停止按钮,以避免可能的危险。
4. 象征性尺寸和重量压缩机的符号尺寸和重量对生产和安装起到重要的作用。
虽然大型压缩机可以提供更多的功率和能力,但小型压缩机的体积和重量较小,易于操作和携带。
5. 特殊要求不同的工业应用可能需要不同的特殊要求。
例如,制冷压缩机需要具有低噪音、高排气温度和无油系统。
空压机技术方案随着现代工业的发展,空气压缩机已经成为了许多工业制造业的必需品,广泛应用于各大工业领域。
一般而言,空气压缩机被广泛应用于矿山、建筑、地下车库等场合,其工作效率直接关系到生产的效率和质量。
因此,如何选用高效、稳定的空气压缩机,已经成为了提高生产效率的重要手段。
空气压缩机技术方案推荐一、空气压缩机的分类首先,为确保选购的空气压缩机能够满足生产的需要,我们需要了解空气压缩机的分类和基本原理。
按照压缩形式的不同,空气压缩机可以分为以下几类:1.容积式空气压缩机:主要是利用空气在缸内受到压缩,然后快速减压而实现压缩的效果。
其优点是占地面积小、价格低廉,适用于中小型生产。
2.叶轮式空气压缩机:其技术之多且要求之高,却是一方面需要满足各种复杂的生产过程,另一方面,也需要遵循最基本的原则,即其结构设计需要满足压力能力、容量和效率等需要。
3.螺杆式空气压缩机:其压缩具有连续性,传动机构简单,设计紧凑,压缩效率高,是目前使用最广泛的一种空气压缩机。
二、空气压缩机的选型空气压缩机的选型主要涉及到以下几个方面:1. 工作压力:通过精准的测量仪器,我们能够得到需要压缩的空气压力参数,对空气压缩机的选型必须满足压缩机的最大压力并且不能超出。
2. 处理空气的方式:可以选择在压缩前过滤掉杂质,也可以进行处理空气的方式让其保持相对干燥。
3. 空气压缩机功率:不同品牌的空气压缩机功率不尽相同,根据不同的生产工艺和生产规模选择适合自己的空气压缩机功率可提高生产效率。
4. 能耗和使用成本:高效能的空气压缩机使用成本低,因此,为了挑选到一个使用成本低、具有良好性能的空气压缩机,需要对它的主要性能指标进行仔细分析,例如:能耗、噪声、空气处理等。
三、空气压缩机的使用在空气压缩机的使用方面,需要重视以下几个方面:1. 每个使用场合合理安放:不宜放置在潮湿、密闭空间内,也不宜长时间放置在高温、阳光暴晒等有害于其生命的环境下。
2. 定期进行维护和保养:定期检查滤网和检查各种防护装置的完整性和保护性。
空压机的比较与选型金良俊前言目前市面上主流的空气压缩机有活塞式、单螺杆(蜗杆)式、双螺杆式、离心式等,本文就各种类型的空压机进行比较分析,从用户的角度叙述选用空压机的依据和要点,并简单介绍了合理配置和设置的一般方法,以帮助一般用户正确选择和使用气源设备。
一、常见空压机简介按工作原理空压机分为容积型和速度型,分别通过体积变化和气体动能变化来产生压缩空气。
往复式压缩机(也称活塞式压缩机)的工作原理是直接压缩气体,当气体达到一定压力后排出。
螺杆式压缩机的工作原理是压缩气体的体积,使单位体积内气体分子的密度增加以提高压缩空气的压力;离心式压缩机的工作原理是提高气体分子的运动速度,使气体分子具有的动能转化为气体的压力能,从而提高压缩空气的压力。
1.1活塞式空压机原理活塞式空压通过活塞的往复运动,循环吸气、压缩、排气的流程来压缩气体,这就决定了其产出的压缩空气会产生低频脉冲,若要提供较平稳的气流必须配套缓冲罐。
同样由于周期性的往复运动其振动和噪音都较大,易损件较多,维护量大,已逐步被螺杆式和离心式取代。
其优势在于国内技术成熟,适用范围广、价格低廉,维护技术要求不高,产出气体污染小,在小型工程,特殊气体介质压缩等领域应用较多。
1.2螺杆空压机原理螺杆空压机属于容积式压缩机的一种,按结构又分为单、双螺杆。
单螺杆压缩机又称蜗杆式(OG),压缩机由一个螺杆转子和两个与螺杆转子垂直的行星齿装在机壳内构成。
螺杆槽、机壳和星轮齿面构成封闭的容积,运转时,动力传到螺杆轴上,由螺杆带动星轮齿在螺槽内相对移动,封闭的齿间容积发生变化,相应的气体由吸气阀进入螺杆齿槽空间,经压缩后从壳体上的排气口排出,具体压缩原理见图(a)吸气:螺杆吸气端的齿槽与吸气腔相通时处于吸气过程,螺杆转至齿槽空间被与之啮合的星轮齿封闭,吸气结束见图(1a)。
(b)压缩:随着星轮齿沿螺杆齿槽的推进,基本容积缩小,实现气体的压缩过程,见图(1b)。
(c)排气:当基本容积与排气孔口相连通后,由于螺杆的继续回转,进行气体的排出过程,将压缩后具有一定压力的气体送至排气接管,见图(1c)。
车间空气压缩机选型方案车间现有车载移动空压机有2台:上海箭牌空气压缩机,型号为VZ-1.05/12.5,由于设备数量增加,特别是R9350E电动液压铲投入使用,空压机的使用数量、稳定性等要求更高,经车间考虑,请示购买一台电动螺杆式移动空压机,以下是车间提供参考的空压机选型方案:一、参数要求1、排气量:≥3m³/min;电机功率:>15KW;最大使用压力:≥0.8MPa;储气罐容量:>500L。
整机安装空间尺寸限制(mm):≤1800×1850×17002、类型:电动螺杆式移动空压机二、选型方案1、方案一:(1)品牌:阿特拉斯·科普柯类型:喷油螺杆压缩机(地面安装型:即储气罐与主机分离)型号:G 22-8.5(2)阿特拉斯·科普柯空压机参数及参考价格:整机质保一年。
(1)LU系列螺杆式空压机参数及参考价格:a、LU系列螺杆式空压机采用阿特拉斯·科普柯原装主机先进的SAP螺杆型线,有效延长运动部件的寿命。
螺杆主机转子质保5年,整机质保一年。
b、储气罐材质Q235R。
CMN/A系列微油螺杆空压机参数以及参考价格:(2)辛麦恩压缩机a、辛麦恩压缩机采用法国辛麦恩技术自主研发的主机,无轴封设计,主机不会漏油,主机整体质保五年【五年内主机出现任何质量问题,包换一台新主机】,整机质保一年。
b、储气罐材质Q235R。
三、方案对比(1)阿特拉斯·科普柯空压机,为进口设备,运行相对国产设备较为稳定;(2)容积流量大;(3)安装在厢式货车里,所占空间相对较小;2.方案一缺点:(1)排气压力较小,对增大黄油泵功率有一定限制,可能出现不匹配的问题;(2)与方案二比较,价格较为昂贵;3.方案二优点:(1)排气压力较大;(2)价格较为便宜;(3)主机质保五年,质保期较长;(4)方案二中,辛麦恩压缩机CMN/A系列微油螺杆空压机综合性能比LU系列螺杆式空压机较好,空压机主机质保更长,其服务站在文山,售后服务较为快捷。
空气压缩机的型号、选取依据、参数意义的培训教材一、空压机的原理及种类简介:1、压缩气体的办法有 4种 : 2种是断续气流法,另 2种是连续气流法。
这些方法: a 将一定量的连续气体截留于某种容器内,减小其体积从而使压力升高,然后将压缩气体推出容器。
b 将一定量的连续气体截留于某种容器内,把气体带到排气口但不改变其体积,通过排气系统的逆流来压缩气体,然后将压缩空气推出容器。
c 通过快速旋转的转子的机械运动来压缩气体。
转子把速度和压力传给流动的气体(在固定的扩压器或挡板上速度进一步转化为压力。
d 将气体送入同种或另一种气体(通常是,但不一定是蒸汽的高速喷嘴里,并在扩压器上将混合气体的高速度转化为压力。
采用方法 1和 2的压缩机属于断续气流类,称为变容压缩机;采用方法 3的称为速度型压缩机;采用方法 4的称为喷射压缩机,其进气压力一般低于大气压力。
2、空压机种类大概分为:往复式、回转式、离心式三大类,其中又能细分为裸机或整机、水冷或风冷、喷油或无油。
a 、往复式空压机是变容式压缩机。
这种压缩机将封闭在一个密闭空间内的空气逐次压缩(缩小其体积从而提高其气压。
往复式空压机以汽缸内的一个活塞作为压缩位移的原件来完成以上的压缩过程。
当压缩过程仅靠活塞的一侧来完成时,该往复式称为单作用空压机,如果靠活塞的二头来完成时称为双作用。
压缩过程由一个汽缸或一组单级的汽缸完成时,该空压机称为单级空压机。
许多功率超过 75Kw 的往复式空压机被设计为多级机组,压缩过程由双级或多级组成,级级之间一般有冷却功能以降低进入下一级的气温。
往复式空压机有喷油和无油两种,具有压力和气量的广泛选择余地。
b 、回转式空压机是变容式压缩机,最普通的回转式空压机是单级喷油螺杆式空压机, 这种压缩机在机腔内有两个转子,通过转子来压缩空气。
这种空压机一般为油冷(冷却介质是空气或水 ,这种油起到了密封的作用。
由于冷却在空压机内部进行,因此部件不会有很高的温度,因此,回转式空压机是连续工作制可设计成风冷或水冷机组。
面对市场上各式各样不同功效的压缩机, 很多用户对压缩机的选型上无法有一个确切的认识, 有时候是因为对不同压缩机的功效和性能不能完全了解, 而导致无法合理选型,无法选择可靠、高效、节能的压缩机型。
根据用户的具体情况和实际工艺要求, 选用适合生产需要的空气压缩机。
既不宜贪大求洋盲目选择优质高价的机型而多花费不必要的支出, 也不能为了节省开支而一味选取故障频发的劣质机型充数, 毕竟空气压缩机是工业生产中的重要动力设备。
现将常用的几种压缩机型的优缺点和其适用范围做一个简单的介绍, 希望能为用户在选择压缩机的时候做一个参考。
若按照压缩机气体方式的不同, 通常将压缩机分为两大类, 即容积式和动力式(又名速度式压缩机。
容积式和动力式压缩机由于其结构形式的不同, 又做了以下分类:螺杆压缩机螺杆空压机是回转容积式压缩机的一种,在其中两个带有螺旋型齿轮的转子相互啮合,从而将气体压缩并排出。
螺杆空气压缩机按照数目分,分为单螺杆和双螺杆;按压缩过程中是否有润滑油参与分为喷油和无油螺杆空压机,无油压缩机又分为干式和喷水两种。
螺杆空压机总的来说结构简单,易损件少,排气温度低,压比大,尤其不怕气体中带液、带尘压缩, 喷油螺杆式压缩机的出现, 使动力工艺和制冷用的螺杆式压缩机(包括螺杆式空压机、螺杆式制冷机等在国内外得到了飞速的发展。
工作原理螺杆式空气压缩机是利用阴阳螺杆转子的相互啮合使齿间容积不断减小、气体的压力不断提高, 从而连续地产生压缩空气。
螺杆式空气压缩机也属于容积式压缩机, 但由于螺杆机型的工作原理, 决定了相对于活塞式空气压缩机而言, 螺杆式空气压缩机供气稳定,一般不需要配备储气罐。
工作过程如下图所示。
主要优点1、可靠性高:螺杆空压机零部件少,易损件少,因而它运转可靠,寿命长。
2、操作维护方便:操作人员不必经过长时间的专业培训, 可实现无人值守运转, 操作相对简单,可按需要排气量供气。
3、动力平衡性好:螺杆空压机没有不平衡惯性力,机器可以平稳地高速工作, 可实现无基础运转, 特别适合用作移动式压缩机, 体积小, 重量轻, 占地面积少。
4、适应性强:螺杆空压机具有强制输气的特点,排气量几乎不受排气压力的影响,运转平稳、振动小,排气稳定,在宽广的范围内能保持较高的效率。
5、多相混输:螺杆空压机的转子齿面间实际上留有间隙,因而能耐液体冲击, 可压送含液气体、含粉尘气体、易聚合气体等。
6、单位排气量体积小,节省占地面积。
虽说螺杆压缩机具有以上优点, 但是要保持螺杆压缩机组工作运行正常, 安全可靠,工作寿命长,还必须制定详细的维护计划。
最好执行定人操作、定期维护、定期检查保养,使压缩机保持清洁、无油、无污垢。
只有全面的掌握维护常识和熟悉故障的解决方法,才能保证压缩机的平稳运行。
主要缺点1、运转噪音较大、一般情况下需安装消声降噪设备。
2、由于其具有较强的平衡性,能高速运转,因此功耗相对稍高。
3、长期运转后螺杆间隙会变大,定期修复或更换费用较大。
应用范围螺杆压缩机具有可靠性高、维护方便、适应性强等独特的优点, 随着对其研究的不断深化和设计技术的持续提高,螺杆压缩机的性能将会得到进一步的改善, 其应用领域会越来越广泛。
除传统的应用场合外, 螺杆压缩机在燃料、电池等新领域的应用将迅速扩大。
同时, 由于螺杆式压缩机工作可靠性的不断提高, 使之在中等制冷量范围内已逐渐替代往复式压缩机, 并占据了离心式压缩机的部分市场。
发展趋势在石化领域,目前国内离心压缩机在高技术和特殊产品等方面还不能满足国内的需要。
另外在技术水平、质量、成套性等方面与国外还有差距。
随着我国石化生产规模的不断扩大, 离心压缩机在大型化方面将面临新的课题, 国内在设计制造这些大型气体压缩机上还没有成熟的经验。
由于受到单螺杆压缩机的挑战, 部分双螺杆空气压缩机市场将被单螺杆压缩机挤占。
但国内双螺杆工艺压缩机一直依靠进口,故双螺杆工艺压缩机将是一个发展方向。
离心压缩机离心式压缩机是一种动力式压缩机,在其中有一个或多个旋转叶轮(叶片通常在侧面使气体加速, 主气流是径向的。
动力式压缩机又分为喷射式和透平式压缩机, 离心式压缩机就属于透平式压缩机组。
在离心式压缩机中, 高速旋转的叶轮给予气体的离心力作用, 以及在扩压通道中给予气体的扩压作用, 使气体压力得到提高。
工作原理离心式空气压缩机是由叶轮带动气体做高速旋转,使气体产生离心力,由于气体在叶轮里的扩压流动, 从而使气体通过叶轮后的流速和压力得到提高, 连续地生产出压缩空气。
离心式空气压缩机属于速度式压缩机, 在用气负荷稳定时离心式空气压缩机工作稳定、可靠。
主要优点1、流量大、功率大、利于节能。
透平机械流经叶轮的介质, 一直是连续不断的, 气缸的容积较大, 叶轮能够高速旋转, 故透平机械的排气流量和发生的功率可大大增加。
所以离心压缩机排气均匀,气流无脉冲。
2、结构紧凑、密封效果好,泄露现象少,尺寸小,因而机组占地面积及重量都比同一气量的活塞式压缩机小得多。
3、运转平稳,操作可靠,因此它的运转率高,有平坦的性能曲线,操作范围较广,维护费用及人员少。
4、离心式压缩机的压缩过程可以做到绝对无油,机内不需要润滑,这对许多行业的生产是很重要的。
5、易损件少、运转周期长,运动零件少而简单,且制造精度低,所以其制造费用相对低且可靠性高。
易于实现自动化和大型化。
主要缺点1、离心式压缩机的目前还不适用于气量太小及压比过高的场合。
2、离心式压缩机的稳定工况区较窄,其气量调节虽较方便,但经济性较差。
气流速度大,流道内的零部件有较大的摩擦损失。
3、离心式压缩机的效率一般仍低于活塞式压缩机。
操作的适应性差,气体的性质对操作性能有较大影响。
在机组开车、停车、运行中,负荷变化大。
4、离心式压缩机转速较高,有可能产生机械振动,在运行特性方面,会有喘振现象,对机器的危害极大。
5、操作相对复杂,齿轮箱噪声大,设备技术含量高,维护费用较大。
应用范围近些年,化学工业和大型化工厂的陆续建立,使得离心式压缩机成为了压缩和输送化工生产中各种气体的关键机器, 占有及其重要的地位。
随着气体动力学研究的成就使离心压缩机的效率不断提高, 又由于高压密封, 小流量窄叶轮的加工, 多油楔轴承等技术关键的研制成功, 解决了离心压缩机向高压力, 宽流量范围发展的一系列问题, 使离心式压缩机的应用范围大为扩展, 以致在很多场合可取代往复压缩机,而大大地扩大了应用范围。
有些化工基础原料,如丙烯、乙烯、丁二烯、苯等可加工成塑料、纤维、橡胶等重要化工产品。
在生产这种基础原料的石油化工厂中, 离心式压缩机也占有重要地位,是关键设备之一。
除此之外,其他如石油精炼,制冷等行业中,离心式压缩机也是极为关键的设备。
发展趋势目前离心式压缩机可用来压缩和输送化工生产中的各种气体,并且它的排气压力比早期有了很大的提高, 其最小气量也有所降低, 这就相应的扩大了离心式压缩机的应用范围。
离心式压缩机需要向大容量发展, 以满足我国石化生产规模不断扩大的要求, 同时随着新技术的发展、新型气体密封、磁力轴承和无润滑联轴器的出现, 离心压缩机的发展趋势主要表现为:不断开发高压和小流量产品; 进一步研究三元流动理论, 将其应用到叶轮和叶片扩压器等元件的设计中, 以期达到高效机组; 低噪声化, 采用噪声防护以改善操作环境。
尤其是随着化工和石油化工生产的发展, 生产规模不断地增大, 离心式压缩机凭借其优越的性能, 在诸多工业领域的应用就愈来愈为广泛,发展趋势良好。
活塞式压缩机活塞式压缩机是一种最常见的容积式压缩机。
它由曲柄连杆机构将驱动机的旋转运动变为活塞的往复运动。
活塞与气缸共同组成压缩机工作腔, 依靠活塞在气缸内的往复运动, 并借助进、排气阀的自动开闭, 使气体周期性地进入气缸工作腔,进行压缩和排出。
活塞式压缩机主要由三大部分组成; 运动机构 (曲轴、轴承、连杆、十字头、皮带轮或联轴器等、工作机构(气缸、活塞、气阀等与机身。
此外还有 3个辅助系统:即润滑系统、冷却系统及调节系统。
运动机构是一种曲柄连杆机构, 把曲轴的旋转运动变为十字头的往复运动。
机身用来支承和安装整个运动机构和工作机构。
工作机构是实现压缩机工作原理的主要部件。
工作原理在气压传动中,通常采用容积型活塞式空气压缩机。
活塞式空气压缩机是利用曲轴带动活塞的往复运动使气缸腔内的气体受到压缩而不断地产生压缩空气。
活塞式空气压缩机属于容积式压缩机, 该机型的工作原理、特性所限, 为了供气稳定,一般活塞式空气压缩机都配备有储气罐。
主要优点1、适用压力范围广。
因依靠容积变化的原理工作,因而不论其流量大小,都能达到很高的工作压力。
目前已制成低、中、高、超高压各种压缩机,其中工业上超高压压缩机的工作压力可达 350MPa (3500kgf/cm2。
2、设备价格低、初投资少、操作方便、使用寿命长。
3、因压缩过程属封闭过程,所以热效率较高。
4、适应性强,排气量范围广,且受排气压力变化的影响较小,当介质重度改变时,其容积排量和排气压力的变化也较小。
主要缺点1、惯性力大,转速不能太高,故而机器较笨重,大排量时尤甚。
2、结构复杂,易损件多,维修工作量大、维护费用相对较高。
3、排气不连续,气流压力脉动,易产生气柱振动。
4、运行时振动和噪声较大,设备安装基础要求高。
由于活塞式机械仅能间断地进气、排气, 气缸容积较小, 活塞往复运动的速度不能太快,因而活塞机械的排气量和发出的功率要受到很大的限制。
适用范围活塞式压缩机属于一种往复式压缩机,压力等级属于中压、高压、超高压等级,适合压力较高场合适用,流量为中、小流量范围主要适用于中、小排量,压力较高场合。
发展趋势活塞式压缩机是传统领域应用最广泛的压缩机,但是随着其它回转压缩机等产品的崛起,其在很多领域,比如制冷的市场正逐步缩小。
国内石化领域的重点乙烯建设工程以及近年来在煤炭领域的大力整顿,都将带动活塞式压缩机技术及其行业的发展。
活塞式压缩机主要是向大容量、高压力、低噪声、高效率、高可靠性等方向发展; 不断开发变工况条件下运行的新型气阀, 提高气阀寿命;在产品设计上,应用热力学、动力学理论,通过综合模拟预测压缩机在实际工况下的性能; 强化压缩机的机电一体化, 采用计算自动控制, 实现优化节能运行和联机运行。
为发扬优点,克服缺点,在结构参数上趋向高转速、短行程,使结构紧凑。
同时延长气阀、密封元件等易损件的寿命, 以提高运转率。
随着优化设计理论和计算机技术的发展,为合理选取设计参数,提高效益开创了新的前景。
滚动活塞式压缩机滚动式活塞压缩机又名转子压缩机,在原偏心轮外加一套圈后称之为滚动活塞压缩机或滚动转子压缩机。
在我国还简称滚子压缩机、定片压缩机或旋转式压缩机。
这种压缩机不需要吸气阀,其最大特点是适用于变速运行,从而可以通过变频控制提高系统性能。