电 焊 机 验 收 单
- 格式:doc
- 大小:35.50 KB
- 文档页数:1
附件:特种设备检验收费项目和标准第一部分承压类特种设备检验收费标准一、锅炉检验收费标准(二)工业锅炉安装过程、改造过程、重大维修监督检验收费标准单位:元/台(三)电站锅炉安装过程、改造过程、重大维修监督检验收费标准单位:元/吨(三)锅炉定期检验收费标准1、工业锅炉检验收费标准2、电站锅炉检验收费标准单位:元/吨(一)压力容器1、压力容器产品制造过程监督检验收费标准一、二、三类压力容器定期检验超高压容器定期检验收费标准(二)医用氧舱医用氧舱定期检验及安装监检收费标准单位:元/台(三)汽车罐车、铁路罐车检验收费标准三、压力管道检验收费标准(一)压力管道元件制造质量监督检验收费标准压力管道元件制造质量监督检验收费按受检产品设备价的1.0%收取。
(二)钢制压力管道安装过程监督检验及全面检验收费标准单位:元/台五、设计技术资料审查收费标准第二部分机电类特种设备检验收费项目和标准一、电梯类收费标准(二)监督检验收费标准(一)起重机械定期检验及验收检验102、臂架起重机定期检验(二)起重机械监督检验收费标准三、厂(场)内机动车辆类收费标准(一)定期检验(二)验收检验四、大型游乐设施类收费标准(二)游乐设施监督检验收费标准第三部分其他检验收费项目和标准一、各类气瓶检验收费标准二、锅炉水质分析项目收费标准三、有机热载体炉介质检验收费标准3一、特种设备作业人员理论考试收费标准理论考试50元/人.二、特种设备作业人员实践考试收费标准(一)特种设备安全管理实践考试(锅炉、压力容器、气瓶充装、压力管道、电梯、起重机械、厂内机动车、大型游乐设施):100元/人(二)电梯、起重机械安装维修实践考试:320元/人;(三)电梯、起重机械、场内机动车、大型游乐设施操作司机实践考试:100元/人(其中岸边集装箱起重机、轮胎式集装箱门式起重机、桥式抓斗式起重机、港口门座起重机、通用桥式起重机械司机操作考试200元/人);(四)锅炉、压力容器、气瓶充装、压力管道、水处理操作实践考试压力容器、气瓶充装、压力管道:100元/人;锅炉:180元/人;水处理:200元/人;电站锅炉:200元/人;(六)锅炉、压力容器、压力管道焊工实践考试碳钢250元/人、不锈钢600元/人,PE管热熔对焊接(BW—J-d)600元/人、PE管热熔对焊接(BW—J—D)1900元/人、PE管电熔承焊焊(EW—Z-C)750元/人。
第六节表格填写范例施工现场质量管理检查记录表(填写范例)附表A 开工日期:2002年5月18日砖砌体(混水)工程检验批质量验收记录表(填写范例)GB50203—2002成套配电柜、控制柜(屏、台)和动力、照明本电箱(盘)安装检验批质量验收记录(填写范例)GB50303—2002砖砌体分项工程质量验收记录表(填写范例)图表C.0.1填表说明:1、将分项工程名称填写具体和检验批表的名称一致;2、检验批逐项填写,并注明部位、区段,以便检查是否有没有检查到的部位:3、由项目专业技术负责人和该专业的监理工程师签字。
成套配电柜、控制柜(屏、台)和动力、照明配电箱(盘)安装分项工程质量验收记录表GB50303—2002(填写范例)附表C.0.2 060401主体分部(子分部)工程质量验收记录表(填写范例)填表说明:1、分部(子分部)工程的名称填写要具体,并注明是分部还是子分部;2、分项工程填写要是全部分项工程,并写明检验批的数量;3、资料审查要按子分部工程分别检查,要按层次进行,并判断其能否达到完整的要求;判定达到3、4项要求施工单位填写“合格”,监理单位填写“同意验收”,并将资料附在后边;4、安全和功能抽查,每项检测有单项报告,其结果能达到设计要求;5、观感质量验收按单位工程的程序和要求进行,并附评价表;6、各单位的项目经理、项目负责人及总监理工程师签字确认。
电气动力安装工程分部(子分部)工程验收记录(填写范例)附表D.0.2 0604单位(子单位)工程质量竣工验收记录表(填写范例)填表说明:1、单位(子单位)工程的名称要填写全称,即批准项目的名称,并注明是单位工程或子单位工程;2、安全和主要使用功能核查及抽查结果栏,包括两个方面,一个是在分部、子分部工程抽查过的项目检查检测报告的结论;另一方面是单位工程抽查的项目要检查其全部的检查方法程序和结论。
3、综合验收结论,填写通过或同意验收。
不同意验收就不一定形成表格,待返修完善后,再形成表格;4、难收单位签字人表上要求人员签名,对勘察单位在地基分部中签字。
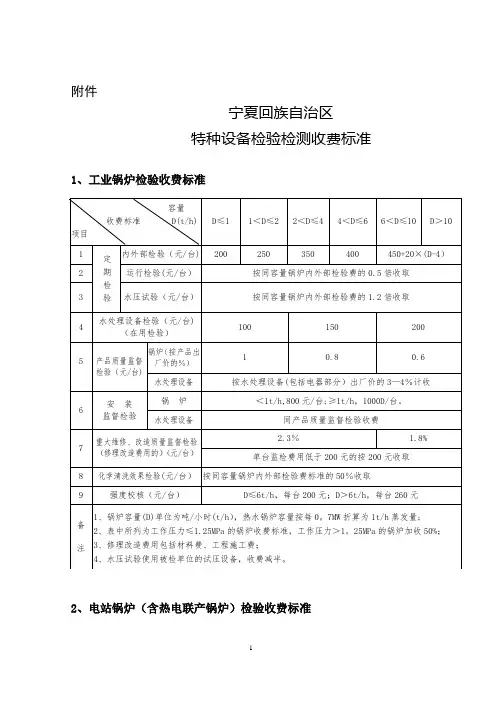
附件宁夏回族自治区特种设备检验检测收费标准1、工业锅炉检验收费标准2、电站锅炉(含热电联产锅炉)检验收费标准3、进出口锅炉、压力容器安全质量监督检验收费标准(1)进口锅炉、压力容器安全性能监督检验费按该设备到岸价的0。
8-1.0%收取。
(2)出口锅炉、压力容器安全性能监督检验费按国内同类产品出厂价格的0。
8-1.0%收取.(3)单台进出口锅炉、压力容器监督检验费低于260元的按260元收取。
4、锅炉水质分析收费标准5、压力容器检验收费标准6、罐车检验收费标准7、医用氧舱检验收费标准(1)现场安装质量监督检验费每台按工程总造价的1%计收;(2)一年期定期检验按舱容人数(n),100(9+ n)元/台收取;(3)三年期检验,配套压力容器按压力容器收费标准执行。
8、气瓶检验收费标准9、压力管道检验收费标准10、电梯检验收费标准11、起重机械检验收费标准12、厂内机动车辆检验收费标准13、客运架空索道检验收费标准(1)单线固定抱索器监督检验5000元/台;(2)单线固定抱索器定期检验按监督检验的50%收取; 注:改造、重大维修后的检验按相应类别的检验标准收取.14、游艺机及游乐设施检验收费标准15、无损探伤收费标准16、理化金相试验收费标准附则:1、本通知中特种设备指《中华人民共和国特种设备安全法》和《特种设备安全监察条例》中所指涉及生命安全、危险性较大的锅炉、压力容器(含气瓶)、压力管道、电梯、起重机械、客运索道、大型游乐设施、场(厂)内专用机动车辆。
2、特种设备现场安装、组装监督检验分段验收的,安装竣工后的验收不另行收费。
3、检验现场的准备与清理及无损探伤表面的清理工作的费用由受检单位支付。
4、凡使用受检验单位工具、设施、设备进行检验、检测、试验的,收费减半。
5、特种设备检验机构在单程200公里以外检验时发生的差旅费按财政部门规定的现行差旅费标准由受检单位支付.6、特种设备内外部检验收费中不包括厚度测定、硬度测定、理化金相试验、无损检测、安全附件校验等费用。
新资料、新工艺施工记录质控(建)表工程名称技术论证日期新资料、新工艺名称施工部位及数目施工日期隐蔽工程查收记录编号出厂合格证编号施工过程状况简述:施工单位鉴定部门、日期型号、规格工艺标准编号竣工日期施工环境进场复验报告编号共页第页施工单位项目负责人:年月日查收建议:总监理工程师:年月日设施开箱检查记录质控(安)表 4.2.2 -1共页第页单位(子单位)工程名称施工单位分部工程设施名称装箱单号型号规格设施位号出厂编号出厂日期制造厂名检查日期设施主要技术性能技装箱单份张合格证份张术说明书份张装箱图纸份张文其它件设包装备设备检外观查零零件情其它况存在问题及办理建议办理状况结论专业监理工程师质检员施工(建设单位项目单位施工员专业技术负责人)资料进场抽样检查记录质控(安)表4.2.2 -2共页第页单位(子单位)工程名称施工单位分部工程名称规格外观质量进场数目进场日期抽检数目抽检结论备注专业监理工程师施工质检员施工员资料员(建设单位项目单位专业技术负责人)设施、材料合格证汇总表质控(安)表 4.2.2 -3共页第页单位(子单位)工程名称施工单位分部工程合格证编号设施或资料名称型号规格数量生产厂名出厂日期及批号进场日期安装部位质检员施工员资料员阀门强度及严实性试验记录质控(水)表4.2.3 -1共页第页单位(子单位)工程名称施工单位型号规格分部工程阀门数目 (个)抽查数目 (个)公称压力 (MPa)安装部位试验日期试压设施名称、型号、装置情况说明或图示抽查阀门编号强试验压力( MPa )在试验压力下度连续时间内的压力降(MPa)试外观检查验严试验压力(MPa)密性在连续时间内试外观检查验试验结论专业监理工程师施工质检员(建设单位项目单位施工员专业技术负责人)试验员管道、设施强度及严实性试验记录质控(水)表 4.2.3 -2共页第页单位(子单位)工程名称施工单位试压系统名称起讫端点工作压力 (MPa)强试验压力 (MPa)度稳压时间 (min)试验压力降 (MPa)严试验压力 (MPa)密稳压时间 (min)性试外观检查验试压设施名称、型号、装置状况说明或图示试压日期试验结论专业监理工程师施工质检员(建设单位项目施工员专业技术负责人)单位试验员燃气管道强度及严实性试验记录质控(水)表4.2.3 -3共页第页单位(子单位)工程名称施工单位试压系统名称起讫端点试验介质试压日期设计压力( kPa )强试验压力( kPa )度试达到试验压力后验稳压 1h,外观检查状况设计压力( kPa )气试验压力( kPa )密达到试验压力后稳压 24h ,性压力降△P(Pa)试压时期管内试温度和大气压变化时压力降验的修正当△P(Pa)试验结论专业监理工程施工质检员燃气管理师(建设单位项施工员单位代表目专业技术负单位试验员责人)系统清洗记录质控(水)表4.2.5 -1共页第页单位(子单位)工程名称施工单位给水系统冲洗记录管路编号始讫层次出现问题修复情况日期生活给水系统消毒记录管道与容器总容积 (m 3)消毒剂名称消毒剂投放量( g)消毒剂灌满整个浸泡时间自月日时分至月日时分止给水管系统状况结论:水质排只管道中的进口出口含氯水 ,再用自气味来水冲刷结果水色查验报告编号专业监理工程师施工质检员(建设单位项目单位施工员专业技术负责人)管道系统吹扫(脱脂)查验记录质控(水)表4.2.5 -2单位(子单位)工程名称施工单位吹扫(脱脂)系统名称吹扫(脱脂)日期吹吹扫介质扫吹扫压力( Pa)吹扫次数记靶板检查录结论脱直接法脂记间接法录结论专业监理工程师(建设单位项目专业技术负责人)共页第页施工质检员单位施工员试验员排(雨)水管道灌水试验记录质控(水)表4.2.6 -1共页第页单位(子单位)工程名称施工单位试验日期排水管在排水管灌水高度灌水连续时间外观检查设计图上管内液面状况(部位或管段)( min )编号处结理情论况专业监理工程师施工质检员(建设单位项目专施工员业技术负责人)单位试验员排水管道通水能力试验记录质控(水)表4.2.6 -2共页第页单位(子单位)工程名称施工单位试验日期排水管始讫层次试验情况管路编号出修结现复问情题后况论专业监理工程师施工质检员(建设单位项目专施工员业技术负责人)单位试验员排水管道通球试验记录质控(水)表 4.2.6 -3共页第页单位(子单位)工程名称施工单位试验日期管径球径管道编号试验部位试验情况(mm )(mm)出现问题后修复状况专业监理工程师(建设单位项目专业技术负责人)施工单位结论质检员施工员试验员水泵试运行测试检查记录质控(水)表共页 第页单位(子单位)工程名称施工单位试运行日期 设施名称 型号规格安装位号制造厂名 出厂日期 水泵扬程出口压力间 隙 要求值室内温度轴向倾斜(滴)最联填 滴高径向位移水温轴度料 情 每分钟轴承温度(器 室 况实测值℃ 用手盘动(滴))机身温度阀门工作状况额定电压值 (V) 实 测 I A 实测电压值 (V)电流I B 额定电流值 (A)值(A)I C电动 机 绝缘电阻值相间绝缘电阻值( M Ω) 相对地绝缘电阻值( M Ω) 外壳接地电阻值A - BB –CC –AA –EB –EC –E(Ω)实 测 值 其 他 试 运 转 情 况结论质检员专业监理工程师施工(建设单位项目专施工员业技术负责人)单位试验员室内给水管道及配件安装工程查验批质量查收记录050101□□单位(子单位)工程名称分部(子分部)工程名称施工单位分包单位查收部位项目经理分包项目经理施工履行标准名称及编号监理(建设)施工质量查收规范的规定施工单位检查评定记录单位查收记录主1给水管道水压试验第条控 2给水系统通水试验第条项 3生活给水系统管道冲刷和消毒第条目4直埋金属给水管道防腐第条1给水排水管铺设的平行、垂直净第条距2金属给水管道及管件焊接第条3给水水平管道坡度坡向第条4管道支、吊架第条5水表安装第条一水平管钢管每 m1mm 全长 25m以上≯25mm道纵、塑料管每 m 1.5mm般横方向复合管全长 25m以上≯25mm曲折允每 m2mm项许误差铸铁管全长 25m以上≯25mm目6钢管每 m3mm5m 以上≯8mm立管垂塑料管每 m2mm直度允复合管5m 以上≯8mm许误差每 m3mm铸铁管5m 以上≯10mm成排管段和在同一平面上3mm成排阀门的间距施工单位检查评定结果专业工长(施工员)施工班组长项目专业质量检查员:年月日监理(建设)单位查收结论专业监理工程师:(建设单位项目专业技术负责人)年月日室内消火栓系统安装工程查验批质量查收记录050102□□单位(子单位)工程名称分部(子分部)工程名称施工单位分包单位查收部位项目经理分包项目经理施工履行标准名称及编号监理(建设)施工质量查收规范的规定施工单位检查评定记录单位查收记录主控室内消火检试射试验设计要求1项目1室内消火栓水龙带在箱内安置第 4.3.2 条一般栓口朝外,其实不该安装在门轴侧项2栓口中心距地面 1.1m 同意误差±20mm目阀门中心距箱侧面140mm 同意误差±5mm同意误差距箱后内表面100mm±5mm同意误差消火栓箱体安装的垂直度3mm专业工长(施工员)施工班组长施工单位检查评定结果项目专业质量检查员:年月日监理(建设)单位查收结论专业监理工程师:(建设单位项目专业技术负责人)年月日给水设施安装工程查验批质量查收记录050103 □□单位(子单位)工程名称分部(子分部)工程名称查收部位施工单位项目经理分包单位分包项目经理施工履行标准名称及编号监理(建设)施工质量查收规范的规定施工单位检查评定记录单位查收记录主 1水泵基础设计要求控 2水泵试运行的轴承温升第条项敞开水箱满水试验和密闭水箱3条第目(罐)水压试验一 1水箱支架或底座安装第条2水箱溢流管和泄放管安装第条般 3立式水泵减振装置第条静坐标15mm项置标高±5mm设垂直度(每 m)5mm目安装备4同意离立式垂直度(每m)0.1mm误差心卧式水平度(每m)0.1mm式轴向倾斜(每m ) 0.8mm联轴器水泵齐心度径向位移0.1mm保温同意误差厚度δ+0.1 δ-0.05 δ5层允许偏卷材5mm表面平坦度差涂抹10mm专业工长(施工员)施工班组长施工单位检查评定结果项目专业质量检查员:年月日监理(建设)单位查收结论专业监理工程师:(建设单位项目专业技术负责人)年月日室内排水管道及配件安装工程查验批质量查收记录050201□□单位(子单位)工程名称分部(子分部)工程名称施工单位分包单位查收部位项目经理分包项目经理施工履行标准名称及编号监理(建设)施工质量查收规范的规定施工单位检查评定记录单位查收记录主1排水管道灌水试验第条控2生活污水铸铁管,塑料管坡度第、5.2.3 条项3排水塑料管安装伸缩节第条目4排水主立管及水平干管通球试验第条1生活污水管道上设检查口和清第、5.2.7 条扫口2金属和塑料管支、吊架安装第、5.2.9 条3排水通气管安装第条第、4医院污水和饮食业工艺排水条5室内排水管道安装第、、条坐标15mm 标高±15mm一铸管每 1m≯1mm铁全长( 25m以上)≯25mm 般排横管项水钢管管纵横方向目安曲折6装塑料允管许钢筋偏砼管差铸铁管立管垂直钢管度塑料管每 1m管径≤100mm1mm管径 >100mm 1.5mm全长管径≤100mm≯25mm(25m 以管径 >100mm≯38mm上)每 1m 1.5mm全长( 25m以上)≯38mm每 1m3mm全长( 25m以上)≯75mm每 1m3mm全长( 5m以上)≯15mm每 1m3mm全长( 5m以上)≯10mm每 1m3mm全长( 5m以上)≯15mm专业工长(施工员)施工班组长施工单位检查评定结果项目专业质量检查员:年月日监理(建设)单位查收结论专业监理工程师:(建设单位项目专业技术负责人)年月日雨水管道及配件安装工程查验批质量查收记录050202 □□单位(子单位)工程名称分部(子分部)工程名称查收部位施工单位项目经理分包单位分包项目经理施工履行标准名称及编号监理(建设)施工质量查收规范的规定施工单位检查评定记录单位查收记录1室内雨水管道灌水试验第条主2塑料雨水管安装伸缩节第条( 1)管径 50mm20 ‰控地下埋( 2)管径 75mm15 ‰3设雨水( 3)管径 100mm8 ‰项管道最( 4)管径 125mm 6 ‰小坡度( 5)管径 150mm 5 ‰目( 6)管径 200~400mm 4 ‰4悬吊雨水管最小坡度≤ 5 ‰1雨水管不得与生活污水管道第条连结一2雨水斗管安装第条3悬吊式雨水管管径≤150≯15m般道检查口间距管径≥200≯20m 焊焊口平直度管壁厚10mm之内管壁厚 1/4项口高度+1mm焊缝增强面4允宽度目许咬深度小于 0.5mm 偏连续长度25mm长度总长度(双侧)小于焊缝长度的10%差边5雨水管道安装的同意误差第条同室内排水管专业工长(施工员)施工班组长施工单位检查评定结果项目专业质量检查员:年月日监理(建设)单位查收结论专业监理工程师:(建设单位项目专业技术负责人)年月日室内热水管道及配件安装工程查验批质量查收记录050301□□单位(子单位)工程名称分部(子分部)工程名称施工单位分包单位查收部位项目经理分包项目经理施工履行标准名称及编号监理(建设)施工质量查收规范的规定施工单位检查评定记录单位查收记录主1热水供给系统管道水压试验第条控2热水供给系统管道安装赔偿器第条项3热水供给系统管道冲刷第条目一1管道安装坡度设计规定2温度控制器和阀门安装第条般管水平管钢管每 m1mm道道纵横全长 25m以上≯25mm项3安方向弯塑料管每 m 1.5mm装曲复合管全长 25m以上≯25mm目允立管垂钢管每 m3mm许 直度全长 25m以上 ≯8mm偏 塑料管 每 m2mm差复合管 全长 5m 以上≯8mm成排管道和 在同一平面3mm成排阀门上间距保温层允 厚 度+0.1 δ、-0.05 δ5mm 4卷 材 许误差表面平坦度10mm涂抹专业工长(施工员) 施工班组长施工单位检查评定结果项目专业质量检查员:年 月 日监理(建设)单位查收结论专业监理工程师:(建设单位项目专业技术负责人)年 月日热水供给系统协助设施安装工程查验批质量查收记录050302 □□单位(子单位)工程名称分部(子分部)工程名称 查收部位施工单位 项目经理分包单位分包项目经理施工履行标准名称及编号施工质量查收规范的规定监理(建设) 施工单位检查评定记录单位查收记录主热水互换器, 太阳能热水器排管 第 条第1和水箱等水压和满水试验 条 控 第 条项第2 水泵基础条 目第3水泵试运行温升 条 一 1太阳能热水器安装第条2太阳能热水器上、下集管的循环第条般管道坡度3水箱底部与上集管间距第条项 4集热排管安装紧固第条5热水器最低处安装泄水装管置第条目太阳能热水器上、下集管管道保第条6温,防冻第条设静置坐标15mm备标高±5mm设施安垂直度(每 m)5mm7装立式泵体垂直度(每m)0.1mm允离心m)0.1mm卧式泵体水平度(每许式水轴向倾斜(每m) 0.8mm偏泵联轴器齐心度径向位移0.1mm差热水器标高中心线距地面±20mm8安装同意朝向最大偏移角不大于15°偏差专业工长(施工员)施工班组长施工单位检查评定结果项目专业质量检查员:年月日监理(建设)单位查收结论专业监理工程师:(建设单位项目专业技术负责人)年月日卫生用具安装工程查验批质量查收记录050401 □□单位(子单位)工程名称分部(子分部)工程名称查收部位施工单位项目经理分包单位分包项目经理施工履行标准名称及编号监理(建设)施工质量查收规范的规定施工单位检查评定记录单位查收记录主第1排水栓与地漏安装条控项目2卫生用具满水试验和通水试验第条独自用具10mm坐标卫生成排用具5mm一用具独自用具±15mm1安装标高般同意成排用具±10mm误差用具水平度2mm项用具垂直度3mm目第 7.2.4 条、2浴盆检修门、小便槽冲刷管安装第 7.2.5 条3卫生用具的支、托架第条专业工长(施工员)施工班组长施工单位检查评定结果项目专业质量检查员:年月日监理(建设)单位查收结论专业监理工程师:(建设单位项目专业技术负责人)年月日卫生用具给水配件安装工程查验批质量查收记录050402 □□单位(子单位)工程名称分部(子分部)工程名称查收部位施工单位项目经理分包单位分包项目经理施工履行标准名称及编号监理(建设)施工质量查收规范的规定施工单位检查评定记录单位查收记录主控1 卫生用具给水配件第 7.3.1 条项目高、低水箱角阀及截止阀、±10mm水嘴给水配件1 安装同意淋浴器喷头下沿±15mm偏差浴盆软管淋浴器挂钩±20mm2 浴盆淋浴器挂钩高度距地 1.8m第条专业工长(施工员)施工班组长施工单位检查评定结果项目专业质量检查员:年月日监理(建设)单位查收结论专业监理工程师:(建设单位项目专业技术负责人)年月日卫生用具排水管道安装工程查验批质量查收记录050403 □□单位(子单位)工程名称分部(子分部)工程名称查收部位施工单位项目经理分包单位分包项目经理施工履行标准名称及编号监理(建设)施工质量查收规范的规定施工单位检查评定记录单位查收记录主用具受水口与立管,管道与楼板1第条控接合项连结排水管道接口应严实,其支目2第条托架安装每 1m 长2mm 安横管曲折度横管长度10m≤,全长 8mm 装横管长度>10m,全长 10mm 允卫生用具排水独自用具10mm1一许管口及横支管成排用具5mm 偏的纵横坐标般差卫生用具接口独自用具±10mm 标高成排用具±5mm项排污水盆(池)管径25 ‰水50mm目管管径25 ‰单、双格清洗盆(池)管50mm2径洗手盆、洗脸盆管径20 ‰和32~50mm最浴盆管径20 ‰小50mm坡管径20 ‰淋浴器50mm度管径12 ‰高低水箱100mm管径12 ‰大便器自闭式冲刷阀100mm管径12 ‰拉管式冲刷阀100mm管径20 ‰冲刷阀小便器40~50mm管径20 ‰自动冲刷水箱40~50mm管径25 ‰化验盆(无塞)40~50mm净身器管径20 ‰40~50mm饮水器管径10~2020~50mm‰专业工长(施工员)施工班组长施工单位检查评定结果项目专业质量检查员:年月日监理(建设)单位查收结论专业监理工程师:(建设单位项目专业技术负责人)年月日室内采暖管道及配件安装工程查验批质量查收记录050501 □□单位(子单位)工程名称分部(子分部)工程名称查收部位施工单位分包单位施工履行标准名称及编号项目经理分包项目经理监理(建设)施工质量查收规范的规定施工单位检查评定记录单位查收记录1管道安装坡度第条主 2采暖系统水压试验第条控3采暖系统冲刷、试运行和调试第条、第条项第条、第条4赔偿器的制作、安装及预拉伸目第条5均衡阀、调理阀、减压阀安装第条、第条1热量表、疏水器、除污器等安装第条2钢管焊接第条3采暖进口及分户计量入户装置第条安装第条,第条,第条,第4管道连结及散热器支管安装条,第条,第条一5管道及金属支架的防腐第 8.2.16 条横管道纵、每 1m 管径100mm≤1般管管径>100mm 1.5横方向弯道管径100mm≤≯13曲( mm )全长(25m以上)≯25项安管径>100mm6装立管垂直每 1m2目允度( mm )全长( 5m以上)≯10许椭圆率管径100mm≤10%偏管径>100mm8%弯管差管径100mm≤4折皱不平度mm管径>100mm5+0.1 δ厚度-0.05 δ7管道保温同意误差卷材5表面平坦度mm涂抹10施工单位检查评定结果专业工长(施工员)施工班组长项目专业质量检查员:年月日监理(建设)单位查收结论专业监理工程师:(建设单位项目专业技术负责人)年月日室内采暖协助设施及散热器及金属辐射板安装工程查验批质量查收记录单位(子单位)工程名称分部(子分部)工程名称施工单位分包单位施工履行标准名称及编号施工质量查收规范的规定1散热器水压试验主2金属辐射板水压试验控项金属辐射板安装3目4水泵、水箱安装1散热器的组对一2散热器的安装般3散热器表面防腐涂漆项散热散热器反面与墙内表面距离目器安装允与窗中心线或设计定位尺寸050502 □□050503 □□查收部位项目经理分包项目经理监理(建设)施工单位检查评定记录单位查收记录第 8.3.1 条第 8.4.1 条第 8.4.2 条、第 8.4.3 条第 8.3.2 条第 8.3.3 条、第 8.3.4 条第 8.3.5 条、第 8.3.6 条第 8.3.8 条3mm20mm许偏散热器垂直度3mm差专业工长(施工员)施工班组长施工单位检查评定结果项目专业质量检查员:年月日监理(建设)单位查收结论专业监理工程师:(建设单位项目专业技术负责人)年月日低温热水地板辐射采暖安装工程查验批质量查收记录050504□□单位(子单位)工程名称分部(子分部)工程名称施工单位分包单位查收部位项目经理分包项目经理施工履行标准名称及编号监理(建设)施工质量查收规范的规定施工单位检查评定记录单位查收记录1 加热盘管理地第 8.5.1 条主控2 加热盘管水压试验第条项目3 加热盘管曲折的曲率半径第 8.5.3 条一1分、集水器规格及安装设计要求般2 加热盘管安装第 8.5.5 条项防潮层、防水层、隔热层、3设计要求目伸缩缝4填补层混凝土强度设计要求专业工长(施工员)施工班组长施工单位检查评定结果项目专业质量检查员:年月日监理(建设)单位查收结论专业监理工程师:(建设单位项目专业技术负责人)年月日建筑中水系统管道及协助设施安装工程查验批质量查收记录050901□□单位(子单位)工程名称分部(子分部)工程名称施工单位分包单位查收部位项目经理分包项目经理施工履行标准名称及编号监理(建设)施工质量查收规范的规定施工单位检查评定记录单位查收记录主控 1中水水箱地点第条项目2 中水管道上装设用水器第条中水管道禁止与生活饮用水管3第 12.2.3 条道连结4 管道暗装时的要求第条一1 中水管道及配件材质第条般项中水管道与其余管道平行交错2第条铺设的净距目专业工长(施工员)施工班组长施工单位检查评定结果项目专业质量检查员:年月日监理(建设)单位查收结论专业监理工程师:(建设单位项目专业技术负责人)年月日游泳池水系统安装工程查验批质量查收记录050902 □□单位(子单位)工程名称分部(子分部)工程名称查收部位施工单位项目经理分包单位分包项目经理施工履行标准名称及编号监理(建设)施工质量查收规范的规定施工单位检查评定记录单位查收记录1 游泳池给水配件材质第条主控游泳池毛发齐集器和过滤筒条2第项(网)目游泳池地面应采纳举措防备冲3第 12.3.3 条洗排水流入池内一般第 12.3.4 条1游泳池加药、消毒设施及管材项第 12.3.5 条目专业工长(施工员)施工班组长施工单位检查评定结果项目专业质量检查员:年月日监理(建设)单位查收结论专业监理工程师:(建设单位项目专业技术负责人)年月日锅炉安装工程查验批质量查收记录051001 □□单位(子单位)工程名称分部(子分部)工程名称 查收部位施工单位 项目经理分包单位分包项目经理施工履行标准名称及编号监理(建设) 施工质量查收规范的规定施工单位检查评定记录单位查收记录1 锅炉基础查收 第条2 燃油、燃汽及非承压锅炉安装 第13.2.2,13.2.3,13条.2.4 主第13.5.1,13.5.2,15条.5.33 锅炉烘炉和试运行控 第4 排污管和排污阀安装 条 项第5 锅炉和省煤器的水压试验条 目第6 机械炉排冷态试运行 条7 本体管道焊接第 条 1 锅炉煮炉第 条2 铸铁省煤肋片损坏数 第 条3 锅炉本体安装的坡度 第 条4 锅炉炉底风室第 条 5 省煤器进出口管道及阀门第 条 6 电动调理阀安装第条坐标 10mm 一标高±5mm 锅炉安装立式锅炉炉体74mm同意误差中心线 全高般垂直度卧式锅炉炉体3mm全高项炉排中心地点2mm 链条炉排前后中心线的相对标高差5mm目 8安装同意 前轴、后轴的水平度(每 m ) 1mm误差墙壁板间两对角线长度之差5mm来去炉排安 炉排片纵向 1mm9空隙 双侧2mm 装同意误差双侧板对角线长度之差5mm省煤器支支承架的水平方向地点3mm10架安装允 支承架的标高0,-5mm许误差支承架纵横水平度(每m ) 1mm专业工长(施工员)施工班组长施工单位检查评定结果项目专业质量检查员:年月日监理(建设)单位查收结论专业监理工程师:(建设单位项目专业技术负责人)年月日锅炉协助设施安装工程查验批质量查收记录051002 □□单位(子单位)工程名称分部(子分部)工程名称查收部位施工单位项目经理分包单位分包项目经理施工履行标准名称及编号监理(建设)施工质量查收规范的规定施工单位检查评定记录单位查收记录1协助设施基础查收第条2风机试运行第条主分汽缸、分水器、集水器水压试3条第控验项敞口水箱、密闭水箱满水或压力4条第目试验5地下直埋油罐气密性试验第条6各样设施的操作通道第条1单斗式提高机安装第条一2风机传动部位安全防备装置条第第般3手摇泵、灌水器安装高度条、第条项第4水泵安装及试运行条、第目条。
电弧焊(双面焊)工艺焊接检测(第一次送检时送)取样规定:(在钢筋工程焊接开工前做,不合格就换工人再送,检验焊工的水平。
)
工艺检测无代表数量及批数,每种规格一批(组),一批(组)3根,每根50cm长(或50-53cm长),两端平滑,用切割机切。
送检委托单上写上焊工姓名及焊工证号,代表数量不填,检测项目写工艺检验(拉伸),成型/生产日期不填,养护条件不填,厂家写钢筋厂家名称,检测依据填JGJ/T27-2014《钢筋焊接接头试验方法标准》。
苏州方正工程技术开发检测有限公司
检测委托书
工程编号:180270委托单编号:
见证送样见证取样委托现场检测委托抽样检测
要求保密不要保密委托方自行取回
委托检测单位处理
方式:领取挂号邮寄特快专递传真
要求:报告需要份其他要求
仅需要最终检测报告
需要阶段报告
样品是否符合检测要求是否;检测方法和标准是否满足委托方要求是否;公司资源和检测能力是否满足委托方要求是否
2、请委托方详细、工整地填写清楚本委托书及附表的各项内容(黑体字对应内容除外),并对其真实性负责;公司经办人填写黑体字项目对应的内容。
3、委托方要求自行取回的样品,请于取报告后七日内取回,否则检测单位将自行处理。
4、请委托方妥善保存委托书,并凭此索取报告。
如有遗失须持发票或发票复印件索取报告。
5、由检测单位代办邮寄、托运的样品和特快专递的报告,其代办费用由委托方承担。
无损检测委托单(焊接接头)委托单编号:委托日期:XX年XX月XX日无损检测委托单(续页)(焊接接头)委托单编号:委托日期:年月日无损检测委托单(其他部件)委托单编号:委托日期:年月日3、FHJC/JWT-001~002-2016无损检测委托单(焊接接头)填写说明及要求无损检测委托单一般要求说明:无损检测委托单编号一般分二节,第一节为检测部件类别(焊接接头H、其他部件Q)+无损检测方法的英文首字母(射线检测为R、超声波检测为U、磁粉检测为M、渗透检测为P、涡流检测为E)+W+机组号(或年份),第二节为该委托单的机组(或年度)数字流水号,流水号为三位,不足三位时用‘0’补齐。
如某项目#5机组的第2份焊接接头射线检测委托单的编号为:HRW05-002;某项目#5机组的第3份焊接接头超声波检测委托单的编号为:HUW05-002。
委托单有续页的,编号时主页与续页为同一编号。
不合格项须重新委托检测,编号时在原委托单编号的流水号后加“R1、R2或R3”以示区别返修次数来跟踪。
1.FHJC/JWT-001-002-2016无损检测委托单(焊接接头)填写说明及要求1)委托单编号:按照无损检测委托单一般要求说明进行填写。
2)委托日期:根据委托实际日期填写。
3)项目名称:和工程竣工资料对应的项目名称一致,应写全称。
4)委托单位:填写需要检测的委托部门,应写全称,如焊接工程公司。
5)部件名称:根据委托的部件填写,如#1机组联轴器螺栓。
6)部件编号:一般为委托部件的系统代号或图纸号7)温度、压力:委托部件的温度压力,无法核实是否具有温度或压力,则填“/”。
8)接头类型:焊接接头的类别等级,一般为Ⅰ、Ⅱ、Ⅲ级,根据实际情况由委托方核实填写。
9)焊接方法:应规范统一,例如:全氩弧焊(GTAW)、电焊(SMAW)、氩弧焊+电焊(GTAW+SMAW)10)坡口形式:一般为V型、U型或X型等11)热处理状态:填写是否进行热处理,一般填写热处理后或者“/”。
目录建筑电气工程施工现场质量管理记录DQ1.1建筑电气分部工程质量验收记录DQ1.2建筑电气子分部工程质量验收记录(统表1) DQ1.3分项工程质量验收记录(统表2) DQ1.4建筑电气工程质量控制资料核查记录DQ1.5建筑电气工程安全和功能检验资料及主要功能抽查记录DQ1.6建筑电气工程观感质量检查记录DQ1.7设备、材料、器具进场验收记录DQ2.1建筑电气工程材料、设备、器具出厂合格证及进场检(试)验报告汇总表DQ2.2技术负责人:质量检查员:年月日线槽、电导管安装隐蔽验收记录DQ2.3重复接地(防雷接地)工程隐蔽验收记录DQ2.4防雷接地系统布置简图DQ2.5配线敷设施工隐蔽验收记录DQ2.6工序交接试验验收记录DQ2.7电气设备交接试验记录DQ2.8线路(设备)绝缘电阻测试记录DQ2.9接地电阻测试记录DQ2.10线路、插座、开关接地检验记录DQ2.11建筑照明通电、全负荷试运行记录DQ2.12大型灯具牢固性试验记录DQ2.13架空线路及杆上电气设备安装分项工程检验批质量验收记录DQ3.1.1变压器、箱式变电所安装分项工程检验批质量验收记录DQ3.1.2成套配电柜、控制柜(屏、台)和动力、照明配电箱(盘)及控制框安装分项工程检验批质量验收记录DQ3.1.3电线导管、电缆导管和线槽敷设分项工程检验批质量验收记录DQ3.1.4电缆头制作、接线和线路绝缘测试分项工程检验批质量验收记录DQ3.1.5建筑物景观照明灯、航空障碍标志灯和庭院灯安装分项工程检验批质量验收记录DQ3.1.6建筑物照明通电试运行分项工程检验批质量验收记录DQ3.1.7接地装置安装分项工程检验批质量验收记录DQ3.1.8裸母线、封闭母线、插接式母线安装分项工程检验批质量验收记录DQ3.2.1电缆沟内和电缆竖井内电缆敷设分项工程检验批质量验收记录DQ3.2.2。
附件河北省特种设备检验收费标准一、承压类(一)符号和系数说明A ——锅炉、压力容器产品监督检验特种设备总造价元(含增值税)。
对锅炉应扣除烟囱与电气部分,锅炉制造监检还应扣除送引风机。
W——额定功率千瓦(KW)Q——额定热功率兆瓦(MW)V——公积容积立方米(m3)D——额定蒸发量吨/小时(t/h)(1吨/小时等同于O.7MW)S——最大透照厚度毫米(mm)(二)收费项目及标准1.锅炉、压力容器产品监督检验2.压力管道安装监检收费当压力管道安装施工工程总造价≤5000万时按1%收取,当压力管道安装施工工程总造价>5000万时,超出部分按O.8%收取。
3.进口锅炉压力容器安全性能监督检验(1)进口锅炉压力容器安全性能检验:成批检验时按设备到岸价的1%,且每台设备不少于2000元;单台设备检验时,按该设备到岸价的2%,且不少于3000元;瓶类产品批量检验时,按总到岸价的l%,但每批不少于500元。
对于旧设备在上述基础上加收100%。
(2)进口锅炉压力容器如需赴制造国进行监造时,全部费用由报检单位负责。
(3)报检单位不能提供或合约中未规定进口锅炉压力容器的设计、制造、检验境外规范、标准时,加收20%的检验费。
(4)进口锅炉压力容器安全性能检验不合格,需对索赔后的设备进行检验时,按本条第l款另行收费;进口设备在国内修理后的检验按设备到岸价的0.5%收取费用,其他情况的检验由双方商定。
(5)随机文件翻译、检验现场的准备与清理工作(达到检验条件要求)由报检单位负责(含费用)。
4.锅炉设计文件鉴定、节能审查收费二、机电类(一)起重设备检验1.桥式、门式等起重机检验2.机械式停车设备检验3.塔式起重机检验元/台4.升降机检验(二)电梯检验(三)场(厂)内机动车辆检验(四)客运索道检验(五)大型游乐设施检验三、其他事项(一)远程收费标准。
对于外出检验单程超过15公里时,每超过10公里检验费加收5%,但最多不超过50%。
电力服务(涉电维护、检测等)收费项目及标准附表: 电力服务(涉电维护、检测等)收费项目及标准一、代管费序号项目单位规格收费标准备注元/百米、年 10KV 120 代管包括线路的每月巡视元/百米、年 35KV 260 一次、每年特巡和夜巡二次1 架空线代管费元/百米、年 110KV 320 等.。
不足50米,不收费;元/百米、年 220KV 360 超过50米,按百米收费.代管包括线路的每月巡视元/百米、年 10KV 700一次、避雷器试验、电缆预元/百米、年 35KV 800 2 电力电缆代管费防性试验.。
不足50米,不元/百米、年收费;超过50米,按百米收110KV 900 费.代管包括线路的每月箱式变压器元/年、千伏安 15 变巡视六次、年油化试3 压验、避雷器试验、变压器器油试验、进出线开调配电变压器元/年、千伏安 9试等。
根据固定资产价代管包括每年检修调值、设备投运年配电站 4 试一次~特巡二次~及限、设备所处环代管费境情况按固定资24小时事故抢修等。
产2-4%计取二、电气试验1、变压器试验序号项目单位规格收费标准备注变压器容量?800 500KVA元/台变压器容量?1 变压器预试 1500 800KVA 变压器试验包括绝缘试验、元/台变压器容量?电压比试验、线圈直流电阴2000 3200KVA 试验、空载试验等。
另:特变压器容量?种变压器加收50%,有载调压元/台 2000 800KVA 变压器加收20%,三绕组电力2 变压器交接试验变压器乘以系数1.2,单项电变压器容量?元/台2700 力变压器组如配有备用相变3200KVA压器乘以系数1.2,若为三相变压器容量?变压器预试,35KV, 元/台 3500 干式变压器、整流变压器乘6300KVA以系数0.8。
变压器容3 变压器预试,35KV, 元/台 5000 量>6300KVA变压器容量?变压器预试,110KV, 元/台 6500 31500KVA变压器容变压器预试,110KV, 元/台 9000 量>31500KVA4 变压器检查元/次 120 不含变压器试验5 变压器调档元/次 400 2、避雷器、电容器试验序号项目规格单位收费标准,元,10KV,普通型, 元/组 15010KV,氧化锌型, 元/组 20035KV,普通型, 元/组 30035KV,氧化锌型, 元/组 600 1 避雷器试验 110KV,普通型, 元/组 700110KV,氧化锌型, 元/组 900220KV,普通型, 元/组 1100220KV,氧化锌型, 元/组 1300计数器元/组 2010KV,普通型, 元/组 15010KV,氧化锌型, 元/组 20035KV,普通型, 元/组 50035KV,氧化锌型, 元/组 900 2 避雷器交接试验 110KV,普通型, 元/组 950 110KV,氧化锌型, 元/组 1300220KV,普通型, 元/组 1400220KV,氧化锌型, 元/组 1800计数器元/组 3035KV 元/组 250 3 耦合电容器试验 110KV 元/组 400220KV 元/组 90035KV 元/组 500 4 耦合电容器交接试验 110KV 元/组 900220KV 元/组 200010KV及以下元/组 1800 5 静电电容器试验 35KV 元/组 4200 备注:电容器试验包括:绝缘电阻、介质损测量、并联电容器交流耐压试验、配合冲击合闸检查试验。
精品文档。
1欢迎下载一、锅炉检验收费标准二、锅炉介质化验分析及水处理设备调试收费标准精品文档。
3欢迎下载三、固定式压力容器检验收费标准四、B类压力容器检验收费标准精品文档。
5欢迎下载五、C类压力容器检验收费标准六、压力管道收费标准七、安全阀校验(含铅封)收费标准精品文档。
7欢迎下载九、起重机械收费标准 1.桥(门)式等起重机收费标准2、臂架起重机收费标准3.1制造过程监督检验收费标准为按产品出厂价的0.7%收取;安装过程监督检验费按产品出厂价的0.9%收取,且不低于定期检验费的150%;改造或重大维修过程监督检验费按该设备定期检验费的1.5倍收取。
3.2 机械式停车设备定期检验按100元/车位收取。
其它类型起重机按上述相似类别收取。
十、厂内机动车辆定期检验收费标准精品文档。
9欢迎下载十一、大型游乐设施检验收费标准水上自行车:50元/辆/备注1、表中未列入的游乐设施按相近类别或相近运动特点的游乐设施标准收取。
2、表中游乐设施参数同时改变时,其收费应累计。
十二、试验、检测收费标准1、理化、金相2、无损检测、测速、垂直度等项目条件单位收费标准(元)备注射线检测透照厚度Ta≤20mm,片子360×80mm元/张50Ta大于20mm,每增加1mm,增收2元;若采用γ射线,则收取700元/天的台班费。
超声波检测对接焊缝元/米40n1、双面加倍。
2、n为检测中采用的探头数量,由检测标准确定。
3、检测人员为UTⅢ级、Ⅱ级、Ⅰ级人员时分别按表中100%、80%、50%收费,但不得重复收费。
T型接头元/米50n管道焊缝元/米70n磁粉检测焊缝元/米30双面加倍螺栓元/个25/钢丝公称直径(尺寸)≤13mm元/米5公称直径(尺寸)14~25 mm7精品文档。
11欢迎下载十三、锅炉技术资料审查收费标准十四、说明1、除特殊注明外,特种设备检验过程中进行的测定厚度与硬度、无损检测、压力试验、金相、理化、安全附件校验、测速、介质化验、水处理设备调试等试验、检测费用及其它动用仪器设备的费用均按标准规定另行收取。
山东省特种设备检验研究院烟台分院收费标准明细表承压类焊工收费标准锅炉检验收费标准锅炉介质、离子交换树脂分析及水处理设备调试等收费标准各类气瓶定期检验收费标准压力容器产品安全质量监督检验收费标准注:(1)对一、二、三类压力容器若按标准计算收费不足50元,按50元收取监检费用。
(2)大型压力容器现场组装安全质量监督检验费按现场安装费总额的2%收取。
(3)压力管道检验收费:依据质检锅函[2007]17号文件,实行双方协议收费。
安全阀维修及校验收费标准注:1、本项的工作内容包括:解体、除锈垢、研磨阀芯、阀座、组装调试、定压铅封,如需做其他修理或更换部件另行收费,更换零部件费用,另行收费。
2、如需到现场校验,按上述标准1.5倍收费.3、对接触有毒、易燃介质的安全阀,其收费按上表加收20-30%计费。
4、静重式安全阀每台60元.在用液化气体槽(罐)车检验收费标准注:1、无损探伤项目按相应项目价格计算。
2、无损探伤打磨费另计.3、安全阀、液面计、紧急切断装置及其它附件的修理、更换费用另计。
特种设备作业人员培训收费标准为了更好的贯彻落实国务院颁布的《特种设备安全监察条例》及国家质检总局下发的《特种设备作业人员监督管理办法》要求,提高从事特种设备安装、维修、保养、操作等作业人员及其相关管理人员的专业技术素质和安全操作技能,做到持证上岗,确保特种设备安全运行,保障人身和财产安全。
山东省特种设备检验研究院烟台分院以委托培训方式对全市范围内从事特种设备作业人员进行培训.注:1.收取的培训费主要用于支付培训的办公经费、资料费、场地租金、教师授课费用、考试发证、实习实验、水电消耗、管理费、税金等。
相同作业种类内每增加一项,增项费用150元。
2.考试结束后,考试机构应当在20个工作日内将考试结果告知申请人,考试合格人员,发证部门应当在5个工作日内对考试机构报送材料的进行审查,对同意受理的,发证部门应当在20个工作日内完成审核批准手续.压力容器检验收费标准机电类特种设备检验收费标准其他需要说明的收费:1、大型起重设备(20吨以上)的监督检验,根据检验需要加测的点数加收检验费。
]江苏省物价局、江苏省财政厅、江苏省劳动厅苏价费[1996]106号、苏财综[96]39号、苏劳锅[1996]10号关于印发《江苏省锅炉压力容器检验收费管理办法》及《江苏省锅炉压力容器检验收费标准》的通知各省辖市及常熟、泰州市物价局、财政局、劳动局:现将《江苏省锅炉压力容器检验收费管理办法》及《江苏省锅炉压力容器检验收费标准》印发给你们,请结合实际情况贯彻执行。
[附件一:《江苏省锅炉压力容器检验收费管理办法》附件二:《江苏省锅炉压力容器检验收费标准》附件一:江苏省锅炉压力容器检验收费管理办法第一条根据国务院《锅炉压力容器安全监察暂行条例》和《江苏省价格管理监督条例》、《江苏省行政事业性收费(非商事收费)票据管理办法》的规定,制定本办法。
第二条各级劳动部门锅炉压力容器安全监察机构及经省级以上劳动部门资格认可的锅炉压力容器检验单位(含气瓶检验)(利令智昏检验单位)按安全监察规程、标准和技术条件对锅炉、压力容器进行的检验均应按《江苏省锅炉压力容器检验收费标准》收取检验费,被检单位应按规定缴纳检验费。
第三条各级劳动部门所属的锅炉压力容器检验所为公益事业单位,实行合理收费,以收抵支,差额补助的管理形式。
年终结余可结转下年度使用。
锅炉压力容器检验收费,须到当地物价部门办理或变更《江苏省收费许可证》,使用省财政统一制发的收费票据。
%第四条各级锅炉压力容器安全监察机构及锅炉压力容器检验单位应加强收费管理,规范收费行为。
检验收费必须持证,按规定收取。
票据上应注明收费项目,附检验报告和载明各项检验(收费)项目的详细情况。
不得自立收费项目、提高收费标准、扩大收费范围。
各级物价、财政部门要对收费情况进行监督检查。
锅炉压力容器安全检验过程中,对检验现场的准备和清理工作,是否提供检验用车及经过认可符合必要自检条件的一般性检验,应遵循企业自愿的原则。
检验单位未投入人力、物力的,不得收费。
锅炉压力容器安全监察机构及检验单位应与被检单位明确有关安全责任、风险,不得只收费不检验。