钢筋机械(□检查 □验收)表
- 格式:docx
- 大小:15.86 KB
- 文档页数:1
钢筋验收记录表日期:XXXX年XX月XX日验收项目:钢筋验收地点:工地名称/具体位置验收人员:XXX、XXX、XXX一、验收钢筋的基本信息1. 钢筋类型:(例如HRB400、HRB500等)2. 钢筋直径:(例如10mm、12mm等)3. 钢筋长度:(例如6m、12m等)4. 钢筋数量:(例如100根、200根等)二、验收结果经过对钢筋的验收,我们得出以下结果:1. 外观质量:钢筋表面应光洁平整,无明显的锈蚀、裂纹或变形。
经验收,本次钢筋外观质量良好,符合要求。
2. 尺寸偏差:钢筋的直径和长度应符合设计要求。
经测量,本次钢筋的直径和长度均在允许范围内,没有发现明显的尺寸偏差。
3. 钢筋标识:钢筋上的标识应清晰可辨,包括钢筋种类、规格等信息。
经查验,本次钢筋的标识完整清晰,无误。
4. 强度性能:钢筋的强度应符合相关标准要求。
经过拉力试验,本次钢筋的强度满足设计要求,具备良好的承载能力。
三、验收结论根据以上验收结果,我们得出以下结论:本次钢筋验收合格,符合设计要求和相关标准。
钢筋的外观质量良好,尺寸偏差在允许范围内,标识清晰无误,强度满足设计要求。
经过验收的钢筋可以安全使用于工程中。
四、存在的问题及建议在钢筋验收过程中,我们未发现任何明显的质量问题或不合格情况。
然而,为了进一步提高钢筋的质量和安全性,建议在使用钢筋时注意以下几点:1. 运输和储存:在钢筋运输和储存过程中,要防止碰撞、湿度过高等情况对钢筋造成损害。
2. 安装注意事项:在钢筋的安装过程中,要确保正确的接头方式和连接质量,以确保结构的稳定和安全。
3. 防护措施:在使用钢筋时,要注意采取适当的防护措施,避免钢筋与其他材料发生腐蚀或损伤。
以上是本次钢筋验收的记录和结论,希望能对工程的顺利进行提供参考和保障。
如有其他问题或需要进一步了解,请及时与相关部门联系。
谢谢!。
钢筋验收记录表日期:xxxx年xx月xx日项目名称:xxxx工程验收人员:xxxx施工单位:xxxx公司一、验收目的钢筋验收是为了确保工程施工质量,保证钢筋的规格、数量和质量符合设计要求,以确保工程的安全性和持久性。
二、验收内容1. 钢筋规格和数量的核对:根据设计图纸要求,对钢筋的规格和数量进行核对,确保与设计要求一致。
2. 钢筋表面质量的检查:对钢筋表面进行仔细观察,检查是否存在生锈、腐蚀、破损等情况。
3. 钢筋的弯曲度检查:对钢筋进行弯曲度检查,确保弯曲度符合设计要求。
4. 钢筋的连接方式检查:检查钢筋的连接方式是否符合设计要求,包括焊接、扣件等连接方式。
5. 钢筋的安装位置检查:检查钢筋的安装位置是否符合设计要求,保证其在混凝土结构中的正确位置。
6. 钢筋的间距检查:检查钢筋的间距是否符合设计要求,确保钢筋的布置密度合理。
三、验收结果经过仔细检查和核对,对钢筋进行验收,结果如下:1. 钢筋规格和数量与设计要求一致,无误差。
2. 钢筋表面质量良好,无生锈、腐蚀、破损等情况。
3. 钢筋的弯曲度符合设计要求,未出现过度弯曲或不足弯曲的情况。
4. 钢筋的连接方式符合设计要求,焊接牢固、扣件可靠。
5. 钢筋安装位置准确,与设计图纸一致。
6. 钢筋的间距符合设计要求,布置密度适宜。
四、存在问题及处理意见经过验收,发现以下问题:1. 部分钢筋的表面存在轻微锈蚀,需要进行清洗和涂覆防锈剂处理。
2. 部分钢筋的安装位置存在偏差,需要重新调整至正确位置。
3. 部分钢筋的间距存在不合理情况,需要进行调整以满足设计要求。
针对以上问题,我们将采取以下措施进行处理:1. 对存在锈蚀的钢筋进行清洗和涂覆防锈剂处理,确保其表面质量达到要求。
2. 对安装位置存在偏差的钢筋进行重新调整,确保其准确安装至设计要求的位置。
3. 对间距不合理的钢筋进行调整,使其符合设计要求的布置密度。
五、结论经过钢筋验收,大部分钢筋符合设计要求,但部分钢筋存在表面锈蚀、安装位置偏差和间距不合理等问题。
钢筋(连接、安装)工程检验批质量验收记录1.1.9工程名称农十师司法业务用房综合楼验收部位施工单位 新疆北屯第一建筑安装工程有限责任公司 项目经理 许育发 项目专业质量检查员:年 月 日监理(建设) 单位验收结论施工执行标准 名称及编号 混凝土结构工程施工质量验收规范 GB50204-2002 专业工长 分包单位 施工班组长基础一台Z 、剪力墙钢筋生根 蒲李江 徐永超主控项目规范规定 (设计要求)施工单勺 立检查评定记录监理(建设)单位验收记录123 456789101 纵向受力钢筋的连接方式 第5.4.1条 符合设计要求及规范规定2 机械连接、焊接接头试件的力学 性能检验 第5.4.2条 无3 受力钢筋的品种、级别、规格和 数量第5.5.1条符合设计要求及规范规定 一般项目 规范规定施工单位检查评定记录123 45678 9 101 接头位置和数量第5.4.3条 经检查:接头位置和数量符合设计要求。
2 机械连接、焊接接头的外观质量 第5.4.4条 符合规范要求3 机械连接、焊接接头的面积百分 率 第5.4.5条 机械接头面积百分率符合要求4 绑扎搭接接头面积百分率和搭 接长度第5.4.6条 经检查:绑扎搭接接头面积百分率和搭接长度符合 设计要求。
5 搭接长度范围内的箍筋 第5.4.7条 经检查:搭接长度范围内的箍筋符合设计要求。
6 钢筋 安 装 位 置 的 偏 差 项 目绑扎 钢筋网 长、宽± 10 +6 -4 +8 +5-6 -7 +3 + 2 -9+5 网眼尺寸± 20 +9 +5 -3 -22-4 +6-5+9+4-8绑扎钢 筋骨架 长± 10 +4 -9 +7 +8 -8 -9宽、咼± 5 -3 -4 -3 +4 +5-1受 力 钢 筋 间距± 10 +5 +8 3 +7 (12) -8 +4 +3 -4 +2 排距 ± 5 -7 +4 +3 -6 +4 -9 +7 +2 5 -6 保护 层厚 度基础 ± 10 58210-9-78-234柱、梁± 5板、墙、壳± 3绑扎箍筋横向钢筋间距 ± 20-9+8+5-6+4-41116-9-13钢筋弯起点位置 20预埋件里 中心线位置 5水平高差+3,0分包项目经理 主控项目合格,一般项目满足规范规定。
钢筋机械连接质量标准和检验办法1.接头的型式检验1.1接头应根据抗拉强度、残余变形以及高应力和大变形条件下反复拉压性能的差异,分为下列三个等级:I级:接头抗拉强度等于被连接钢筋实际抗拉强度或不小于1.10倍钢筋抗拉强度标准值,残余变形小并具有高延性及反复拉压性能。
Ⅱ级:接头抗拉强度不小于被连接钢筋抗拉强度标准值,残余变形较小并具有高延性及反复拉压性能。
Ⅲ级:接头抗拉强度不小于被连接钢筋屈服强度标准值的1.25倍,残余变形较小并具有延性及反复拉压性能。
1.2 下列情况时应进行型式检验:1、确定接头性能等级时;2、材料、工艺、规格进行改动时;3、型式检验报告超过4年时;4、业主提出需做型式检验的要求时;5、国家质量监督机构提出需做型式检验的要求时。
1.3接头的现场检验应按验收批进行,同一施工条件下采用同一批材料的同等级、同型式、同规格接头,应500个位一个验收批进行检验与验收,不足500个也应作为一个检验批。
1.4每种型式、级别、规格、材料、工艺的钢筋机械连接接头,形式检验不应小于9个:其中单向拉伸试件不应小于3个,高应力反复拉压试件不应小于3个,大变形反复拉压试件不应小于3个。
同时应另取3根钢筋试件做抗拉强度试验。
全部试件应在同一根钢筋上截取。
1.5 钢筋套筒做型式检验报告时的试验(见表A)1、接头单向拉伸时的强度和变形时接头的基本性能;2、高应力反复拉压性能(风荷载及小地震情况下承受高应力反复拉压的能力);3、大变形反复拉压性能(结构在强烈地震情况下钢筋进入塑性变形阶段接头的受力性能)。
表A 接头试件型式检验的加载制度1.6 用于形式检验的套筒接头试件应散件送达检测单位,由型式检验单位或在其监督下使用效核用扭力扳手效核拧紧扭矩,拧紧扭矩值应符合表B规定:表B直螺纹接头安装时的最小拧紧扭矩值1.7 型式检验的试验方法1.7.1 强度检验:每个接头试件的强度实测值均应符合表C中相应接头等级的强度要求:表C 接头的抗拉强度表D规定:表D 接头的变形性能1.7.3 型式检验应由国家、省部级主管部门认可的检测机构进行,并出具检验报告和评定结论。
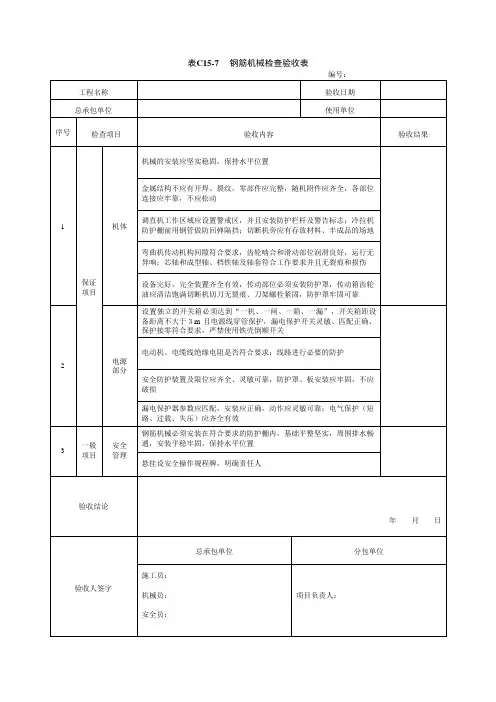
机械设备检查验收表1. 概述机械设备检查验收表是用于对机械设备进行检查和验收的表格。
通过填写该表格,可以记录机械设备的检查情况和验收结果,以确保设备的正常运行和安全使用。
2. 检查验收内容机械设备检查验收表包括以下几个方面的内容:2.1 设备基本信息•设备名称:填写机械设备的名称。
•设备型号:填写机械设备的型号。
•制造商:填写机械设备的制造商信息。
2.2 检查项目•外观检查:检查机械设备外观是否完好,是否有明显的损坏或破损。
•电气部分检查:检查机械设备的电气部分是否符合安全要求。
•传动部分检查:检查机械设备的传动部分是否灵活可靠,无异常噪音和震动。
•控制系统检查:检查机械设备的控制系统是否正常工作,是否能够实现所需功能。
•安全保护措施检查:检查机械设备是否配备了必要的安全保护装置。
2.3 验收标准•优秀:机械设备在检查过程中完好无损,各项指标均符合标准。
•合格:机械设备在检查过程中存在一些小问题,但不影响设备的正常使用。
•待改进:机械设备在检查过程中存在较为严重的问题,需要进行改进和修复。
•不合格:机械设备在检查过程中存在严重问题,无法正常使用。
3. 填写示例设备基本信息外观检查电气部分检查传动部分检查控制系统检查安全保护措施检查验收标准设备名称:符合符合符合符合符合优秀设备型号:符合符合符合符合符合合格制造商:符合不符合符合不符合符合待改进4. 注意事项•填写时应按照实际检查情况进行填写,对于不符合的项目应进行具体描述。
•检查验收表应由专业人员进行填写,并具有相应的资质。
•检查验收表应及时归档并保存,便于后续查阅和跟踪。
以上是机械设备检查验收表的介绍和使用说明,通过使用该表格,能够有效记录机械设备的检查情况和验收结果,对设备的安全和正常运行起到重要作用。
使用该表格要注意填写准确和及时归档。