建筑结构荷载取值的方法分析
- 格式:docx
- 大小:28.74 KB
- 文档页数:3
3.1.1 恒载恒载:又称永久荷载,在结构使用期间内,荷载的大小不随时间的推移而变化、或其变化与其平均值相比较可以忽略不计、或其变化是单调的并能趋于限值的荷载。
如结构自重、构造层重、土压力等。
结构自重和构造层重的标准值计算,可按照施工图纸的设计尺寸和材料的单位体积、或面积、或长度的重力,经计算直接确定;土压力标准值的计算详有关基础设计资料。
3.1.1.1 楼面恒荷载楼面恒荷载主要由三部分组成:建Array筑面层恒荷载、结构层恒荷载、顶棚恒荷载,分布形式详图3.1.1所示。
(1)由建筑面层引起的楼面恒荷载计算建筑面层引起的楼面恒荷载计算,必须根据建筑楼面面层的具体做法确定,常用建筑楼面面层恒荷载取值可图3.1.1 楼面恒荷载组成示意图参考表3.1.1。
(2)由结构层引起的楼面恒荷载计算结构层引起的楼面恒荷载 = 结构楼层楼板厚度×钢筋混凝土容重(一般取25kN/m3)程序计算时,只要输入结构楼层楼板厚度和混凝土容重,结构层恒荷载即会自行导算,详4.1所述。
表3.1.1 常用建筑楼面面层恒荷载取值参考表(3)由顶棚引起的楼面恒荷载计算顶棚引起的楼面恒荷载计算,必须根据建筑顶棚的具体做法确定,常用建筑顶棚恒荷载取值可参考表3.1.2。
表3.1.2 常用建筑顶棚恒荷载取值参考表3.1.1.2 屋面恒荷载屋面恒荷载主要由三部分组成:建筑屋面面层恒荷载、结构层恒荷载、顶棚恒荷载,分布形式详图3.1.2所示。
图3.1.2 屋面恒荷载组成示意图由结构层与顶棚引起的屋面恒荷载计算方法,同相应楼面恒荷载的计算方法,由建筑屋面面层引起的屋面恒荷载,必须根据建筑屋面面层的具体做法确定。
由于建筑屋面承担着保温、隔热和防水、排水的功能,因此建筑屋面面层的做法相对于建筑楼面面层的做法要复杂得多,加之各地气候、雨水情况不同,保温隔热材料和防水材料的不断更新发展,使各地屋面面层的做法不完全相同,但基本构造层相差不多。
(1)平屋面面层恒荷载计算平屋面,又称建筑找坡屋面,排水坡度为2%~3%,屋面面层的基本构造、荷重如下:① 结构层(钢筋混凝土屋面板)上水泥砂浆找平层:厚度15~30mm ,容重20kN/m 3; ② 隔气层:以成品为主,重量较轻,可以忽略;③ 保温层兼找坡层:一般采用憎水性能好、导热系数小和重量轻的保温材料,起坡处厚度必须满足热工要求、由建筑专业计算决定,如膨胀珍珠岩系列(容重7~15 kN/m 3,现场拌制的砂浆取大值,成品取小值)、挤塑板系列(很轻,重量可以忽略)等;④ 水泥砂浆找平层:厚度15~20mm ,容重20kN/m 3;⑤ 防水层:如二毡三油系列、二布六胶系列等,重量2~8 kN/m 2;⑥ 保护面层:对于不上人屋面,可以是涂料、反射膜、砂石粘料(常称绿豆砂)、蛭石云母粉、纤维纺织毯、水泥砂浆块材等;对于上人屋面,与楼面面层的做法相同,一般以水泥砂浆面层为主;也可以结合环境绿化,采用种植屋面、蓄水屋面等。
3.1.1 恒载恒载:又称永久荷载,在结构使用期间内,荷载的大小不随时间的推移而变化、或其变化与其平均值相比较可以忽略不计、或其变化是单调的并能趋于限值的荷载。
如结构自重、构造层重、土压力等。
结构自重和构造层重的标准值计算,可按照施工图纸的设计尺寸和材料的单位体积、或面积、或长度的重力,经计算直接确定;土压力标准值的计算详有关基础设计资料。
3.1.1.1 楼面恒荷载楼面恒荷载主要由三部分组成:建Array筑面层恒荷载、结构层恒荷载、顶棚恒荷载,分布形式详图3.1.1所示。
(1)由建筑面层引起的楼面恒荷载计算建筑面层引起的楼面恒荷载计算,必须根据建筑楼面面层的具体做法确定,常用建筑楼面面层恒荷载取值可图3.1.1 楼面恒荷载组成示意图参考表3.1.1。
(2)由结构层引起的楼面恒荷载计算结构层引起的楼面恒荷载 = 结构楼层楼板厚度×钢筋混凝土容重(一般取25kN/m3)程序计算时,只要输入结构楼层楼板厚度和混凝土容重,结构层恒荷载即会自行导算,详4.1所述。
表3.1.1 常用建筑楼面面层恒荷载取值参考表(3)由顶棚引起的楼面恒荷载计算顶棚引起的楼面恒荷载计算,必须根据建筑顶棚的具体做法确定,常用建筑顶棚恒荷载取值可参考表3.1.2。
表3.1.2 常用建筑顶棚恒荷载取值参考表3.1.1.2 屋面恒荷载屋面恒荷载主要由三部分组成:建筑屋面面层恒荷载、结构层恒荷载、顶棚恒荷载,分布形式详图3.1.2所示。
图3.1.2 屋面恒荷载组成示意图由结构层与顶棚引起的屋面恒荷载计算方法,同相应楼面恒荷载的计算方法,由建筑屋面面层引起的屋面恒荷载,必须根据建筑屋面面层的具体做法确定。
由于建筑屋面承担着保温、隔热和防水、排水的功能,因此建筑屋面面层的做法相对于建筑楼面面层的做法要复杂得多,加之各地气候、雨水情况不同,保温隔热材料和防水材料的不断更新发展,使各地屋面面层的做法不完全相同,但基本构造层相差不多。
(1)平屋面面层恒荷载计算平屋面,又称建筑找坡屋面,排水坡度为2%~3%,屋面面层的基本构造、荷重如下:① 结构层(钢筋混凝土屋面板)上水泥砂浆找平层:厚度15~30mm ,容重20kN/m 3;② 隔气层:以成品为主,重量较轻,可以忽略;③ 保温层兼找坡层:一般采用憎水性能好、导热系数小和重量轻的保温材料,起坡处厚度必须满足热工要求、由建筑专业计算决定,如膨胀珍珠岩系列(容重7~15 kN/m 3,现场拌制的砂浆取大值,成品取小值)、挤塑板系列(很轻,重量可以忽略)等;④ 水泥砂浆找平层:厚度15~20mm ,容重20kN/m 3;⑤防水层:如二毡三油系列、二布六胶系列等,重量2~8 kN/m2;⑥保护面层:对于不上人屋面,可以是涂料、反射膜、砂石粘料(常称绿豆砂)、蛭石云母粉、纤维纺织毯、水泥砂浆块材等;对于上人屋面,与楼面面层的做法相同,一般以水泥砂浆面层为主;也可以结合环境绿化,采用种植屋面、蓄水屋面等。
建筑结构的荷载和强度分析对于建筑结构设计而言,荷载和强度分析是至关重要的步骤。
荷载是指作用在建筑物上的力或重量,而强度是指结构材料抵御这些荷载的能力。
准确的荷载和强度分析可以确保建筑结构的安全性和可靠性。
本文将介绍建筑结构荷载和强度分析的基本概念以及常用的分析方法。
一、荷载分析荷载分析是建筑结构设计的重要环节。
在荷载分析中,设计师需要考虑到建筑物所承受的各种荷载类型,包括恒载、可变载和临时荷载等。
恒载是指建筑物自身的重量,如屋面、墙体以及楼板的荷载。
可变载包括使用荷载和雪载等,这些荷载会根据建筑物的用途和地理环境而变化。
临时荷载则是一些短期内作用在建筑物上的荷载,如装修材料的重量等。
荷载分析中的一个重要概念是设计荷载。
设计荷载是根据建筑物的用途和所处地区的规范要求确定的,其目的是确保建筑物的安全性。
设计师需要根据规范要求确定设计荷载,并结合具体的建筑结构形式进行分析计算。
在荷载分析中,设计师可以使用各种工程软件进行模拟计算。
这些软件可以提供荷载分析结果,并根据计算结果进行结构设计的优化。
二、强度分析强度分析是建筑结构设计中的另一个重要环节。
在强度分析中,设计师需要考虑结构材料的强度参数以及荷载对结构的影响。
结构材料的强度参数包括抗弯强度、抗拉强度、抗压强度等。
这些参数需要根据实验或理论计算得出,并在强度分析中使用。
设计师可以根据荷载大小和结构形式,计算结构材料的强度是否满足荷载的要求。
强度分析中的一个重要方法是有限元分析。
有限元分析是一种数值计算方法,可以将结构分割成有限个小元素,从而快速计算结构的应力和变形状态。
有限元分析可以帮助设计师判断结构的强度是否满足要求,并进行结构设计的调整和改进。
除了强度分析,设计师还需要考虑结构的稳定性。
结构的稳定性指的是在荷载作用下结构是否发生失稳或破坏。
设计师可以通过分析结构的稳定性来确保结构在不同荷载作用下保持稳定。
三、分析方法在建筑结构的荷载和强度分析中,设计师可采用不同的分析方法进行计算和评估。
厂房荷载取值随着工业化的发展,厂房建设成为了城市建设的重要组成部分。
在厂房建设中,荷载取值是一个非常重要的问题。
荷载取值的合理性直接关系到厂房的安全性和稳定性。
本文将从荷载取值的定义、荷载的分类、荷载取值的方法以及荷载取值的应用等方面进行探讨。
一、荷载取值的定义荷载取值是指在设计过程中,根据一定的规范和标准,对建筑物或结构物所承受的荷载进行估算或计算,以确定建筑物或结构物的安全性和稳定性。
二、荷载的分类荷载可以分为静荷载和动荷载两种。
静荷载是指建筑物或结构物所承受的静止荷载,包括自重荷载、附加荷载和地震作用荷载等。
自重荷载是指建筑物或结构物本身所承受的重力荷载,包括建筑物或结构物的基础、墙体、屋面、楼板、梁、柱等构件的重量。
附加荷载是指建筑物或结构物所承受的除自重荷载以外的其他荷载,包括人员、设备、货物、风荷载、雪荷载、水荷载等。
动荷载是指建筑物或结构物所承受的运动荷载,包括风荷载、地震荷载、车辆荷载等。
三、荷载取值的方法荷载取值的方法主要包括规范取值法、试验取值法和计算取值法。
规范取值法是指根据国家或行业规范中规定的荷载取值进行设计。
试验取值法是指通过对实际工程进行试验,测量荷载的大小和作用方式,以确定荷载取值。
计算取值法是指通过数学模型对建筑物或结构物所承受的荷载进行计算,以确定荷载取值。
四、荷载取值的应用荷载取值的应用主要体现在厂房建设的各个环节中,包括设计、施工、验收和维护等。
在设计过程中,荷载取值是决定结构形式和材料选用的重要依据。
因此,在设计阶段中,应根据规范和标准对荷载进行合理估算和计算,以确保结构的安全性和稳定性。
在施工过程中,荷载取值是施工人员进行施工计划和材料选用的依据。
因此,在施工阶段中,应根据设计要求和规范要求对荷载进行合理控制,以确保施工质量和安全。
在验收过程中,荷载取值是检验建筑物或结构物是否符合规范和标准的重要依据。
因此,在验收阶段中,应对荷载进行合理检测和评估,以确保建筑物或结构物的安全性和稳定性。
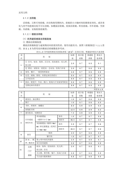
3.1.2 活荷载活荷载:又称可变荷载,在结构使用期间内,荷载的大小随时间的推移而变化、或其变化与其平均值相比较不可以忽略。
如楼面活荷载、屋面活荷载、积灰荷载、吊车荷载、雪荷载、风荷载、安装检修荷载等。
3.1.2.1 楼面活荷载(1)民用建筑楼面活荷载取值①楼面活荷载取值楼面活荷载取值与建筑物房间的使用性质、使用功能有关,按照《荷载规范》4.1.1查用,表3.1.5为常用房间楼面活荷载数值参考表。
表3.1.5 常用建筑楼面活荷载标准值(kN/m2)及其组合值、频遇值和准永久值系数续表3.1.5②楼面梁设计时活荷载的折减系数《荷载规范》4.1.2明确,在设计楼面梁时,表3.1.5中的楼面活荷载在下列情况下应乘以规定的折减系数:第1项中第①项:当楼面梁从属面积超过25m2时,折减系数为0.9;第1项中第②项~第7项:当楼面梁从属面积超过50m2时,折减系数为0.9;第8项,对单向板楼盖的次梁和槽型板的纵肋,折减系数为0.8;对单向板楼盖的主梁,折减系数为0.8;对双向板楼盖的梁,折减系数为0.8;第9项~第12项:采用与所属房屋类别相同的折减系数。
注:楼面梁从属面积,为梁两侧各延伸二分之一梁间距范围内的实际面积。
③墙、柱及基础设计时活荷载的折减系数《荷载规范》4.1.2明确,在设计墙、柱及基础时,表3.1.5中的楼面活荷载在下列情况下应乘以规定的折减系数:第1项中第①项:按照表3.1.6规定采用;第1项中第②项~第7项:采用与其楼面梁相同的折减系数;第8项,对单向板楼盖:折减系数为0.5;对双向板楼盖和无梁楼盖,折减系数为0.8;第9项~第12项:采用与所属房屋类别相同的折减系数。
表3.1.6 活荷载按楼层的折减系数2、工业建筑楼面活荷载(包括吊车荷载等)取值根据设备使用的要求,工业建筑楼面活荷载由工艺专业(或设备产生厂家)提出,如缺乏资料,对于一般的金工车间、仪器仪表生产车间、半导体器件生产车间、棉纺织造生产车间、轮胎厂准备车间和粮食加工车间等,可按照《荷载规范》附录C查用,工程设计中工业建筑楼面活荷载取值通常≧4.0 kN/m2。
建筑结构设计中的负荷计算与分析在建筑结构设计中,负荷计算与分析是至关重要的步骤。
它们对于确保建筑物的安全性和稳定性至关重要。
本文将介绍建筑结构负荷的类型、计算方法以及分析过程,以帮助读者更好地理解这一关键过程。
一、负荷的类型在建筑结构设计中,常见的负荷类型包括:永久负荷、活荷载和风荷载。
1. 永久负荷:永久负荷是指建筑物自身的重量以及固定设备和构件等产生的负荷。
永久负荷是建筑结构设计的基础,包括建筑物的自重、楼板、梁、柱等构件的重量。
2. 活荷载:活荷载是指建筑物使用过程中产生的临时负荷,包括人员活动、家具、设备以及储存物品等。
根据建筑用途和功能的不同,活荷载可以有所差异。
3. 风荷载:风荷载是指建筑物在受到风力作用时所承受的负荷。
风荷载的计算与建筑物所处的地理位置、高度、形状和风力参数等相关。
二、负荷计算的方法1. 永久负荷计算:永久负荷的计算通常使用建筑构件的单位重量与其相应的长度、面积或体积进行乘积运算。
在计算永久负荷时,需要考虑建筑物不同部位的自重以及附加设备和构件的重量。
2. 活荷载计算:活荷载的计算需要根据建筑物的使用类型和功能来确定。
一般情况下,可以采用国家标准或相关规范中给出的活荷载系数与建筑构件的面积或长度进行乘积运算。
3. 风荷载计算:风荷载的计算相对复杂,需要考虑建筑物的形状、高度、地理位置以及所处地区的风力参数等。
通常可以使用风荷载系数与建筑物的参考面积进行乘积运算。
三、负荷分析的过程负荷分析是指根据负荷的计算结果对建筑结构进行应力和变形的分析。
通过负荷分析,可以评估建筑结构的稳定性和安全性。
1. 结构模型的建立:首先需要建立建筑结构的模型,选择合适的建模方法和软件工具进行建模。
根据实际情况选择二维或三维模型,并设置相应的边界条件和约束。
2. 负荷应用:将计算得到的负荷应用到结构模型中,并进行相应的荷载组合。
通常情况下,需要进行永久负荷、活荷载和风荷载的组合计算。
3. 结构分析:采用适当的数值分析方法对结构进行分析,包括有限元分析、弹性分析和弹塑性分析等。
工业建筑荷载取值1. 引言工业建筑荷载取值是指在工业建筑设计中,对于不同荷载的计算和确定,以确保工业建筑的结构安全和稳定。
荷载是指作用在建筑结构上的各种外力,包括自重、活载、风载、地震作用等。
合理的荷载取值是工业建筑设计的基础,对于确保工业建筑的安全性至关重要。
本文将详细介绍工业建筑荷载的分类、计算方法和取值规范,以及一些常见荷载的特点和计算过程。
2. 工业建筑荷载分类工业建筑荷载可以分为静态荷载和动态荷载两大类。
2.1 静态荷载静态荷载是指在工业建筑中不随时间变化的荷载,包括自重、建筑物使用荷载、永久荷载等。
2.1.1 自重自重是指建筑物本身的重量,包括结构体系、墙体、屋面、地板等。
自重是静态荷载中最重要的一个部分,通常由建筑设计师根据材料的密度和尺寸进行计算。
2.1.2 建筑物使用荷载建筑物使用荷载是指工业建筑中由人员、设备、机械等引起的荷载,如人员活动荷载、设备荷载、储物荷载等。
使用荷载是根据工业建筑的具体用途和功能来确定的,需要根据实际情况进行测算和估计。
2.1.3 永久荷载永久荷载是指工业建筑中长期存在的荷载,如固定设备、管道、水箱等。
永久荷载是由工业建筑的固定部分产生的,通常由建筑设计师根据设备和结构的重量进行计算。
2.2 动态荷载动态荷载是指在工业建筑中随时间变化的荷载,包括风荷载、地震作用等。
2.2.1 风荷载风荷载是指由风力引起的荷载,对于高层工业建筑尤为重要。
风荷载的计算需要考虑建筑物的高度、形状、风速等因素,通常采用国家标准中的计算方法进行。
2.2.2 地震作用地震作用是指地震引起的荷载,对于地震频繁地区的工业建筑尤为重要。
地震作用的计算需要考虑建筑物的地震烈度、地震波形等因素,通常采用国家标准中的计算方法进行。
3. 工业建筑荷载计算方法工业建筑荷载的计算方法是根据不同荷载的特点和计算原理进行确定的。
下面将介绍一些常见荷载的计算方法。
3.1 自重计算自重的计算可以根据建筑物的材料和结构进行估算。
建筑结构设计中的荷载分析方法建筑结构设计是建筑工程中至关重要的一环,而荷载分析则是其中的关键步骤之一。
荷载分析是指对建筑结构的各种荷载进行分析和计算,以确定合理的结构设计方案,确保建筑物的安全性和稳定性。
本文将介绍建筑结构设计中常用的荷载分析方法。
一、静力分析法静力分析法是建筑结构设计中最为常用的荷载分析方法之一。
该方法基于牛顿第二定律,通过平衡受力来计算结构的应力和位移。
主要包括正交分量法、杆系分析法、刚架法等。
正交分量法的原理是将荷载按不同方向分解,然后分别计算各个方向上的受力和位移。
该方法适用于结构简单,荷载分布规律明确的情况。
杆系分析法则是将结构简化为杆件,根据杆件与节点的受力平衡条件,确定结构的受力状态。
刚架法则是将结构划分为多个刚架,通过刚架之间的力的平衡来计算结构的受力情况。
二、动力分析法动力分析法是一种基于结构的振动特性进行荷载分析的方法。
通过考虑结构的自振频率、模态形态等参数,综合考虑荷载作用下的结构响应,计算结构的应力、位移等参数。
常用的动力分析方法包括模态超级法、响应谱法等。
模态超级法是将结构振型分解为一系列的模态,并根据结构的频率和振型计算荷载作用下的结构响应。
响应谱法则是先制定一系列符合实际工况特点的振动响应谱,并将荷载转化为相应的谱值,然后与结构的响应谱进行对比,得出结构在不同频率下的响应情况。
三、有限元分析法有限元分析法是一种基于数值计算的荷载分析方法。
在该方法中,结构被离散为有限数量的元素,通过求解这些元素之间的相互作用,得出结构的应力、位移等结果。
有限元分析法可以模拟复杂的结构和荷载情况,对结构进行精确的分析。
有限元分析法的基本思想是将结构离散成有限数量的单元,在每个单元内计算局部应力和位移,然后组合起来得到整体结构的应力和位移。
有限元分析法通过计算结构的刚度矩阵和载荷矢量,使用数值计算方法求解结构的响应。
结论在建筑结构设计中,荷载分析方法是确保结构安全的关键环节。
屋面荷载做法取值计算公式屋面荷载是指建筑物屋面承受的重量,是建筑结构设计中非常重要的一个参数。
在建筑设计中,需要对屋面荷载进行准确的计算和取值,以确保建筑结构的安全性和稳定性。
本文将介绍屋面荷载的计算公式和相关的取值方法。
屋面荷载的计算公式主要包括静载荷和动载荷两部分。
静载荷是指建筑物自身的重量以及固定在屋面上的设备、人员等引起的荷载,通常使用建筑物自重和设备重量来计算。
动载荷是指风荷载、雪荷载等外部环境因素引起的荷载,需要根据当地的气候条件和建筑物的设计参数进行计算。
首先,我们来看静载荷的计算公式。
建筑物自重可以根据建筑物的结构形式和材料密度来计算,通常可以使用以下公式来计算:建筑物自重 = 建筑物体积×材料密度。
其中,建筑物体积可以根据建筑物的平面布置图和高度来计算,材料密度可以根据建筑物所使用的材料来确定。
设备的重量可以根据设备的规格和数量来计算,通常可以使用以下公式来计算:设备重量 = 设备数量×设备单个重量。
在实际计算中,需要考虑到建筑物自重和设备重量对屋面的影响,通常需要将其分别计算并叠加起来,得到最终的静载荷。
接下来,我们来看动载荷的计算公式。
动载荷通常包括风荷载、雪荷载等外部环境因素引起的荷载,需要根据当地的气候条件和建筑物的设计参数来计算。
风荷载可以根据当地的风速、建筑物的高度和形状来计算,通常可以使用以下公式来计算:风荷载 = 风压系数×风速²×建筑物面积。
其中,风压系数可以根据建筑物的形状和高度来确定,建筑物面积可以根据建筑物的平面布置图来计算。
雪荷载可以根据当地的降雪量和建筑物的设计参数来计算,通常可以使用以下公式来计算:雪荷载 = 雪密度×雪深×建筑物面积。
在实际计算中,需要考虑到风荷载和雪荷载对屋面的影响,通常需要将其分别计算并叠加起来,得到最终的动载荷。
在进行屋面荷载的取值计算时,需要根据建筑物的设计参数、当地的气候条件和相关的规范要求来确定具体的取值。
建筑结构中的荷载分析方法建筑结构的设计和施工需要考虑各种外部力的作用,这些力被称为荷载。
荷载的准确分析对于保证建筑结构的安全性和可靠性至关重要。
因此,建筑工程师需要掌握荷载分析的方法和技巧。
以下将介绍几种常用的荷载分析方法。
一、静力分析法静力分析法是建筑结构中最基本也是最常用的荷载分析方法之一。
在这种方法中,假设结构处于平衡状态,通过平衡条件和力的平衡方程,求解物体所受外力和内力的大小和方向。
该方法适用于简单结构,如梁、柱等。
二、弹性分析法弹性分析法是基于弹性理论的一种荷载分析方法。
弹性分析法通过假设结构材料具有线性弹性行为,而进行荷载分析。
这种方法适用于较为复杂的结构,如桥梁、高层建筑等。
通过使用有限元法或弹性理论,计算结构中的应力和变形,从而确定结构的安全性。
三、动力分析法动力分析法是一种基于结构动力学理论的荷载分析方法。
这种方法考虑了结构动力行为,如地震、风等荷载作用下的结构响应。
通过使用结构动力学方程和数值计算方法,预测结构的振动、应力和变形,评估结构的可靠性和抗震能力。
该方法广泛应用于地震设计和大跨度结构的设计。
四、概率分析法概率分析法是一种基于概率论的荷载分析方法。
这种方法通过对不确定性因素进行统计和随机分析,提供了结构的可靠性评估。
概率分析法适用于荷载的随机性很大的情况,如风荷载、雨水荷载等。
通过概率分析法,可以得出结构的可靠性指标,指导设计和施工。
总结建筑结构中的荷载分析方法包括静力分析法、弹性分析法、动力分析法和概率分析法。
这些方法在不同的情况下具有不同的适用性,可以根据具体的项目需求选择合适的方法。
荷载分析的准确性和可靠性对于保证建筑结构的安全性和稳定性至关重要,建筑工程师应具备相应的分析能力和专业知识,确保结构的设计和施工达到预期要求。
以上是建筑结构中的荷载分析方法的相关介绍。
希望能对读者在建筑结构设计和施工方面有所帮助。
通过合理选择和应用荷载分析方法,能够提高建筑结构的设计质量和施工效率,保障人们的生命财产安全。
建筑结构设计中的力学分析方法建筑结构设计是一门综合性学科,旨在确保建筑物能够在不同的力学荷载下保持结构稳定和安全。
力学分析是建筑结构设计中的关键环节之一,它通过深入研究和分析不同荷载对建筑结构产生的影响,以确定和优化结构的设计。
1. 引言在建筑结构设计中,力学分析是一项至关重要的技术。
通过运用力学原理和方法,可以预测建筑结构在外界荷载作用下的响应,为设计提供可靠的基础和指导。
本文将介绍建筑结构设计中常用的力学分析方法。
2. 静力分析静力分析是建筑结构设计中最基本的分析方法之一。
它基于力和力的平衡原理,通过计算建筑结构受力情况来确定结构的承载能力和稳定性。
静力分析常用的方法包括受力图法、弯矩计算、剪力计算等。
这些方法能够准确地描述结构在静力荷载下的受力状态。
3. 动力分析动力分析是一种更为复杂的分析方法,适用于考虑到地震、风载等动力荷载的建筑结构。
动力分析主要包括静力等效法、模态超静力法和时程分析等。
其中,静力等效法和模态超静力法都是基于模态分析的思想,并在考虑动力荷载的情况下简化了计算过程。
时程分析是一种更为精确的方法,通过模拟荷载和结构之间的相互作用来评估结构的响应。
4. 有限元分析有限元分析是一种广泛应用于建筑结构设计领域的数值分析方法。
它将结构划分为有限个单元,利用数学模型和计算机技术模拟结构的受力行为。
有限元分析可以综合考虑结构的几何形状、材料性质和边界条件等因素,对结构的受力性能进行精确分析。
由于有限元分析具有较高的计算精度和灵活性,因此在复杂建筑结构的设计和优化中得到广泛应用。
5. 非线性分析非线性分析是一种针对具有非线性特征的结构进行分析的方法。
在许多情况下,建筑结构在受到极限荷载或变形限制时会发生非线性响应。
非线性分析通过考虑结构材料的非线性特性、几何非线性和接触非线性等因素,准确地描述结构的受力性能,并提供合理的设计参考。
6. 结构优化方法结构优化方法在建筑结构设计中发挥着重要的作用。
建筑结构计算中的荷载分析方法介绍建筑结构的设计和计算是建筑工程中非常重要的一环。
其中,荷载分析是建筑结构计算的基础,它涉及到建筑物所承受的各种力的计算和分析。
本文将介绍建筑结构计算中常用的荷载分析方法。
一、静力分析法静力分析法是建筑结构计算中最基础的方法之一。
它基于牛顿第二定律,通过计算结构受力平衡的原理来分析荷载。
静力分析法适用于简单的结构,如梁、柱等。
在计算过程中,需要考虑结构的几何形状、材料性质和外部荷载等因素。
二、动力分析法动力分析法是一种更为复杂和精确的荷载分析方法。
它考虑了结构的动态响应,即结构在受到外部荷载作用时的振动情况。
动力分析法适用于高层建筑、桥梁等大型结构的计算。
在计算过程中,需要考虑结构的质量、刚度和阻尼等因素,以及外部荷载的频率和振幅等参数。
三、有限元分析法有限元分析法是一种广泛应用于建筑结构计算中的数值分析方法。
它将结构划分为多个小单元,通过求解每个小单元的受力平衡方程,最终得到整个结构的受力情况。
有限元分析法可以考虑结构的非线性和动态响应等复杂情况,因此在工程实践中得到了广泛应用。
四、风荷载分析法风荷载是建筑结构设计中必须考虑的一种重要荷载。
风荷载分析法是通过计算风对建筑物的作用力来确定结构的受力情况。
在风荷载分析中,需要考虑建筑物的几何形状、表面粗糙度、风速、风向等因素。
同时,还需要考虑风荷载的动态效应,如风振效应等。
五、地震荷载分析法地震荷载是建筑结构设计中另一个重要的荷载。
地震荷载分析法是通过计算地震对建筑物的作用力来确定结构的受力情况。
地震荷载的计算需要考虑建筑物所处的地震地区、地震烈度、地震波的频率和振幅等因素。
同时,还需要考虑地震荷载的动态效应,如地震响应谱等。
六、温度荷载分析法温度荷载是建筑结构设计中常常需要考虑的一种荷载。
温度荷载分析法是通过计算温度对建筑物的影响来确定结构的受力情况。
温度荷载的计算需要考虑结构的材料性质、温度变化范围和温度梯度等因素。
楼板面上布置灵活自由轻质隔墙的荷载取值实用法随着社会经济不断发展,现在一般多高层楼房、住宅楼多为商品房,业主购买后期还要进行改造,再次装修,于是需要考虑解决楼板面荷载变化问题。
灵活自由布置的轻质隔墙一般是由用户后期二次装修时自行设定的,楼板上布置灵活自由轻质隔墙的荷载取值就成了较核心的问题。
文章将介绍几种实用的荷载取值方法,以供参考。
标签:楼板;轻质隔墙;荷载;取值;实用1、研究背景现代很多客户购买楼房后,进行二次改造是常有的事。
结构设计中,通常将厚度小于120mm的墙视为轻质隔墙,灵活自由布置的轻质隔墙由于只能直接施加于楼板面之上,所以结构设计中,楼板面的荷载问题就成了重点问题。
常见的楼板面上布置隔墙的方法有两种:①在固定隔墙下布置底标高与板平齐的上翻梁,梁截面采用倒T型截面,梁胁宽与隔墙宽度相同截面,能实现建筑与结构相协调,但施工不便,再改造困难,对结构加混凝土梁也难以实现;②采用加固处理中于板内增设暗梁,暗梁与板同厚的宽扁梁,这种适合板厚加厚情况,但当板厚变为较薄时,暗梁刚度较低,很难找到随板厚变化的暗梁。
两种布置方法均有缺陷,作者通过实践探索更实用的方法。
2、单向板的荷载取值按照(建筑结构荷载规范)(GB5009-2012)第5.1.1.条注6规定,位置固定轻质隔墙,应按永久荷载(即恒载)考虑。
布置灵活自由轻质隔墙时,隔墙的自重应计算入内,计算规则为:≥1/3的每延米长墙重(KN/m)作为楼面活荷载的附加值(KN/m2)计入,且附加值应≥1.0KN/m2。
关于线荷载按一定的荷重比例折算后作为活荷载计算,在计算过程中,找出其中最不利的效应数值,将其与在等效均布活荷载(满布)作用下,简支情况时构件相应效应值相等,即可求出等效均布活荷载。
应用荷载规范(附录C.O.4条)确定的等效荷载法有如下:qe=8×Mmax/b x 12(qe:单向板上局部荷载(包括集中荷载)的等效均布活荷载KN/m;L板的跨度m;b:板上荷载的有效分布宽度m;Mmax:简支单向板的绝对最大弯矩KN.m,应按设备的最不利布置确定。
建筑结构荷载取值的方法分析
摘要: 目前,我国建筑项目安全事故时有发生和地震灾害的频繁出现,建筑结构
的质量问题成为人们关注的焦点。
然而现今建筑结构荷载取值的确定方面略显不足,因此在今后的建筑结构设计工作中,应加强荷载值的分析方法和确定方法,
对实现建筑领域的可持续发展有着重要的作用。
笔者首先论述了建筑结构荷载取
值的定义、分类和重要性,并针对存在的主要问题,详细的分析了建筑结构荷载
取值的方法,可供参考!
关键词:建筑结构设计;荷载;分析
建筑结构荷载值的确定是建筑结构设计中一项非常重要的工作,荷载值的准
确确定才能够保障建筑整体的抗震性和稳定性。
现在我国建筑结构设计在进行荷
载值的确定工作时还存在着一些问题,对于这些问题的剖析将能够帮助我们更有
针对性的找到解决方法。
1.建筑结构中的荷载取值
随着我国建筑业的不断发展,建筑体的形态越来越多样,建筑体的构造也越
来越复杂。
这些都使得建筑体的荷载量越来越大。
建筑体荷载值的确定在整个结
构设计中非常重要,这将会是保障建筑体的抗震性和稳定性的基石。
通常建筑荷
载值的确定会有一套程序,首先会根据项目的实际情况建立相关的荷载概率模型,在此基础上再来进一步展开参数的研究与分析工作,这样才能够更为准确的确定
荷载值。
图1荷载取值范围
2.建筑结构荷载的分类
荷载是在结构上施加的集中力或者分布力。
荷载按照时间的长久可分成永久
荷载、可变荷载与偶然荷载。
永久荷载是施加在工程结构上不变的(或其变化与
平均值相比可以忽略不计的)荷载。
比如结构自重、外加永久性的承重、非承重
结构构件和建筑装饰构件的重量、土压力等。
恒载在结构的设计中必须考虑其长期效应,因为在建筑体的整个使用期内它
是持续施加于结构之上的。
可变荷载是施加在结构上的由人群、物料和交通工具
引起的使用或占用荷载和自然产生的自然荷载。
可变荷载的随机性表现在空间的
变异方面,变化和平均值难以忽略,包括建筑上的活动人群、自然界的风、雨、
雪荷载等。
偶然荷载有可能出现的荷载,而且一旦出现,量值较大,包括地震、
汽车撞击作用等持续很短的荷载等。
3.荷载值确定的重要性
建筑结构荷载取值的确定非常重要,这不仅是结构设计中的一项基础工作,
也能够直接决定建筑体的安全性和稳定性。
荷载值的准确确定将能够明确整个建
筑体的结构内力,在此基础上才能够进一步展开相关的结构计算。
如果无法明确
建筑体的荷载值,或者是对于荷载值的确定有偏差,这很容易造成建筑体的结构
形变,会使得建筑体的寿命降低,甚至产生安全事故。
因此,合理确定建筑体的
荷载值非常重要。
4荷载和结构的抗力情况分析
4.1影响结构可靠性的因素
影响结构可靠性原因在实际的操作中有很多种,其中最主要的原因有两个方面,一方面是结构本身对不同的作用效果的抵抗情况,另一方面是结构对自身所
承受到的不同压力来自于外界的作用。
施加在结构上的不同的作用会在支座处生
成反压力,而且同时会导致结构产生内力、变形、倾覆和滑移。
4.2结构的可靠度分析
结构的可靠度指的是什么呢,简单地说就是一个结构所能够承受的时间问题,打个比方说,一个工程一个结构的可靠时间是有规定的,而且这个规定是在特定
的范围之内以及特定的条件之下的,并且可以完成的所预定的功能的一个概率,
这样来看呢,结构的可靠度是结构可靠性的一个概率度量。
也就是说结构的可靠
度是对结构的可靠性有一种规定好的概述。
在不同的随机原因的影响下,结构完
成的预先规定的功能的能力是不能确定的。
所以结构的可靠度就只能用概率来表
示了,因为结构失去作用是一个非常小的事件,失去作用的概率对结构的可靠度
的把握也就显得更加的明显,所以一般在学术上或者专业学习上大部分的情况都
会用概率来表示结构的可靠度。
5荷载值确定工作中存在的主要问题
目前,我国建筑结构设计荷载值的确定工作的过程中,存在的主要问题有:
首先,设计人员自身的专业化素养不够,专业知识的不善使得具体计算时往往不
够细致,荷载值的确定也缺乏准确度。
其次,对于荷载取值工作的监管不够完善,缺乏一套健全的监督体系,这也是使得许多工作不够细致的原因。
此外,现阶段
我国用于建筑结构荷载设计的方式仍然较为单一,这也是使得一些工作落实的不
够到位的一个原因。
6建筑结构荷载取值的方法
建筑结构荷载取值不仅是建筑体结构设计中的重要参照,也是保障建筑的安
全性与稳定性的基石。
结合我国目前结构设计中荷载值确定工作的实际展开情况
来看,仍然存在着许多有待完善的地方。
想要全面提升荷载取值确定工作的科学
性与准确性,可采用以下几点措施:
1)要加强对于建筑荷载值确定工作的理论研究,其中涉及的知识层面很多,只有深化理论研究才能够找到更多好的确定方式与技术手段,进而辅助这部分工
作更为高效的展开。
2)设计人员必须充分掌握了解相关规定与标准,严格按照具体的要求办事,善于总结经验与教训,同时做好相关记录工作,以保障人民群众的生命财产安全;将自身具有的主导性作用全面发挥,工作认真负责,让最后呈现出来的作品在达
到安全可靠要求的同时还能体现自己的意识,落实国家相关政策,提高建筑质量
水平与安全性。
要不断完善自己的知识体系,要增强自己的理论基础与项目实践
能力。
只有自身的专业化水平得到显著提升才能够更好的解决实际工作中可能存
在的各类问题。
窗体顶端
3)建筑结构设计对荷载值的确定过程中,建立合理有效的荷载分析处理模型,对其在统计过程中所对应的参数进行分析,是该过程中一项重要的环节。
其中对
对应参数的统计分析过程中,其主要对象为可变的荷载值,换言之则是包括永久
荷载范围以外的所有荷载。
在对可变荷载的分析过程中,通常认为其会随着时间
的变化出现相应的变化,理论方面可以运用随机过程的模型进行分析处理,然而
现阶段建筑结构设计人员对荷载的变化过程以及其分析过程并没有较为充分的掌握,因而为了操作方面的简便,在实际设计工作中通常运用对极值的统计进行研
究工作。
在荷载取值的过程中,要充分考虑到房屋内装潢以及物品的陈设情况,
之后对可变荷载以及永久性荷载进行不同组合,最终计算出建筑之中每个房间内
单位面积上永久性荷载以及可变性荷载,并严格根据该结果,充分结合各个房间交付使用之后的使用功能,对房间进行充分分析,并绘制相应的统计图纸,可采用统计学相关软件对数据进行相应的分析以及处理工作,最终得出各个条件下荷载的参数情况。
4)建筑企业应当提升对于荷载值确定工作的重视程度,不仅要针对这部分工作程度独立的监督部门,也很有必要督促这部分工作的良好落实。
这样才能够让荷载值的确定更为准确。
5)对建筑结构设计的模式加以创新,建筑结构设计的安全性除了与政府部门有着直接的关系外,与施工各方等也关系密切。
现如今,计算机因其众多的优势在社会上得到了广泛的应用,应将其渗透到建筑业领域中。
现代建筑结构设计依赖于专业的软件,该软件具有较强的专业性与较大的难度,多数设计人员未充分掌握其应用。
所以房地产开发商必须具备科学的安全与诚信意识,保证建筑物的安全性,维护人民群众的生命财产安全,在售价差不多的情况下,应进一步增加建筑物的安全性。
此外,对建筑结构的设计模式予以创新,保证设计的科学合理性,使最后形成的建筑物安全高效,服务于人民,服务于社会。
结语
综上所述,建筑结构荷载取值的准确确定不仅是建筑结构设计中的重要组成之一,这也是建筑体的安全性与稳定性的一个决定因素。
想要让荷载值的确定工作更为科学与高效,这不仅需要增强对于这部分计算关注的理论研究,设计人员提升自己的专业化素养也很重要。
只有从多方面做出改善才能够让建筑结构荷载值的确定更为准确。
参考文献:
[1]李晓鑫. 谈建筑结构设计中荷载值的确定[J].山西建筑. 2014(02) .
[2]王红. 建筑结构设计中荷载取值的研究[J].中国建筑金属结构. 2013(16).。