汽车配送路线优化设计
- 格式:docx
- 大小:42.53 KB
- 文档页数:17
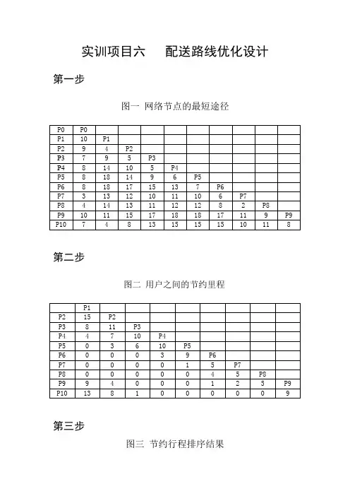
实训项目六配送路线优化设计第一步
图一网络节点的最短途径
第二步
图二用户之间的节约里程
第三步
图三节约行程排序结果
根据节约里程表和配送车辆载重量等约束条件逐步求出最优配送路线
(1)从P0向各个用户配送,共有十条路线,总的运行距离为148,需要2t车辆10辆
(2)按照节约行程大小顺序连接P1-P2,P1-P10,P2-P3.P3-P4配送路线6条,需要2t车辆5辆,4t车辆1辆,总运行距离148-(15+13+11+10)=99,运行距离为33,装载量为4t。
(3)连接P4-P5,P5-P6,P6-P7,总的配送路线有4条,需要2t车辆2辆,4t车辆2辆,总的配送距离为99-(9+5)=85km,配送路线2运行距离为24,装载量3.5t。
(4)链接P8-P9,有3条配送路线,总的配送距离为85-5=80,配送路线3的运行距离为23,装载量为1.3t。
○P4 5 5 ○P2
○P3 4
○P1
○P58 配送路线1
8 4
7 ○10
○P0
7
配送路线2 3 4 10
○P8配送路线3
○P6 6 ○P79 ○P9
图○3
最终结果:路线1 的运行距离为33,装载量为4t
路线2的运行距离为24,装载量为3.5t
路线3的运行距离为23,装载量为1.3t
总的运行距离为80,装载量为8.8t,需要2t的车辆1辆,4t车辆2辆。
物流配送中的运输路线选择与优化在日常的物流配送中,运输路线的选择和优化对于提高效率和降低成本非常重要。
合理的运输路线规划能够减少行驶里程、节省燃料消耗、提高货物送达速度等,从而满足客户的需求,增强企业的竞争力。
本文将探讨物流配送中运输路线选择和优化的相关因素和方法。
一、运输路线选择的因素1. 货物特性:货物的重量、体积、脆弱程度、保存条件等因素会影响运输路线的选择。
重量大的货物可能需要选择更宽敞的道路,而脆弱的货物则需要选择比较平稳的路线。
2. 目的地要求:不同的目的地有不同的要求,包括送达时间、交付方式等。
有些目的地可能需要快速送达,此时应选择较短的路线;有些目的地可能对交付时间要求不那么严格,这时可以选择更经济的路线。
3. 道路状况:道路的状况会影响货物的安全性以及运输效率。
有些道路可能存在拥堵、施工等情况,这时需要选择绕行路线或优化路径,以避免延误。
4. 环境因素:运输路线的选择还需要考虑环境因素,如气候条件、交通规则等。
在恶劣的天气情况下,需要选择较为安全的路线;同时,也需要考虑交通规则和限制,以遵守相关法律法规。
二、运输路线优化的方法1. 路程最短法:该方法是最常用的路线优化方法,通过计算不同路径的距离,选择最短的路线。
可以借助地图软件或物流系统来快速计算。
2. 时间最短法:对于有时间限制的配送任务,可以使用时间最短法进行路线优化。
该方法考虑交通拥堵、高峰期等因素,选择能够在最短时间内到达目的地的路线。
3. 成本最低法:该方法考虑配送过程中的成本因素,包括燃料费用、人工费用等。
通过综合考虑不同路线的成本,选择最低成本的运输路线。
4. 多目标优化法:对于物流配送中的复杂情况,往往需要考虑多个目标,如时间、成本、货物安全等。
这时可以使用多目标优化算法,通过建立数学模型,找到一个最优的平衡解。
5. 实时路径规划:物流配送过程中,往往会面临实时变化的情况,如交通堵塞、客户需求变动等。
此时,需要实时进行路径规划和调整,选择最优的运输路线。
车辆路径问题VRP(Vehicle Routing Problem),又称车辆调度问题,通常可以描述为:对一系列装货点和卸货点,组织适当的行车路线,使车辆有序地通过它们,在满足一定的约束条件(如货物需求量、发送量、交货时间、车辆运量限制、行驶里程限制、时间限制等)下,达到一定的目标(如路程最短、费用最少、时间尽量少、使用车辆台次数尽量少等)。
对这个问题的研究比较多,现在还是许多物流专业大学生毕业设计的热门题材。
当前,解决VRP问题已经很少靠手工操作了,基本都是在TMS中有相应的模块,输入基础数据后直接得出推荐的最优路线。
总结起来,解决VRP问题的常规方法,主要包括以下这些。
一、定性方法。
主要有经验判断法,综合评价法。
这些方法配以GPS导航,可用性还是比较强的,起码王二的仓库里主要就是这么用的。
二、定量方法1、货物调拨规划指的是当一个企业的产品有多个供应商和多个市场时,需要决定产品从不同供应地到不同市场的分拨方案,即如何在多个供应地和多个需求地之间合理调配货物,在满足需求的前提下实现总运输成本的最小化。
可采用的方法包括:图上作业法、表上作业法(西北角法、闭回路法、位势法等)。
2、车辆路径优化(1)单一车辆配送一般以行车时间最短、距离最短或费用最小为优化目标,也称为最短路径问题,通常采用的方法有:多阶段动态决策法、Dijkstra方法、旅行商问题模型、中国邮递员问题等。
(2)多车辆路径问题一般描述为:某仓库要为多个客户提供服务,已知每个客户的地理位置及货运需求量,仓库需要调用多辆货车来满足这些客户的需求,每辆汽车的载重量一定,要求确定为这些客户提供服务的货车数量,并为每辆车分配一定的服务客户;同时,确定每辆车的行驶路径(或服务顺序),使总成本(如距离、时间等)最低,可以采用的方法包括:扫描法、里程节约法等。
当然了,随着AI技术的兴起,一些更智能的方法已经应用于实际工作中,比如模拟退火算法、禁忌搜索算法、遗传算法、蚁群算法和神经网络方法等。
学科超市物流授课班级物流专业日期. 课题配送线路优化-(2) 授课类型新授课时 2 教材超市物流任课教师课序教学目标认知目标1.认识到本课程的重要性,2.明确配送路线确定的目标条件3.掌握配送路线的确定原则4.熟悉破圈法以及里程节约法的基本思想能力目标1.培养学生的数学建模的能力2.掌握破圈法的要点并能够熟练运用3.熟悉节约法的基本思想,以设计最佳配送路线。
4.熟练运用利用节约里程法,查找最佳配送路线。
情感目标1.激发学生对本课程的兴趣和能动性2.培养学生提出问题、分析问题、解决问题的思维方式3.培养学生动脑筋的习惯,通过层层深入把握事物本质,提高科学素养。
4.让学生通过协作体会到团队合作的优势,培养学生的团队协作意识,提高学生团队协作的能力教学重点1. 熟练掌握数学建模方式及使用破圈法解决实际问题2. 利用节约里程法对配送路线进行合理优化教学难点1.数学建模2.破圈法3.节约里程法教学方法讲解法、演示法、动手操作法、举例验证法、观察法、练习法、讨论法课前准备教案、案例、PPT设计意图本课程的教学对象为中职学校物流专业学生,在前面的学习中已经了解了配送的基本概念、配送中心的功能和基本作业,熟悉配送运输的特点及其影响因素,了解配送运输的基本作业流程,以及掌握了配送车辆的装货配货技术。
本课中的亮点部分在于通过非常简单的“任务”引入教学,通过“小组讨论“充分调动一部分同学的积极性,使得学生有参和其中的感觉,一方面及时地将学生的注意力吸引回到课堂,另一方面也打消了学生的畏难情绪。
其次,由简到繁,由易到难的内容设置,恰当运用典型案例,层层深入,提出需要学生思考的问题,进而引出所授章节的基本理论和主要知识点。
学生在分析问题的过程中不但掌握了知识要点也提高了自身的学习能力,取得了良好的教学效果。
难度上有所取舍,着重讲授破圈法和节约里程法,本课题是对已学知识的综合运用,也为后续的学习打下基础。
配送线路优化是配送管理中为数不多的技术性较强的分析工具之一,理论和实操高度结合,能够综合培养学生抽象思维和动手能力。
汽车零部件配送方案随着汽车行业的快速发展,汽车零部件的供应链管理变得愈发重要。
合理的零部件配送方案不仅可以提高供应链的效率,还可以确保零部件的及时交付。
本文将探讨一种适用于汽车零部件配送的方案,以提高配送效率和满足客户需求。
1. 方案简介我们的汽车零部件配送方案基于以下几个主要原则:及时交付、成本效益、可追溯性和环境友好。
通过优化配送路径、采用先进的物流技术和管理系统,我们旨在提供高效、可靠的零部件配送服务,满足客户的需求。
2. 配送中心建设为了实现高效的零部件配送,首先需要建设一套完善的配送中心。
配送中心的选址应离汽车制造厂和经销商较近,以缩短货物运输时间。
同时,配送中心应具备一定的存储能力和设备,以满足不同规模和类型的零部件配送需求。
3. 配送网络规划在建立配送中心的同时,我们需要规划一个高效的配送网络。
首先,根据汽车制造厂和经销商的分布情况,确定最佳的配送路线和节点。
其次,利用现代化的物流技术和管理系统,实现配送的自动化和智能化,提高配送的效率和准确性。
4. 运输工具选择为了满足零部件配送的不同需求,我们可以选择多种运输工具,如货车、火车、船舶和飞机等。
根据配送的距离、数量和紧急程度来选择最合适的运输工具,以降低成本和提高配送效率。
5. 信息技术应用在汽车零部件配送过程中,信息的及时传递和准确记录至关重要。
我们可以利用现代化的信息技术和管理系统,实现配送信息的实时监控和追溯,以确保货物的安全和到达时间的准确性。
同时,客户可以通过在线平台查询零部件的配送状态,提高配送的透明度和满意度。
6. 环境保护在制定汽车零部件配送方案时,我们注重环境保护和可持续发展。
通过优化配送路线和运输工具的选择,减少空载率和能源消耗,降低配送过程对环境的影响。
同时,可以考虑采用可再生能源和推广绿色包装,进一步提升配送的环保性。
7. 配送效果评估为了不断优化汽车零部件配送方案,我们需要进行定期的配送效果评估。
通过收集和分析配送数据,评估配送网络的运行效率和客户的满意度,及时调整和改进配送方案,以适应市场需求的变化。
汽车行业零部件物流高效配送方案第一章概述 (3)1.1 项目背景 (3)1.2 项目目标 (3)第二章零部件物流配送现状分析 (3)2.1 现有物流模式 (3)2.2 配送效率问题 (4)2.3 物流成本分析 (4)第三章配送网络优化 (5)3.1 配送中心布局 (5)3.1.1 地理位置选择 (5)3.1.2 设施规划与设计 (5)3.2 配送路径规划 (5)3.2.1 收集基础数据 (5)3.2.2 确定配送目标 (5)3.2.3 建立数学模型 (6)3.2.4 求解优化方案 (6)3.3 配送网络优化策略 (6)3.3.1 多样化运输方式 (6)3.3.2 资源共享与协同配送 (6)3.3.3 信息化建设 (6)3.3.4 人力资源优化 (6)3.3.5 绿色物流 (6)第四章仓储管理改进 (6)4.1 仓储设施优化 (6)4.1.1 设施布局优化 (6)4.1.2 设施设备升级 (7)4.2 库存管理策略 (7)4.2.1 安全库存设定 (7)4.2.2 库存预警机制 (7)4.2.3 库存周转率优化 (7)4.3 出入库作业流程改进 (7)4.3.1 入库作业流程改进 (7)4.3.2 出库作业流程改进 (8)第五章货物包装与搬运 (8)5.1 包装设计优化 (8)5.2 搬运设备选择 (8)5.3 搬运作业流程改进 (8)第六章运输方式与工具 (9)6.1 运输方式选择 (9)6.1.1 公路运输 (9)6.1.2 铁路运输 (9)6.1.3 水路运输 (9)6.1.4 航空运输 (9)6.2 运输工具优化 (9)6.2.1 专用运输车辆 (9)6.2.2 多式联运设备 (9)6.2.3 物流信息技术 (9)6.3 运输效率提升 (10)6.3.1 优化运输路线 (10)6.3.2 提高装载效率 (10)6.3.3 加强运输安全管理 (10)6.3.4 促进运输协同 (10)第七章信息化管理 (10)7.1 物流信息系统建设 (10)7.1.1 系统架构设计 (10)7.1.2 功能模块划分 (10)7.1.3 技术选型与实施 (11)7.2 数据分析与决策支持 (11)7.2.1 数据采集与整合 (11)7.2.2 数据分析与应用 (11)7.2.3 决策支持系统 (11)7.3 信息共享与协同作业 (11)7.3.1 信息共享机制 (11)7.3.2 协同作业平台 (12)第八章配送时效与质量保障 (12)8.1 配送时效监控 (12)8.1.1 监控体系构建 (12)8.1.2 配送时效评价 (12)8.2 质量保障措施 (13)8.2.1 质量控制体系 (13)8.2.2 质量保障措施 (13)8.3 应急预案制定 (13)8.3.1 应急预案内容 (13)8.3.2 应急预案演练 (13)第九章成本控制与效益分析 (14)9.1 成本控制策略 (14)9.2 效益评估方法 (14)9.3 成本效益分析 (15)第十章项目实施与监控 (15)10.1 项目实施方案 (15)10.2 项目进度监控 (16)10.3 项目评估与改进 (16)第一章概述1.1 项目背景我国经济的快速发展,汽车产业作为国民经济的重要支柱产业,其市场规模持续扩大。
物流配送车辆路径优化方法研究摘要随着我国物流业的发展,物流配送车辆路径优化问题日益受到重视。
优化物流配送车辆路径可以提高物流配送效率、降低物流成本。
本文首先阐述了物流配送车辆路径优化的研究背景和意义,然后介绍了物流配送车辆路径优化问题的基本概念和模型,接着具体阐述了物流配送车辆路径优化问题的求解方法和优化策略,并举例说明了优化策略的有效性,最后进行了总结和展望。
关键词:物流配送车辆;路径优化;模型;求解方法;优化策略AbstractWith the development of logistics industry in China, the problem of optimizing the route of logistics distribution vehicles has been increasingly valued. Optimizing the routeof logistics distribution vehicles can improve logistics distribution efficiency and reduce logistics costs. This paper firstly expounds the research background and significance of optimizing the route of logisticsdistribution vehicles, then introduces the basic concepts and models of optimizing the route of logistics distribution vehicles, and further elaborates the solving methods and optimization strategies of optimizing the route of logistics distribution vehicles. Finally, the validity of optimization strategies is illustrated by examples, and the conclusion is drawn and prospects are put forward.Key words: logistics distribution vehicles; route optimization; model; solving methods; optimization strategies一、背景与意义随着国民经济的发展和人民生活水平的提高,电子商务、快递配送、物流供应链等行业得到了迅猛发展。
摘要摘要:优速物流积极探索客户需求,不断推出新的服务项目,为客户产品提供快速安全的流通渠道,帮助客户更快更好地对市场做出反应,推出新的产品和调整策略,缩短贸易周期,降低经营成本,促进客户竞争力的提高。
优速物流全部采用自建、自营的方式建立自己的速递网络。
2009年成立以来,致力于加强公司的基础建设,统一全国各个网点的经营理念,大力推行工作流程的标准化,提高设备和系统的科技含量,提升员工的业务技能和素质,努力为客户提供更优质的服务。
关键词:优速物流快递业务流程优化配送目录第1章优速物流公司概况................................ 1第2章优速物流公司配送流程分析........................ 22.1 优速物流配送业务概况............................ 22.2 优速物流配送流程...................... 22.3 优速配送流程存在的问题及原因分析................ 3第3章优速物流业务流程优化方案设计.................... 53.1 优速物流配送流程优化的整体思路.................. 53.2 优速物流配送流程优化方案........................ 83.3 对比分析........................................ 9总结................................................. 11致谢.................................................. 12参考文献.............................................. 13第1章优速物流公司概况优速物流有限公司是一家新成长的深具发展潜力的大型快递物流公司。
摘要车辆路径问题是运输配送中的难题之一,也是物流系统优化的关键一环。
对此,国内外学者进行了广泛而深入的研究,提出了不同条件下的多种求解方法。
各种方法都优点和不足之处,也有其应用上的局限和障碍,如何有效而充分地运用这些方法解决实际问题,使之服务于物流配送实践,是重要的研究课题。
基于配送车辆线路问题的复杂性和多样性,相关软件的使用将是一个必然趋势。
本文简要介绍了国内外车辆路径问题的发展现状,对于配送中心车辆相关概念进行了介绍。
对单车辆和多车辆配送情况简要介绍,并建立数学模型,介绍了车辆路径问题的相关算法,特别对节约里程法(克拉克-怀特算法)以及Logware软件中的ROUTER 模块的原理和方法深入研究,探讨了多辆车情况下的配送车辆线路问题。
通过一个案例,应用节约里程法对算例进行线路安排,与Logware软件的得到的线路方案进行对比,二者结果相近,但软件的计算速度更快,效率更高。
此外,分析了节约里程法和Logware 软件对多车辆线路的结果。
关键字:车辆路径问题;配送;节约里程法(克拉克-怀特算法);Logware软件。
AbstractThe vehicle routing problem is one of the difficult problems of transport distribution and one important part of the logistics system optimization.For this, the domestic and overseas scholars make much extensive and in-depth research, and put forward solutions under different conditions. Every method has its advantages and disadvantages, also has its limitation and obstacle on application. It is an important research subject that how to effectively make full use of these methods to solve the actual problem, and service the logistics distribution practice. Based on the complexity and diversity of the vehicle routing problem, to use of the related software will be a necessary trend.This paper briefly introduces the development status quo of vehicle routing problem at home, For distribution center vehicle related concepts are introduced .on a single vehicle and multiple vehicle distribution is briefly introduced, introduces the algorithm of vehicle routing problem, especially for saving mileage (Clark - White algorithm) and the principle and method of ROUTER module in Logware software research. discusses the distribution vehicle line car case arrangement problem. Through a case study, application of saving algorithm for line arrangement for example, compared with the circuits Logware software obtained arrangement scheme, the two results are similar, but the speed of calculation software faster, more efficient. In addition, analyses the arrangements of the vehicle line C-W algorithm and the result of Logware software.Key words:Vehicle Routing Problem, Distribution, Saving Mileage(Clarke Wright Algorithm), Logware Software目录摘要 .............................................................................................................................................. Abstract ......................................................................................................................................... 第一章绪论 . 0第一节研究背景和意义 0第二节研究现状 (2)一、国外研究现状 (2)二、国内研究现状 (3)第三节研究思路 (4)第二章基本理论概述 (6)第一节配送 (6)一、配送的概念 (6)二、配送的要素 (6)三、配送的作用 (8)第二节物流及配送中心 (9)一、物流的概念 (9)二、配送中心的概念 (11)三、配送中心的功能 (12)第三节旅行商问题 (14)一、旅行商问题介绍 (14)二、旅行商问题的数学模型 (14)第三章车辆路径问题及其相关算法 (17)第一节车辆路径问题 (17)一、车辆路径问题概述 (17)二、车辆路径问题的分类 (19)三、车辆路径问题的构成要素 (21)第二节求解VRP问题的算法 (23)一、求解VRP问题的启发式算法 (23)二、求解VRP问题的精确算法 (25)第四章车辆路径问题的数学模型及求解方法 (33)第一节VRP的数学模型 (33)一、物流配送中的VRP描述 (33)二、物流配送中VRP的数学模型 (34)第二节节约里程算法解决VRP问题 (35)一、节约里程算法介绍 (35)二、节约历程算法原理 (36)三、运算步骤 (37)四、节约里程法优缺点 (38)第三节Logware软件解决VRP问题 (39)一、Logware软件概述 (39)二、利用ROUTER模块求解VRP问题 (39)第五章案例分析极其结果分析 (45)第一节案例 (45)第二节节约里程法计算 (46)第三节Logware 软件运行 (52)结论 (58)参考文献 (60)致谢 (61)附录 (62)第一章绪论第一节研究背景和意义随着物流业向全球化、信息化及一体化发展, 配送在整个物流系统中的作用变得越来越重要。
摘要
从九十年代起,物流配送开始受到广泛的关注和蓬勃的发展,许多城市纷纷建立起配送中心。
随着物流业的持续发展,城市配送业也日益受到重视。
伴随着国内汽车工业的崛起,近年来国内汽车物流行业也经历了快速的发展。
然而,在车市增幅逐渐放缓回稳之际,汽车物流供应商也面临着新的挑战。
如何降低物流成本为企业提供更大的成本节约空间成为当务之急。
配送是企业物流当中的一个必不可缺的内容,它的效率直接影响了企业的经营;然而当今众多中小型企业在这一环节还处于一种较为单一和原始的操作模式之下,导致物流成本居高不下,从而阻碍了企业的进一步发展。
本课题以重庆A公司为研究对象,通过对该公司配送业务的梳理、分析,同时利用物流配送管理研究成果,拟为该公司设计更加高效、科学的配送路线并构建以配送成本最小和顾客满意度最大为最终目标的车辆优化配送模型。
对车辆路线进行优化不仅可以帮助决策者迅速做出科学正确的决定,提高配送效率和客户满意度。
本文利用EXCEL、节约里程法以及最短路线法为物流配送车辆运行路线和调度问题的求解提供一个切实可行的算法,得到一个较优的解决方法,为企业减少由于配送所带来的大量成本,提高企业经营效率。
因此,对路线选择问题的研究具有重要意义。
关键词:汽车配送物流配送物流成本
目录
摘要 (1)
第1章EZBUY公司简介 (1)
(1)企业简介 (1)
(2)公司发展现状 (1)
第2章现阶段配送过程中存在问题 (2)
(1)现阶段配送过程流程图 (2)
(2)配送订单需求有效性分析不够 (2)
(3)配送线路混乱 (3)
(4)司机群体管理松散及监管机制 (3)
第3章物流配送问题解决方案设计 (4)
(1)循环取货及路线优化问题 (4)
(2)物流运输节约法的运用来实现循环取货的线路优化问题 . 6 第四章配送方法的优化后的实例对比 (8)
(1)节约里程法的问题及局限性 (8)
(2)节约里程法的简化 (8)
(3).实例 (10)
参考文献 (13)
致谢 (15)
第1章ezbuy公司简介
(1)企业简介
公司企业成立于1985年经过30多年快速发展,形成了较为完善的汽车、摩托车和零部件产业体系和自主品牌优势。
已拥有各类汽车生产企业24家,摩托车生产企业31家,规模以上零部件企业1000多家。
已具备年产200万辆汽车和1500万辆摩托车的生产能力。
重庆现阶段汽车企业主要有长安集团(旗下合资企业有长安福特、长安铃木、长安跨越等)、重庆宗申汽车公司、重庆力帆汽车公司等。
汽车配件企业众多,例如重庆天人汽车车身制造有限公司、重庆鸿瑞汽车配件制造有限公司、重庆新工汽车零部件有限公司、重庆江潮发动机零件工业公司等。
(2)公司发展现状
公司经营各种汽车配件,现有职员100余人,为重庆长安公司在重庆各区县的分支机构和其他规模较小的汽车零件商配置轮胎、方向盘等各种汽车部件,企业拥有车辆10多辆,专职司机若干人;但是由于管理不善、以及配送路线规划问题,公司一直经营不佳,配件不能及时送达,人力成本和油料耗用较多
现状设计如下:。
第2章现阶段配送过程中存在问题
(1)现阶段配送过程流程图
(2)配送订单需求有效性分析不够
A公司对配送订单有效性分析不够,造成送货上门,遭拒收或坐定起价的情况,给公司带来一定损失。
订单是客户需求的具体形式,也是配送的驱动源,然而,为了保证配送中心的营运安全性,管理人员需要对订单的有效性进行分析。
一般情况下,可以从订单的格式规范化程度、订单是否大于信用额度以及订单量是否大于零件在库量等方面来进行判断。
譬如,订单的交付日期超过期限,该订单无效;若订单的金额高于对方企业的信用水平,订单无效,这时可以与客户沟通,重新下单;若订单量大于库存量,首先需要考虑安全库存量,如超过安全库存量,此时再去补货,其成本大于收益,则放弃订单;若小于安全库存,可以先挪用安全库存,之后要对安全库存加以补充,以备不时之需。
当多个客户针。