基础防雷及接地装置安装隐蔽记录
- 格式:doc
- 大小:50.50 KB
- 文档页数:2
接地防雷隐蔽工程施工记录一、前期准备工作1. 确定施工方案根据设计方案和施工要求,确定了接地防雷隐蔽工程的施工方案,包括施工时间、施工人员、施工顺序等。
2. 准备施工材料根据设计要求,准备了所需的各种施工材料,包括接地电线、接地棒、接地极、接地网等。
3. 检查施工设备对施工所需的设备进行了检查和维护,确保设备正常运转。
4. 制定安全措施对施工现场进行了安全评估,制定了相应的安全措施,确保施工过程中的安全。
二、施工过程1. 接地极的安装首先进行的是接地极的安装工作。
根据设计要求,在施工现场确定了接地极的位置,进行了挖土、固定和接地等工作。
2. 接地网的铺设接地网是接地防雷系统中很重要的一个组成部分,其铺设需要精心设计和施工。
在铺设接地网时,要按照设计要求进行,确保接地系统的可靠性和稳定性。
3. 接地电线的敷设接地电线是连接接地极和接地网的重要部分,其敷设需要注意线路的走向和接头的连接,确保接地系统的完整性和可靠性。
4. 接地棒的安装接地棒是接地系统中用于连接不同部分的重要组件,其安装需要严格按照设计要求进行,确保接地系统的完整性和稳定性。
5. 检测和调试在施工完成后,对接地系统进行了检测和调试。
通过测量和测试,确保接地系统的正常工作和有效性。
6. 清理现场施工完成后,对施工现场进行了清理,清除杂物和垃圾,确保施工现场的整洁和安全。
三、施工总结通过本次接地防雷隐蔽工程的施工,我们深刻认识到了接地防雷系统在建筑工程中的重要性和必要性。
只有做好接地防雷工作,才能有效保护建筑物和设备,防止雷击和其他意外事件的发生。
在未来的工程施工中,我们将继续加强接地防雷隐蔽工程的施工管理和质量控制,确保施工质量和安全,为建筑工程的安全运行和可持续发展做出贡献。
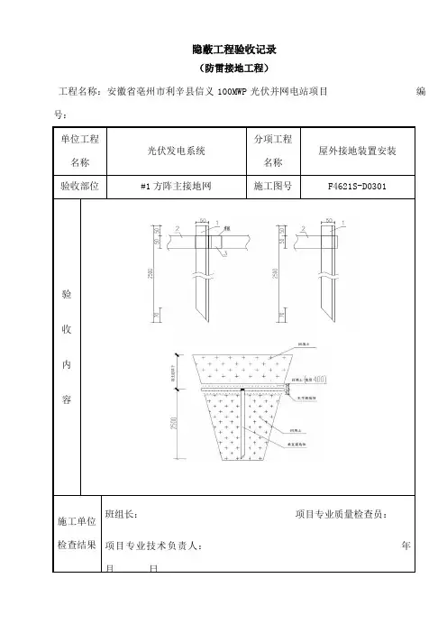
隐蔽工程验收记录(防雷接地工程)工程名称:安徽省亳州市利辛县信义100MWP光伏并网电站项目编号:单位工程名称光伏发电系统分项工程名称屋外接地装置安装验收部位#1方阵主接地网施工图号F4621S-D0301验收内容施工单位检查结果班组长:项目专业质量检查员:项目专业技术负责人:年月日监理单位验收结论专业监理工程师:年(防雷接地工程)工程名称:安徽省亳州市利辛县信义100MWP光伏并网电站项目编号:单位工程名称光伏发电系统分项工程名称屋外接地装置安装验收部位#2方阵主接地网施工图号F4621S-D0301验收内容(防雷接地工程)工程名称:安徽省亳州市利辛县信义100MWP光伏并网电站项目编号:验收内容施工单位检查结果班组长:项目专业质量检查员:项目专业技术负责人:年月日监理单位验收结论专业监理工程师:年(防雷接地工程)工程名称:安徽省亳州市利辛县信义100MWP光伏并网电站项目编号:单位工程名称光伏发电系统分项工程名称屋外接地装置安装验收部位#4方阵主接地网施工图号F4621S-D0301验收内容施工单位检查结果班组长:项目专业质量检查员:项目专业技术负责人:年月日监理单位验收结论专业监理工程师:年(防雷接地工程)工程名称:安徽省亳州市利辛县信义100MWP光伏并网电站项目编号:单位工程名称光伏发电系统分项工程名称屋外接地装置安装验收部位#5方阵主接地网施工图号F4621S-D0301验收内容施工单位检查结果班组长:项目专业质量检查员:项目专业技术负责人:年月日监理单位验收结论专业监理工程师:年(防雷接地工程)工程名称:安徽省亳州市利辛县信义100MWP光伏并网电站项目编号:单位工程名称光伏发电系统分项工程名称屋外接地装置安装验收部位#6方阵主接地网施工图号F4621S-D0301验收内容(防雷接地工程)工程名称:安徽省亳州市利辛县信义100MWP光伏并网电站项目编号:验收内容施工单位检查结果班组长:项目专业质量检查员:项目专业技术负责人:年月日监理单位验收结论专业监理工程师:年(防雷接地工程)工程名称:安徽省亳州市利辛县信义100MWP光伏并网电站项目编号:单位工程名称光伏发电系统分项工程名称屋外接地装置安装验收部位#8方阵主接地网施工图号F4621S-D0301验收内容施工单位检查结果班组长:项目专业质量检查员:项目专业技术负责人:年月日监理单位验收结论专业监理工程师:年(防雷接地工程)工程名称:安徽省亳州市利辛县信义100MWP光伏并网电站项目编号:单位工程名称光伏发电系统分项工程名称屋外接地装置安装验收部位#9方阵主接地网施工图号F4621S-D0301验收内容施工单位检查结果班组长:项目专业质量检查员:项目专业技术负责人:年月日监理单位验收结论专业监理工程师:年(防雷接地工程)工程名称:安徽省亳州市利辛县信义100MWP光伏并网电站项目编号:单位工程名称光伏发电系统分项工程名称屋外接地装置安装验收部位#10方阵主接地网施工图号F4621S-D0301验收内容(防雷接地工程)工程名称:安徽省亳州市利辛县信义100MWP光伏并网电站项目编号:验收内容施工单位检查结果班组长:项目专业质量检查员:项目专业技术负责人:年月日监理单位验收结论专业监理工程师:年(防雷接地工程)工程名称:安徽省亳州市利辛县信义100MWP光伏并网电站项目编号:单位工程名称光伏发电系统分项工程名称屋外接地装置安装验收部位#12方阵主接地网施工图号F4621S-D0301验收内容施工单位检查结果班组长:项目专业质量检查员:项目专业技术负责人:年月日监理单位验收结论专业监理工程师:年(防雷接地工程)工程名称:安徽省亳州市利辛县信义100MWP光伏并网电站项目编号:单位工程名称光伏发电系统分项工程名称屋外接地装置安装验收部位#13方阵主接地网施工图号F4621S-D0301验收内容施工单位检查结果班组长:项目专业质量检查员:项目专业技术负责人:年月日监理单位验收结论专业监理工程师:年(防雷接地工程)工程名称:安徽省亳州市利辛县信义100MWP光伏并网电站项目编号:单位工程名称光伏发电系统分项工程名称屋外接地装置安装验收部位#14方阵主接地网施工图号F4621S-D0301验收内容(防雷接地工程)工程名称:安徽省亳州市利辛县信义100MWP光伏并网电站项目编号:验收内容施工单位检查结果班组长:项目专业质量检查员:项目专业技术负责人:年月日监理单位验收结论专业监理工程师:年(防雷接地工程)工程名称:安徽省亳州市利辛县信义100MWP光伏并网电站项目编号:单位工程名称光伏发电系统分项工程名称屋外接地装置安装验收部位#16方阵主接地网施工图号F4621S-D0301验收内容施工单位检查结果班组长:项目专业质量检查员:项目专业技术负责人:年月日监理单位验收结论专业监理工程师:年(防雷接地工程)工程名称:安徽省亳州市利辛县信义100MWP光伏并网电站项目编号:单位工程名称光伏发电系统分项工程名称屋外接地装置安装验收部位#17方阵主接地网施工图号F4621S-D0301验收内容施工单位检查结果班组长:项目专业质量检查员:项目专业技术负责人:年月日监理单位验收结论专业监理工程师:年(防雷接地工程)工程名称:安徽省亳州市利辛县信义100MWP光伏并网电站项目编号:单位工程名称光伏发电系统分项工程名称屋外接地装置安装验收部位#18方阵主接地网施工图号F4621S-D0301验收内容(防雷接地工程)工程名称:安徽省亳州市利辛县信义100MWP光伏并网电站项目编号:验收内容施工单位检查结果班组长:项目专业质量检查员:项目专业技术负责人:年月日监理单位验收结论专业监理工程师:年(防雷接地工程)工程名称:安徽省亳州市利辛县信义100MWP光伏并网电站项目编号:单位工程名称光伏发电系统分项工程名称屋外接地装置安装验收部位#20方阵主接地网施工图号F4621S-D0301验收内容施工单位检查结果班组长:项目专业质量检查员:项目专业技术负责人:年月日监理单位验收结论专业监理工程师:年(防雷接地工程)工程名称:安徽省亳州市利辛县信义100MWP光伏并网电站项目编号:单位工程名称光伏发电系统分项工程名称屋外接地装置安装验收部位#21方阵主接地网施工图号F4621S-D0301验收内容施工单位检查结果班组长:项目专业质量检查员:项目专业技术负责人:年月日监理单位验收结论专业监理工程师:年(防雷接地工程)工程名称:安徽省亳州市利辛县信义100MWP光伏并网电站项目编号:单位工程名称光伏发电系统分项工程名称屋外接地装置安装验收部位#22方阵主接地网施工图号F4621S-D0301验收内容(防雷接地工程)工程名称:安徽省亳州市利辛县信义100MWP光伏并网电站项目编号:验收内容施工单位检查结果班组长:项目专业质量检查员:项目专业技术负责人:年月日监理单位验收结论专业监理工程师:年(防雷接地工程)工程名称:安徽省亳州市利辛县信义100MWP光伏并网电站项目编号:单位工程名称光伏发电系统分项工程名称屋外接地装置安装验收部位#24方阵主接地网施工图号F4621S-D0301验收内容施工单位检查结果班组长:项目专业质量检查员:项目专业技术负责人:年月日监理单位验收结论专业监理工程师:年(防雷接地工程)工程名称:安徽省亳州市利辛县信义100MWP光伏并网电站项目编号:单位工程名称光伏发电系统分项工程名称屋外接地装置安装验收部位#25方阵主接地网施工图号F4621S-D0301验收内容施工单位检查结果班组长:项目专业质量检查员:项目专业技术负责人:年月日监理单位验收结论专业监理工程师:年(防雷接地工程)工程名称:安徽省亳州市利辛县信义100MWP光伏并网电站项目编号:单位工程名称光伏发电系统分项工程名称屋外接地装置安装验收部位#26方阵主接地网施工图号F4621S-D0301验收内容(防雷接地工程)工程名称:安徽省亳州市利辛县信义100MWP光伏并网电站项目编号:验收内容施工单位检查结果班组长:项目专业质量检查员:项目专业技术负责人:年月日监理单位验收结论专业监理工程师:年(防雷接地工程)工程名称:安徽省亳州市利辛县信义100MWP光伏并网电站项目编号:单位工程名称光伏发电系统分项工程名称屋外接地装置安装验收部位#28方阵主接地网施工图号F4621S-D0301验收内容施工单位检查结果班组长:项目专业质量检查员:项目专业技术负责人:年月日监理单位验收结论专业监理工程师:年(防雷接地工程)工程名称:安徽省亳州市利辛县信义100MWP光伏并网电站项目编号:单位工程名称光伏发电系统分项工程名称屋外接地装置安装验收部位#29方阵主接地网施工图号F4621S-D0301验收内容施工单位检查结果班组长:项目专业质量检查员:项目专业技术负责人:年月日监理单位验收结论专业监理工程师:年(防雷接地工程)工程名称:安徽省亳州市利辛县信义100MWP光伏并网电站项目编号:单位工程名称光伏发电系统分项工程名称屋外接地装置安装验收部位#30方阵主接地网施工图号F4621S-D0301验收内容(防雷接地工程)工程名称:安徽省亳州市利辛县信义100MWP光伏并网电站项目编号:验收内容施工单位检查结果班组长:项目专业质量检查员:项目专业技术负责人:年月日监理单位验收结论专业监理工程师:年(防雷接地工程)工程名称:安徽省亳州市利辛县信义100MWP光伏并网电站项目编号:单位工程名称光伏发电系统分项工程名称屋外接地装置安装验收部位#32方阵主接地网施工图号F4621S-D0301验收内容施工单位检查结果班组长:项目专业质量检查员:项目专业技术负责人:年月日监理单位验收结论专业监理工程师:年(防雷接地工程)工程名称:安徽省亳州市利辛县信义100MWP光伏并网电站项目编号:单位工程名称光伏发电系统分项工程名称屋外接地装置安装验收部位#33方阵主接地网施工图号F4621S-D0301验收内容施工单位检查结果班组长:项目专业质量检查员:项目专业技术负责人:年月日。
避雷及接地装置接地隐蔽工程验收记录GB50303—2002 技06-04-工程名称雅美新居6#住宅楼子分部工程名称防雷及接地施工单位新乡市获嘉建筑安装工程总公司验收日期2005.设计单位及图纸编号河南省机电设计院电施-1、4类别部位名称材质规格数量连接方法长度(m)埋深(m)排列形式顶端与地表距离(m)利用基础的接地装置条基钢筋12107焊接0.15地圈梁钢筋12焊接筏板立柱(引上线)钢筋147焊接0.15人工接地装置接地体镀锌扁铁-40*4 2 焊接-0.8 接地母线引上线示意图及说明:1、利用基础周边钢筋通焊,搭接12D单面焊。
2、作为引下线的GZ四根通焊与基础钢筋搭接12D单面焊。
3、各类金属管道按规范要求与地网导通。
4、从建筑物北立面东西两角室外地坪-0.8处从引下线焊接引出-40*4镀锌扁铁引至室外散水外0.5以备人工重复接地.施工单位监理(建设)单位验收意见:符合设计及规范要求验收意见:项目专业工长(施工员):项目专业质量检查员:项目专业监理工程师:2005年月日(公章)年月日(公章)郑州市工程质量监督站监制电线、电缆导管隐蔽工程验收记录电线、电缆导管隐蔽工程验收记录GB50303—2002 技电线、电缆导管隐蔽工程验收记录验收意见:符合设计及规范要求。
验收意见:项目专业工长(施工员):项目专业质量检查员:项目专业监理工程师:2005年月日(公章)年月日(公章)避雷及接地引线(侧击雷)隐蔽工程验收记录GB50303—2002 技06-05-工程名称雅美新居6#住宅楼子分部工程名称防雷及接地施工单位新乡市获嘉建筑安装工程总公司验收日期2005.设计单位及图纸编号河南省机电设计院电施-1、4类别部位层段或标高(m)材质规格数量连接方法引线GZ 一层○A/○2、○12钢筋14 7 电渣压力焊○D/○1、○13○E/○3、○6、○11侧击雷外窗均压环接闪器示意图及说明:1、施工详见电施-1、4。
施2002—52 工程名称:66kV兴安变升压改造工程验收日期:年月日共页第1页分项工程名称:接地装置安装子分部工程名称:防雷及接地装置安装隐蔽部位:1-11/L-V轴底板、承台、梁项目经理:邹庆辉施工技术负责人:王锦忠施工图号:电施034施工执行标准名称及编号:《建筑电气工程施工质量验收规范》GB50303-2002隐蔽工程内容序号工程分项隐蔽验收批部位单位数量施工单位全数检查情况及说明监理(建设)单位验收记录1 1-11/L-V轴底板、承台、梁M 1、25*4mm热镀锌扁钢连接成水平接地装置,垂直接地极为50*50*5热镀锌角钢,长2.5m,每5m设一根,位置、数量符合设计及施工规范要求。
焊接接头采用双面满焊,焊缝饱满,无夹渣、无咬肉现象。
2、建筑物外墙根据图纸要求设置测试点。
3、自然接地利用地下室抗浮锚杆、人工挖孔桩钢筋作为接地极。
施工单位全数检查评定结果:符合设计及规范要求的规定。
项目专业质量检查员:项目专业技术负责人:年月日监理(建设)单位验收结论:监理(建设)项目部(章)专业监理工程师(建设单位项目技术负责人):年月日勘察设计技术交底会议等列入须经设计人员参与隐蔽验收的部位签证勘察设计单位参加验收人意见:验收人签名:年月日注:该记录由施工项目专业质量检查员填写,监理工程师(建设单位项目技术负责人)组织项目专业技术负责人等进行验收。
记录时应首先说明是否按设计图号施工,如有设计变更应立即在备用竣工图上用红色文字注明变更情况或绘制变更补充图;凡有、无设计变更,监理(建设)单位的旁站监督人均应在备用竣工图号上签字认可后,才能办理该部位隐蔽验收手续。
隐蔽验收时,必须严格按国家施工质量验收规范的主控项目,一般项目的内容要求全数检查,凡有不合格处必须当即整改达到合格后才能办理隐蔽验收手续。
检查评定结论必须语言规范,并针对主控项目、一般项目,特别是结构构造措施的内容要求,填写真实可靠的结果或结论。
施2002—52 工程名称:66kV兴安变升压改造工程验收日期:年月日共页第2页分项工程名称:接地装置安装子分部工程名称:防雷及接地装置安装隐蔽部位:2-11/A-L轴底板、承台、梁项目经理:邹庆辉施工技术负责人:王锦忠施工图号:电施034施工执行标准名称及编号:《建筑电气工程施工质量验收规范》GB50303-2002隐蔽工程内容序号工程分项隐蔽验收批部位单位数量施工单位全数检查情况及说明监理(建设)单位验收记录1 2-11/A-L轴底板、承台、梁M 1、40*4mm热镀锌扁钢连接成水平接地装置,垂直接地极为50*50*5热镀锌角钢,长2.5m,每5m设一根,位置、数量符合设计及施工规范要求。
基础避雷隐蔽验收记录日期:XXXX年XX月XX日地点:XXXX工程现场参与人员:XXX项目经理,XXX技术员,XXX施工队伍一、验收目的:本次验收旨在核实和确认基础避雷隐蔽工程的施工质量是否符合设计要求和相关标准,确保工程的安全可靠性。
二、验收内容:1.基础避雷隐蔽工程材料的验收:核对施工方所供材料是否符合设计要求和相关标准,包括避雷针、避雷带、避雷接地装置等。
2.基础避雷隐蔽工程施工质量的验收:检查基础避雷隐蔽工程施工过程中的关键节点,确认施工质量是否符合设计要求和相关标准。
三、验收过程及结果:1.施工方出具材料送检报告,经过技术员检验,确认材料质量达到设计要求和相关标准,验收合格。
2.施工方出示基础避雷隐蔽工程施工记录,包括工地勘测报告、施工方案、施工过程监控记录等,经审查合格。
3.针对基础避雷隐蔽工程施工现场,进行现场实地检查,包括避雷装置的位置和数量、避雷接地装置的安装情况、避雷带的连接和固定等。
经检查,所有施工质量符合设计要求和相关标准,验收合格。
4.技术员进行试验操作,包括避雷装置的外观检查、电气性能测试等。
试验结果正常,所有试验项目达到设计要求和相关标准,验收合格。
5.验收小组召开验收会议,对本次验收结果进行讨论,一致认为基础避雷隐蔽工程施工质量符合设计要求和相关标准,决定验收合格。
四、存在问题及处理措施:在基础避雷隐蔽工程的施工过程中,未发现任何质量问题和安全隐患。
五、验收结论:经过本次基础避雷隐蔽验收,确认工程施工质量达到设计要求和相关标准,验收合格。
现场符合安全生产的要求,对施工方进行了表彰,并决定移交给相关部门进行下一步工序的施工。
六、附注:本次验收记录作为工程项目的重要依据之一,将会被归档保存,以备查阅。
参与人员签名:项目经理签名:技术员签名:。
基础防雷接地隐蔽工程验收记录工程地点:XXX施工单位:XXX验收单位:XXX工程开始时间:XXXX年XX月XX日工程完工时间:XXXX年XX月XX日一、验收目的:本次验收旨在对基础防雷接地工程进行检查和验收,确保施工符合设计要求和相关规范标准,确保工程质量和安全。
二、验收范围:本次验收的范围包括但不限于以下内容:1.基础防雷接地的施工图纸、材料和规格明细等文件资料;2.基础防雷接地工程的施工过程、工艺和验收情况;3.基础防雷接地系统的性能测试和检测结果;4.基础防雷接地工程的质量和安全控制措施的实施情况。
三、验收内容:1.现场材料检查:对施工现场材料进行检查,包括地线、接地极、接地装置及其他相关材料。
检查要求材料质量符合设计要求和规范标准,无损坏、锈蚀等质量问题。
2.施工工艺和质量检查:对施工过程和工艺进行检查,包括施工工艺的合理性、施工质量控制措施的实施情况等。
检查要求施工工艺符合设计要求和规范标准,工艺流程合理,施工质量符合要求。
3.性能测试与检验:对基础防雷接地系统进行性能测试和检验,包括接地电阻测试、绝缘电阻测试、电位差测试等。
测试和检验要求系统性能符合设计要求和规范标准,测试结果符合要求。
4.安全检查:对基础防雷接地工程的施工现场进行安全检查,包括施工现场的安全设施和施工人员的安全操作情况。
检查要求施工现场的安全措施完备,施工人员按照规定进行安全操作。
四、验收结论:经过检查和测试,对基础防雷接地隐蔽工程进行了验收1.施工材料符合设计要求和规范标准,质量良好。
2.施工工艺和质量控制措施合理有效,施工质量符合要求。
3.基础防雷接地系统的性能测试结果符合设计要求和规范标准。
4.施工现场的安全设施完备,施工人员按照规定进行了安全操作。
基于上述情况,谨向施工单位授权基础防雷接地隐蔽工程通过验收。
同时,提醒施工单位按照相关规定做好后续工程的完善及维护工作,确保工程的长期质量和安全。
基础防雷接地隐蔽工程验收记录项目名称:基础防雷接地隐蔽工程
项目编号:
验收日期:
验收人员:
一、工程基本情况:
1.工程名称:
2.工程地点:
3.建设单位:
4.施工单位:
5.设计单位:
6.监理单位:
7.工程性质:
二、工程验收依据:
1.《中华人民共和国工程建设施工质量管理条例》;
2.工程设计文件;
3.监理单位出具的监理记录;
4.其他相关规范和规定。
三、工程验收内容及结果:
1.地基处理:
(1)工程要求(设计要求,监理和施工单位的要求);
(2)工程进度;
(3)工程质量。
2.接地装置:
(1)接地装置的种类和数量;
(2)接地装置的材料和规格;
(3)接地装置的安装位置和方法;
(4)接地装置的防腐措施;
(5)接地装置的质量。
3.接地系统的连通性:
(1)接地系统的连通性测试方法;
(2)接地系统的测试数据;
(3)接地系统的测试结论。
4.施工质量记录:
(1)施工过程中的质量监控;
(2)施工过程中的质量整改情况。
四、工程验收结论:
根据实际工程情况和施工质量,现认为基础防雷接地隐蔽工程符合规范和设计要求,可以进行隐蔽验收。
五、工程存在的问题及整改措施:
(根据实际情况填写)
六、工程隐蔽工程验收记录:
(根据实际情况填写)
七、其他事项:
(如有其他需要记录的事项,可在此处填写)
八、附件:
(如需要附加一些相关的文件和资料,可在此处列出)
签名:
建设单位:
施工单位:
设计单位:
监理单位:。
1电气接地装置隐蔽验收记录一、工程概述本工程是为了确保电气设备的安全运行,保护人身安全而进行的电气接地装置的安装。
为此,对电气接地装置的隐蔽工程进行验收。
二、隐蔽验收的目的1.确保电气接地装置的安装质量,避免出现漏电、触电等事故。
2.验收已完成的隐蔽工程是否符合技术规范和设计要求。
3.在未完工前发现问题并及时处理,减少后期改动和维修工作的难度和费用。
4.对施工单位的施工质量进行评估,提高施工单位的施工水平和质量管理水平。
三、验收内容1.防雷接地装置的铺设情况,是否符合设计要求。
2.防静电接地装置的铺设情况,是否符合设计要求。
3.电气设备的接地电阻是否达标。
4.接地电极的埋设深度和安装质量。
5.地网的焊接质量和防腐处理是否符合要求。
6.接地装置的标识是否完整清晰。
四、验收流程1.隐蔽验收应在工程竣工前进行。
2.由施工单位提供相关隐蔽工程完工报告。
3.验收由建设单位、监理单位和施工单位共同参与,制定验收方案和隐蔽检查计划。
4.内部专业人员组建验收小组,负责隐蔽验收过程中的考察和记录。
5.按照设计文件和技术要求进行检查,查验施工资料和施工户口。
6.重点检查接地装置的铺设情况、电阻测试结果等要点。
7.如发现问题,及时记录并提出整改要求。
1.工程名称:2.隐蔽验收时间:3.参与验收单位:4.施工单位:5.监理单位:6.验收人员及职务:7.验收内容:7.1防雷接地装置的铺设情况:检查发现防雷接地装置的铺设符合设计要求,铜排焊接牢固,与设备连接紧密,无松动现象。
7.2防静电接地装置的铺设情况:检查发现防静电接地装置的铺设符合设计要求,导电铜带安装牢固,与设备接触良好,无氧化情况。
链条连接牢固,并符合设计要求。
7.3电气设备的接地电阻:检测电气设备的接地电阻,符合设计要求,均小于2Ω。
7.4接地电极的埋设深度和安装质量:接地电极的埋设深度符合设计要求,固定牢固,无松动现象。
7.5地网的焊接质量和防腐处理:地网的焊接质量符合设计要求,焊点均匀牢固,防腐处理符合要求。
基础接地隐检内容:(基础筏板-5.300m:镀锌扁钢40X4(mm)HRB400E 25)1.利用建筑物基础接地体,将基础底板上下两层主筋沿建筑物外圈焊接成环形,并将主轴线上的基础梁及结构底板上下两层主筋相互焊接成网状体作接地体,基础底板内图中注明的水平主筋焊接连通做水平接地体;2.外墙引下线在室外地坪下0.8~1.0m处焊出一根40mmX4mm镀锌钢导体,伸出墙外大于1m;3.每根柱子的钢筋与基础底板钢筋可靠联接;4.由基础引上的接地LEB其接地连接板距室内地面0.5m;5.强弱电竖井内设40X4(mm)镀锌扁钢做接地干线,并预留接地端子;6.电梯导轨采用40X4(mm)镀锌扁钢与接地装置可靠连接;7.实测接地电阻值符合设计要求,见试验记录编号XX。
人工接地隐检内容:(基础筏板-1.300m:镀锌扁钢40X4(mm)HRB400E 22)1.人工接地装置采用-40X4镀锌扁钢,其质量合格证明文件齐全、进场验收合格,见记录编号XX;2.人工接地体长度为3m,距墙或基础不小于1m,数量、位置符合电气施工图纸;3.接地装置分别与结构基础钢梁进行焊接,并与避雷引线连成一体,焊接出做防锈处理;4.扁钢连接处焊接长度为其宽度的2倍以上,且三面施焊,焊接处药皮已清除,无夹渣咬肉等现象,并做防锈处理;5.建筑物外墙按设计要求的位置设置断接卡子;6.实没接地电阻值符合设计要求,见试验记录编号XX。
低压电源引出电缆管安装隐检内容:(地下一层-1.300m:镀锌钢管DN150、止水钢板、800X1050(mm)、镀锌扁钢40X4(mm))1.低压电源引出电缆管为12根DN150镀锌钢管,与预制好的止水钢板焊接在一起,双面施焊,焊缝均匀、牢固,焊接处药皮清理干净;2.低压电源引出电缆管及止水钢板通过40X4(mm)镀锌扁钢与总等电位联接线进行焊接,焊接倍数大于扁钢宽度的2倍(100mm),三面施焊;3.焊缝均匀、牢固,无漏焊、虚焊等现象,焊接处药皮清理干净;4.穿墙止水钢板上部标高为-1.300m,镀锌钢管顶部标高为-1.375m,检查位置、标高正确,符合设计要求及施工验收规范规定。
塔吊基础防雷接地装置焊接隐蔽验收记录
编号:07070101002工程名称XX项目隐蔽日期 2024 年 08 月 20 日类 别利用基础的接地装置人工接地装置
部位名称底板承台梁立柱接地体接地母线引下线材 质热轧光圆钢筋
规 格 12
单 位m
数 量6
焊接倍数6
埋设深度-10.0m
排列形式建筑物四周
顶端与地表距离
-1000
(mm)
邻近建筑物距离
/
(mm)
简图及说明:
1、简图
2、2#塔吊基础利用建筑基础底板上下两层主筋中的两根通长焊接
形成的基础接地网,并与相应锚杆钢筋网进行焊接,以此
作为防雷接地及电气设备接地的公用装置。
3、接地连接线的规格为圆钢 12,扁钢-40×4。
4、圆钢与圆钢搭接长度为6倍圆钢直径,双面施焊,
圆钢与扁钢搭接长度为6倍圆钢直径,双面施焊,
扁钢与扁钢搭接长度为2倍扁钢宽度,三面施焊。
验收结论合格
施工单位XX建筑有限公司
监理(建设)单位
专业技术负责人专业质检员专业工长专业监理工程师:XXX XXX XXX XXX。
一、工程概况1. 工程名称:XX项目防雷装置安装工程2. 施工单位:XX建筑工程有限公司3. 监理单位:XX建设监理有限公司4. 施工地点:XX市XX区XX路XX号5. 施工时间:2023年3月1日至2023年3月20日二、施工准备1. 施工单位根据设计图纸和施工规范,编制了详细的施工方案,并对施工人员进行技术交底。
2. 采购了符合设计要求的防雷装置材料,包括避雷针、接地体、接地线、测试仪器等。
3. 对施工人员进行安全教育和培训,确保施工过程中的人身安全。
三、施工过程1. 避雷针安装- 根据设计要求,在建筑物顶端安装避雷针。
- 确保避雷针与建筑物结构牢固连接,并进行防腐处理。
- 安装完成后,进行避雷针接地电阻测试,确保接地电阻符合规范要求。
2. 接地体安装- 在建筑物周围及基础部位,按照设计要求挖掘接地沟。
- 使用镀锌扁钢、圆钢等材料制作接地体,并进行焊接。
- 焊接完成后,对焊缝进行防腐处理。
- 安装完成后,进行接地电阻测试,确保接地电阻符合规范要求。
3. 接地线安装- 在建筑物内部,按照设计要求敷设接地线。
- 确保接地线与接地体、避雷针等防雷装置连接牢固。
- 接地线敷设完成后,进行接地电阻测试,确保接地电阻符合规范要求。
4. 防雷测试- 使用专业的防雷测试仪器,对防雷装置进行全面的测试。
- 测试内容包括接地电阻、避雷针接地电阻、接地线接地电阻等。
- 测试结果符合设计要求,防雷装置安装合格。
四、施工总结1. 本工程按照设计要求和施工规范进行施工,施工过程中严格执行安全操作规程。
2. 施工过程中,对防雷装置的材料、施工工艺和测试结果进行了严格把控,确保了施工质量。
3. 工程完成后,进行了全面的验收,验收合格。
五、施工资料1. 施工方案2. 材料采购清单3. 施工记录4. 防雷测试报告5. 验收报告本工程防雷装置隐蔽工程施工记录,详细记录了施工过程和施工结果,为后续的工程维护和验收提供了依据。
防雷及接地安装隐蔽工程检查验收记录编号:(01-18/03-02/04-02/05-16)/06-17 /(08-20/09-01)□□□1 / 30防雷及接地安装隐蔽工程检查验收记录编号:(01-18/03-02/04-02/05-16)/06-17 /(08-20/09-01)□□□2 / 303 / 30防雷及接地安装隐蔽工程检查验收记录编号: (01-18/03-02/04-02/05-16)/06-17 /(08-20/09-01)□□□4 / 30防雷及接地安装隐蔽工程检查验收记录编号:(01-18/03-02/04-02/05-16)/06-17 /(08-20/09-01)□□□5 / 30防雷及接地安装隐蔽工程检查验收记录编号:(01-18/03-02/04-02/05-16)/06-17 /(08-20/09-01)□□□6 / 30防雷及接地安装隐蔽工程检查验收记录编号: (01-18/03-02/04-02/05-16)/06-17 /(08-20/09-01)□□□7 / 30防雷及接地安装隐蔽工程检查验收记录编号: (01-18/03-02/04-02/05-16)/06-17 /(08-20/09-01)□□□防雷及接地安装隐蔽工程检查验收记录编号:(01-18/03-02/04-02/05-16)/06-17 /(08-20/09-01)□□□8 / 30防雷及接地安装隐蔽工程检查验收记录9 / 30编号:(01-18/03-02/04-02/05-16)/06-17 /(08-20/09-01)□□□10 / 30防雷及接地安装隐蔽工程检查验收记录编号:(01-18/03-02/04-02/05-16)/06-17 /(08-20/09-01)□□□11 / 30防雷及接地安装隐蔽工程检查验收记录编号:(01-18/03-02/04-02/05-16)/06-17 /(08-20/09-01)□□□12 / 30电线导管敷设隐蔽工程检查验收记录编号:(01-18/03-02/04-02/05-16)/06-17 /(08-20/09-01)□□□13 / 30防雷及接地安装隐蔽工程检查验收记录编号:(01-18/03-02/04-02/05-16)/06-17 /(08-20/09-01)□□□14 / 3015 / 30防雷及接地安装隐蔽工程检查验收记录编号:(01-18/03-02/04-02/05-16)/06-17 /(08-20/09-01)□□□16 / 30防雷及接地安装隐蔽工程检查验收记录编号:(01-18/03-02/04-02/05-16)/06-17 /(08-20/09-01)□□□17 / 30防雷及接地安装隐蔽工程检查验收记录编号:(01-18/03-02/04-02/05-16)/06-17 /(08-20/09-01)□□□电线导管敷设隐蔽工程检查验收记录18 / 30编号:(01-18/03-02/04-02/05-16)/06-17 /(08-20/09-01)□□□19 / 30防雷及接地安装隐蔽工程检查验收记录编号:(01-18/03-02/04-02/05-16)/06-17 /(08-20/09-01)□□□20 / 30防雷及接地安装隐蔽工程检查验收记录编号:(01-18/03-02/04-02/05-16)/06-17 /(08-20/09-01)□□□21 / 30防雷及接地安装隐蔽工程检查验收记录编号:(01-18/03-02/04-02/05-16)/06-17 /(08-20/09-01)□□□防雷及接地安装隐蔽工程检查验收记录编号:(01-18/03-02/04-02/05-16)/06-17 /(08-20/09-01)□□□23 / 30防雷及接地安装隐蔽工程检查验收记录编号:(01-18/03-02/04-02/05-16)/06-17 /(08-20/09-01)□□□25 / 30防雷及接地安装隐蔽工程检查验收记录编号:(01-18/03-02/04-02/05-16)/06-17 /(08-20/09-01)□□□26 / 30防雷及接地安装隐蔽工程检查验收记录编号:(01-18/03-02/04-02/05-16)/06-17 /(08-20/09-01)□□□27 / 30防雷及接地安装隐蔽工程检查验收记录编号:(01-18/03-02/04-02/05-16)/06-17 /(08-20/09-01)□□□28 / 30防雷及接地安装隐蔽工程检查验收记录编号:(01-18/03-02/04-02/05-16)/06-17 /(08-20/09-01)□□□防雷及接地安装隐蔽工程检查验收记录编号:(01-18/03-02/04-02/05-16)/06-17 /(08-20/09-01)□□□29 / 3030 / 30。
施2002—52 工程名称:麓谷公馆商业裙楼验收日期:2011年11月21日共页第1页
分项工程名称:接地装置安装子分部工程名称:防雷及接地装置安装隐蔽部位:1-11/L-V轴底板、承台、梁项目经理:刘友良施工技术负责人:吴建华施工图号:电施034
施工执行标准名称及编号:《建筑电气工程施工质量验收规范》GB50303-2002
隐蔽工程内容序
号
工程分项隐蔽验收批部位
单
位
数
量
施工单位全数检查情况及说明
监理(建设)
单位验收记录1 1-11/L-V轴底板、承台、梁M 1、25*4mm热镀锌扁钢连接成水
平接地装置,垂直接地极为
50*50*5热镀锌角钢,长2.5m,
每5m设一根,位置、数量符合
设计及施工规范要求。
焊接接头
采用双面满焊,焊缝饱满,无夹
渣、无咬肉现象。
2、建筑物外墙根据图纸要求设
置测试点。
3、自然接地利用地下室抗浮锚
杆、人工挖孔桩钢筋作为接地
极。
施工单位全数检查评定结果:
符合设计及规范要求的规定。
项目专业质量检查员:项目专业技术负责人:年月日
监理(建设)单位验收结论:
监理(建设)项目部(章)
专业监理工程师(建设单位项目技术负责人):年月日勘察设计技术交底会议等列入须经设计人员参与隐蔽验收的部位签证
勘察设计单位参加验收人意见:
验收人签名:年月日
注:该记录由施工项目专业质量检查员填写,监理工程师(建设单位项目技术负责人)组织项目专业技术负责人等进行验收。
记录时应首先说明是否按设计图号施工,如有设计变更应立即在备用竣工图上用红色文字注明变更情况或绘制变更补充图;凡有、无设计变更,监理(建设)单位的旁站监督人均应在备用竣工图号上签字认可后,才能办理该部位隐蔽验收手续。
隐蔽验收时,必须严格按国家施工质量验收规范的主控项目,一般项目的内容要求全数检查,凡有不合格处必须当即整改达到合格后才能办理隐蔽验收手续。
检查评定结论必须语言规范,并针对主控项目、一般项目,特别是结构构造措施的内容要求,
施2002—52 工程名称:麓谷公馆公寓楼验收日期:2011年12月11日共页第2页
分项工程名称:接地装置安装子分部工程名称:防雷及接地装置安装隐蔽部位:2-11/A-L轴底板、承台、梁项目经理:刘友良施工技术负责人:吴建华施工图号:电施034
施工执行标准名称及编号:《建筑电气工程施工质量验收规范》GB50303-2002
隐蔽工程内容序
号
工程分项隐蔽验收批部位
单
位
数
量
施工单位全数检查情况及说明
监理(建设)
单位验收记录1 2-11/A-L轴底板、承台、梁M 1、40*4mm热镀锌扁钢连接成水
平接地装置,垂直接地极为
50*50*5热镀锌角钢,长2.5m,
每5m设一根,位置、数量符合
设计及施工规范要求。
焊接接头
采用双面满焊,焊缝饱满,无夹
渣、无咬肉现象。
2、建筑物外墙根据图纸要求设
置测试点。
3、自然接地利用地下室抗浮锚
杆、人工挖孔桩钢筋作为接地
极。
施工单位全数检查评定结果:
符合设计及规范要求的规定。
项目专业质量检查员:项目专业技术负责人:年月日
监理(建设)单位验收结论:
监理(建设)项目部(章)
专业监理工程师(建设单位项目技术负责人):年月日勘察设计技术交底会议等列入须经设计人员参与隐蔽验收的部位签证
勘察设计单位参加验收人意见:
验收人签名:年月日
注:该记录由施工项目专业质量检查员填写,监理工程师(建设单位项目技术负责人)组织项目专业技术负责人等进行验收。
记录时应首先说明是否按设计图号施工,如有设计变更应立即在备用竣工图上用红色文字注明变更情况或绘制变更补充图;凡有、无设计变更,监理(建设)单位的旁站监督人均应在备用竣工图号上签字认可后,才能办理该部位隐蔽验收手续。
隐蔽验收时,必须严格按国家施工质量验收规范的主控项目,一般项目的内容要求全数检查,凡有不合格处必须当即整改达到合格后才能办理隐蔽验收手续。
检查评定结论必须语言规范,并针对主控项目、一般项目,特别是结构构造措施的内容要求,。