人教版物理九年级上册 电压 电阻单元测试与练习(word解析版)
- 格式:doc
- 大小:182.50 KB
- 文档页数:10
人教版九年级物理上册电压电阻单元测试题(Word版含解析)一、初三物理电压电阻易错压轴题(难)1.小红同学对串联电路的电压规律进行了探究.(猜想与假设)串联电路总电压等于各用电器两端的电压之和.(设计与进行实验)(1)按如图所示的电路图连接电路.(2)闭合开关,排除故障,用电压表在AB间测出L1两端的电压.(3)在测L2两端的电压时,小明为了节省时间,采用以下方法:电压表所接的B接点不动,只断开A接点,并改接到C接点上.(4)测出AC间的电压,得出结论.(交流与评估)(1)在拆接电路时,开关必须_________.(2)闭合开关,发现电压表示数为零,则小灯泡的故障可能是L1______或L2_______.(填“短路”或“断路”)(3)小明用步骤3的方法能否测出L2两端的电压?_________,为什么?___________________________.(4)方法改进后,测出AB、BC、AC间的电压记录在下面表格中,小明分析实验数据得出结论:_________________.此实验在设计方案上存在的不足之处是_________.U AB/V U BC/V U AC/V2.4 1.43.8【答案】断开短路断路不能电压表的正负接线柱接反了串联电路中总电压等于各用电器两端的电压之和只做一次实验,一组实验数据得出的实验结论不具普遍性【解析】【分析】【详解】(1)在做电学实验连接电路的过程中,开关应是断开的;(2)由图示可知,当灯泡L1短路时,电压表短路,示数为0;当灯泡L2断路时,整个电路断开,电压表的示数为0;(3)当采用步骤3的操作时,会使电压表正负接线柱反接,不能测出灯泡L2两端的电压;(4)得出的结论为:串联电路中总电压等于各用电器两端的电压之和;由于只做了一次实验,就得出结论,这样的结论不具有普遍性.2.为了验证并联电路的电流特点,小露设计了如图的电路进行实验.(1)①在连接电路时,开关应处于__________状态.②小露先将电流表接在L1所在的支路,闭合开关后,闭合开关后,电流表的指针反向偏转,出现这种现象的原因是:____________.③重新连好电路后,她测出了L1、L2支路和干路上的电流分别为I1、I2和I,电流表示数如图甲、乙、丙所示,可读出:I1=0.5A,I2=_______A,I=1A.根据测量结果,在误差允许范围内你认为并联电路中干路电流和各支路电流的关系是:__________(写出关系式即可).(2)小郭和小莉同学分别用如图的电路探究“探究串联电路电压特点”的实验:①小郭在测量L1两端的电压时,两灯突然熄灭,但电压表示数变大且接近电源电压,由此判断出L1处的故障是_____________.小郭小莉②他排除故障后继续实验,完成了第一次实验测量,数据记录在下面表格中序号L1两端电压U1/V L2两端电压U2/V L1:和L2两端总电压U/V第一次测量 1.5 1.53小郭在第一次的实验数据收集完后就断定“串联电路中各用电器两端的电压相等”,这一结论是_______(填“正确”或“错误”)的,他得出这样的结论是因为___________.③小莉同学在测量L1、L2总电压时,按照图方式连接了电路,实验中她惊奇的发现,开关闭合前后电压表的示数不同,这是什么原因呢?爱探究的小莉通过查阅相关资料发现,这是由于电源内部也有电阻的原因,这个电阻我们称为电源的内阻,现实中的电源可以看成一个理想电源(不考虑电源内阻)和内阻串联而成(如图).请结合实验情境和所学物理知识分析,开关闭合前的电压表示数__________(选填“大于”、“小于”或“等于”)开关闭合后的电压表示数.【答案】断开 电流表正负接线柱接反 0.5 12I I I =+ 断路 错误 选用灯泡相同 大于【解析】【详解】(1)①[1]连接电路时,为防止电流过大损坏电路元件,开关应处于断开状态;②[2]电流表指针反向偏转是因为电流表正负接线柱接反;③[3][4]图乙电流表所接量程为0~0.6A ,分度值为0.02A ,则读数为0.5A ,即I 2=0.5A ;由测量数据可知,并联电路中干路电流等于各支路电流之和,即:12I I I =+(2)①[5]两灯突然熄灭,电压表示数接近电源电压,说明电路发生断路,电压表有示数,则电压表所测元件断路,故L 1发生断路;②[6][7]由于实验只有一次,且从实验数据可知使用的为两个相同的灯泡,实验数据具有偶然性,得出的结论是错误的;③[8]开关闭合前可看作电压表与内阻串联,开关闭合后看作电压表与两灯泡并联,整体与内阻串联,由于并联总电阻变小,则根据串联分压可知,电压表示数变小,则开关闭合前的电压表示数大于开关闭合后的电压表示数..3.小红在做“探究影响导体电阻大小的因素”实验时,做出了如下猜想猜想一:导体的电阻可能与导体的长度有关猜想二:导体的电阻可能与导体的横截面积有关:猜想三:导体的电阻可能与导体的材料有关实验室提供了4根电阻丝,其规格、材料如下表所示:(1)如图电路,实验前最好在导线a、b间连接___________(选填“导线”或“电阻”),在M、N之间分别接上不同导体,闭合开关,通过观察___________来比较导体电阻大小(2)为了验证猜想一,可依次把M、N跟___________(填“A”、“B”、“C”或“D”)的两端相连,闭合开关,记下电流表的示数,分析比较这两根电阻丝电阻的大小.(3)依次把M、N跟电阻丝A、C的两端连接,闭合开关,发现接电阻丝C时电流表的示数较大,分析比较A、C两根电阻丝电阻的大小,可探究电阻跟___________的关系,其结论是:导体的长度和材料一定时,横截面积越大,其阻值________________.(4)若将电阻丝C均匀拉伸,使其横截面积变为原来的一半,则此时该电阻的阻值_________(选填“等于”或“不等于”)原来的2倍.小超在做“探究影响导体电阻大小的因素”实验时,发现实验器材中电阻丝只有一根,其他器材足够,不能完成的实验探究是(______________)A.导体电阻与长度的关系 B.导体电阻与材料的关系C.导体电阻与温度的关系 D.导体电阻与横截面积的关系【答案】电阻电流表的示数 A、B 横截面积越小不等于 B【解析】【分析】【详解】(1)[1][2]为了避免电路中电流过大,实验前最好在导线a、b间连接电阻;从图中可以看到连接好电路后,电流表测的是电路中的电流,接入电路的电阻丝电阻越大、电流越小,电阻越小、电流越大,所以可以通过观察电流表的示数来比较电阻丝电阻大小;(2)[3]为了验证猜想一,应该保持电阻横截面积和材料一样,从表中可以看到,编号为A、B的导体合适,可依次把M、N跟A、B的两端相连;(3)[4][5] A、C两根电阻丝材料一样,长度也一样,横截面积不同,所以说分析比较A、C两根电阻丝电阻的大小,可探究电阻跟横截面积的关系;接电阻丝C时电流表的示数较大,那么电阻丝C的电阻较小,但是电阻丝C的横截面积较大,可推测其结论是,导体的长度和材料一定时,横截面积越大,其阻值越小;(4)[6]若将电阻丝C均匀拉伸,使其横截面积变为原来的一半,那么长度会变大,横截面积会变小,电阻丝C阻值会变大,此时该电阻的阻值不等于原来的2倍;[7]A.同一根电阻丝,其材料是相同的,横截面积也不变,可以通过改变其接入电路的长度,探究导体电阻与长度的关系,A项不合题意;B.同一根电阻丝,其材料是相同的,没有第二种材料,不能探究导体电阻与材料的关系,选项B符合题意;C.只是一根电阻丝,可以拿酒精灯加热它,让它温度发生变化,可以探究导体电阻与温度的关系,C项不合题意;D.同一根电阻丝,其材料是相同的,只要控制它的长度一样,通过对折等方法让它的横截面积变化,是可以探究导体电阻与横截面积的关系,D项不合题意.4.在探究“导体的电阻与哪些因素有关”的问题时,小吴老师引导同学们做了如下实验:(1)猜想:导体电阻可能与导体材料、长度、温度、_______等有关.(2)实验时,若想探究导体的长度对导体电阻的影响,可选如上图所示的________图.(3)测量时将所测得的数据进行处理后,作出了电阻丝的电阻与电阻丝的长度的关系图象,如下图甲所示.分析图象可得出,导体的电阻与长度的关系是_______.(4)在实验过程中小黄组的电流表损坏了,但聪明的小黄同学就将探测的电阻丝接入图乙中的AB两点之间,并通过观察灯泡的亮度来粗略比较电阻大小,这种物理研究方法叫_________法.(5)小黄组的同学觉得通过观察小灯泡的亮度来比较电阻大小时,认为观察不明显,于是小黄组的同学找老师换来新的小量程电流表分别对图乙的电路作了如下的改进:其中小兵同学把灯泡更换为电流表;小勇同学在原电路中串联入电流表,你认为_________同学的改进更好一些(忽略灯丝电阻变化).【答案】横截面积乙长度越长,电阻越大转换小勇【解析】【分析】【详解】(1)猜想:导体电阻可能与导体材料、长度、温度、横截面积等有关;(2)探究导体的长度对导体电阻的影响,要保持导体的材料、横截面积相同,改变导体的长度,所以应选用乙图进行探究;(3)分析图象可得出,导体的电阻与长度的关系是成正比;(4)将电阻丝接入A. B两点间,闭合开关,电阻的大小转换为灯泡的亮暗或电流表的示数来比较电阻丝电阻的大小,这种方法叫转换法;(5)将灯泡换为电流表,当电路中电阻过小时,电流会过大,电路可能会被烧坏;在原电路中串联一个电流表,灯泡可以起到保护电路的作用.因此小勇同学的方案更好,可以起到保护电路的作用.5.某物理兴趣小组学习了导体电阻的知识后,对食盐水溶液的导电性能与什么因素有关提出了以下猜想:① 食盐水溶液的导电性能与溶液的浓度有关② 食盐水溶液的导电性能与溶液的质量有关③ 食盐水溶液的导电性能与溶液中两点间的距离有关为了验证猜想,他们设计了如图所示的装置,将电路中的a 、b 两金属片分别插入如图甲、乙、丙、丁溶液中所示的位置(金属片a 、b 每次插入溶液中的深度都相同)进行探究:(1)本实验电路中接入电阻R0的目的是_____________________________;(2)食盐水溶液的导电性能可以由__________________________来判断;(3)将金属片a 、b 分别插入如图甲、乙所示位置可探究猜想_______(选填序号),为了探究猜想② 应将金属片a 、b 分别插入_________两图所示位置;(4)将金属片a 、b 分别插入如图乙、丁所示位置,若I乙≠ I丁,由此可得到的结论是:________;【答案】保护电路电流表示数的大小(或电流大小)①甲、丙食盐水溶液的导电性能与溶液中两点间的距离有关【解析】【分析】【详解】(1)本实验电路中接入电阻R0的目的是保护电路,防止电路中电流过大烧坏电流表或者导线;(2)导电性能越好,电路中的电流就越大,所以可以用电流表示数的大小来判断食盐水溶液的导电性能;(3)由图可知甲、乙两个溶液密度明显不一样,所以将金属片a、b分别插入甲、乙所示位置时,可以探究猜想:①食盐水溶液的导电性能与溶液的浓度有关;为了探究猜想②,需保证两溶液的浓度一样,溶液中两点间的距离一样,只有溶液的质量不一样,所以应将金属片a、b分别插入甲、丙两图所示位置;(4)图乙、丁只有溶液中两点间的距离不一样,所以得到的结论是食盐水溶液的导电性能与溶液中两点间的距离有关.【点睛】本题考查导体导电性的实验探究,利用的方法是控制变量法.6.如图-甲是琪皓和孟伦同学探究并联电路的电流规律的电路图(1)实验中,他们应该选择规格____________的两个小灯泡来进行实验(填“相同”或“不相同”)。
九年级物理第十六章《电压、电阻》单元测试(含答案)一.选择题(每小题2分,共30分)1.下列关于物理量的估测中,最符合实际情况的是()A.人体的安全电压为36VB.在重庆教室内的大气压强约为1×105PaC.从地上拿起实心球后举过头顶,人对球做功约为1JD.鲁能巴蜀中学教室内的空调正常工作时的电流约为1A2.如图所示,当开关闭合后电路正常工作时,下列说法正确的是()A.开关只能控制灯L1B.灯L1和L2是串联的C.电压表测的是电源电压D.电流表测的是通过电压表的电流3.如图所示的电路,电源电压不变,闭合开关S后,灯L1和L2均发光,过了一段时间,一盏灯突然熄灭,而电流表和电压表的示数都不变,则发生的故障可能是()A.L1断路B.L2断路C.L2短路D.L1短路4.如图所示S闭合后,L1、L2都发光,两个电表都有示数,突然一盏灯亮,一盏灯不亮,且电表示数都变为0,则该电路中可能故障是()A.电压表短路B.电流表断路C.L2短路D.L2断路5.如图所示,能正确测出小灯泡L1两端电压的电路是()A. B. C. D.6.如图甲所示的电路中,当闭合开关后,两个电压表指针偏转均如图乙所示,则电灯L1和L2两端的电压分别为()A.4.8V,1.2VB.6V,1.2VC.1.2V,6VD.1.2V,4.8V7.如图所示,电源电压是5V并保持不变,开关S闭合后电压表的示数为3V,则()A.L1两端的电压为5VB.L2两端的电压为2VC.L2两端的电压为3VD.L1两端的电压为3V8.在如图甲的电路中,当闭合开关S后,电路正常工作,两只电压表指针均为如图乙所示,则电阻R1、R2两端电压分别是()A.6V 7.5VB.7.5V 1.5VC.1.5V 7.5VD.6V 1.5V9.从发电站到用电地区,通常都有一段相当长的距离。
为减少远距离输电中的电能损失,根据焦耳定律,就要尽可能地减小输电线中的电流,因此在目前技术水平下采用了危险系数高的高电压输电。
人教版九年级物理上册电压电阻检测题(Word版含答案)一、初三物理电压电阻易错压轴题(难)1.某同学用下图所示的电路探究“通过导体的电流与电压、电阻的关系”,电源电压恒为.(1)闭合开关后,电流表无示数,但电压表有示数,原因可能是__________.A.电流表断路B.电压表断路C.R1断路D.R2断路(2)探究电流与电压的关系时,应保持________不变(选填“R1”或“R2”).(3)探究电流与电阻的关系时,当R1的阻值是2Ω,电流表示数是1.0A,要使电流表示数是0.5A,R1的阻值是________Ω;多次测量后,作出的I-R1图像是图乙中的________.【答案】CR14D【解析】【分析】(1)闭合开关,电流表无示数,可能电路出现断路,电压表有示数,则与电压表并联的电路断路;(2)探究电流和电压的关系,应保持电阻不变;(3)探究电流和电阻的关系时,应保持电阻两端的电压不变,根据欧姆定律得到R1的阻值;根据电流和电阻的关系得到I-R1图像。
【详解】(1)闭合开关,电流表没有示数,可能出现断路,电压表有示数,则与电压表并联的R1断路,故选C。
(2)该实验是探究R1的电流和电压、电阻的关系,探究电流与电压的关系时,应保持R1不变;(3)R1两端的电压U=IR=1.0A×2Ω=2V,探究电流与电阻的关系时,应保持电阻两端的电压不变,要使电流表示数是0.5A,R1的阻值;因为电压不变,通过导体的电流和电阻成反比,所以作出的I-R1图像是图乙中的D。
【点睛】本题考查电流电压和电阻的关系,当导体的电阻一定时,导体中的电流与导体两端的电压成正比;当导体两端的电压一定时,导体中的电流与导体的电阻成反比。
2.某物理兴建小组学习了导体电阻的知识后,对食盐水溶液的导电性能与什么因素有关提岀了以下猜想:A.食盐水溶液的导电性能与溶液的浓度有关。
B.食盐水溶液的导电性能与溶液的质量有关。
C.食盐水溶液的导电性能与溶液中两点间的距离有关。
人教版九年级物理上册电压电阻单元综合测试(Word版含答案)一、初三物理电压电阻易错压轴题(难)1.探究性学习小组的同学们合作进行探究“串联电路的电压特点”,设计了如图Ⅰ所示电路,并连接了相应的实物电路,如图Ⅱ所示。
(1)在连接的实物电路中有一处错误,无法完成实验,连接错误的导线是______(填a、b 或c)(2)正确连接后,闭合开关,发现电流表和电压表V1都没示数,电压表V2有示数,电路故障可能是______,更换器材后继续实验,根据测得的实验数据,绘制了如图Ⅲ所示的曲线图。
①图Ⅲ中,甲、乙两条曲线是根据图Ⅰ电路测得的实验数据所绘制的曲线,其中图Ⅰ电路中电压表V1对应的曲线是______(填“甲”或“乙”);②已知电源电压恒为6V,根据探究目的分析图Ⅲ中的曲线,得出的实验结论是______;③由图Ⅲ可知,滑动变阻器的最大阻值为______Ω。
(拓展)学习小组的同学还想由此电路探究电流与电阻的关系,可供选择的定值电阻的阻值为5Ω、5Ω、10Ω、15Ω、20Ω、25Ω。
①电路连接正确后,先用5Ω的定值电阻进行实验,闭合开关后,移动滑动变阻器的滑片,使电压表示数为2V,读出了电流表的示数;再将5Ω的定值电阻换成10Ω的定值电阻进行实验,向______移动滑片直至电压表示数为2V,并记录电流表的示数;②该同学还想多测几组数据,但他不能选用的定值电阻阻值是______Ω。
【答案】b滑动变阻器断路甲串联电路中总电压等于各部分电压之和 40 右 25 【解析】【分析】【详解】(1)[1]根据图Ⅰ可以看出,电压表应该并联在滑动变阻器两端,而图Ⅱ中的滑动变阻器被短路,所以导线b应该接到滑动变阻器的左下端接线柱或接到定值电阻R1的右侧接线柱上。
(2)[2]正确连接后,闭合开关,发现电流表和电压表V1都没示数,说明电路断路,电压表V2有示数,则电路故障可能是与电压表V2并联的滑动变阻器断路。
[3]根据图Ⅰ可以看出,电路是一个串联电路,电流增大时,根据U=IR,电压表V1的示数也增大,对应图Ⅲ中的甲曲线。
人教版物理九年级上册电压电阻单元综合测试(Word版含答案)一、初三物理电压电阻易错压轴题(难)1.小明手边有6节同种型号的新锂电池(电池电压相同)和一个电流表,他想知道把这些电池串联起来接入长度为480m、横截面积为64mm2的电阻丝A时通过的电流是多少,他想到:通过电阻丝的电流大小与电池节数、电阻丝的长度、横截面积、材料都有关系。
于是他就对由同种材料组成的不同规格的电阻丝样品进行了测试,实验数据如下:(1)分析数据可知,电阻丝中通过电流大小与电阻丝的长度成______,与电阻丝的横截面积成______。
(填“正比”或“反比”)(2)经过对样品数据的分析,得出把电阻丝A接入6节该锂电池做为电源的电路中时通过的电流为______A。
【答案】反比正比 1.6【解析】【分析】【详解】(1)[1]由第一组和第四组的实验数据可知,电源电压相同,横截面积相同,长度变为原来的四倍,电流变为原来的四分之一,说明电电阻大了四倍,由此可得:在电压相同,材料和横截面积也相同时,电阻丝中通过电流大小与电阻丝的长度成反比。
[2]由第五组和第二组的实验数据可知,电源电压相同,长度相同,横截面积变为原来的四倍,电流也变为原来的四倍,说明电阻小为了原来的四分之一,由此可得:在电压相同,材料和长度也相同时,电阻丝中通过电流大小与电阻丝的横截面积成正比。
(2)[3]由第三组和第四组的实验数据可知,电源电压不相同,电阻丝的材料、长度和横截面积相同,电源电压大为原来的二倍,电流也变为原来的二倍,由此可得:在材料、长度和横截面积相同时,电阻丝中通过电流大小与电源电压成正比。
A的横载面积为64mm2,为第一组横截面积的40倍,A的长度为480m,为第一组长度的120倍,则电阻为第一组的3倍,电阻丝A两端的电池节数是6节,为第一组电池节数的3倍,即电压变为原来的3倍,则电流为1.6A×13×3=1.6A2.某同学为了探究“电阻丝的电阻R 与长度L 、横截面积S 和材料的关系”,进行了如下操作:(1)在实验中,先保持电阻丝的横截面积S 和材料不变,探究电阻丝的电阻R 与长度L 的关系,这种方法叫做________法。
人教版物理九年级上册电压电阻单元测试题(Word版含解析)一、初三物理电压电阻易错压轴题(难)1.探究性学习小组的同学们合作进行探究“串联电路的电压特点”,设计了如图Ⅰ所示电路,并连接了相应的实物电路,如图Ⅱ所示。
(1)在连接的实物电路中有一处错误,无法完成实验,连接错误的导线是______(填a、b 或c)(2)正确连接后,闭合开关,发现电流表和电压表V1都没示数,电压表V2有示数,电路故障可能是______,更换器材后继续实验,根据测得的实验数据,绘制了如图Ⅲ所示的曲线图。
①图Ⅲ中,甲、乙两条曲线是根据图Ⅰ电路测得的实验数据所绘制的曲线,其中图Ⅰ电路中电压表V1对应的曲线是______(填“甲”或“乙”);②已知电源电压恒为6V,根据探究目的分析图Ⅲ中的曲线,得出的实验结论是______;③由图Ⅲ可知,滑动变阻器的最大阻值为______Ω。
(拓展)学习小组的同学还想由此电路探究电流与电阻的关系,可供选择的定值电阻的阻值为5Ω、5Ω、10Ω、15Ω、20Ω、25Ω。
①电路连接正确后,先用5Ω的定值电阻进行实验,闭合开关后,移动滑动变阻器的滑片,使电压表示数为2V,读出了电流表的示数;再将5Ω的定值电阻换成10Ω的定值电阻进行实验,向______移动滑片直至电压表示数为2V,并记录电流表的示数;②该同学还想多测几组数据,但他不能选用的定值电阻阻值是______Ω。
【答案】b滑动变阻器断路甲串联电路中总电压等于各部分电压之和 40 右 25 【解析】【分析】【详解】(1)[1]根据图Ⅰ可以看出,电压表应该并联在滑动变阻器两端,而图Ⅱ中的滑动变阻器被短路,所以导线b应该接到滑动变阻器的左下端接线柱或接到定值电阻R1的右侧接线柱上。
(2)[2]正确连接后,闭合开关,发现电流表和电压表V1都没示数,说明电路断路,电压表V2有示数,则电路故障可能是与电压表V2并联的滑动变阻器断路。
[3]根据图Ⅰ可以看出,电路是一个串联电路,电流增大时,根据U=IR,电压表V1的示数也增大,对应图Ⅲ中的甲曲线。
人教版九年级上册物理电压电阻单元检测(提高,Word版含解析)一、初三物理电压电阻易错压轴题(难)1.一实验小组用如图所示的器材探究“串联电路的电压关系”。
用三节干电池串联供电,他们选择了两只规格不同的小灯泡L1、L2。
(1)请用笔画线代替导线,连接实验电路。
要求:电压表测量两灯串联后的总电压,并在右边方框画出电路图。
(________)(2)为了保证电路的安全,连接器材时,开关应____________。
(3)小明用电压表测量L1两端电压时,直接选用0∼3V的量程,小悦说这样不行,规范的操作方法应该是:_________。
(4)他们实验中得出一组实验数据如下表。
为了得出串联电路电压关系的普遍规律,他们还应________。
L1两端电压(V)L2两端电压(V)电路两端总电压(V)1.52.8 4.3(5)在探究串联电路电压关系实验中,物理实验小组按如图所示电路测得V的示数是3.8V,V1的示数是2.3V,V2的示数应为____V。
(6)在测量L2两端电压时,两灯突然熄灭,电压表示数为0,用电压表检测L1两端电压为电源电压,则出现故障的原因可能是(__________)A.灯L1短路 B.灯L2短路C.灯L1断路 D.灯L2断路【答案】断开先选用0∼15V的量程试触,若读数小于3V,再换用0∼3V的量程换用不同规格的灯泡,多次实验 1.5 C【解析】【分析】(1)两灯泡、开关、电源组成串联电路,电压表并联在两灯泡两端,连线时注意电压表正负接线柱不要接反;(2)为保证安全,连接电路时,开关应断开;(3)因为电源电压大于3V,在测量电压前,应先用0∼15V量程,测一下L1两端电压,若电压小于3V,再用0∼3V量程;(4)分析表中实验数据,得出结论;为了得出普遍规律,应更换不同的实验器材,进行多次测量;(5)串联电路两端电压等于各部分电路电压之和;(6)两灯突然熄灭说明电路发生断路;电压表测L2两端电压时,电压表示数为零,可能是L2短路或L2之外的电路存在断路;电压表测L1电压时,电压表有示数且等于电源电压,说明此时电压表与电源两极相连接,L1之外电路不存在端路;综合分析可知:电路故障是灯泡L1断路;【详解】(1)[1]两灯泡、开关、电源组成串联电路,电压表并联在两灯泡两端,实物图及电路图如图所示:(2)[2]为保证电路安全,连接电路时,开关应断开;(3)[3]电流表和电压表在使用时,如不能估计测量值的大小,应采用试触法选择合适量程,即先选用0∼15V的量程试测,如果示数小于3V,再改用0∼3V量程测量。
人教版物理九年级上册电压电阻单元测试题(Word版含解析)一、初三物理电压电阻易错压轴题(难)1.探究性学习小组的同学们合作进行探究“串联电路的电压特点”,设计了如图Ⅰ所示电路,并连接了相应的实物电路,如图Ⅱ所示。
(1)在连接的实物电路中有一处错误,无法完成实验,连接错误的导线是______(填a、b 或c)(2)正确连接后,闭合开关,发现电流表和电压表V1都没示数,电压表V2有示数,电路故障可能是______,更换器材后继续实验,根据测得的实验数据,绘制了如图Ⅲ所示的曲线图。
①图Ⅲ中,甲、乙两条曲线是根据图Ⅰ电路测得的实验数据所绘制的曲线,其中图Ⅰ电路中电压表V1对应的曲线是______(填“甲”或“乙”);②已知电源电压恒为6V,根据探究目的分析图Ⅲ中的曲线,得出的实验结论是______;③由图Ⅲ可知,滑动变阻器的最大阻值为______Ω。
(拓展)学习小组的同学还想由此电路探究电流与电阻的关系,可供选择的定值电阻的阻值为5Ω、5Ω、10Ω、15Ω、20Ω、25Ω。
①电路连接正确后,先用5Ω的定值电阻进行实验,闭合开关后,移动滑动变阻器的滑片,使电压表示数为2V,读出了电流表的示数;再将5Ω的定值电阻换成10Ω的定值电阻进行实验,向______移动滑片直至电压表示数为2V,并记录电流表的示数;②该同学还想多测几组数据,但他不能选用的定值电阻阻值是______Ω。
【答案】b滑动变阻器断路甲串联电路中总电压等于各部分电压之和 40 右 25 【解析】【分析】【详解】(1)[1]根据图Ⅰ可以看出,电压表应该并联在滑动变阻器两端,而图Ⅱ中的滑动变阻器被短路,所以导线b应该接到滑动变阻器的左下端接线柱或接到定值电阻R1的右侧接线柱上。
(2)[2]正确连接后,闭合开关,发现电流表和电压表V1都没示数,说明电路断路,电压表V2有示数,则电路故障可能是与电压表V2并联的滑动变阻器断路。
[3]根据图Ⅰ可以看出,电路是一个串联电路,电流增大时,根据U=IR,电压表V1的示数也增大,对应图Ⅲ中的甲曲线。
人教版九年级物理上册电压电阻单元复习练习(Word版含答案)一、初三物理电压电阻易错压轴题(难)1.在“探究串联电路电压的特点”活动中:(1)如图所示,连接电路时,至少需要______根导线;实验中应选择规格______(相同/不同)的小灯泡;(2)在测L1两端电压时,闭合开关,发现电压表示数为零,原因可能是________________(填出一种即可);(3)小芳保持电压表的B连接点不动,只断开A连接点,并改接到C连接点上,测量L2两端电压。
她能否测出L2两端电压?______,理由是_____________________ ;(4)小明分别测出AB、BC、AC间的电压并记录在如下表格中,分析实验数据得出结论:串联电路总电压等于各部分电路两端电压之和。
请对小明的做法进行评价:______________________ 。
U AB/V U BC/V U AC/V2.4 1.43.8【答案】6 不同 L2断路不能正负接线柱反接了一次实验具有偶然性;更换规格不同的灯泡进行多次实验【解析】【分析】【详解】(1)[1]由电路图可知,共需要导线6根导线。
[2]为了避免实验的偶然性,使探究得出的结论具有普遍意义,应该选取不同的小灯泡进行实验。
(2)[3]电压表示数为零,可能电路中出现了断路;若L1断路,则电压表测量的电源电压,有示数;若L2断路,则电压表无示数。
(3)[4][5]小芳保持电压表的B连接点不动,只将与A点相连的导线改接到C点,则会造成电流从负接线柱流入,即正负接线接反了。
所以小芳的办法是错误的,不能测出L2两端电压。
(4)[6]本实验只做了一次实验,而没有进行多次测量,只凭一组实验数据得出结论带有偶然性,不能得出正确规律,故应更换规格不同的灯泡进行多次实验。
2.某物理兴建小组学习了导体电阻的知识后,对食盐水溶液的导电性能与什么因素有关提岀了以下猜想:A.食盐水溶液的导电性能与溶液的浓度有关。
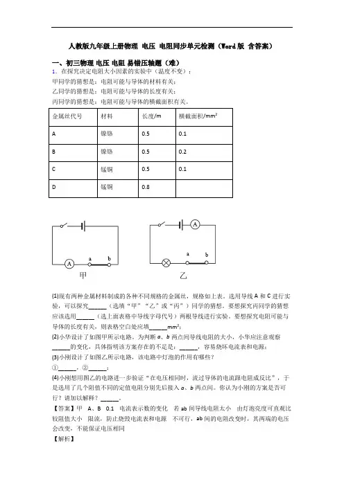
人教版九年级上册物理电压电阻同步单元检测(Word版含答案)一、初三物理电压电阻易错压轴题(难)1.在探究决定电阻大小因素的实验中(温度不变):甲同学的猜想是:电阻可能与导体的材料有关;乙同学的猜想是:电阻可能与导体的长度有关;丙同学的猜想是:电阻可能与导体的横截面积有关。
金属丝代号材料长度/m横截面积/mm2A镍铬0.50.1B镍铬0.50.2C锰铜0.50.1D锰铜0.8(1)现有两种金属材料制成的各种不同规格的金属丝,规格如上表。
选用导线A和C进行实验,可以探究______(选填“甲”“乙”或“丙”)同学的猜想。
要想探究丙同学的猜想应该选用______(选上面表格中导线字母代号)两根导线进行实验。
要想探究电阻可能与导体的长度有关,则表格空白处应填______mm2;(2)小华设计了如图甲所示电路。
为判断a、b两点间导线电阻的大小,小华应注意观察______的变化,具体指明该方案存在的不足是:______,容易烧坏电流表和电源;(3)小刚设计了如图乙所示电路,该电路中灯泡的作用有哪些?①______,②______;(4)小刚想用图乙的电路进一步验证“在电压相同时,流过导体的电流跟电阻成反比”,于是选用了几个阻值不同的定值电阻分别先后接入a、b两点间。
你认为小刚的方案是否可行?请加以解释?______。
【答案】甲 A、B 0.1 电流表示数的变化若ab间导线电阻太小由灯泡亮度可直观比较阻值大小限流,防止烧毁电流表和电源不可行,ab间的电阻改变时,其两端的电压会改变,不能保证电压相同【解析】【分析】【详解】(1)[1]由表中所给条件知,导线A和C的长度、横截面积相同,导体的材料不同,故可以探究甲同学的猜想。
[2]要探究横截面积与导体电阻大小的关系,就要控制导体的材料、长度相同,横截面积不同,在表格中给的导线中,只有A、B符合条件。
[3]要探究长度与导体电阻大小的关系,就要控制导体的材料、横截面积相同,导体的长度不同,在表格中给的导线中,只有C、D符合条件,故表格空白处应填0.1mm2。
人教版九年级上册物理电压电阻单元复习练习(Word版含答案)一、初三物理电压电阻易错压轴题(难)1.在“探究串联电路电压特点”的实验中:(1)某次测量时,电压表的示数如图所示,则此时灯L1两端的电压为_____V;(2)某同学在测量了灯L1两端的电压后,断开开关,然后将AE导线的A端松开,接到D接线柱上,测量灯L2两端的电压,这一做法存在的问题是_____;(3)闭合开关S后,发现灯L1发光,L2不发光。
同学们有以下几种猜想:①灯L2灯丝断了;②灯L2的灯座短路;③灯L2也工作,但L2中电流比L1中电流小。
以上猜想中正确有_____(填序号)。
【答案】2.2 电压表的正负接线柱接反②【解析】【分析】【详解】(1)[1]由实物图可知,两灯串联,电压表测L1的电压;电源为两节干电池,则电源电压==2 1.5V3VU⨯根据串联分压的特点可知,灯L1两端的电压不可能大于3V,故图中电压表选择的是0~3V 量程,对应的分度值是0.1V,指针指在2V右面第2个小格上,读数为2V+0.1V2 2.2V⨯=(2)[2]如果将AE导线的A端松开,接到D接线柱上测量灯L2两端的电压,这样电流从电压表的“﹣”接线柱流入,从“+”接线柱流出了,开关闭合后,电压表的指针将反偏,即电压表的正负接线柱接反了,因此这种接法是错误的。
(3)[3]闭合开关S后,发现灯L1发光,L2不发光,则:①若灯L2灯丝断了,电路断路,灯泡L1也不发光,故①错误;②若灯L2的灯座短路,灯L1发光,L2不发光,故②正确;③若灯L2也工作时,由串联电路的电流特点可知,L2中电流和L1中电流相等,故③错误。
综上所述,以上猜想中正确只有②。
2.某同学为了探究“电阻丝的电阻R与长度L、横截面积S和材料的关系”,进行了如下操作:(1)在实验中,先保持电阻丝的横截面积S 和材料不变,探究电阻丝的电阻R 与长度L 的关系,这种方法叫做________法。
(2)为了探究电阻丝的电阻R 与L 的关系,实验室备有以下实验器材:A .电源E (电压U =1.5V)B .电流表A 1 (量程 0-100mA)C .电流表A 2 (量程 0-0.6A)D .电阻箱R 0(阻值 0~999.9Ω)E.待测电阻丝R (阻值约为10Ω)F.开关一个,导线若干,则:① 为了提高实验的精确程度,在实验中电流表应选的是_______ (选填器材前的字母代号) ② 把电阻丝拉直后,将其两端固定在刻度尺的接线柱a 和b 上,电阻丝上夹一个金属夹 P ,移动金属夹 P 的位置,就可改变接入电路中金属丝的长度 L ,把这些实验器材按图甲连接起来。
章末测试(四)电压电阻(时间:45分钟总分:100分)题号一二三四五总分合分人复分人得分一、选择题(每题4分,共40分)1.关于电源、电压和电流的关系,以下说法正确的是( )A.有电压就同时有电源和电流B.有电源就同时有电压和电流C.有电流就同时有电源和电压D.若同时有电源和电压就一定有电流2.关于电流表和电压表的使用方法,下列说法正确的是( )A.一般先用较小量程进行快速试触B.如图中所选量程的分度值是0.1 VC.电流表必须和被测的用电器并联D.电压表不能直接接到电源的两极3.可调亮度的电灯在调光时,旋动旋钮,滑片在弧形电阻丝上滑动,即可调节灯泡亮度,这是通过下列哪个因素改变电阻丝接入电路中电阻的( )A.长度B.横截面积C.材料D.温度4.如图所示,当滑动变阻器的滑片向a端滑动时,下列四种接法中,变阻器接入电路的电阻值变小的是( ),A) ,B) ,C) ,D) 5.如图所示,L1、L2是灯泡,且两灯均正常发光,“○”处可以连接电流表、电压表测量电路中的电流、电压,以下说法中正确的是( )A.a为电流表,b为电压表,c为电流表B.a为电压表,b为电压表,c为电流表C.a为电流表,b为电流表,c为电压表D.a为电流表,b为电流表,c为电流表6.在如图所示的电路中,当开关S闭合后,灯L1不亮,灯L2也不亮,电压表有示数.则下列说法中正确的是( )A.灯L1的灯丝断了B.灯L1被短路了C.灯L2的灯丝断了D.灯L2被短路了7.在温度一定时,下列有关导体电阻的说法中正确的是( )A.粗细相同的两根导线,较长的电阻较大B.长度相同的两根导线,较细的电阻较小C.同种材料制成的长度相同的两根导线,横截面积小的电阻较大D.一根铜导线的电阻一定比一根铝导线的电阻小8.如图所示为李明同学连接的实物图,这个电路中没有接错的器材是( )A.电流表B.电压表C.变阻器D.开关第8题图第9题图9.如图所示,电源电压不变,闭合开关,电压表V1的示数为6 V,电压表V2的示数为3.6 V.那么下列说法中不正确的是( )A.电源电压为6 VB.L1两端电压为2.4 VC.将电压表V2换成电流表,开关闭合后L1亮,L2不亮D.将电压表都换成电流表,开关闭合时L1与L2并联10.某高速公路收费站于去年开始对过往的超载货车实施计重收费,某同学结合所学物理知识设计了如图所示的计重秤原理图,以下说法正确的是( ) A.称重表相当于一个电压表B.当车辆越重时,称重表的示数越大C.当车辆越重时,称重表的示数越小D.电路中的R1是没有作用的第10题图二、填空题(每空2分,共20分)11.(贵港中考)LED灯是一种新型的高效节能光源,它的核心元件是发光二极管,二极管是由材料制成的.在发电厂发电、输送电能等方面若能采用材料,就可以大大降低由于输电线电阻引起的电能损耗.12.(北海中考)电阻是导体对电流的作用,如图中A、B是两根横截面积相同的铜线,则A铜线的电阻比B铜线的电阻.13.(宜昌中考)将两片不同的金属片A、B浸在盐水中,这就是一个电池,该电池对外供电时,将能转化为电能,把金属片A、B分别用导线连接到电压表接线柱上,电压表的指针发生如图所示的偏转,则金属片A是(填“正”或“负”)极.第13题图第14题图14.如图,当开关S1、S2都闭合时,电压表的示数为4 V,则灯L1两端的电压是V,电源电压为V.15.如图是汽车油量表的工作原理图,当油箱汽油液面下降时,变阻器的阻值,电流表的示数.(填“变大”“变小”或“不变”)第15题图三、作图题(每题3分,共6分)16.根据如图所示的实物连线图,画出对应的电路图.(要求连线要横平竖直,尽量使电路图简洁美观)17.在图中电路空白处填入电源、电流表和电压表的符号,要求:闭合开关S后,两灯泡均能发光,且电表能测量通过L1的电流和电压.四、实验探究题(第18题16分,第19题10分,共26分)18.如图所示,小明在“探究串联电路电压特点”的实验中:(1)在连接电路的过程中,开关必须,在串联电路中,开关可以控制所有用电器,开关位置的改变(填“影响”或“不影响”)它对用电器的控制.(2)某次测量时,电压表的示数如图乙所示,则此时灯L1两端的电压为V.(3)闭合开关后,小明发现L1、L2均不发光,电压表有示数且大小接近3 V,则电路中出现的故障可能是L1发生了(填“短路”或“断路”).(4)排除故障后,小明在测量了灯L1两端的电压后,断开开关,然后将AE导线的A端松开,接到D接线柱上,闭合开关测量灯L2两端的电压.小明的做法是(填“正确”或“错误”)的,原因是.(5)小明更换了不同规格的小灯泡并多次实验,将得到的数据记录在下表中,分析实验数据,你可以得到串联电路中的电压规律:串联电路两端的总电压等于_ .实验次数U AB/V U CD/V U AD/V1 1.9 1.1 3.02 1.0 2.0 3.03 1.2 1.8 3.0(6)小明进行多次实验的主要目的是(填序号).①寻找普遍规律②减小实验误差19.在探究影响导体电阻大小的因素时,小兵、小红两位同学作出了如下猜想:①导体的电阻与导体的长度有关;②导体的电阻与导体的横截面积有关;③导体的电阻与导体的材料有关.实验室提供了4根电阻丝,规格、材料如表:编号材料长度/m 横截面积/mm2A镍铬合金0.5 0.5B镍铬合金 1.0 0.5C镍铬合金0.5 1.0D锰铜合金0.5 0.5为了验证上述猜想,他们设计了如图所示的实验电路.(1)为了验证上述猜想①,应该选用编号为的两根电阻丝进行实验;如果选用编号为A、C的两根电阻丝进行实验,是为了验证猜想(填序号).分别将A和D两电阻丝接入电路中M、N两点间时,电流表示数不相同,由此,初步得到的结论是:长度和横截面积相同时,.(2)有同学认为,可以根据灯泡亮度的变化来判断接入电阻丝的电阻变化情况.老师指出:此实验中这种方法不可取.这是因为电源电压一定时,所选电阻丝的阻值相差太小,灯泡亮度变化(填“明显”或“不明显”).(3)在最近几年,我国城乡许多地区进行了输电线路的改造,将原来细的铝质输电线换成较粗的铝质输电线,这样_(填“增大”或“减小”)了输电线的电阻.五、计算题(8分)20.如图所示的电路中,开关S闭合后,电压表V1、V2的示数之比为3∶1,电压表V的示数为12 V.则灯L1、L2两端的电压分别是多少?章末测试(四)电压电阻答案版(时间:45分钟总分:100分)题号一二三四五总分合分人复分人得分一、选择题(每题4分,共40分)1.关于电源、电压和电流的关系,以下说法正确的是(C)A.有电压就同时有电源和电流B.有电源就同时有电压和电流C.有电流就同时有电源和电压D.若同时有电源和电压就一定有电流2.关于电流表和电压表的使用方法,下列说法正确的是(B)A.一般先用较小量程进行快速试触B.如图中所选量程的分度值是0.1 VC.电流表必须和被测的用电器并联D.电压表不能直接接到电源的两极3.可调亮度的电灯在调光时,旋动旋钮,滑片在弧形电阻丝上滑动,即可调节灯泡亮度,这是通过下列哪个因素改变电阻丝接入电路中电阻的(A)A.长度B.横截面积C.材料D.温度4.如图所示,当滑动变阻器的滑片向a端滑动时,下列四种接法中,变阻器接入电路的电阻值变小的是(C),A) ,B) ,C) ,D) 5.如图所示,L1、L2是灯泡,且两灯均正常发光,“○”处可以连接电流表、电压表测量电路中的电流、电压,以下说法中正确的是(B)A.a为电流表,b为电压表,c为电流表B.a为电压表,b为电压表,c为电流表C.a为电流表,b为电流表,c为电压表D.a为电流表,b为电流表,c为电流表6.在如图所示的电路中,当开关S闭合后,灯L1不亮,灯L2也不亮,电压表有示数.则下列说法中正确的是(A)A.灯L1的灯丝断了B.灯L1被短路了C.灯L2的灯丝断了D.灯L2被短路了7.在温度一定时,下列有关导体电阻的说法中正确的是(C)A.粗细相同的两根导线,较长的电阻较大B.长度相同的两根导线,较细的电阻较小C.同种材料制成的长度相同的两根导线,横截面积小的电阻较大D.一根铜导线的电阻一定比一根铝导线的电阻小8.如图所示为李明同学连接的实物图,这个电路中没有接错的器材是(D)A.电流表B.电压表C.变阻器D.开关第8题图第9题图9.如图所示,电源电压不变,闭合开关,电压表V1的示数为6 V,电压表V2的示数为3.6 V.那么下列说法中不正确的是(D)A.电源电压为6 VB.L1两端电压为2.4 VC.将电压表V2换成电流表,开关闭合后L1亮,L2不亮D.将电压表都换成电流表,开关闭合时L1与L2并联10.某高速公路收费站于去年开始对过往的超载货车实施计重收费,某同学结合所学物理知识设计了如图所示的计重秤原理图,以下说法正确的是(B) A.称重表相当于一个电压表B.当车辆越重时,称重表的示数越大C.当车辆越重时,称重表的示数越小D.电路中的R1是没有作用的第10题图二、填空题(每空2分,共20分)11.(贵港中考)LED灯是一种新型的高效节能光源,它的核心元件是发光二极管,二极管是由__半导体__材料制成的.在发电厂发电、输送电能等方面若能采用__超导__材料,就可以大大降低由于输电线电阻引起的电能损耗.12.(北海中考)电阻是导体对电流的__阻碍__作用,如图中A、B是两根横截面积相同的铜线,则A铜线的电阻比B铜线的电阻__小__.13.(宜昌中考)将两片不同的金属片A、B浸在盐水中,这就是一个电池,该电池对外供电时,将__化学__能转化为电能,把金属片A、B分别用导线连接到电压表接线柱上,电压表的指针发生如图所示的偏转,则金属片A是__正__(填“正”或“负”)极.第13题图第14题图14.如图,当开关S1、S2都闭合时,电压表的示数为4 V,则灯L1两端的电压是__4__V,电源电压为__4__V.15.如图是汽车油量表的工作原理图,当油箱汽油液面下降时,变阻器的阻值__变大__,电流表的示数__变小__.(填“变大”“变小”或“不变”)第15题图三、作图题(每题3分,共6分)16.根据如图所示的实物连线图,画出对应的电路图.(要求连线要横平竖直,尽量使电路图简洁美观)解:17.在图中电路空白处填入电源、电流表和电压表的符号,要求:闭合开关S后,两灯泡均能发光,且电表能测量通过L1的电流和电压.解:四、实验探究题(第18题16分,第19题10分,共26分)18.如图所示,小明在“探究串联电路电压特点”的实验中:(1)在连接电路的过程中,开关必须__断开__,在串联电路中,开关可以控制所有用电器,开关位置的改变__不影响__(填“影响”或“不影响”)它对用电器的控制.(2)某次测量时,电压表的示数如图乙所示,则此时灯L1两端的电压为__1.9__V.(3)闭合开关后,小明发现L1、L2均不发光,电压表有示数且大小接近3 V,则电路中出现的故障可能是L1发生了__断路__(填“短路”或“断路”).(4)排除故障后,小明在测量了灯L1两端的电压后,断开开关,然后将AE导线的A端松开,接到D接线柱上,闭合开关测量灯L2两端的电压.小明的做法是__错误__(填“正确”或“错误”)的,原因是__电压表的正负接线柱接反了__.(5)小明更换了不同规格的小灯泡并多次实验,将得到的数据记录在下表中,分析实验数据,你可以得到串联电路中的电压规律:串联电路两端的总电压等于__各用电器两端电压之和__.实验次U AB/V U CD/V U AD/V数1 1.9 1.1 3.02 1.0 2.0 3.03 1.2 1.8 3.0(6)小明进行多次实验的主要目的是__①__(填序号).①寻找普遍规律②减小实验误差19.在探究影响导体电阻大小的因素时,小兵、小红两位同学作出了如下猜想:①导体的电阻与导体的长度有关;②导体的电阻与导体的横截面积有关;③导体的电阻与导体的材料有关.实验室提供了4根电阻丝,规格、材料如表:编号材料长度/m横截面积/mm2A镍铬合金0.5 0.5B镍铬合金1.0 0.5C镍铬合金0.5 1.0D锰铜合金0.5 0.5为了验证上述猜想,他们设计了如图所示的实验电路.(1)为了验证上述猜想①,应该选用编号为__A、B__的两根电阻丝进行实验;如果选用编号为A、C的两根电阻丝进行实验,是为了验证猜想__②__(填序号).分别将A 和D两电阻丝接入电路中M、N两点间时,电流表示数不相同,由此,初步得到的结论是:长度和横截面积相同时,__导体的电阻与导体的材料有关__.(2)有同学认为,可以根据灯泡亮度的变化来判断接入电阻丝的电阻变化情况.老师指出:此实验中这种方法不可取.这是因为电源电压一定时,所选电阻丝的阻值相差太小,灯泡亮度变化__不明显__(填“明显”或“不明显”).(3)在最近几年,我国城乡许多地区进行了输电线路的改造,将原来细的铝质输电线换成较粗的铝质输电线,这样__减小__(填“增大”或“减小”)了输电线的电阻.五、计算题(8分)20.如图所示的电路中,开关S闭合后,电压表V1、V2的示数之比为3∶1,电压表V的示数为12 V.则灯L1、L2两端的电压分别是多少?解:由图示电路图可知,灯L1、L2串联,V1测量的是灯L1两端的电压U1,V2测量的是灯L2两端的电压U2,电压表V测量的是电源两端的电压U,因为电压表V1、V2的示数之比为3∶1,即U1∶U2=3∶1…①根据串联电路的电压特点知:U=U1+U2,即U1+U2=12 V…②联立①②解得:U1=9 V,U2=3 V。
人教版物理九年级上册电压电阻单元综合测试(Word版含答案)一、初三物理电压电阻易错压轴题(难)1.热敏电阻的阻值会随温度的改变而改变。
小张同学用如图甲所示的电路来探究热敏电阻R T的阻值与温度的关系。
已知M为控温器,电源电压未知但恒定不变,R为电阻箱(一种可以改变并读出阻值的变阻器)。
因实验器材的限制,利用该电路无法直接测出热敏电阻的阻值,聪明的小张进行了如下操作:①根据图甲连接电路,闭合开关前,将电阻箱的阻值调到足够大;②控制控温器中液体温度为10℃,闭合开关,调节电阻箱的阻值,使电流表的示数达到某数值,记录此时电阻箱的阻值为26Ω;③依次改变控温器中的液体温度,同时……,得到相关数据记录如下表所示。
分析并回答下列问题:(1)步骤③中“……”部分的操作是____。
(2)从表中可以得出结论:在一定温度范围,_____。
(3)在科技创新活动中,小张用该热敏电阻和电压表制成了一支指针式温度计(电路图如图乙所示,电压表未接入),它可以直接在电压表刻度盘上读出相应温度。
闭合开关后,小华发现电流表有示数,将电压表依次并在各接线柱之间发现ab间无示数,接ac、bc间有示数,此时电路中的故障是____。
小华重新正确连接电路后,若想要电压表的读数随温度的升高而增大,则应在原理图乙中_____两端接入电压表。
A.a、b B.b、c C.a、c【答案】调节电阻箱的阻值,使电流表的示数保持不变热敏电阻的阻值随温度的升高而减小定值电阻短路A【解析】【详解】(1)为了探究热敏电阻R T的阻值与温度的关系,应保持其他变量不变,即调节电阻箱阻值来保持电流表示数不变;(2)因为热敏电阻R t与电阻箱串联,而电路电流保持不变,所以电路总电阻保持不变,读表可知,那么随着温度升高,变阻箱电阻增大,即热敏电阻R T的减小。
(3)如图乙:闭合开关后,小华发现电流表有示数,说明电路没有断路,将电压表依次并在各接线柱之间发现ab间无示数,而接ac、bc间有示数,则ab间一定发生短路;想要电压表的读数随温度的升高而增大,电路总电压不变的情况下,根据串联分压原理,定值电阻ab两端电压随热敏电阻R t减小而增加,故应接在ab之间,选A。
人教版九年级上册物理电压电阻单元测试题(Word版含解析)一、初三物理电压电阻易错压轴题(难)1.在探究决定电阻大小因素的实验中(温度不变):甲同学的猜想是:电阻可能与导体的材料有关;乙同学的猜想是:电阻可能与导体的长度有关;丙同学的猜想是:电阻可能与导体的横截面积有关。
金属丝代号材料长度/m横截面积/mm2A镍铬0.50.1B镍铬0.50.2C锰铜0.50.1D锰铜0.8(1)现有两种金属材料制成的各种不同规格的金属丝,规格如上表。
选用导线A和C进行实验,可以探究______(选填“甲”“乙”或“丙”)同学的猜想。
要想探究丙同学的猜想应该选用______(选上面表格中导线字母代号)两根导线进行实验。
要想探究电阻可能与导体的长度有关,则表格空白处应填______mm2;(2)小华设计了如图甲所示电路。
为判断a、b两点间导线电阻的大小,小华应注意观察______的变化,具体指明该方案存在的不足是:______,容易烧坏电流表和电源;(3)小刚设计了如图乙所示电路,该电路中灯泡的作用有哪些?①______,②______;(4)小刚想用图乙的电路进一步验证“在电压相同时,流过导体的电流跟电阻成反比”,于是选用了几个阻值不同的定值电阻分别先后接入a、b两点间。
你认为小刚的方案是否可行?请加以解释?______。
【答案】甲 A、B 0.1 电流表示数的变化若ab间导线电阻太小由灯泡亮度可直观比较阻值大小限流,防止烧毁电流表和电源不可行,ab间的电阻改变时,其两端的电压会改变,不能保证电压相同【解析】【分析】【详解】(1)[1]由表中所给条件知,导线A和C的长度、横截面积相同,导体的材料不同,故可以探究甲同学的猜想。
[2]要探究横截面积与导体电阻大小的关系,就要控制导体的材料、长度相同,横截面积不同,在表格中给的导线中,只有A、B符合条件。
[3]要探究长度与导体电阻大小的关系,就要控制导体的材料、横截面积相同,导体的长度不同,在表格中给的导线中,只有C、D符合条件,故表格空白处应填0.1mm2。
人教版九年级上册物理电压电阻单元测试题(Word版含解析)一、初三物理电压电阻易错压轴题(难)1. 软硬程度不同的铅笔其用途不同例如6B软铅笔用来作画,软硬适中的HB铅笔用来写字,6H硬铅笔用来制图。
已经知逍铅笔芯的电阻大小与其长度、横截而积有关。
小明有5cm和15Cm的6H、HB、6B的铅笔芯若干,用如图所示的方案探究铅笔芯的电阻大小与其硬度是否有关。
(1) 实验中小明通过 ____ 反映铅笔芯电阻的大小。
(2) 应选用 ____ Cm的铅笔芯做实验更好一些(3) 实验中更换不同硬度的铅笔芯,发现灯泡亮度几乎不变可能是铅笔芯的电阻差别比较小:改进的描施是:在电路中串联一个______ O(4) 实验中, ____ 更换不同硬度的铅笔芯时,(选填"需要”或'‘不需要”)保持电源电压不变。
(5) 根据改进后的方案,画出记录数据的装格,表格中要有必要的信息_______【答案】灯泡的亮度15电流表需要【解析】【分析】【详解】⑴⑴当电压一左时,铅笔芯的电阻越大,电路中的电流越小,灯泡越暗,所以可以用灯泡的亮度来反映铅笔芯的电阻大小。
(2) [2]不同硬度的铅笔芯,选用较长的,它们的电阻差别较大,灯泡亮度变化明显,便于观察。
(3) ⑶灯泡亮度几乎不变,说明电流变化不明显,串联一个电流表,可以更准确地反映电流的变化情况。
⑷⑷研究不同硬度铅笔芯的电阻与硬度的关系,应该控制幷它因素相同,所以需要保持电源电压不变。
(5)⑸实验时,要控制铅笔芯长度和横截面积相同,进行多次实验,由于没有电压表,所以不能测岀铅笔芯的电阻值,只能通过电流表示数来比较英电阻大小,所以设汁表格如下:2. 某实验小组探究金属丝电阻大小与横截而积的关系,实验室提供了下列器材:小灯泡、电压表、电流表、电池组、滑动变阻器、刻度尺、开关和导线若干。
(1)为了完成实验,还需要选择什么规格的金属丝。
(2)请你选择合适的器材,设计一个实验方案(电路图配合文字叙述)(3)分析可能出现的实验现象并得出结论【答案】(1)选择材料相同、长度相等,横截而积不同的金属丝若干(2)见解析(3)见解析【解析】【详解】(1)在不考虑温度变化的情况下,影响电阻大小的因素有导体的材料、长度和横截而积。
人教版物理九年级上册电压电阻单元综合测试(Word版含答案)一、初三物理电压电阻易错压轴题(难)1.在“探究串联电路电压特点”的实验中:(1)某次测量时,电压表的示数如图所示,则此时灯L1两端的电压为_____V;(2)某同学在测量了灯L1两端的电压后,断开开关,然后将AE导线的A端松开,接到D接线柱上,测量灯L2两端的电压,这一做法存在的问题是_____;(3)闭合开关S后,发现灯L1发光,L2不发光。
同学们有以下几种猜想:①灯L2灯丝断了;②灯L2的灯座短路;③灯L2也工作,但L2中电流比L1中电流小。
以上猜想中正确有_____(填序号)。
【答案】2.2 电压表的正负接线柱接反②【解析】【分析】【详解】(1)[1]由实物图可知,两灯串联,电压表测L1的电压;电源为两节干电池,则电源电压==U⨯2 1.5V3V根据串联分压的特点可知,灯L1两端的电压不可能大于3V,故图中电压表选择的是0~3V 量程,对应的分度值是0.1V,指针指在2V右面第2个小格上,读数为⨯=2V+0.1V2 2.2V(2)[2]如果将AE导线的A端松开,接到D接线柱上测量灯L2两端的电压,这样电流从电压表的“﹣”接线柱流入,从“+”接线柱流出了,开关闭合后,电压表的指针将反偏,即电压表的正负接线柱接反了,因此这种接法是错误的。
(3)[3]闭合开关S后,发现灯L1发光,L2不发光,则:①若灯L2灯丝断了,电路断路,灯泡L1也不发光,故①错误;②若灯L2的灯座短路,灯L1发光,L2不发光,故②正确;③若灯L2也工作时,由串联电路的电流特点可知,L2中电流和L1中电流相等,故③错误。
综上所述,以上猜想中正确只有②。
2.张峰有一个标准的电压表,它有0~3 V和0~15 V两个量程。
用它测量由两节干电池串联组成的电池组的电压时,接线正确,但他读出的读数是10 V,这显然是错误的。
请你说出他出现错误的原因:_________________。
人教版九年级上册物理电压电阻单元测试卷(word版,含解析)一、初三物理电压电阻易错压轴题(难)1.图甲是安装在木板正面的部分电路,其中a、b、c、d是穿越木板的接线柱,两个灯座的两端分别接在两个接线柱上,安装两个相同的小灯泡L1、L2木板背面的部分接线柱之间有导线相连着,从而使木板正背两面的电路组成一个完整的电路。
闭合开关通电后,两灯都能正常发光。
(1)小明说出了判断两灯是串联还是并联的正确方法:用手将其中一个小灯泡取掉,若另一灯泡仍发光,则说明两灯的连接方式是______________,否则是____________;(2)小丽在电源和开关之间串联接入电流表,闭合开关,两灯亮,电流表示数如图乙所示,可初步判断通过灯L1的电流可能是_________,也可能是_____________。
【答案】并联串联 0.3A 0.15A(顺序可调换)【解析】【分析】【详解】(1)[1][2]用手将其中一个小灯泡取掉,若另一灯泡仍发光,说明两灯泡互不影响,能独立工作,两灯泡是并联关系,否则是串联。
(2)[3][4]电流表示数如图乙所示,电流表的量程是0.6A,每一个小格的示数是0.02A,电流表的读数为0.3A;如果两灯串联,则可判断出通过灯L1的电流是0.3A;如果两灯并联,则通过每一只灯泡的电流为总电流的一半,所以通过灯泡L1的电流也可能是0.15A。
2.张峰有一个标准的电压表,它有0~3 V和0~15 V两个量程。
用它测量由两节干电池串联组成的电池组的电压时,接线正确,但他读出的读数是10 V,这显然是错误的。
请你说出他出现错误的原因:_________________。
实际电压应是_____V。
他接着按照课本要求探究并联电路中电流的关系,他们设计的电路如图所示。
把电流表分别接入到电路中的A、B、C处,测出它们的电流,填入下表:实验次数A处的电流I A B处的电流I B C处的电流I C10.100.120.2220.200.240.4430.400.480.88(1)表格设计存在一个不足之处,是________,通过对上面数据的分析,可以得出是______。
人教版物理九年级上册电压电阻单元测试与练习(word解析版)一、初三物理电压电阻易错压轴题(难)1.阅读下列一段文字,回答问题:我们已经知道导体的电阻是导体本身的一种性质,它的大小与导体的长度、横截面积和材料有关,进一步研究表明,在温度不变时,导体的电阻跟导体的长度成正比,跟导体的横截面积成反比,这个规律叫做电阻定律,用公式表示为LRSρ=,其中R、L、S分别表示导体的电阻、导体的长度和横截面积。
而ρ是反映材料导电性能的物理量,我们把它叫做材料的电阻率。
材料电阻率的大小与什么有关?小红提出如下猜想:猜想1:电阻率与材料的长度有关;猜想2:电阻率与材料的横截面积有关;猜想3:电阻率与材料的种类有关。
于是小红找来不同规格的导线进行测量,实验数据见下表:(1)写出电阻率ρ在国际单位制中的单位是_________________。
(2)分析比较实验序号1、2的数据,可以初步确定猜想1是________(正确/错误)的,这种探究问题的方法叫_________________。
(3)分析比较实验序号_________的数据,可以初步确定猜想2是错误的。
(4)分析比较实验序号1、4、5的数据,可得到的初步结论是__________________________。
(5)根据表中的数据,如果要制作一个滑动变阻器,应选用 _________材料作为电阻线圈,这是因为相同规格的这种材料电阻较________(大/小)。
【答案】Ω·m错误控制变量法 1、3 电阻率与导体的材料有关镍铬合金大【解析】【分析】【详解】(1)[1]已知R的单位是Ω、L的单位是m、S的单位是2m,由电阻定律公式LRSρ=。
根据等式两边的单位相等可以知道电阻率ρ在国际单位制中的单位是Ω·m ;(2)[2][3]分析比较实验序号1、2的数据长度不同时电阻率相同,故猜想1是错误的;只允许一个量发生改变,控制其他量不变的实验方法叫控制变量法;(3)[4]分析比较实验序号1、3的数据横截面积不同时,电阻率相同可以确定猜想2是错误的;(4)[5]分析比较实验序号1、4、5的数据,它们的长度、横截面积相同,而材料不同时电阻率不同,可得到的初步结论是电阻率大小与材料的种类有关;(5)[6][7]根据表格可知镍铬合金的电阻率比较大,所以如果要制作一个滑动变阻器,应选用镍铬合金材料作为电阻线圈,这是因为相同规格的这种材料电阻较大。
2.在某次综合实践活动中,晓益利用蓄电池(电压为 24V)、电压表(量程为 0~15V)、校准电阻 R0、滑动变阻器R(最大阻值为100Ω)等器材,设计了一种测定油箱内油量的方案(图甲),选配合适的校准电阻值,能够使油箱装满汽油,滑动变阻器的触片在某一端时,油量表示数为最大值(即电压表示数达到最大值)油箱中的汽油用完,滑动变阻器的触片在另一端时,油量表示数为零(即电压表示数为零)(1)校准电阻除了可以校准表盘,还有什么作用? _________(2)校准电阻的阻值为多少? _________(3)另一个小组的大中同学设计了如图乙所示的电路,请你从能耗的角度分析这种方案的优点.___【答案】见解析见解析见解析【解析】【详解】(1)由题知,电源电压U=24V,电路中若没有校准电阻R0,则R两端电压等于电源电压24V,超过了电压表量程0-15V,会被烧坏,所以校准电阻R0串联在电路中,除了可以校准表盘,还起到分压的作用,能避免电压超过电压表量程而损坏;(2)当油箱装满汽油,由图甲知,滑片在下端,此时变阻器连入阻值最大,电压表示数达到最大值15V,所以电路中电流:I=I 0=IR =150.15100R U V A R ==Ω=0.15A , 所以R 0的阻值:R 0=0002415600.15R U U U V V I I A--===Ω (3)由图乙知,滑动变阻器始终以最大值串联入电路中,电压表示数U V =IR 滑,能反映测量的变化情况,且电路中电阻始终处于最大值,由P=2U R可知电路中功率最小,由W=Pt 可知,同样时间内电路消耗的电能最少,所以乙图的电路设计可以节能.3.某物理兴趣小组学习了导体电阻的知识后,对食盐水溶液的导电性能与什么因素有关提出了以下猜想:① 食盐水溶液的导电性能与溶液的浓度有关② 食盐水溶液的导电性能与溶液的质量有关③ 食盐水溶液的导电性能与溶液中两点间的距离有关为了验证猜想,他们设计了如图所示的装置,将电路中的a 、b 两金属片分别插入如图甲、乙、丙、丁溶液中所示的位置(金属片a 、b 每次插入溶液中的深度都相同)进行探究:(1)本实验电路中接入电阻R 0的目的是_____________________________;(2)食盐水溶液的导电性能可以由__________________________来判断;(3)将金属片a 、b 分别插入如图甲、乙所示位置可探究猜想_______(选填序号), 为了探究猜想② 应将金属片a 、b 分别插入_________ 两图所示位置;(4)将金属片a 、b 分别插入如图乙、丁所示位置,若I 乙 ≠ I 丁,由此可得到的结论是:________ ;【答案】保护电路 电流表示数的大小(或电流大小) ① 甲、丙 食盐水溶液的导电性能与溶液中两点间的距离有关【解析】【分析】【详解】(1)本实验电路中接入电阻R 0的目的是保护电路,防止电路中电流过大烧坏电流表或者导线;(2)导电性能越好,电路中的电流就越大,所以可以用电流表示数的大小来判断食盐水溶液的导电性能;(3)由图可知甲、乙两个溶液密度明显不一样,所以将金属片a 、b 分别插入甲、乙所示位置时,可以探究猜想:①食盐水溶液的导电性能与溶液的浓度有关;为了探究猜想②,需保证两溶液的浓度一样,溶液中两点间的距离一样,只有溶液的质量不一样,所以应将金属片a、b分别插入甲、丙两图所示位置;(4)图乙、丁只有溶液中两点间的距离不一样,所以得到的结论是食盐水溶液的导电性能与溶液中两点间的距离有关.【点睛】本题考查导体导电性的实验探究,利用的方法是控制变量法.4.小刚和小强在组成串并联电路的实验中.(1)在连接电路过程中,开关应该是__________的.(2)小刚连接了如图所示电路,如果合上开关,两个灯泡都将__________ (选“发光””不发光”),出现__________现象.(3)小刚想将电路全部拆散,重新连接.小强认为只需拆除c这一根导线,就能成为两灯_______联的正确电路.小强将多余的c导线拆除以后,闭合开关S时,小电灯L1、L2都不亮.用一段导线的两端接触A、B两点时,两灯都不亮;接触C、D两点时,两灯也不亮;接触E、F两点时,只有灯L1亮.对此,下列判断中正确的是__________ (A.灯L1开路B.灯L2开路C.开关S开路D.灯L2短路)(4)小强认为,在小刚连接的电路中,如果将某根导线的一端移接到另一位置,电路就能成为两灯并联的正确电路了.请在图中要移接的导线上打上“×”号,并画出改动后的导线.(______)【答案】(1)断开(2)不发光,短路(3)串,B(4)【解析】试题分析:(1)在连接电路过程中,开关应该是断开的.(2)闭合开关,电流从电源正极经导线A.开关、导线B.C.e回到电源负极,没有经过任何用电器,造成电源短路,两个灯泡都不发光.(3)拆除导线c,电流经导线A.开关、导线B.灯泡L1、导线D.灯泡L2、导线e回到电源负极,电路只有一条电流的路径,两灯串联.闭合开关S时,小电灯L1、L2都不亮,电路存在断路.用一段导线的两端接触A.B两点时,两灯都不亮;接触C.D两点时,两灯也不亮;说明此两种情况下,电路仍是断路.接触E、F两点时,只有灯L1亮.导线、电源与灯L1构成通路,故障位置是灯L2开路,答案为B.(4)将导线b从D点拆下,接到C点,灯L1、L2并联.考点:电路5.在探究“导体的电阻跟哪些因素有关”的问题时,老师引导同学们做了如下实验:(1)猜想:导体电阻可能与导体材料、横截面积、______、______有关.(2)实验时,同学们用图甲所示的实验装置分别把a、b、c、d四根金属丝接入电路中A、B两点之间,探究情况如下表:选用__________________两根金属丝,可探究导体电阻跟导体横截面积的关系,得到的结论是:______________________________________________________.(3)如图乙所示的实验,可探究导体电阻与_________________的关系.【答案】长度温度a和c当导体的长度、材料、温度相同时,导体的横截面积越小,电阻越大温度【解析】【详解】本题考查电阻的影响因素探究实验.(1)影响电阻大小的因素可以猜想有:材料、长度、横截面积、温度.(2)探究导体电阻跟导体横截面积的关系,必须控制导体的材料、长度相等,横截面积不相等,因此符合条件的有a和c两根电阻丝;比较灯泡的亮度不同,可以得出的结论是:当导体长度、材料、温度相同时,导体横截面积越小,电阻越大.(3)在图乙的实验中,对电阻丝加热,观察灯泡亮度的变化,因此探究的是电阻与温度的关系.6.小希用如图所示电路来探究串联电路的电压特点.(1)在拆接电路时,开关必须________.(2)实验中最好选择规格________(填“相同”或“不同”)的小灯泡.(3)用电压表分别测出A与B、B与C、A与C两点间的电压为U AB、U BC、U AC.经过多次实验,得到的数据记录在下表中.分析实验数据,你可得到串联电路的电压特点是________(用公式表示)(4)小希进行多次实验的主要目的是________(填序号)①寻找普遍规律②减小实验误差【答案】断开不同 U AC= U AB+U BC①【解析】(1)在拆接电路的过程中,为了保护电路,开关必须处于断开状态;(2)实验中最好选择规格不相同的小灯泡,便于发现规律;(3)比较AB间、BC间、AC间的电压值可得:串联电路中总电压等于各部分电路电压之和,即U AC U AB+U BC;(4)进行多次实验的主要目的是发现串联电路中总电压和各部分电路电压之间的关系,从而寻找普遍规律.7.小红和小荣探究“并联电路电流规律”,小红设计的实验电路图如图,实验数据记录如下表.(电路连接及记录的数据都没有错误)(1)小红根据数据得出结论:并联电路干路电流等于各支路电流之和.请你针对小红的实验提出一个改进方法.________(2)实验中,小荣观察到灯泡L1比灯泡L2暗.根据这一现象,小荣做出以下分析:根据P= I2R,P与R成正比.L1比L2暗是因为L1的电阻小于L2的电阻.问:小荣的分析是否正确,并说明理由.________ .(3)小红想用一个电流表、一个阻值已知的电阻R1,测量未知电阻R2的阻值.小红设计的电路如图,闭合S,断开S1时,电流表的读数为I1;同时闭合S、S1时,电流表的读数为I2.若电源的电压不变,则待测电阻R2的阻值表达式为R2 =________ (用已给出的物理量符号表示)【答案】更换不同规格的灯泡,或增加滑动变阻器进行多次实验,测出多组实验数据不正确;因为支路电流不相等,使用公式2P I R=进行分析是错误的.根据2UPR=可知,L1比L2暗,说明R1>R2;1121I RI I-【解析】【分析】【详解】(1)根据一次实验得出一个普遍性的规律是不合理的.应更换不同规格的灯泡进行多次实验,测出多组实验数据;(2)不正确;由表格数据知,并联时支路电流不相等,所以不能用2P I R=进行分析.灯泡L1比灯泡L2暗,说明灯泡L1的实际功率比灯泡L2的实际功率小,并联电路中,12U U=,根据2UPR=可得2URP=,L1比L2暗,说明R1>R2;(3)闭合S,断开S1时,由UIR=可得,电源电压U=I1R1;S、S1都闭合时,电阻R1与R2并联,由并联电路电流特点知,流过电阻R R2的电流221RI I I=-,则电阻R2的阻值表示为:112221RI RURI I I==-.【点睛】研究并联电路电流的实验时,应选择不同的实验器材,避免实验的偶然性,使结果更有说服力、更具普遍性,不能根据一次实验得出实验结论.8.光敏电阻对光照强度十分敏感,它在强光照射下的电阻称为亮电阻,在黑暗环境下的电阻称为暗电阻,两种阻值差异可达1000倍以上,某兴趣小组为了研究光照强度对光敏电阻阻值的影响,他们把一光敏电阻R1与定值电阻R2(R2=1千欧)串联后接在6伏的电源上,电路如图(a)所示,闭合电键,当该光敏电阻处于不同环境下,电压表指针分别位于如图(b)、(c)所示的位置.请根据上述内容,回答下列问题.(1)根据图(a)、(b)、(c)所示信息及相关条件,可得出初步结论:光照强度越强,光敏电阻的阻值越________(选填“大”或“小”),依据是________.(2)关于对光敏电阻的讨论,下列说法中正确的是_____.A.亮电阻与暗电阻的差异越大,光敏电阻的性能越好B.如果暗电阻接近于零,说明该光敏电阻已损坏C.将光敏电阻与灯串联后接入照明电路可实现白天熄灭、夜间发光D.将光敏电阻与灯并联后接入照明电路可实现白天熄灭、夜间发光.【答案】小串联电路中,一个电阻不变,另一个电阻越小,电阻两端电压越小 A,B【解析】(1)根据如图(a)、(b)、(c)所示信息及相关条件,根据串联电路的电压特点,可得出初步结论:光照强度越强,光敏电阻的阻值越小,依据是串联电路中,一个电阻不变,另一个电阻越小,电阻两端电压越小.(2)关于对光敏电阻的讨论,下列说法中:A. 亮电阻与暗电阻的差异越大,光敏电阻的性能越好,该说法正确;B. 光照越暗,光敏电阻的阻值越大,如果暗电阻接近于零,说明该光敏电阻已损坏,该说法正确;C. 将光敏电阻与灯串联后接入照明电路,白天光照强度大,光敏电阻阻值小,则灯白天发光、夜间熄灭,故C说法错误;D. 将光敏电阻与灯并联接入照明电路后,灯白天、夜间都发光,故D错误.9.在探究影响导体电阻大小的因素时,小兵、小红两位同学作出了如下猜想:①导体的电阻与导体的长度有关②导体的电阻与导体的横截面积有关。