48、智能建筑综合布线系统子分部工程检测记录汇总表-001
- 格式:xls
- 大小:46.00 KB
- 文档页数:4
智能建筑分部工程各子分部工程与分项工程相关表一、前言智能建筑作为当今建筑行业的新兴领域,随着科技的发展和人们对生活质量要求的提高,已经成为了未来的发展趋势,各大工程公司也在积极研究和应用智能建筑的技术和理念。
本文主要介绍智能建筑中的分部工程、子分部工程和分项工程,以及它们之间的相关表,以期对智能建筑的建设和维护提供一定的帮助。
二、分部工程智能建筑的分部工程,主要是指建筑安装工程中对物联网、传感器、计算机、通讯等技术的应用。
智能建筑分部工程一般包括以下六个分部:1.软件与硬件设备工程2.通信工程3.系统集成工程4.控制与管理工程5.信息处理工程6.安防监控工程这些分部工程的详细内容可以通过相应的技术规范进行了解。
三、子分部工程智能建筑的子分部工程是分部工程的细分,包括对分部工程中各个功能和技术的详细说明和规范。
智能建筑的子分部工程一般分为以下几个:•软件与硬件设备工程–软件工程–硬件工程–监控系统设计–安全系统设计•通信工程–有线通信工程–无线通信工程–信息安全系统设计•系统集成工程–综合布线工程–智能化配电工程–集中控制系统设计•控制与管理工程–楼宇自控系统设计–程序开发–告警管理系统设计–能源管理系统设计•信息处理工程–信息处理中心工程–数据库管理系统设计–视频监控系统设计•安防监控工程–出入口管理系统设计–环境监测系统设计–照明控制系统设计四、分项工程相关表智能建筑的分项工程相关表是建筑工程中对每一个工程和构件的各项参数记录和管理的表格。
智能建筑的分项工程相关表包括以下几项:1.系统模型表•模型名称•功能说明•参数列表•系统接口定义2.设计参数表•设计数据项•设计参数3.产品数据表•产品型号•生产商名称•技术参数•安装要求4.工程资料表•工程名称•技术资料•安装要求5.维护保养表•设备型号•保养说明•维修记录五、结论本文主要介绍了智能建筑中的分部工程、子分部工程和分项工程,以及它们之间的相关表。
智能建筑分部(子分部)工程验收记录
智能建筑分部(子分部)工程验收记录
编号:07□□
(GB50300-2001)表F.0.1
总监理工程师:
(建设单位项目专业负责人)年月日通信网络系统分部(子分部)工程验收记录
编号:07□0□1
(GB50300-2001)表F.0.1
信息网络系统分部(子分部)工程验收记录
编号:07□0□2
(GB50300-2001)表F.0.1
建筑设备监控系统分部(子分部)工程验收记录
编号:07□0□3
(GB50300-2001)表F.0.1
火灾自动报警及消防联动系统分部(子分部)工程验收记录
编号:07□0□4
(GB50300-2001)表F.0.1
安全防范系统分部(子分部)工程验收记录
编号:07□0□5
(GB50300-2001)表F.0.1
综合布线系统分部(子分部)工程验收记录
编号:07□0□6
(GB50300-2001)表F.0.1
智能化系统集成分部(子分部)工程验收记录
(GB50300-2001)表F.0.1 编号:07□0□7
电源与接地分部(子分部)工程验收记录
(GB50300-2001)表F.0.1 编号:07□0□8
环境分部(子分部)工程验收记录
(GB50300-2001)表F.0.1 编号:07□0□9
住宅(小区)智能化系统分部(子分部)工程验收记录
(GB50300-2001)表F.0.1 编号:07□1□0。
至项目
类别检测项目(内容)
验收规 范条款检测结果记录备注主 控 项 目年 月 日年 月 日一 般 项
目安全性及电磁谦容性
19.0.12
综合评价结论/备注:施工单位检测负责人:
专业监理工程师(建设单位项目专业负责人):停车库(场)管理系统的识别功能、
控制功能、报警功能、出票验票功能
、管理功能和显示功能
19.0.10监控中心管理软件中电子地图显示的
设备位置
19.0.11出入口控制系统的出入目标识读装置
功能、信息处理/控制设备功能、执行
机构功能、报警功能和访客对讲功能
19.0.8电子巡查系统的巡查设置功能、记录
打印功能、管理功能
19.0.9视频安防系统的控制功能、监视功能、显示功能、存储功能、回放功能、
报警联动功能和图像丢失报警功能19.0.6入侵报警系统的入侵报警功能、防破
坏及故障报警功能、记录及显示功能
、系统自检功能、系统报警响应时间、报警复核功能、报警声级、报警优先功能19.0.7合格不合格安全防范综合管理系统的功能19.0.5
检测日期:年 月 日年 月 日
测试计量器具(仪表、仪器)及其附属设备(器具)的名称/型号、规格/量程/分辨精度/出厂编号/制造厂商/其他要素:结果评价施工依据文件名称及编号
质量验收依据文件名称及编号
《智能建筑工程质量验收规范》GB50339-2013与检测(调试)、验收相关的设
计文件(图) /产品技术文件
(图)的名称及编号
单位(子单位)工程名称
施工部位/系统名称及编号
施工单位
项目负责人
智能建筑安全技术防范系统子分部工程检测记录汇总表
GD-C4-6556。
001
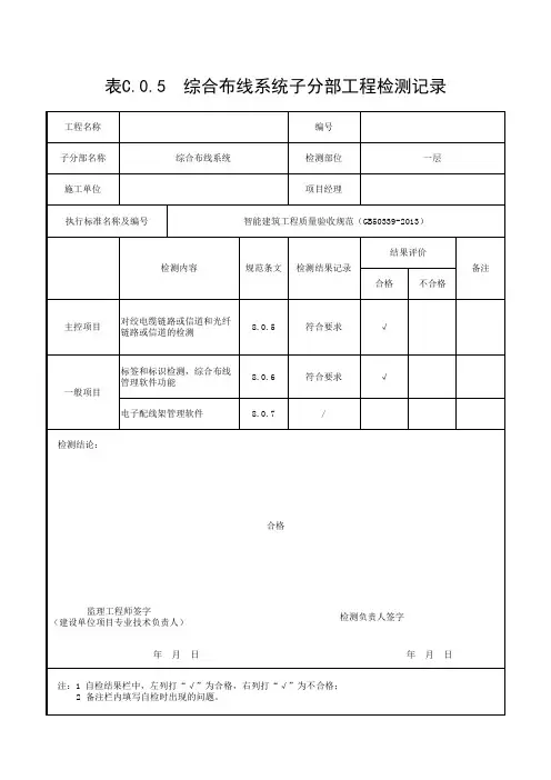
年月年月智能建筑综合布线系统GD-C4-6548单位(子单位)工程名称1
施工部位/系统名称及编
号
施工单位
项目负责人施工依据文件名称及编号
质量验收依据
文件名称及编号
《智能建筑工程质量验收规范》GB50339-2013与检测(调试)、验收相关
的设计文件(图) /产品技
术文件(图)的名称及编号
检测日期:日至日 测试计量器具(仪表、仪器)及其附属设备(器具)的名称/型号、规格/量程/分辨精度/出厂编号/制造厂商/其他要素:
项目
类别检测项目(内容)验收规
范条款检测结果记录结果评价
备注
合格不合格主
控 项 目
对绞电缆链路或信道和光纤链路或信道的
检测
8.0.5一 般
项 目标签和标识检测,综合布线管理软件功能8.0.6电子配线架管理软件8.0.7
综合评价结论/备注:
施工单位检测负责人:专业监理工程师(建设单位项目专业负责人):
年 月 日 年 月 日。