房地产公司设计管理流程图
- 格式:doc
- 大小:94.50 KB
- 文档页数:7
等级: 绝密级流程目录一、人事行政部行政—01 会议管理流程 (04)行政—02专项档案管理流程 (05)行政—03固定资产采购领用管理流程 (06)行政—04 公文管理(发文)流程 (07)行政—05 公文管理(收文)流程 (08)行政—06办公用品采购领用管理流程 (09)行政—07网络信息管理流程 (10)行政—08重要档案借阅管理流程 (11)行政—09 文书档案管理流程 (12)行政—10 秘书日常事务管理流程 (13)人事—01培训计划管理流程 (14)人事—02招聘管理流程 (15)人事—03员工定薪管理流程 (16)人事—04 职位说明书管理流程 (17)人事—05 绩效考核管理流程 (18)人事—06—劳动合同管理流程 (19)二、市场发展部市场—01集团年度经营计划制订流程 (20)市场—02产品定位报告编写流程 (21)市场—03可研分析工作流程 (22)市场—04销售计划管理流程 (23)市场—05销售价格管理流程 (24)市场—06销售工作督察工作流程 (25)市场—07物业销售流程 (26)市场—08市场推广流程 (27)市场—09广告宣传流程 (28)市场—10合同签定流程 (29)市场—11销售优惠管理流程 (30)市场—12销售资料管理流程 (31)市场—13 房屋交付流程 (32)市场—14 客户投诉处理流程 (33)市场—15 信息管理流程 (34)三、资金财务部财务—01费用报销管理流程 (35)财务—02资产购置管理流程 (36)财务—03资产入帐管理流程 (37)财务—04资产调用管理流程 (38)财务—05资产处置管理流程 (39)财务—06资产盘点管理流程 (40)财务—07资金流入管理流程 (41)财务—08资金流出管理流程 (42)四、总工程师办公室工程管理流程编制说明 (43)工程—01方案设计管理流程 (44)工程—02初步设计管理流程 (45)工程—03施工图设计管理流程 (46)工程—04总平面图及室外市政景观综合布线设计管理流程 (47)工程—05开工准备工作管理流程 (48)工程—06施工图会审管理流程 (49)工程—07工程进度与计划管理流程 (50)工程—08 设计变更管理流程 (51)工程—09质量缺陷修补及质量事故处理流程 (52)工程—10基础及主体工程结构验收管理流程 (53)工程—11 单位工程竣工验收管理流程 (54)工程—12技术资料管理流程 (55)工程—13综合验收及工程移交物业管理流程 (56)工程—14 保修期工程维修管理流程 (57)工程—15 材料检验管理流程 (58)五、造价审计部造价—01项目成本计划编制流程 (59)造价—02工程项目总承包招标管理流程 (60)造价—03 监理招标管理流程 (61)造价一04分包工程招标管理流程 (62)造价—05甲供材料与设备采购招标管理流程 (63)造价—06甲定乙供材料与设备定价管理流程 (64)造价—07工程合同管理流程 (65)造价—08费用签证管理流程 (66)造价—09工程款中期支付管理流程 (67)造价—10工程结算支付管理流程 (68)造价—11履约保证金退还管理流程 (69)造价—12造价信息管理流程 (70)造价—13审计工作检查考核管理流程 (71)造价—14审计档案资料管理流程 (72)编号:行政—01第______ 次修改相关部门万科集团有限公司会议管理流程人事行政部编制日期:2009-09-16修改日期:______________相关领导万科集团有限公司专项档案管理流程编号:行政—02 第次修改编制日期:2009-09-16修改日期:相关部门人事行政部相关领导万科集团有限公司固定资产管理流程编号:行政—03第______ 次修改编制日期:2009-09-16修改日期:____________相关部门人事行政部 相关领导相关部门 人事行政部 相关领导万科集团有限公司 公文(发文)管理流程编号:行政—04 第 ______ 次修改编制日期:2009-09-16 修改日期: ____________开始万科集团有限公司公文(收文)管理流程编号:行政—05第______ 次修改编制日期:2009-09-16修改日期:____________ 相关部门人事行政部相关领导万科集团有限公司办公用品采购领用管理流程主管领导批办编号:行政—06第______ 次修改编制日期:2009-09-16修改日期:____________ 人事行政部相关领导相关部门提出米购需求人事行政总监审核万科集团有限公司网络信息管理流程编号:行政—07第______ 次修改编制日期:2009-09-16修改日期:___________ 相关部门人事行政部相关领导月度发稿统计万科集团有限公司重要档案借阅管理流程编号:行政—08第______ 次修改编制日期:2009-09-16修改日期:____________ 相关部门人事行政部相关领导主管领导审核万科集团有限公司文书档案管理流程编号:行政—09第______ 次修改编制日期:2009-09-16修改日期:____________ 相关部门人事行政部相关领导万科集团有限公司秘书日常事务管理流程工作预测编号:行政-10编制日期:2009-09-16第次修改修改日期:相关部门人事行政部相关领导万科集团有限公司总结、归档万科集团有限公司编号:人事—01 第 ______ 次修改相关部门 人事行政部 相关领导培训计划管理流程编制日期:2009-09-16 修改日期: ____________万科集团有限公司招聘管理流程编号:人事02编制日期:2009-09-16第次修改修改日期:相关部门人事行政部相关领导-------------------------------------- 办理入职手续万科集团有限公司员工定薪管理流程编号:人事—03 第次修改编制日期:2009-09-16修改日期:相关部门人事行政部相关领导万科集团有限公司职位说明书管理流程编号:人事—04第______ 次修改编制日期:2009-09-16修改日期:____________ 相关部门人事行政部相关领导万科集团有限公司绩效考核管理流程次修改修改日期:被考核人人事行政部相关领导万科集团有限公司劳动合同管理流程编号:人事—06第______ 次修改编制日期:2009-09-16修改日期:____________万科集团有限公司集团年度经营计划制订流程编号•市场一01 第次修改编制日期:2009-09-16修改日期:相关部门市场发展部相关领导各项目公司制定年度综合计划万科集团有限公司 产品定位报告编写流程编号•市场一 02 第次修改编制日期:2009-09-16 修改日期:相关部门市场发展部/策划公司相关领导(开始)Sr市场发展部/策划公司根据市调报告 等基础资料对项目进行深化研究注:如该项目为策划公司服务代理,则流程责任主体为“策划公司”万科集团有限公司 可研分析工作流程编号:市场-03 第 ______ 次修改资金财务部提供财务数据分析项目公司、总师办按正式 文本编制设计任务书项目总经理审核分管副总裁审核编制日期:2009-09-16 修改日期: ______________相关部门 市场发展部/策划公司 相关领导项目总经理审批注:如该项目为策划公司服务代理,则流程责任主体为“策划公司”万科集团有限公司 销售计划管理流程编号:市场一 04 第 次修改相关部门 项目公司销售部 相关领导编制日期:2009-09-16 修改日期: ______________集团市场发展部分析汇总万科集团有限公司销售价格管理流程编号:市场一05第______ 次修改编制日期:2009-09-16修改日期:____________项目公司销售部/策划公司相关部门相关领导注:如该项目为策划公司服务代理,则流程责任主体为“策划公司”万科集团有限公司销售工作督查工作流程编号:市场—06 第次修改编制日期:修改日期:2009-09-16相关部门市场发展部相关领导项目公司进行整改、处理万科集团有限公司物业销售流程编号:市场—07 第次修改编制日期:2009-09-16修改日期:相关部门项目公司销售部相关领导编号:市场一08 第次修改相关部门项目公司销售部/策划公司相关领导市场推广流程方案调整编制日期:2009-09-16修改日期:_____________结束注:如该项目为策划公司服务代理,则流程责任主体为“策划公司”万科集团有限公司编号:市场- 09第______ 次修改相关部门广告宣传流程项目公司销售部/策划公司编制日期:2009-09-16修改日期:_____________相关领导注:如该项目为策划公司服务代理,则流程责任主体为“策划公司”万科集团有限公司合同签定流程编号:市场一10编制日期:2009-09-16第次修改修改日期:相关部门项目公司/策划公司销售部相关领导注:如该项目为策划公司服务代理,则流程责任主体为“策划公司”万科集团有限公司销售优惠管理流程编号:市场一11第_______ 次修改万科集团有限公司编制日期:2009-09-16修改日期:_____________ 相关部门项目公司销售部相关领导销售资料管理流程编号:市场- 12编制日期:2009-09-16第次修改修改日期:相关部门项目公司销售部相关领导万科集团有限公司房屋交付流程编制日期:2009-09-16编号:市场一13次修改修改日期:相关部门项目公司销售部相关领导万科集团有限公司客户投诉处理流程编号:市场一14编制日期:2009-09-16次修改修改日期:相关部门 项目公司销售部 相关领导相关部门 项目公司销售部 相关领导万科集团有限公司 信息管理流程编号: 市场-15 编制日期:2009-09-16 第次修改修改日期:开始结束万科集团有限公司费用报销管理流程编号. 财务一01编制日期:2009-09-16第次修改修改日期:相关部门资金财务部相关领导万科集团有限公司资产购置管理流程编号:财务一02第_____ 次修改编制日期:2009-09-16修改日期:____________相关部门资金财务部相关领导资产入帐管理流程编号:财务一03编制日期:2009-09-16第_____ 次修改资金财务部修改日期:_____________相关领导相关部门收到供应商到货通知核对发票和申购单并验收不领用领用填写资产领用单万科集团有限公司资产调用管理流程编号:财务一04第_____ 次修改编制日期:2009-09-16修改日期:_____________万科集团有限公司资产处置管理流程编号.财务一05编制日期:2009-09-16第次修改修改日期:相关部门资金财务部相关领导相关部门资金财务部相关领导否万科集团有限公司 资产盘点管理流程编制日期:2009-09-16 修改日期: _____________相关领导编号:财务一06 第 ______ 次修改资金财务部确定盘点流程及人员培训资金流入管理流程编号:财务一07第_______ 次修改编制日期:2009-09-16修改日期:_____________相关部门资金财务部相关领导万科集团有限公司资金流出管理流程编号:财务一08第_____ 次修改相关部门资金财务部相关领导填写用款申请书或借款申请书通过编制日期:2009-09-16修改日期:____________不需要总裁审批万科集团有限公司工程管理流程编制说明:1、在工程一01《方案设计管理流程》中,定位报告由集团市场发展部提供。
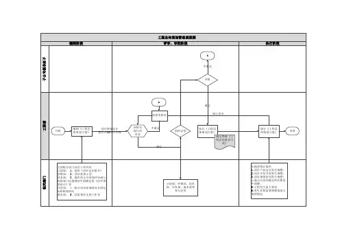
1. 目的
1.1. 为规范公司设计各阶段的操作流程,加强各环节的监控,确保设计质量、进度和控制成本。
2. 适用范围
2.1. 适用于项目从拿地到后续施工及销售过程中的设计配合各阶段、各专业设计管理。
3. 术语和定义
无
2
3
5. 相关文件
1)项目计划管理指引
2)设计供方选择与管理流程
3)设计评审管理指引
4)材料设备选型定板管理指引
5)设计变更管理流程
6)项目后评估管理指引
6. 相关记录
1)宗地自然条件表
2)宗地社会条件表
3)竞争楼盘列表
4)竞争楼盘设计信息表
5)各阶段设计任务书(参考)
6)设计指标套表
7)产品配置标准(参考)
8)销售示范区营销选址要求(参考)
9)项目开发中设计对营销输入内容(模板)7. 流程图(或见pdf 文件)。
工程设计经管规范程序言件设计经管流程图200-xx-xx公布200x-xx-xx 实行地产股份有限企业规划设计中心编制目录流程一工程设计经管程序流程图――――――――――――――――――1流程二设计阶段设计经管流程图――――――――――――――――――2流程三工程观点设计流程图――――――――――――――――――――3流程四制定工程设计任务书流程图―――――――――――――――――4流程五规划设计经管流程图――――――――――――――――――――5流程六户型设计经管流程图――――――――――――――――――――6流程七立面设计经管流程图――――――――――――――――――――7流程八装饰设计经管流程图――――――――――――――――――――8流程九装饰设计阶段设计经管流程图――――――――――――――――9流程十装饰施工阶段设计经管流程图―――――――――――――――10流程十一景园设计经管流程图―――――――――――――――――――11流程十二景园设计阶段设计经管流程图―――――――――――――――12流程十三景园施工阶段设计经管流程图―――――――――――――――13流程十四构造设计经管程序流程图―――――――――――――――――14流程十五机电、水暖专业设计经管程序流程图――――――――――――15流程十六机电、水暖专业·初步设计及施工图设计阶段经管流程图―――16流程十七机电、水暖专业·施工图设计的审察、查收及发图流程图―――17流程十八机电、水暖专业·机电、水暖资料样板选择及确立流程图―――18流程十九机电、水暖专业·施工过程中的设计经管流程图―――――――19流程二十智能化设计经管程序流程图――――――――――――----- ――20流程二一表记系统设计经管程序流程图――――――――――――----- -21流程二二初步设计及施工图设计经管程序流程图―――――――――――22流程二三设计成本控制系统――――――――――――――――------- -23流程二四施工阶段设计经管流程图―――――――――――――――――24流程二五施工现场设计协调及成效控制流程图――――――――――――25流程二六设计更改及工程洽谈经管程序流程图――――――――――――26流程二七设计单位经管程序流程图―――――――――――――――――27流程二八设计合同及设计花费经管程序流程图――――――――――――28流程二九设计图纸经管程序流程图―――――――――――――――――29流程三十资料样板经管程序流程图―――――――――――――――――30流程三一设计后评估流程图――――――――――――――――――――31流程三二工程指令经管流程图―――――――――――――――――――32流程三三工程联系单经管流程图――――――――――――――――――33工程设计经管程序流程图设计阶段设计经管工程设计经管施工阶段设计经管设计单位、设计合同及工设计花费经管程设计设计图纸经管经管程序设计后评估新资料、新技术、新工艺的推行后期跟进专题研究设计阶段设计经管流程图先期策划密度剖析规划设计经管程序户型设计经管程序立面设计经管程序设计装饰设计经管程序阶段设景观设计经管程序计经管构造设计经管程序设施专业设计经管程序智能化设计经管程序幕墙专业设计经管程序标记系统设计经管程序制定设计任务书编制观点设计设计单位观察选定设计招标、回标、评审设计优化、定稿技术方案报制定初步设计任务书初步设计施工图设计单位观察选定初步设计阶段及施工图制定施工图设计任务书扩初图报建设计经管程序施工图设计阶段施工图报建施工阶段设计经管工程观点设计流程图工程观点设计采集整理资料观点规划依据地块经济指标、观点规划设计任务书达成观点规划,针对要点因素、难点进行定性、定量剖析、推论,为市场定位供给技术依照地观点设计创意稿区在市场定位基础上,经过设计市场调公研进行起草,针对性提出工程发展概司念,指导设计任务书的编制评审会观点设计技术方案稿评议规划技术方案回标后,汲取创意,进行再创作,作为指导平面、立面、环、境、装饰等各设计环节的依照评审观点设计实行稿销售前,依据实行状况,对各专业进行系统概括总结,为营销策划供给条件跟从市场定位报告编制工作信件设计发标前起码 5 个工作日上报填报评审表,评审建议规划设计定稿后10 个工作日上报填报评审表,评审建议开盘前起码 1 个月上报填报评审表,评审建议制定工程设计任务书流程图制定工程设计任务书依据基础条件资料、规划设计要点、工程定位报告、观点设计要求进行制定地域企业评审委员会评论、评审设计发标前起码 5 个工作日上报填报评审表,评审建议规划设计中心评审工程设计任务书改正达成工程设计任务书终稿,抄报规划设计中心、地域企业领导、抄送设计单位及有关部门规划设计经管设计师观察采集信息,观察境内外设计单位,填跟从市场定位报告编制工作信件写设计师网络登记规划设计招标设计发标前起码 5 个工招标设计单位观察报告,作日上报填报评审表,评审建议招标技术方案评审规划设计定稿后10 个工组织规划技术方案的招标、中期交流作日上报和评选工作。
工程投资与开发打点工作流程企业经营决策打点流程
年度经营方案编制流程
宏不雅市场阐发预测流程
投资工程评估选择流程
设计打点工作流程图纸设计打点工作流程
设计变动打点工作流程
签证打点工作流程
造价打点工作流程工程预算编制流程
工程施工过程打点流程
采购方案编制工作流程
营销打点工作流程企业营销战略制定流程
工程市场调研打点流程
营销筹划方案制定流程
企业公关活动打点流程
工程发卖方案制订流程
工程发卖工作打点流程
楼盘发卖签约工作流程
客户效劳工作打点流程
客户投诉处置工作流程
客户退房处置工作流程
企业绩效打点流程目标设定工作流程
绩效打点工作流程
物业打点工作流程物业报修打点流程
机电设备检修流程
安然查抄打点流程
保洁工作打点流程
绿化工作打点流程
财政打点工作流程资金打点工作流程
财政审计打点流程
财政融资打点流程
固定资产打点流程
工程款项支付流程
行政人事打点工作流程行政经费控制流程
企业会议打点流程
员工出差打点流程。
目录1.**主业务管理流程 (3)2.公司业务管理流程节点说明 (3)3.**公司决策管理流程 (8)4.**经营决策管理流程说明 (9)5.公司经营计划管理流程 (12)6.公司经营计划管理流程说明 (13)7.**公司合同管理流程 (16)8.**公司合同管理流程节点流程说明 (17)9.项目信息管理流程 (19)10.项目信息管理流程说明 (19)11.**公司企业文化管理流程 (22)12.**公司企业文化管理流程节点说明 (23)13.**公司投资策划管理流程 (26)14.**公司投资策划管理流程节点说明 (27)15.质量管理体系建设流程 (29)16.质量管理体系建设流程图节点说明 (30)17.效果评估流程 (32)18.效果评估管理流程说明 (32)19.投资发展部业务管理流程图 (34)20.投资发展部业务管理流程图节点说明 (35)21.市场部业务管理流程图 (37)22.市场部业务管理流程图节点说明 (38)23.技术部业务管理流程图 (40)24.技术部业务管理流程图节点说明 (41)25.开发部业务管理流程图 (44)26.开发部业务管理流程图节点说明 (44)27.工程部业务管理流程图 (48)28.工程部业务管理流程图节点说明 (49)29.材料设备部业务管理流程 (51)30.材料设备部业务管理流程节点说明 (52)31.销售部业务管理流程图 (56)32.销售部业务管理流程图节点说明 (57)33.审计部业务管理流程图 (60)34.审计部业务管理流程图节点说明 (61)35.质量管理部业务管理流程图 (64)36.质量管理部业务管理流程图节点说明 (65)37.建筑公司业务管理流程图 (67)38.建筑公司业务管理流程图节点说明 (68)**主业务管理流程编号:AY—A—01公司业务管理流程节点说明第一阶段:市场调研和项目立项节点C2,市场调查1.投资发展部根据公司年度经营计划进行市场调查。
房地产公司关键业务流程目录一、人事行政部行政—01 会议管理流程 (04)行政—02专项档案管理流程 (05)行政—03固定资产采购领用管理流程 (06)行政—04 公文管理(发文)流程 (07)行政—05 公文管理(收文)流程 (08)行政—06办公用品采购领用管理流程 (09)行政—07网络信息管理流程 (10)行政—08重要档案借阅管理流程 (11)行政—09 文书档案管理流程 (12)行政—10 秘书日常事务管理流程 (13)人事—01培训计划管理流程 (14)人事—02招聘管理流程 (15)人事—03员工定薪管理流程 (16)人事—04 职位说明书管理流程 (17)人事—05 绩效考核管理流程 (18)人事—06—劳动合同管理流程 (19)二、市场发展部市场—01公司年度经营计划制订流程 (20)市场—02产品定位报告编写流程 (21)市场—03可研分析工作流程 (22)市场—04销售计划管理流程 (23)市场—05销售价格管理流程 (24)市场—06销售工作督察工作流程 (25)市场—07物业销售流程 (26)市场—08市场推广流程 (27)市场—09广告宣传流程28 市场—10合同签定流程29 市场—11销售优惠管理流程30 市场—12销售资料管理流程31 市场—13 房屋交付流程32 市场—14 客户投诉处理流程33 市场—15 信息管理流程34三、资金财务部财务—01费用报销管理流程35 财务—02资产购置管理流程36 财务—03资产入帐管理流程37 财务—04资产调用管理流程38 财务—05资产处置管理流程39 财务—06资产盘点管理流程40 财务—07资金流入管理流程41 财务—08资金流出管理流程42四、总工程师办公室工程管理流程编制说明43 工程—01方案设计管理流程44 工程—02初步设计管理流程45 工程—03施工图设计管理流程46 工程—04总平面图及室外市政景观综合布线设计管理流程47 工程—05开工准备工作管理流程48 工程—06施工图会审管理流程49 工程—07工程进度与计划管理流程50 工程—08 设计变更管理流程51 工程—09质量缺陷修补及质量事故处理流程52 工程—10基础及主体工程结构验收管理流程53 工程—11 单位工程竣工验收管理流程54工程—12技术资料管理流程55工程—13综合验收及工程移交物业管理流程 (56)工程—14保修期内工程维修管理流程 (57)工程—15 材料检验管理流程 (58)五、造价审计部造价—01项目成本计划编制流程 (59)造价—02工程项目总承包招标管理流程 (60)造价—03 监理招标管理流程 (61)造价一04分包工程招标管理流程 (62)造价—05甲供材料与设备采购招标管理流程 (63)造价—06甲定乙供材料与设备定价管理流程 (64)造价—07工程合同管理流程 (65)造价—08费用签证管理流程 (66)造价—09工程款中期支付管理流程 (67)造价—10工程结算支付管理流程 (68)造价—11履约保证金退还管理流程 (69)造价—12造价信息管理流程 (70)造价—13审计工作检查考核管理流程 (71)造价—14审计档案资料管理流程 (72)会议管理流程编号:行政—01 编制日期:2011-05-12第________ 次修改修改日期: ________________ 相关部门人事行政部相关领导承办 纪要发文理流程相关部门 人事行政部相关领导开始 主管领导审核总裁审批固定资产管理流程人事行政部相关领导档案鉴定 011-05-12市场调查询价次修改 相关部门 相关领导编制日期相关领导采购申请 制定年度需求计划 归档、保管行政一04 :行政门拟稿填写审批单 档案销毁清单 编制计划预算编制日期:2011-05-12 修改日期:编制日期:2011-05-12 修改日期:承办、监督开始编号、装订销编制日期 修改日期专项档案管 人事行政总监审核财务总监审核行政—02 次修改 选定供第 第 第 编号 第 米购编号编号 编号 1文书办结1r 收集 行政-03次修改整理、 相关部门 分类开始已审批---------------\ 开始 /1-------------------------- 相关领导会签开始办公用品采购领用管理流程主管领导批办编号:行政—06 第次修改签收、登记、拟办意见*编制日期:2011-05-12修改日期:—人事行政部承办、传达、催办、督办相关领导开始相关部门承办提出米购需求整理反馈信息汇总需求计划人事行政总「、监审核卡财务魄取汇报网络信息,管理流程编号:行政-07 第次修改归档市场调杳询价相关部门人事行政部制计划预算开始编制日期:2011-05-12修改日期:相关领导人事行政总监宙核编号:行政-08 第选定供应商财务总监审核撰稿、编次、相关部门人事行政部相关领导核、报送编制日期:2011-05-12修改日期:/ 、____________^字开始用^■ 10验收网入库布主管领导宙核文书档案管理流程相关部阅单阅月度登稿统计相关领导查阅优秀秘书日常事务理管理流程登记归;编制日期:2011-05-12修改日期:编制日期:2011-05-12修改日期:编号:行第结案编号:行政-10 第次修改相关部门相关领导开女结束理流程编号:人事—01第________ 次修改相关部门人事行政部编制日期:2011-05-12修改日期:______________相关领导员工定薪管理流程编号:人事—03 第________ 次修改相关部门人事行政部编制日期:2011-05-12 修改日期: ______________相关领导职位说开始理流程编号:人事-04 第次修改 根据招聘商定结果编制日期:2011-05-12修改日期:相关部门人事行政部1相关领导填制〈〈员工薪资标准确认表》厶八贝•、 L-L4岗位 岗位层级、初定工资标准、 三金情况[ 岗位类别、主管签字编写或修正职位说明书组织编写及修正编 号员 工人署保密承05欠修改被考核人与相关领导讨论后记录各 季度或年度主要工作内容 及进展情况 记录执 行情况通过人事行政部审核绩效考核管理流程人事行政部实施实施 开始理存档结束年初下发绩效考核手册结束协助指导及检查人力资源总监确认审批修 改日期:「 相关领导与被考核人讨论后记录各 季度或年度主要工作内容 及进展情况绩效辅导,并在考核期间 内为被考1「编号:人事—06第________ 次修改相关部门无法达成共识人事行政部修改日期:______________相关领导延长试用或终止试用、不合格解除劳动合同开始合格终止劳动合同不同意合格合格---------------录用并签订劳合合同不同意辞职/辞退审批同意解除劳动合同终止劳动合同双万协商同意签订并履行劳动合同公司年度经营计划制订流程编号:市场—01第 _______ 次修改编制日期:2011-05-12修改日期: _____________ 相关部门市场发展部相关领导编号•市场一02编制日期:2011-05-12第次修改修改日期:相关部门市场发展部/策划公司相关领导开始项目公司、总师办按正式文本编制设计任务书注:如该项目为策划公司服务代理,则流程责任主体为“策划公司”可研分析工作流程编号:市场—03编制日期:2011-05-12 第 次修改修改日期:相关部门市场发展部/策划公司相关领导销售计划管理流程编制日期:2011-05-12 修改日期: ________________相关领导编号:市场一 04 第 _______ 次修改 相关部门项目公司销售部销售价格管理流程编号:市场一05 第次修改编制日期:2011-05-12修改日期:项目公司销售部/策划公司相关部门相关领导销售工作督查工作流程编号:市场—06 第次修改编制日期:修改日期:2011-05-12 相关部门市场发展部相关领导编号:市场—07第 _______ 次修改编制日期:修改日期:2011-05-12 相关部门项目公司销售部相关领导购买意向 签订预售协议签约通知 逾期未签约签订购房合同 终止协议财务部付款终止合同逾期未付款一次性付款 按揭贷款款项到帐相关部门资料归档合同履行完毕交房结束推广流程编制日期 2011-05-12第 次修改修改日期相关部门相关领导开始项目公司营销部或营销策划公司制 定策划推广方案讨论研究修改定稿总经理审批项目公司编制推广预算项目公司销售部/策划公司编号:市场一 08广告宣传流程编号:市场- 09第________ 次修改相关部门项目公司销售部/策划公司编制日期:2011-05-12修改日期:_______________相关领导注:如该项目为策划公司服务代理,则流程责任主体为“策划公司”合同签定流程编号:市场一10 第次修改编制日期:2011-05-12修改日期:项目公司/策划公司销售部相关部门相关领导销售优惠管理流程编号:市场一11 第 _________ 次修改编制日期:2011-05-12修改日期:______________相关部门项目公司销售部相关领导编号:市场一12编制日期:2011-05-12次修改修改日期:相关部门项目公司销售部相关领导审查未通过或合同协议变更房屋交付流程销售接待,相关资料审验填写〈〈商品房交接书》财务部缴纳各相关费用陪同客户验房填写〈〈房屋交付验收单》物管处签订物管缴费协 议、预缴物管费客户办理水电过户手续物管处领取〈〈产品说明 书〉》〈〈业主手册》、相关图客户投诉处理流程财务部监督、印章管理市场发展部合同抽查专人负责合同等资料领用管理r合冋、协议签订r1合同房管处备案、 部存档1办公室、财务审查通过结束编号:市场- 13次修改相关部门项目公司销售部编制日期:2011-05-12 修改日期: _______________相关领导编号:市场一14编制日期:2011-05-12 次修改修改日期:相关部门项目公司销售部相关领导信息管理流程编号:市场一15编制日期:2011-05-12 次修改修改日期:相关部门项目公司销售部相关领导2011-05-12编号:财务一01第_次修改相关部门资金财务部编制日期:修改日期:相关领导编号:财务一02 第______ 次修改相关部门资金财务部年度预算或资产购买计划提出购买申请、资产采购单部门负责人审核财务部经理审核编制日期:2011-05-12编制日期:2011-05-12 修改日期: ______________ 相关领导总经理审批安排供应商报价或重新报价部门负责人审核总经理审批签订采购合同并实施采购流程编号:财务一03 第 _____ 次修改资金财务部资产调用管理流程编制日期:2011-05-12 修改日期: ______________ 相关领导编号收到财务—货通知开始通过通过不需要需要董事长审批-否通过财务部经理审核过通 不需要需要董事长审批财务入帐结束否编号:财务一05第_次修改相关部门编制日期:修改日期: 相关领导2011-05-12资金财务部编号:财务一06第________ 次修改编制日期:2011-05-12修改日期:_______________ 相关部门资金财务部相关领导编号:财务一07 第2011-05-12资金财务部编制日期:修改日期:相关领导_次修改相关部门资金流出管理流程各分(子)公司总工,有的分(子)公司不设总工,应由分(子)公司 工程部承担流程所规定的职能。
项目投资与开发管理工作流程企业经营决策管理流程
年度经营计划编制流程
宏观市场分析预测流程
投资项目评估选择流程
项目开发前期策划流程
项目前期手续办理流程
项目用地投标管理流程
设计管理工作流程图纸设计管理工作流程
设计变更管理工作流程
签证管理工作流程
造价管理工作流程工程预算编制流程
工程施工过程管理流程
采购计划编制工作流程
营销管理工作流程企业营销战略制定流程
项目市场调研管理流程
营销策划方案制定流程
企业公关活动管理流程
项目销售计划制订流程
目标设定工作流程
物业报修管理流程
机电设备检修流程
安全检查管理流程
保洁工作管理流程
绿化工作管理流程
财务管理工作流程资金管理工作流程
财务审计管理流程
财务融资管理流程
固定资产管理流程
工程款项支付流程
行政人事管理工作流程行政经费控制流程
企业会议管理流程
员工出差管理流程
员工请假管理流程。
1.目的
1.1.为规公司设计各阶段的操作流程,加强各环节的监控,确保设计质量、进度和控制成本。
2.适用围
2.1.适用于项目从拿地到后续施工及销售过程中的设计配合各阶段、各专业设计管理。
3.术语和定义
无
附件1 项目设计负责人的职责权限
附件2 方案阶段营销对设计输入容
5.相关文件
1)项目计划管理指引
2)设计供方选择与管理流程
3)设计评审管理指引
4)材料设备选型定板管理指引
5)设计变更管理流程
6)项目后评估管理指引
6.相关记录
1)宗地自然条件表
2)宗地社会条件表
3)竞争楼盘列表
4)竞争楼盘设计信息表
5)各阶段设计任务书(参考)
6)设计指标套表
7)产品配置标准(参考)
8)销售示区营销选址要求(参考)
9)项目开发中设计对营销输入容(模板)7.流程图(或见pdf文件)。