x9312数字电位器
- 格式:pdf
- 大小:397.34 KB
- 文档页数:6
数字电位器在应用中经常遇到的问题?数字电位器在我国还是近几年出现的新型器件,许多人在实际应用中对其不够了解,从而出现许多疑问,下面就经常出现的三个问题略作探讨。
按钮控制的数字电位器常出现按钮按下次数及输出值与预测值不符。
数字电位器本身能够承受的电流和电压有限,需要扩展。
在实际应用中数字电位器的阻值范围及分辨率不够,需要扩展。
按钮控制数字电位器的防抖动和重复触发问题上面的第一个问题所说按钮控制电位器的按键次数及输出值与预测不符,通常是其中某一档出现了重复触发动作,自然其按键次数和输出电位就会与预测值不符。
出现这种现象的原因常是用了面包板做试验,或是使用了劣质按钮,造成接触不良,线路噪声加剧,或是人为按钮动作不规范引起。
?美国XICOR公司提供的按钮式数字电位器的应用电路,直接用按钮来控制,就会有可能出现这些问题。
X9511/14在其内部集成了40ms 延时的去抖动电路,要求输入控制信号抖动时间短,信号有效时间在40ms~250ms之间,且在此期间不能出现干扰电平。
但是由于实际应用情况不可预测,无法避免输入信号的抖动而造成输出的重复动作(按钮时间超过250ms也会造成输出的重复动作),而这却是许多人所不愿看到的。
为了控制输入信号的抖动和噪声影响,在数字电位器的控制端加上触发器,如图2所示,试验结果使输出稳定性有了较为明显的提高,但仍要求按钮动作干脆利落,且线路无干扰,最终表现在输入信号干净无波动,否则不能避免重复触发。
经过多次改进,图3电路则较好地决了以上问题。
在按钮与控制输入端之间,加上如图3所示由一片与非门电路构成的单稳电路,具有成本低,电路简单,可防止抖动,并不会使输出重复动作的特点。
?图2 加防抖触发器图3中按钮K未动作时,控制端一定为稳定的高电平,一旦按钮按下,A点电位经电容C1通过电阻R1放电,到74HC00的输入低电平门限值,B点即为逻辑高,同时通过F点控制E点电平(D点原为高电平)翻转为低,启动X9511动作,此时由于电容C2电位不会立即变化,使D点保持原高电平不变,电容C2通过R2放电,经过一个暂态时间后到达门电路低电平门限值,使E点恢复高电平。
PFC输出电压的控制及其调节策略研究
引言
由于各种原因的影响,电网中存在着电流谐波,由于电网阻抗的存在,谐波
电流流过电网阻抗,会使负载端电压波形也出现畸变。
此时系统的功率因数小于1,这样会给电网带来污染,同时也会影响超声发生器的输出电压和系统的
正常工作。
因此需要设计特殊电路来对谐波进行抑制,PFC 电路就是其中之一。
PFC 输出的电压一般是恒定的,但是在有些场合些要对输出电压进行调节,;
利用调节输出电压来控制输出功率等等。
因此对PFC 输出电压的控制策略的研
究具有一定的实际意义。
单相PFC 技术
PFC(Power Factor Correction)就是对电流脉冲的高度进行抑制,使电流波
形尽量接近正弦波。
单相PFC 根据采用的具体方法不同可以分为无源功率因数
校正和有源功率因数校正两种。
APFC 电路电压控制方案
APFC 电路利用电阻分压组成的恒定电压反馈网络可以控制输出恒定的电压。
根据这一原理,本文巧妙地利用APFC 电压反馈网络来进行电压控制,即通过
改变电阻分压网络的电阻R2 来调节输出电压。
R2 发生变化使得电压反馈信号
随之变化,电压比较器与电压给定进行比较,比较输出的误差控制PWM 发生
装置,从而调解驱动信号的脉宽,使得输出电压在一定范围内进行线形的调节。
通过这种方式就可以根据实际要求调节逆变器的输入电压。
应用在功率控制的场合时,当负载增大的时候,输出电流瞬时减小,功率随之减小,此时调节R2 使电压上升,那么输出电流也随之上升,直至电压与电流乘积(即输出功率)与给定的参考一致,从而实现了输出功率的调节。
数控电位器X9319X D C P T M一概述11描述Xicor公司的X9319 为数控电位器XDCP该器件包含一个电阻阵列滑动开关一个控制段和非易失性存储器滑动端位置由一个三线接口控制电位器由包含99个电阻单元的电阻阵列和一个滑动开关网络组成在每个电阻单元的两端之间有抽头点可访问滑动终端滑动端的位置由CS U/D和INC输入端控制滑动端的位置可存储在非易失性存储器中在上电的操作中可重新被调用该器件可用作一个三终端的电位器以控制电压或用作一个两终端的可变电阻以控制电流其应用范围非常广泛1 2 特点z固态电位器z三线串行接口z端点电压0V到+10Vz100个滑动抽头点-滑动端的位置存储在非易失性存储器中在上电操作中重新调用z99个电阻单元-温度补偿-点对点电阻范围+ 20%z低功耗CMOS-V CC=5V-工作电流 3m A(最大值)-待机电流 1mA最大值z高可靠性-每位可允许100000次数据擦写-寄存器数据保存期为100年z总电阻值R=10K和50KTOTALz封装-8引脚 SOIC和DIP13应用范围z液晶显示器偏压控制z直流偏压调整z增益和偏移调整z激光二极管偏压控制z电压稳压器输出控制1 4 方框图1 5 引脚配置及说明1引脚配置图2引脚名称控制脚引脚为低时脚可使滑动端上升或下降降引脚降输入脚控制滑动端移动的方向器件被选定为高时4引脚详述z R H 和R LX9319的高端RH和低端R L等效于机械电位器的一个固定端R H 和R L这两个术语只是规定了滑动端的相对位置而滑动端的滑动方向由U/D输入脚选择z R WR W是滑动端等效于机械电位器的可移动端滑动端在电阻阵列中的位置由控制输入脚决定滑动端电阻值通常为40z升/降输入脚 (U/D)升/降输入脚控制滑动端移动的方向以及控制计数器是增加或是减少z增加输入脚INC增加输入脚是负边沿触发触发INC将使滑动端向计数器增加或减少的方向移动移动的方向由U/D 端输入的逻辑电平决定z片选输入脚CS当CS输入脚为低时器件被选中当CS变为高且INC输入端也为高时当前计数器的值被储存在非易失性存储器中当储存操作完成后X9319将处于低功耗的等待方式直到器件再次被选中1 6 订购信息订购号RTOTAL封装工作温度范围X9319WS810k8引脚SOIC0°C至70°CX9319WS8I10k8引脚SOIC–40°C至+85°CX9319WP810k8引脚塑料DIP0°C至70°CX9319WP8I10k8引脚塑料DIP–40°C至+85°CX9319US850k8引脚SOIC0°C至70°CX9319US8I50k8引脚SOIC–40°C至+85°CX9319UP850k8引脚塑料DIP0°C至70°CX9319UP8I50k8引脚塑料DIP–40°C至+85°C二特性2 1 极限参数*工作温度–65°C至+135°C 贮存温度–65°C至+150°C CS INC U/D和V CC的电压相对于V SS–1V至+7V R H R W R L的电压相对于地+12V 引线温度焊接10秒300°C10秒+6mAI*注强度超出所列的极限参数可能导致器件的永久性损坏这些仅仅是极限参数并不意味着在极限条件下或在任何其它超出推荐工作条件所示参数的情况下器件能有效工作延长在极限参数条件下的工作时间会影响器件的可靠性2 2 电位器特性(V CC= 5V ±10%, T A= 工作温度范围内除非另有规定)2 3 直流工作特性(V CC= 5V ±10%, T A= 工作温度范围内除非另有规定)2 4 可擦写次数和数据保存期(V CC= 5V ±10%, T A= 工作温度范围内除非另有规定)参数最小单位最小擦写次数100000每位数据变化数据保存期100年注1绝对线性用于确定滑动端的实际电压与期望电压之差= [V(R)–V(R W(n)(期望))]/MIV(R W(n)(期望)) =W(n)(实际)n(V(R H)-V(R L))/99 + V(R L)其中 n =0至992相对线性用于测量抽头间步距的差= [V(R W(n+1))–(V(R W(n)) – MI)]/MI3 1 Ml =最小增量= [V(R H)–V(R L)]/994典型值是T A= 25°C 且在额定电源电压下的值5由器件特性保证6比例Ratiometric温度系数= (V(R W)T1(n)–V(R W)T2(n))/[V(R W)T1(n)(T1–T2) x 106]其中T1和T2为2 种温度并且n =0至997以抽头位置为31的滑动端测量R L接地使用测试电路2 5 测试的交流条件输入脉冲电平0.8V至2.0V输入上升和下降时间10ns输入参考电平 1.4V测试电路等效电路2 6 交流工作特性(V CC= 5V ±10%, T A= 工作温度范围内除非另有规定)27上电和掉电要求脚上电时或上电前将CS和INC拉高在该时序完为避免不必要的抽头位置改变或意外存储在VCC达到其最终值1毫秒以后数字电位器的数据手成后必须对电位器上电在上电过程中要等到VCC斜率规格总是有效册参数才能完全适用VCC28 交流时序三工作原理3 1 X9319的三个组成部分控制部分非易失性存储器以及电阻阵列控制部分的工作就像一个升/降计数器这个计数器的输出被译码而接通一个单接点的电子开关以便把电阻阵列上的一个点连接到滑动输出端计数器的内容可以存储在非易失性存储器中并保持以便今后使用电阻阵列包含99个独立串联的电阻在电阻阵列的二个端点以及每个电阻之间都有一个电子开关可将该点与滑动端引脚R相连W滑动端就像等效的机械滑动端一样不会移动到超出第一个或末端位置即当计数器达到一个极端时不会循环当滑动端改变抽头位置时器件的电子开关以先接通后断开的方式工作若滑动端移动了几个时间INC到V W变化内连接到滑动端而且器件的R TOTAL值要暂时减少某位置多个抽头即会在tIW一个值当器件被断电最后存储的滑动端位置将被维持在非易失性存储器中电源恢复时存储器中的内容被调用因而滑动端被设置到上一次储存的值3 2 指令和程序INC U/D和CS三个输入端控制滑动端沿着电阻阵列移动只有CS置低器件被才能选中才能对U/D和INC输入端作出响应在INC输入端由高至低的变化将增加或减少这取决于U/D输入端的状态一个7位计数器的值这个计数器的输出被译码进行一百选一的操作使滑动端的位置沿电阻阵列移动只要当CS跳变到为高且INC输入脚也为高时计数器的值即被存储在非易失性存储器中系统可能选中X9319移动滑动端而后又中断选择该器件且并未将最终的滑动端位置储存在非易失性存储器中在滑动端依上述过程移动后一旦达到新的位置系统必须保持INC为低而CS为高则新的滑动端位置将被保持直到被系统改变或一次掉电后再上电周期重新调用以前存储的数据这个程序将允许系统在每次上电时预置一个值储存在非易失性存储器中因而当系统工作时只要进行很小的调整这种调整可以是基于用户的选择由于温度漂移引起的系统参数变化等当CS保持为低时U/D的状态可以被改变这就允许主系统使能器件然后移动滑动端上升或下降直到达到适合的微调为止3 3 模式选择四应用资料电子数控电位器XDCP具备三个有力应用优势1固态电位器的可变性和可靠性2基于计算机数控的灵活性3用于存储多个电位器设置或数据的非易失性存储器的保持性能良好电位器的基本配置三终端电位器可变分压器两终端可变电阻可变电流基本电路图缓冲基准电压串联技艺单电源反相放大器稳压器偏移电压调整具有滞后作用的比较器五封装信息18引脚塑料小型封装S型8引脚SOIC注所有尺寸均以英寸为单位括号中的以毫米为单位28引脚塑料DIP封装条码P8注1所有尺寸均以英寸为单位括号中的以毫米为单位2封装尺寸不包括模型的薄膜声明本资料仅供参考如有不同之处请以英文资料为准。
基于AD9834的多功能函数信号发生器的设计作者:史蕊刘威鹏来源:《电脑知识与技术》2013年第33期摘要:介绍了DDS的原理,并采用ATmega48处理器和DDS芯片AD9834实现了多功能函数信号发生器的软硬件设计。
该信号发生器除能产生正弦波、方波和三角波多种波形外,还具有占空比、振幅程控可调,信号数字调制和扫频等功能,实验表明该设备性能稳定,成本低,失真度低。
关键词:直接频率合成技术(DDS);椭圆滤波器;贝塞尔滤波器;FSK、PSK调制中图分类号:TP311 文献标识码:A 文章编号:1009-3044(2013)33-7606-03在电子,通信,电力系统等多领域的实验和测量中,常需要使用特定波形,特定频率和特定幅值的电信号作为测试输入激励或载波信号等,以完成对电子系统的信号分析、功能测试或信号调制的实现。
函数信号发生器不仅能实现上述功能,还是网络分析仪,频谱仪等高性能仪器的重要组成部分。
因此说函数信号发生器有着广泛的使用范围和重要的研究意义[1-4]。
函数信号发生器又称信号源或振荡器,能产生三角波、方波,正弦波等多种波形。
DDS(直接数字频率合成器)作为一项关键的数字化技术,具有频率切换速度快、频率分辨率高、相位连续变换,稳定度高、集成度高等优点[5]。
该文以Atmega48为处理器结合DDS芯片AD9834设计了性能稳定,精度可靠的多功能函数信号发生器。
1 DDS工作原理DDS技术是从连续信号的相位Φ出发,将一个余弦信号取样、量化、编码,形成一个余弦函数表存储在ROM中。
合成时改变相位增量,由于增量不同,一个周期内的取点数也不同,这样产生的正弦信号的频率也就不同,从而达到频率合成的目的。
本系统采用TI公司的DDS芯片AD9834。
其中它的相位累加器为28位,取其高12位作为读取余弦波形存储器的地址,其最高工作时钟频率为75MHZ,可产生高达30MHZ的波形,其DAC分辨率是10位[6]。
基于单片机的数字电位器设计
人耳对声强的主观感受遵循韦伯定律(Webber's Law),在音量较小时人耳对声波振幅的改变感受灵敏,声音达到一定响度后,人耳的听觉特性开始变得迟钝。
而指数型电位器的阻值变化规律为先慢后快,如果将这种衰减特性用在音量调节中,则恰好可以抵消人耳对音量感知的对数特性,保证主观听感的平滑。
与传统的机械式音量电位器相比,数字电位器(DCP)的阻值调节由内部CMOS开关控制,因而使用寿命长、可靠性高且不会产生机械噪声;如果
将廉价的通用型线性数字电位器直接用于音量调节,在小音量状态下稍微调节电位器即会使输出声压陡然增加,无法保证大动态范围内音量的准确定位,因此目前将数字式电位器运用在成熟功放产品中的实例还不多。
实际上,如果将低分辨率线性数字电位器与通用嵌入式系统结合起来,就能够得到运用于音量控制领域的低成本高分辨率指数式电位器。
总体设计方案
在数字电位器的扩展系统中,主控单元可选用常见的8位或16位成熟单片机。
这里我们主要针对Intersil公司的低分辨率线性数字电位器。
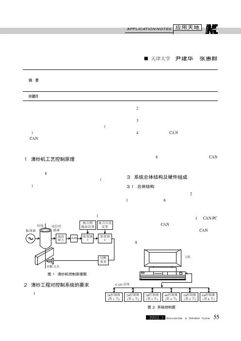
数字电位器X9312在功率调节电路中的应用在科学讨论和工业生产的许多领域中,人们都需要对各类加热炉的内部温度举行监测和控制。
采纳来对它们举行监测控制不仅具有控制便利、容易、灵便等优点,而且可以大幅度提高受控对象的技术指针。
单片机通常是通过输入信道将温度感触到的被控对象当前温度改变为数字量并输入到单片机内,单片机求出输入的当前温度值与设定值的偏差,并按照该偏差举行PID运算,最后按照PID运算的结果,通过功率调整转变给定周期内加热丝的通电时光来实现对温度的控制。
功率调整电路调整功率的实质是利用占空比的调整来转变加热丝的平均功率,囫囵控制系统是一个典型的死循环系统。
功率调整电路是控制系统的执行机构,不仅要求输出功率大,还要求能按照需要对输出功率举行精确的调整,是系统中最关键、最昂贵的组成部分,也经常是故障率最高的部分。
本文采纳Xicor数字电位器X9312和NE组成占空比可调的脉冲,驱动固态实现功率调整的功率调整电路及其单片机控制程序。
该电路用于某型标准恒温油槽中作为自动控制系统的执行机构,取得了抱负效果。
图1 X9312的结构框图
图2 X9312的引脚配置图
图3 NE555组成的占空比可调的脉冲振荡器
图4 带微调数字电位器的调功器
数字电位器X 9312
数字电位器普通用数组和多路开关组合实现电阻值的转变,克服了仿真电位器噪声大、磨损大、怕振动、寿命短的主要缺点。
尤其重要的
第1页共4页。
数字电位器x9313用于液晶背光调节文章来源:北京金创业科技开发中心TEL::001100--6622556688888866 FAX::001100--5511773366330066 Emaaiill::zzff22003355 @226633..nee tt第 1 页共 1 页例9 3 - 用数字电位器控制终端对比度和亮度的例子====================================================================== ======================用数字电位器控制终端对比度时适用如下型号的终端KY-C75_ _ , KY-C104E_ _ , KY-C121K_ _等等说明如下1 ) 应将J 1 1 与终端控制板的J 5 相连.2 ) 数字数字电位器型号: X 93 1 3 Z P - 1 K3) 按动K11 液晶显示对比度将发生变化, 变化的方由K 1 2 是否按下来控制.4)C11,C12 为防抖动设计, 当用单片机的I/O 线代替K 1 1 , K 1 2 时, 应去掉此电容.5) 终端控制板的J5-1,2 端是短路的. 用户也可以在J 1 1 - 2 和J 1 1 - 3 接入两个固定电阻, 以增加控制精度.------------------------------------------------------------------------------------------------- 用数字电位器控制终端亮度时适用所有型号的终端说明如下1 ) 应将J 1 1 与终端控制板的J 1 8 相连.2 ) 数字数字电位器型号: X 93 1 3 Z P - 1 0 K3) 按动K21 液晶显示亮度将发生变化, 变化的方由K22是否按下来控制.4)C21,C22 为防抖动设计, 当用单片机的I/O 线代替K 2 1 , K 2 2 时, 应去掉此电容.5) 终端控制板的J18-1,2 端是短路的. 用户也可以在J 2 1 - 2 和J 2 1 - 3 接入两个固定电阻, 以增加控制精度.23。
摘要本设计以单片机PIC16F877A为核心,由放大电路、滤波电路、显示模块和按键模块组成。
系统通过单片机控制继电器的工作状态,从而实现对放大倍数的调整和高低滤波电路的切换。
同时,单片机还通过对数字电位器X9312输入的控制,达到对电位器输出阻值的控制,进而使截止频率按1KHz步进的变化。
本系统还具有参数设置和显示功能,可通过按键设置输入信号的电压增益和输出信号的截止频率,并由数码管显示。
关键词: 单片机PIC16F877A 数字电位器高通滤波低通滤波1. 系统设计1.1 实现方案本设计采用LF353构成三级反相放大电路,实现压增益最大为60dB,并由单片机控制继电器的工作状态实现增益10dB步进可调。
采用二阶压控低通滤波电路和二阶压控高通滤波电路构成滤波电路,同时由单片机控制继电器的工作状态从而实现对滤波电路的选择。
本设计还采用了数字电位器X9312,通过单片机输入不同的数值,使X9312输出不同的阻值。
由于不同的阻值对应不同的中心频率,设计中使中心频率等于截止频率,通过改变中心频率从而改变截止频率,最终实现截止频率按步进值为1KHz的形式调节。
1.2.1方案比较与论证(1)数字电位器模块X9312为8位数字电位器, 该电位器内部包含了99个电阻单元阵列,其模拟开关由7位二进制数字信号来控制,利用脉冲可调节其电阻值,但其阻值的的变化不是线性变化,而是以一定的步进值变化,若其突然掉电,其值将被保存在内部的寄存器中,最为重要的是电流可以双向流过其内部电阻阵列。
(2)单片机控制模块采用PIC16F877A单片机作为系统控制器。
PIC系列单片机指令系统设计精炼,且具有性能完善、功能强大、开发应用方便以及人机界面友好等突出优点,系统具有更高的性价比。
因此选用它。
(3)放大器模块LF353为两运算放大器,他具有低功耗高速等特点,它的工作电压为—18V~+18V,最主要的特点是它的带宽增益可达4MHz,基于以上的优点LF353可满足设计要求,因此选用它。
内带E2PROM的数字电位器X9315W
冯乙引
【期刊名称】《电子世界》
【年(卷),期】2001(000)003
【摘要】@@数字控制电位器(DCP)是一种可由外部微处理器等来自由设定阻值的可变电阻器。
与机械式电位器不同,它没有可动部分,因而具有优良的耐环境特性。
另外,它可以对电阻值实现自动调整,从而节省了电位器的调整时间。
X9315W是美国Xicor公司最新推出的数字电位器,其总阻值为10kΩ,触点抽头数32个。
X9315W内含E2PROM,即使在电源切断之后,仍然能够记忆所设定的电阻值。
【总页数】1页(P44)
【作者】冯乙引
【作者单位】无
【正文语种】中文
【中图分类】TN7
【相关文献】
1.带运算放大器的数字电位器DS1667 [J], 孟庆兰
2.基于频谱动态分配的带内同频FM数字广播方案 [J], 方伟伟;蔡超时;杨刚;王菲
3.移动电视发展的新选择:标准数字电视网中实现带内移动电视新模式 [J], Yan nick Levy
4.基于PIC12C508和X9315W的智能数字电位器设计 [J], 马涛;来清民
5.带运算放大器的数字电位器DS1667 [J], 方佩敏
因版权原因,仅展示原文概要,查看原文内容请购买。
X9313中文资料9313数字电位器,5位的精度,工作电压3V—5V,9313的阻值是10K,也有1K,50K的。
一,原理图:基本原理图内部工作原理图封装图:二,引脚功能简绍功能 LH 滑动抽头加 L L 滑动抽头减H X 储存抽头的位置H X X 数字电位器工作L X 不储存,电位器正常工作 CS INCD U /电位器的工作过程:1.抽头的加:首先使和分别置0和1,延时后,由1负跳变到0。
2.抽头的减:工作过程和加一样,不同的是将置0。
3.抽头位置的储存:先将置1,延时后,由0正跳变到1。
4.正常工作:将置1,数字电位器正常工作。
三,工作时序的和时间参数如下图: CS D U /INC D U /INC CSCS四,其他参数六,典型电路#include "C8051F340.h"#define unint unsigned int sbit UD=P1^7;sbit INC=P1^5;sbit CS=P1^3;sbit AN_I=P2^3;sbit AN_D=P2^2;sbit LED=P2^7;void delay(unint z){unint x,y;for(x=z;x>0;x--)for(y=100;y>0;y--);}void PCA_Init(){PCA0MD &= ~0x40;PCA0MD = 0x00;}void Port_IO_Init(){XBR1 = 0x40;}void Oscillator_Init() {OSCICN = 0x83; }void Init_Device(void) {PCA_Init();Port_IO_Init();Oscillator_Init();}void main(){Init_Device();while(1){if(AN_I==0){delay(50);if(AN_I==0){while(!AN_I);INC=1;CS=0;UD=1;delay(1);INC=0;LED=~LED;}}if(AN_D==0){delay(50);if(AN_D==0){while(!AN_D);INC=1;CS=0;UD=0;delay(1);INC=0;LED=!LED;}}CS=1;}}。
低成本小功率通用变频器的实现摘要:对一种小型化、低成本的变频调速器及其控制电源作了较详尽的论述。
介绍三相PWM波形产生的过程、驱动电路与主电路的选型。
Abstract:This paper relatively detailed narrated a small-size,low-cost frequen cyconverter and it′s controlling power supply,introduced the forming ofthree-phase PWM wave,the choosing models drive circuit of main circuit.Keywords:PWM,Frequency converter1 引言随着变频调速技术的不断发展,某些原不采用电机调速的领域亦引起人们的重新考虑。
如空调、冰箱等新使用的电机采用单相输入、三相输出的变频调速工作方式以后,较之传统的断续工作方式,可使整机在制冷速度、保温程度、耗电量、噪声指标及寿命等方面均有明显改善。
在设备体积不大,负载电机功率较小的场合,如采用体积大、价格高的通用变频器是不合适的。
而需要一种小型化、成本低的变频调速器。
本文在变频器的设计中采用新的控制方式利用新器件和低价格的通用器件相结合设计方式,很好地实现了这一目标。
2 三相PWM波形的产生对电动机电压空间矢量实施控制,可以得到逼近圆形的磁链轨迹,以减小电机低频的转矩脉动和谐波电流损耗。
习惯上也称磁链(通)轨迹控制法。
这里采用可编程逻辑器件GAL(Generic Array Logic)与少量的通用集成器件实现电压空间矢量控制法,可得到开关频率较高的三相PWM波形,由此驱动的逆变器输出电压有较高的相位对称度。
同时采用变频定宽信号与基本PWM信号综合,实现恒压频比控制,电压、频率同步平滑调节,电路简单,调试方便,成本低廉。
图1给出三相PWM波形的形成电原理框图。
嵌入式常用IC芯片1.电源变换IC芯片7800 三端,固定正电压输出稳压器(块)芯片7900 三端,固定负电压输出稳压器(块)芯片AD580 三端,精密电压基准芯片ADR290/291/292/293 高精度,新型XFET 3端基准电源芯片D14,D24 DC-DC隔离电源模块HV-2405E 50mA,5~24V,AC/DC电源IC芯片HQA-2405E AC/DC电源变换器模块IMP706 低功耗,uP电源监控IC芯片LM117/217/317 3端,可调正电压输出稳压芯片LM137/237/337 3端,可调负电压输出稳压(块)芯片LM138/238/338 3端,大电流,可调正电压输出稳压(块)芯片LM150/250/350 3端,大电流,可调正电压输出稳压(块)芯片LM2930 汽车用3端稳压器芯片LT108X/SP116XX 3端,低电压,输出可调稳压器芯片M5236L/37L 灵活方便,低电压差,3端稳压驱动芯片MAX610 无变压器式,AC/DC电源变换器IC芯片MAX619 输入2V,输出5V,充电泵DC/DC变换器IC芯片MAX629 DC/DC转换芯片MAX638 过低电压检测报警,降压开关型,DC/DC电源变换器IC芯片MAX639 过低电压检测报警,降压开关型,DC/DC电源变换器IC芯片MAX682-685 低电压差,微功耗稳压器芯片MAX706 电压监控芯片MAX813L 看门狗,电压监控芯片MAX889 2MHZ稳压型电荷泵,负电压输出,DC/DC变换器芯片MAX1606 输入5V,输出28V,LCD偏置电源DC/DC芯片MAX1642/1643 输入电压仅为1V的DC/DC变换器芯片MAX1692 1.8V,降压型,微型开关,DC/DC芯片MAX1725/1726 更低功耗,低压差,线性稳压器芯片MAX1742/1842 内含1A开关,1MHz,降压型DC/DC芯片MAX1744/1745 36V输入,10W输出,降压型转换器芯片MAX1730/1759 稳压型,电荷泵,DC/DC芯片MAX1775 双路,降压型,2A以上,DC/DC芯片MAX1832/1833/1834/1835 电池反接保护,升压型DC/DC转换器芯片MAX1864/1865 降压型,DC/DC,5路输出线缆MODEM电源芯片MAX5130+PIC 精确可编程,8000基准电压值,DC/DC发生器芯片MAX6125 微封装,微功耗,微漂移,DC/DC芯片MAX6129 功耗更低,串联型,3端,电压基准芯片MAX6333 监视电压可低至1.6V的新型单片复位IC芯片MAX6821-6825 手动复位,“看门狗”定时器,低功耗,UP监控电路芯片MAX828/829 充电泵,反压型,DC/DC芯片MAX8880/8881 带有电源好2(POWDWR-OK)输出的DC/DC芯片MAX8883 双路,低压差,线性稳压器芯片MC1403 8脚精密电压基准芯片MIC2141 微功耗,升压型,V0可控,DC/DC变换器芯片PS0500-5 500mA,超小型,AC/DC电源变换芯片TOP1xx-2xx 无变压器,5W以上,AC/DC变换式精密开关电源IC芯片TL499AC 可调线型串联稳压器和升压型开关稳压器(合成稳压器)芯片TPS7350 5V固定输出,掉电延时复位,低压差稳压器芯片W431 3端,可调式电压基准芯片YA-S AC/DC电源变换器模块2.数字温度传感器AD526 增益可编程运算放大器芯片AD620 低功耗,高精密度仪器用运放芯片AD623 单电源Rail-Rail仪表运放芯片AD625 增益可编程运算放大器芯片AD626 单电源差分运算放大器芯片AD7416 带IIC接口,10位低功耗数字温度传感器芯片AD8571/8572/8574 0温漂,单电源,运算放大器芯片AD8591/8592/8594 带节能控制端的CMOS,单电源工作,满电源输入输出,运算放大器芯片DS1620 数字式温度传感器IC芯片DS1621 数字式温度传感器IC芯片及恒温控制器IC芯片DS1625 数字温度计和控温器芯片DS1629 2线接口,带有实时时钟的温度传感器芯片DS1820 数字式温度传感器IC芯片ITT2301AF 射频功率放大器芯片LM76 带数字温度传感器,IIC总线接口,12位信号输出,测温芯片LM92 数字式温度传感器芯片MAX54xx 体积更小,256级,数字电位器芯片MAX4265~4270 超低失真,单+5V,300MHz,运算放大器芯片MAX4430/4431/4432/4433 高速(280MHz),高精度,宽频带,单/双运算放大器芯片MAX6627/6628 兼容SPI接口的远端结温检测器芯片MAX6629/6630/6631/6632 微型SOT封装,+-1摄氏度精度的数字温度传感器芯片MAX6657/6658/6659 +-1摄氏度的本地和远端结温检测器芯片OP193/293/493 精密,微功耗,运算放大器芯片OP177 超精密运算放大器芯片OP777 精密,微功耗,单电源,运算放大器芯片MIC91x 高速(100~350MHz)运算放大器芯片X9241 IIC接口,数字电位器(EEPOT)IC芯片X9312 数字电位器IC芯片X9313 数控电位器芯片X9511 PushPOT按钮控制电位器芯片3.电机控制及驱动芯片87C196MC 电机控制专用微处理器芯片CIPH9803 可编程步进电机控制IC芯片FR-Z240-7.5K 变频调速器芯片HEF4752V PWM大规模集成电路芯片IR2110 高压浮动MOSFET,栅极步进电机驱动器IC芯片LM628 直流电机运动控制芯片LM1542 无刷直流电机控制器芯片LMD18200 H桥组件电机驱动芯片MA818 3相PWM,变频调速专用控制器芯片MAX1749 微型直流电机驱动控制芯片MC33033 带温度补偿的直流电机控制器芯片ML4428 无传感器PWM,无刷直流电机控制器芯片MOC30xx 双向晶闸管电机控制驱动器(双向光电耦合器)IC芯片MTE1122 智能型电机驱动运放芯片PA03 大功率(1000w)运放电机驱动芯片PA21/25/26 双功率电机驱动运放芯片PA61 大功率运放电机驱动芯片PA85 高压,高速,大功率,运放驱动芯片PBL3772/PBM3960 高性能步进电机驱动IC芯片组PH2083 多模式步进电机控制器IC芯片PMM8713 步进电机专用控制芯片SA06 脉宽调制运放,电机驱动芯片SA60 脉宽调制型功放芯片SA866 可编程,全数字化,3相PWM,变频调速控制器IC芯片ST6210 通用电机驱动电路(MCU)IC芯片TDA1085C 通用电机速度控制器芯片UCx637XC9536 PWM型直流电机驱动芯片XC9536 步进电机CPLD控制芯片4.数字通信IC芯片及接口5G16C550ACM1330E/1550DACMTX16/ACMRX18ADM101EAM7910Core 01DS14C232C/232TDS26F31DS26C32DS3695/3696/3697/3698DS8921DS8922DS9637DS9638DS14185DS75176DS96172/96174DS96173/96175HT9200AICL232KX50xxLM1893LMx3162M303S/303RM-8888MAX48x/49xMAX202MAX202E/211E/213E/232E/241EMAX214MAX220/232/232AMAX250/251MAX1480A/1480BMAX3080E-3089EMAX3082MAX3100MAX3140MAX3222/3232MAX3224~3227MAX3238E/3248E常用集成电路功能简介型号功能简述1710 视频信号处理集成电路2274 延迟集成电路2800 红外遥控信号接收集成电路4094 移位寄存串入、并出集成电路4260 动态随机存储集成电路4464 存储集成电路4558 双运算放大集成电路5101 天线开关集成电路15105 充电控制集成电路15551 管理卡升压集成电路31085 射频电源集成电路74122 可重触发单稳态集成电路85712 场扫描信号校正处理集成电路85713 行扫描信号校正集成电路0206A 天线开关集成电路03VFG9 发射压控振荡集成电路1021AC 发射压控振荡集成电路1097C 升压集成电路140N 电源取样比较放大集成电路14DN363 伺服控制集成电路1N706 混响延时集成电路20810-F6096 存储集成电路2252B 微处理集成电路24C01ACEA 存储集成电路24C026 存储集成电路24C04 存储集成电路24C64 码片集成电路24LC16B 存储集成电路24LC65 电可改写编程只读存储集成电路27C1000PC-12 存储集成电路27C2000QC-90 存储集成电路27C20T 存储集成电路27C512 电可改写编程只读存储集成电路28BV64 码片集成电路28F004 版本集成电路32D54 电源、音频信号处理集成电路32D75 电源、音频信号处理集成电路32D92 电源中频放大集成电路4066B 电子开关切换集成电路424260SDJ 存储集成电路4270351/91B9905 中频放大集成电路4370341/90M9919 中频处理集成电路4580D 双运算放大集成电路47C1638AN-U337 微处理集成电路47C1638AU-353 微处理集成电路47C432GP 微处理集成电路47C433AN-3888 微处理集成电路49/4CR1A 中频放大集成电路5G052 发光二极管四位显示驱动集成电路5G24 运算放大集成电路5W01 双运算放大集成电路649/CRIA70612 中频放大集成电路673/3CR2A 多模转换集成电路74HC04 逻辑与非门集成电路74HC04D 六反相集成电路74HC123 单稳态集成电路74HC125 端口功能扩展集成电路74HC14N 六反相集成电路74HC157A 多路转换集成电路74HC165 移相寄存集成电路74HC245 总线收发集成电路74HC32 或门四2输入集成电路74HC374八D 触发集成电路74HC573D 存储集成电路74HCT157 多路转换双输入集成电路74HCT4046A 压控振荡集成电路74HCT4538D 单稳态集成电路74HCT4538N 触发脉冲集成电路74HCT86D 异或门四2输入集成电路74HCU04 与非门集成电路74LS125 端口功能扩展集成电路74LS373 锁存集成电路74LS393 计数双四位二进制集成电路74LS74双D 触发集成电路78014DFP 系统控制处理集成电路811N 伴音阻容偏置集成电路83D33 压控振荡集成电路87C52 微处理集成电路87CK38N-3584 微处理集成电路87CK38N-3627 微处理集成电路89C52 系统控制处理集成电路89C55 系统控制处理集成电路93C66 电可改写编程只读存储集成电路93LC56 电可改写编程存储集成电路9821K03 系统控制集成电路A1642P 背景歌声消除集成电路A701 红外遥控信号接收集成电路A7950 场频识别集成电路A8772AN 色差信号延迟处理集成电路A9109 功率放大集成电路AAB 电源集成电路ACA650 色度信号解调集成电路ACFP2 色度、亮度信号分离集成电路ACP2371 多伴音、多语言改善集成电路ACVP2205 色度、亮度信号分离集成电路AD1853 立体声数/模转换集成电路AD1858 音频解调集成电路AD722 视频编码集成电路ADC2300E 音频数/模转换集成电路ADC2300J 音频数/模转换集成电路ADC2310E 音频数/模转换集成电路ADV7172 视频编码集成电路ADV7175A 视频编码集成电路AE31201 频率显示集成电路AJ7080 射频调制集成电路AK4321-VF-E1 音频数/模转换集成电路AN1319 双高速电压比较集成电路AN1358S 双运算放大集成电路AN1393 双运算放大集成电路AN1431T 稳压电源集成电路AN1452 音频前置放大集成电路AN1458S 双运算放大集成电路AN206 伴音中频及前置放大集成电路AN222 自动频率控制集成电路AN236 副载波信号处理集成电路AN239Q 图像、伴音中频放大集成电路AN247P 图像中频放大、AGC控制集成电路AN253P 调频/调幅中频放大集成电路AN262 音频前置放大集成电路AN2661NK 视频信号处理集成电路AN2663K 视频信号处理集成电路AN272 音频功率放大集成电路AN2751FAP 视频信号处理集成电路AN281 色度解码集成电路AN2870FC 多功能控制集成电路AN295 行、场扫描信号处理集成电路AN301 伺服控制集成电路AN305 视频自动增益控制集成电路AN306 色度自动相位控制集成电路AN318 直流伺服控制集成电路AN320 频率控制、调谐显示驱动集成电路AN3215K 视频信号处理集成电路AN3215S 视频信号处理集成电路AN3224K 磁头信号记录放大集成电路AN3248NK 亮度信号记录、重放处理集成电路AN331 视频信号处理集成电路AN3311K 磁头信号放大集成电路AN3313 磁头信号放大集成电路AN3321S 录像重放信号处理集成电路AN3331K 磁头信号处理集成电路AN3337NSB 磁头信号放大集成电路AN3380K 磁头信号处理集成电路AN3386NK 磁头信号处理集成电路AN3495K 色度、亮度信号降噪集成电路AN355 伴音中频放大、检波集成电路AN3581S 视频驱动集成电路AN366 调频/调幅中频放大集成电路AN3791 移位控制集成电路AN3792 磁鼓伺服控制接口集成电路AN3795 主轴伺服控制接口集成电路AN3814K 电机驱动集成电路AN4265 音频功率放大集成电路AN4558 运算放大集成电路AN5010 电子选台集成电路AN5011 电子选台集成电路AN5015K 电子选台集成电路AN5020 红外遥控信号接收集成电路AN5025S 红外遥控信号接收集成电路AN5026K 红外遥控信号接收集成电路AN5031 电调谐控制集成电路AN5034 调谐控制集成电路AN5036 调谐控制集成电路AN5043 调谐控制集成电路AN5071 频段转换集成电路AN5095K 电视信号处理集成电路AN5110 图像中频放大集成电路AN5130 图像中频、视频检波放大集成电路AN5138NK 图像、伴音中频放大集成电路AN5156K 电视信号处理集成电路AN5177NK 图像、伴音中频放大集成电路AN5179K 图像、伴音中频放大集成电路AN5183K 中频信号处理集成电路AN5195K 中频、色度、扫描信号处理集成电路AN5215 伴音信号处理集成电路AN5222 伴音中频放大集成电路AN5250 伴音中频放大、鉴频及功率放大集成电路AN5262 音频前置放大集成电路AN5265 音频功率放大集成电路AN5270 音频功率放大集成电路AN5273 双声道音频功率放大集成电路AN5274 双声道音频功率放大集成电路AN5275 中置、3D放大集成电路AN5285K 双声道前置放大集成电路AN5295NK 音频信号切换集成电路AN5312 视频、色度信号处理集成电路AN5313NK 视频、色度信号处理集成电路AN5342 图像水平轮廓校正集成电路AN5342FB 水平清晰度控制集成电路AN5344FBP 色度信号处理集成电路AN5348K 人工智能信号处理集成电路AN5385K 色差信号放大集成电路AN5410 行、场扫描信号处理集成电路AN5421 同步检测集成电路AN5422 行、场扫描信号处理集成电路AN5512 场扫描输出集成电路AN5515 场扫描输出集成电路AN5520 伴音中频放大及鉴频集成电路AN5521 场扫描输出集成电路AN5532 场扫描输出集成电路AN5534 场扫描输出集成电路AN5551 枕形校正集成电路AN5560 场频识别集成电路AN5600K 中频、亮度、色度及扫描信号处理集成电路AN5601K 视频、色度、同步信号处理集成电路AN5607K 视频、色度、行场扫描信号处理集成电路AN5615 视频信号处理集成电路AN5620X 色度信号处理集成电路AN5621 场扫描输出集成电路AN5625 色度信号处理集成电路AN5633K 色度信号处理集成电路AN5635 色度解码集成电路AN5635NS 色度解码集成电路AN5637 色度解码、亮度延迟集成电路AN5650 同步信号分离集成电路AN5682K 基色电子开关切换集成电路AN5693K 视频、色度、行场扫描信号处理集成电路AN5712 图像中频放大、AGC控制集成电路AN5722 图像中频放大、检波集成电路AN5732 伴音中频放大、鉴频集成电路AN5743 音频功率放大集成电路AN5750 行自动频率控制及振荡集成电路AN5757S 行扫描电源电压控制集成电路AN5762 场扫描振荡、输出集成电路AN5764 光栅水平位置控制集成电路AN5765 电源稳压控制集成电路AN5767 同步信号处理集成电路AN5768 光栅倾斜校正控制集成电路AN5769 行、场会聚控制集成电路AN5790N 行扫描信号处理集成电路AN5791 同步脉冲相位与脉宽调整集成电路AN5803 双声道立体声解调集成电路AN5836 双声道前置放大集成电路AN5858K 视频信号控制集成电路AN5862 视频信号控制集成电路AN5862S-E1 视频信号开关控制集成电路AN5870K 模拟信号切换集成电路AN5891K 音频信号处理集成电路AN614 行枕形校正集成电路AN6210 双声道前置放大集成电路AN6306S 亮度信号处理集成电路AN6308 模拟电子开关集成电路AN6327 视频重放信号处理集成电路AN6341N 伺服控制集成电路AN6342N 基准分频集成电路AN6344 伺服控制集成电路AN6345 分频集成电路AN6346N 磁鼓伺服控制集成电路AN6350 磁鼓伺服控制集成电路AN6357N 主轴接口集成电路AN6361N 色度信号处理集成电路AN6367NK 色度信号处理集成电路AN6371S 自动相位控制集成电路AN6387 电机伺服控制集成电路AN6550 卡拉OK音频放大集成电路AN6554 四运算放大集成电路AN6561 双运算放大集成电路AN6562SG 双运算放大集成电路AN6609N 电机驱动集成电路AN6612 电机稳速控制集成电路AN6650 电机速度控制集成电路AN6651 电机速度控制集成电路AN6652 电机稳速控制集成电路AN6875 发光二极管五位显示驱动集成电路AN6877 发光二极管七位显示驱动集成电路AN6884 发光二极管五位显示驱动集成电路AN6886 发光二极管五位显示驱动集成电路AN6888 发光二极管显示驱动集成电路AN6914 双电压比较集成电路AN7085N5 单片录、放音集成电路AN7105 双声道音频功率放大集成电路AN7106K 双声道音频功率放大集成电路AN7108 单片立体声放音集成电路AN710S 单片放音集成电路AN7110E 音频功率放大集成电路AN7114 音频功率放大集成电路AN7116 音频功率放大集成电路AN7118 双声道音频功率放大集成电路AN7118S 双声道音频功率放大集成电路AN7120 音频功率放大集成电路AN7124 双声道音频功率放大集成电路AN7145 双声道音频功率放大集成电路AN7148 双声道音频功率放大集成电路AN7158N 音频功率放大7.5W×2集成电路AN7161N 音频功率放大集成电路AN7164 双声道音频功率放大集成电路AN7171NK 音频功率放大集成电路AN7205 调频/调谐及高频放大集成电路AN7220 调频/调幅中频放大集成电路AN7222 调频/调幅中频放大集成电路AN7223 调频/调幅中频放大集成电路AN7226 调频/调幅中频放大集成电路AN7256 调频/调谐及中频放大集成电路AN7311 双声道前置放大集成电路AN7312 双声道前置放大集成电路AN7315 双声道前置放大集成电路AN7315S 双声道前置放大集成电路AN7320 音频前置放大集成电路AN7396K 双声道前置放大集成电路AN7397K 双声道前置放大集成电路AN7410 调频立体声多路解码集成电路AN7414 调频立体声解码集成电路AN7420N 调频立体声解码集成电路AN7470 调频立体声解码集成电路AN7805 三端电源稳压+5V/1A集成电路AN7806 三端电源稳压+6V/1A集成电路AN7807 三端电源稳压+7V/1A集成电路AN7808 三端电源稳压+8V/1A集成电路AN7809 电源稳压+9V/1A集成电路AN7810 三端电源稳压+10V/1A集成电路AN7812 三端电源稳压+12V/1A集成电路AN7815 三端电源稳压+15V/1A集成电路AN7818 三端电源稳压+18V/1A集成电路AN7820 三端电源稳压+20V/1A集成电路AN7824 三端电源稳压+24V/1A集成电路AN78L05 三端电源稳压+5V/0.1A集成电路AN78L06 三端电源稳压+6V/0.1A集成电路AN78L08 三端电源稳压+8V/0.1A集成电路AN78L09 三端电源稳压+9V/0.1A集成电路AN78L10 三端电源稳压+10V/0.1A集成电路AN78L12 三端电源稳压+12V/0.1A集成电路AN78L15 三端电源稳压+15V/0.1A集成电路AN78L18 三端电源稳压+18V/0.1A集成电路AN78L20 三端电源稳压+20V/0.1A集成电路AN78L24 三端电源稳压+24V/0.1A集成电路AN78M05 三端电源稳压+5V/0.5A集成电路AN78M06 三端电源稳压+6V/0.5A集成电路AN78M08 三端电源稳压+8V/0.5A集成电路AN78M09 三端电源稳压+9V/0.5A集成电路AN78M10 三端电源稳压+10V/0.5A集成电路AN78M12 三端电源稳压+12V/0.5A集成电路AN78M15 三端固定式稳压+15V/0.5A集成电路AN78M18 三端电源稳压+18V/0.5A集成电路AN78M20 三端电源稳压+20V/0.5A集成电路AN78M24 三端电源稳压+24V/0.5A集成电路AN7905 三端电源稳压-5V/1A集成电路AN7906 三端电源稳压-6V/1A集成电路AN7908T 三端电源稳压-8V/1A集成电路AN7909T 三端电源稳压-9V/1A集成电路AN7910T 三端电源稳压-10V/1A集成电路AN7912 三端电源稳压-12V/1A集成电路AN7915 三端电源稳压-15V/1A集成电路AN7918 三端电源稳压-18V/1A集成电路AN7920 三端电源稳压-20V/1A集成电路AN7924 三端电源稳压-24V/1A集成电路AN79L05 三端电源稳压-5V/0.1A集成电路AN79L06 三端电源稳压-6V/0.1A集成电路AN79L08 三端电源稳压-8V/0.1A集成电路AN79L09 三端电源稳压-9V/0.1A集成电路AN79L10 三端电源稳压-10V/0.1A集成电路AN79L12 三端电源稳压-12V/0.1A集成电路AN79L15 三端电源稳压-15V/0.1A集成电路AN79L18 三端电源稳压-18V/0.1A集成电路AN79L20 三端电源稳压-20V/0.1A集成电路AN79L24 三端电源稳压-24V/0.1A集成电路AN79M05 三端电源稳压-5V/0.5A集成电路AN79M06 三端电源稳压-6V/0.5A集成电路AN79M08 三端电源稳压-8V/0.5A集成电路AN79M09 三端电源稳压-9V/0.5A集成电路AN79M10 三端电源稳压-10V/0.5A集成电路AN79M12 三端电源稳压-12V/0.5A集成电路AN79M15 三端电源稳压-15V/0.5A集成电路AN79M18 三端电源稳压-18V/0.5A集成电路AN79M20 三端电源稳压-20V/0.5A集成电路AN79M24 三端电源稳压-24V/0.5A集成电路AN8028 自激式开关电源控制集成电路AN8270K 主轴电机控制集成电路AN8280 电机驱动集成电路AN8290S 主轴电机驱动集成电路AN8355S 条形码扫描接收集成电路AN8370S 光电伺服控制集成电路AN8373S 射频伺服处理集成电路AN8375S 伺服处理集成电路AN8389S-E1 电机驱动集成电路AN8480NSB 主轴电机驱动集成电路AN8481SB-E1 主轴电机驱动集成电路AN8482SB 主轴电机驱动集成电路AN8623FBQ 主轴伺服处理集成电路AN8788FB 电机驱动集成电路AN8802CE1V 伺服处理集成电路AN8813NSBS 主轴电机驱动集成电路AN8819NFB 伺服驱动、直流交换集成电路AN8824FBQ 前置放大集成电路AN8825NFHQ-V 聚焦、循迹误差处理集成电路AN8831SC 视频预视放集成电路AN8832SB-E1 射频放大、伺服处理集成电路AN8837SB-E1 伺服处理集成电路AN89C2051-24PC 微处理集成电路APU2400U 音频信号处理集成电路APU2470 音频信号处理集成电路AS4C14405-60JC 动态随机存储1M×4集成电路AS4C256K16ED-60JC 存储集成电路ASD0204-015 图文控制集成电路ASD0204GF 显示控制集成电路AT24C08 存储集成电路AT24C08A 存储集成电路AT24C256-10CI 码片集成电路AT27C010 电可改写编程只读存储集成电路AT27C020 存储集成电路ATMEL834 存储集成电路AVM-1 视频信号处理厚膜集成电路AVM-2 音频信号处理厚膜集成电路AVSIBCP08 倍压整流切换集成电路B0011A 存储集成电路B1218 电子快门控制集成电路BA033T 三端电源稳压+3.3V集成电路BA10324 四运算放大集成电路BA10393N 双运算放大集成电路BA1102F 杜比降噪处理集成电路BA1106F 杜比降噪处理集成电路BA12ST 电源稳压集成电路BA1310 调频立体声解码集成电路BA1332L 调频立体声解码集成电路BA1350 调频立体声解码集成电路BA1351 调频立体声解码集成电路BA1360 调频立体声解码集成电路BA15218N 双运算放大集成电路BA225 可触发双单稳态振荡集成电路BA302 音频前置放大集成电路BA311 音频前置放大集成电路BA313 音频前置放大集成电路BA3283 单片放音集成电路BA328F 双声道前置放大集成电路BA329 双声道前置放大集成电路BA3304F 录放音前置均衡放大集成电路BA3306 音频、前置放大集成电路BA3312N 话筒信号前置放大集成电路BA3313L 自动音量控制集成电路BA3314 话筒信号前置放大集成电路BA335 自动选曲集成电路BA336 自动选曲集成电路BA340 音频前置放大集成电路BA3402F 双声道前置放大集成电路BA3404F 自返转放音集成电路BA3416BL 双声道前置放大集成电路BA343 双声道前置放大集成电路BA3503F 双声道前置放大集成电路BA3506 单片放音集成电路BA3513FS 单片放音集成电路BA3516 单片放音集成电路BA3706 自动选曲集成电路BA3707 录音带曲间检测集成电路BA3812L 五频段音调补偿集成电路BA3818F 电压比较运放集成电路BA3822LS 双声道五频段显示均衡集成电路BA3828 电子选台预置集成电路BA3880 音频处理集成电路BA401 调频中频放大集成电路BA402 调频中频放大集成电路BA4110 调频中频放大集成电路BA4234L 调频中频放大集成电路BA4402 调频调谐收音集成电路BA4403 调频高频放大、混频、本振集成电路BA4560 双运算放大集成电路BA5096 数字混响集成电路BA5102A 音频功率放大集成电路BA514 音频功率放大集成电路BA516 音频功率放大集成电路BA5208AF 音频功率放大集成电路BA532 音频功率放大集成电路BA534 音频功率放大集成电路BA5406 双声道音频功率放大集成电路BA547 音频功率放大1.5W集成电路BA5912AFP-YE2 电机驱动、倾斜、加载集成电路BA5981FP-E2 聚焦、循迹驱动集成电路BA5983FB 四通道伺服驱动集成电路BA5983FM-E2 电机驱动集成电路BA6104 发光二极管五位显示驱动集成电路BA6107A 电机伺服控制集成电路BA6109 加载电机驱动集成电路BA6125 发光二极管五位显示驱动集成电路BA6137 发光二极管五位显示驱动集成电路BA6191 音频控制集成电路BA6196FP 伺服驱动集成电路BA6208 电机驱动集成电路BA6208D 电机驱动集成电路BA6209 电机驱动集成电路BA6209N 双向驱动电机集成电路BA6209U 电机双向驱动集成电路BA6218 加载电机驱动集成电路BA6219 电机驱动集成电路BA6219B 电机驱动集成电路BA6227 电机稳速控制集成电路BA6238 电机驱动集成电路BA6239 电机双向驱动集成电路BA6239A 电机双向驱动集成电路BA6246M 加载、转盘电机驱动集成电路BA6248 电机驱动集成电路BA6286 电机驱动集成电路BA6287 电机驱动集成电路BA6290 电机驱动集成电路BA6295AFP-E2 加载、倾斜驱动集成电路BA6296FP 电机速度控制集成电路BA6297AFP 伺服驱动集成电路BA6302A 电机伺服控制集成电路BA6305 控制放大集成电路BA6305F 控制放大集成电路BA6308 电子开关切换集成电路BA6321 电机伺服控制集成电路BA6392 伺服驱动集成电路BA6395 主轴电机驱动集成电路BA6396FP 伺服驱动集成电路BA6411 电机驱动集成电路BA6435S 主轴电机驱动集成电路BA6459P1 电机驱动集成电路BA6570FP-E2 聚焦、循迹驱动集成电路BA6664FM 三相主电机驱动集成电路BA6791FP 四通道伺服驱动集成电路BA6796FP 电机驱动集成电路BA6844AFP-E2 三相主电机驱动集成电路BA6849FP 主轴电机驱动集成电路BA689 发光二极管十二位显示驱动集成电路BA6893KE2 直流变换驱动集成电路BA6956AN 加载电机驱动集成电路BA6993 双运算放大集成电路BA7001 音频切换集成电路BA7004 测试信号发生集成电路BA7005AL 射频调制集成电路BA7007 信号检测集成电路BA7021 视频信号选择集成电路BA7024 视频信号测试集成电路BA7025L 信号检测集成电路BA7042 振荡集成电路BA7047 调频检波集成电路BA7048N 包络信号检测集成电路BA7106LS 检测信号控制集成电路BA7180FS 磁头信号放大集成电路BA7212S 磁头信号放大集成电路BA7253S 磁头信号放大集成电路BA7254S 四磁头信号放大集成电路BA7258AS 亮度信号处理集成电路BA7264S 视频信号处理集成电路BA7274S 磁头信号放大集成电路BA7357S 中频放大集成电路BA7604N 电子开关切换集成电路BA7606F 色差信号切换集成电路BA7655 色度信号处理集成电路BA7665FS-E2 视频输出放大集成电路BA7725FS 混响立体声放大集成电路BA7725S 信号压缩及扩展处理集成电路BA7743FS 磁头信号放大集成电路BA7751ALS 音频信号录放处理集成电路BA7752LS 音频信号处理集成电路BA7755 磁头开关集成电路BA7755AF-E2 磁头开关集成电路BA7765AS 音频信号处理集成电路BA7766SA 音频信号处理集成电路BA7767AS 音频信号处理集成电路BA7797F 音频信号处理集成电路BA8420 特技控制处理集成电路BAL6309 场同步信号发生集成电路BH3866AS 音频、色度信号前置放大集成电路BH4001 微处理集成电路BH7331P 音频功率放大集成电路BH7770KS 音频信号处理集成电路BL3207 亮度延时集成电路BL5132 中频放大集成电路BL54573 电子调频波段转换集成电路BL5612 视频放大、色差矩阵集成电路BM5060 微处理集成电路BM5061 字符发生集成电路BM5069 微处理集成电路BN5115 图像中频放大集成电路BOC31F 单片微处理集成电路BP5020 视频电源转换集成电路BT852 视频编码集成电路BT864 视频编码集成电路BT866PQFP 微处理集成电路BU12102 时序信号发生解码集成电路BU2092F 扩展集成电路BU2185F 同步信号处理集成电路BU2285FV 时钟信号发生集成电路BU2820 伺服控制集成电路BU2841FS 视频、蓝背景信号发生集成电路BU2872AK 操作系统控制、屏显驱动集成电路BU3762AF 红外遥控信号发射集成电路BU4053B 电子开关切换集成电路BU5814F 红外遥控信号发射集成电路BU5994F 红外遥控信号发射集成电路BU6198F 屏幕显示集成电路BU9252F 音频延时集成电路BU9252S 数/模转换集成电路BU9253FS 话筒音频混响集成电路BX1303 音频功率放大集成电路BX1409 红外遥控信号接收集成电路BX7506 主轴电机电源控制集成电路C1363CA 红外遥控电子选台集成电路C1490HA 红外遥控信号接收集成电路C187 分配、十进制计数集成电路C301 译码BCD-10段集成电路C68639Y 微处理集成电路C75P036 微处理集成电路CA0002 调幅模拟声解调集成电路CA2004 音频功率放大集成电路CA2006 音频功率放大集成电路CA270AW 视频检波放大集成电路CA3075 调频中频放大集成电路CA3089 调频中频放大集成电路CA3120E 视频信号处理集成电路CA3140 运算放大集成电路CA810 音频功率放大集成电路CA920 行扫描信号处理集成电路CAS126 天线开关集成电路。
X9312非易失性数字电位器及其应用
赵毅
【期刊名称】《地质装备》
【年(卷),期】2001(002)002
【摘要】本文主要介绍xicor x9312w非易失性数控电位器的功能原理,以及如何实现自动存储功能.最后给出在实际应用中应注意的问题,以及解决方法.
【总页数】3页(P30-32)
【作者】赵毅
【作者单位】国土资源部物化探研究所,河北,廊坊,065000
【正文语种】中文
【中图分类】TM938.49
【相关文献】
1.数字电位器X9312的工作原理及其应用 [J], 王嘉慧;王智慧
2.非易失性数字电位器在汽车音响控制中的应用 [J], 蒋双梅;曹立进;高敦堂
3.E2POT非易失性数字电位器及应用一例 [J], 王政爱;邓仁庚
4.温控型非易失性数字电位器DSl847(8)智能接口的设计与其在测量中的应用 [J], 李绍民;宁海春
5.E^2POT非易失性数字电位器X9312与单片机的接口及应用 [J], 樊斌
因版权原因,仅展示原文概要,查看原文内容请购买。
1.1 9312模块功能及特点
Xicor X9312为8 脚双列直插式封装形式(见图2),是固态非易失性电位器,是理想的数字控制的微调电阻器。
X9312是一个包含有99个电阻单元的电阻阵列。
在每个单元之间和二个端点都有可以被滑动单元访问的抽头点。
滑动单元的位置由、和三个输入端控制。
滑动端的位置可以被储存在一个非易失性存储器中,因而在下一次上电工作时可能被重新调用。
X9312芯片具有以下特点:
●片内含一个七位计数器和一个七位非易失性存储器:
●具有存储和唤醒控制电路;
●一个一百选一解码器,它有100个滑动抽头点,滑动端的位置取决于三线接口,类似于TTL 升/降计数器;
●99个电阻单元,有温度补偿,±20%端点到端点阻值范围,0V至+15V电压范围;
●低功耗CMOS,VCC为3V至5V,工作电流最大3mA,等待电流最大1mA。
X9312引脚说明如下表所示:
X9312方式选择:。