输血病历质量检查
- 格式:docx
- 大小:35.66 KB
- 文档页数:5
临床输血过程质量管理监控及效果评价制度
一、输血质量效果评价
各科室每月对输血进行质量检查督导,对存在的问题及时进行整改,每月对输血质量进行分析评价。
护理部每季度对全院的输血质量进行检查督导,对存在的问题进行汇总、分析、评价,持续改进输血质量。
二、输血中质量管理监控
输血前查对:输血前用药、检查所用的输血器及针头是否在有效期内。
输血时,由两名医护人员携带病历至床旁,核对交叉配血试验结果,由患者或家属复述患者的名字,并核对患者腕带信息,确认患者。
输血完毕,再次核对患者信息。
输血起始速度宜慢,应观察15分钟无不适后再根据患者病情、年龄及输注血液制品的成分调节滴数。
输血过程中要密切观察,注意有无输血反应。
在护理记录单上记录。
三、输血后质量管理监控
输血完毕,医务人员将交叉配血报告单贴在病历中。
填写输血不良反应报告单,24小时内将血袋和输血反应报告单送回输血科统一处理。
输血病历检查标题:输血病历检查引言概述:输血病历检查是医疗机构对输血过程中相关信息的记录和审查。
这是一个重要的环节,旨在确保输血安全和有效。
本文将详细介绍输血病历检查的内容和重要性。
一、输血病历检查的目的1.1 确认患者身份和输血适应症1.2 评估患者输血前的病史和体征1.3 检查患者的实验室检验结果二、输血病历检查的内容2.1 确认患者身份和输血适应症2.1.1 确认患者身份的重要性2.1.2 确认输血适应症的依据2.1.3 确认输血适应症的注意事项2.2 评估患者输血前的病史和体征2.2.1 详细了解患者的病史2.2.2 体格检查的重要性2.2.3 评估患者的输血风险因素2.3 检查患者的实验室检验结果2.3.1 血型和交叉配血的检查2.3.2 检查患者的血红蛋白水平2.3.3 检查患者的凝血功能三、输血病历检查的重要性3.1 防止输血不当引起的不良反应3.2 保证输血的安全性和有效性3.3 提供输血过程的记录和追踪四、输血病历检查的注意事项4.1 确认患者的知情允许4.2 严格执行标准操作规程4.3 定期进行质量控制和质量评估五、总结输血病历检查是确保输血安全和有效的重要环节。
通过确认患者身份和输血适应症、评估患者输血前的病史和体征、检查患者的实验室检验结果,可以预防输血不当引起的不良反应,保证输血的安全性和有效性,并提供输血过程的记录和追踪。
在进行输血病历检查时,需要注意确认患者的知情允许,严格执行标准操作规程,并定期进行质量控制和质量评估。
通过这些措施,我们可以更好地保障患者的健康和生命安全。
输血病历质量检查2015 年 11 月 16 日,医务科对临床科室进行输血病历的检查,具体汇总如下:患者姓经管医科室住院号名师脊柱外科李桂秀239556 李东生普外科万明澎239388 曾睿神经外科张红秀239732 黄盛坤关节外科温门生238196 江小伟护士徐神经内科赖微清239268晖消化内科刘骥239912 幸翔妇产科谢惠兰239518 温会兰存在的问整改措施题原因分析1.手术记 1. 手术记录未记录录中体现患者输血。
患者输2.输血时血。
间短(18分钟)1.手术记 1. 输血后录中出血应写疗效量、输血量评价。
与麻醉记录不符合2.无输血后的疗效评价。
1.输血记 1. 输血记录单护士录单护士未签名要签名。
1.出血量1. 出血量手术记录手术记录应与麻醉与麻醉记记录一录不符合。
致。
2.输血申2. 输血申请单填写请单填写不完整。
完整。
1.输血申 1. 输血申请单未填请单要填写时间。
写完整。
1.无输血 1. 病程记后疗效评录中要体价。
现输血后疗效。
1.输血同 1. 输血同意书家属意书医患及医生未双方签签名字。
2. 无输血 2. 病程后效果评记录中要价体现输血后疗效。
1. 输血前应评估,1. 无输血输血后病前评估及陈荣华239598 温会兰程记录要输血后效体现输血果评价。
后效果评价。
1. 输血申 1. 上级医请单上级师签名。
医师未签 2. 输血同杨三英239382 李燕春名。
意书补2.输血同齐。
意书未写。
1.输血申 1. 上级医呼吸内科请单上级师需审张月生239531 宋金生医师未审核。
核。
1.输血申 1. 上级医请单上级师需审李伟明239618 李燕春医师未审核。
核。
存在问题的科室个数(柱状图)6554432 221 1110存在的问题的科室个数存在问题所占的百分比(饼图)手术记录中未记录患者输血输血时间短6% 6%13%13% 手术记录出血量与麻醉记录不符31%25%6% 无输血后疗效评价输血记录单护士未签字输血申请单填写不完整输血同意书未写或医生及家属未签字由柱状图和饼图可以看出“输血申请单填写不完整”及“无输血后疗效评价”占各临床科室输血病历中存在的问题最多。
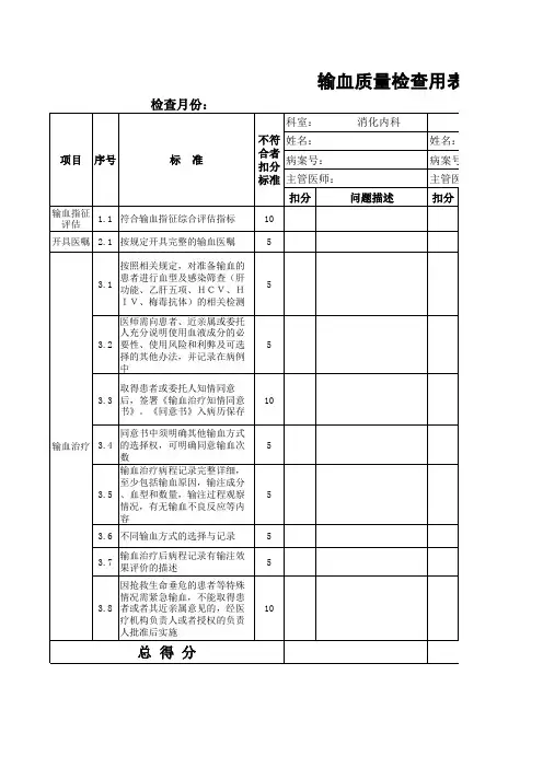
输血病历要求
①输血前检查:应包括血常规、传染病及肝功能检查
②输血医嘱:应包括时间、血型、剂量、种类
③输血病程记录:应包括输血目的、原因、时间、血型、剂量、种类输血过程描述及有无不良反应
④输血知情同意书:项目必须填写齐全,对医生、患者及家属未签字,家属与患者关系未填写清楚,时间未填写,输血前检查结果未填写等均视为不完整
⑤输血过程记录:每输一次血,应填写一次输血过程记录单。
若输血次数与输血过程记录单不相符、记录单中应填写的项目未填写均视为不完整
⑥输血评估评价:准备输血前应填写输血评估输完血后48 h 内应进行疗效评价,内容应按表格要求填写完整
庆阳市中医医院病历输血质量质控表患者姓名:住院号:主管医师:。
芜湖市第*人民医院
第一季度输血病历检查通报
2014年5月15日,医务科组织临床、检验等输血管理委员会专家成员对一季度输血病历质量进行了专项督查。
本次检查共抽取一季度输血病历45份,现将督查情况通报如下:
一、存在问题:
1、除三病区、五病区、六病区以外,其他科室均未填写《输血
不良反应回报单》。
2、首页信息填写不全,部分科室存在首页责任护士未签字现
象。
3、骨科、妇产科、内分泌科、脑外、儿科均存在输血评估、评
价记录表未填写或有缺项。
4、部分科室输血指征不明显,未注明输血原因。
5、输血科未按月统计上报不良反应回报单回报情况。
6、输血前五项检查标本采集时间空白,接受时间与报告时间一
致,存在安全隐患。
二、整改措施
1、针对上述问题,医务科均对各科室进行了一对一反馈,并要
求科室立即整改上交书面整改报告。
2、本次督查发现多数科室未填写《输血不良反应回报单》,医
务科在全院周会上进行了强调,要求各科室严格执行输血管理各项规定,确保输血安全。
3、本次检查中发现部分科室医疗文书书写不规范(如:输血病
程记录要单列书写),需进一步加强病历环节质量督查与管理。
4、本次检查将按照《输血病历考核办法》执行奖惩。
5、输血科加强不良反应回报的统计分析并每月上报医务科。
6、输血科加强与信息科联系,于一周内解决输血前五项检查标
本采集及接收时间的真实性。
医务科
2014年5月19日。
输血病历督导总结【输血病历督导总结报告】输血治疗是临床救治中不可或缺的重要手段,其安全性、有效性和合理性直接关系到患者的生命安全。
为了提高输血病历的质量,确保患者输血安全,我们对近期输血病历进行了督导检查,现将总结报告如下:一、基本情况本次督导检查共涵盖了我院近三个月内完成的输血病历,共计500份。
其中,内科系统病历250份,外科系统病历200份,妇产科病历50份。
二、存在的问题1.输血指征把握不严部分病历中,输血指征掌握不严格,如血红蛋白水平未达到输血标准即进行输血治疗,或输血后未对疗效进行评估。
2.输血前检查不完善部分病历中,输血前检查项目不齐全,如缺少输血前传染病筛查、血型鉴定等。
3.输血记录不规范部分病历中,输血记录不详细,如未记录输血开始和结束时间、输血过程中是否出现不良反应等。
4.输血后观察和评估不到位部分病历中,输血后未对患者进行密切观察,或观察记录不完整,如未记录患者输血后的症状、体征变化等。
5.输血相关并发症处理不及时部分病历中,输血相关并发症处理不及时,如出现输血反应后未立即停止输血、给予相应处理等。
三、整改措施1.加强输血相关知识培训针对存在的问题,组织全院医护人员进行输血相关知识培训,提高医护人员对输血安全重要性的认识,严格掌握输血指征。
2.完善输血前检查要求各科室严格按照规定完成输血前检查,确保输血安全。
3.规范输血记录加强输血记录的规范化管理,要求医护人员详细记录输血过程及输血后观察情况。
4.加强输血后观察和评估要求医护人员对患者进行密切观察,及时评估输血效果,发现异常情况及时处理。
5.提高输血相关并发症的处理能力加强输血反应的识别和处理能力,确保患者输血安全。
四、总结通过本次输血病历督导检查,发现了我院输血病历中存在的一些问题。
针对这些问题,我们将采取有效措施进行整改,不断提高输血病历质量,确保患者输血安全。
输血病历中存在的问题及整改输血的护理措施1.输血前应向患者及家属说明输血的必要性及原因,并说明输血的不良反应及经血传播疾病的可能性,签输血治疗同意书。
无家属签字的无意识患者的紧急输血,应报医院职能部门或主管领导同意、备案、记录病历。
2.造血前查血常规、血型、hbsag、抗hcv抗体、抗hiv抗体及肝功能,核对造血申请书,由主治医师盖章,联同血样、原订造血日期送来血库配血。
3.认真核对科别、患者姓名、性别、年龄、病案号、病室、床号、血型、交叉配血结果、血袋号、采血日期、临床诊断等。
4.造血不良反应报告程序:立即暂停造血,核对不良反应投资回报单,将投资回报单/血袋及余下血液送到造血科,造血科及时向上级部门汇报。
5.输血反应的处理:1)咳嗽反应:发生造血后15分钟后,多于造血后1小时。
发生咳嗽先兆应当减缓造血速度,如果症状发展应当终止造血,口服抗炎组胺药,必要时肌注氯丙嗪或哌替啶25mg。
2)过敏反应:表现为皮肤红斑、搔痒的荨麻疹、发热、关节疼,重症可有血管神经性水肿、喉痉挛、哮喘、过敏性休克。
处置:可以采用抗炎组胺药或肾上腺皮质激素,重症反应者应立即皮下肌注肾上腺素0.5-1mg及抗休克措施。
存有造血过敏反应史的患者可以预先给抗组胺药防治。
3)溶血反应:轻症者发热、血红蛋白尿、一过性轻度黄疸;重症者寒战、高热、呼吸急促、休克并可发生少尿、无尿急性肾功能衰竭。
处置:一旦因有造血后甲状腺反应时,应立即展开以下检查:录入病人及供血者各种记录,将造血前后标本重作abo和rh血型鉴别,圆形抗体甄选及交叉配血实验。
确认甲状腺反应时应立即暂停造血,严格观测病情变化,观测尿色、尿量;对外开放静脉通路,适度补液、碱化尿液,补足血容量,抗休克化疗;发生太少尿、无尿、低血钾等应当按急性肾功能心肌梗塞处置。
6.输血过程中应先慢后快,再根据病情和年龄调整输注速度,若怀疑细菌污染性输血反应,应抽取血袋中血液做细菌学检验;输血过程中严密观察受血者有无输血不良反应,如出现异常情况应及时处理;及时报告上级医师,积极采取治疗抢救措施。
输血病历检查输血病历检查是指对接受输血治疗的患者进行病历审核和检查的过程。
输血是一种常见的医疗治疗方法,但由于输血涉及到外源性血液的输入,因此需要对患者的病历进行详细的检查,以确保输血治疗的安全性和有效性。
病历检查的目的是为了确定患者是否符合接受输血治疗的条件,同时也是为了避免输血相关的并发症和风险。
在进行输血病历检查时,需要从以下几个方面进行详细的审核和检查:1. 患者基本信息:包括患者的姓名、年龄、性别、住院号等基本信息。
这些信息是进行病历审核的基础,确保输血治疗的准确性和有效性。
2. 病史:包括患者的病情描述、主要症状、病程等。
通过病史的审核,可以了解患者的病情发展情况,判断输血治疗的必要性和安全性。
3. 实验室检查结果:包括血液学检查、生化检查、凝血功能检查等。
这些检查结果可以反映患者的血液状态和功能,判断输血治疗的适应症和禁忌症。
4. 输血前评估:包括患者的输血前评估结果、输血前的身体检查等。
输血前评估是为了评估患者的输血风险和并发症风险,从而确定输血治疗的安全性。
5. 输血记录:包括输血的时间、输血的血液成份、输血的剂量等。
输血记录是为了追踪患者的输血治疗过程,确保输血的准确性和完整性。
在进行输血病历检查时,需要严格按照像关规范和标准进行操作。
以下是一些常用的输血病历检查标准:1. 输血适应症和禁忌症的判定标准:根据患者的病情和实验室检查结果,确定输血的适应症和禁忌症。
例如,重度贫血、失血性休克等是输血的适应症,而过敏反应、感染等是输血的禁忌症。
2. 输血前评估的内容和标准:根据相关指南和标准,进行输血前评估,包括患者的身体状况评估、输血前实验室检查等。
评估的内容和标准可以根据不同的疾病和患者情况进行调整。
3. 输血记录的要求和标准:输血记录应包括输血的时间、输血的血液成份、输血的剂量等。
记录应详细完整,确保输血治疗的准确性和追踪性。
4. 输血相关并发症的预防和处理:对于可能发生的输血相关并发症,需要制定相应的预防和处理措施。
输血病历质控整改措施篇一:住院病历的整改措施篇一:住院病历环节质量缺陷的原因及改进措施住院病历环节质量缺陷的原因及改进措施打印病历的质量缺陷与控制病历是记录疾病发生发展过程和病情专柜的重要医疗文件,也是医务人员在诊疗过程中的客观,真实,完整的原始记录和总结;是医疗质量,技术水平和管理水平综合评价的依据,也是解决医疗纠纷,进行医疗事故鉴定的,判断医务人员过错和医疗活动与损害后果之间因果关系的重要证据,近年来,随着军卫一号软件的广泛应用,电子病历的优越性已为广大医务人员所共识。
我院自20XX年实行电子病历书写以来,书写格式统一规范,文字清晰,阅读方便,管理有序,较手工病历优势显而易见。
但随着应用时间的延续,暴露出的缺陷和不足,也不容忽视。
一:电子病历常见质量缺陷及原因分析1. 电子病历常见质量缺陷张冠李戴部分医生过分依赖电子病历及模板,或利用计算机特有的复制,粘贴功能,对病历的复制,往往不能客观地,真实的描述患者的病情变化。
同一病种的病历,几乎是同一个模式,缺乏个例特征,甚至经常出现男女不分,左右混淆,健侧与患侧紊乱甚至张冠李戴等低级错误。
2. 各级医师查房内容雷同在各级医师查房记录尤其是主治医师和主任医师查房记录中,经常应用同一模板,很少有差别,主任医师首次查房的内容常常是首次病程记录的复制。
没有突出重点,没有充分表达主任医师的诊断分析能力。
3. 病历的内在质量不高电子病历的模式化,规范化,统一化确实避免了入院记录中一般项目的漏项,首次病程记录不规范,各级医师查房记录不完整等方面不足,但是病历的内在质量不高,上级医师查房记录常是局限于口号式的“四项原则”,即:疾病诊断依据,鉴别诊断,治疗原则,治疗过程中应注意的问题,多是仅有台头而没有具体内容:例如将鉴别诊断写为“应注意与某种疾病相鉴别”,罗列了数个疾病的诊断名称,未能从患者的症状,体征,实验室检查等方面进行个体化分析,因而没有达到鉴别诊断的效果;有时甚至牛头不对马嘴。
输血病历质量改进PDCA引言输血是一项常见的医疗技术,但输血过程中记录病历的质量对于患者的治疗和后续的医疗决策非常重要。
输血病历的质量直接影响着患者的安全和医疗质量。
因此,为了改进输血病历的质量,PDCA循环是一个行之有效的质量管理方法。
PDCA循环介绍PDCA循环是指Plan-Do-Check-Act循环,也称为质量改进循环。
它是一种基于实践,循序渐进的管理方法,广泛应用于质量管理和过程改进领域。
PDCA循环包括以下四个步骤:1.计划(Plan):明确目标,确定改进方案。
2.执行(Do):根据计划实施改进方案。
3.检查(Check):评估实施结果,与目标进行比较。
4.行动(Act):根据评估结果采取必要行动,进一步改进。
输血病历质量改进PDCA循环实施步骤1. 计划(Plan)在改进输血病历质量之前,需要明确改进的目标和改进方案。
在这个阶段,可以采取以下措施:•分析当前输血病历存在的问题和不足。
•设定改进目标,如减少输血病历错误率、提高病历记录的完整性等。
•制定改进计划,包括具体的改进措施和实施时间表。
2. 执行(Do)在这个阶段,需要根据计划执行改进方案。
可以采取以下措施:•培训医务人员,提高他们对输血病历记录的重视和责任感。
•设立规范的操作流程,明确记录病历的步骤和要求。
•使用电子病历系统,提高记录的准确性和完整性。
•加强沟通和协作,确保各个环节的病历记录及时准确。
3. 检查(Check)在执行改进方案后,需要评估实施结果和达成的目标。
可以采取以下措施:•对改进后的病历记录进行抽样检查,评估改进效果。
•分析抽样检查结果,比较改进前后的差异。
•收集医务人员的反馈意见,了解改进方案的可行性和有效性。
4. 行动(Act)根据评估结果,采取必要的行动进一步改进。
可以采取以下措施:•对检查结果进行和分析,找出问题和不足。
•针对问题和不足,制定改进措施,并制定实施时间表。
•继续培训医务人员,加强对改进措施的宣传和培训。
输血病历督查整改报告一、前言医疗质量安全是医疗机构的生命线,是提高医疗水平、保障患者安全的基石。
输血治疗作为临床常见的治疗手段之一,其病历质量直接关系到患者的安全和医疗质量。
为了进一步提高我院输血病历质量,确保医疗安全,根据《医疗机构输血治疗管理办法》、《医疗机构病历管理规定》等相关法规要求,我院组织开展了输血病历专项督查工作。
现将督查情况及整改报告如下。
二、督查背景根据国家中医药管理局《医疗机构输血治疗管理办法》和《医疗机构病历管理规定》等相关法规要求,医疗机构应当建立健全输血治疗管理制度,加强输血治疗病历管理,确保患者输血治疗安全。
近年来,我院输血病历质量有所提高,但在实际操作过程中,仍存在一些问题,如输血适应症把握不准确、输血前评估不充分、输血过程记录不详细等,这些问题可能导致患者输血治疗风险增加。
为了进一步规范输血治疗行为,提高输血治疗安全性,保障患者权益,医院决定开展输血病历专项督查工作。
三、督查过程本次督查由医务科、质控科、临床科室等部门共同参与,组成督查小组,制定详细的督查方案和评分标准。
督查内容包括输血治疗的适应症、输血前评估、输血过程记录、输血后疗效评价等方面。
通过查阅病历、现场查看、访谈医务人员等方式,对全院各临床科室的输血病历进行全面的检查和评估。
四、督查发现的问题1. 输血适应症把握不准确:部分病历中,输血适应症的选择不符合相关指南和规定,部分患者未进行充分的保守治疗就进行输血。
2. 输血前评估不充分:部分病历中,输血前的风险评估不全面,对患者的血型、过敏史、输血史等关键信息掌握不准确。
3. 输血过程记录不详细:部分病历中,输血过程的记录不完整,缺少输血速度、输血量、输血时间等关键信息。
4. 输血后疗效评价不规范:部分病历中,输血后的疗效评价不符合规范,缺少对患者病情变化的详细记录和分析。
五、整改措施1. 加强输血治疗培训:组织全院医务人员进行输血治疗相关知识培训,提高医务人员对输血治疗的认识,确保输血治疗的适应症选择准确。
输血病历质量检查
2015年11月16日,医务科对临床科室进行输血病历的检查,具体汇总如下:
由柱状图和饼图可以看出“输血申请单填写不完整”及“无输血后疗效评价”占各临床科室输血病历中存在的问题最多。
6%
6%13%25%
6%
31%
13%
存在问题所占的百分比(饼图)
手术记录中未记录患者输血输血时间短
手术记录出血量与麻醉记录不符
无输血后疗效评价输血记录单护士未签字输血申请单填写不完整输血同意书未写或医生及家属未签字
存在的问题总结:
1.输血申请单填写不完整。
2.无输血后疗效评价。
3.手术记录出血量与麻醉记录不符。
4.输血同意书未写或医生及家属未签字。
5.输血记录单护士未签字。
6.输血时间短。
7.手术记录未记录患者输血。