钢筋配料单编制
- 格式:pdf
- 大小:820.57 KB
- 文档页数:21
钢筋配料单总打印版构件名称钢筋编号钢号直径1KZ-1*a23451KZ-22312KZ-334512KZ-3*a34512KZ-434⼯程部位:基础层钢筋简图构件名称:KZ-1*a2 KZ-5312 KZ-6312 KZ-73412 KZ-834123 KZ-945123 KZ-104KZ-113451KZ-122312345678规格数量丝扣类型336反丝合计39 1JL-1接头统计4JL-256789规格数量丝扣类型44反丝44反丝合计161234JL-2规格数量丝扣类型44反丝44反丝合计161JL-32接头统计接头统计123JL-445规格数量丝扣类型123反丝接头统计133反丝合计31123JL-5456规格数量丝扣类型JL-645678规格数量丝扣类型336反丝合计39 123JL-745接头统计接头统计23JL-845678规格数量丝扣类型1212反丝合计24123JL-8456712反丝合计24123JL-84接头统计接头统计678规格数量丝扣类型66反丝合计12 123JL-845678规格数量丝扣类型66反丝合计1212JL-9345123接头统计接头统计45规格数量丝扣类型96反丝合计1512JL-1134514512312JL-133451JL-142 JL-12接头统计2L-131234L-2(变截⾯)567规格数量丝扣类型接头统计3反丝合计312L-3L-4(变⽀座)312L-5312L-631量度差值净长mm下料长度mm单位根数合计根数质量kg备注4440003956832381.44 4430002956832286.08 5040003950416246.4 5030002950416184.8 50244024902812.044 50400039501020308插筋.1 50300029501020231插筋.2 502440249024 6.022箍筋.1 5630102954832465.226插筋.1 5640103954624464.839B边插筋.1 5029902940416184.184H边插筋.1 5039903940624368.676H边插筋.2 50264026902813.031箍筋.1 5630102954816232.613插筋.1 5640103954612232.42B边插筋.1 50299029404892.092H边插筋.1 5039903940612184.338H边插筋.2 502640269024 6.516箍筋.1 5640103954832619.786插筋.1 5630102954832465.226插筋.2 5039903940312184.338H边插筋.1 5029902940312138.138H边插筋.2构件数量:456401039541040774.732插筋.1 56301029541040581.532插筋.2 50272027702819.323箍筋.1 5640103954832619.786插筋.1 5630102954832465.226插筋.2 50264026902813.031箍筋.1 5029902940648552.552插筋.1 504000395010801232插筋.2 5630102954432465.226⾓筋插筋.1 502720277021638.646箍筋.1 5029902940416184.184插筋.1 5040003950832492.8插筋.2 5630102954416232.613⾓筋插筋.1 50272027702819.323箍筋.1 564010395448154.946插筋.1 563010295448116.306插筋.2 44399039462447.561H边插筋.1 44299029462435.641H边插筋.2 501940199024 4.788箍筋.1 5640103954510193.683插筋.1 5630102954510145.383插筋.2 50299029402446.046H边插筋.1 50399039402461.446H边插筋.2 502140219024 5.282箍筋.1 5640103954510193.683插筋.15630102954510145.383插筋.2 44299029462435.641H边插筋.1 44399039462447.561H边插筋.2 502240229024 5.528箍筋.1 5040003950816246.4插筋.1 5030002950816184.8插筋.2 502440249024 6.022箍筋.1805220/8600/6000/6000/8650/6000/8980#VALUE!11122.1421~8轴上部通长筋600/5220#VALUE!22244.2831~8轴上部通长筋9000/9000/9000/9000/9000/3960#VALUE!1143.4761~8轴侧⾯构造通长筋3960/9000/9000/9000/9000/9000#VALUE!1143.4761~8轴侧⾯构造通长筋805220/6000/6000/8600/6000/6000/8800/2820#VALUE!22244.2341~8轴下部通长筋803920/6000/8400/6000/6000/8600/5300/5220#VALUE!11122.1171~8轴下部通长筋5017201770330330224.202第1跨;第2跨;第3跨;第4跨;第5跨;第6跨;第7跨3644040415515526.939第1跨;第2跨;第3跨;第4跨;第5跨;第6跨;第7跨0 0 0 0888720/7930/159#VALUE!22108.71A~D轴上部通长筋8090/9000#VALUE!1115.176A~D轴侧⾯构造通长筋9000/8090#VALUE!1115.176A~D轴侧⾯构造通长筋808980/6000/327#VALUE!2290.155A~D轴下部通长筋802170/8950/712#VALUE!2290.106A~D轴下部通长筋5019201970949471.29第1跨;第2跨;第3跨;第4跨;第5跨5015201570949456.438第1跨;第2跨;第3跨;第4跨;第5跨3654050441418.745第1跨;第2跨;第3跨;第4跨;第5跨0 0 0 0 0 0883290/8950/600#VALUE!22108.71A~D轴上部通长筋9000/8090#VALUE!1115.176A~D轴侧⾯构造通长筋8090/9000#VALUE!1115.176A~D 轴侧⾯构造通长筋808980/6000/327#VALUE!2290.155A~D轴下部通长筋802170/8950/712#VALUE!2290.106A~D轴下部通长筋5019201970949471.29第1跨;第2跨;第3跨;第4跨;第5跨5015201570949456.438第1跨;第2跨;第3跨;第4跨;第5跨3654050441418.745第1跨;第2跨;第3跨;第4跨;第5跨80434042603664.3191~2轴上部筋72434042683652.081~2轴下部通长筋5013201370234623.984第1跨888980/7850/8950/6000/8950/1720#VALUE!22253.0021~8轴上部通长筋881440/8950/5230/7500/6000/4350/8980#VALUE!11126.5011~8轴上部通长筋808720/6000/6000/8400/6000/7320#VALUE!22209.6541~8轴下部通长筋807320/6000/8400/6000/6000/8720#VALUE!11104.8271~8轴下部通长筋5017201770286286194.308第1跨;第2跨;第3跨;第4跨;第5跨;第6跨;第7跨0 0 0 0 0 0885220/8600/6000/6000/8650/6000/8980#VALUE!11147.3611~8轴上部通长筋888980/6000/865#VALUE!22294.7221~8轴上部通长筋3960/9000/9000/9000/9000/9000#VALUE!1143.4761~8轴侧⾯构造通长筋9000/9000/9000/9000/9000/3960#VALUE!1143.4761~8轴侧⾯构造通长筋883920/6000/8400/6000/6000/8670/5230/5220#VALUE!11147.3311~8轴下部通长筋885220/6000/6000/8600/6000/6000/8800/2820#VALUE!22294.6621~8轴下部通长筋3644040415515526.939第1跨;第2跨;第3跨;第4跨;第5跨;第6跨;第7跨0 0 0 0884870/8950/6000/6000/8650/6000/8980#VALUE!11147.3611~8轴上部通长筋888980/6000/8650/6000/6000/8950/4870#VALUE!22294.7221~8轴上部通长筋9000/9000/9000/9000/9000/3960#VALUE!1143.4761~8轴侧⾯构造通长筋3960/9000/9000/9000/9000/9886000/6000/6000/6000/8620/6000/8950/1870#VALUE!22294.6621~8轴下部通长筋881870/8950/6000/8620/6000/6000/6000/6000#VALUE!11147.3311~8轴下部通长筋5017201770332332225.561第1跨;第2跨;第3跨;第4跨;第5跨;第6跨;第7跨;第8跨;第9跨3644040415315326.591第1跨;第2跨;第3跨;第4跨;第5跨;第6跨;第7跨;第8跨;第9跨80624061604461.651C~D轴上部通长筋49604960228.809C~D轴侧⾯构造通长筋72624061684449.92C~D轴下部通长筋5019201970313123.51第1跨;第2跨5015201570313118.612第1跨;第2跨881640/7880/872#VALUE!12108.71A~D轴上部通长筋9000/8040#VALUE!1230.263A~D轴侧⾯构造通长筋8040/9000#VALUE!1230.263A~D 轴侧⾯构造通长筋888980/6000/327#VALUE!24217.54A~D轴下部通长筋883870/8950/542#VALUE!12108.71A~D轴下部通长筋5017201770121242164.415第1跨;第2跨;第3跨364404045410818.77第1跨;第2跨;第3跨881640/7880/872#VALUE!12108.71A~D轴上部通长筋886000/6000/624#VALUE!24217.421A~D轴上部通长筋8040/9000#VALUE!1230.263A~D轴侧⾯构造通长筋9000/8040#VALUE!1230.263A~D轴侧⾯构造通长筋888980/6000/327#VALUE!24217.54A~D轴下部通长筋883870/8950/542#VALUE!12108.71A~D轴下部通长筋5017201770121242164.415第1跨;第2跨;第3跨364404045410818.77第1跨;第2跨;第3跨881640/7880/872#VALUE!1154.355A~D轴上部通长筋886000/6000/624#VALUE!22108.71A~D轴上部通长筋9000/8040#VALUE!1115.132A~D轴侧⾯构造通长筋8040/9000#VALUE!1115.132A~D 轴侧⾯构造通长筋883870/8950/542#VALUE!1154.355A~D轴下部通长筋501720177012112182.207第1跨;第2跨;第3跨3644040454549.385第1跨;第2跨;第3跨881640/7880/872#VALUE!1154.355A~D轴上部通长筋886000/6000/624#VALUE!22108.71A~D轴上部通长筋9000/8040#VALUE!1115.132A~D轴侧⾯构造通长筋8040/9000#VALUE!1115.132A~D 轴侧⾯构造通长筋883870/8950/542#VALUE!1154.355A~D轴下部通长筋888980/6000/327#VALUE!22108.77A~D轴下部通长筋501720177012112182.207第1跨;第2跨;第3跨3644040454549.385第1跨;第2跨;第3跨807040696036104.333<4,D>~<4,D>轴上部筋571057102420.282<4,D>~<4,D>轴侧⾯构造钢筋72704069683684.48<4,D>~ <4,D>轴下部通长筋5017201770469262.505第1跨364404041938 6.604第1跨808980/8950/232#VALUE!22100.0353~6轴上部通长筋802320/8950/898#VALUE!1150.0183~6轴上部通长筋804670/6000/6000/3570#VALUE!2299.9863~6轴下部通长筋。
广西省南宁市心圩中学教学综合楼钢筋下料单编者:审核:兰茗目次1钢筋下料单编制说明 (1)1。
1 参考资料 (1)1.2 基本公式 (1)1.3 钢筋弯曲量度差值 (1)1.4 箍筋增加值 (1)1.5 钢筋概况 (2)1.6 下料单内容 (2)2框架柱下料计算 (2)2.1 KZ1角柱 (2)2。
2 KZ3边柱 (11)2。
3 KZ13中柱 (19)3框架梁下料计算 (27)3.1 标准层KL10框架梁 (27)3.2 标准层KL11框架梁 (32)3.3 顶层屋面W1KL3框架梁 (38)3。
4 顶层屋面W1KL4框架梁 (43)3。
5 标准层LL3连续梁 (48)3.6 顶层屋面W1LL1连续梁 (52)4现浇板下料计算 (55)4.1 标准层B1现浇板 (55)4。
2 标准层B2现浇板 (59)4。
3 标准层B3现浇板 (63)4.4 顶层屋面B1现浇板 (68)4。
5 顶层屋面B2现浇板 (72)4。
6 顶层屋面B3现浇板 (75)4。
7 屋面楼梯板和PTB—1平台板 (80)1钢筋下料单编制说明1.1参考资料(1)中国建筑工业出版社《钢筋快速下料方法与实例》(2)国家建筑标准设计图集(11G101-1)(3)机械工业出版社《建筑施工技术》1.2基本公式钢筋下料长度=外包尺寸一量度差值+弯钩增加长度(箍筋弯钩增加值)1.3钢筋弯曲量度差值表1-1钢筋弯曲量度差值表1.4箍筋增加值表1-2箍筋弯钩量度增加值注:表中括号内数据为有抗震要求时。
1.5钢筋概况本工程钢筋为HPB330(一级钢)、HRB335(二级钢)、HRB345(二级钢)。
因为是C25混凝土采取经验值40mm.梁柱保护层厚度均为25mm。
板的砼保护层厚度均为20mm,板中支座负筋的直钩长度为板厚减去保护层厚度。
当hc-保护层(直锚长度) 〈LaE时,必须弯锚,锚固长度取0。
4Lae+15d。
1.6下料单内容梁钢筋的计算选取标准层框架梁KL10、KL11,连梁选取了顶层屋面框架梁W1KL3、W1KL4、连续梁取了标准层连续梁LL3和顶层屋面连续梁W1LL1.板钢筋的计算选取了标准层现浇板B1、B2、B3和顶层现浇板B1、B2、B3以及屋面楼梯板和平台板。
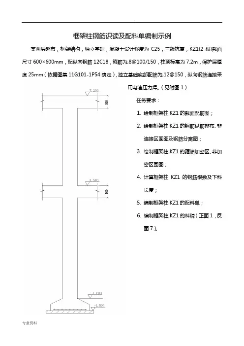
框架柱钢筋识读及配料单编制示例某两层超市,框架结构,独立基础,混凝土设计强度为C25,三级抗震,KZ1(2根)截面尺寸600×600mm,配纵向钢筋12C18,箍筋为,8@100/150,柱顶标高为7.2m,保护层厚度25mm(依据图集11G101-1P54确定),独立基础底部配筋为,12@150,纵向钢筋连接采用电渣压力焊。
(见附图1)任务要求:⒈绘制框架柱KZ1的截面配筋图;⒉绘制框架柱KZ1的钢筋纵筋排布、非连接区围图及钢筋分离图;⒊绘制框架柱KZ1的箍筋加密区、非加密区围图;⒋计算框架柱KZ1的钢筋根数及下料长度;⒌编制框架柱KZ1的配料单;⒍编制框架柱KZ1的料牌(正面1,反面7)。
计算过程:⒈框架柱KZ1的截面配筋图:⒉框架柱KZ1的钢筋纵筋排布、非连接区围图及钢筋分离图:⑴KZ1柱顶钢筋锚固型式确定:(依据图集11G101-1P60确定)梁高-保护层=500-25=475mm受拉钢筋基本锚固长度(依据图集11G101-1P53确定):已知:12C18,三级抗震,设计强度C25查表确定:ζa=1l ae=ζa l abe=ζa×42d=1×42×18=756mm>475mm,因此不能采用直锚锚固因475mm>0.5l abe=378mm,故采用弯锚(A型)锚固(依据图集11G101-1P60)弯钩长度:12d=12×18=216mm纵筋在梁长度:梁高-保护层=500-25=475mm⑵柱插筋锚固型式确定:(依据课本P28确定)已知独立基础,保护层厚度>5d;基础高度h j=-1000-(-1500)=500mm<l ae=756mm,选择B型锚固。
①底部弯钩长度:15d=15×18=270mm已知基础底部保护层厚度为40mm,基础分布钢筋直径为12mm:②柱插筋在基础竖向长度:-1000-(-1500)-40-2×12=436mm⑶一层纵筋各区域围:一层框架柱KZ1净高:Hn=3570-(-1000)-500=4070mm①一层框架柱KZ1根部纵筋非连接区长度:Hn/3=4070/3=1357mm,取1400mm(其中地面下长度:-30-(-1000)=970mm;地面以上长度:1400-970=430mm)②一层框架柱KZ1梁底纵筋非连接区长度:max{Hn/6,hc,500}=max{4070/6,600,500}=678mm,取700mm③一层框架柱KZ1相邻纵筋接头错开最小距离:max{35d,500}= max{35×18,500}=630mm⑷二层纵筋各区域围:二层框架柱KZ1净高:Hn=7200-3570-500=3130mm①二层框架柱KZ1根部纵筋非连接区长度:max{Hn/6,hc,500}=max{3130/6,600,500}=600mm②二层框架柱KZ1梁底纵筋非连接区长度:max{Hn/6,hc,500}=max{3130/6,600,500}=600mm③二层框架柱KZ1相邻纵筋接头错开最小距离:max{35d,500}= max{35×18,500}=630mm⑸框架柱KZ1纵筋排布及非连接区围图及纵筋分离图:⒊框架柱KZ1的箍筋加密区、非加密区围:⑴一层框架柱KZ1的箍筋加密区及非加密区围:①一层框架柱KZ1根部箍筋加密区长度=一层框架柱KZ1根部纵筋非连接区长度=1400mm(其中地面下长度:-30-(-1000)=970mm;地面以上长度:1400-970=430mm)②一层框架柱KZ1梁底箍筋加密区长度=一层框架柱KZ1梁底纵筋非连接区长度=700mm③一层框架柱KZ1非加密区长度=3570-(-1000)-1400-500-700=1970mm⑵二层框架柱KZ1的箍筋加密区及非加密区围:①二层框架柱KZ1根部箍筋加密区长度=二层框架柱KZ1根部纵筋非连接区长度=600mm②一层框架柱KZ1梁底箍筋加密区长度=一层框架柱KZ1梁底纵筋非连接区长度=600mm③一层框架柱KZ1非加密区长度=7200-3570-500-600-600=1930mm⑶二层框架柱KZ1的箍筋加密区及非加密区围图:⒋框架柱KZ1的钢筋根数及下料长度:⑴框架柱KZ1纵筋(依据分离图计算)①基础插筋 1 6C18基础弯钩长度=15d=15*18=270mm竖向长度=1400+500-40-25×2=1836mm下料长度=1836+270-2d=1836+270-2×18=2070mm②基础插筋2 6C18基础弯钩长度=270mm竖向长度=1400+500-40-25×2+630=2466mm下料长度=2466+270-2d=2466+270-2×18=2700mm③一层柱纵筋12C18下料长度=3570-(-1000)-1400+600=3770mm④二层柱纵筋1 6C18柱顶弯钩长度=12d=12×18=216mm竖向长度=7200-3570-600-25=3005mm下料长度=3005+216-2d=3005+216-2×18=3185mm⑤二层柱纵筋2 6C18柱顶弯钩长度=12d=12×18=216mm竖向长度=7200-3570-600-25-630=2375mm下料长度=2375+216-2d=2375+216-2×18=2555mm⑵框架柱KZ1箍筋(结合箍筋各区围图计算)A8@100/1501)基础箍筋根数:(根据课本P28B图确定)基础箍筋间距<500mm,且不少于两道矩形封闭箍筋(非复合箍),h j=500mm,知基础箍筋为2根非复合箍。
钢筋编号规格断料长度mm 根数合计根数备注12500848纵筋.12174023138柱外箍.1规格数量丝扣类型48合计481300044全部纵筋.12300044角筋.1316002323柱外箍.1规格数量丝扣类型44合计81250022全部纵筋.12250022全部纵筋.23250044角筋.1417002323柱外箍.1规格数量丝扣类型224合计81300022全部纵筋.12300022全部纵筋.23300044角筋.1417002525柱外箍.1规格数量丝扣类型接头统计构件名称:4#柱-KZ-4构件数量:1构件位置:A轴/2轴构件名称:3#柱-KZ-3构件数量:1构件位置:C轴/1轴构件位置:B轴/1轴接头统计构件位置:C轴/13轴;A轴/12轴;A轴/13轴;A轴/11轴;A轴/7轴;A轴/1轴接头统计构件名称:2#柱-KZ-2构件数量:1工程部位:首层 默认流水段 柱钢筋图形构件名称:1#柱-KZ-1构件数量:6224合计81300044全部纵筋.12300044角筋.1316002424柱外箍.1规格数量丝扣类型44合计81300022全部纵筋.12300066纵筋.1317002424柱外箍.1规格数量丝扣类型26合计81250066全部纵筋.12250044角筋.1320802929柱外箍.1414602929柱内箍.1规格数量丝扣类型64合计1012500412全部纵筋.122500412角筋.1316002472柱外箍.1构件名称:8#柱-KZ-2构件数量:3构件位置:B轴/3轴;B轴/4轴;B轴/12轴构件位置:A轴/3轴接头统计接头统计构件名称:7#柱-KZ-6构件数量:1接头统计构件名称:6#柱-KZ-5构件数量:1构件位置:C轴/2轴构件名称:5#柱-KZ-2构件数量:1构件位置:B轴/2轴接头统计规格数量丝扣类型1212合计241250066全部纵筋.12250044角筋.1320802828柱外箍.1414602828柱内箍.1规格数量丝扣类型64合计101250088纵筋.1214002525柱外箍.1规格数量丝扣类型8合计812500824纵筋.1217402472柱外箍.1规格数量丝扣类型24合计241250022全部纵筋.12250022全部纵筋.23250044角筋.1417002424柱外箍.1规格数量丝扣类型224构件位置:C轴/4轴接头统计构件位置:C轴/7轴;C轴/12轴;A轴/4轴接头统计构件名称:12#柱-KZ-4构件数量:1构件数量:1构件位置:A轴-B轴/3-4轴接头统计构件名称:11#柱-KZ-1构件数量:3接头统计构件名称:10#柱-KZ-7接头统计构件名称:9#柱-KZ-6构件数量:1构件位置:C轴/3轴工程名称:103103103 钢筋翻样配料单日期:2019-07-02合计812500848全部纵筋.122500424角筋.13204028168柱外箍.14156028168柱内箍.15142028168柱内箍.2规格数量丝扣类型4824合计721250048全部纵筋.12250048角筋.1316002346柱外箍.1规格数量丝扣类型88合计1612500816全部纵筋.12250048角筋.1320402958柱外箍.1415602958柱内箍.1514202958柱内箍.2规格数量丝扣类型168合计2412500612全部纵筋.12250048角筋.1构件位置:C轴/9轴;A轴/9轴接头统计构件名称:16#柱-KZ-8构件数量:2构件名称:15#柱-KZ-10构件数量:2构件位置:C轴/8轴;A轴/8轴构件位置:B轴/13轴;B轴/7轴接头统计接头统计构件名称:14#柱-KZ-2构件数量:2构件名称:13#柱-KZ-10构件数量:6构件位置:C轴/5轴;C轴/6轴;C轴/10轴;A轴/5轴;A轴/6轴;A轴/10轴头统计320002550柱外箍.1413802550柱内箍.1规格数量丝扣类型128合计201300044全部纵筋.12300044角筋.1316002525柱外箍.1规格数量丝扣类型44合计81250022全部纵筋.12250022全部纵筋.23250044角筋.1416002323柱外箍.1规格数量丝扣类型224合计81300022全部纵筋.12300022全部纵筋.23300044角筋.1416002525柱外箍.1规格数量丝扣类型224合计8接头统计构件数量:1构件位置:B轴/11轴接头统计构件名称:19#柱-KZ-12接头统计构件名称:18#柱-KZ-11构件数量:1构件位置:10轴/B-C轴构件名称:17#柱-KZ-9构件数量:1构件位置:B轴/9轴接头统计1250022全部纵筋.12250022全部纵筋.23250044角筋.1417002424柱外箍.1规格数量丝扣类型224合计8接头统计构件名称:20#柱-KZ-3构件数量:1构件位置:C轴/11轴。
桥梁钢筋加工及安装技术交底第一章合用范围合用于桥梁工程钢筋加工及安装。
第二章施工准备2.1技术准备认真审核结构图纸和钢筋料表,绘制钢筋节点大样图。
编制钢筋安装方案,并对操作人员进行培训,向有关人员进行安全、技术交底。
2.2材料规定2.2.1钢筋:品种、规格和技术性能等应符合国家现行标准规定和设计规定,应有出厂合格证及检测报告,进入现场应进行复试,确认合格后方可使用。
2.2.2钢筋在加工过程中,如有发生脆断、焊接性能不良或力学性能显著不正常等现象时,应对该批钢筋进行化学分析或其他专项检查。
2.2.3电焊条:应有产品出厂合格证,品种、规格和技术性能等应符合国家现行标准规定和设计规定,选用的焊条型号应与主体金属强度相适应,经烘干后使用。
2.2.4其他材料:绑扎丝、氧气、乙炔等。
2.3机具设备2.3.1重要机具设备:钢筋弯曲机、钢筋调直机、钢筋切断机、电焊机、卷扬机、砂轮切割机等。
2.3.2工具:气焊割枪、钢筋扳手、锤子、钢筋钩、撬棍、钢丝刷、粉笔、手推车、尺子等。
2.4作业条件2.4.1所需材料机具及时进场,机械设备状况良好。
2.4.2钢筋加工厂场地平整、道路畅通,供电等满足施工需求。
第三章钢筋安装方案已审批,作业面已具有安装条件。
3.1施工工艺工艺流程3.2操作工艺3.2.1钢筋进场检查3.2.1.1钢筋进场时,应按表1-3进行外观检查,并将外观检查不合格的钢筋及时剔除。
3.2.1.2核对每捆或每盘钢筋上的标志是否与出厂质量证明书的型号、批号(炉号)相同,规格及型号是否符合设计规定。
3.2.2钢筋储存3.2.2.1钢筋的外观检查合格后,应按钢筋品种、等级、牌号、规格及生产厂家分类堆放,不得混放,且应设立辨认标志。
3.2.2.2钢筋在储存过程中,应避免锈蚀和污染,宜在库内或棚内存放,露天堆置时,应架空存放,离地面不宜小于300mm,应加以遮盖。
3.2.2.3钢筋取样实验3.2.2.4按不同批号和直径,按照表1-4规定抽取试样做力学性能实验。
钢筋工程施工方案编制依据篇一:钢筋工程施工方案编制要点钢筋工程施工方案编制要点1. 编制依据(图纸、法规、质量评定标准,并包括平面表示和抗震标准图集。
)2. 工程概况(应是与钢筋有关的概况,注明各部位钢筋的基本分布情况) 2.1 设计概况应附上两张结构图(地下以及地上标准层)。
2.3 现场情况根据现场场地的大小,明确是场内加工,还是场外加工。
如是场外加工,明确钢筋进场时间的安排。
以及临时钢筋周转场的位置及要求。
如选定为场内加工,明确现场钢筋加工区及钢筋堆放场地的,在结构阶段施工总平面图中,明确钢筋加工区及钢筋存放区。
3. 施工安排3.1 施工部位及工期要求3.2.1 3.2.2 3.2.3管理层(工专)负责人。
劳务层负责人。
工人数量及分工。
4. 施工准备4.1 技术准备4.1.1 4.1.2熟悉审查图纸、学习有关规范、规程。
拟采用新型钢筋、粗钢筋接头的资料。
4.2 机具准备列表说明现场钢筋加工场使用机具的型号、数量、功率和进场日期。
列表说明需要的材料名称、规格、数量和进场时间。
5. 主要施工方法及措施5.1 流水段的划分±0.00以下,水平构件与竖向构件分段不一致时,应分别加以图示说明。
±0.00以上,水平构件与竖向构件分段不一致时,应分别加以图示说明。
5.2 钢筋原材料的控制5.2.1 原材料供应(明确各种规格钢筋的产地和生产产家) 5.2.2钢筋原材质量控制图(明确钢筋原材进场检验过程中各部门所应承担的责任。
)5.2.3钢筋检验(钢筋检验的方式、方法)5.3 钢筋加工绘制钢筋加工场平面布置详图。
5.3.1 5.3.2 5.3.3 5.3.4钢筋除锈的方法及设备(冷拉调直、电动除锈机、手工法、喷砂法)钢筋调直的方法及设备(调直机、数控调直机、卷扬机)。
钢筋切割的方法及设备(切断机、无齿锯)。
钢筋弯曲成型的方法及设备(箍筋135度弯曲成型的方式及技术要求)。
5.4 钢筋的焊接5.4.1 5.4.2 5.4.3 5.4.4一般要求闪光对焊的技术要求。
钢筋配料单编制主讲教师:王琦
目录 CONTENTS 1钢筋配料单
2钢筋下料长度计算3钢筋重量计算
一.钢筋配料单
一.钢筋配料单
二.钢筋下配长度计算
钢筋下料长度=外包尺寸之和-弯曲调整值+弯钩增加长度
a b
a
b
二.钢筋下配长度计算
第6页1.弯曲调整值
b
a
1.弯曲调整值
b
a
a b
1.弯曲调整值
钢筋下料长度=钢筋轴线长度
1.弯曲调整值d
b
D=4d
a
L=a-3d+b-3d+5dπ
4
L=a+b-2.075d
L≈a+b-2d
a-3d a
b
d
D=4d
b-3d
5dπ
4
1.弯曲调整值
二.钢筋下配长度计算
第11页
1.弯曲调整值
L≈a+b-2d
b
a
弯曲调整值:90°取2d;45°取0.5d
300
300
3350
L=300+3350+300-2×20×2
L=3870
计算示例1
d=20
2.弯钩增加长度
a
2.弯钩增加长度
a
2.弯钩增加长度
注: 6时,每个钩需要再加10mm
L=a-2.25d+max(10d,75)+
135×3.5d π360L ≈a+11.9d
d
D=2.5d
a
a-2.25d
m a x
(10d ,75)135×3.5d π360
2.弯钩增加长度
a
a
3d
注: 6时,每个钩需要再加10mm
L ≈a+11.9d
斜钩
半圆弯钩
L ≈a+6.25d
计算示例2
箍筋直径d=10mm 保护层c=25mm
L=(600-2c+300-2c)×2-2d×3+11.9d×2
L=1778
250
550
计算示例3
d=10mm
3350
L=3350+6.25d×2
L=3350+6.25×10×2
L=3475
三.钢筋重量计算
钢筋重量
=0.00617d L
2
mm
m
Kg
总重=0.00617×20×20×46.44
=114.6Kg
计算示例4
小结
2、钢筋下料长度的计算
弯曲调整值
弯钩增加长度90°2d 45°0.5d 斜钩+11.9d 半圆钩+6.25d
1、钢筋配料单
钢筋下料长度=外包尺寸之和-弯曲调整值+弯钩增加长度
THANK YOU。