各种变频器恒压供水参数
- 格式:doc
- 大小:71.50 KB
- 文档页数:7
英威腾CHF100系A列变频器,要求:PID恒压控制,压力保持2KG,用4—20mA电流反馈,控制线怎么接,参数如何设置二线制接线:AI2、+24V,J16跳线到导流端子参数设置: P0.01=1 (外部信号控制启动、停止,启动端子指令通道)P0.04=50 (上限频率)P0.05=10—20(下限频率)P0。
07=6 (PID控制设定)P0。
11=加速时间P0.12=减速时间电机参数电机功率额定电流等P9。
00=0P9。
01=40%(传感器压力量程0.6MPA)P9.02=1P9.04=1.0KP(比例增益)P9。
05=o。
5S(积分增益) (如果压力波动较大、适当调大)适当调节比例增益和积分增益可调节压力变化的快慢压力变送器选型要点:1、变送器要测量什么样的压力:先确定系统中要确认测量压力的最大值,一般而言,需要选择一个具有比最大值还要大1。
5倍左右的压力量程的变送器。
这主要是在许多系统中,尤其是水压测量和加工处理中,有峰值和持续不规则的上下波动,这种瞬间的峰值能破坏压力传感器,持续的高压力值或稍微超出变送器的标定最大值会缩短传感器的寿命,然而,由于这样做会精度下降.于是,可以用一个缓冲器来降低压力毛刺,但这样会降低传感器的响应速度。
所以在选择变送器时,要充分考虑压力范围,精度与其稳定性.2、什么样的压力介质:我们要考虑的是压力变送器所测量的介质,黏性液体、泥浆会堵上压力接口,溶剂或有腐蚀性的物质会不会破坏变送吕中与这些介质直接接触的材料。
以上这些因素将决定是否选择直接的隔离膜及直接与介质接触的材料.一般的压力变送器的接触介质部分的材质采用的是316不锈钢,如果你的介质对316不锈钢没有腐蚀性,那么基本上所有的压力变送器都适合你对介质压力的测量.如果你的介质对316不锈钢有腐蚀性,那么我们就要采用化学密封,这样不但起到可以测量介质的压力,也可以有效的阻止介质与压力变送器的接液部分的接触,从而起到保护压力变送器,延长了压力变送器的寿命.3、变送器需要多大的精度:决定精度的有,非线性,迟滞性,机电商务网非重复性,温度、零点偏置刻度,温度的影响.但主要由非线性,迟滞性,非重复性,精度越高,价格也就越高。
ACS510变频器恒压供水参数设定ACS510变频器恒压供水是一种常见的用途广泛的变频控制技术,用于实现水泵或风机等设备的恒压供水。
这种技术通过调节设备的转速,以达到在各种负载条件下恒定的输出压力。
本文将详细介绍ACS510变频器恒压供水的参数设置和调整方法。
首先,ACS510变频器恒压供水需要在参数设置中选择合适的控制模式。
常见的控制模式有恒压控制和恒流控制。
在恒压控制模式下,变频器根据设定的输出压力信号来控制水泵的转速。
而在恒流控制模式下,变频器根据设定的输出流量信号来控制水泵的转速。
根据具体的需求,选择合适的控制模式。
其次,需要设置输出压力或流量的设定值。
这个设定值取决于实际的需求,可以根据不同的需求进行调整。
一般来说,在恒压供水系统中,设定值应设置为所需的恒定压力。
在变频器的参数设置中,可以设置设定值的最小和最大范围,以确保设定值在合理的范围内。
然后,需要设置变频器的PID参数。
PID控制器是一种经典的控制算法,可以根据实际的反馈信号和设定值来调节输出信号,以实现系统的稳定性和精度。
在ACS510变频器中,有三个重要的PID参数需要设置,即比例增益、积分时间和微分时间。
这些参数可以根据系统的动态特性和控制要求进行调整。
此外,ACS510变频器还有一些其他的参数需要设置,如变频器的额定功率、额定电压和额定电流等。
这些参数与实际的设备参数相对应,可以在设备的标牌上找到相关的信息。
在设置这些参数时,需要确保其与实际的设备参数相匹配,以保证系统的安全和稳定运行。
最后,为了确保恒压供水系统的正常运行,还需要进行系统的调试和测试。
在调试过程中,可以通过观察输出压力或流量的变化来判断系统的稳定性和控制精度。
如果出现过大的压力波动或流量变化,可以通过调整PID参数或其他相关参数来进行优化。
总之,ACS510变频器恒压供水的参数设定是实现恒压供水的关键步骤。
通过选择合适的控制模式、设定输出值、调整PID参数和进行系统的调试和测试,可以实现稳定、可靠的恒压供水控制,提高系统的效率和节能性。
复用水泵ATV71变频器参数专家访问√屏幕显示 RUN Term 23.4A +38.3A 管道压力表显示0.38MPA左右1.1简单起动2/3线控制:2线控制宏设置:标准起停/车用户宏设置:YES标准电机频率:50HZ IEC电机额定功率:30KW电机额定电压:380V电机额定电流:55.7A电机额定频率:50HZ电机额定速度:2950rpm最大输出功率:50HZ自整定:完成自整定状态:电阻已整定改变输出相序:A-C-B相序电机热保护电流:72A加速时间:106.1S减速时间:114.1S低速频率:25HZ高速频率:50HZ1.2监视1.2.1输入/输出映像逻辑输入映像PR L11 L12 L13 L14 L15 L16模拟输入映像AI1 +3.741VAI2 -0.008m A逻辑输出映像R1 R2模拟输出映像AO1 +15.328MA1.2.2通信映像命令通道:端子排命令字:0000H ex当前给定通道:端子排频率给定:+38.3HZETA状态字:0437HexWO :-----1.2.3报警信号组: ---1.2.4图形终端频率给定:+41HZ1.2.5内部PID给定:6001.2.6图形终端转矩给定:0.0%1.2.7频率给定:+38.3HZ 1.2.8输出频率:+38.3HZ 1.2.9电机电流:23.4A 1.2.10电机速度:2299rpm 1.2.11电机电压:291V1.2.12电机功率:+29%1.2.13电机转矩:+36.9% 1.2.14电机电压:+379V 1.2.15电机热状态:11%1.2.16变频器热状态:37% 1.2.17功率:1111.2.18电机运行时间:26311h 1.2.19变频器已上电时间:52481h 1.2.20 IGBT报警计时器:0S1.2.21 PID给定 6001.2.22 PID反馈 6031.2.23 PID误差 -31.2.24 PID输出 +38.3HZ1.2.25当前设置组设置组0 1.2.26报警(故障)信号√1.3设置斜坡增量:0.1S加速时间:106.1S减速时间:114.1S低速频率:25HZ高速频率:50HZ电机热保护电流:72A变频器开关频率:2KHZ电流限幅1 :99A电机预磁设置:不预磁低速运行超时:999.9SPID比例增益:1.03PID积分增益:0.05PID微分增益:0.01PID斜坡:99.9SPID最小输出值:0HZPID最大输出值:+50HZ反馈超下限报警:0反馈超上限报警:1600PID误差报警:200电机电流阈值:66A电机频率阈值:50HZ频率阈值2 :50HZ电机热阈值:100%1.4电机控制标准电机频率:50HZ IEC 最大输出频率:50HZ自整定:完成自整定:NO自整定状态:电阻已整定改变输出相序:A-C-B相序电机控制类型:2点压频比UO :0V冷态定子电阻:105Lm额定励磁电流:23.4ALs漏电感:1.69mH转子时间常数:669ms电机额定滑差:0.8HZ 极对数:1电流限幅1 :99A电机噪声抑制:YES电机电压波动限幅:YES瞬态过压限幅优化:10微秒制动单元释能阈值:785V制动平衡:NO1.5输入/输出设置2/3线控制:2线控制2线控制:0/1电平反转:L12LI1设置LI分配LI1 0→1延时:0MS给定模板:标准AI1设置AI1 分配AI1类型:10V电压AI1最小值:0.0VAI1最大值:10VAI1过滤器:0.3SAI1拐点X:0%AI1拐点Y:0%AI2设置AI2分配AI2类型:电流AI2最小值:4.0MAAI2最大值:20MAAI2过滤器:0SAI2拐点X、Y :0%R1设置继电器R1分配器:变频器故障继电器R1延时:0MS继电器R1有效条件:1继电器R1保持时间:0MSAO1设置AO1分配:电机电流AO1类型:电流AO1最小输出值:0MAAO1最大输出值:20MAAO1滤波器:0MS报警信号组1L16=PTC报警□PTC1报警□. □. □. □变频器热阈值到达□1.6命令给定1通道:AI1给定反向禁止:NO停止按钮优先:YES组合模式:组合通道给定2切换:通道1有效给定2通道:AI2给定复制通道1→2 :不复制F1—F4键分配:未设置1.7应用功能给定切换√给定运算斜坡斜坡类型:线性斜坡斜坡增量:0.1S加速时间:106.1S减速时间:114.1S斜坡2切换阈值:0HZ斜坡切换设置:未分配减速时间自适应:有停车设置停车类型:斜坡停车自动直流注入寸动预设速度给定附近加减速给定记忆加减速逻辑输入控制预磁限位开关制动逻辑控制负载测量高速提升PID调节器√PID 反馈分配:AI1给定PID反馈最小值:0PID反馈最大值:1600 PID给定最小值:0PID给定最大值:1600内部PID给定分配:YES 内部PID给定:600PID比例增益:1.03 PID积分增益:0.05 PID微分增益:0.01 PID斜坡:99.9SPID误差求反:NOPID最小输出值:0HZPID最大输出值:+50HZ反馈超下限报警:0反馈超上限报警:1600PID误差报警:200PID积分重设:未分配速度给定分配:未设置自动/手动选择分配:未分配低速运行超时:999.9SPID唤醒误差阈值:0.0。
各种变频器恒压供水参数变频器恒压供水是一种流行的水泵控制方式,它可以根据实际需求自动调节水泵的工作状态,使得水压能够保持在一个设定的恒定水平上。
在各种应用领域中,变频器恒压供水都有着广泛的应用,比如建筑领域、工业生产和农业灌溉等。
下面将介绍一些关于变频器恒压供水的相关参数。
1.额定功率变频器控制的水泵有其额定功率,这是指水泵在标准工况下所能提供的功率。
通常用单位为千瓦(kW)来表示,比如5kW、10kW等。
2.额定电压和额定电流变频器恒压供水系统的水泵通常需要配备相应的电力供应,其额定电压和额定电流是指其正常工作时所需要的电压和电流。
通常情况下,额定电压为单相220V或三相380V,额定电流按具体的功率来确定。
3.变频范围和频率调节精度变频器控制的水泵可以通过调节频率来实现调节水泵的工作状态。
变频范围是指水泵的运行频率范围,通常为0-50Hz或0-60Hz。
频率调节精度是指变频器在设定频率下的精确调节能力,一般为0.01Hz。
4.压力设定范围和压力调节精度变频器恒压供水系统的关键参数是压力设定范围和压力调节精度。
压力设定范围是指变频器能够调节水泵输出的压力的范围,例如0-10bar。
压力调节精度是指变频器在设定压力下的精确调节能力,通常为0.01bar。
5.过载保护和故障保护变频器恒压供水系统通常会具备过载保护和故障保护功能。
过载保护是指当水泵超出额定工作范围时,变频器会自动停机以避免损坏。
故障保护是指当变频器本身出现故障时,自动报警并关机。
6.节能效果和能效等级7.控制方式和参数保存功能变频器恒压供水系统通常具有多种控制方式,包括手动、自动和远程控制等。
同时,系统还会保存用户设定的参数,以便在断电或重新启动之后能够自动加载先前的设定参数。
总结起来,变频器恒压供水系统的参数包括额定功率、额定电压和电流、变频范围、频率调节精度、压力设定范围、压力调节精度、过载保护和故障保护、节能效果和能效等级、控制方式和参数保存功能等。
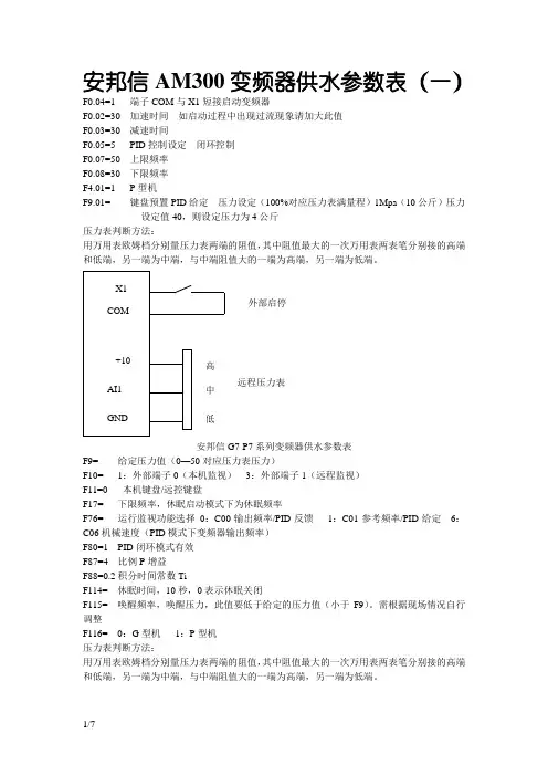
安邦信 AM300变频器供水参数表F0.04=1 端子 COM 与 X1短接启动变频器F0.02=30 加速时间如启动过程中出现过流报警现象请加大此值F0.03=30 减速时间F0.05=5 PID 控制设定闭环控制F0.07=50 上限频率F0.08=30 下限频率F3.05=1 停机方式选择自由停车F4.00=1 P 型机F9.01= 键盘预置 PID 给定压力设定(100%对应压力表满量程 1Mpa (10公斤压力设定值 40,则设定压力为 4公斤F0.12=1 恢复出厂设置压力表判断方法:用万用表欧姆档分别量压力表两端的阻值,其中阻值最大的一次万用表两表笔分别接的高端和低端,另一端为中端,与中端阻值大的一端为高端,另一端为低端。
安邦信 G7-P7系列变频器供水参数表F9= 给定压力值(0— 50对应压力表压力F10= 1:外部端子 0(本机监视 3:外部端子 1(远程监视F11=0 本机键盘 /远控键盘F16=50 上限频率F17= 下限频率,休眠启动模式下为休眠频率F28=30 加速时间F29=30 减速时间F74=1 自由停车F76= 运行监视功能选择 0:C00输出频率 /PID反馈 1:C01参考频率 /PID给定6:C06机械速度(PID 模式下变频器输出频率F80=1 PID 闭环模式有效F87=4 比例 P 增益F88=0.2积分时间常数 TiF114= 休眠时间, 10秒, 0表示休眠关闭F115= 唤醒频率,唤醒压力,此值要低于给定的压力值(小于 F9 。
需根据现场情况自行调整F116= 0:G 型机 1:P 型机F66=1 恢复出厂设置压力表判断方法:用万用表欧姆档分别量压力表两端的阻值,其中阻值最大的一次万用表两表笔分别接的高端和低端,另一端为中端,与中端阻值大的一端为高端,另一端为低端。
调试在试运行时,可以先通过操作面板的上下键调一个比较小的值,比如 10.0,然后通过端子运行,等压力稳定了,看变频器的运行情况,等运行正常后,看着远传压力表,这时候根据所需要的压力通过调节操作面板的上下键调节;调到所需要的压力;若压力不稳定,可通过调节参数 F87(PID 的比例增益 ,参数 F88(PID 的积分使压力趋于稳定;1、休眠功能的调试1. 1、进入休眠功能的调试:将变频器的压力设定值调到所需要的设定值,再把参数 F76调成 6,让变频器运行,在没有用户用水的情况下,看变频器的运行频率,把看到的频率值再给上稍微加个几 HZ(如 2HZ 设定到 F17下限频率中; 当变频器的运行频率小于下限频率时,再经过时间 F114的延时,变频器进入休眠状态;1. 2、进入唤醒功能的调试:将变频器的压力设定值调到所需要的设定值,再把参数 F76调成 0,让变频器运行,看变频器的反馈压力值,把看到的反馈值再给稍微减去个点儿 (如 2 设定到 F115唤醒压力中;当实际压力小于 F115唤醒压力时,变频器进入运行状态;欧陆 EV500变频器 PID 供水参数参数设置:P0.00 设为 1 P 机型P0.02 面板运行时设为 0,端子运行时设为 1P0.04 设为 20 加速时间(根据机型设定 (秒P0.05 设为 20 减速时间(根据机型设定 (秒P0.10 设为 20 最小频率(HzP0.11 设为 50 最大频率(HzP1.05 设为 1 自由停止P6.00 设为 1 PID 控制P6.01 设为 2 比例,积分控制P6.02 设为 1 压力设定通道 1面板数字设定P6.03 设为 0 反馈通道选择 V1(0-10VP6.07 设为 0.5 比例增益P6.08 设为 1 积分时间常数P6.15 设为 0— F6.16 PID 睡眠频率P6.16 设为 F6.16—最大频率 PID 苏醒频率(设置范围为 0-100压力百分数。
国内外各种变频器恒压供水参数设置以及远传压力表接线集团标准化工作小组 [Q8QX9QT-X8QQB8Q8-NQ8QJ8-M8QMN]安邦信G7-P7系列变频器供水参数表F9= 给定压力值(0—50对应压力表压力)F10= 1:外部端子0(本机监视) 3:外部端子1(远程监视) F11=0 本机键盘/远控键盘 F16=50 上限频率F17= 下限频率,休眠启动模式下为休眠频率 F28=30 加速时间 F29=30 减速时间 F74=1 自由停车F76= 运行监视功能选择 0:C00输出频率/PID 反馈 1:C01参考频率/PID 给定 6:C06机械速度(PID 模式下变频器输出频率) F80=1 PID 闭环模式有效 F87=4 比例P 增益 F88=积分时间常数TiF114= 休眠时间,10秒,0表示休眠关闭F115= 唤醒频率,唤醒压力,此值要低于给定的压力值(小于F9)。
需根据现场情况自行调整F116= 0:G 型机 1:P 型机 F66=1 恢复出厂设置 压力表判断方法:用万用表欧姆档分别量压力表两端的阻值,其中阻值最大的一次万用表两表笔分别接的高端和低端,另一端为中端,与中端阻值大的一端为高端,另一端为低端。
调试在试运行时,可以先通过操作面板的上下键调一个比较小的值,比如,然后通过端子运行,等压力稳定了,看变频器的运行情况,等运行正常后,看着远传压力表,这时候根据所需要的压力通过调节操作面板的上下键调节;调到所需要的压力;若压力不稳定,可通过调节参数F87(PID 的比例增益),参数F88(PID 的积分)使压力趋于稳定; 1、休眠功能的调试1.1、进入休眠功能的调试:将变频器的压力设定值调到所需要的设定值,再把参数F76调成6,让变频器运行,在没有用户用水的情况下,看变频器的运行频率,把看到的频率值再给上稍微加个几HZ(如2HZ)设定到F17下限频率中;当变频器的运行频率小于下限频率时,再经过时间F114的延时,变频器进入休眠状态;1.2、进入唤醒功能的调试:将变频器的压力设定值调到所需要的设定值,再把参数F76调成0,让变频器运行,看变频器的反馈压力值,把看到的反馈值再给稍微减去个点儿(如2)设定到F115唤醒压力中;当实际压力小于F115唤醒压力时,变频器进入运行状态;欧陆EV500变频器PID 供水参数参数设置:设为1 P 机型面板运行时设为0,端子运行时设为1设为20 加速时间(根据机型设定)(秒) 设为20 减速时间(根据机型设定)(秒) 设为20 最小频率(Hz ) 设为50 最大频率(Hz ) 设为1 自由停止 设为 1 PID 控制设为2 比例,积分控制设为 1 压力设定通道 1面板数字设定 设为0 反馈通道选择 V1(0-10V ) 设为 比例增益设为 1 积分时间常数 设为0— PID 睡眠频率设为—最大频率 PID 苏醒频率(设置范围为0-100压力百分数。
欣灵变频器恒压供水参数表1. 引言在建筑、工业、农业等领域,恒压供水系统是一个关键的设备,它可以确保供水系统在不同负载条件下保持恒定的压力。
欣灵变频器作为一种先进的控制设备,可以提供高效、可靠的恒压供水解决方案。
本文将详细介绍欣灵变频器恒压供水参数表,以帮助用户了解该设备的性能和特点。
2. 恒压供水的原理恒压供水系统通过使用变频器控制水泵的转速来实现恒定的水压。
当供水需求增加时,变频器会自动提高水泵的转速,以增加供水量;当供水需求减少时,变频器会降低水泵的转速,以节约能源。
这种控制方式可以有效地保持供水系统的稳定性和节能性。
3. 欣灵变频器的特点欣灵变频器作为一种专门用于恒压供水的设备,具有许多独特的特点,包括:3.1 高效节能欣灵变频器采用先进的变频技术,可以根据实际需求调整水泵的转速,从而减少能源消耗。
相比传统的供水系统,欣灵变频器可以节省大量的电能,降低运行成本。
3.2 稳定可靠欣灵变频器具有精确的压力控制能力,可以在不同负载条件下保持恒定的水压。
它还具有过载保护、短路保护等功能,可以有效地保护水泵和其他设备的安全运行。
3.3 操作简便欣灵变频器采用直观的人机界面,用户可以轻松地进行参数设置和操作。
它还具有智能化的故障诊断功能,可以及时发现和解决问题,提高设备的可靠性和可用性。
3.4 多种控制方式欣灵变频器支持多种控制方式,包括压力控制、流量控制和液位控制等。
用户可以根据实际需求选择合适的控制方式,实现最佳的供水效果。
4. 欣灵变频器恒压供水参数表欣灵变频器恒压供水参数表是用户了解和选择欣灵变频器的重要参考依据。
以下是欣灵变频器恒压供水参数表的详细内容:4.1 型号及规格•型号:XXXX•输入电压:XXXV•频率范围:XXHz-XXHz•外形尺寸:XXXmm×XXXmm×XXXmm4.2 电气参数•额定输入电压:XXXV•额定输入电流:XXXA•额定输出功率:XXXkW•控制方式:恒压控制、流量控制、液位控制4.3 控制特性•控制精度:±X%•压力调整范围:XX-XXbar•压力稳定性:±Xbar•响应时间:XXs4.4 保护功能•过载保护•短路保护•缺相保护•过压保护•欠压保护4.5 其他特性•通信接口:RS485、MODBUS•工作温度:-XX℃~XX℃•防护等级:IPXX5. 总结欣灵变频器恒压供水参数表提供了详细的技术参数和性能特点,帮助用户了解和选择合适的设备。
英威腾CHF100系A列变频器,要求:PID恒压控制,压力保持2KG,用4-20mA电流反馈,控制线怎么接,参数如何设置二线制接线:AI2、+24V,J16跳线到导流端子参数设置: P0.01=1 (外部信号控制启动、停止,启动端子指令通道)P0.04=50 (上限频率)P0.05=10-20(下限频率)P0.07=6 (PID控制设定)P0.11=加速时间P0.12=减速时间电机参数电机功率额定电流等P9.00=0P9.01=40%(传感器压力量程0.6MPA)P9.02=1P9.04=1.0KP(比例增益)P9.05=o.5S(积分增益) (如果压力波动较大、适当调大) 适当调节比例增益和积分增益可调节压力变化的快慢压力变送器选型要点:1、变送器要测量什么样的压力:先确定系统中要确认测量压力的最大值,一般而言,需要选择一个具有比最大值还要大1.5倍左右的压力量程的变送器。
这主要是在许多系统中,尤其是水压测量和加工处理中,有峰值和持续不规则的上下波动,这种瞬间的峰值能破坏压力传感器,持续的高压力值或稍微超出变送器的标定最大值会缩短传感器的寿命,然而,由于这样做会精度下降。
于是,可以用一个缓冲器来降低压力毛刺,但这样会降低传感器的响应速度。
所以在选择变送器时,要充分考虑压力范围,精度与其稳定性。
2、什么样的压力介质:我们要考虑的是压力变送器所测量的介质,黏性液体、泥浆会堵上压力接口,溶剂或有腐蚀性的物质会不会破坏变送吕中与这些介质直接接触的材料。
以上这些因素将决定是否选择直接的隔离膜及直接与介质接触的材料。
一般的压力变送器的接触介质部分的材质采用的是316不锈钢,如果你的介质对316不锈钢没有腐蚀性,那么基本上所有的压力变送器都适合你对介质压力的测量.如果你的介质对316不锈钢有腐蚀性,那么我们就要采用化学密封,这样不但起到可以测量介质的压力,也可以有效的阻止介质与压力变送器的接液部分的接触,从而起到保护压力变送器,延长了压力变送器的寿命.3、变送器需要多大的精度:决定精度的有,非线性,迟滞性,机电商务网非重复性,温度、零点偏置刻度,温度的影响。
安邦信AM300变频器供水参数表(一) F0.04=1 端子COM 与X1短接启动变频器F0.02=30 加速时间 如启动过程中出现过流现象请加大此值F0.03=30 减速时间F0.05=5 PID 控制设定 闭环控制F0.07=50 上限频率F0.08=30 下限频率F4.01=1 P 型机F9.01= 键盘预置PID 给定 压力设定(100%对应压力表满量程)1Mpa (10公斤)压力设定值40,则设定压力为4公斤压力表判断方法:用万用表欧姆档分别量压力表两端的阻值,其中阻值最大的一次万用表两表笔分别接的高端和低端,另一端为中端,与中端阻值大的一端为高端,另一端为低端。
安邦信G7-P7系列变频器供水参数表F9= 给定压力值(0—50对应压力表压力)F10= 1:外部端子0(本机监视) 3:外部端子1(远程监视) F11=0 本机键盘/远控键盘F17= 下限频率,休眠启动模式下为休眠频率F76= 运行监视功能选择 0:C00输出频率/PID 反馈 1:C01参考频率/PID 给定 6:C06机械速度(PID 模式下变频器输出频率)F80=1 PID 闭环模式有效F87=4 比例P 增益F88=0.2积分时间常数TiF114= 休眠时间,10秒,0表示休眠关闭F115= 唤醒频率,唤醒压力,此值要低于给定的压力值(小于F9)。
需根据现场情况自行调整F116= 0:G 型机 1:P 型机压力表判断方法:用万用表欧姆档分别量压力表两端的阻值,其中阻值最大的一次万用表两表笔分别接的高端和低端,另一端为中端,与中端阻值大的一端为高端,另一端为低端。
欧陆变频器PID 供水参数参数设置:P0.00 设为1 P 机型P0.02 面板运行时设为0,端子运行时设为1P0.04 设为20 加速时间(根据机型设定)(秒)P0.05 设为20 减速时间(根据机型设定)(秒)P0.10 设为20 最小频率(Hz )P0.11 设为50 最大频率(Hz )P6.00 设为 1 PID 控制P6.01 设为2 比例,积分控制P6.02 设为 1 压力设定通道 1面板数字设定P6.03 设为0 反馈通道选择 V1(0-10V )P6.07 设为0.5 比例增益P6.08 设为 1 积分时间常数P6.18 设为 30 预置频率,开始运行频率(Hz )P6.19 设为 10 预置频率运行时间(秒)(本变频器为使系统快速达到稳定状态,避免对管网的冲击,可先预置30Hz 运行,10秒钟后在闭环运行)d-08 设定压力值(此值为百分比形式,例:压力表量程为1Mpa(10公斤),如果想设定压力为3公斤,则此值应设为30)日业供水参数SY32000100=1 端子FWD 与COM 短接启动变频器 运行命令选择0105=30 30 加速时间,如启动过程中出现过流现象请加大此值0107=50 上限频率0108=30 下限频率0216=0 减速停止 变频器停止方式0500=1 PID 闭环控制0501=0 PI 调节误差极性(正极性,反馈值减小,PI 输出频率增加)0502=0 PI 给定信号选择(数字给定)0503= PI 数字给定值(0.0-100.0%) 压力设定(100%对应压力表满量程)1.0Mpa (10公斤)压力表设定值为40,则设定压力为4公斤0504=2 PI 反馈信号(外部VF )0506=0.4 比例增益P0507=6 积分增益TI1017 睡眠延时 0.0—600.0S 0.1S 0.0S1018 唤醒差值 0.0—10.0% 0.1% 10.0%压力表判断方法:用万用表欧姆档分别量压力表两端的阻值,其中阻值最大的一次万用表两表笔分别接的高端和低端,另一端为中端,与中端阻值大的一端为高端,另一端为低端。
恒压供水变频器(汇川系列)设置方法:1、 P0-01 设为 2, V/F 控制。
2、 P0-02 设为 1,端子命令通道,如果是面板控制,则不需要改。
3、 P0-03 设为 8, PID。
4、根据电机铭牌设置 P1-00~P1-05 这五个参数,具体见说明书内列举的含义。
5、 P6-10 改为 1 ;6、 PA-01 设置时根据压力来设置,如:压力表的量程是 0~1MP,而恒压供水压力想维持在 3KG,那么 PA-01 设置为:(1) x100=30,也就是设置为 30。
7、 PA-03 设为 0,正作用。
8、 PA-04 出厂值为 1000,根据压力表的量程:如 0~ 便设为1600,0~10MP 就设为 10000。
如此类推进行设置。
9、 PA-05=40(比例增益),PA-06=1(积分增益) (如果压力波动较大、适当调大) 适当调节比例增益和积分增益可调节压力变化的快慢10、 PA-08 设为 0,PA-09 设为。
注:压力表如果是 0~10v 输出,则将压力表的信号线接在 AI1,其余两根线接在+10 和 GND上;如果输出是 4~20MA,将压力表的信号线接在 AI2 和 GND 上(并将主控版上的短接片进行跳线),切勿接错否则变频器将不能正常运行。
如果想用旋钮调节设定压力,可以将 PA-00 设为 3,P7-03 设为 8001,P7-05 设为 0801,显示 300 则表示 3KG 压力,显示 400 则表示 4KG压力,依此类推。
如果想设置休眠,则按如下操作:P8-49: 唤醒频率;P8-50: 唤醒延迟时间;P8-51: 休眠频率;P8-52: 休眠延迟时间PA-28: 设为 1, PID 停机运算。
英威腾CHF100系A列变频器,要求:PID恒压控制,压力保持2KG,用4-20mA电流反馈,控制线怎么接,参数如何设置二线制接线:AI2、+24V,J16跳线到导流端子参数设置: P0.01=1 (外部信号控制启动、停止,启动端子指令通道)P0.04=50 (上限频率)P0.05=10-20(下限频率)P0.07=6 (PID控制设定)P0.11=加速时间P0.12=减速时间电机参数电机功率额定电流等P9.00=0P9.01=40%(传感器压力量程0.6MPA)P9.02=1P9.04=1.0KP(比例增益)P9.05=o.5S(积分增益) (如果压力波动较大、适当调大) 适当调节比例增益和积分增益可调节压力变化的快慢压力变送器选型要点:1、变送器要测量什么样的压力:先确定系统中要确认测量压力的最大值,一般而言,需要选择一个具有比最大值还要大1.5倍左右的压力量程的变送器。
这主要是在许多系统中,尤其是水压测量和加工处理中,有峰值和持续不规则的上下波动,这种瞬间的峰值能破坏压力传感器,持续的高压力值或稍微超出变送器的标定最大值会缩短传感器的寿命,然而,由于这样做会精度下降。
于是,可以用一个缓冲器来降低压力毛刺,但这样会降低传感器的响应速度。
所以在选择变送器时,要充分考虑压力范围,精度与其稳定性。
2、什么样的压力介质:我们要考虑的是压力变送器所测量的介质,黏性液体、泥浆会堵上压力接口,溶剂或有腐蚀性的物质会不会破坏变送吕中与这些介质直接接触的材料。
以上这些因素将决定是否选择直接的隔离膜及直接与介质接触的材料。
一般的压力变送器的接触介质部分的材质采用的是316不锈钢,如果你的介质对316不锈钢没有腐蚀性,那么基本上所有的压力变送器都适合你对介质压力的测量.如果你的介质对316不锈钢有腐蚀性,那么我们就要采用化学密封,这样不但起到可以测量介质的压力,也可以有效的阻止介质与压力变送器的接液部分的接触,从而起到保护压力变送器,延长了压力变送器的寿命.3、变送器需要多大的精度:决定精度的有,非线性,迟滞性,机电商务网非重复性,温度、零点偏置刻度,温度的影响。
英威腾变频器CHF恒压供水说明
1、如反馈信号为压力变送器,4-20MA信号接AI
2、+24V,转换J16跳线,短接
变频器GND和COM端子
如反馈信号为远传压力表,起始端接GND,滑动端接AI1,高端接+10V
2
注意事项:
1、如压力在50HZ运行一段时间还达不到要求压力、总跳故障或与工频相
差太大,一般是电机反转造成
2、如正常运行压力稍大或小时,可对应增加或减小P901
3、如压力波动较大,可调节P9.05积分时间,适当增加
4、电源开关不能使用带漏电保护的,有条件压力表最好做好避雷措施
5、变频器恒压反应慢时适当加大P9.04和P9.06
6、其他参数相应调整
7、远传压力表接法:
1、先手动运行给管网加压使压力表指针离开0位。
2、两两测量三根线相互之间的阻值,找出阻值最大的的两根线,即一根
为高端,一根为低端。
3、将此两线一根接+5V,一根接GND,余下另一根接到IN上。
4、观察控制器的压力显示值与表头显示值是否一致,若不一致,两显示
值正好为量程之和,则高低端接反,掉换+5V与GND的连线,再微调量程使二值一致即可。
英威腾CHF100系A列变频器,要求:PID恒压控制,压力保持2KG,用4-20mA电流反馈,控制线怎么接,参数如何设置二线制接线:AI2、+24V,J16跳线到导流端子参数设置: P0.01=1 (外部信号控制启动、停止,启动端子指令通道)P0.04=50 (上限频率)P0.05=10-20(下限频率)P0.07=6 (PID控制设定)P0.11=加速时间P0.12=减速时间电机参数电机功率额定电流等P9.00=0P9.01=40%(传感器压力量程0.6MPA)P9.02=1P9.04=1.0KP(比例增益)P9.05=o.5S(积分增益) (如果压力波动较大、适当调大)适当调节比例增益和积分增益可调节压力变化的快慢压力变送器选型要点:1、变送器要测量什么样的压力:先确定系统中要确认测量压力的最大值,一般而言,需要选择一个具有比最大值还要大1.5倍左右的压力量程的变送器。
这主要是在许多系统中,尤其是水压测量和加工处理中,有峰值和持续不规则的上下波动,这种瞬间的峰值能破坏压力传感器,持续的高压力值或稍微超出变送器的标定最大值会缩短传感器的寿命,然而,由于这样做会精度下降。
于是,可以用一个缓冲器来降低压力毛刺,但这样会降低传感器的响应速度。
所以在选择变送器时,要充分考虑压力范围,精度与其稳定性。
2、什么样的压力介质:我们要考虑的是压力变送器所测量的介质,黏性液体、泥浆会堵上压力接口,溶剂或有腐蚀性的物质会不会破坏变送吕中与这些介质直接接触的材料。
以上这些因素将决定是否选择直接的隔离膜及直接与介质接触的材料。
一般的压力变送器的接触介质部分的材质采用的是316不锈钢,如果你的介质对316不锈钢没有腐蚀性,那么基本上所有的压力变送器都适合你对介质压力的测量.如果你的介质对316不锈钢有腐蚀性,那么我们就要采用化学密封,这样不但起到可以测量介质的压力,也可以有效的阻止介质与压力变送器的接液部分的接触,从而起到保护压力变送器,延长了压力变送器的寿命.3、变送器需要多大的精度:决定精度的有,非线性,迟滞性,机电商务网非重复性,温度、零点偏置刻度,温度的影响。
台达CP2000变频器恒压供水设置台达变频器参数输入方法:
2 睡眠唤醒功能
CP2000可设置睡眠频率08-10、睡眠时间08-12和苏醒频率08-11,当频率命令
低于睡眠频率时,在睡眠时间内,变频器运转频率为睡眠频率 08-10,当给定低
于睡眠频率的时间超过睡眠时间时,变频器进入睡眠状态,输出频率为0,直至
速度命令达到苏醒频率时,变频器进入苏醒状态,按频率给定命令运行。
图4
为睡眠、苏醒功能示意图。
图4 睡眠、苏醒功能示意图
注:表格中用红色标记的为必须设置的参数,绿色的为需要设置断电恢复后变频器自动启动的参数选项。
蓝色标记的为休眠功能选项参数。
黑色字体表示需要修正完善的参数。
安邦信AM300变频器供水参数表
F0.04=1 端子COM 与X1短接启动变频器
F0.02=30 加速时间 如启动过程中出现过流报警现象请加大此值
F0.03=30 减速时间
F0.05=5 PID 控制设定 闭环控制
F0.07=50 上限频率
F0.08=30 下限频率
F4.01=1 P 型机
F9.01= 键盘预置PID 给定 压力设定(100%对应压力表满量程)1Mpa (10公斤)压力
设定值40,则设定压力为4公斤
压力表判断方法:
用万用表欧姆档分别量压力表两端的阻值,其中阻值最大的一次万用表两表笔分别接的高端和低端,另一端为中端,与中端阻值大的一端为高端,另一端为低端。
安邦信G7-P7系列变频器供水参数表
F9= 给定压力值(0—50对应压力表压力)
F10= 1:外部端子0(本机监视) 3:外部端子1(远程监视)
F11=0 本机键盘/远控键盘
F17= 下限频率,休眠启动模式下为休眠频率
F76= 运行监视功能选择 0:C00输出频率/PID 反馈 1:C01参考频率/PID 给定 6:C06机械速度(PID 模式下变频器输出频率)
F80=1 PID 闭环模式有效
F87=4 比例P 增益
F88=0.2积分时间常数Ti
F114= 休眠时间,10秒,0表示休眠关闭
F115= 唤醒频率,唤醒压力,此值要低于给定的压力值(小于F9)。
需根据现场情况自行调整
F116= 0:G 型机 1:P 型机
压力表判断方法:
用万用表欧姆档分别量压力表两端的阻值,其中阻值最大的一次万用表两表笔分别接的高端和低端,另一端为中端,与中端阻值大的一端为高端,另一端为低端。
欧陆变频器PID 供水参数
参数设置:
P0.00 设为1 P 机型
P0.02 面板运行时设为0,端子运行时设为1
P0.04 设为20 加速时间(根据机型设定)(秒)
P0.05 设为20 减速时间(根据机型设定)(秒)
P0.10 设为20 最小频率(Hz )
P0.11 设为50 最大频率(Hz )
P6.00 设为 1 PID 控制
P6.01 设为2 比例,积分控制
P6.02 设为 1 压力设定通道 1面板数字设定
P6.03 设为0 反馈通道选择 V1(0-10V )
P6.07 设为0.5 比例增益
P6.08 设为 1 积分时间常数
P6.18 设为 30 预置频率,开始运行频率(Hz )
P6.19 设为 10 预置频率运行时间(秒)(本变频器为使系统快速达到稳定状态,避免对管网的冲击,可先预置30 Hz 运行,10秒钟后在闭环运行)
d-08 设定压力值(此值为百分比形式,例:压力表量程为1Mpa(10公斤),如果想设定压力为3公斤,则此值应设为30)
日业供水参数SY3200
0100=1 端子FWD 与COM 短接启动变频器 运行命令选择
0105=30 30 加速时间,如启动过程中出现过流报警现象请加大此值
0107=50 上限频率
0108=30 下限频率
0216=0 减速停止 变频器停止方式
0500=1 PID 闭环控制
0501=0 PI 调节误差极性(正极性,反馈值减小,PI 输出频率增加)
0502=0 PI 给定信号选择(数字给定)
0503= PI 数字给定值(0.0-100.0%) 压力设定(100%对应压力表满量程)1.0Mpa (10公斤)压力表设定值为40,则设定压力为4公斤
0504=2 PI 反馈信号(外部VF )
0506=0.4 比例增益P
0507=6 积分增益TI
1017 睡眠延时 0.0—600.0S 0.1S 0.0S
1018 唤醒差值 0.0—10.0% 0.1% 10.0%
压力表判断方法:
用万用表欧姆档分别量压力表两端的阻值,其中阻值最大的一次万用表两表笔分别接的高端和低端,另一端为中端,与中端阻值大的一端为高端,另一端为低端。
三肯变频器IPF (同SPF )恒压供水参数(一拖一)
1=2 外部端子信号操作面板
7=50 上限频率
8=15 下限频率
55=50 增益频率
71=3 内置PID 控制模式
120=1
122=1 PID 控制比例增益
123=0.5 PID 控制积分增益
900=365
274=65535
29=设定压力
三肯变频器SAMCO-e 恒压供水参数
C1=2 外部端子控制启停
C2=1 操作面板
C7=50 上限频率
C8=15 下限频率
C55=50 增益频率
C71=3 内置PID 控制
C120=1 C120=5外部模拟IRF (4-20mA )(温控)
C122=1 PID 控制比例增益
C123=0.5 积分增益
C643=99
C29=设定压力 (50/最大量程*要求压力)
远程压力表接线:+V 接压力表高端,VRF 接压力表的中间抽头,COM 接压力表的低端 温控器:+接+24V 直流电,—接IRF ,COM 与DCM 短接。
有的变频器没有+24V 直流电,需外接一个直流电源。
三肯变频器VM05系列恒压供水参数程序调试方法
Cd1=2 (外部信号控制启动停止, 即:DI1和DCM1,启动端子闭合即启动)
Cd7=50 (上限频率)
Cd8=10-20(下限频率)
Cd19加速时间 根据需要适当调节
Cd23减速时间 根据需要适当调节
Cd29=设置现场所需压力,=5大约对应1公斤压力值。
Cd53=电机参数
Cd55=50(增益频率 对应压力表的最大值 )
(如:设50对应1Mp 压力表 ,1公斤压力值设定为Cd29=50/10=5)
Cd71=3 (选择内置PID 控制)
Cd120=1 (压力反馈信号为0-5V )(Cd120=5,反馈信号为4-20mA )
Cd122=2.0(比例增益)
Cd123=0.5(积分增益)
Cd125= (如果压力波动较大,适当调大)(60)
Cd680=120
适当调节比例增益和积分增益可调节压力变化的快慢。
用压力变送器时4-20mA 信号 , 正端接24V 端子. 负端接IRF 端子。
然后,在把ACM 和DCM1短接,
用远传压力表时,+V1接压力表的高端,VRF1接压力表的中间抽头,ACM 接压力表的低端 遇到一些问题时的处理方法:
1. 有时压力变化太快,容易产生过电流,适当下调Cd122=1.0(比例增益) 和Cd123=0.5(积分增益) 有时,可降低一下上限频率Cd7=50 (上限频率)。
2. 过电流一般是负载过大引起,可适当调节Cd43, 潜水电泵电流大,建议选变频器,除了考虑功率外,主要看负载电流大小。
3. 当压力表波动太大时,可适当上调反馈滤波时间Cd125。
4. 压力表中间的抽头(动端)一定要接到VRF1上,另外两个接线端,接+V1和VRF1,如果接反的话,频率只会在1HZ 运行,调一下线即可。
以上参数的调整针对大多数情况,根据现场情况,适当优化参数。
三肯变频器VM06系列恒压供水参数(一拖一)
F1007=50 上限频率
F1008=15 下限频率(一般设定在10-20)
F1101=2 外部信号控制启停,即:DI1与DCM1,启动端子闭合即启动
(F1104=0.01 休眠功能)
(F1202=19)
F1402=50 增益频率
F3002=2 压力反馈值的选择0-10V
F3003=1 比例增益
F3004=1 积分增益
F3201=1 选择PID控制
F8007=15 单泵模式
(F8018=95)
(F8019=0.1)
F8022= 压力指令,设定压力
F8024= 压力表的最大量程(1Mpa的压力表,要求达到0.4Mpa,即4公斤,则设置参数为F8022=0.4,F8024=1)
适当调节比例增益和积分增益可调节压力变化的快慢。
用远传压力表时,+V1接压力表的高端,VRF1接压力表的中间抽头,ACM接压力表的低端遇到一些问题时的处理方法:
1.有时压力变化太快,容易产生过电流,适当下调风F3003(比例增益) 和F3004(积分增益) 有时,可降低一下上限频率F1007 (上限频率)。
2.过电流一般是负载过大引起,可适当调节F1701, 潜水电泵电流大,建议选变频器,除了考虑功率外,主要看负载电流大小。
3.当压力表波动太大时,可适当上调反馈滤波时间F3007。
4.压力表中间的抽头(动端)一定要接到VRF1上,另外两个接线端,如果接反的话,频率只会在1HZ运行,调一下线即可。
以上参数的调整针对大多数情况,根据现场情况,适当优化参数。
压力表判断方法:
用万用表欧姆档分别量压力表两端的阻值,其中阻值最大的一次万用表两表笔分别接的高端和低端,另一端为中端,与中端阻值大的一端为高端,另一端为低端。