临时用电审批单
- 格式:pdf
- 大小:76.20 KB
- 文档页数:1
临时用电审批制度模版第一章总则第一条为控制和规范临时用电,确保用电安全,提高用电效率,制定本制度。
第二条本制度适用于需要进行临时用电的单位和个人。
第三条临时用电指在正式供电未到位前或正式供电无法满足需求时,采用临时供电设备进行供电。
第四条临时用电应严格按照国家和地方相关法律法规的要求进行申请、审批和使用。
第二章申请程序第五条申请临时用电的单位或个人应向供电部门提交书面申请,并提供以下材料:(一)用电位置及用电负荷的相关资料;(二)临时供电设备安装位置图;(三)供电设备和线路的安装维护方案;(四)临时用电费用支付方式;(五)其他补充材料。
第六条申请材料应由申请人真实填写,并附上相关证明文件的复印件。
第七条供电部门对申请材料进行审查,如材料不齐或不符合相关要求,应及时通知申请人补正。
第三章审批程序第八条供电部门收到申请材料后,应在三个工作日内完成审查并出具审批意见。
第九条供电部门应根据实际情况进行临时用电的审批,并将审批意见书面通知申请人。
第十条审批意见中应包括以下内容:(一)是否同意临时用电;(二)用电期限;(三)临时供电设备的类型和安装要求;(四)临时用电费用的支付方式;(五)其他补充内容。
第十一条供电部门应将审批意见传达给供电设备安装维护单位,并指导其完成相应工作。
第四章用电管理第十二条临时用电期限按照审批意见执行,不得超过规定的期限。
第十三条临时供电设备的安装和维护应由专业单位负责,确保设备安全可靠。
第十四条临时用电期间,申请人应严格遵守供电部门的用电管理要求,不得违章使用电力设备。
第十五条临时用电费用按照审批意见的要求支付,申请人应按时足额缴纳。
第十六条供电部门有权对临时用电进行监督检查,发现问题及时进行整改,并通知申请人。
第五章违规处理第十七条在临时用电期间,申请人发现用电设备存在安全隐患或故障时,应立即通知供电部门并采取相应措施。
第十八条申请人违反相关规定,擅自拆除、更改临时供电设备的,供电部门有权停止供电并扣除相关违约金。
第1篇一、项目背景随着我国经济的快速发展,建筑工程项目日益增多,临时用电在施工现场的应用越来越广泛。
为确保施工现场临时用电的安全、可靠,防止触电事故的发生,根据《建设工程安全生产管理条例》和《施工现场临时用电安全技术规范》的相关要求,特制定本临时用电施工方案。
二、项目概况1. 项目名称:XX建筑工程2. 项目地点:XX市XX区XX路XX号3. 项目业主:XX房地产开发有限公司4. 施工单位:XX建筑工程有限公司5. 施工周期:自2023年X月X日至2024年X月X日三、临时用电施工方案1. 用电负荷计算根据施工现场的实际情况,经计算,本次临时用电总负荷为400kW。
其中,施工用电负荷为300kW,生活用电负荷为100kW。
2. 电源接入(1)临时用电电源由附近变电站接入,采用10kV高压线路接入施工现场。
(2)高压线路接入点至施工现场配电室采用电缆敷设。
(3)配电室设于施工现场西北角,距离施工现场主入口约100米。
3. 配电系统设计(1)配电系统采用三相四线制,电压等级为380/220V。
(2)配电室设主配电箱、总配电箱、分配电箱三级配电。
(3)主配电箱、总配电箱、分配电箱分别设于配电室、施工现场及各用电点。
4. 线路敷设(1)高压线路采用铠装电缆敷设,电缆截面为400mm²。
(2)低压线路采用聚氯乙烯绝缘电缆敷设,电缆截面为120mm²。
(3)电缆敷设采用埋地敷设,埋设深度不小于0.8米。
5. 用电设备(1)施工用电设备:发电机、变压器、配电箱、开关箱、电缆等。
(2)生活用电设备:照明灯具、插座、空调等。
6. 用电安全措施(1)施工现场所有电气设备必须符合国家相关标准和规定。
(2)施工现场电气设备应由专业电工安装、维修,非专业人员不得擅自操作。
(3)施工现场电气设备应定期进行检查、试验,确保安全可靠。
(4)施工现场电气设备应设置明显的警示标志,严禁非专业人员操作。
(5)施工现场电气设备应设置漏电保护装置,确保用电安全。
临时用电作业审批制度范本第一章总则第一条为了规范和加强临时用电作业管理,保证电气设备的安全运行,提高电力使用效率,制定本制度。
第二条本制度适用于公司内临时用电作业的审批。
第三条临时用电作业是指公司内部为临时配电和临时用电所进行的工作,包括但不限于:布设、更改、拆除电缆、线路、开关、插座、配电箱,以及安装、维修、调试、试验电气设备等活动。
第四条临时用电作业是高风险的作业,需要严格管理和操作,保证工作安全。
第二章审批程序第五条提出临时用电作业申请的相关人员,必须按照规定的程序提交临时用电作业申请。
第六条申请人填写《临时用电作业申请表》,其中包括但不限于以下内容:(一)申请单位及部门的名称;(二)申请人的姓名、职务、联系方式;(三)作业地点的名称、位置和描述;(四)作业起止时间;(五)作业涉及的电气设备和设施;(六)作业的目的、方法和要求;(七)作业中可能存在的危险和风险控制措施;(八)作业人员的安全防护要求;(九)申请人的签字和日期。
第七条申请人在填写申请表时,应详细、准确、完整地填写相关信息,并提供必要的附件证明。
第八条申请人应将填写完整的申请表连同附件证明提交给所在部门的主管。
第九条部门主管收到申请后,应在三个工作日内审核申请内容,包括但不限于以下方面:(一)作业是否符合安全技术标准和规范要求;(二)作业是否会影响正常生产、设备运行和员工安全;(三)作业所需人员是否具备相关技能和证书;(四)作业中可能存在的危险和风险控制措施是否有效;(五)申请的时间是否合理;(六)其他对作业安全和效率的影响因素。
第十条部门主管完成审核后,应将申请表连同审核意见和建议提交给安全科或设备管理科。
第十一条安全科或设备管理科应在五个工作日内对申请进行最终审批,包括但不限于以下方面:(一)对申请表中所填写的信息进行核实和确认;(二)对作业中可能存在的危险和风险进行评估和规避措施确定;(三)对申请的时间安排进行调整和协调;(四)对作业人员进行相关培训和安全方面的指导。
临时用电作业审批单
1. 基本信息
•作业单位名称:
•作业单位地址:
•联系电话:
•作业负责人姓名:
•作业负责人电话:
•作业人员:
•作业时间:
•审批日期:
2. 申请事由
请说明本次作业需求及原因:
3. 作业范围及时限
作业范围及使用电气设备类型及功率:
作业起止时间:
4. 安全预防措施
请说明作业时的安全预防措施,包括但不限于室内临时用电线路、
接地措施、安全检修、绝缘措施等。
确保在作业过程中防止电流过载、电气火灾等危险情况。
5. 安全考虑
请提供作业现场环境照片和周围环境布局示意图,以及电气用具、
设备的检测合格证明、有效证件等相关材料。
应审核资料齐全后才能
发起本审批。
6. 增加废弃物处理流程
请增加作业时产生的废弃物处理流程,确保环保有序。
7. 安全制度
请详细说明作业人员的安全制度和培训,以便于加强个体安全保障。
8. 审批意见
由于本身临时用电在使用上存在需求、难度和需要许多安全措施,
因此本次审批单依照相关法律、有关程序和安全要素逐一进行审核。
在作业单位提供的文件证明、企业授权书、联合备案、安全指正意见、当前采取安全措施、作业环境以及作业人员和管理人员安全制度等各
方面都得到了科学、客观和权威的审批结论。
在此基础之上,获得了
提交临时用电作业的许可。
作业单位需要在提交之后的前置安排中要
落实好相关的责任,为有序使用临时用电作业提供保障。
建筑工程施工现场临时用电方案审批一、临时用电方案的重要性建筑工程施工现场通常需要使用各种电动工具、机械设备和照明设施,用电量较大且用电环境复杂。
如果临时用电方案不合理或存在安全隐患,可能会导致触电事故、电气火灾等严重后果,不仅会影响施工进度和质量,还会威胁到施工人员的生命安全。
因此,制定科学合理的临时用电方案,并确保其得到严格审批和有效执行,是保障施工现场用电安全的关键。
二、临时用电方案的编制要求1、符合相关标准和规范临时用电方案的编制应严格遵循国家和地方的相关标准和规范,如《施工现场临时用电安全技术规范》(JGJ 46-2005)等。
方案中应包括用电负荷计算、电源选择、线路敷设、配电箱设置、接地与防雷等方面的内容,确保各项技术参数和措施符合规范要求。
2、结合施工现场实际情况方案应充分考虑施工现场的特点和条件,如施工面积、施工工艺、机械设备配置等。
根据实际用电需求,合理确定电源位置、线路走向和配电箱数量,确保用电设备能够正常运行,同时避免线路过长、交叉和混乱。
3、具有可操作性和安全性临时用电方案应简单明了,易于操作和维护。
在方案中应明确各项安全措施和操作规程,如电气设备的安装、调试、使用和维护要求,以及触电事故的应急处理措施等。
确保施工人员能够按照方案要求正确使用电气设备,避免因操作不当引发安全事故。
三、临时用电方案审批的流程1、施工单位内部审核施工单位完成临时用电方案的编制后,应首先在内部进行审核。
审核人员通常包括项目经理、技术负责人、电气工程师等。
审核的重点包括方案的完整性、准确性、可行性和安全性等方面。
对于审核中发现的问题,应及时进行修改和完善。
2、监理单位审批施工单位内部审核通过后,将临时用电方案提交给监理单位进行审批。
监理单位应组织专业监理工程师对方案进行认真审查,提出审查意见。
如果方案存在问题,施工单位应根据监理单位的意见进行修改,直至方案符合要求。
3、建设单位审批监理单位审批通过后,临时用电方案还需提交给建设单位进行审批。
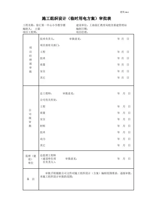
临时用电施工组织设计审批表(可以直接使用,可编辑实用优秀文档,欢迎下载)施工组织设计(方案)审批记录湘质监统批施2002—10施工组织设计(方案)内部审批表施工组织设计(方案)内部审批表(续)施工组织设计(方案)修改申请表编制说明1. 本施工方案是根据XX工程设计图纸、中华人民共和国现行有关规范、标准、规程、图集以及有关地方行业标准、规程、图集、我公司现行管理办法、项目现场实际情况编制而成。
2. 本施工方案与本工程施工组织设计配合使用。
3. 本施工方案发放范围:建设单位、监理单位生产副经理、项目工程技术部、合约预算部、质量安全部、项目技术负责人、物资设备部、机电部审批:XX项目经理部二○○七年五月十六日施工现场防火、消防专项方案审批表货用升降机专项施工方案审批表施工组织设计审批表工程名称:建设单位:设计单位:施工单位:江苏地质基桩工程公司监理单位:编制人:编制日期:年月日施工组织设计/(方案)报审表工程名称;庐江·中心城44#楼庐江·中心城37#~45#楼工程群塔吊防碰撞措施江苏华江建设集团二O一三年十月庐江·中心城41#楼工程工程质量资料江苏华江建设集团施工组织设计、施工方案审批表施工组织设计/(专项)施工方案报审表工程名称:中粮可口可乐华中新厂建设项目工程注:本表一式三份,项目监理机构、建设单位、施工单位各一份。
施工组织设计、施工方案审批表施工组织设计/(专项)施工方案报审表工程名称:中粮可口可乐华中新厂建设项目工程注:本表一式三份,项目监理机构、建设单位、施工单位各一份。
施工组织设计、施工方案审批表施工组织设计/(专项)施工方案报审表工程名称:中粮可口可乐华中新厂建设项目工程注:本表一式三份,项目监理机构、建设单位、施工单位各一份。
施工组织设计、施工方案审批表施工组织设计/(专项)施工方案报审表工程名称:中粮可口可乐华中新厂建设项目工程注:本表一式三份,项目监理机构、建设单位、施工单位各一份。
作业许可审批单背景在进行某些危险作业时,为了保证操作人员的生命安全和设备设施的完好,必须严格审批许可,并按照许可的要求进行操作。
本文将介绍三种需要审批许可的危险作业:动火作业、高处作业和受限空间作业,并介绍需要特别注意的临时用电作业。
动火作业动火作业是指用明火或者产生高温高热的设备进行作业的过程,如焊接、切割、烘烤等。
由于动火作业可能引发火灾或爆炸,因此需要对其进行审批许可。
在审批许可时,需要注意以下几点:1.确认动火地点的防火措施是否完善;2.确认动火作业使用的机具设备是否安全可靠;3.对动火前进行安全培训,工人必须有使用安全设备的能力;4.对动火现场的环境进行检查,消除可能存在的火源;5.动火期间必须有专人盯着,随时准备救火。
高处作业高处作业是指在高空环境下进行作业的过程,如钢结构施工、高空清洗等。
由于高处作业需要在高空中进行,操作人员的生命安全风险也相应增大,因此需要对其进行审批许可。
在审批许可时,需要注意以下几点:1.应根据高度和危险程度划分风险等级,制定高处作业计划;2.确认在高处作业前,安全保护装置已经建立,并确保安全保护装置能够确保操作人员的生命安全;3.作业前必须进行安全培训,操作人员必须有使用安全设备的能力;4.监测天气状况,不适宜在狂风暴雨天气下进行作业;5.作业前,应配备安全索具,必须按照操作规程进行操作。
受限空间作业受限空间作业是指危险作业人员必须进入或进行维护、清洗等工作的有限空间内的工作,在受限空间内,存在着缺氧、有毒气体、有害物质以及高温等危险因素,因此需要对其进行审批许可。
在审批许可时,需要注意以下几点:1.确认受限空间的检测结果符合安全标准;2.确认受限空间的通风设施是否正常;3.在作业前必须进行安全培训,操作人员必须有使用安全设备的能力;4.在受限空间内必须配备足够多的工作灯;5.应保持受限空间不锈钢工作区域干净、整洁及免毒、免尘、免液。
临时用电作业在以上三种危险作业中,临时用电都是必需的。
临时用电作业审批单
备注:
1、临时用电作业安全要求:
(1)在正式运行的电源上所接的一切临时用电,应办理“临时用电作业许可证”。
(2)在运行的生产装置、罐区和具有火灾爆炸危险场所内一般不允许接临时电源。
确属装置生产、检修施工需要时,需办理“临时用电作业许可证”
(3)作业前,针对作业内容应进行危害识别,制定相应的作业程序及安全措施。
(4)将安全措施填入“临时用电作业许可证”内。
2、其他选项见《临时用电作业风险分析和安全措施》(见附录B)。
3、本证作业内容变更,扩大作业范围或转移作业部位时,应重新办理。
对作业审批手续不全、安全措施不落实、作业环境不符合安全要求的作业人员有权拒绝作业。
4、本证一式三联,第一联存根联由审批部门存查,第二、三联分别交作业负责人、监护人。
临时用电作业风险分析和安全措施。
临时用电审批单
申请日期:
年月日审批单编号:备注:本表一式三联申请(临时用电)单位
申请单位负责人申请单位责任人电话
临时用电(原因)申请用电地点
申请用电日期用电设备名称
用电容量(千瓦)预计用电持续时间
自日时分至日时分操作人看护(现场管理)人
临时用电作业单位已
采取的安全措施及承
诺1,临时用电单位已采取了以下安全措施,保证动火作业期间的安全:
a ,电工作业时应按要求佩戴绝缘防护用品,必须持证上岗。
b ,用电单位操作人员在接电源时必须由本公司人员(电工、)陪同,并指定接电位置。
严
禁乱拉乱牵。
c,电源线必须完好,无破损。
严禁使用不符合规范的电源线、插座、严禁超负荷使用。
d,在潮湿场所或金属构架上,严禁使用I 类手持式电动工具。
2,临时用电单位需承担因作业造成损失的责任。
申请人签字:
生产部审批意见
审核人:批准人:
设备用电审批意见
审核人:
批准人:备注1,申请临时用电单位人员必须具备相关的上岗资格证明及消防上岗证。
2,临时用电审批当日有效。