隐蔽工程验收记录(防雷接地)
- 格式:doc
- 大小:228.50 KB
- 文档页数:34
接地隐蔽验收记录防雷接地项目名称:防雷接地工程隐蔽验收记录施工单位:xxx建筑工程有限公司验收单位:xxx建设管理有限公司验收人员:xxx一、工程概况1.1工程名称:防雷接地工程1.2 工程地点:xxx地区1.3 施工期限:xxxx-xxxx二、工程内容根据设计要求和技术规范,本工程的内容包括但不限于以下项目:2.1XXXX2.2XXXX2.3XXXX三、施工情况3.1 施工时间:xxxx年xx月xx日-xxxx年xx月xx日3.2 施工人员:本次施工共有xxx名人员参与,其中xxx为专业技术人员。
3.3 使用材料:本次施工使用的主要材料有:xxx3.4工艺流程:根据设计要求和技术规范,施工按照以下工艺流程完成:xxxx四、验收情况4.1 验收时间:xxxx年xx月xx日4.2验收标准:根据相关的技术规范和设计要求,本次验收参照以下标准进行:xxxx4.3验收内容:4.3.1现场勘察:验收人员在现场对接地设备的位置、设置、连接等进行仔细勘察,检查是否存在与设计不符、不合理等问题。
4.3.2设备测试:验收人员通过仪器设备对接地电阻进行测量,判断接地设备的性能是否符合要求。
4.3.3现场记录:验收人员对勘察和测试结果进行详细的记录,包括图片、说明、测量数据等,方便后续的检查和评估。
4.4验收结论:根据勘察和测试结果,本次接地工程的隐蔽工程符合设计要求及技术规范的要求,验收合格。
五、存在问题及处理在本次验收过程中,未发现问题及处理。
六、施工质量评定本次隐蔽验收结果表明,施工质量达到了设计要求和技术规范的要求,符合相关标准。
施工单位在本工程的建设中,按照合同约定,按时完成施工任务,保证了施工质量和进度。
七、验收意见及建议7.1验收意见:本次防雷接地工程隐蔽验收合格。
7.2建议:施工单位在后续工程建设过程中,应进行定期维护和检测,确保接地设备长期有效,防止由于设备老化等原因导致防雷功能失效。
八、附件1.图片记录:共x张2. 测量数据表:xxxx以上为本次防雷接地工程隐蔽验收记录,供相关单位参考。
隐蔽工程验收记录(防雷接
地)
-标准化文件发布号:(9456-EUATWK-MWUB-WUNN-INNUL-DDQTY-KII
隐蔽工程验收记录
(防雷接地工程)
编号: YBJLⅠ-8-1
单位工程名称烟囱分项工程名称附属设施工程验收部位接地施工图号F051S-D1012-04
验收内容隐蔽内容;
1、引下线为两根φ16圆钢,接头为搭接焊,长度为150mm;
2、接地干线为-80×6扁钢,沿基础外围铺设;
3、接地极为φ57×3.5,L=2500mm镀锌圆钢,具体如附图所示,与接地干线焊接,焊接处用防腐油漆涂刷。
附图;
施工单位
检查结果班组长:项目专业质量检查员:
项目专业技术负责人:年月日
监理单位
验收结论
专业监理工程师:年月日。
接地隐蔽验收记录梳理一、项目概述为保障建筑物及其周边设备的安全运行,防范雷电对设备和人员的危害,本次工程进行了防雷接地的隐蔽验收。
本次工程涉及建筑物主体、电气设备、通信设备等各个方面,旨在确保全面高效的防雷接地系统的建立和运行。
二、隐蔽验收的目的1.对项目是否按照设计要求进行施工,验收施工质量的合格与否。
2.确认接地系统的设计和施工流程是否符合规范和标准。
3.确保接地系统的良好运行,有效防止雷电对设备和人员造成危害。
三、隐蔽验收的原则和方法1.根据设计文件和规范要求,检查接地系统的施工工艺和材料是否符合要求。
2.进行必要的现场检测,验证接地系统的电阻、等效电路和可靠性。
3.检查施工记录和相关资料,确认整个接地系统施工过程的合规性。
四、隐蔽验收的具体内容1.施工文件及材料的检查-检查工程施工图纸、雷电保护专项施工方案等设计文件是否完整、准确。
-检查工程所用材料是否合格,如导体、接地母线、电极及连接件、接地剂等。
-检查所用设备、工具是否符合标准和要求。
2.施工现场的检查-检查施工现场是否按照设计文件要求进行施工,是否存在工程质量问题。
-检查接地设备的安装情况,包括接地母线、接地电极、接地剂等是否符合规范要求。
-检查施工现场的安全措施是否到位,如施工围挡、警示标识等。
3.接地系统的测试和验证-进行接地电阻测量,验证接地系统的电阻是否符合设计要求。
-进行接地电位差测量,验证接地系统的有效性和可靠性。
-使用专业设备对接地系统进行全面测试,检查接地电流、等效电路等参数是否符合要求。
4.施工记录和资料的审查-检查施工过程中所填写的记录表和报告,确认记录的完整性和准确性。
-检查施工过程中所使用的材料和设备的合格证明和资料。
五、隐蔽验收的结果及处理意见1.根据隐蔽验收的内容和结果,给出接地系统的施工质量评价。
2.对于存在的问题和不符合要求的地方,提出整改意见和处理措施。
3.对接地系统施工中发现的合格的材料和设备,提供相应的评估和认可。
避雷及接地装置接地隐蔽工程验收记录GB50303—2002 技06-04-工程名称雅美新居6#住宅楼子分部工程名称防雷及接地施工单位新乡市获嘉建筑安装工程总公司验收日期2005.设计单位及图纸编号河南省机电设计院电施-1、4类别部位名称材质规格数量连接方法长度(m)埋深(m)排列形式顶端与地表距离(m)利用基础的接地装置条基钢筋12107焊接0.15地圈梁钢筋12焊接筏板立柱(引上线)钢筋147焊接0.15人工接地装置接地体镀锌扁铁-40*4 2 焊接-0.8 接地母线引上线示意图及说明:1、利用基础周边钢筋通焊,搭接12D单面焊。
2、作为引下线的GZ四根通焊与基础钢筋搭接12D单面焊。
3、各类金属管道按规范要求与地网导通。
4、从建筑物北立面东西两角室外地坪-0.8处从引下线焊接引出-40*4镀锌扁铁引至室外散水外0.5以备人工重复接地.施工单位监理(建设)单位验收意见:符合设计及规范要求验收意见:项目专业工长(施工员):项目专业质量检查员:项目专业监理工程师:2005年月日(公章)年月日(公章)郑州市工程质量监督站监制电线、电缆导管隐蔽工程验收记录电线、电缆导管隐蔽工程验收记录GB50303—2002 技电线、电缆导管隐蔽工程验收记录验收意见:符合设计及规范要求。
验收意见:项目专业工长(施工员):项目专业质量检查员:项目专业监理工程师:2005年月日(公章)年月日(公章)避雷及接地引线(侧击雷)隐蔽工程验收记录GB50303—2002 技06-05-工程名称雅美新居6#住宅楼子分部工程名称防雷及接地施工单位新乡市获嘉建筑安装工程总公司验收日期2005.设计单位及图纸编号河南省机电设计院电施-1、4类别部位层段或标高(m)材质规格数量连接方法引线GZ 一层○A/○2、○12钢筋14 7 电渣压力焊○D/○1、○13○E/○3、○6、○11侧击雷外窗均压环接闪器示意图及说明:1、施工详见电施-1、4。
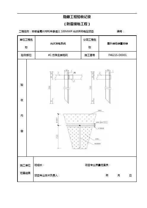
隐蔽工程验收记录(防雷接地工程)工程名称:安徽省亳州市利辛县信义100MWP光伏并网电站项目编号:单位工程名称光伏发电系统分项工程名称屋外接地装置安装验收部位#1方阵主接地网施工图号F4621S-D0301验收内容施工单位检查结果班组长:项目专业质量检查员:项目专业技术负责人:年月日监理单位验收结论隐蔽工程验收记录(防雷接地工程)工程名称:安徽省亳州市利辛县信义100MWP光伏并网电站项目编号:单位工程名称光伏发电系统分项工程名称屋外接地装置安装验收部位#2方阵主接地网施工图号F4621S-D0301验收内容隐蔽工程验收记录(防雷接地工程)工程名称:安徽省亳州市利辛县信义100MWP光伏并网电站项目编号:验收内容施工单位检查结果班组长:项目专业质量检查员:项目专业技术负责人:年月日监理单位验收结论隐蔽工程验收记录(防雷接地工程)工程名称:安徽省亳州市利辛县信义100MWP光伏并网电站项目编号:单位工程名称光伏发电系统分项工程名称屋外接地装置安装验收部位#4方阵主接地网施工图号F4621S-D0301验收内容施工单位检查结果班组长:项目专业质量检查员:项目专业技术负责人:年月日监理单位验收结论隐蔽工程验收记录(防雷接地工程)工程名称:安徽省亳州市利辛县信义100MWP光伏并网电站项目编号:单位工程名称光伏发电系统分项工程名称屋外接地装置安装验收部位#5方阵主接地网施工图号F4621S-D0301验收内容施工单位检查结果班组长:项目专业质量检查员:项目专业技术负责人:年月日监理单位验收结论隐蔽工程验收记录(防雷接地工程)工程名称:安徽省亳州市利辛县信义100MWP光伏并网电站项目编号:单位工程名称光伏发电系统分项工程名称屋外接地装置安装验收部位#6方阵主接地网施工图号F4621S-D0301验收内容隐蔽工程验收记录(防雷接地工程)工程名称:安徽省亳州市利辛县信义100MWP光伏并网电站项目编号:验收内容施工单位检查结果班组长:项目专业质量检查员:项目专业技术负责人:年月日监理单位验收结论隐蔽工程验收记录(防雷接地工程)工程名称:安徽省亳州市利辛县信义100MWP光伏并网电站项目编号:单位工程名称光伏发电系统分项工程名称屋外接地装置安装验收部位#8方阵主接地网施工图号F4621S-D0301验收内容施工单位检查结果班组长:项目专业质量检查员:项目专业技术负责人:年月日监理单位验收结论隐蔽工程验收记录(防雷接地工程)工程名称:安徽省亳州市利辛县信义100MWP光伏并网电站项目编号:单位工程名称光伏发电系统分项工程名称屋外接地装置安装验收部位#9方阵主接地网施工图号F4621S-D0301验收内容施工单位检查结果班组长:项目专业质量检查员:项目专业技术负责人:年月日监理单位验收结论隐蔽工程验收记录(防雷接地工程)工程名称:安徽省亳州市利辛县信义100MWP光伏并网电站项目编号:单位工程名称光伏发电系统分项工程名称屋外接地装置安装验收部位#10方阵主接地网施工图号F4621S-D0301验收内容隐蔽工程验收记录(防雷接地工程)工程名称:安徽省亳州市利辛县信义100MWP光伏并网电站项目编号:验收内容施工单位检查结果班组长:项目专业质量检查员:项目专业技术负责人:年月日监理单位验收结论隐蔽工程验收记录(防雷接地工程)工程名称:安徽省亳州市利辛县信义100MWP光伏并网电站项目编号:单位工程名称光伏发电系统分项工程名称屋外接地装置安装验收部位#12方阵主接地网施工图号F4621S-D0301验收内容施工单位检查结果班组长:项目专业质量检查员:项目专业技术负责人:年月日监理单位验收结论隐蔽工程验收记录(防雷接地工程)工程名称:安徽省亳州市利辛县信义100MWP光伏并网电站项目编号:单位工程名称光伏发电系统分项工程名称屋外接地装置安装验收部位#13方阵主接地网施工图号F4621S-D0301验收内容施工单位检查结果班组长:项目专业质量检查员:项目专业技术负责人:年月日监理单位验收结论隐蔽工程验收记录(防雷接地工程)工程名称:安徽省亳州市利辛县信义100MWP光伏并网电站项目编号:单位工程名称光伏发电系统分项工程名称屋外接地装置安装验收部位#14方阵主接地网施工图号F4621S-D0301验收内容隐蔽工程验收记录(防雷接地工程)工程名称:安徽省亳州市利辛县信义100MWP光伏并网电站项目编号:验收内容施工单位检查结果班组长:项目专业质量检查员:项目专业技术负责人:年月日监理单位验收结论隐蔽工程验收记录(防雷接地工程)工程名称:安徽省亳州市利辛县信义100MWP光伏并网电站项目编号:单位工程名称光伏发电系统分项工程名称屋外接地装置安装验收部位#16方阵主接地网施工图号F4621S-D0301验收内容施工单位检查结果班组长:项目专业质量检查员:项目专业技术负责人:年月日监理单位验收结论隐蔽工程验收记录(防雷接地工程)工程名称:安徽省亳州市利辛县信义100MWP光伏并网电站项目编号:单位工程名称光伏发电系统分项工程名称屋外接地装置安装验收部位#17方阵主接地网施工图号F4621S-D0301验收内容施工单位检查结果班组长:项目专业质量检查员:项目专业技术负责人:年月日监理单位验收结论隐蔽工程验收记录(防雷接地工程)工程名称:安徽省亳州市利辛县信义100MWP光伏并网电站项目编号:单位工程名称光伏发电系统分项工程名称屋外接地装置安装验收部位#18方阵主接地网施工图号F4621S-D0301验收内容隐蔽工程验收记录(防雷接地工程)工程名称:安徽省亳州市利辛县信义100MWP光伏并网电站项目编号:验收内容施工单位检查结果班组长:项目专业质量检查员:项目专业技术负责人:年月日监理单位验收结论隐蔽工程验收记录(防雷接地工程)工程名称:安徽省亳州市利辛县信义100MWP光伏并网电站项目编号:单位工程名称光伏发电系统分项工程名称屋外接地装置安装验收部位#20方阵主接地网施工图号F4621S-D0301验收内容施工单位检查结果班组长:项目专业质量检查员:项目专业技术负责人:年月日监理单位验收结论隐蔽工程验收记录(防雷接地工程)工程名称:安徽省亳州市利辛县信义100MWP光伏并网电站项目编号:单位工程名称光伏发电系统分项工程名称屋外接地装置安装验收部位#21方阵主接地网施工图号F4621S-D0301验收内容施工单位检查结果班组长:项目专业质量检查员:项目专业技术负责人:年月日监理单位验收结论隐蔽工程验收记录(防雷接地工程)工程名称:安徽省亳州市利辛县信义100MWP光伏并网电站项目编号:单位工程名称光伏发电系统分项工程名称屋外接地装置安装验收部位#22方阵主接地网施工图号F4621S-D0301验收内容隐蔽工程验收记录(防雷接地工程)工程名称:安徽省亳州市利辛县信义100MWP光伏并网电站项目编号:验收内容施工单位检查结果班组长:项目专业质量检查员:项目专业技术负责人:年月日监理单位验收结论隐蔽工程验收记录(防雷接地工程)工程名称:安徽省亳州市利辛县信义100MWP光伏并网电站项目编号:单位工程名称光伏发电系统分项工程名称屋外接地装置安装验收部位#24方阵主接地网施工图号F4621S-D0301验收内容施工单位检查结果班组长:项目专业质量检查员:项目专业技术负责人:年月日监理单位验收结论隐蔽工程验收记录(防雷接地工程)工程名称:安徽省亳州市利辛县信义100MWP光伏并网电站项目编号:单位工程名称光伏发电系统分项工程名称屋外接地装置安装验收部位#25方阵主接地网施工图号F4621S-D0301验收内容施工单位检查结果班组长:项目专业质量检查员:项目专业技术负责人:年月日监理单位验收结论隐蔽工程验收记录(防雷接地工程)工程名称:安徽省亳州市利辛县信义100MWP光伏并网电站项目编号:单位工程名称光伏发电系统分项工程名称屋外接地装置安装验收部位#26方阵主接地网施工图号F4621S-D0301验收内容隐蔽工程验收记录(防雷接地工程)工程名称:安徽省亳州市利辛县信义100MWP光伏并网电站项目编号:验收内容施工单位检查结果班组长:项目专业质量检查员:项目专业技术负责人:年月日监理单位验收结论隐蔽工程验收记录(防雷接地工程)工程名称:安徽省亳州市利辛县信义100MWP光伏并网电站项目编号:单位工程名称光伏发电系统分项工程名称屋外接地装置安装验收部位#28方阵主接地网施工图号F4621S-D0301验收内容施工单位检查结果班组长:项目专业质量检查员:项目专业技术负责人:年月日监理单位验收结论隐蔽工程验收记录(防雷接地工程)工程名称:安徽省亳州市利辛县信义100MWP光伏并网电站项目编号:单位工程名称光伏发电系统分项工程名称屋外接地装置安装验收部位#29方阵主接地网施工图号F4621S-D0301验收内容施工单位检查结果班组长:项目专业质量检查员:项目专业技术负责人:年月日监理单位验收结论隐蔽工程验收记录(防雷接地工程)工程名称:安徽省亳州市利辛县信义100MWP光伏并网电站项目编号:单位工程名称光伏发电系统分项工程名称屋外接地装置安装验收部位#30方阵主接地网施工图号F4621S-D0301验收内容隐蔽工程验收记录(防雷接地工程)工程名称:安徽省亳州市利辛县信义100MWP光伏并网电站项目编号:验收内容施工单位检查结果班组长:项目专业质量检查员:项目专业技术负责人:年月日监理单位验收结论隐蔽工程验收记录(防雷接地工程)工程名称:安徽省亳州市利辛县信义100MWP光伏并网电站项目编号:单位工程名称光伏发电系统分项工程名称屋外接地装置安装验收部位#32方阵主接地网施工图号F4621S-D0301验收内容施工单位检查结果班组长:项目专业质量检查员:项目专业技术负责人:年月日监理单位验收结论隐蔽工程验收记录(防雷接地工程)工程名称:安徽省亳州市利辛县信义100MWP光伏并网电站项目编号:单位工程名称光伏发电系统分项工程名称屋外接地装置安装验收部位#33方阵主接地网施工图号F4621S-D0301验收内容施工单位检查结果班组长:项目专业质量检查员:项目专业技术负责人:年月日。
基础防雷接地隐蔽工程验收记录工程地点:XXX施工单位:XXX验收单位:XXX工程开始时间:XXXX年XX月XX日工程完工时间:XXXX年XX月XX日一、验收目的:本次验收旨在对基础防雷接地工程进行检查和验收,确保施工符合设计要求和相关规范标准,确保工程质量和安全。
二、验收范围:本次验收的范围包括但不限于以下内容:1.基础防雷接地的施工图纸、材料和规格明细等文件资料;2.基础防雷接地工程的施工过程、工艺和验收情况;3.基础防雷接地系统的性能测试和检测结果;4.基础防雷接地工程的质量和安全控制措施的实施情况。
三、验收内容:1.现场材料检查:对施工现场材料进行检查,包括地线、接地极、接地装置及其他相关材料。
检查要求材料质量符合设计要求和规范标准,无损坏、锈蚀等质量问题。
2.施工工艺和质量检查:对施工过程和工艺进行检查,包括施工工艺的合理性、施工质量控制措施的实施情况等。
检查要求施工工艺符合设计要求和规范标准,工艺流程合理,施工质量符合要求。
3.性能测试与检验:对基础防雷接地系统进行性能测试和检验,包括接地电阻测试、绝缘电阻测试、电位差测试等。
测试和检验要求系统性能符合设计要求和规范标准,测试结果符合要求。
4.安全检查:对基础防雷接地工程的施工现场进行安全检查,包括施工现场的安全设施和施工人员的安全操作情况。
检查要求施工现场的安全措施完备,施工人员按照规定进行安全操作。
四、验收结论:经过检查和测试,对基础防雷接地隐蔽工程进行了验收1.施工材料符合设计要求和规范标准,质量良好。
2.施工工艺和质量控制措施合理有效,施工质量符合要求。
3.基础防雷接地系统的性能测试结果符合设计要求和规范标准。
4.施工现场的安全设施完备,施工人员按照规定进行了安全操作。
基于上述情况,谨向施工单位授权基础防雷接地隐蔽工程通过验收。
同时,提醒施工单位按照相关规定做好后续工程的完善及维护工作,确保工程的长期质量和安全。
基础防雷接地隐蔽工程验收记录项目名称:基础防雷接地隐蔽工程
项目编号:
验收日期:
验收人员:
一、工程基本情况:
1.工程名称:
2.工程地点:
3.建设单位:
4.施工单位:
5.设计单位:
6.监理单位:
7.工程性质:
二、工程验收依据:
1.《中华人民共和国工程建设施工质量管理条例》;
2.工程设计文件;
3.监理单位出具的监理记录;
4.其他相关规范和规定。
三、工程验收内容及结果:
1.地基处理:
(1)工程要求(设计要求,监理和施工单位的要求);
(2)工程进度;
(3)工程质量。
2.接地装置:
(1)接地装置的种类和数量;
(2)接地装置的材料和规格;
(3)接地装置的安装位置和方法;
(4)接地装置的防腐措施;
(5)接地装置的质量。
3.接地系统的连通性:
(1)接地系统的连通性测试方法;
(2)接地系统的测试数据;
(3)接地系统的测试结论。
4.施工质量记录:
(1)施工过程中的质量监控;
(2)施工过程中的质量整改情况。
四、工程验收结论:
根据实际工程情况和施工质量,现认为基础防雷接地隐蔽工程符合规范和设计要求,可以进行隐蔽验收。
五、工程存在的问题及整改措施:
(根据实际情况填写)
六、工程隐蔽工程验收记录:
(根据实际情况填写)
七、其他事项:
(如有其他需要记录的事项,可在此处填写)
八、附件:
(如需要附加一些相关的文件和资料,可在此处列出)
签名:
建设单位:
施工单位:
设计单位:
监理单位:。
基础防雷接地隐蔽工程验收记录
基础防雷接地
隐蔽工程验收记录
防雷接地隐蔽工程验收记录
防雷接地隐蔽工程验收记录
防雷接地隐蔽工程验收记录
防雷接地隐蔽工程验收记录
防雷接地隐蔽工程验收记录
防雷接地隐蔽工程验收记录
防雷接地隐蔽工程验收记录
防雷接地隐蔽工程验收记录
防雷接地隐蔽工程验收记录
防雷接地隐蔽工程验收记录
防雷接地隐蔽工程验收记录
防雷接地隐蔽工程验收记录
防雷接地隐蔽工程验收记录
防雷接地隐蔽工程验收记录
防雷接地隐蔽工程验收记录
防雷接地隐蔽工程验收记录
防雷接地隐蔽工程验收记录
防雷接地隐蔽工程验收记录
防雷接地隐蔽工程验收记录
安装单位检查评定
结果专业工长(施
工员)
测试人员
符合设计规范规定要求。
(公章)
项目专业质量检查员:年月日
监理(建设)单位
验收结论
(公章)
专业监理工程师(建设单位项目专业技术负责人):年月日。
防雷接地隐蔽工程验收记录一、项目概述本次隐蔽工程验收项目为防雷接地工程,施工地点为XX建筑工地。
本工程旨在确保建筑物在雷电活动中具有良好的接地能力,从而保护建筑物及其内部设备的安全。
二、验收内容及标准1.采用的接地装置材料符合相关国家标准,并具备良好的导电性能。
2.接地系统安装符合设计要求,且与建筑物主体结构之间有良好的连接。
3.接地系统与其他相关设备(如电源系统等)的连接接头符合要求,并留有合适的余量。
4.接地系统与大地之间的接地电阻符合国家标准要求(通常小于4Ω)。
三、验收时间和参与人员本次验收工作于XX年XX月XX日展开,参与人员为:1.建设单位代表;2.防雷施工单位代表;3.监理单位代表。
四、验收过程1.建设单位代表介绍了防雷接地工程的具体情况,包括设计方案、施工进度等,并提供了相关施工记录和资料。
2.防雷施工单位代表向与会人员详细汇报了接地系统的具体施工过程,包括接地装置的选择和安装、接地线材的敷设等。
3.监理单位代表对防雷接地工程进行了现场检查,核对了施工记录和相关设备的规格参数。
4.参与人员对整体工程进行了多次讨论和交流,并对存在的问题进行了逐一的梳理和解决。
五、验收结果1.施工单位提供的施工记录、安装资料和材料凭证齐全,并与工程实际情况相符。
2.防雷接地工程的施工质量符合设计要求和国家标准,接地系统的导通性良好,接地电阻满足要求。
3.监理单位对防雷接地工程给予了肯定,认为该工程符合相关要求。
六、存在的问题及解决措施经过讨论和检查1.部分接地线材未按设计要求进行敷设,需要重新进行整理和固定。
2.接地装置的连接接头存在一定的松动情况,需要进行重新检查和紧固。
为解决以上问题,参与人员一致决定:1.部分接地线材将在XX日前重新敷设,并进行充分的固定。
2.接地装置的连接接头将在XX日前进行检查和紧固。
七、验收结论本次防雷接地隐蔽工程验收过程中,参与人员就工程的施工情况、设备的规格参数等进行了全面的审查和检查,并经过多次的讨论和研究,最终确定了存在的问题和解决措施。
NO:XZFL-06
注:此表一式四份,建设单位、施工单位、监理单位、雷电防护中心各一份
NO:XZFL-04
注:此表一式四份,建设单位、施工单位、监理单位、雷电防护中心各一份
NO:XZFL-05
注:此表一式四份,建设单位、施工单位、监理单位、雷电防护中心各一份
NO:XZFL-03
注:此表一式四份,建设单位、施工单位、监理单位、雷电防护中心各一份
NO:XZFL-02
注:此表一式四份,建设单位、施工单位、监理单位、雷电防护中心各一份
NO:XZFL-07
注:此表一式四份,建设单位、施工单位、监理单位、雷电防护中心各一份
NO:XZFL-08
NO:XZFL-09
NO:XZFL-01
注:此表一式四份,建设单位、施工单位、监理单位、雷电防护中心各一份。
接地隐蔽验收记录(总34页) -CAL-FENGHAI.-(YICAI)-Company One1-CAL-本页仅作为文档封面,使用请直接删除隐蔽工程验收记录(防雷接地工程)单位工程名称光伏发电系统分项工程名称屋外接地装置安装验收部位#1方阵主接地网施工图号F4621S-D0301验收内容施工单位检查结果班组长:项目专业质量检查员:项目专业技术负责人:年月日监理单位验收结论专业监理工程师:年月日(防雷接地工程)工程名称:安徽省亳州市利辛县信义100MWP光伏并网电站项目编号:单位工程名称光伏发电系统分项工程名称屋外接地装置安装验收部位#2方阵主接地网施工图号F4621S-D0301验收内容隐蔽工程验收记录(防雷接地工程)工程名称:安徽省亳州市利辛县信义100MWP光伏并网电站项目编号:验收内容施工单位检查结果班组长:项目专业质量检查员:项目专业技术负责人:年月日监理单位验收结论专业监理工程师:年月日(防雷接地工程)工程名称:安徽省亳州市利辛县信义100MWP光伏并网电站项目编号:单位工程名称光伏发电系统分项工程名称屋外接地装置安装验收部位#4方阵主接地网施工图号F4621S-D0301验收内容施工单位班组长:项目专业质量检查员:检查结果项目专业技术负责人:年月日监理单位验收结论专业监理工程师:年月日(防雷接地工程)工程名称:安徽省亳州市利辛县信义100MWP光伏并网电站项目编号:单位工程名称光伏发电系统分项工程名称屋外接地装置安装验收部位#5方阵主接地网施工图号F4621S-D0301验收内容施工单位检查结果班组长:项目专业质量检查员:项目专业技术负责人:年月日监理单位验收结论专业监理工程师:年月日(防雷接地工程)工程名称:安徽省亳州市利辛县信义100MWP光伏并网电站项目编号:单位工程名称光伏发电系统分项工程名称屋外接地装置安装验收部位#6方阵主接地网施工图号F4621S-D0301验收内容施工单位检查结果班组长:项目专业质量检查员:项目专业技术负责人:年月日监理单位验收结论专业监理工程师:年月日(防雷接地工程)工程名称:安徽省亳州市利辛县信义100MWP光伏并网电站项目编号:单位工程名称光伏发电系统分项工程名称屋外接地装置安装验收部位#7方阵主接地网施工图号F4621S-D0301验收内容施工单位检查结果班组长:项目专业质量检查员:项目专业技术负责人:年月日监理单位验收结论专业监理工程师:年月日隐蔽工程验收记录(防雷接地工程)工程名称:安徽省亳州市利辛县信义100MWP光伏并网电站项目编号:单位工程名称光伏发电系统分项工程名称屋外接地装置安装验收部位#8方阵主接地网施工图号F4621S-D0301验收内容施工单位检查结果班组长:项目专业质量检查员:项目专业技术负责人:年月日监理单位验收结论专业监理工程师:年月日(防雷接地工程)工程名称:安徽省亳州市利辛县信义100MWP光伏并网电站项目编号:单位工程名称光伏发电系统分项工程名称屋外接地装置安装验收部位#9方阵主接地网施工图号F4621S-D0301验收内容隐蔽工程验收记录(防雷接地工程)工程名称:安徽省亳州市利辛县信义100MWP光伏并网电站项目编号:验收内容施工单位检查结果班组长:项目专业质量检查员:项目专业技术负责人:年月日监理单位验收结论专业监理工程师:年月日(防雷接地工程)工程名称:安徽省亳州市利辛县信义100MWP光伏并网电站项目编号:单位工程名称光伏发电系统分项工程名称屋外接地装置安装验收部位#11方阵主接地网施工图号F4621S-D0301验收内容施工单位班组长:项目专业质量检查员:检查结果项目专业技术负责人:年月日监理单位验收结论专业监理工程师:年月日(防雷接地工程)工程名称:安徽省亳州市利辛县信义100MWP光伏并网电站项目编号:单位工程名称光伏发电系统分项工程名称屋外接地装置安装验收部位#12方阵主接地网施工图号F4621S-D0301验收内容施工单位检查结果班组长:项目专业质量检查员:项目专业技术负责人:年月日监理单位验收结论专业监理工程师:年月日(防雷接地工程)工程名称:安徽省亳州市利辛县信义100MWP光伏并网电站项目编号:单位工程名称光伏发电系统分项工程名称屋外接地装置安装验收部位#13方阵主接地网施工图号F4621S-D0301验收内容施工单位检查结果班组长:项目专业质量检查员:项目专业技术负责人:年月日监理单位验收结论专业监理工程师:年月日(防雷接地工程)工程名称:安徽省亳州市利辛县信义100MWP光伏并网电站项目编号:单位工程名称光伏发电系统分项工程名称屋外接地装置安装验收部位#14方阵主接地网施工图号F4621S-D0301验收内容施工单位检查结果班组长:项目专业质量检查员:项目专业技术负责人:年月日监理单位验收结论专业监理工程师:年月日隐蔽工程验收记录(防雷接地工程)工程名称:安徽省亳州市利辛县信义100MWP光伏并网电站项目编号:单位工程名称光伏发电系统分项工程名称屋外接地装置安装验收部位#15方阵主接地网施工图号F4621S-D0301验收内容施工单位检查结果班组长:项目专业质量检查员:项目专业技术负责人:年月日监理单位验收结论专业监理工程师:年月日(防雷接地工程)工程名称:安徽省亳州市利辛县信义100MWP光伏并网电站项目编号:单位工程名称光伏发电系统分项工程名称屋外接地装置安装验收部位#16方阵主接地网施工图号F4621S-D0301验收内容隐蔽工程验收记录(防雷接地工程)工程名称:安徽省亳州市利辛县信义100MWP光伏并网电站项目编号:验收内容施工单位检查结果班组长:项目专业质量检查员:项目专业技术负责人:年月日监理单位验收结论专业监理工程师:年月日(防雷接地工程)工程名称:安徽省亳州市利辛县信义100MWP光伏并网电站项目编号:单位工程名称光伏发电系统分项工程名称屋外接地装置安装验收部位#18方阵主接地网施工图号F4621S-D0301验收内容施工单位班组长:项目专业质量检查员:检查结果项目专业技术负责人:年月日监理单位验收结论专业监理工程师:年月日(防雷接地工程)工程名称:安徽省亳州市利辛县信义100MWP光伏并网电站项目编号:单位工程名称光伏发电系统分项工程名称屋外接地装置安装验收部位#19方阵主接地网施工图号F4621S-D0301验收内容施工单位检查结果班组长:项目专业质量检查员:项目专业技术负责人:年月日监理单位验收结论专业监理工程师:年月日(防雷接地工程)工程名称:安徽省亳州市利辛县信义100MWP光伏并网电站项目编号:单位工程名称光伏发电系统分项工程名称屋外接地装置安装验收部位#20方阵主接地网施工图号F4621S-D0301验收内容施工单位检查结果班组长:项目专业质量检查员:项目专业技术负责人:年月日监理单位验收结论专业监理工程师:年月日(防雷接地工程)工程名称:安徽省亳州市利辛县信义100MWP光伏并网电站项目编号:单位工程名称光伏发电系统分项工程名称屋外接地装置安装验收部位#21方阵主接地网施工图号F4621S-D0301验收内容施工单位检查结果班组长:项目专业质量检查员:项目专业技术负责人:年月日监理单位验收结论专业监理工程师:年月日隐蔽工程验收记录(防雷接地工程)工程名称:安徽省亳州市利辛县信义100MWP光伏并网电站项目编号:单位工程名称光伏发电系统分项工程名称屋外接地装置安装验收部位#22方阵主接地网施工图号F4621S-D0301验收内容施工单位检查结果班组长:项目专业质量检查员:项目专业技术负责人:年月日监理单位验收结论专业监理工程师:年月日(防雷接地工程)工程名称:安徽省亳州市利辛县信义100MWP光伏并网电站项目编号:单位工程名称光伏发电系统分项工程名称屋外接地装置安装验收部位#23方阵主接地网施工图号F4621S-D0301验收内容隐蔽工程验收记录(防雷接地工程)工程名称:安徽省亳州市利辛县信义100MWP光伏并网电站项目编号:验收内容施工单位检查结果班组长:项目专业质量检查员:项目专业技术负责人:年月日监理单位验收结论专业监理工程师:年月日(防雷接地工程)工程名称:安徽省亳州市利辛县信义100MWP光伏并网电站项目编号:单位工程名称光伏发电系统分项工程名称屋外接地装置安装验收部位#25方阵主接地网施工图号F4621S-D0301验收内容施工单位班组长:项目专业质量检查员:检查结果项目专业技术负责人:年月日监理单位验收结论专业监理工程师:年月日(防雷接地工程)工程名称:安徽省亳州市利辛县信义100MWP光伏并网电站项目编号:单位工程名称光伏发电系统分项工程名称屋外接地装置安装验收部位#26方阵主接地网施工图号F4621S-D0301验收内容施工单位检查结果班组长:项目专业质量检查员:项目专业技术负责人:年月日监理单位验收结论专业监理工程师:年月日(防雷接地工程)工程名称:安徽省亳州市利辛县信义100MWP光伏并网电站项目编号:单位工程名称光伏发电系统分项工程名称屋外接地装置安装验收部位#27方阵主接地网施工图号F4621S-D0301验收内容施工单位检查结果班组长:项目专业质量检查员:项目专业技术负责人:年月日监理单位验收结论专业监理工程师:年月日(防雷接地工程)工程名称:安徽省亳州市利辛县信义100MWP光伏并网电站项目编号:单位工程名称光伏发电系统分项工程名称屋外接地装置安装验收部位#28方阵主接地网施工图号F4621S-D0301验收内容施工单位检查结果班组长:项目专业质量检查员:项目专业技术负责人:年月日监理单位验收结论专业监理工程师:年月日隐蔽工程验收记录(防雷接地工程)工程名称:安徽省亳州市利辛县信义100MWP光伏并网电站项目编号:单位工程名称光伏发电系统分项工程名称屋外接地装置安装验收部位#29方阵主接地网施工图号F4621S-D0301验收内容施工单位检查结果班组长:项目专业质量检查员:项目专业技术负责人:年月日监理单位验收结论专业监理工程师:年月日(防雷接地工程)工程名称:安徽省亳州市利辛县信义100MWP光伏并网电站项目编号:单位工程名称光伏发电系统分项工程名称屋外接地装置安装验收部位#30方阵主接地网施工图号F4621S-D0301验收内容隐蔽工程验收记录(防雷接地工程)工程名称:安徽省亳州市利辛县信义100MWP光伏并网电站项目编号:验收内容施工单位检查结果班组长:项目专业质量检查员:项目专业技术负责人:年月日监理单位验收结论专业监理工程师:年月日(防雷接地工程)工程名称:安徽省亳州市利辛县信义100MWP光伏并网电站项目编号:单位工程名称光伏发电系统分项工程名称屋外接地装置安装验收部位#32方阵主接地网施工图号F4621S-D0301验收内容施工单位班组长:项目专业质量检查员:检查结果项目专业技术负责人:年月日监理单位验收结论专业监理工程师:年月日(防雷接地工程)工程名称:安徽省亳州市利辛县信义100MWP光伏并网电站项目编号:单位工程名称光伏发电系统分项工程名称屋外接地装置安装验收部位#33方阵主接地网施工图号F4621S-D0301验收内容施工单位检查结果班组长:项目专业质量检查员:项目专业技术负责人:年月日监理单位验收结论专业监理工程师:年月日。
隐蔽工程验收记录(001#风机基础-箱变基础外部接地连接工程)Ⅰ-8-1 编号:001D02001单位工程名称 #001风力发电机组安装工程 分项工程名称 基础外部接地装置安装验收部位#001风机基础箱变基础外部接地连接施工图号SHE358J-71-06验 收 内 容隐蔽内容(图示或文字说明):1、材料:水平接地体 -50×6热镀锌扁钢;垂直接地极 φ50热镀锌钢管,L=;2、工艺:扁钢之间焊接搭接≥2D ,三面焊接;扁钢与钢管搭接,扁钢紧贴2/3钢管表面,上下两侧施焊;沥青漆防腐。
施工单位 检查结果班组长: 项目专业质量检查员:项目专业技术负责人: 年 月 日水平接地体,焊接处采用沥青漆防腐,周围包裹降阻剂,降阻剂截面积×风机基础(示意)内环半径10m ,水平接地体与垂直接地体深埋;与风机基础引出扁钢焊接,共6处热镀锌钢管(垂直接地极) 扁钢与扁钢焊接处 热镀锌扁钢 与箱变引出扁钢焊接,,共4处箱变水平接地体外引焊接,共2处垂直接地极,焊接处采用沥青漆防腐,周围包裹降阻剂,降阻剂截面积×监理单位验收结论专业监理工程师:年月日隐蔽工程验收记录(001#风机基础-箱变基础外部接地连接工程)Ⅰ-8-1 编号:001D02002 单位工程名称#002风力发电机组安装工程分项工程名称防雷接地安装验收部位#002风机基础施工图号SHE-358J-71-06验收内容隐蔽内容(图示或文字说明):1、材料:水平接地体 -50×6热镀锌扁钢;垂直接地极φ50热镀锌钢管,L=;2、工艺:扁钢之间焊接搭接≥2D,三面焊接;扁钢与钢管搭接,扁钢紧贴2/3钢管表面,上下两侧施焊;沥青漆防腐。
外环半径15m,水平接地体与垂直接地极深埋水平接地体,焊接处采用沥青漆防腐,周围包裹降阻剂,降阻剂截面积×热镀锌钢管(垂直接地极)扁钢与扁钢焊接处热镀锌扁钢垂直接地极共16根与内环水平接地体引出扁钢焊接,共6处与箱变水平接地体引出扁钢焊接,共2处垂直接地极,焊接处采用沥青漆防腐,周围包裹降阻剂,降阻剂截面积×施工单位检查结果班组长:项目专业质量检查员:项目专业技术负责人:年月日监理单位验收结论专业监理工程师:年月日隐蔽工程验收记录(防雷接地工程)Ⅰ-8-1 编号:单位工程名称#003风力发电机组安装工程分项工程名称防雷接地安装验收部位#003风机基础施工图号SHE-358J-71-05验收内容1.设计图纸要求接地装置采用-50×6热镀锌扁钢。
2.接地体连接、焊接前彻底去锈,接头处做严格防腐处理。
3.接地引线地面上、下各400mm的范围内不得有焊接头。
4.接地射线露出混凝土基础均应不少于。
5.热镀锌扁钢连接采用搭接焊接、四面施焊,搭接长度不小于100mm。
施工单位检查结果班组长:马云峰项目专业质量检查员:项目专业技术负责人:年月日监理单位验收结论专业监理工程师:年月日隐蔽工程验收记录(防雷接地工程)Ⅰ-8-1 编号:单位工程名称#004风力发电机组安装工程分项工程名称防雷接地安装验收部位#004风机基础施工图号SHE-358J-71-05验收内容1.设计图纸要求接地装置采用-50×6热镀锌扁钢。
2.接地体连接、焊接前彻底去锈,接头处做严格防腐处理。
3.接地引线地面上、下各400mm的范围内不得有焊接头。
4.接地射线露出混凝土基础均应不少于。
5.热镀锌扁钢连接采用搭接焊接、四面施焊,搭接长度不小于100mm。
施工单位检查结果班组长:马云峰项目专业质量检查员:项目专业技术负责人:年月日监理单位验收结论专业监理工程师:年月日隐蔽工程验收记录(防雷接地工程)Ⅰ-8-1 编号:单位工程名称#005风力发电机组安装工程分项工程名称防雷接地安装验收部位#005风机基础施工图号SHE-358J-71-06验收内容1.设计图纸要求接地装置采用-50×6热镀锌扁钢。
2.接地体连接、焊接前彻底去锈,接头处做严格防腐处理。
3.接地引线地面上、下各400mm的范围内不得有焊接头。
4.接地射线露出混凝土基础均应不少于。
5.热镀锌扁钢连接采用搭接焊接、四面施焊,搭接长度不小于100mm。
施工单位检查结果班组长:马云峰项目专业质量检查员:项目专业技术负责人:年月日监理单位验收结论专业监理工程师:年月日隐蔽工程验收记录(防雷接地工程)单位工程名称#006风力发电机组安装工程分项工程名称防雷接地安装验收部位#006风机基础施工图号SHE-358J-71-05验收内容1.设计图纸要求接地装置采用-50×6热镀锌扁钢。
2.接地体连接、焊接前彻底去锈,接头处做严格防腐处理。
3.接地引线地面上、下各400mm的范围内不得有焊接头。
4.接地射线露出混凝土基础均应不少于。
5.热镀锌扁钢连接采用搭接焊接、四面施焊,搭接长度不小于100mm。
施工单位检查结果班组长:马云峰项目专业质量检查员:项目专业技术负责人:年月日监理单位验收结论专业监理工程师:年月日隐蔽工程验收记录单位工程名称#007风力发电机组安装工程分项工程名称防雷接地安装验收部位#007风机基础施工图号SHE-358J-71-06验收内容1.设计图纸要求接地装置采用-50×6热镀锌扁钢。
2.接地体连接、焊接前彻底去锈,接头处做严格防腐处理。
3.接地引线地面上、下各400mm的范围内不得有焊接头。
4.接地射线露出混凝土基础均应不少于。
5.热镀锌扁钢连接采用搭接焊接、四面施焊,搭接长度不小于100mm。
施工单位检查结果班组长:马云峰项目专业质量检查员:项目专业技术负责人:年月日监理单位验收结论专业监理工程师:年月日隐蔽工程验收记录单位工程名称#008风力发电机组安装工程分项工程名称防雷接地安装验收部位#008风机基础施工图号SHE-358J-71-05验收内容1.设计图纸要求接地装置采用-50×6热镀锌扁钢。
2.接地体连接、焊接前彻底去锈,接头处做严格防腐处理。
3.接地引线地面上、下各400mm的范围内不得有焊接头。
4.接地射线露出混凝土基础均应不少于。
5.热镀锌扁钢连接采用搭接焊接、四面施焊,搭接长度不小于100mm。
施工单位检查结果班组长:马云峰项目专业质量检查员:项目专业技术负责人:年月日监理单位验收结论专业监理工程师:年月日隐蔽工程验收记录单位工程名称#009风力发电机组安装工程分项工程名称防雷接地安装验收部位#009风机基础施工图号SHE-358J-71-06验收内容1.设计图纸要求接地装置采用-50×6热镀锌扁钢。
2.接地体连接、焊接前彻底去锈,接头处做严格防腐处理。
3.接地引线地面上、下各400mm的范围内不得有焊接头。
4.接地射线露出混凝土基础均应不少于。
5.热镀锌扁钢连接采用搭接焊接、四面施焊,搭接长度不小于100mm。
施工单位检查结果班组长:马云峰项目专业质量检查员:项目专业技术负责人:年月日监理单位验收结论专业监理工程师:年月日隐蔽工程验收记录单位工程名称#010风力发电机组安装工程分项工程名称防雷接地安装验收部位#010风机基础施工图号SHE-358J-71-05验收内容1.设计图纸要求接地装置采用-50×6热镀锌扁钢。
2.接地体连接、焊接前彻底去锈,接头处做严格防腐处理。
3.接地引线地面上、下各400mm的范围内不得有焊接头。
4.接地射线露出混凝土基础均应不少于。
5.热镀锌扁钢连接采用搭接焊接、四面施焊,搭接长度不小于100mm。
施工单位检查结果班组长:马云峰项目专业质量检查员:项目专业技术负责人:年月日监理单位验收结论专业监理工程师:年月日隐蔽工程验收记录单位工程名称#011风力发电机组安装工程分项工程名称防雷接地安装验收部位#011风机基础施工图号SHE-358J-71-05验收内容1.设计图纸要求接地装置采用-50×6热镀锌扁钢。
2.接地体连接、焊接前彻底去锈,接头处做严格防腐处理。
3.接地引线地面上、下各400mm的范围内不得有焊接头。
4.接地射线露出混凝土基础均应不少于。
5.热镀锌扁钢连接采用搭接焊接、四面施焊,搭接长度不小于100mm。
施工单位检查结果班组长:马云峰项目专业质量检查员:项目专业技术负责人:年月日监理单位验收结论专业监理工程师:年月日隐蔽工程验收记录单位工程名称#012风力发电机组安装工程分项工程名称防雷接地安装验收部位#012风机基础施工图号SHE-358J-71-06验收内容1.设计图纸要求接地装置采用-50×6热镀锌扁钢。
2.接地体连接、焊接前彻底去锈,接头处做严格防腐处理。
3.接地引线地面上、下各400mm的范围内不得有焊接头。
4.接地射线露出混凝土基础均应不少于。
5.热镀锌扁钢连接采用搭接焊接、四面施焊,搭接长度不小于100mm。
施工单位检查结果班组长:马云峰项目专业质量检查员:项目专业技术负责人:年月日监理单位验收结论专业监理工程师:年月日隐蔽工程验收记录单位工程名称#013风力发电机组安装工程分项工程名称防雷接地安装验收部位#013风机基础施工图号SHE-358J-71-05验收内容1.设计图纸要求接地装置采用-50×6热镀锌扁钢。
2.接地体连接、焊接前彻底去锈,接头处做严格防腐处理。
3.接地引线地面上、下各400mm的范围内不得有焊接头。
4.接地射线露出混凝土基础均应不少于。
5.热镀锌扁钢连接采用搭接焊接、四面施焊,搭接长度不小于100mm。
施工单位检查结果班组长:马云峰项目专业质量检查员:项目专业技术负责人:年月日监理单位验收结论专业监理工程师:年月日隐蔽工程验收记录单位工程名称#014风力发电机组安装工程分项工程名称防雷接地安装验收部位#014风机基础施工图号SHE-358J-71-06验收内容1.设计图纸要求接地装置采用-50×6热镀锌扁钢。
2.接地体连接、焊接前彻底去锈,接头处做严格防腐处理。
3.接地引线地面上、下各400mm的范围内不得有焊接头。
4.接地射线露出混凝土基础均应不少于。
5.热镀锌扁钢连接采用搭接焊接、四面施焊,搭接长度不小于100mm。
施工单位检查结果班组长:马云峰项目专业质量检查员:项目专业技术负责人:年月日监理单位验收结论专业监理工程师:年月日隐蔽工程验收记录单位工程名称#015风力发电机组安装工程分项工程名称防雷接地安装验收部位#015风机基础施工图号SHE-358J-71-06验收内容1.设计图纸要求接地装置采用-50×6热镀锌扁钢。
2.接地体连接、焊接前彻底去锈,接头处做严格防腐处理。
3.接地引线地面上、下各400mm的范围内不得有焊接头。
4.接地射线露出混凝土基础均应不少于。
5.热镀锌扁钢连接采用搭接焊接、四面施焊,搭接长度不小于100mm。