IATF16949 持续改进管理程序
- 格式:pdf
- 大小:216.06 KB
- 文档页数:6
持续改进程序1.目的目的是为使公司的战略目标得以实现,提高公司内部各职能部门的工作有效性和效率,以达到客户和其他相关方的满意程度。
2.适用范围适用于公司的过程管理(产品实现过程和支持过程)、和产品性能的改进。
3.职责与权限3.1 各部门负责本部门的基础数据的收集、分析和汇报,促进本部门人员积极参与寻求过程、活动和产品性能的改进,以及对改进过程的实施和结果的利用。
3.2 企管部负责推进持续改进活动的实施并组织对改进项目结果的评审。
4.术语和定义4.1 专案改善活动:是指专业人员和各级主管就某项工作任务或问题开展系统的规划研究,通过现状调研、科学分析、制订改善措施、执行、检讨和控制,以达到预先设定的目标,且将改善方案进行标准化的全部活动过程。
4.2 提案制度:是指为建立并维持一个持续、开放性的沟通渠道,鼓励员工参与生产经营与管理,激发员工主动、自发地提出建设性创意的活动。
5.内容5.1项目的确立:通过经营分析会、调度会等例行会议对于公司经营指标或重点工作项目的检讨,针对差异确定改进项目,主要以专案的方式进行改善;在产品质量或制造过程中出现异常的情况下,由相关专业人员针对异常问题以专案的方式进行改善;员工自主提出的对于质量、制程、工艺、设备、工作方法、安全、成本等方面具有建设性且具体、可行的建议,以提案的形式进行改善。
5.2 项目的对象、目标可包括但不限于以下内容:(1)生产及设备效率的改进;(2)产品品质及价值的改进;(3)营销绩效的改进;(4)节约能源的改进;(5)配方用料的改进;(6)人员合理化的改进;(7)工作方法的改进;(8)健康、安全、环境的改进;(9)流程再造方面的改进;(10)按订单驱动的改进;(11)管理制度及使用表单的改进;(12)其他降低成本、提升经营绩效的改进。
5.3项目的信息来源5.3.1确认的数据:产品确认和过程确认的结果,见《产品质量先期策划控制程序》;5.3.2生产量数据:产能与客户需求,实际产量与设备能力;5.3.3产品和过程试验数据;5.3.4客户的要求和反馈;5.3.5作业人员的经验;5.3.6财务数据;5.3.7产品性能数据;5.3.8服务提供数据。
目录1.目的2.适用范围3.定义
4.职责和权限5.内容6.相关文件7.相关记录
1.目的
规定了本公司对产品的质量、成本、服务(包括交付)、价格和产品和过程特性(尤其是特殊特性)以及质量体系等方面进行持续改进的方法,以确保在满足顾客要求的前提下,不断提高顾客满意程度、产品质量、服务及降低成本。
2.适用范围
适用于公司产品生产过程、服务活动以及质量体系的持续改进。
3.定义
无
4.职责和权限
4.1各相关部门/人员视需要提出持续改进项目,报QC部;
4.2QC部负责收集/汇总,组织评审及验证;
4.3总经理批准持续改进项目的立项及提供支持。
6相关文件无。
IATF 16949 安全管理程序根据IATF 国际汽车质量管理体系标准要求,安全管理程序对于确保汽车生产过程中的安全至关重要。
本文档旨在介绍IATF 安全管理程序的核心要点和相关实施细节。
安全管理程序的目的安全管理程序的目的是确保汽车制造过程中的员工安全和环境安全。
通过建立合理的安全措施和监控机制,有效减少事故和伤害,提高工作场所的整体安全水平。
安全管理程序的内容1. 安全目标和指标:制定明确的安全目标和指标,包括事故率、伤害率等,以便评估和改进安全绩效。
2. 安全培训和教育:对所有员工进行适当的安全培训和教育,确保他们了解并遵守相关安全规章制度。
3. 风险评估和控制措施:针对工作流程和设备,进行风险评估,并采取相应的控制措施,如隔离设备、标识危险区域等。
4. 事故报告和调查:建立完善的事故报告和调查机制,对事故进行及时记录和分析,并采取措施避免再次发生。
5. 紧急应急计划:制定紧急应急计划,明确员工在紧急情况下的应对措施和逃生路线。
6. 安全巡视和审核:定期进行安全巡视和审核,确保安全措施的有效性和合规性。
实施细节1. 确定责任人:明确安全管理的责任人,并给予他们相应的职责和权限。
2. 文件和记录:建立相关的文件和记录,包括安全培训记录、事故报告等,以便进行监控和改进。
3. 持续改进:通过定期的安全绩效评估和持续改进活动,提高安全管理水平和效果。
4. 公开沟通:与员工和相关方面保持沟通,共享安全管理的信息和经验。
以上是IATF 16949安全管理程序的核心要点和相关实施细节。
通过严格执行这些要求,可以有效提升汽车生产过程中的安全性,减少事故和损害的发生,确保员工的安全和健康。
确定一个持续改进的过程,充分地利用各种资料、数据、方法等,验证和维护持续改进综合管理体系的有效性2、适用范围Scope适用于本公司涉及产品形成或/与产生的整个综合管理体系活动过程,及与其相关联的职能部门、人员等3、职责Responsibility3.1职能部门:公司内部各单位和/或外部客户相关方异常问题或现象的提出(包括潜在问题或现象),制订、实施持续改善活动3.2品质管理部:负责各职能部门提出的内外部异常问题或现象的收集、整理、评估,追踪验证相关持续改善活动4、定义Definition4.1持续改进:是当制造过程有能力且稳定或当产品特性可预测且满足顾客要求时实施的改善性过程4.2 防错:为防止不合格产品的制造而进行的产品和制造过程的设计和开发5、程序内容Procedure Process5.1总则5.1.1 公司应为所有客户的利益,持续不断地改善品质、服务(包括时效、交期)及价格。
本项要求不能取代创新改进的要求5.1.2持续不断改善的理念可全面地推广到整个供应商组织内,持续不断改善应展开到产品特性上,特別是管制特性应最优先考虑5.1.3成本因素或价格将是持续不断改善系统一个主要项目5.1.4对于能够用計量数据来评估的产品特性和制程参数,持续不断改善意指将计量值相关的特性和制程参数管理到最佳的目标值,并减少对目标值的变异,对于只能用计数值数据来评估的特性来说,在所有要求都满足前,持续改善应该一直进行,在这种情况下的改善被定义成矫正措施,而不是持续改善,对于那些稳定性、可接受的能力和效能已得到证实的流程,应发展优先行动计划对其进行持续改善5.1.5对于制程能力不足的情况,要求采取矫正措施5.2定期品质检讨作业5.2.1 品质管理部每周或每月需召开一次品质改善检讨会,以总结上周/月品质5.2.1.1该会议以产品品质为中心议题,由各部门负责人参加,品质管理部负责人主持,相关部门组长级以上人员可视具体情况列席5.2.1.2讨论内容如下a.品质目标达成情形b.主要品质问题点,不良分布c.制定新的改善计划5.3 品质环境改善计划制定5.3.1品质环境改善计划必须采取团队作业方式,由各部门负责人商讨共同制订5.3.2品质环境改善计划执行时机5.3.2.1首批制程能力低于100%5.3.2.2未依照累积的结果来验证测试的要求5.3.2.3接近界线的量测系统能力5.3.2.4客户不满意,如: 抱怨,退货5.3.2.5人工/材料的浪費5.3.2.6不良品成本5.3.2.7过多的搬运和储存5.3.2.8将客户作业程序管理到最好的新目标值5.3.3品质管理部将各部门商讨的计划记录于[持续改进建议/验证表]中,最终经管理代表核准后执行,品质管理部负责追踪改进进度5.4持续改善技术5.4.1管制图(计量值、计数值、累积总和图表)5.4.2限制理论5.4.3设备综合效益5.4.4价值分析5.4.5竞争标杆5.4.6动作分析/人体工学5.4.7防错法5.5品质环境改善计划內容5.5.1有既定品质环境指标和目标5.5.2主要品质环境问题及原因分析(含1次因,2次因,3次因等多次因分析)5.5.3 改善措施(含短期对策与长期对策),权责人员,完成时间5.5.4 品质环境改善活动相关文件与资料,如教育训练计划等5.6 品质环境改善计划执行5.6.1品质环境改善计划执行须采取团队作业方式,团队内应保持良好沟通 5.6.2品质环境改善计划执行的关键在于落实、彻底。
IATF16949质量程序1. 简介本文档旨在介绍IATF质量程序,包括其定义、重要性以及实施步骤。
2. 定义IATF是一种国际标准,适用于汽车行业的质量管理体系。
它帮助组织建立和维护质量管理体系,以确保产品和服务符合客户需求,并持续改善业务绩效。
3. 重要性实施IATF质量程序具有以下重要性:- 提高产品质量:通过严格的质量控制和持续改进,可提高产品质量和可靠性,符合客户期望。
- 降低成本:通过减少缺陷和废品,减少成本和资源浪费。
- 增强组织竞争力:获得IATF认证可增强组织在汽车行业的竞争能力,提升信誉度。
4. 实施步骤以下是实施IATF质量程序的常见步骤:1. 确定质量目标:明确组织的质量目标和战略,确保与IATF 标准相一致。
2. 制定质量手册:编写详细的质量手册,包括政策、程序、指导和流程,以指导组织的质量管理活动。
3. 建立质量管理体系:建立适应IATF要求的质量管理体系,包括质量控制和质量改进活动。
4. 有效记录和文档控制:确保适当记录和文档控制,以便审计和证明合规性。
5. 培训和意识提升:培训员工以理解和遵守质量政策和程序,并提高质量意识。
6. 进行内部审核:定期进行内部审核,评估质量管理体系的有效性和合规性。
7. 进行认证审核:申请独立第三方进行认证审核,以确认组织符合IATF标准要求。
8. 持续改进:根据内部和外部反馈,持续改进质量管理体系,实现组织的目标和客户满意度。
5. 结论通过实施IATF16949质量程序,组织可以提高质量、降低成本,并增强在汽车行业的竞争力。
建立和维护适应标准要求的质量管理体系对于改善业务绩效和满足客户需求至关重要。
过程分析工作表(乌龟图)1 目的为对已出现的和潜在的不合格原因进行分析,采取必要的措施,防止不合格的发生或再发生;以及在产品特性、成本及服务等方面采取措施进行持续改进,从而不断提高产品、过程的质量水平和顾客满意度。
2 范围本程序适用于本公司开发设计、过程控制和服务过程中,对已出现的或潜在的不合格,采取纠正和预防措施,以及进行持续改进的控制。
3 定义3.1 不合格―—没有满足某个规定的要求。
(包括一个或多个质量特性或质量体系要素,偏离规定要求或缺少)。
3.2 纠正措施――为防止已出现的不合格、缺陷或其它不希望的情况再次发生,消除其原因所采用的措施。
3.3 预防措施――为防止潜在的不合格、缺陷或其它不希望发生的情况的发生,消除其原因所采取的措施。
3.4 持续改进--有别于纠正预防措施,是在满足规定要求的基础上更进一步的提升。
4 职责4.1 品管部负责不合格/潜在不合格纠正和预防措施的归口管理,负责预防和纠正措施实施过程中的跟踪、协调、验证和评估;以及持续改进计划的编制、跟踪与验证。
4.2 管理者代表负责公司内重大的纠正和预防措施制定的组织,在全公司贯彻推行持续改进的思想体系,协调跨部门的持续改进工作。
4.3 各有关部门按职能分配,负责本部门所需采取的纠正和预防措施的制定和实施;以及持续改进项目在本部门的实施、资料整理与报告工作。
5 程序内容5.1 纠正/预防措施5.1.1 纠正预防措施提出时机:当出现下列情况时,相关部门应填写纠正和预防措施单,并发给责任部门处理。
5.1.1.1当顾客反馈信息的统计分析中已表明质量有下降趋势时;5.1.1.2当进货、过程和最终产品的不合格品信息的统计分析中已表明质量有下降趋势时;5.1.1.3当生产过程中出现不合格品时;5.1.1.4当内审或外审不合格时;5.1.1.5当管理评审不符合时。
5.1.2 原因分析:责任部门应对不合格现象进行分析,确定不合格产生的原因,并填入《纠正和预防措施单》中。
IATF16949纠正/预防措施及持续改进程序
(word版可编辑修改,含乌龟图)
1 目的
为对已出现的和潜在的不合格原因进行分析,采取必要的措施,防止不合格的发生或再发生;以及在产品特性、成本及服务等方面采取措施进行持续改进,从而不断提高产品、过程的质量水平和顾客满意度。
2 范围
适用于本公司开发设计、过程控制和服务过程中,对已出现的或潜在的不合格,采取纠正和预防措施,以及进行持续改进的控制。
3 定义
3.1 不合格―—没有满足某个规定的要求。
(包括一个或多个质量特性或质量体系要素,偏离规定要求或缺少)。
3.2 纠正措施――为防止已出现的不合格、缺陷或其它不希望的情况再次发生,消除其原因所采用的措施。
3.3 预防措施――为防止潜在的不合格、缺陷或其它不希望发生的情况的发生,消除其原因所采取的措施。
3.4 持续改进--有别于纠正预防措施,是在满足规定要求的基础上更进一步的提升。
4 职责
4.1 品管部负责不合格/潜在不合格纠正和预防措施的归口管理,负责预防和纠正措施实施过程中的跟踪、协调、验证和评估;以及持续改进计划的编制、跟踪与验证。
4.2 管理者代表负责公司内重大的纠正和预防措施制定的组织,在全公司贯彻推行持续改进的思想体系,协调跨部门的持续改进工作。
4.3 各有关部门按职能分配,负责本部门所需采取的纠正和预防措施的制定和实施;以及持续改进项目在本部门的实施、资料整理与报告工作。
5 程序内容
5.1 纠正/预防措施
5.1.1 纠正预防措施提出时机:
当出现下列情况时,相关部门应填写纠正和预防措施单,并发给责任部门处理。
IATF16949质量保证体系及相关方管理程序背景IATF是一种全球广泛认可的质量管理体系,特别适用于汽车行业。
实施IATF质量保证体系可以帮助组织提高产品质量、降低成本、增强顾客满意度,并有助于满足客户和监管机构的需求。
目的本文档的目的是介绍IATF质量保证体系及相关方管理的程序,以帮助组织了解和遵守相关的要求和规定。
IATF质量保证体系IATF质量保证体系是基于ISO 9001标准的扩展和附加要求的集合。
它包括一系列流程和程序,旨在确保组织能够持续提供符合客户要求的产品和服务。
以下是IATF质量保证体系的关键要素:1. 质量管理体系:建立和维护符合ISO 9001标准的质量管理体系,包括流程、程序和记录。
2. 质量目标和计划:制定和跟踪实现质量目标的计划,并对计划进行定期评审和更新。
3. 风险管理:识别和评估质量风险,并采取相应的控制措施来降低风险。
4. 审核和评估:进行内部审核和外部评估,以验证和持续改进质量管理体系的有效性。
5. 管理评审:定期召开管理评审会议,以评估质量目标的实现情况,并确定改进机会。
6. 不符合管理:建立不符合管理流程,包括识别、记录、调查和纠正不符合的措施。
7. 供应商管理:与供应商建立明确的质量要求,并定期评估和监控供应商的性能。
相关方管理程序除了质量保证体系,组织还应实施相关方管理程序,以满足IATF对相关方的要求。
以下是相关方管理程序的关键要素:1. 相关方识别:识别与组织相关的各种相关方,包括顾客、供应商、员工、股东等。
2. 相关方需求:了解各个相关方的需求和期望,确保组织能够满足这些需求。
3. 相关方沟通:建立有效的沟通渠道,与各个相关方进行定期的沟通和反馈。
4. 相关方参与:鼓励相关方的参与和参与度,例如通过召开顾客投诉处理会议、供应商评估会议等。
5. 相关方评估:定期评估相关方的满意度和期望的实现情况,以及与相关方关系的有效性。
结论通过实施IATF16949质量保证体系和相关方管理程序,组织可以提高产品质量,增强顾客满意度,并获得在汽车行业中的竞争优势。
持续改进管理程序
(IATF16949-2016/ISO9001-2015)
1.0目的
为公司的持续改进活动提供准则,使公司的持续改进的活动有序和有效,提高产品质量不断满足顾客的需求。
2.0范围:
本程序适用于公司开展的各项改进活动;持续改进是当过程有统计能力且稳定,或者当产品特性为可预测并满足顾客要求时实施的。
3.0定义:
无
4.0权责:
4.1总经理负责持续改进项目的审批及对“持续改进项目评估报告”的评估;
4.2公司各部门负责向管理者代表提出持续改进项目的需求,由管理者代表下达“持续改进任务书”给实施部门;
4.3总经理负责成立持续改进小组,确认并监督实施过程;
4.4管理者代表负责确认“持续改进计划”的实施情况,协调持续改进各部门之间的工作问题;
4.5技质部负责持续改进的培训工作。
5.0作业流程或说明:见附件
6.0参考文件
6.1质量记录管理程序
6.2文件控制管理程序
7.0使用表单
持续改进计划
持续改进项目评估报告
更多免费资料下载请进:好好学习社区
更多免费资料下载请进:好好学习社区
更多免费资料下载请进:好好学习社区。
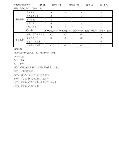
持续改进控制程序
(IATF16949-2016)
1.目的
持续改进质量管理体系的有效性,增强满足要求的能力,特制定本程序。
2.适用范围
适用于公司在质量、价格、服务、供货信誉等方面持续改进活动的控制。
3.职责
3.1 质保部负责持续改进的策划、组织、协调、验证工作,必要时组织成立项目评价小组负责对持续改进项目的实施状况及
成果进行评价,并将批准的持续改进验证成果纳入体系文件。
3.2 管理者代表负责组织持续改进的策划、协调、验证工作,并负责批准持续改进计划。
3.3 各部门负责制定本部门持续改进计划并负责实施。
4.术语
4.1要求:明示通常隐含的或必须履行的需求或期望。
4.2持续改进:提高绩效的循环活动。
5.工作程序。
持续改进管理程序(IATF16949-2016/ISO9001-2015)1.0目的持续改进质量和价格,使所有顾客受益。
并确保实现质量管理体系的正常运行,持续改进其有效性。
2.0范围适用于公司所有部门改进措施的制定、实施和验证。
3.0职责3.1 质检部负责组织对体系、过程、产品持续改进的策划,组织跟踪验证改进措施的实施效果。
3.2 管理者代表领导和指导质量管理体系及其过程的改进工作。
3.3 各部门负责实施相应的改进措施。
4.0程序内容4.1 持续改进控制程序4.2 其他管理要求4.2.1 公司要达到持续改进的管理目的,就必须不断提高质量管理的有效性和效率,在实现质量方针和目标的活动过程中,持续追求对质量管理体系各过程的改进。
4.2.2 持续改进包括突破式和渐进式改进两种途径,对日常不良或潜在不良改进的策划和管理执行《纠正措施/预防措施管理程序》。
4.2.3渐进式持续改进项目由质检部组织相关部门按年或随时予以确定,形成《改进措施计划》,可用“甘特图”规定时间进度、关键路径等形式报管理者代表审核、总经理批准后实施,,并组织有效实施。
4.2.4 质检部按《数据分析管理程序》,对生产过程中出现的不合格品数/率进行分析,针对出现的关键不合格品,根据重要性视需要考虑策划优先减少,通过分析原因采取措施降低关键不良,并对计划进展和效果进行跟踪验证。
4.2.5 质检部组织对生产过程的改进时,应持续关注产品特殊特性和生产过程参数变差的控制和减少。
4.2.6 持续改进可使用(但不仅限于)的技术方法:控制图(计量值、计数值)、过程能力研究、试验设计(DOE)、PPM分析、标杆研究、动作/人机工程分析、防错等。
4.2.7 由持续改进措施引起质量体系文件的更改时,执行《文件管理程序》的有关规定。
4.2.8 持续改进措施的实施情况和结果,应提交管理评审。
4.2.9质检部收集和保存改进措施的有关记录。
5.0相关文件《文件管理程序》《改进措施计划》持续改进实施计划汇总表.d oc《持续改进建议及评审表》持续改进建议及评估表.d oc附录:DL^EC-。
IATF 16949:2016质量体系文件
文件编号:AA-QP-039持续改进管理程序
版本:A/1
1.0目的
旨在通过开展持续改进活动,增强公司员工的持续改进意识,不断寻求改进的机会,以此提高产品、过程和质量管理体系的有效性和效率,达到消除浪费,降低成本,最终使顾客和企业都从中获益。
2.0范围
适用于公司整个管理体系及产品设计、开发、生产和服务全过程的持续改进活动。
3.0职责
3.1管理者代表负责公司持续改进项目的收集、核定、评价与奖励。
3.2研发部负责突破性技术改进的管理。
3.3总经理负责提供持续改进项目中所需的资源。
3.4各职能部门负责本部门持续改进项目的确立及实施(包括合理化建议和技术改进)。
4.0作业内容
4.1 持续改进项目的来源
4.1.1管理者代表负责依据内、外部审核结果制订质量管理体系有效性的持续改进要求。
4.1.2 各职能部门负责依据本部门的数据分析、统计结果、纠正和预防措施的结果等制
订本单位的持续改进计划,负责收集并向管理者代表提供本部门合理化建议和技术改进项目。
4.1.3 依据公司实际的生产经营状况,各部门可根据以下方面(但不限于)来确定持续
改进(包括改善提案)项目:
1) 计划外停机时间的减少;
2) 设备安装、夹具/模具的更换及机器调整时间的减少;
3) 过长的生产周期的缩短;
4) 报废、返工及返修的减少;
5) 优化工艺流程,非增值的使用场地及空间的有效利用;
6) 设备或工作展开时产生的低于100%的初次运转能力的改善;
7) 产品加工过程中产生的没有集中于要求规格公差的过程均值(双侧公差)的改善;
8) 累计结果与试验要求不符的改善;人力和材料浪费的改善;
9) 不良质量成本的降低;
10)产品装配或安装困难其方法的改进;
11)产品过多的搬运和贮存的改善;
12)以新的目标值优化顾客的过程;
13)测量系统能力的提高;
14)特性和工艺参数过大的变差;
15)顾客不满意(如抱怨、修理、退货、错送、不守合约或履约不全、顾客厂方的担
忧、售后服务质量的保证等)的改善;
16)提高工作安全性,对存在工伤事故隐患的工作岗位的改善;
17)提高环境保护意识,减少或杜绝工业环境污染;
18)其它值得去改善的项目。
4.2 持续改进的策划
4.2.1各部门的持续改进项目经总经办核准后报ISO专员进行汇总与编目。
4.2.2 管理者代表根据持续改进的实际难易程度和改善效果的大小及其重要性进行项目
分类。
公司持续改进项目分为:一般改善案、重点改善案、突破性改善案。
4.2.3被列为一般改善案的持续改进项目由各部门自行组建改善小组、拟定改善计划,经
总经理审查核准后执行。
4.2.4被列为重点改善案的持续改进项目由管理者代表对其进行整理和汇总并填写《改善
提案书》。
4.2.5被列为突破性改善案由研发部主导提出《改善提案书》。
4.2.6重点改善部门编制本部门持续改进项目(包括合理化建议和技术改进)《持续改善
计划》。
4.2.7持续改进必须关注于产品特性及制造过程参数变差的控制和减少。
4.2.8持续改进计划至少包括项目名称、负责单位/人、预计完成时间等时间进度。
4.3 持续改进步骤
4.4 持续改进的技术
各部门应就其专业,自下列改善技术中选择适用的方法进行改进。
4.4.1控制图(
X-R 图、P 图) 4.4.2实验设计法(DOE )
4.4.3 QC 七手法
4.4.4设备综合效益(
OEE 等) 4.4.5不良零件的PPM 分析 4.4.6动作/人机技术(IE 技术) 4.4.7防错法
4.4.8 QFD(
质量功能展开) 4.4.9 SMED (快速换模) 4.5 持续改进的分析和评审
4.5.1 总经办对突破性改善案计划审查、核准后,会同管理者代表监督其执行。
4.5.2 项目负责部门按计划组织实施,ISO专员按《持续改进计划》定期和/或不定期进
行追踪、并记录进展状况,必要时向管理者代表及公司高层报告。
4.5.3在实施持续改进过程中,部门或改进小组应根据公司实际的生产状况和统计技术的
应用利用相关的持续改进技术和方法来进行持续改进作业。
4.5.4当持续改进项目完成后,公司领导应负责对该项目进行效果验证,并将验证结果记
录于《改善提案效果报告书》。
对验证无效的提案,由负责部门组织进行原因分析,
并重新实施改进。
4.5.5 对验证有效果的改善提案,ISO专员将结果记录于《改善提案效果报告书》中。
并
收集其所有相关资料进行整理、归档。
4.5.6 对验证有效果的改善提案,由管理者代表组织有关部门专家对其改善效果进行评
估。
4.5.7效果显著的改进项目所采取的措施可纳入公司业务计划推广实施。
4.5.8各部门应在取得改进成效的基础上通过总结,寻求进一步改进的机会,进行持续改
进。
5.0 相关记录。