2017培训 脉冲信号参数测量仪解析
- 格式:ppt
- 大小:4.90 MB
- 文档页数:29
脉冲信号参数摘要:一、脉冲信号的定义二、脉冲信号的参数1.脉冲幅度Vm2.脉冲的上升沿时间tr3.脉冲的下降沿时间tf4.脉冲的宽度tw5.脉冲的周期T6.脉冲的占空比D三、矩形波脉冲信号的参数详解四、脉冲电路的应用正文:一、脉冲信号的定义脉冲信号是指在短暂时间内作用于电路的电压或电流信号。
这种信号具有瞬时性、非线性和暂态性等特点,常见于通信、控制和测量等领域。
脉冲信号可以根据其波形特征进行分类,如矩形波、锯齿波、钟形波、尖峰波、梯形波和阶梯波等。
二、脉冲信号的参数脉冲信号的参数主要有以下几个:1.脉冲幅度Vm:它是指脉冲的最大幅度。
脉冲幅度决定了信号的能量,直接影响到信号的传输效果。
2.脉冲的上升沿时间tr:它是指脉冲从0.1Vm 上升到0.9Vm 所需的时间。
上升沿时间决定了脉冲信号的陡峭程度,影响到信号的传输效率。
3.脉冲的下降沿时间tf:它是指脉冲从0.9Vm 下降到0.1Vm 所需的时间。
下降沿时间也影响了脉冲信号的陡峭程度和传输效率。
4.脉冲的宽度tw:它是指从脉冲前沿的0.5Vm 到脉冲后沿0.5Vm 处的时间长度。
脉冲宽度决定了信号的持续时间,影响到信号的传输效率和能量消耗。
5.脉冲的周期T:它是指在周期性脉冲中,相邻的两个脉冲对应点之间的时间长度。
周期决定了信号的重复频率,影响到信号的稳定性和传输效率。
6.脉冲的占空比D:它是指脉冲宽度与脉冲周期的比值,即D = tw / T。
占空比决定了信号的传输效率,尤其是在数字通信中,占空比直接影响到数据的传输速率。
三、矩形波脉冲信号的参数详解矩形波脉冲信号是一种常见的脉冲信号,其实际应用广泛。
矩形波脉冲信号的参数主要有脉冲幅度Vm、脉冲的上升沿时间tr、脉冲的下降沿时间tf、脉冲的宽度tw 和脉冲的周期T。
在实际应用中,根据不同的需求,可以对矩形波脉冲信号进行调整,如调整脉冲幅度、改变上升沿和下降沿时间等,以满足特定场合的要求。
四、脉冲电路的应用脉冲电路广泛应用于通信、控制和测量等领域。
173脉冲参数测试仪是在信号类常用的一种仪器,用它可以测量峰峰值、有效值、频率、上升沿和下降沿时间、占空比等。
大型台式的测试仪功能比较齐全,而手提便携式的功能还没那么完善且生产数量较少,测量精度也没有台式的高。
现在最便携式的测量仪器普遍用的就是万用表,它可以测量直流电压、电阻、电流、电容等。
本设计采用FPGA作为主控芯片,以整形电路、控制电路、显示电路三大模块为基础,设计出测量峰峰值、频率、占空比、上升沿和下降沿时间的参数的脉冲参数测试仪。
本文主要介绍了三大模块电路,并对相应的硬软件设计思路方法进行阐述。
1 方案理论分析我们设计的脉冲信号测量仪主要分为以下几个部分:精密整流半波电路、电压比较器、FPGA控制系统以及LCD显示。
本设计中的核心是由FPGA构成的控制系统,ADC通过对THS3001输出端口进行电压采样,测量信号电压幅度。
FPGA内部的计数定时功能来完成待测信号频率、占空比以及脉冲上升时间的测量。
信号参数测量仪。
本方案主要以FPGA为核心控制系统,利用FPGA的硬件计数功能来实现信号参数的测量,并且利用FPGA把测出的数据送到LCD显示。
其原理框图如图1所示。
方案的核心器件是FPGA,在高速环境下,FPGA比单片机更加适用,且使用FPGA大大降低硬件电路的复杂程度,减小体积,使电路的工作也更加稳定可靠。
抗干扰和速度上,FPGA比单片机更有优势。
基于FPGA 的脉冲信号参数测量仪设计虞昊迪(浙江海洋大学,浙江舟山 316022)摘要:本文提出一种脉冲信号参数测量仪的设计方案,介绍以FPGA作为控制核心,实现脉冲信号的幅值、频率、占空比、上升与下降时间参数测量。
本方案测量信号参数的方法是将待测信号经过电阻分压,精密半波整流,ADC直接对运放输出端进行采样,从而测得信号幅值。
待测信号通过高速电压比较器分别与10%、90%峰值比较,比较结果送FPGA,利用FPGA的定时计数功能,获得频率值、占空比以及脉冲信号上升、下降时间t r 。
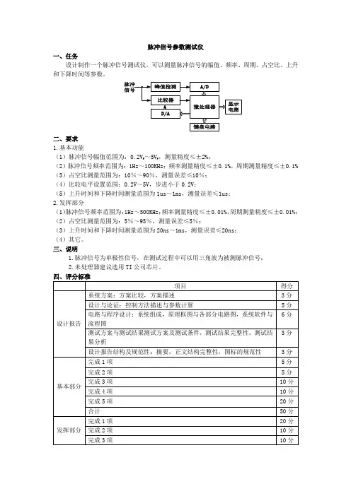
脉冲信号参数测试仪
一、任务
设计制作一个脉冲信号测试仪,可以测量脉冲信号的幅值、频率、周期、占空比、上升和下降时间等参数。
二、要求
1.基本功能
(1)脉冲信号幅值范围为:0.2V P~5V P,测量精度≤±2%;
(2)脉冲信号频率范围为:1Hz~100KHz;频率测量精度≤±0.1%,周期测量精度≤±0.1% (3)占空比测量范围为:10%~90%,测量误差≤10%;
(4)比较电平设置范围:0.2V~5V,步进小于0.2V;
(5)上升时间和下降时间测量范围为1us~1ms,测量误差≤1us;
2.发挥部分
(1)脉冲信号频率范围为:1Hz~500KHz;频率测量精度≤±0.01%,周期测量精度≤±0.01%;(2)占空比测量范围为:5%~95%,测量误差≤5%;
(3)上升时间和下降时间测量范围为20ns~1ms,测量误差≤20ns;
(4)其它。
三、说明
1.脉冲信号为单极性信号,在测试过程中可以用三角波为被测脉冲信号;
2.未处理器建议选用TI公司芯片。
四、评分标准。
脉冲调制信号分析与测量方法【摘要】本文主要介绍用频谱分析仪对脉冲调制信号脉冲频谱载波功率进行直接测量后转换成峰值功率的方法,并系统地分析了窄带和宽带状态下脉冲调制信号频谱及功率测量的差别。
这对雷达信号应用时的脉冲功率测量具有实用性。
【关键词】线状谱;脉冲谱;脉冲退敏因子1.概述脉冲波形是雷达和数字通信系统中的一类重要信号。
脉冲调制信号的测量较之连续波形可能会遇到更多的困难。
当频谱仪采用窄的分辨率带宽(RBW)时,显示频谱呈现出离散的谱线,当采用宽的分辨率带宽(RBW)时,这些谱线便融合到一起,频谱呈现出连续状。
在这样的测量条件下,频谱分析仪的调节对被测结果会产生严重影响。
2.脉冲波形的频谱脉冲重复频率为PRF=fmod调制频率,脉冲周期为T,脉冲宽度为τ,脉冲幅度为1单位。
依据单脉冲的傅氏变换理论得脉冲的频域表示为:频谱的零点发生在当f=±1/τ的整数倍处,脉冲波形的频谱形状与图2相同,横轴为频率f,中心为频率零点,纵轴为幅度。
频谱的幅度与脉宽τ成正比,这意味着脉冲越宽,脉冲的能量越大。
绝大部分脉冲能量都处在频率低于f=|±1/τ|的主瓣内。
在频域中,随着时域脉宽τ的减小,第一个零点移向较高的频率。
因此,脉冲越窄,它在频域中的带宽就越宽。
因为较窄的脉冲要求瞬时电压变化得更快,电压的变化较快意味着有更多的高频成分,即时域中的电压变化越快,频域中的带宽越宽。
脉冲串是由周期性地复制所形成的。
由于其波形是周期波形,依据脉冲周期波形的傅氏级数的时域表示为:该波形具有τ/T的直流分量,这恰好是脉冲波形的平均值。
信号的谐波将处在该波形的基频即f=1/T的整数倍处。
谐波的总体形状或包络呈现(sinx)/x特性,频谱形状的大部分能量集中在主瓣和邻近旁瓣,这是与单脉冲的傅氏变换相同的形状。
在1/τ的整数倍处出现频谱包络的零点。
脉冲串频谱的幅度取决于波形的占空比。
占空比是脉冲宽度与周期之比,即占空比=τ/T。
信号及脉冲参数计量标准器具-回复信号及脉冲参数计量标准器具的作用和原理,以及常见的类型和应用领域。
信号及脉冲参数计量标准器具是用于测量和校准各种信号和脉冲参数的专用仪器。
它们在电子工程、通信、自动化控制等领域中起着至关重要的作用。
首先,让我们了解一下为什么需要信号及脉冲参数的测量和校准。
在电子电路、通信系统和自动控制系统中,信号和脉冲参数的准确性对于系统的正常运行和性能起着重要的作用。
例如,在通信系统中,传输的信号质量直接影响到数据的准确性和速率;在自动控制系统中,脉冲信号的时序准确性对于控制系统的稳定性至关重要。
因此,为了保证系统的正常工作和性能,需要对信号和脉冲参数进行准确的测量和校准。
接下来,我们来了解一下信号及脉冲参数计量标准器具的工作原理。
这些仪器通常基于国家或国际标准来进行设计和制造,以保证其准确性和可靠性。
它们利用先进的电子技术和精密的测量原理,将待测信号或脉冲参数转换成相应的电信号,并通过校准电路进行准确的校准。
在测量过程中,仪器会采集信号的振幅、频率、相位、脉宽等参数,并通过内部的数字处理单元进行计算和显示。
信号及脉冲参数计量标准器具通常可分为几种不同类型,包括示波器、频谱分析仪、脉冲发生器和任意函数发生器等。
示波器是一种常见的用于测量波形参数的仪器,它可以显示信号的时间域波形和频域特性。
频谱分析仪则主要用于测量信号的频谱成分,可以帮助找出信号中的干扰和噪声。
脉冲发生器和任意函数发生器则可以产生各种波形和脉冲信号,用于测试和校准系统对于不同信号的响应和性能。
这些仪器的应用领域非常广泛。
在电子工程中,它们经常被应用于电路设计和调试、数字信号处理、通信系统测试和故障诊断等方面。
在通信领域,它们可以帮助分析和优化信号传输质量,提高数据传输速率和可靠性。
在自动化控制领域,它们则可以用于测量和校准各种控制信号和脉冲参数,保证控制系统的稳定性和精度。
总结起来,信号及脉冲参数计量标准器具在现代电子工程、通信和自动化控制领域发挥着重要作用。
脉冲参数测试仪(题)测试记录与评分表代码测评人 2014年9月日测试说明:一、基本部分1、自制电源只进行定性检查,有给5分,无则不给分;2、信号幅度测量采用单向方波信号,频率自定(省赛测试现场再具体规定);标准测量为数字示波器测量,测量为脉冲参数测试仪测量;在三个设定幅度数值下测量,测量精度≤±1%,给10分,测量精度≤±1.5%,给8分,测量精度≤±2%,给6分;3、信号频率测量采用单向方波信号,幅度自定(省赛测试现场再具体规定);标准测量为频率计测量,测量为脉冲参数测试仪测量;在三个设定频率数值下测量,测量精度≤±0.01%,给10分,测量精度≤±0.05%,给8分,测量精度≤±0.1%,给6分;4、信号占空比测量采用单向方波信号,幅度、频率自定(省赛测试现场再具体规定);标准测量为数字示波器测量,测量为脉冲参数测试仪测量;在三个设定占空比数值下测量,测量精度≤±5%,给10分,测量精度≤±8%,给8分,测量精度≤±10%,给6分;5、信号占空比测量采用单向锯齿波信号,幅度、频率自定(省赛测试现场再具体规定);标准测量为数字示波器测量,测量为脉冲参数测试仪测量;在三个设定上升、下降时间数值下测量,测量误差≤0.1us,给10分,测量误差≤0.5us,给8分,测量误差≤1us,给10分二、发挥部分1、信号幅度测量采用单向方波信号,频率自定(省赛测试现场再具体规定);标准测量为数字示波器测量,测量为脉冲参数测试仪测量;在三个设定幅度数值下测量,测量精度≤±1%,给10分,测量精度≤±1.5%,给8分,测量精度≤±2%,给6分;2、信号频率测量采用单向方波信号,幅度自定(省赛测试现场再具体规定);标准测量为频率计测量,测量为脉冲参数测试仪测量;在三个设定频率数值下测量,测量精度≤±0.001%,给10分,测量精度≤±0.005%,给8分,测量精度≤±0.01%,给6分;3、信号占空比测量采用单向方波信号,幅度、频率自定(省赛测试现场再具体规定);标准测量为数字示波器测量,测量为脉冲参数测试仪测量;在三个设定占空比数值下测量,测量精度≤±1%,给10分,测量精度≤±3%,给8分,测量精度≤±5%,给6分;4、信号占空比测量采用单向锯齿波信号,幅度、频率自定(省赛测试现场再具体规定);标准测量为数字示波器测量,测量为脉冲参数测试仪测量;在三个设定上升、下降时间数值下测量,测量误差≤10ns,给10分,测量误差≤15ns,给8分,测量误差≤20ns,给6分;5、测试仪器功耗:根据现场测试,分成5档分别给10分、8分、6分、4分和2分。
2016年TI杯江苏省大学生电子设计竞赛题目: 脉冲信号参数测量仪题目编号: E题参赛队编号:参赛队学校:参赛队学生:二○一六年七月目录摘要 (1)1.设计方案工作原理 (1)1.1方案选择 (1)1.2总体方案设计 (2)2.核心部件电路设计 (3)2.1高速缓冲电路 (3)2.2自动增益电路 (3)2.3高速比较器电路 (4)2.4放大电路 (5)3.系统软件设计分析 (5)3.1 CPLD数据处理 (5)4.竞赛工作环境条件 (6)4.1设计分析软件环境 (6)4.2仪器设备硬件平台 (6)5.作品成效总结分析 (6)5.1脉冲信号频率测量 (6)5.2脉冲信号占空比测量 (7)5.3脉冲信号幅值测量 (7)5.4脉冲信号上升时间测量 (8)6.参考文献 (8)附录..................................................................................................... 错误!未定义书签。
脉冲信号参数测量仪摘要:本作品以美国德州仪器(TI)生产的16位超低功耗单片机MSP430F169作为主控芯片,利用CPLD技术实现矩形脉冲信号的频率、占空比、上升时间的测量,并且利用CPLD产生一个标准矩形脉冲信号。
本设计外围硬件电路主要由高速缓冲降压模块、AGC自动增益模块、幅度测量模块组成,通过对上述模块的合理整合,设计并制作了一个性能较好的脉冲信号参数测量仪。
由于采用了AGC模块,系统实现了全程自动增益控制,稳定输出电压。
针对矩形脉冲信号的特点,本设计采用多种抗干扰措施,对电路布线进行优化,并合理运用低噪声芯片OP07、OPA690、VCA810、THS3001、TLV3501。
后期,利用ADS1115及Matlab,对测试数据进行合理的分析,以优化算法系统,进一步提高了精度。
该脉冲信号参数测量仪结构简单,性能稳定,功能完善,达到了各项设计指标。
示波器测量脉冲信号测量结果的不确定度分析与评定数字示波器因为操作便捷,过程简洁方便,信号可以及时的传递等良好的性能,所以在相关的检测领域得到了广泛的使用,本篇文章结合了相关的示波器对其测量脉冲信号测量结果的不确定度进行了相应的分析。
标签:示波器;脉冲信号;不确定度因为数字示波器在对相关测量的项目的分析、传递电信号幅度与时间等方面有较好的优点能够较为精确的测试各种交、直流信号,生动明显的反映被检测信号的基本内容和特点,这让示波器在脉冲测量领域成为了最常用也最基本的一种仪器。
脉冲信号测试的项目主要包括幅度、频率以及脉宽等方面,但是不同的使用者测量得出的结果会存在一定的偏差,而且示波器测量脉冲信号测量结果存在一定的不确定性,在这篇文章中结合了相应的检测仪器对脉冲信号的幅度、频率和脉冲宽度进行了测量,并根据测量的过程和结果对导致结果不確定度的因素进行了相应的分析评定。
一、测量结果的不确定度的概念测量结果的不确定度和处理结果的误差不是同一个概念,他们存在相应的区别,测量结果的不确定度是测量结果带来的一个参数,参数表示表征合理的赋予,被测量值的分散性,而测量的误差是指测量所得出的数据与实际的数据之间的差值,是测量的数值接近和被测物体数值的程度[1]。
二、脉冲信号测量7 (一)测量原理通过是德科技的DSO 6052A型号的数字示波器对某种脉冲信号进行了测量,如图1,把测量仪器与脉冲信号相连接的原理。
首先把脉冲信号和示波器的CH1的输入通道连接起来,并把垂直偏转系数以及水平扫描的时间等设置在合理的程度,显示波形要占显示屏的五分之四左右是最合适的。
对触发电平进行相应的调整,直到显示波形趋于稳定为止。
(二)计算方法在进行相关的测量时脉冲信号的波动幅度,波动频率以及脉冲的宽度时示波器直接读出的,其计算公式如下:(在公式中ΔY表示被测量的脉冲信号的绝对误差;Yx表示被测量的脉冲信号的标称值;YN表示被测量的脉冲信号的实测值)ΔY=Yx-YN三、脉冲信号测量结果的不确定度的分析与评定(一)脉冲信号幅度测量结果的不确定度的分析与评定脉冲信号幅度的结果是通过示波器直接读取的,而脉冲信号幅度的不确定度主要是由以下几个方面产生的。
编号:毕业设计说明书题目:脉冲信号参数测试仪院(系):电子工程与自动化学院专业:电子信息科学与技术学生姓名:xxxxxxxxxxxx学号:xxxxxxxxx指导教师:xxxxxxxxxxxxxx职称:xxxxxxxxxxxx理论研究实验研究工程设计工程技术研究软件开发2013年5月20日摘要脉冲参数测试仪是在信号类常用的一种仪器,用它可以测量峰峰值、有效值、频率、上升沿和下降沿时间,占空比等的仪器。
这种功能比较齐全的仪器现在大多数都是比较大型的台式的,手提便携式的功能还没那么完善,便携式的比较少,能测得东西也没那么多,而且便携式的测量精度没有台式的测量精度高。
现在便携式的测量仪器普遍用的就是万用表,可以测量直流电压、电阻、电流、电容等等。
本次是用超低功耗的控制芯片MSP430F5438A做为主控芯片,可以测量峰峰值、频率、占空比、上升沿和下降沿时间的参数,由于板子做得不怎么好,所以测的量精度不高。
关键词:MSP430F5438A;脉冲信号参数测试仪;峰峰值;频率;占空比AbstractThe pulse parameter tester is an instrument commonly used in the signal class,It can measure the peak-to-peak, RMS, frequency, rise and fall times, the duty cycle of the instrument.This function relatively complete instrument now most of them are relatively large-scale desktop,Hand-held portable function is not so perfect, portable are much few, can be measured not so much things, the measurement accuracy of the desktop and portable measurement accuracy is not high.Now portable measuring instruments commonly used is the multimeter,Can measure DC voltage, resistance, current, capacitance, and so on.The use the ultra low power control chip MSP430F5438A of as master chip,Can measure the peak-to-peak, frequency, duty cycle, rising and falling edge time parameters, the board is doing not so good, so the measurement accuracy is not high.Key words:MSP430F5438A; Pulse signal parameter tester; peak-to-peak; frequency; duty目录引言 (1)1 背景知识及系统设计要求 (1)1.1 背景知识 (1)1.2 MSP430系列单片机介绍 (2)1.3 系统设计要求 (2)1.4 系统设计方案 (2)2 主要器件的选择及论证 (3)2.1 微处理器的选择 (3)2.2 比较器的选择 (3)2.3 占空比测量模块的选择 (4)2.4 占峰峰值测量的设置 (4)3 脉冲信号参数测试仪的硬件电路设计 (4)3.1 MSP430F5438A主控模块设计 (4)3.1.1 MSP430F5438A最小系统芯片部分 (4)3.1.2 MSP430F5438A最小系统I/O口部分 (6)3.1.3 MSP430F5438A最小系统复位电路和仿真电路 (7)3.2 比较器电路 (8)3.3 峰值检波电路 (9)3.4 有效值测量电路 (10)3.5 A/D模数转换电路 (11)3.5 D/A数模转换电路 (12)4 脉冲信号参数测试仪的软件设计 (13)4.1 脉冲信号参数测试仪的总体流程图 (13)5 脉冲信号参数测试仪的调试过程 (16)5.1 硬件调试过程 (16)5.2 软件调试过程 (18)6 对系统的总结与展望 (21)6.1 总结 (21)6.2 展望 (21)谢辞 (22)参考文献 (23)附录 (24)引言单片机微型计算机是计算机的一个很重要的分支,单片机微型计算机简称单片机,非常适用于自动化控制领域,所以又称为微控制器。
技术参数1 .脉冲电压测试仪技术参数:•波前时间•半峰值时间•峰值电压•仪器内阻•仪器主电容•脉冲间隔时间•脉冲次数•极性•其它:配有波形检测口,1.2 ± 30 %50 Rs ± 20 %1000V ~ 12. 5 kV 土3%40Q ± 10%(新IEC标准要求)5、99 秒1 ~ 9999 次正、负可外接数字存储示波器检测波形。
2.全自动综合淋雨试验箱主要技术参数1、内箱尺寸:W1000XD1000XH1000 mm2、外形尺寸:W1500XD1200XH2050 mm一)滴水试验装置/IPX1、IPX21、滴水槽:600X600X100;(长X 宽X 高mm);2、降水量:1 〜5mm/min;(±0. 5mm/min),可调;3、降水面积:600X600 mm (0. 36m2);4、滴水孔径:0(). 4mm;5、滴水孔距:20 X 20mm;6、倾斜15°滴水试验(IPX2):配SUS304不锈钢15°斜架;7、供水压力:NO. IMpa;8、滴水槽:安装于试验箱顶部,高度不可调;9、滴水量、水位控制:IPX1 滴水量 1 mm/min (+0. 5mm/min), IPX2 滴水量3mm/min ( +0. 5mm/min), 滴水位高度由电磁阀、流量计;10、时间控制器:可设定试验时间:11、针孔防堵塞:采用压缩空气吹干针头积水,防止水渍堵塞针头。
二)摆管淋雨试验装置/IPX3、IPX41、摆管半经:R400nun;2、喷孔:中0.4mm,两孔间距:50mm;3、摆管摆幅:±180°(接近)、±120°、±90°、±60°、±30°(可调,自动,任意角度);4、摆管内径:O 16mm;5、摆管摆动速度:可调(自动);6、试样台:变频器传动,转盘直径C600mm,承重50kg,高度可手动升降(最大范围200mm),转速:1〜100r/min可调,无极调速;7、流量:。
郑州工业应用技术学院课程设计说明书题目:单片机脉冲信号测量姓名:院(系):信息工程学院专业班级:计算机科学与技术学号:指导教师:成绩:时间:年月日至年月日摘要脉冲信号测量仪是一种常用的设备,它可以测量脉冲信号的脉冲宽度,频率等参数,并用十进制数字显示出来。
利用定时器的门控信号GATE进行控制可以实现脉冲宽度的测量。
在单片机应用系统中,为了便于对LED显示器进行管理,需要建立一个显示缓冲区。
本文介绍了基于单片机AT89C51的脉冲信号参数测量仪的设计.该设计可以对脉冲信号的宽度,频率等参数进行测量。
关键词:脉冲信号;频率;宽度;单片机AT89C51目录摘要 (I)目录 (II)第一章技术背景及意义 (1)第二章设计方案及原理 (2)第三章硬件设计任务 (3)第四章软件结论 (12)第五章参考文献 (13)第六章附录 (14)第一章技术背景及意义单片机微型计算机是微型计算机的一个重要分支,也是颇具生命力的机种。
单片机微型计算机简称单片机,特别适用于控制领域,故又称为微控制器. 通常,单片机由单块集成电路芯片构成,内部包含有计算机的基本功能部件:中央处理器、存储器和I/O接口电路等。
因此,单片机只需要和适当的软件及外部设备相结合,便可成为一个单片机控制系统。
由于单片机稳定可靠、物美价廉、功耗低,所以单片机的应用日益广泛深入,涉及到各行各业,如工业自动化、智能仪表与集成智能传感器、家用电器等领域.单片机应用的意义绝不仅限于它的广阔范围以及带来的经济效益,更重要的意义在于,单片机的应用正从根本上改变着传统的控制系统的设计思想和设计方法。
从前必须由模拟电路或数字电路实现的大部分控制功能,现在使用单片机通过软件就能实现了。
随着单片机应用的推广普及,单片机控制技术将不断发展,日益完善.因此,本课程设计旨在巩固所学的关于单片机的软件及硬件方面的知识,激发广大学生对单片机的兴趣,提高学生的创造能力,动手能力和将所学知识运用于实践的能力。
脉冲信号测距离的原理脉冲信号测距原理是一种通过发送和接收脉冲信号的方式来测量目标距离的方法。
它广泛应用于雷达、激光测距仪等领域。
下面将详细介绍脉冲信号测距的原理。
脉冲信号测距利用了电磁波在空间传播的特性。
当我们发送脉冲信号时,它会在空间中以光速传播,并在遇到目标后发生反射。
然后接收器会接收到这个反射信号,并测量它与发送信号之间的时间差(即往返时间)来计算目标距离。
在测距过程中,首先需要发送脉冲信号。
这个信号可以是雷达中的无线电脉冲或者激光测距仪中的激光脉冲等。
当信号发射出去后,它会经过空气、大气层、云层等介质的传播。
在传播的过程中,信号会遇到目标,一部分信号会被目标反射回来。
接下来,接收器会接收到目标反射回来的信号。
接收器通常会具备高灵敏度和快速响应的特点,以便能够检测到来自目标的微弱信号。
当接收器接收到反射信号后,它会记录下接收信号的时间。
通过记录发送信号和接收信号之间的时间差,我们可以计算出信号在空间传播的距离。
因为电磁波在空中的传播速度很快,约为光速,所以可以忽略不计。
这样,往返时间的一半就是信号从发送器到目标再返回接收器的时间。
乘以光速,我们就可以得到目标距离的近似值。
需要注意的是,在实际应用中,可能会有一些误差影响测量结果。
例如,信号在传播过程中会受到介质的影响而发生衰减,同时也会受到大气层折射、多路径效应等因素的干扰。
这些因素都会对测距结果产生一定的偏差。
为了提高脉冲信号测距的准确性,通常采用一些补偿措施。
例如,可以通过校准和校正手段来消除仪器本身的误差。
此外,还可以利用多次测量取平均值的方法来减小测量误差。
另外,对于激光测距仪等设备,还可以配备旋转镜头或扫描器,以获得更全面、精确的测量结果。
总之,脉冲信号测距原理是通过发送和接收脉冲信号来测量目标距离的方法。
它利用了电磁波在空间传播的特性,通过测量信号往返时间来计算目标距离。
虽然在实际应用中可能会受到一些误差的影响,但通过采取一些补偿措施和提高测量精度的方法,可以获得较为准确的测距结果。
脉冲测量仪器研究报告
脉冲测量仪器是一种用于测量脉冲信号的仪器,它可以测量脉冲信号的幅度、宽度、上升时间、下降时间等参数。
脉冲信号在现代电子技术中应用广泛,例如雷达、通信、计算机等领域都需要使用脉冲信号。
因此,脉冲测量仪器的研究和应用具有重要的意义。
脉冲测量仪器的研究主要涉及到以下几个方面:
一、脉冲信号的测量原理
脉冲信号的测量原理是脉冲测量仪器研究的基础。
脉冲信号的测量需要考虑到信号的幅度、宽度、上升时间、下降时间等参数。
脉冲测量仪器可以通过采用不同的测量原理来实现对脉冲信号的测量。
二、脉冲测量仪器的分类
脉冲测量仪器可以根据测量原理的不同进行分类。
常见的脉冲测量仪器有示波器、频谱分析仪、脉冲计数器等。
不同的脉冲测量仪器适用于不同的脉冲信号测量场合。
三、脉冲测量仪器的应用
脉冲测量仪器在雷达、通信、计算机等领域都有广泛的应用。
例如,在雷达系统中,脉冲测量仪器可以用于测量雷达脉冲信号的幅度、宽度、上升时间、下降时间等参数,从而实现对雷达系统性能的评
估和优化。
脉冲测量仪器的研究和应用对于现代电子技术的发展具有重要的意义。
未来,随着电子技术的不断发展,脉冲测量仪器的研究和应用将会越来越广泛。
脉冲信号参数测量仪的DSP设计曾菊容【摘要】以TMS320F2812作为控制核心,待测脉冲信号由电阻分压后经过峰值检波电路,由TMS320F2812对其采样和处理得到其幅值,待测脉冲信号经过不同门限电平的比较器,将比较结果送TMS320F2812进行计数,从而得到脉冲信号的频率、占空比、上升时间和下降时间.该方案实现的脉冲信号参数测量仪具有成本低、便捷性强、精度高的特点.【期刊名称】《宜宾学院学报》【年(卷),期】2018(018)006【总页数】4页(P28-31)【关键词】脉冲信号;参数;测量仪;DSP【作者】曾菊容【作者单位】宜宾学院物理与电子工程学院,四川宜宾644007【正文语种】中文【中图分类】TN98脉冲信号参数测量指的是对脉冲信号的频率、幅度、占空比、上升时间和下降时间的测量.对脉冲信号参数的测量一般采用示波器或者逻辑分析仪,示波器价格高昂,体积大,启动需要一定时间;而逻辑分析仪又需配合电脑才能完成对脉冲信号的测量,这两种仪器都不方便携带.本文采用价格低廉的数字信号处理器TMS320F2812为主控芯片[1],配以适当的外围电路加上相应的程序设计,构成了脉冲信号参数测量仪,其成本低、精度高、便于携带.1 脉冲信号参数测量仪的总体设计方案测量仪的总体设计方案如图1所示.主要由分压模块、峰值检波模块、比较器模块、TMS320F2812主控模块、A/D模块、D/A模块以及LCD12864显示模块组成.图1 脉冲信号参数测量仪总体设计框图待测脉冲信号进入测量仪后,首先经过一个分压模块,分压是为了测量更大幅值的脉冲信号,采用合适的分压比,使所分得电压值小于主控芯片的电源电压,主控芯片在处理数据时将测得的电压除以分压比就能得到实际电压.分压后的信号经峰值检测模块转换后送给TMS320F2812内置ADC模块进行采样量化,经TMS320F2812进行数据处理得到被测信号的幅值.同时分压后的信号又送入比较器模块,比较器模块根据测频率、占空比、上升时间、下降时间设置不同的门限电平,将待测脉冲信号整形为规则的矩形脉冲,再使用TMS320F2812芯片进行捕获.D/A模块是将测量的幅值送入到测量上升时间和下降时间的硬件系统中,取出幅值的10%到90%作为上升时间比较器的两个门限电平,当待测信号电压在经过幅值的10%到90%时,可由硬件电路产生一个可供测量的规则矩形脉冲,供TMS320F2812芯片进行捕获,从而测出上升时间,下降时间的测量也类似处理[2].测出的频率、幅值、占空比、上升时间和下降时间再由LCD2864显示出来,非常直观.2 主要模块的硬件设计2.1 峰值检波模块设计峰值检波模块使用芯片AD637实现.AD637是美国AD公司RMS-DC产品中精度最高、带宽最宽的交直流转换芯片[3].用AD637对待测信号进行整流滤波得到对应的直流信号,在经TMS320F2812内置的ADC对直流电压进行采样量化,从而得到被测信号的幅值.峰值检波模块电路原理图如图2所示.图2 峰值检波模块原理图2.2 比较器模块设计比较器是实现频率、占空比测量的重要辅助硬件部分,通过比较器可以将待测的脉冲信号进行整形,把高于芯片电源电压的信号降低到芯片可采集电压范围内,低于芯片电源电压的信号抬高到芯片可采集电压范围内,然后采用DSP芯片TMS320F2812在单位时间里对比较器整形输出脉冲信号进行计数,计数脉冲个数即为被测频率[4].占空比是指高电平占整个周期的百分比.即:占空比=脉冲宽度×频率,所以测出频率后只需测出脉冲宽度就能得到占空比.脉冲宽度的测量可以用数字信号处理器的边沿触发功能来测,当上升沿到来的时候开始计时,直到下降沿到来时停止计时,总共的计时时间就是脉冲宽度[5].脉冲信号上升时间是脉冲信号从脉冲幅值的10%上升到90%所经过的时间.设置比较器的门限电平,下门限电平为脉冲幅值的10%,上门限电平为脉冲幅值的90%,脉冲信号上升沿经过该比较器后变成一个脉冲信号(如图3所示)[6],只需测出这个脉冲宽度就得到上升时间了,同理也可测试下降时间.设计中采用高速比较器TLV3501来实现比较器模块,其电路原理图如图4所示.2.3 D/A模块设计D/A模块是将幅值转换为测上升时间时比较器所需的两个门限电平,分别为脉冲幅度的10%和90%,设计中采用高速数模转换器TLV5619实现,TLV5619是12位单通道并行DAC,具有电压输出、低功耗和异步更新的特点,电路原理图如图5所示.3 脉冲参数测量仪的软件设计3.1 TMS320F2812片内资源分配TMS320F2812片上有各种强大外设可供用户使用,要实现可靠设计,应合理分配芯片资源.本设计的资源分配如表1所示,32位CPU定时器用来定时一秒和功能切换,捕获模块用于测量频率、占空比、上升时间和下降时间对整形脉冲上升沿和下降沿的捕获[1].图3 脉冲上升沿变脉冲示意图图4 比较器模块原理图表1 片内资源分配外设TIMER0(CPU定时器)捕获模块(CAP1)捕获模块(CAP1/2)捕获模块(CAP4/5)12位ADC模块分配任务模块功能切换频率测量捕获占空比测量捕获上升时间测量捕获幅值测量转换3.2 软件总流程图软件总流程图如图6所示,由TIMER0定时切换各个功能模块的运行,并且控制各个参数测量模块运行的时间.测量频率时,定时一秒,完成标准的一秒频率计数测量.测占空比时定时100 ms,在100 ms内可以完成多次占空比测量,将多次测量的占空比取算术平均值作为占空比的测试数据.测幅度时也定时100 ms,在100 ms内也可以完成多次ADC采样,将多次采样的数据取平均值,再转换为十进制数据即为测试幅值.测上升时间和下降时间也分别定时100 ms,同样把多次测量值取平均值得到上升时间和下降时间.由此可见,测量脉冲信号各参数的完整时间是1.4 s,还可以通过操作系统来改进,缩短延时时间.图6 软件总流程图4 脉冲信号参数测量仪的测试4.1 测试方案先将设计好的电路分模块进行仿真,确保功能符合要求,然后将编写好的程序通过相应软件进行编译调试,检查输出结果及工作时序是否符合要求,最后再进行软硬件联调,用高精度信号发生器(型号:MFG-3005)产生不同频率、占空比的脉冲信号作为被测信号,将测试结果与标准测试仪器(数字示波器和数字万用表)进行比较,验证设计的正确性.4.2 测试结果(1)测量脉冲信号频率.输入频率为10 Hz到2 MHz之间的几种脉冲信号,测出对应的频率数据如表2所示,由表可见,测量频率几乎没误差.表2 测量频率参数误差输入信号频率/Hz 10 1 000 500 k 2 M检测显示频率/Hz 10.0 1 000.0 500 k 2 M 0000(2)测量脉冲信号占空比.表3和表4分别给出了脉冲信号在低频段和高频段不同占空比参数的测量结果,由表可见,占空比为20%的时候测量误差较大,特别是频率较高的时候误差更大,这是由于频率越高,对芯片工作速度要求越高,所以误差越大.表3 低频段占空比参数测量输入信号频率10 Hz 100 Hz 500 Hz 1 kHz 2 kHz误差1%000 0.75%输入信号占空比20%40%60%70%80%检测显示数据19.8%40.0%60%70%80.6%表4 高频段占空比参数测量误差11.4%2.5%0 0.71%9.62%输入信号频率10 kHz 100 kHz 500 kHz 1 MHz 2 MHz输入信号占空比20%40%60%70%80%检测显示数据22.8%41.0%60%69.5%72.3%(3)测量脉冲信号幅度.输入不同幅度的脉冲信号,测试结果如表5所示.由表可见,输入信号范围为0.5 V到10 V,误差小于0.8%.(4)测量脉冲信号上升时间.脉冲信号上升时间的测试结果如表6所示.由表可见,上升时间越长,测试误差越小.误差的产生主要是因为TMS320F2812的硬件性能最多只能精确到6.67 ns[1],实际测量中发现由于引脚反应速度误差,加上中断响应时间和中断返回时间引起的软件误差导致在高频状态下的测量数据误差较大.表5 测量幅度参数输入信号幅度/V 检测显示幅度/V 误差0.5 3581 0 0.504 3.001 5.002 7.998 9.997 0.8%0.3%0.4%0.3%0.3%表6 测量上升时间参数输入上升时间/ns 1 000 5 000 10 000 50 000 100 000检测显示的上升时间/ns 1 590 5 812 10 412 50 025 100 002误差59.0%16.2%4.1%0.3%05 结语本文通过主控芯片TMS320F2812的程序设计和相应的外围电路实现了脉冲信号参数测量仪的设计,测量时只需要将待测脉冲信号与本测量仪连接,通上电即可在LCD上显示出被测脉冲信号的频率、幅度、占空比、上升时间和下降时间等参数,测量方法简单易操作,测量结果直观,测试精度高,测量仪造价低、便于携带.虽然该设计不能完全取代示波器等高精度测量仪器,但这也是脉冲信号参数测量仪的一个重要的成长和发展过程.参考文献:【相关文献】[1] 苏奎峰.TMS320X281xDSP原理及C程序开发[M].北京:北京航空航天大学出版社,2011.[2] 陆福敏.脉冲参数计量方法综述[J].上海计量测试,2008,35(2):2-7.[3] 陈仁伟,朱长青,岳夕彪.高准确度有效值转换电路的设计与实现[J].电子测量技术,2010,33(6):20-22.[4] 郭海青.电子计数法测频提高测量精度的分析[J].青海师范大学学报(自科版),2006(1):24-26.[5] 梁志国,孙璟宇.脉冲波形占空比的数字化测量及不确定度分析[J].计测技术,2004,24(2):21-24.[6] 张莉莉,刘明亮,朱江淼.基于信号重构和系统辨识的上升时间测量[J].电子测量技术,2006,29(6):57-59.。
脉冲信号参数脉冲信号是具有高幅度电压的突发性信号,其特点是信号的幅度在一个很短的时间内突然变化,然后保持在一个较低的幅度上。
脉冲信号在通信、雷达、测量和控制等领域都有重要应用,因此了解脉冲信号的参数是十分必要的。
以下是关于脉冲信号参数的相关参考内容。
1. 起始时间:脉冲信号的起始时间是指信号的幅度开始变化的时间点。
起始时间对于控制脉冲信号的引导和处理非常关键。
在测量领域,起始时间可以用来确定被测量对象的位置或状态等信息。
2. 持续时间:脉冲信号的持续时间是指信号的幅度保持在高幅度的时间长度。
持续时间决定了脉冲信号的传输速度以及信号在传输过程中的能量损耗情况。
3. 峰值幅度:脉冲信号的峰值幅度是指信号幅度变化时的最高电压值。
峰值幅度对于脉冲信号的传输和解析具有重要意义。
在雷达系统中,峰值幅度可以用来推断目标的距离和速度。
4. 峰后剩余幅度:脉冲信号的峰后剩余幅度是指信号在峰值过后所保持的较低幅度值。
峰后剩余幅度通常用来表示信号的抑制程度,即脉冲信号与背景噪声的相对强度。
5. 重复率:脉冲信号的重复率是指单位时间内脉冲信号出现的频率。
重复率对于脉冲信号的稳定性和可靠性很重要。
在雷达系统中,重复率可以用来控制脉冲的传输间隔,从而实现对目标的连续监测。
6. 上升时间和下降时间:脉冲信号的上升时间是指信号从低幅度到峰值幅度所需的时间,下降时间则表示信号从峰值幅度恢复到低幅度所需的时间。
上升时间和下降时间对于信号的形状和传输的可靠性有着重要影响。
除了上述参数外,脉冲信号的频率、脉宽、占空比等参数也是非常重要的参考内容。
以上介绍的是脉冲信号的一些基本参数,了解这些参数可以帮助我们更好地理解和应用脉冲信号。
在实际应用中,还需要根据具体的要求和场景去选择合适的脉冲信号参数,以满足各种需求和目标。