单孔箱涵结构设计计算书
- 格式:xls
- 大小:224.00 KB
- 文档页数:16
L p 图1-1一、设计资料(一)概况:***道路工程经过水库溢洪道处设置箱涵,箱涵净跨L 0=8.0米,净高h 0=10.5米,路基红线范围内长49米,箱涵顶最大填土厚度H=米,填土的内摩擦角φ为24°,土体密度γ1=m 3,设箱涵采用C25混凝土(f cd =)和HRB335钢筋(f sd =280MPa)。
桥涵设计荷载为城-A 级,用车辆荷载加载验算。
结构安全等级二级,结构重要性系数γ0=。
地基为泥质粉砂岩,[σ0]=380kPa ,本计算书主要内容为结构设计与地基应力验算。
(二)依据及规范 1、《城市桥梁设计荷载标准》(CJJ77-98) 2、《公路桥涵设计通用规范》(JTG D60-2004) 3、《公路钢筋混凝土及预应力混凝土桥涵设计规范》(JTG D62-2004) 4、《公路桥涵地基与基础设计规范》(JTGD63-2007)二、设计计算(一)截面尺寸拟定(见图1-1) 箱涵过流断面尺寸由水利部门提供,拟定顶板、底板厚度δ=100cm (C 1=50cm ) 侧墙厚度 t =100cm (C 2=50cm )故 L P =L 0+t=8+1=9m h p =h 0+δ=+1=11.5m (二)荷载计算1、恒载恒载竖向压力P =γ1H+γ2δ=×+25×1=m 2恒载水平压力顶板处: e p1=γ1Htan 2(45o -φ/2)=××tan 2(45o -24o /2)= kN/m 2底板处:e p2=γ1(H +h )tan 2(45o -φ/2)=×(+)×tan 2(45o -24o /2) =m 2 2、活载城-A 级车辆荷载轴重按《城市桥梁设计荷载标准》4.1.3条确定,参照《公 路桥涵设计通用规范》第4.3.4条2款,计算涵洞顶车辆荷载引起的竖向土压力,车轮扩散角30o 。
1) 先考虑按六车道(7辆车)分布,横向折减系数 一个汽车后轮横向分布宽>1.3m/22+ tan30o =2.38m>1.8m/2故,两列车相邻车轴有荷载重叠,按如下计算横向分布宽度a=2+ tan30o ) ×2+22=26.76m 同理,纵向分布宽度2+ tan30o =2.2m >1.2m/2故,同列车相邻车轴有荷载重叠,纵向分布宽度按如下计算 b=2+ tan30o ) ×2+=5.6m 车辆荷载垂直压力q 车=(140×2×7)/× ×= kN/m 22) 考虑按两车道(2辆车)分布,横向折减系数 一个汽车后轮横向分布宽>1.3m/22+ tan30o =2.38m>1.8m/2故,两列车相邻车轴有荷载重叠,按如下计算横向分布宽度a=2+ tan30o ) ×2+=9.66m 同理,纵向分布宽度2+ tan30o =1.05m >1.2m/2故,同列车相邻车轴有荷载重叠,纵向分布宽度按如下计算 b=2+ tan30o ) ×2+=5.61m 车辆荷载垂直压力q 车=(140×2×2)/× ×= kN/m 2根据上述计算,车辆荷载垂直压力取大值按两车道布置计算取值 kN/m 2。
一. 设计资料地下通道净跨径L0=6m ,净高h0=3.5m ,箱顶填土厚为3m ,土的内摩擦角φ为30°,填土的密度γ1=20KN/m3。
箱涵主体结构混凝土强度等级为C30,箱涵基础垫层混凝土强度等级为C15,纵向受力钢筋采用HRB335钢筋。
地基为强风化砂岩。
汽车荷载等级为城-A 级。
二. 设计计算 (一)尺寸拟定顶板、底板厚度δ=50cm 侧墙厚度t=50cm故计算长度 m t L l 5.65.060=+=+=m H h 0.45.05.30=+=+=δ(二)荷载计算 1.恒载竖向恒载标准值 221/5.725.025320m KN H q v =×+×=•+•=δγγ水平恒载标准值顶板处22121/20320)23045()245(m KN tg H tg q h =××−=••−=oooγφ底板处22122/50)5.43(20)23045()()245(m KN tg h H tg q h =+××−=++••−=oooδγφ2.活载一个汽车后轮荷载横向扩散长度28.103.230326.0fo =×+tg ,故两辆车相邻车轴由荷载重叠;一个汽车后轮荷载纵向扩散长度2.626.386.1303225.0p f o =×+tg 。
按两辆车相邻计算车轴荷载扩散面积横向分布长m tg a 96.83.12)8.130326.0(=+×+×+=o 。
纵向分布长分两种情况,第一种情况考虑1、2、3轴荷载重叠,此时纵向分布长m tg b 52.82.16.32)303225.0(=++××+=o ;第二种情况只考虑4轴荷载,此时纵向分布长m tg b 72.32)303225.0(=××+=o 。
车辆荷载垂直压力,按纵向分布第一种情况计算,2/91.852.896.8)14014060(2m KN q v =×++×=车;按纵向分布第二种情况计算,2/0.1272.396.82002m KN q v =××=车。
)203(45h)tg (H e 21p2-+γ=可编辑修改精选全文完整版箱涵结构计算一、设计资料净跨径L 0为4.5m ,净高位2m ,箱涵填土高H 为0.7m ,土的摩擦角ϕ为30,土的容重γ1=19KN/m ³,设箱涵采用C20砼和HRB335钢筋。
二、设计计算(一)截面尺寸拟定(见图1) 顶板、底板厚度δ=40cm (C 1=15cm )侧墙厚度 t=36cm (C 2=15cm ) 故 L p =L 0+t=4.5+0.36=4.86mh p =h o +δ=2.0+0.4=2.4m(二)荷载计算 1.恒载 恒载竖向压力P =γ1 H+γ2δ=19×0.7+25×0.4 = 23.2 KN/㎡ 恒载水平压力 顶板处=19×0.7×tg ²30º=4.43 KN/㎡底板处:=19 ×(0.7+2.8)×tg ²30 =22.16 KN/㎡2.活载公里-Ⅱ级车辆荷载由《公路桥涵设计通用规范》(JTG D60-2004)第4.3.4条计算 一个汽车后轮横向分布宽>1.32m 0.62+0.7tg30°=0.704m <1.82m 故,两列车相邻车轴有荷载重叠,应按如下计算横向分布宽度a=(0.62+0.7tg30°)×2+1.3=2.708 m 同理,纵向:0.22+0.7tg30°=0.504<1.4/2m 故b=(0.22+ 0.7tg30°)×2=1.008m车辆荷载垂直压力q 车= 1402.708×1.008= 51.29 KN/㎡车辆荷载水平压力e 车=51.29tg ²30°=17.10 KN/㎡ )203(45h)tg (H e 21p2-+γ=三、 内力计算 1 .构件刚度比677.086.44.236.011214.01121I e 22121p1=⨯⨯⨯⨯⨯=⨯=p L h I2 .节点弯矩和轴向力计算 (1)α种荷载作用下(图2) 涵洞四角节和弯矩: M aA =M aB =M aC =M aD = - 1K+1 · PLp²12N a1=N a2=0 N a3= N a4= PLp2恒载(p=P )M aA = -10.677+1 · 23.3×4.86²12 = -27.351 KN ·mN a3= 23.3×4.862 = 56.62KN车辆荷载(p=q 车)M aA = -10.677+1 · 51.29×4.86²12 = 60.56 KN ·mN a3= 51.29×4.862 = 124.63KN(2)b 种荷载作用下(图3) M aA =M aB =M aC =M aD = -K K+1 · Php²12N b1=N b2= Php2N a3= N a4=0 恒载(p=eP1) M bA = -0.6770.677+1 ·4.43×2.4²12=-0.858 KN ·mN b1= 4.43×2.42 =5.316KN(3)C 种荷载作用下(图4)60Ph )3K )(1K ()8K 3(K M M 2p cD cA •+++-== 60Ph )3K )(1K ()7K 2(K M M 2p cC cB •+++-== p cBcA p 1h M M 6Ph Nc -+=pcBcA p 2h M M 3Ph Nc --=恒载(p=ep2-ep1=22.16-4.43=17.73 KN )604.273.17)3677.0)(1677.0()8677.03(677.0M M 2cD cA ⨯⨯+++⨯-== = -1.875 KN ·m604.273.17)3677.0)(1677.0()7677.02(677.0M M 2cC cB ⨯⨯+++⨯-== = -1.561 KN ·mKN 96.64.2561.1875.164.273.17Nc 1=+-+⨯=KN 315.144.2561.1875.134.273.17Nc 2=+--⨯=(4)d 种荷载作用下(图5)4Ph ]5K 152K 10)3K 4K (6)3K (K [M 2p 2dA ⋅++++++-= 4Ph ]5K 153K 5)3K 4K (6)3K (K [M 2p 2dB ⋅++-+++-= 4Ph ]5K 153K 5)3K 4K (6)3K (K [M 2p 2dC ⋅++++++-= 4Ph ]5K 152K 10)3K 4K (6)3K (K [M 2p 2dA⋅++-+++-= pDCdD d1h M M N -=pDCdD p d2h M M Ph N -=-车辆荷载(P=e 车=17.10 KN/m ²)0673.05677.0153677.05)3677.04677.0(6)3677.0(677.05K 153K 5)3K 4K (6)3K (K 22=+⨯+⨯++⨯++=++++++5797.05677.0152677.0105K 152K 10=+⨯+⨯=++4213.05677.0153677.055K 153K 5=+⨯+⨯=++m KN 932.1544.210.17)5297.00673.0(M 2dA ⋅-=⨯⨯+-=m KN 717.844.210.17)4213.00673.0(M 2dB ⋅=⨯⨯--=m KN 113.2544.210.17)4213.00673.0(M 2dC ⋅-=⨯⨯+-=pCdB d4d3h M d M N N --==m KN 617.1244.210.17)5297.00673.0(M 2dA ⋅=⨯⨯--=KN 72.154.2113.25617.12N d1=+=KN 32.2572.154.210.17N d2=-⨯=KN 96.686.4113.25717.8N N d4d3-=+-==(5)节点弯矩和和轴力计算汇总表(6)荷载效应组合。
L p 图1-1一、设计资料(一)概况:***道路工程经过水库溢洪道处设置箱涵,箱涵净跨L 0=8.0米,净高h 0=10.5米,路基红线范围内长49米,箱涵顶最大填土厚度H=3、6米,填土的内摩擦角φ为24°,土体密度γ1=20、2KN/m 3,设箱涵采用C25混凝土(f cd =11、5MPa)与HRB335钢筋(f sd =280MPa)。
桥涵设计荷载为城-A 级,用车辆荷载加载验算。
结构安全等级二级,结构重要性系数γ0=1、0。
地基为泥质粉砂岩,[σ0]=380kPa,本计算书主要内容为结构设计与地基应力验算。
(二)依据及规范 1、《城市桥梁设计荷载标准》(CJJ77-98) 2、《公路桥涵设计通用规范》(JTG D60-2004) 3、《公路钢筋混凝土及预应力混凝土桥涵设计规范》(JTG D62-2004) 4、《公路桥涵地基与基础设计规范》(JTGD63-2007)二、设计计算(一)截面尺寸拟定(见图1-1) 箱涵过流断面尺寸由水利部门提供,拟定顶板、底板厚度δ=100cm(C 1=50cm) 侧墙厚度 t =100cm (C 2=50cm)故 L P =L 0+t=8+1=9mh p =h 0+δ=10、5+1=11.5m (二)荷载计算1、恒载恒载竖向压力P =γ1H+γ2δ=20、2×3、6+25×1=97、72kN/m 2恒载水平压力顶板处: e p1=γ1Htan 2(45o -φ/2)=20、2×3、6×tan 2(45o -24o /2)=30、67 kN/m 2底板处:e p2=γ1(H +h)tan 2(45o -φ/2)=20、2×(3、6+12、5)×tan 2(45o -24o /2) =137、15kN/m 2 2、活载城-A 级车辆荷载轴重按《城市桥梁设计荷载标准》4.1.3条确定,参照《公 路桥涵设计通用规范》第4.3.4条2款,计算涵洞顶车辆荷载引起的竖向土压力,车轮扩散角30o。
1-(5-2.5)m箱涵计算书已知计算条件:涵洞的设计安全等级为三级,取其结构重要性系数:.9涵洞桩号= K1+384.00箱涵净跨径= 5米箱涵净高= 2.5米箱涵顶板厚= .4米箱涵侧板厚= .4米板顶填土高= .27米填土容重= 18千牛/立方米钢筋砼容重= 25千牛/立方米混凝土容重= 22千牛/立方米水平角点加厚= .3米竖直角点加厚= .3米涵身混凝土强度等级= C25钢筋等级= II级钢筋填土内摩擦角= 35度基底允许应力= 250千牛/立方米顶板拟定钢筋直径= 20毫米每米涵身顶板采用钢筋根数= 11根底板拟定钢筋直径= 20毫米每米涵身底板采用钢筋根数= 11根侧板拟定钢筋直径= 20毫米每米涵身侧板采用钢筋根数= 6根荷载基本资料:土系数 K = 1.04恒载产生竖直荷载p恒=17.55千牛/平方米恒载产生水平荷载ep1=1.99千牛/平方米恒载产生水平荷载ep2=18.09千牛/平方米汽车产生竖直荷载q汽=150.02千牛/平方米汽车产生水平荷载eq汽=18.4千牛/平方米计算过程重要说明:角点(1)为箱涵左下角,角点(2)为箱涵左上角,角点(3)为箱涵右上角,角点(4)为箱涵右下角构件(1)为箱涵顶板,构件(2)为箱涵底板,构件(3)为箱涵左侧板,构件(4)为箱涵右侧板1>经过箱涵框架内力计算并汇总,结果如下(单位为:千牛.米):a种荷载(涵顶填土及自重)作用下:涵洞四角节点弯矩和构件轴力:MaA = MaB = MaC = MaD = -1 / (K + 1) * P * Lp^2 / 12 = -27.75287kN.mNa1 = Na2 = 0kNNa3 = Na4 = P * Lp / 2 = 47.39688kNa种荷载(汽车荷载)作用下:MaA = MaB = MaC = MaD = -1 / (K + 1) * M顶板端部 = -40.01875kN.mNa1 = Na2 = 0kNNa3 = Na4 = V顶板端部 = 91kNb种荷载(侧向均布土压力)作用下:涵洞四角节点弯矩和构件轴力:MbA = MbB = MbC = MbD = -K / (K + 1) * P * hp^2 / 12 = -.488389kN.mNb1 = Nb2 = P * Lp / 2 = 2.892006kNNb3 = Nb4 = 0kNc种荷载(侧向三角形土压力)作用下:涵洞四角节点弯矩和构件轴力:McA = McD = K *(3K + 8) / ((K + 1)*(K + 3)) * P * hp^2 / 60 = -2.142094kN.m McB = McC = K *(2K + 7) / ((K + 1)*(K + 3)) * P * hp^2 / 60 = -1.799524kN.m Nc1 = P * hp / 6 + (McA - McB) / hp = 7.661997kNNc2 = P * hp / 3 - (McA - McB) / hp = 15.67838kNNc3 = Nc4 = 0kNd种荷载(侧向汽车压力)作用下:涵洞四角节点弯矩和构件轴力:MdA = -(K * (K + 3) / 6(K^2 + 4K +3) + (10K + 2) / (15K + 5)) * P * hp^2 / 4 = -24.09762kN.mMdB = -(K * (K + 3) / 6(K^2 + 4K +3) - (5K + 3) / (15K + 5)) * P * hp^2 / 4 = 14.59651kN.mMdC = -(K * (K + 3) / 6(K^2 + 4K +3) + (5K + 3) / (15K + 5)) * P * hp^2 / 4 = -19.10306kN.mMdD = -(K * (K + 3) / 6(K^2 + 4K +3) - (10K + 2) / (15K + 5)) * P * hp^2 / 4 = 19.59108kN.mNd1 = (MdD - MdC) / hp = 13.3428kNNd2 = P * hp - (MdD - MdC) / hp = 40.02841kNNd3 = Nc4 = -(MdB - MdC) / Lp = -6.240662kN角点(1)在恒载作用下的的总弯矩为:-30.38角点(1)在汽车作用下的的总弯矩为:-64.12角点(1)在混凝土收缩下的的弯矩为:28.77角点(1)在温度变化下的的总弯矩为:28.77构件(1)在恒载作用下的的总轴力为:10.55构件(1)在汽车作用下的的总轴力为:13.34构件(1)在混凝土收缩下的的轴力为:0构件(1)在温度变化下的的总轴力为:0角点(2)在恒载作用下的的总弯矩为:-30.04角点(2)在汽车作用下的的总弯矩为:-25.42角点(2)在混凝土收缩下的的弯矩为:-28.77角点(2)在温度变化下的的总弯矩为:-28.77构件(2)在恒载作用下的的总轴力为:18.57构件(2)在汽车作用下的的总轴力为:40.03构件(2)在混凝土收缩下的的轴力为:0构件(2)在温度变化下的的总轴力为:0角点(3)在恒载作用下的的总弯矩为:-30.04角点(3)在汽车作用下的的总弯矩为:-59.12角点(3)在混凝土收缩下的的弯矩为:-28.77角点(3)在温度变化下的的总弯矩为:-28.77构件(3)在恒载作用下的的总轴力为:47.4构件(3)在汽车作用下的的总轴力为:84.76构件(3)在混凝土收缩下的的轴力为:0构件(3)在温度变化下的的总轴力为:0角点(4)在恒载作用下的的总弯矩为:-30.38角点(4)在汽车作用下的的总弯矩为:-20.43角点(4)在混凝土收缩下的的弯矩为:28.77角点(4)在温度变化下的的总弯矩为:28.77构件(4)在恒载作用下的的总轴力为:47.4构件(4)在汽车作用下的的总轴力为:97.24构件(4)在混凝土收缩下的的轴力为:0构件(4)在温度变化下的的总轴力为:02>荷载组合计算角点(1) 正常使用极限状态效应组合短期组合(M恒 + 0.7 * M活) = -75.26482 角点(1) 正常使用极限状态效应组合长期组合(M恒 + 0.4 * M活) = -56.02991 角点(1) 承载能力极限状态 (1.2 * M恒 + 1.4 * M活) = -126.223角点(2) 正常使用极限状态效应组合短期组合(M恒 + 0.7 * M活) = -47.83635 角点(2) 正常使用极限状态效应组合长期组合(M恒 + 0.4 * M活) = -40.20968 角点(2) 承载能力极限状态 (1.2 * M恒 + 1.4 * M活) = -71.64008角点(3) 正常使用极限状态效应组合短期组合(M恒 + 0.7 * M活) = -71.42605角点(3) 正常使用极限状态效应组合长期组合(M恒 + 0.4 * M活) = -53.68951角点(3) 承载能力极限状态 (1.2 * M恒 + 1.4 * M活) = -118.8195角点(4) 正常使用极限状态效应组合短期组合(M恒 + 0.7 * M活) = -44.68273角点(4) 正常使用极限状态效应组合长期组合(M恒 + 0.4 * M活) = -38.55442角点(4) 承载能力极限状态 (1.2 * M恒 + 1.4 * M活) = -65.05877构件(1) 正常使用极限状态效应组合短期组合(N恒 + 0.7 * N活) = 19.89397构件(1) 正常使用极限状态效应组合长期组合(N恒 + 0.4 * N活) = 15.89112构件(1) 承载能力极限状态 (1.2 * N恒 + 1.4 * N活) = 31.34473构件(2) 正常使用极限状态效应组合短期组合(N恒 + 0.7 * N活) = 46.59027构件(2) 正常使用极限状态效应组合长期组合(N恒 + 0.4 * N活) = 34.58175构件(2) 承载能力极限状态 (1.2 * N恒 + 1.4 * N活) = 78.32423构件(3) 正常使用极限状态效应组合短期组合(N恒 + 0.7 * N活) = 106.7284构件(3) 正常使用极限状态效应组合长期组合(N恒 + 0.4 * N活) = 81.30061构件(3) 承载能力极限状态 (1.2 * N恒 + 1.4 * N活) = 175.5393构件(4) 正常使用极限状态效应组合短期组合(N恒 + 0.7 * N活) = 115.4653构件(4) 正常使用极限状态效应组合长期组合(N恒 + 0.4 * N活) = 86.29314构件(4) 承载能力极限状态 (1.2 * N恒 + 1.4 * N活) = 193.01323>将箱涵框架分解为四根独立构件,求其跨中内力并进行效应组合。
钢筋混凝土框架结构设计一、设计资料1、孔径及净空净跨径L 0 =16净高h 0 =6.252、设计安全等级一级结构重要性系数r 0 =1.13、汽车荷载荷载等级公路—Ⅰ级4、填土情况填土高度H =0.5土的内摩擦角Φ =30填土容重γ1 =18地基容许承载力[σ0] =4005、建筑材料普通钢筋种类HRB335主钢筋直径28钢筋抗拉强度设计值f sd =280涵身混凝土强度等级C 50涵身混凝土抗压强度设计值f cd =22.4涵身混凝土抗拉强度设计值f td =1.83钢筋混凝土重力密度γ2 =25基础混凝土强度等级C 15混凝土重力密度γ3 =24二、设计计算(一截面尺寸拟定 (见图L-01顶板、底板厚度δ =0.85C 1 =0.85侧墙厚度t=1.2C 2 =2.55横梁计算跨径L P = L0+t =17.2L = L0+2t =18.4侧墙计算高度h P = h0+δ =7.1h = h0+2δ =7.95基础襟边c =0基础高度d =0基础宽度B =18.4(二荷载计算1、恒载恒载竖向压力p 恒= γ1H+γ2δ =30.25恒载水平压力顶板处e P1 = γ21Htan (45°-φ/2 =3.00底板处e P2 =γ1(H+htan2(45°-φ/3 =50.702、活载m mm °kN/m3kPamm MPa MPa MPa kN/m3kN/m3m m m m m m m m m m mkN/m2kN/m2kN/m2图 L-01汽车后轮着地宽度0.6m,由《公路桥涵设计通用规范》(JTG D60—2004第4.3.4条规定,按30°角向下分布。
一个汽车后轮横向分布宽0.6/2+Htan30°=故横向分布宽度a = (0.6/2+Htan30°³2+1.3 =同理,纵向,汽车后轮着地长度0.2m0.2/2+Htan30°=故车辆荷载垂直压力车辆荷载水平压力(三内力计算1、构件刚度比K = (I1/I2³(hP /LP =2、节点弯矩和轴向力计算(1a种荷载作用下 (图L-02涵洞四角节点弯矩M aA = MaB = MaC = MaD =-1/(K+1²pL P 2/12横梁内法向力侧墙内法向力恒载N a1 = Na2 =N a3 = Na4 =p = p恒 =N a3 = Na4 =车辆荷载p = q车 =N a3 = Na4 =(2b种荷载作用下 (图L-03M bA = MbB = MbC = MbD =-K/(K+1²ph P 2/12N b1 = Nb2 =ph P /2N b3 = Nb4 =恒载p = eP1 =M bA = MbB = MbC = MbD =N b1 = Nb2 =(3c种荷载作用下 (图L-04M cA = McD =-K(3K+8/[(K+1(K+3]²ph P 2/60M cB = McC =-K(2K+7/[(K+1(K+3]²ph P /60N c1 =ph P /6+(McA -M cB /hP N c2 =ph P /3-(McA -M cB /hPN c3 = Nc4 =恒载p = eP2-e P1 =M cA = McD =M cB = McC =N c1 =N c2 =(4d种荷载作用下 (图L-05M dA =-[K(K+3/6(K2+4K+3+(10K+2/(15K+5]²ph P 2/4047.70-13.75-11.8856.18113.15kN/m220.59 m< 1.3/2 m< 1.8/2 m2.4770.389 m0.77714072.7024.23m< 1.4/2 mm kN kN/mkN/m22b = (0.2/2+Htan30°³2 =∑G =q 车= ∑G /(a³b =e 车 = q车tan (45°-φ/2 =20.150pL P /230.25260.1572.70625.20kN/m2kN ²m kN kN/mkN2M aA = MaB = MaC = MaD =-650.35 M aA = MaB = MaC = MaD =-1562.96 kN ²m 图 L-0203.00-1.6110.65kN/m2kN ²m kN图 L-03kN ²m kN ²m kN kN图 L-04M dB =-[K(K+3/6(K+4K+3-(5K+3/(15K+5]²ph P /4M dC =-[K(K+3/6(K2+4K+3+(5K+3/(15K+5]²ph P 2/4M dD =-[K(K+3/6(K+4K+3-(10K+2/(15K+5]²ph P /4N d1 =(MdD -M dC /hP N d2 =ph P -(MdD -M dC /hP N d3 = -Nd4 =-(MdB -M dC /LP车辆荷载p = e车 =M dB =M dD =N d1 =N d2 =N d3 = -Nd4 =(5节点弯矩、轴力计算及荷载效应组合汇总表按《公路桥涵设计通用规范》(JTG D60—2004第4.1.6条进行承载能力极限状态效应组合=191.42图 L-07kNV x =ω1x+x2(ω2-ω1/2LP -N 3 222224.23151.84140.5343.01129.04-18.41 kN/m2M dA =-153.56M dC =-164.86kN ²m kN ²m kN ²m kN ²m kN kN kN图 L-05(3左侧墙 (图L-08ω1 =1.4e P1+1.4e车*1.3=48.30115.08x =h P /2N x = N3 =1161.69 =-2603.472kN/mkN/mkN2ω2 =1.4e P2+1.4e车*1.32M x =M B +N1x-ω1²x 2/2-x3(ω2-ω1/6hPkN ²m图 L-08kN kN/m2kN/mkN2V x =ω1x+x(ω2-ω1/2hP -N 1 =(4右侧墙 (图L-09ω1 = 1.4eP1 =ω2 = 1.4eP2 = 4.2070.9876.96x =h P /2N x = N4 =1213.24 =-2768.94=(5构件内力汇总表-79.61M x =M C +N1x-ω1²x 2/2-x3(ω2-ω1/6hPkN ²m kN图 L-09V x =ω1x+x2(ω2-ω1/2hP -N 1(四截面设计1、顶板 (B-C钢筋按左、右对称,用最不利荷载计算。
圆管涵结构计算书一、基本设计资料1.依据规范及参考书目:《公路桥涵设计通用规范》(JTG D60-2004),简称《桥规》《公路钢筋混凝土及预应力混凝土桥涵设计规范》(JTG D62-2004)《公路桥涵地基与基础设计规范》(JTG D63-2007)2.计算参数:圆管涵内径D = 1500 mm 圆管涵壁厚t = 140 mm填土深度H = 3000 mm 填土容重γ1 = 18.00 kN/m3混凝土强度级别:C30 汽车荷载等级:公路-Ⅱ级修正后地基土容许承载力[fa] = 120.0 kPa管节长度L = 1000 mm 填土内摩擦角φ= 35.0 度钢筋强度等级:HRB335 钢筋保护层厚度as = 25 mm受力钢筋布置方案:φ10@100 mm二、荷载计算1.恒载计算填土垂直压力:q土= γ1×H = 18.0×3000/1000 = 54 kN/m2管节垂直压力:q自= 25×t = 25×140/1000 = 3.50 kN/m2故:q恒= q土+ q自= 54 +3.50 = 57.5 kN/m22.活载计算按《公路桥涵设计通用规范》第4.3.1条和第4.3.2条规定,计算采用车辆荷载;当填土厚度大于或等于0.5m时,涵洞不考虑冲击力。
按《公路桥涵设计通用规范》第4.3.5条规定计算荷载分布宽度。
一个后轮单边荷载的横向分布宽度=0.6/2+3000/1000×tan30°=2.03 m由于一个后轮单边荷载的横向分布宽度=2.03 m > 1.8/2 m故各轮垂直荷载分布宽度互相重叠,荷载横向分布宽度a应按两辆车后轮外边至外边计算:a=(0.6/2+3000/1000×tan30°)×2+1.3+1.8×2=8.96 m一个车轮的纵向分布宽度=0.2/2+3000/1000×tan30°=1.83 m由于一个车轮单边的纵向分布宽度=1.83 m > 1.4/2 m故纵向后轮垂直荷载分布长度互相重叠,荷载纵向分布宽度b应按二轮外边至外边计算:b=(0.2/2+3000/1000×tan30°)×2+1.4=5.06 mq汽= 2×(2×140)/(a×b)= 560/(8.96×5.06)= 12.35 kN/m23.管壁弯矩计算忽略管壁环向压力及径向剪力,仅考虑管壁上的弯矩。
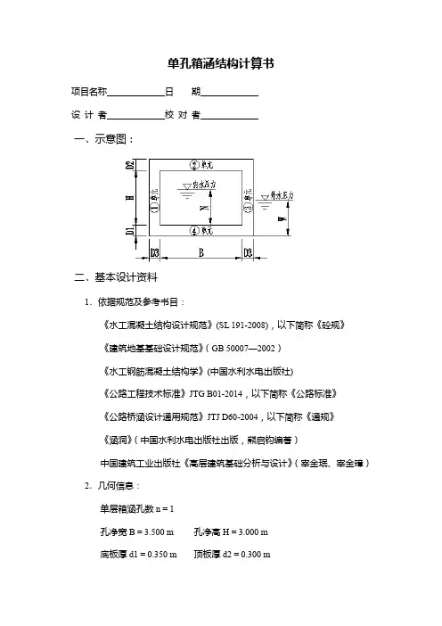
单孔箱涵结构计算书项目名称_____________日期_____________设计者_____________校对者_____________一、示意图:二、基本设计资料1.依据规范及参考书目:《水工混凝土结构设计规范》(SL 191-2008),以下简称《砼规》《建筑地基基础设计规范》(GB 50007—2002)《水工钢筋混凝土结构学》(中国水利水电出版社)《公路工程技术标准》JTG B01-2014,以下简称《公路标准》《公路桥涵设计通用规范》JTJ D60-2004,以下简称《通规》《涵洞》(中国水利水电出版社出版,熊启钧编著)中国建筑工业出版社《高层建筑基础分析与设计》(宰金珉、宰金璋)2.几何信息:单层箱涵孔数n = 1孔净宽B = 3.500 m孔净高H = 3.000 m底板厚d1 = 0.350 m顶板厚d2 = 0.300 m侧墙厚d3 = 0.300 m加腋尺寸t = 0.250 m3.荷载信息:埋管方式:上埋式填土高Hd = 3.200 m填土种类:密实砂类土、硬塑粘性土内摩擦角φ = 36.0 度水下内摩擦角φ = 32.0 度填土容重γ = 22.000 kN/m3填土浮容重γs = 18.000 kN/m3汽车荷载等级:公路-Ⅱ级4.荷载系数:可变荷载的分项系数γQ1k=1.20可变荷载的分项系数γQ2k=1.10永久荷载的分项系数γG1k=1.05永久荷载的分项系数γG2k=1.205.材料信息:混凝土强度等级:C15纵向受力钢筋种类:HRB335纵筋合力点至近边距离as = 0.040 m最大裂缝宽度允许值ωmax = 0.250 mm6.荷载组合:7.荷载组合下附加荷载信息:8.约束信息:第1跨左侧支座约束:铰支第1跨右侧支座约束:铰支9.地基土参数:按弹性地基上的框架进行箱涵内力计算。
地基模型:弹性半空间模型地基土的泊松比μo =0.200地基土的变形模量Eo =20.00 MPa三、荷载计算1.垂直压力计算顶板自重q v2 = d2×25 = 7.500kN/m垂直土压力计算公式如下:q v1 = K s×γ×H d工况:正常使用,顶板上的垂直土压力q v1 = 81.389kN/m作用于顶板上的垂直压力qt = q v1+q v2 = 88.889kN/m 2.侧向水平土压力计算水平土压力计算公式如下:q h = γ×H×tan2(45°-φ/2)3.汽车荷载按《公路标准》7.0.3条规定并考虑车辆荷载的相互作用得到:q q = 8.676 kN/m,顶板承受汽车荷载汽车荷载产生的对称作用于侧墙两侧水平土压力为:q qh = q q×tan2(45°-φ/2) = 2.25 kN/m4.荷载单位及方向规定垂直、平行集中荷载单位:kN弯矩单位:kN·m均布荷载、三角形、倒三角形等线性分布荷载单位:kN/m垂直集中荷载及线性分布荷载垂直单元轴线,以向上或者向左为正平行集中荷载平行于单元轴线,以向上或者向右为正弯矩以逆时针为正。
一、设计资料(一) 概况:***道路工程经过水库溢洪道处设置箱涵, 箱涵净跨L o =8.O 米, 净高h °=10.5米,路基红线范围内长49米,箱涵顶最大填土厚度 H=3.6米,填 土的内摩擦角 ©为24°, 土体密度丫 1 = 20.2KN/m 3,设箱涵采用 C25混凝土(f cd =11.5MPa 和HRB335I 冈筋(f sd =280MPa 。
桥涵设计荷载为城-A 级,用车辆 荷载加载验算。
结构安全等级二级,结构重要性系数 丫 0= 1.0。
地基为泥质粉砂 岩,[c 380kPa,本计算书主要内容为结构设计与地基应力验算。
(二) 依据及规范1、 《城市桥梁设计荷载标准》(CJJ77-98)2、 《公路桥涵设计通用规范》(JTG D60-2004)3、 《公路钢筋混凝土及预应力混凝土桥涵设计规范》 (JTG D62-2004)4、 《公路桥涵地基与基础设计规范》(JTGD63-2007(一)截面尺寸拟定(见图1-1 箱涵过流断面尺寸由水利部门提供,拟定 顶板、底板厚度S = 100cm (C=50cm ) 侧墙厚度 t = 100cm (G=50cn ) 故 L P =L )+t=8+1=9mh p =h )+S =10.5+1=11.5m(二)荷载计算 1、恒载恒载竖向压力P = 丫 1H+丫 2 S = 20.2 X 3.6+25 X 1=97.72kN/m 2恒载水平压力 图1-1顶板处:e p1 = 丫 1Htan%45°- ©/2)=20.2 X 3.6 X tan 2 (45°-24 72 ) = 30.67 kN/m 2底板处:e p2= 丫(H+ h ) tan 2(45°-以2) = 20.2 X (3.6+12.5 ) X tan 2(45°-24°/2)=137.15kN/m 22、活载城-A 级车辆荷载轴重按《城市桥梁设计荷载标准》 4.1.3条确定,参照《公 路桥涵设计通用规范》第4.3.4条2款,计算涵洞顶车辆荷载引起的竖向土 压力,车轮扩散角30°。
箱涵结构计算书目录1 计算依据与基础资料 (1)1.1 工程概况 (1)1.1.1截面尺寸 (1)1.1.2填土情况 (1)1.2 标准与规范 (1)1.2.1 标准 (1)1.2.2 规范 (1)1.3 主要材料 (2)1.4 设计要点与参数 (2)1.5 计算软件 (2)2 计算模型简介 (3)2.1 计算模型 (3)2.2 荷载施加 (3)3 箱涵结构计算 (4)3.1 荷载组合 (4)3.2 箱涵受力计算 (4)3.2.1 箱涵弯矩 (4)3.2.2 箱涵剪力 (5)3.2.3 箱涵轴力 (6)3.2.4 箱涵配筋验算 (7)4地基承载力验算 (32)4.1荷载计算 (32)4.2地基应力 (33)1 计算依据与基础资料1.1 工程概况道路在桩号K1+000处设置两孔6x3.5m箱涵,箱涵结构中心线与道路中线的法线逆交13.5度,箱涵全长46m1.1.1截面尺寸净跨径:6m净高:3.5m顶板厚:0.6m底板厚:0.65m侧墙厚:0.6m倒角:0.15x0.15m基础:15cmC15素混凝土垫层;50cm浆砌片石垫层;基础宽度:14.8m1.1.2填土情况箱涵覆土厚度:1.729m土的内摩擦角:30°填土容重:18KN/m31.2 标准与规范1.2.1 标准桥梁结构安全等级为一级;设计荷载:汽车荷载:公路-I级,人群荷载:根据《桥梁设计准则》要求。
跨径:2孔6.0x3.5m钢筋砼箱涵;箱涵总长:46m;横坡:根据道路设计进行设置。
地震烈度:7度;环境条件Ⅰ类;地震荷载:地震基本烈度为7度,动荷载峰值加速度0.1g,Ⅱ类场地。
1.2.2 规范《公路桥涵设计通用规范》(JTG D60-2004);《公路钢筋混凝土及预应力混凝土桥涵设计规范》(JTG D62-2004);《公路桥涵地基与基础设计规范》(JTG D63-2007);《公路桥梁抗震设计细则》(JTG/T B02-01-2008);《公路涵洞设计细则》(JTG/T D65-04-2007);《公路桥梁抗震设计细则》(JTJ041-2000);《城市道路设计规范》(CJJ 37-90);1.2.3 参考资料《公路桥涵设计手册》桥梁上册(人民交通出版社2004.03)《公路小桥涵设计示例》(人民交通出版社2005.01)1.3 主要材料1)混凝土:箱涵采用C30混凝土。
钢筋混凝土箱涵结构设计一、设计资料1、孔径及净空净跨径Lo=4 m净高Ho=3 m2、设计安全等级一级结构重要性系数ro=1.13、汽车荷载荷载等级公路-Ⅰ级4、填土情况涵顶填土高度H=1.8 m土的内摩擦角φ=30 °填土容重γ1=18 KN/m^3地基容许承载力[σo]=200 KPa5、建筑材料普通钢筋种类HRB335主钢筋直径12 mm钢筋抗拉强度设计值fsd=280涵身砼强度等级C20涵身砼抗压强度设计值fcd=9.2 MPa涵身砼抗拉强度设计值ftd=1.06 MPa钢筋砼重力密度γ2=25 KN/m^3基础砼强度等级C15混凝土重力密度γ3=24 KN/m^3二、设计计算(一)截面尺寸拟定(见图01)顶板、底板厚度δ=0.3 mC1=0.3 m侧墙厚度t =0.28 mC2=0.5 m横梁计算跨径Lp=Lo+t=4.28 mL =Lo+2t=4.56 m侧墙计算高度hp=ho+δ=3.3 mh =ho+2δ=3.6 m基础襟边c=0.2 m基础高度d=0.4 m基础高度B=4.96 m(二)荷载计算1、恒载恒载竖向压力p恒=39.9 kN/m^2恒载水平压力顶板处:ep1=10.8 kN/m^2底板处:ep2=32.4 kN/m^22、活载汽车后轮着地宽度0.6 m,由《公路桥涵设计通用规范》(JTG D60-2004)第4.3.4条规定,按30°角方向分布。
一个后轮横向分布宽度a=3.1 m同理,纵箱,汽车后轮着地宽度0.2 m,则b=1.4 m∑G=140 kN车辆荷载垂直压力q车=32.3 kN/m^2车辆荷载水平压力e车=10.8 kN/m^2(三)内力计算1、构件刚度比K=0.952、节点弯矩和轴向力计算计算结果见《荷载效应组合汇总表》,相关图示见图02~图053、构件内力计算(跨中截面内力)(1)顶板(见图06)x=Lp/2P=1.2P恒+1.4q车=93.1kNNx=N1=53.64kNMx=124.25kN.mVx=7.74kN(2)底板(见图07)ω1=66.13kN/m^2ω2=120.07kN/m^2x=2.14Nx=N3=191.49kNMx=122.93kN.mVx=-21.11kN(3)左侧墙(图08)ω1=30.24kN/m^2ω2=60.48kN/m^2x=1.65Nx=N3=191.49kNMx=-31.88kN.mVx=8.73kN(4)右侧墙(见图09)ω1=15.12kN/m^2ω2=45.36kN/m^2x=1.65Nx=N4=206.97kNMx=-44.43kN.mVx=-16.22kN(5)构件内力见《构件内力汇总表》(四)截面设计1、顶板(B-C)钢筋按左右对称,用最不利荷载计算。
单孔钢筋混凝土箱涵单孔钢筋混凝土箱涵
1. 概述
1.1 项目背景
1.2 箱涵定义及用途
2. 设计要求
2.1 受力分析
2.1.1 经济变量
2.1.2 荷载标准
2.1.3 地基条件
2.2 尺寸设计
2.2.1 长度
2.2.2 宽度
2.2.3 高度
2.3 材料选用
2.3.1 管道材料
2.3.2 钢筋
2.3.3 混凝土配比
3. 结构设计
3.1 构件布置
3.1.1 地基处理
3.1.2 箱涵底板
3.1.3 箱涵侧墙
3.1.4 管道连接
3.2 加固措施
3.2.1 横向加固
3.2.2 纵向加固
3.2.3 抗浮策略
4. 施工工艺
4.1 基坑开挖
4.1.1 基坑标高控制 4.1.2 地下水处理 4.1.3 基坑支护
4.2 浇筑混凝土
4.2.1 混凝土搅拌与运输 4.2.2 浇筑工艺
4.3 钢筋布置
4.3.1 钢筋质量控制
4.3.2 布置工艺
5. 质量控制
5.1 建设单位责任
5.2 施工单位责任
5.3 监理单位责任
5.4 检测与验收
6. 维护与养护
6.1 管道疏通
6.2 防腐保养
6.3 检修与修复
7. 附件
附件1:箱涵设计图纸
附件2:混凝土配比表
附件3:钢筋布置图
法律名词及注释:
- 建筑法:指《中华人民共和国建筑法》
- 管道法:指《中华人民共和国城市供水条例》。
公路桥涵设计计算书一,设计资料公路上箱涵,净跨径L 0为2.5m ,净高h 0为3.0m ,箱涵顶平均为2.0m 夯填砂砾石,顶为300mm 沥青混凝土路面铺装层,两侧边为砂砾石夯填,土的内摩擦角ϕ为40o ,砂砾石密度γ=23KN/m 3,箱涵选用C25混凝土和HRB335钢筋。
本设计安全等级为二级,荷载为公路-Ⅱ级。
二 设计计算 (一)截面尺寸 顶板、底板厚度 δ=40cm(C1=30cm) 侧墙厚度 t=40cm(C2=30cm) 故横梁计算跨径L p =L 0+t=2.5+0.4=2.9m 侧墙计算高度hp=h0+δ=3.0+0.4=3.4m (二) 荷载计算 1.恒载 恒载竖向压力221/0.56m KN H P =+=δγγ恒载水平压力 顶板处200211/00.1024045tan m KN H e p =⎪⎪⎭⎫ ⎝⎛-=γ 底板处200212/01.2934045tan )(m KN h H e p =⎪⎪⎭⎫ ⎝⎛-+=γ 2.活载汽车后轮地宽度0.6m ,公路-Ⅱ级车辆荷载由《公路桥涵设计通用规范》(JTG D60-2004)第4.3.4条计算一个汽车后轮横向分布宽,按30。
角向下分布。
m m H 23.145.0130tan 26.00〉=+ m m H 28.145.0130tan 26.00〉=+ 故,横向分布宽度为029.43.1230tan 1.026.00=+⨯⎪⎭⎫⎝⎛+=a m 同理,纵向,汽车后轮招地长度0.2m :m H o 24.1255.130tan 22.0〉=+ 故,m H b 509.2230tan 22.00=⨯⎪⎭⎫⎝⎛⨯= ∑G=140KN 车辆荷载垂直压力2m /25.13509.2029.4140KN b a G q =⨯=⨯∑=车 车辆荷载水平压力2002m /2.8820445tan KN q e =⎪⎪⎭⎫ ⎝⎛-⨯=车车 (三)内力计算 1.构件刚度比1.17121=⨯=PL h I I K 2.节点弯矩和轴向力计算 (1)a 种荷载作用下(图1)涵洞四角节点弯矩:()12112P aDaC aB aA l P K M M M M ⋅+-==== =-18.07KN .m横梁内法向力021==a a N N ,侧墙内法向力()243Pa a l P N N ===81.2KN 车辆荷载(车q p ==13.25KN/m 2)()m KN l P K M M M M P aDaC aB ⋅-=⋅+-====28.412112aA()N l P N N Pa a 22.19243===(2)b 种荷载作用下(图2)2m KN Ph K KM M M M p bDbC bB bA ⋅-=⋅+-====2.51212KN Ph N N p b b 00.17221===,043==b b N N恒载(P=ep1=10.00kN/m 2) (3)c 种荷载作用下3()()()m KN Ph K K K K M M p cDcA ⋅-=⋅+++==45.56031832()()()m KN Ph K K K K M M p cC cB ⋅-=⋅+++==43.46031722p cBcA p c h M M Ph N -+=61=10.47KN pcBcA p c h M M Ph N -+=32=21.84KN 043==c c N N恒载(KN e e P p p 01.191001.2912=-=-=) (4)d 种荷载作用下()()m KN Ph K K K K K K M p dA⋅-=⋅⎥⎦⎤⎢⎣⎡++++++-=81.54515210346322=()()m KN Ph K K K K K K M p dB⋅=⋅⎥⎦⎤⎢⎣⎡++-+++-=52.2451535346322()()m KN Ph K K K K K K M pdC⋅-=⋅⎥⎦⎤⎢⎣⎡++++++-=02.4451535346322()()m KN Ph K K K K K K M p dA⋅=⋅⎥⎦⎤⎢⎣⎡++-+++-=31.44515210346322KN h M M N pdCdD d 54.21=-=KN h M M ph N pdCdD p d 35.72=--=KN L M M N N PdCdB d d 25.243-=--=-=车辆荷载()2/88.2m KN e p ==车 (5)节点弯矩和轴力计算汇总表按《公路桥涵设计通用规范》(JTG D60——2004)第4.1.6条进行承载力极限状态效应组合节点弯矩和轴力计算汇总表3.构件内力计算(跨中截面内力) (1)顶板(图a )x=2p lKN q p p 76.854.12.1=⨯+⨯=车恒N x =N 1=41.89KNM x = M B +N 3x-P 22x =47.96KN ·mV x =P ·x-N 3=3.16KN (2)底板[图b]ω1=1.2p 恒+1.4(q 车-23PL e 车2p h )=69.12KN/m 2 ω2=1.2p 恒+1.4(q 车+23PL e 车2p h )=102.39KN/m 2 x=2p lN x =N 3=121.19KNM x = M A +N 3x-ω122x -pL x 63(ω2-ω1)=45.52KN ·mV x =ω1x +p L x 22(ω2-ω1)-N 3=-8.91KN(3)左侧墙[图c]图cω1=1.4e 1p +1.4e 车=18.04KN/m 2 ω2=1.4(e 2p +e 车)=44.64KN/m 2 x=2p hN x =N 3=121.19KNM x = M B +N 1x-ω122x -ph x 63(ω2-ω1)=1.12KN·mV x =ω1x +ph x 22(ω2-ω1)-N 1=0.08KNω1=1.4e 1p =14.00 KN·m ω2=1.4e 2p =40.61 KN·m (3)右侧墙[图d]x=2p hω1=1.4e 1p =14.00ω2=e 2p =40.61 N x =N 4=127.50KNM x = M C +N 1x-ω122x -ph x 63(ω2-ω1)=-2.2KN·mV x =ω1x +p h x 22(ω2-ω1)-N 1=-6.87KN(5)构件内力汇总表(四)截面设计 1,顶板(B-C)钢筋按左右对称,用最不利荷载计算 (1)跨中kNVd KN Nd m KN Md m b m h m a m h m l 16.3,89.41,96.471,37.0,03.0,4.0,9.200==⋅======m N M e dd145.10==115.0124.01222===bh i m长细比5.1711.25115.09.20>==i l由《公路钢筋混凝土及预应力混凝土桥涵设计规范》(JTG D62-2004)第5.3.10条。
1、孔径及净空净跨径L 0 =6m 净高h 0 =3.6m 2、设计安全等级一级结构重要性系数r 0 =1.13、汽车荷载荷载等级公路 —Ⅱ级4、填土情况涵顶填土高度H =3.4m 土的内摩擦角Φ =30°填土容重γ1 =18kN/m 3地基容许承载力[σ0] =259.6kPa 5、建筑材料普通钢筋种类HRB335主钢筋直径25mm 钢筋抗拉强度设计值f sd =280MPa 涵身混凝土强度等级C30涵身混凝土抗压强度设计值f cd =13.8MPa 涵身混凝土抗拉强度设计值f td =1.39MPa 钢筋混凝土重力密度γ2 =25kN/m 3基础混凝土强度等级C20混凝土重力密度γ3 =24kN/m 3(一)截面尺寸拟定 (见图L-01)顶板、底板厚度δ =0.4m C 1 =0.05m 侧墙厚度t =0.4m C 2 =0.05m 横梁计算跨径L P = L 0+t =6.4m L = L 0+2t =6.8m 侧墙计算高度h P = h 0+δ =4m h = h 0+2δ =4.4m 基础襟边 c =0.2m 基础高度 d =0.2m 基础宽度 B =7.2m 图 L-01(二)荷载计算1、恒载恒载竖向压力p 恒 = γ1H+γ2δ =71.20kN/m 2恒载水平压力顶板处e P1 = γ1Htan 2(45°-φ/2) =20.40kN/m 2底板处e P2 = γ1(H+h)tan 2(45°-φ/3) =46.80kN/m 22、活载钢 筋 混 凝 土 箱 涵 结 构 设 计一 、 设 计 资 料二 、 设 计 计 算汽车后轮着地宽度0.6m,由《公路桥涵设计通用规范》(JTG D60—2004)第4.3.4条规定,按30°角向下分布。
一个汽车后轮横向分布宽> 1.3/2 m > 1.8/2 m 故横向分布宽度a = (0.6/2+Htan30°)³2+1.3 =5.826m 同理,纵向,汽车后轮着地长度0.2m0.2/2+Htan30°= 2.063 m > 1.4/2 m故b = (0.2/2+Htan30°)³2 = 4.126m ∑G =140kN 车辆荷载垂直压力q 车 = ∑G /(a³b) =5.82kN/m 2车辆荷载水平压力e 车 = q 车tan 2(45°-φ/2) =1.94kN/m 2(三)内力计算1、构件刚度比K = (I 1/I 2)³(h P /L P ) =0.632、节点弯矩和轴向力计算(1)a种荷载作用下 (图L-02)涵洞四角节点弯矩M aA = M aB = M aC = M aD =-1/(K+1)²pL P 2/12横梁内法向力N a1 = N a2 =0侧墙内法向力N a3 = N a4 =pL P /2恒载p = p 恒 =71.20kN/m 2M aA = M aB = M aC = M aD =-149.56kN ²mN a3 = N a4 =227.84kN车辆荷载p = q 车 = 5.82kN/m2M aA = M aB = M aC = M aD =-12.23kN ²m 图 L-02N a3 = N a4 =18.64kN (2)b种荷载作用下 (图L-03)M bA = M bB = M bC = M bD =-K/(K+1)²ph P 2/12N b1 = N b2 =ph P /2N b3 = N b4 =0恒载p = e P1 =20.40kN/m 2M bA = M bB = M bC = M bD =-10.46kN ²m N b1 = N b2 =40.80kN (3)c 种荷载作用下 (图L-04)图 L-03M cA = M cD =-K(3K+8)/[(K+1)(K+3)]²ph P 2/60M cB = M cC =-K(2K+7)/[(K+1)(K+3)]²ph P 2/60N c1 =ph P /6+(M cA -M cB )/h PN c2 =ph P /3-(M cA -M cB )/h PN c3 = N c4 =0恒载p = e P2-e P1 =26.40kN/m 2M cA = M cD =-7.38kN ²m M cB = M cC =-6.16kN ²m N c1 =17.30kN N c2 =35.50kN 图 L-04(4)d 种荷载作用下 (图L-05)M dA =-[K(K+3)/6(K 2+4K+3)+(10K+2)/(15K+5)]²ph P 2/42.26 m 0.6/2+Htan30°=M dB =-[K(K+3)/6(K 2+4K+3)-(5K+3)/(15K+5)]²ph P 2/4M dC =-[K(K+3)/6(K 2+4K+3)+(5K+3)/(15K+5)]²ph P 2/4M dD =-[K(K+3)/6(K 2+4K+3)-(10K+2)/(15K+5)]²ph P 2/4N d1 =(M dD -M dC )/h PN d2 =ph P -(M dD -M dC )/h PN d3 = -N d4 =-(M dB -M dC )/L P车辆荷载p = e 车 =1.94kN/m 2M dA =-4.95kN ²m M dB =2.81kN ²m M dC =-3.81kN ²m M dD =3.96kN ²m 图 L-05N d1 =1.94kN N d2 =5.82kN N d3 = -N d4 =-1.03kN (5)节点弯矩、轴力计算及荷载效应组合汇总表按《公路桥涵设计通用规范》(JTG D60—2004)第4.1.6条进行承载能力极限状态效应组合V x =ω1x+x 2(ω2-ω1)/2L P -N 3=-3.65kN 图 L-07(3)左侧墙 (图L-08)ω1 =1.4e P1+1.4e 车=31.28kN/m 2ω2 =1.4e P2+1.4e 车68.24kN/m 2x =h P /2N x = N 3 =298.05kN M x =M B +N 1x-ω1²x 2/2-x 3(ω2-ω1)/6h P =-122.70kN ²m V x =ω1x+x 2(ω2-ω1)/2h P -N 1=-3.02kN(4)右侧墙 (图L-09)ω1 = 1.4e P1 =28.56kN/m 2ω2 = 1.4e P2 =65.52kN/m2x =h P /2N x = N 4 =300.95kN M x =M C +N 1x-ω1²x 2/2-x 3(ω2-ω1)/6h P =-126.53kN ²m V x =ω1x+x 2(ω2-ω1)/2h P -N 1=-8.45kN (5)构件内力汇总表(四)截面设计1、顶板 (B-C)钢筋按左、右对称,用最不利荷载计算。
(1)跨中l 0 =6.40 m ,h =0.40 m ,a =0.03 m ,h 0 =0.37 m ,b =1.00 m ,M d =258.63 kN ²m ,N d =84.05 kN , V d =1.45 kN e 0 = M d /N d =3.077m i =h/121/2 =0.115m 长细比l 0/i =55.43> 17.5由《公路钢筋混凝土及预应力混凝土桥涵设计规范》(JTG D62—2004)第5.3.10条ξ1 = 0.2+2.7e 0/h 0 =22.654> 1.0 ,取ξ1 =1.00ξ2 = 1.15-0.01l 0/h =0.990≤ 1.0 ,取ξ2 =0.99η =1+(l 0/h)2ξ1ξ2h 0/1400e 0η = 1.022由《公路钢筋混凝土及预应力混凝土桥涵设计规范》(JTG D62—2004)第5.3.5条图 L-08图 L-09e = ηe0+h/2-a = 3.314mr0N d e =f cd bx(h0-x/2)306.41 =13800x(0.37-x/2)解得x =0.066 m≤ξb h0 =0.56³0.37 =0.207 m故为大偏心受压构件。
A s = (f cd bx-r0N d)/f sd =0.0029164m2= 2916.4mm2μ = 100A s/(bh0) =0.79 %>0.2 %符合《公路钢筋混凝土及预应力混凝土桥涵设计规范》(JTG D62—2004)第9.1.12条的要求。
选用 φ25 @160 mm,实际 A s =3068.0mm20.51³10-3f cu,k1/2bh0 =1033.6 kN>r0V d = 1.6 kN故抗剪截面符合《公路钢筋混凝土及预应力混凝土桥涵设计规范》(JTG D62—2004)第5.2.9条的要求。
由《公路钢筋混凝土及预应力混凝土桥涵设计规范》(JTG D62—2004)第5.2.10条0.50³10-3α2f td bh0 =257.2 kN>r0V d = 1.6 kN故可不进行斜截面抗剪承载力的验算,仅需按(JTG D62—2004)第9.3.13条构造要求配置箍筋。
(2)结点l0 =6.40 m ,h = δ+C1 =0.45 m , a =0.03 m ,h0 =0.42 m , b = M d =225.20 kN²m ,N d =84.05 kN, V d =300.95 kNe0 = M d/N d = 2.679mi =h/121/2 =0.130m长细比l0/i =49.27> 17.5由《公路钢筋混凝土及预应力混凝土桥涵设计规范》(JTG D62—2004)第5.3.10条ξ1 = 0.2+2.7e0/h0 =17.424> 1.0 ,取ξ1 =1.00ξ2 = 1.15-0.01l0/h = 1.008> 1.0 ,取ξ2 =1.00η =1+(l0/h)2ξ1ξ2h0/1400e0η = 1.023由《公路钢筋混凝土及预应力混凝土桥涵设计规范》(JTG D62—2004)第5.3.5条e = ηe0+h/2-a = 2.935mr0N d e =f cd bx(h0-x/2)271.36 =13800x(0.42-x/2)解得x =0.050 m≤ξb h0 =0.56³0.42 =0.235 m故为大偏心受压构件。