《材料成型工艺及设计》课程设计详细说明
- 格式:pdf
- 大小:369.20 KB
- 文档页数:7
材料成形课程设计方案一、教学目标本课程的教学目标是让学生掌握材料成形的基本概念、原理和方法,培养学生对材料成形的兴趣和热情,提高学生的实际操作能力和创新能力。
具体来说,知识目标包括了解材料成形的基本概念、原理和方法,掌握材料成形的主要工艺和技术,了解材料成形的最新发展动态;技能目标包括能够运用所学知识解决实际问题,具备一定的材料成形操作能力,能够进行简单的材料成形设计和实验;情感态度价值观目标包括培养学生对材料成形的兴趣和热情,增强学生的创新意识和实践能力,提高学生的人文素养和社会责任感。
二、教学内容本课程的教学内容主要包括材料成形的基本概念、原理和方法,材料成形的主要工艺和技术,以及材料成形的最新发展动态。
具体来说,第一部分将介绍材料成形的基本概念和原理,包括材料的分类和性能,成形的基本方法和手段,以及成形过程中的物理和化学变化;第二部分将介绍材料成形的主要工艺和技术,包括铸造、锻造、焊接、热处理等,以及各种成形技术的特点和应用范围;第三部分将介绍材料成形的最新发展动态,包括新材料的开发和应用,新技术的研究和创新,以及材料成形在工程领域的应用和前景。
三、教学方法为了实现本课程的教学目标,我们将采用多种教学方法,包括讲授法、讨论法、案例分析法、实验法等。
具体来说,讲授法将用于讲解基本概念和原理,使学生能够系统地掌握材料成形的基础知识;讨论法将用于讨论材料成形的实际问题,激发学生的思考和创新能力;案例分析法将用于分析材料成形的成功案例,使学生能够了解材料成形的应用和实践;实验法将用于进行材料成形的实验操作,培养学生的实际操作能力和实践能力。
四、教学资源为了支持本课程的教学内容和教学方法,我们将选择和准备适当的教学资源,包括教材、参考书、多媒体资料、实验设备等。
具体来说,教材将提供系统化的知识框架和理论基础,参考书将提供更多的案例和实践经验,多媒体资料将提供图像、视频等直观的教学资源,实验设备将提供实际操作和实验的机会。
材料成型工艺基础第三版课程设计
设计目的
本课程设计旨在让学生掌握材料成型工艺的基本原理和方法,能够
熟练地运用材料成型工艺技术进行实际生产操作。
设计内容
本课程设计包括三个部分:
1. 理论学习
学生将学习材料成型工艺的基本原理和方法,包括各种成型工艺的
工艺流程、优缺点、设备和工具、原材料、加工要求等方面的知识。
具体内容包括:
•压力成型工艺:压铸、锻造、轧制、拉伸、挤压等。
•热成型工艺:热轧、热挤压、热锻造、真空熔铸等。
•冷成型工艺:冷轧、冷镦、拉拔、冲压等。
•其他成型工艺:注塑、挤出、层压、压裂、射出、喷涂等。
2. 实践操作
学生将通过实践操作,掌握各种成型工艺的具体实现方法和技能,
加深对成型工艺的认识和理解。
具体实践内容包括:
1。
东大材料成型课程设计一、课程目标知识目标:1. 理解并掌握材料成型的基本原理,包括铸造、焊接、塑性加工等;2. 学习并了解不同材料的成型特性及适用范围;3. 掌握材料成型过程中常见缺陷的类型及成因。
技能目标:1. 能够运用材料成型原理,设计简单的成型工艺流程;2. 能够分析并解决材料成型过程中出现的问题;3. 能够运用所学知识,对实际材料成型工艺进行评价和优化。
情感态度价值观目标:1. 培养学生对材料成型技术的兴趣,激发探索精神;2. 培养学生严谨的科学态度,注重实践操作与理论知识的结合;3. 增强学生的团队协作意识,提高沟通与表达能力。
分析课程性质、学生特点和教学要求,本课程旨在帮助学生在掌握材料成型基本知识的基础上,提高实践操作能力和解决实际问题的能力。
课程目标具体、可衡量,以便学生和教师能够清晰地了解课程的预期成果。
通过本课程的学习,使学生能够在实际工作中运用所学知识,为我国材料成型技术的发展做出贡献。
二、教学内容1. 材料成型基本原理:包括铸造、焊接、塑性加工等成型方法的工作原理及特点;- 教材章节:第一章《材料成型技术概述》- 内容列举:铸造原理、焊接原理、塑性加工原理。
2. 材料成型工艺及设备:介绍不同材料的成型工艺及所使用的设备;- 教材章节:第二章《材料成型工艺与设备》- 内容列举:铸造工艺及设备、焊接工艺及设备、塑性加工工艺及设备。
3. 材料成型缺陷分析:分析材料成型过程中常见缺陷的类型、成因及解决办法;- 教材章节:第三章《材料成型缺陷及质量控制》- 内容列举:铸造缺陷、焊接缺陷、塑性加工缺陷。
4. 材料成型工艺设计:学习如何设计简单的成型工艺流程,并进行优化;- 教材章节:第四章《材料成型工艺设计》- 内容列举:工艺流程设计方法、工艺参数优化。
5. 实践教学环节:组织学生进行实际操作,巩固所学知识,提高解决实际问题的能力;- 教材章节:第五章《材料成型实践》- 内容列举:铸造实践、焊接实践、塑性加工实践。
材料成型工艺基础课程设计简介材料成型工艺是机械、材料、工艺相互作用、使得材料经历一定的物理或化学变化而达到特定形状和性能的制造工艺。
本课程主要介绍了材料成型工艺的基础知识和应用,涵盖了常见的成型工艺及其原理、特点和工艺参数的选择等。
通过本课程的学习,学生能够掌握不同成型工艺的应用场合、优缺点以及如何进行工艺参数的选择和优化。
学习目标理论•了解材料成型工艺的基本概念和分类;•掌握常见成型工艺的原理、特点及其适用范围;•了解成型工艺参数对产品成形质量的影响和优化方法;•掌握材料的塑性和变形行为。
实践•熟悉常见成型工艺的设备和工具的操作方法;•熟悉工艺参数的选择和调整方法;•掌握制作不同形状的产品的工艺流程和方法。
教学内容第一章:材料成型工艺基础1.材料成型工艺的定义和分类2.材料成型工艺的基本原理和特点3.材料成型工艺参数的选择和优化第二章:压力成形工艺1.热压成形工艺及其应用2.冷压成形工艺及其应用3.粉末冶金成形技术及其应用第三章:塑性成形工艺1.反向挤压成形工艺及其应用2.挤压成形工艺及其应用3.拉伸成形工艺及其应用第四章:热成形工艺1.锻造成形工艺及其应用2.拉伸成形工艺及其应用3.热轧成形工艺及其应用第五章:其他成型工艺1.喷射成形工艺2.电化学加工技术3.光学加工技术授课方式本课程以理论教学为主,辅以实验、课程设计等多种教学方式。
理论教学中将采用多媒体教学,辅以教学实例和案例,让学生更好地理解基本概念和知识点。
实验教学将实现课堂理论与实际操作的有机结合,让学生亲身体验和掌握各种成型工艺的操作方法和工艺参数优化。
在课程设计中,学生将独立设计制作一件特定的产品,从而深入了解成型工艺、工艺参数的选择和应用。
评价方式本课程将采用多种方式进行评价,包括平时成绩、实验操作成绩、课程设计成绩、期末考试成绩等。
其中,平时成绩占总评成绩的20%;实验操作成绩占总评成绩的20%;课程设计成绩占总评成绩的30%;期末考试成绩占总评成绩的30%。
材料成型课程设计模板一、教学目标本课程的教学目标是使学生掌握材料成型的基本概念、原理和工艺,培养学生对材料成型技术的应用能力和创新意识。
具体目标如下:1.知识目标:(1)了解材料成型的基本概念、分类和特点;(2)掌握材料成型工艺的基本原理和方法;(3)熟悉材料成型过程中的质量控制和缺陷分析;(4)了解材料成型技术在工程中的应用和发展趋势。
2.技能目标:(1)能够运用所学知识分析和解决材料成型过程中遇到的问题;(2)具备材料成型工艺参数的调整和优化能力;(3)具备材料成型设备的操作和维护能力;(4)具备材料成型工艺创新设计的能力。
3.情感态度价值观目标:(1)培养学生对材料成型技术的兴趣和热情;(2)增强学生对工程实践的认知和责任感;(3)培养学生具备团队合作精神和沟通协调能力;(4)培养学生具备创新意识和持续学习的动力。
二、教学内容本课程的教学内容主要包括以下几个部分:1.材料成型的基本概念和分类;2.材料成型工艺的基本原理和方法;3.材料成型过程中的质量控制和缺陷分析;4.材料成型技术在工程中的应用和发展趋势。
具体安排如下:第一章:材料成型概述1.材料成型的定义和发展历程;2.材料成型的分类和特点;3.材料成型技术在工程中的应用。
第二章:材料成型工艺原理1.塑料成型工艺原理;2.金属成型工艺原理;3.陶瓷成型工艺原理;4.复合材料成型工艺原理。
第三章:材料成型工艺方法1.注射成型;2.压制成型;3.吹塑成型;4.纤维缠绕成型;5.快速原型制造。
第四章:材料成型过程质量控制与缺陷分析1.质量控制原理;2.缺陷类型及产生原因;3.质量控制方法及措施。
第五章:材料成型技术应用与发展趋势1.材料成型技术在制造业中的应用;2.材料成型技术在新能源领域的应用;3.材料成型技术的发展趋势。
三、教学方法本课程采用多种教学方法相结合,以提高学生的学习兴趣和主动性:1.讲授法:用于阐述基本概念、原理和工艺方法;2.讨论法:用于分析案例,解决实际问题;3.实验法:用于验证工艺原理,培养操作能力;4.案例分析法:用于分析成型工艺在工程中的应用;5.小组合作法:用于团队项目设计和汇报。
材料成型工程课程设计一、课程目标知识目标:1. 让学生理解材料成型工程的基本概念、原理及工艺流程;2. 掌握不同材料成型方法的优缺点,能够根据实际需求选择合适的成型工艺;3. 了解材料成型过程中可能出现的缺陷,并掌握相应的解决方法;4. 熟悉材料成型设备的基本结构、工作原理及其操作方法。
技能目标:1. 培养学生运用材料成型工艺进行产品设计和制造的能力;2. 提高学生实际操作材料成型设备的能力,能够独立完成简单的成型任务;3. 培养学生分析、解决材料成型过程中出现的问题的能力;4. 培养学生的团队协作能力和沟通能力,能够与他人共同完成复杂的项目。
情感态度价值观目标:1. 培养学生热爱专业,对材料成型工程产生浓厚的兴趣;2. 培养学生具备良好的职业道德,关注环境保护,遵循绿色制造理念;3. 培养学生严谨、细致、负责的工作态度,养成良好的学习习惯;4. 培养学生具备创新意识,敢于尝试新工艺、新技术,提高自主创新能力。
课程性质:本课程为专业核心课程,以理论教学与实践教学相结合,注重培养学生的实际操作能力和工程应用能力。
学生特点:学生具备一定的材料科学与工程基础知识,具有较强的动手能力和一定的创新意识。
教学要求:教师需采用多元化的教学方法,如案例教学、实验操作、小组讨论等,提高学生的学习兴趣和参与度,确保课程目标的达成。
同时,注重过程评价和成果评价相结合,全面评估学生的学习效果。
二、教学内容1. 材料成型基本原理:讲解材料成型过程中应力、应变、温度等基本概念,分析各种成型方法的基本原理及适用范围。
教材章节:第一章 材料成型基本原理2. 常见材料成型工艺:介绍压缩成型、注射成型、吹塑成型、真空成型等常见成型工艺,分析各种工艺的特点及适用场景。
教材章节:第二章 常见材料成型工艺3. 材料成型设备:讲解成型设备的基本结构、工作原理,介绍常见的成型设备类型及其操作方法。
教材章节:第三章 材料成型设备4. 成型缺陷及解决方法:分析材料成型过程中可能出现的缺陷,如气泡、变形、裂纹等,探讨相应的解决方法。
材料成型技术 课程设计一、课程目标知识目标:1. 理解材料成型技术的基本概念、分类及应用领域;2. 掌握材料成型工艺的原理、过程及关键参数;3. 了解材料成型过程中常见问题及解决办法。
技能目标:1. 能够运用所学知识分析材料成型过程中出现的问题,并提出解决方案;2. 能够熟练操作材料成型设备,完成简单的成型实验;3. 能够运用现代设计方法,设计简单的材料成型产品。
情感态度价值观目标:1. 培养学生对材料成型技术的兴趣,激发其探索精神和创新意识;2. 增强学生的团队合作意识,提高沟通与协作能力;3. 培养学生关注环境保护和资源利用,树立绿色生产理念。
课程性质:本课程为技术学科,旨在让学生了解材料成型技术的基本知识,掌握成型工艺,培养实践操作能力和创新精神。
学生特点:初中年级学生,具有一定的物理、化学基础,对新技术、动手操作有较高的兴趣。
教学要求:结合学生特点,注重理论联系实际,提高学生的实践操作能力和解决问题的能力。
通过课程学习,使学生能够达到上述课程目标,为后续相关课程的学习打下坚实基础。
二、教学内容1. 材料成型技术概述- 材料成型技术定义、分类及应用领域;- 常见材料成型方法及其特点。
2. 材料成型工艺原理- 金属成型工艺原理及关键参数;- 塑料成型工艺原理及关键参数;- 陶瓷、复合材料成型工艺简介。
3. 材料成型设备与工艺参数- 常见材料成型设备结构、原理及操作;- 工艺参数对成型质量的影响;- 成型工艺参数的优化方法。
4. 材料成型过程中的问题及解决方法- 常见成型缺陷的产生原因及解决方法;- 成型过程中材料性能变化及其控制;- 提高成型质量的措施。
5. 现代材料成型技术简介- 高分子材料成型技术;- 金属粉末成型技术;- 数控成型技术。
6. 实践教学- 简单成型实验操作;- 成型设备操作与维护;- 设计简单的材料成型产品。
教学内容按照教材章节进行组织,确保科学性和系统性。
在教学过程中,注重理论与实践相结合,逐步引导学生掌握材料成型技术的基本知识和技能。
1 前言本次课程设计主要是尾气回收塔外壳的焊接生产工艺设计,包括材料的焊接性分析、焊接工艺方案分析及工艺评定、确定焊接结构生产工艺流程、确定产品外壳主要零件的加工工艺及检验、绘制焊接结构简图、确定部件的装焊工艺等。
通过设计,初步掌握根据产品图样及技术要求制定焊接工艺规程的方法、焊接工艺设计的步骤,提高分析焊接生产实际问题、解决问题的能力。
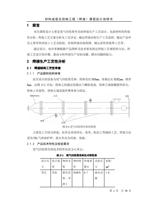
2 焊接生产工艺性分析2.1 焊接结构工艺性审查2.1.1 产品图样结构审查此次设计的设备为尾气回收塔壳体,筒体直径800mm,容器总长9292mm,壁厚8mm。
由图2-1可知:筒体之间通过容器法兰螺栓连接,筒体左端接椭圆形封头,筒体上有接管,筒体右端连接件整体参与固定。
图2-1尾气回收塔壳体结构图主要加工手段为焊接,此外还采用冲压、卷弯、机加工等辅助工艺。
焊接方法采用CO2气体保护焊,接头形式为对接、角接。
2.1.2 产品技术特性及检验要求尾气回收塔壳体技术特性如表2-1所示:表2-1 尾气回收塔壳体技术特性表本设备按NB/T 47003-2009《钢制焊接常压容器》和HG 20652-1998《塔器设计技术规定》进行制造、试验及验收。
焊缝进行X射线局部无损探伤,探伤长度分别不少于纵缝长度的10%,质量评定按JB/T 4730.2-2005《承压设备射线检测》达到Ⅱ级为合格。
角焊缝按JB/T 4730.1-2005进行磁粉探伤。
塔节两端法兰密封面与筒体轴线应垂直,偏差不大于1mm。
塔体总装后弯曲度小于2/1000塔高,且总弯曲度小于8mm。
设备制造完成后进行盛水试漏。
2.2 母材的焊接工艺性分析2.2.1 WCF-62的特性WCF-62属于低合金结构钢,这类钢是在碳素钢的基础上添加少量的合金元素进行冶炼而成。
它与普通的碳锰钢相比较,不仅强度高,而且焊接性能优良,可作为低温压力容器用钢 (尤其适用于大型球形储罐)。
该钢通过降低含碳、硫、磷量(C≤0.09 %)和Pcm值(Pcm≤O.02%),并有效地利用低碳范围内硼和其它合金元素的淬透性效果,可以确保所希望的强度(610~725MPa)和低温韧性(-40℃,≥40)。
高分子材料成型工艺课程设计1. 概述高分子材料成型工艺是指将高分子材料经过一定的加工、处理和成型过程,使其达到一定性能和外形尺寸的工艺过程。
高分子材料在工业生产和生活中广泛应用,因此了解高分子材料成型工艺具有重要意义。
本课程设计旨在通过实践学习,深入了解高分子材料成型的主要工艺过程、工艺参数及其对产物性质的影响,掌握高分子材料成型的基本方法和实验技能。
2. 实验目的1.了解高分子材料的成型工艺及其工艺参数。
2.通过实验,掌握高分子材料成型工艺的基本方法和实验技能。
3.分析高分子材料成型工艺参数对成型产物性质的影响。
4.提高实验操作能力和实验数据处理能力。
3. 实验内容3.1 实验材料本实验材料包括:聚乙烯(PE)粉末、聚丙烯(PP)颗粒、加工用蜡、润滑剂等。
3.2 实验仪器本实验仪器包括:成型模具、压力机、电热板等。
3.3 实验步骤本实验分为以下三个步骤:第一步:材料预处理将聚乙烯(PE)粉末与聚丙烯(PP)颗粒分别于100℃条件下烘干2h,待其完全降温后加入适量的润滑剂,搅拌均匀,并再次密闭烘箱1h以保证润滑剂均匀附着于聚合物表面。
加工用蜡需要用搅拌器在60℃条件下均匀搅拌至成解胶状态,然后用专门的工具将加工用蜡均匀涂布于模具表面,并在室温下自然凝固。
第二步:成型试验制定不同的成型工艺方案,包括模具类型、加热温度、加热时间、冷却方式等。
将预处理好的高分子材料均匀地放置于成型模具内,加入相应数量的加工用蜡,并用压力机施加一定的压力,使高分子材料充沛地填充到模具内并排除气泡和空穴。
待高分子材料在模具内凝固后,将制品从模具中取出,剪去多余的材料边缘并进行表面处理。
第三步:成品测定对成型产物进行外观、尺寸、密度、拉伸强度和断裂伸长率等性能的测试与分析。
并针对实验结果进行综合分析和讨论。
4. 实验数据处理根据实验步骤所得到的高分子材料成型产品进行性能测试,分析并对实验结果进行综合分析和讨论。
通过实验结果,确定高分子材料成型参数的适宜范围,并对不同工艺参数的影响进行讨论分析。
材料成型课程设计一、课程目标知识目标:1. 学生能理解材料成型基本概念,掌握不同材料的成型特性及工艺流程。
2. 学生能描述并区分各种成型方法,了解其在现代制造业中的应用。
3. 学生掌握材料成型过程中涉及的计算和参数调整,能进行简单的工艺参数设计。
技能目标:1. 学生具备运用CAD/CAM软件进行简单零件设计的初步能力。
2. 学生能够操作材料成型设备,完成简单产品的制作。
3. 学生通过实践,学会分析并解决材料成型过程中出现的问题。
情感态度价值观目标:1. 培养学生对材料成型技术的好奇心和探究欲望,激发其学习兴趣。
2. 增强学生的团队合作意识,培养在团队中沟通、协作的能力。
3. 通过对材料成型技术发展历程的了解,培养学生对科技进步的敬畏感和创新精神。
课程性质:本课程为实践性较强的专业课,注重理论联系实际,通过讲解、演示、实践等多种教学方式,使学生在掌握基础知识的同时,提高操作技能。
学生特点:学生为初中年级,具有一定的物理、数学基础,对新鲜事物充满好奇,动手能力强,但可能缺乏系统的工程观念。
教学要求:结合学生特点,课程要求教师以生动的案例、直观的演示和具体的实践活动,引导学生主动参与,鼓励学生提出问题、解决问题,培养学生的创新意识和实践能力。
通过具体的学习成果分解,使学生在课程结束后能够达到预定的知识、技能和情感态度价值观目标。
二、教学内容1. 材料成型基本概念:讲解材料成型定义、分类及成型技术的应用领域,对应教材第一章内容。
2. 常见材料成型方法:介绍压制成型、注射成型、吹塑成型、真空成型等,分析各种成型方法的优缺点,对应教材第二章。
- 压制成型:讲解压制成型原理、工艺流程及设备。
- 注射成型:介绍注射成型过程、参数调整及常见问题。
- 吹塑成型:讲解吹塑成型方法、应用范围及工艺特点。
- 真空成型:介绍真空成型原理、设备及应用实例。
3. 材料成型工艺参数设计:讲解成型过程中涉及的计算方法,如压力、温度、时间等参数的调整,对应教材第三章。
《工程材料及应用》课程整体教学设计课程名称:工程材料及应用开设专业:机电一体化技术课程设计人:所属系:合作人:制订时间:2014年2月课程整体教学设计一、课程基本信息二、课程目标设计总体目标:《工程材料及成型工艺》是是机械、材料等机类专业学生的一门重要的技术基础课。
本课程研究如何将工程材料加工成为毛坯或机器零件的工艺方法。
通过本课程学习,可获得常用工程材料成形工艺的基本知识,培养学生的工艺分析能力,为后续课程学习和今后的工作实践奠定基础。
能力目标:能根据某一零件的结构特点及性能要求,初步具有选用材料、确定毛坯成形方法、零件加工方法及制订加工工艺路线的能力。
知识目标:通过本课程学习,熟悉常用工程材料的种类、成分、组织、性能和改性方法,掌握各种毛坯成形方法及零件的加工工艺基础,同时有针对性地了解新的成形工艺的应用。
素质目标:培养学生积极思考、敢于动手、自主探究的能力,同时养成严谨细致的工作作风,以适应培养高质量应用型人才的要求。
三、课程内容设计:四、能力训练项目设计五、课程进程表六、第一节课梗概1、从古至今,材料的发展过程通过展示从古至今,材料在整个人类发明史上的地位,了解材料对经济与社会发展的重要性,明确材料在本专业学习中的地位,让同学们了解材料的重要性,激起同学们学习的兴趣。
2、介绍课程的性质地位课程理论性较强,要求学生分析学习能力高,所以对每一单元要进行案例考核,并加强应用能力的考核。
3、本课程主要学习内容及学习方法七、考核方案1、考核方法1)课程考试成绩95%(1)关注评价的多元性,将上课出勤、学生作业、作为平时成绩,占总成绩的10%。
(2)期末闭卷考试:期末考试成绩占总成绩的90%。
2)实验成绩实验技能操作和学生协作表现作为实验成绩占5%。
八、教学材料工程材料及成型工艺,刘春延主编,西安电子科技大学;金属材料工程实践教学综合实验指导,吴润主编,冶金工业出版社;金工实习,孙以安主编,上海交通大学出版社;工程材料及热加工,陈培里主编,高等教育出版社;工程材料及成型工艺基础,齐乐华主编,西北工业大学出版社。
材料成型工艺课程设计一、教学目标本课程旨在让学生掌握材料成型工艺的基本知识、原理和应用,培养学生的实践能力和创新精神。
通过本课程的学习,学生应达到以下目标:1.知识目标:•了解材料成型工艺的分类、特点和应用领域。
•掌握材料成型工艺的基本原理和方法。
•熟悉常见材料的成型性能和成型工艺参数。
2.技能目标:•能够分析材料成型过程中出现的问题,并提出解决方案。
•具备一定的材料成型工艺设计和优化能力。
•能够运用所学知识进行材料成型工艺的实验操作和数据分析。
3.情感态度价值观目标:•培养学生的科学精神,提高对材料科学和工程实践的兴趣。
•培养学生的团队合作意识和沟通能力,增强集体荣誉感。
•培养学生对创新和实践的积极态度,提高解决问题的能力。
二、教学内容本课程的教学内容主要包括以下几个方面:1.材料成型工艺概述:介绍材料成型工艺的分类、特点和应用领域,让学生对材料成型工艺有一个整体的认识。
2.材料成型工艺原理:讲解材料成型工艺的基本原理,包括塑性变形、弹性变形、断裂等,使学生了解材料成型过程中的物理现象。
3.材料成型工艺方法:介绍常见的材料成型工艺方法,如铸造、锻造、焊接、热处理等,让学生掌握各种成型工艺的实施方法和注意事项。
4.材料成型性能及工艺参数:分析常见材料的成型性能,如塑性、韧性、硬度等,讲解成型工艺参数的选择和调整方法。
5.材料成型工艺实例分析:通过案例分析,使学生了解材料成型工艺在工程实际中的应用,培养学生的实践能力。
本课程采用多种教学方法,以激发学生的学习兴趣和主动性:1.讲授法:讲解材料成型工艺的基本概念、原理和工艺方法,使学生掌握相关知识。
2.讨论法:学生进行课堂讨论,培养学生的思考能力和团队合作意识。
3.案例分析法:分析实际工程案例,让学生了解材料成型工艺在实际中的应用和解决问题的方式。
4.实验法:安排材料成型工艺实验,让学生动手操作,培养学生的实践能力和实验技能。
四、教学资源为了支持教学内容和教学方法的实施,我们将使用以下教学资源:1.教材:选用权威、实用的教材,为学生提供系统、全面的知识体系。
材料成型工艺课程设计材料成型工艺是现代制造业中非常重要的一门课程,它涉及到材料的加工、成型和制造过程,是制造工程中的核心内容之一。
在本课程设计中,我将根据学生的学习需求和实际应用情况,设计一门符合要求的材料成型工艺课程,以培养学生的工程实践能力和创新精神。
第一部分:课程背景和目标在设计课程的初期,我将首先明确课程的背景和目标。
材料成型工艺是工程技术中的重要组成部分,通过学习这门课程,学生将能够掌握材料的成型原理和工艺技术,提高工程设计和制造的能力。
课程的目标是培养学生的工程实践能力,提高他们在工程领域的竞争力。
第二部分:课程内容和教学方法在课程内容的设计中,我将结合材料成型工艺的基本原理和最新发展,设计合理的课程内容。
主要包括材料成型工艺的基本概念、材料的成型原理、成型工艺的分类和应用、成型设备的选型和使用等内容。
通过理论教学和实践操作相结合的方式,帮助学生掌握材料成型工艺的基本知识和技能,培养他们的实践能力和创新精神。
教学方法上,我将采用案例教学、实验教学和课程设计等多种教学手段,激发学生的学习兴趣和动力,提高他们的学习效果。
通过实践操作和实际应用的方式,帮助学生将理论知识转化为实际能力,培养他们的工程实践能力和创新意识。
第三部分:课程评估和改进在课程的实施过程中,我将定期对学生的学习情况和教学效果进行评估,及时调整和改进教学内容和教学方法,确保课程的质量和效果。
通过学生的学习成绩和反馈意见,我将不断改进课程的设计和实施,提高学生的学习体验和学习效果。
总的来说,材料成型工艺课程设计是一门重要的工程课程,通过合理的课程设计和教学方法,可以有效培养学生的工程实践能力和创新精神,提高他们在工程领域的竞争力和发展潜力。
我将以最好的态度和努力,设计和实施一门符合要求的材料成型工艺课程,为学生的学习和发展提供良好的学习环境和学习资源。
希望学生能够积极学习,努力实践,取得优异的学习成绩和成就,为未来的工程发展和创新做出贡献。
材料成型工艺底座课程设计一、课程目标知识目标:1. 理解材料成型工艺的基本原理,掌握底座成型的关键步骤和技术要求。
2. 掌握底座设计中常用的材料性能及选用原则,能结合实际需求进行合理选材。
3. 了解底座成型过程中的质量控制方法,提高对成型缺陷的识别及预防能力。
技能目标:1. 能够运用CAD软件完成底座的三维建模和工程图绘制。
2. 学会使用材料成型设备,独立完成底座的成型加工操作。
3. 掌握底座成型过程中的调试和优化方法,提高实际操作技能。
情感态度价值观目标:1. 培养学生的团队协作意识,增强沟通与交流能力,提高解决问题的能力。
2. 增强学生对材料成型工艺的热爱,激发创新意识和实践精神。
3. 培养学生严谨、细致、负责的工作态度,提高对质量的把控能力。
本课程针对高年级学生,结合材料成型工艺底座的设计与制作,注重理论与实践相结合,提高学生的专业知识水平和实际操作技能。
通过本课程的学习,使学生能够具备独立完成底座设计与成型加工的能力,为今后从事相关工作奠定基础。
同时,培养学生严谨、负责的工作态度和团队协作精神,提升综合素质。
二、教学内容1. 材料成型工艺原理:讲解材料成型的基本概念、分类及原理,重点介绍底座成型的常用方法,如铸造、焊接、塑性加工等。
参考教材章节:第1章 材料成型工艺概述2. 底座设计:学习底座结构设计的基本原则,掌握底座的三维建模和工程图绘制方法。
参考教材章节:第2章 底座结构设计;第3章 三维建模与工程图绘制3. 材料选择与性能分析:介绍常用底座材料的特点、性能及应用,学会根据实际需求进行合理选材。
参考教材章节:第4章 常用材料及性能4. 成型设备与工艺参数:了解底座成型过程中所使用的设备、工艺参数及其对成型质量的影响。
参考教材章节:第5章 成型设备与工艺参数5. 成型加工操作:学习底座成型加工的操作步骤,包括模具准备、设备调试、成型加工等。
参考教材章节:第6章 成型加工操作6. 质量控制与缺陷预防:掌握底座成型过程中的质量控制方法,分析常见缺陷产生原因及预防措施。
材料成形工艺课程设计一、教学目标本课程旨在让学生了解和掌握材料成形工艺的基本概念、原理和方法,培养学生对材料成形工艺的兴趣和热情,提高学生运用所学知识分析和解决问题的能力。
知识目标:使学生掌握材料成形工艺的基本原理、方法和技术,了解各种材料成形工艺的特点和应用范围。
技能目标:培养学生运用材料成形工艺原理分析和解决实际问题的能力,能熟练使用相关设备和工具进行材料成形操作。
情感态度价值观目标:培养学生对材料成形工艺的兴趣和热情,使其认识到材料成形工艺在现代工业中的重要地位,提高学生对材料成形工艺的科学素养。
二、教学内容本课程的教学内容主要包括材料成形工艺的基本概念、原理和方法,以及各种材料成形工艺的特点和应用。
1.材料成形工艺的基本概念和原理:介绍材料成形工艺的定义、分类和基本原理,使学生了解材料成形工艺的基本框架。
2.材料成形工艺的方法和技术:详细讲解各种材料成形工艺的方法和技术,包括铸造、锻造、焊接、热处理等,使学生掌握各种工艺的操作要领。
3.材料成形工艺的应用:介绍材料成形工艺在现代工业中的应用范围,让学生了解材料成形工艺的实际价值。
三、教学方法为了提高教学效果,本课程将采用多种教学方法相结合的方式进行教学。
1.讲授法:通过教师的讲解,使学生掌握材料成形工艺的基本概念、原理和方法。
2.讨论法:学生进行分组讨论,培养学生运用所学知识分析和解决问题的能力。
3.案例分析法:通过分析实际案例,使学生了解材料成形工艺在现代工业中的应用。
4.实验法:安排学生进行实验操作,培养学生动手能力和实际操作技能。
四、教学资源为了保证教学质量,我们将选择和准备以下教学资源:1.教材:选用国内权威出版的《材料成形工艺》教材,作为学生学习的主要参考书。
2.参考书:推荐学生阅读相关领域的参考书,以拓宽知识面。
3.多媒体资料:制作和收集与课程相关的多媒体资料,如课件、视频等,以丰富教学手段。
4.实验设备:保障实验室设备的齐全和正常运行,为学生提供良好的实验条件。
材料成型的课程设计一、课程目标知识目标:1. 学生能理解材料成型的基本概念,掌握不同成型工艺的原理及特点。
2. 学生能描述常见材料的成型特性,并了解其在实际应用中的优缺点。
3. 学生能运用所学的材料成型知识,分析并解决实际问题。
技能目标:1. 学生能够运用实验仪器和工具进行简单的材料成型操作,提高动手能力。
2. 学生能够通过观察、分析,对材料成型过程中出现的问题进行诊断和解决。
3. 学生能够运用创新思维,设计并制作具有一定实用价值的成型作品。
情感态度价值观目标:1. 学生培养对材料成型技术的兴趣,激发探索精神和创新意识。
2. 学生认识到材料成型在生活和生产中的重要性,增强环保意识和资源利用观念。
3. 学生通过团队协作完成课程任务,培养合作精神,提高沟通能力。
课程性质:本课程为实践性较强的学科课程,旨在帮助学生将理论知识与实际操作相结合,提高学生的实践能力和创新能力。
学生特点:六年级学生具有较强的求知欲和动手能力,对新鲜事物充满好奇心,具备一定的团队协作能力。
教学要求:教师应注重理论与实践相结合,关注学生的个体差异,鼓励学生积极参与,充分调动学生的主观能动性。
在教学过程中,将课程目标分解为具体的学习成果,以便于教学设计和评估。
二、教学内容1. 基本概念与原理:- 材料成型定义及分类- 常见成型工艺(如注塑、压铸、焊接等)的原理及特点- 材料成型过程中的关键技术参数2. 材料成型工艺:- 塑料、金属、陶瓷等材料的成型特性- 不同材料的成型方法及适用场合- 成型工艺对材料性能的影响3. 实践操作与案例分析:- 实验室设备、工具的使用方法及安全操作规程- 简单材料成型操作实践(如制作塑料玩具、金属零件等)- 分析成型过程中出现的问题,并提出解决方案4. 创新设计与制作:- 设计具有一定实用价值的成型作品- 运用所学的材料成型知识,进行创新设计- 制作并展示作品,进行评价与改进教学内容安排与进度:- 第一周:基本概念与原理学习- 第二周:材料成型工艺学习- 第三周:实践操作与案例分析- 第四周:创新设计与制作教材章节关联:- 《材料科学》第五章:材料成型技术- 《工程技术》第六章:成型工艺及设备教学内容注重科学性和系统性,结合课程目标,确保学生掌握材料成型的基本知识和技能,提高实践能力和创新能力。