A17 工序检验申请批复单
- 格式:docx
- 大小:15.17 KB
- 文档页数:1
公路工程资料的有关要求公路工程资料的有关要求资料的有关要求一、手写件和打印件的要求1、试验检测资料(1)试验记录表首先要有手写件,作为施工质量控制的原始记录。
手写件签认完毕后再整理打印件。
(2)试验报告表是由试验记录表一页或多页记录表数据导出一页报告表,要求采用打印件。
(3)试验汇总表是由一页或多页报告表数据汇总到一页汇总表,要求采用打印件。
(4)试验工作月报表、台账资料,要求采用打印件。
(5)所有签字均采用碳素笔手签,不得打印或盖印。
2、监理用表(A表):(1)表中文字描述和数据填写要求采用打印。
(2)所有签字人员必须按照规定的权限或授权范围手工签署意见和名字。
3.合同管理用表(B表)(1)表中文字描述和数据填写要求采用打印。
(2)所有签字人员必须按照规定的权限或授权范围手工签署意见和名字。
4、原始记录表(C表)(1)要求填写中认真落实现场记录、现场核实、现场签字的的基本要求。
原始记录表首先要有手写件,作为施工质量控制的原始记录。
手写件签认完毕后再整理打印件。
(2)所有签字人员必须按照规定的权限或授权范围手工签署意见和名字。
(3)检测负责人签字应由项目总工签名,“检查人”、“记录人”由经授权的现场质检人员签认。
5、检查记录表(D表)(1)检查表要求现场记录、现场签字的的基本要求。
检查表首先要有手写件,手写件的监理工程师意见一栏先由监理员签认意见和签字,后由专监签字认可,手写件签认完毕后再整理打印件,打印件中的检查意见和监理工程师意见可以进行打印,监理意见由监理签字确认。
(2)手写件所有签字人员必须按照规定的权限或授权范围手工签署意见和名字。
(3)表中“检测负责人”签字应由项目总工签名,“复核”由质检负责人签认,“检测”、“记录”由经授权的现场质检人员签认,表格日期填写检查当天日期,如果部分实测项目暂时无法检测,则填写的日期应为所有检测结果得出的最后日期。
6、评定表(E表)(1)评定表是由检查记录表一页或多页记录表数据导出一页评定表,要求采用打印件,监理意见可以进行打印,先由专监签认、再由高监签字确认。
资料的有关要求一、手写件和打印件的要求1、试验检测资料(1)试验记录表首先要有手写件,作为施工质量控制的原始记录。
手写件签认完毕后再整理打印件。
(2)试验报告表是由试验记录表一页或多页记录表数据导出一页报告表,要求采用打印件。
(3)试验汇总表是由一页或多页报告表数据汇总到一页汇总表,要求采用打印件。
(4)试验工作月报表、台账资料,要求采用打印件。
(5)所有签字均采用碳素笔手签,不得打印或盖印。
2、监理用表(A表):(1)表中文字描述和数据填写要求采用打印。
(2)所有签字人员必须按照规定的权限或授权范围手工签署意见和名字。
3.合同管理用表(B表)(1)表中文字描述和数据填写要求采用打印。
(2)所有签字人员必须按照规定的权限或授权范围手工签署意见和名字。
4、原始记录表(C表)(1)要求填写中认真落实现场记录、现场核实、现场签字的的基本要求。
原始记录表首先要有手写件,作为施工质量控制的原始记录。
手写件签认完毕后再整理打印件。
(2)所有签字人员必须按照规定的权限或授权范围手工签署意见和名字。
(3)检测负责人签字应由项目总工签名,“检查人”、“记录人”由经授权的现场质检人员签认。
5、检查记录表(D表)(1)检查表要求现场记录、现场签字的的基本要求。
检查表首先要有手写件,手写件的监理工程师意见一栏先由监理员签认意见和签字,后由专监签字认可,手写件签认完毕后再整理打印件,打印件中的检查意见和监理工程师意见可以进行打印,监理意见由监理签字确认。
(2)手写件所有签字人员必须按照规定的权限或授权范围手工签署意见和名字。
(3)表中“检测负责人”签字应由项目总工签名,“复核”由质检负责人签认,“检测”、“记录”由经授权的现场质检人员签认,表格日期填写检查当天日期,如果部分实测项目暂时无法检测,则填写的日期应为所有检测结果得出的最后日期。
6、评定表(E表)(1)评定表是由检查记录表一页或多页记录表数据导出一页评定表,要求采用打印件,监理意见可以进行打印,先由专监签认、再由高监签字确认。
第二章监理用表(A表)目录、说明及表样监理用表(A表)目录1、 A1开工预付款支付申请表 (21)2、 A2材料、设备预付款支付申请表 (22)3、 A3到场机械设备、管理人员报验单 (23)4、 A3.1到场机械设备清单 (24)5、 A3.2到场管理人员清单 (25)6、 A4实施性总体施工组织设计报审表 (26)7、 A5专项施工方案报审表 (27)8、 A6工地试验室报审表 (28)9、 A7复测成果报审表 (29)10、 A8工程划分报审表 (30)11、 A9合同工程开工报审表 (31)12、 A10合同工程开工令 (32)13、 A11试验工程施工方案报审表 (33)14、 A12试验工程施工总结报审表 (34)15、 A13外购构、配件或设备报审表 (35)16、 A14总体进度计划报审表 (36)17、 A15月进度计划报审表 (37)18、 A16分项(分部)工程开工申请批复表 (38)19、 A16.1进场施工机械设备报验单 (39)20、 A16.2进场工程原材料报验单 (40)21、 A16.3人员配备报验单 (41)22、 A16.4 施工测量放样报验单 (42)23、 A16.5施工方案及主要工艺报审表 (43)24、 A17工序检验申请批复单 (44)25、 A18分项工程中间交工申请单 (45)26、 A19中间交工证书 (46)27、 A20分部工程质量检验评定表 (47)28、 A21单位工程质量检验评定表 (48)29、 A22合同段工程质量检验评定表 (49)30、 A23建设项目工程质量检验评定表 (50)31、 A24 工程汇总表 (51)32、 A25工程质量缺陷、隐患报告表 (52)33、 A26工程质量缺陷、隐患处理方案报审表 (53)34、 A27工程质量缺陷、隐患处理报验表 (54)35、 A28工程质量事故报告表 (55)36、 A29工程质量事故处理方案报审表 (56)37、 A30工程质量事故处理报验表 (57)38、 A31工程暂停令 (58)39、 A32复工申请 (59)40、 A33工程复工令 (60)41、 A34合同段交工验收申请 (61)42、 A35公路工程交工验收证书 (62)43、 A36缺陷责任期工程报验表 (63)44、 A37合同工程缺陷责任终止申请表 (64)45、 A38合同工程缺陷责任终止证书 (65)46、 A39监理指令单 (66)47、 A40监理指令回复单 (67)48、 A41监理通知单 (68)49、 A42监理工作请示单 (69)50、 A43巡视记录 (70)51、 A44旁站记录 (71)52、 A45监理日志 (72)53、 A46工地会议纪要 (73)54、 A47监理例会纪要 (74)监理用表(A表)说明一、监理用表适用性1、样表对项目监理机构的适用性本监理用表样表适用于设置二级监理机构(即总监理工程师办公室(简称总监办)和驻地监理工程师办公室(简称驻地办))的工程项目。
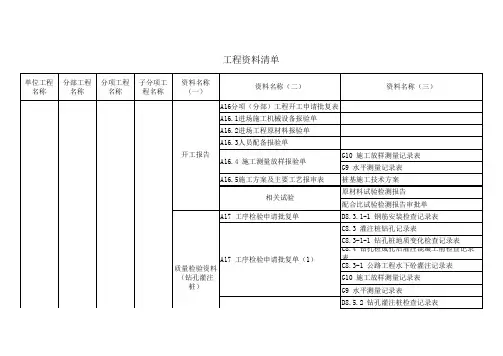
桥梁工程质检资料用表顺序一、根底及下部构造〔1〕钻孔灌注桩基1、A17表工序检验申请批复单〔钢筋加工及安装〕2、D8.3.1-1钢筋安装检查记录表及附表3、E8.3.1-1钢筋安装质量检验评定表4、A17表工序检验申请批复单〔钻孔灌注桩检查记录表〕5、D8.5.2钻孔桩检查记录表6、C8.8 灌注桩混凝土原始记录表7、G10.1施工放样测量记录表〔12条内容附表〕8、C8.3灌注桩钻孔记录表9、C8.9 钻、挖孔桩地质变化检查记录表〔如出现地质变化〕10、地质柱状图〔CAD版本〕11、C8.4钻孔桩成孔后灌注混凝土前检查记录表12、G10.1施工放样测量记录表〔9条内容附表〕13、E8.5.2钻孔桩质量检验评定表1根桩基做1份资料〔2〕人工挖孔桩1、A17表工序检验申请批复单〔钢筋加工及安装〕2、D8.3.1-1钢筋安装检查记录表及附表3、E8.3.1-1钢筋安装质量检验评定表4、A17表工序检验申请批复单〔挖孔灌注桩检查记录表〕5、D8.5.3挖孔桩检查记录表6、C8.9 混凝土施工记录表7、G10.1施工放样测量记录表〔12条内容附表〕8、C8.1灌注桩挖孔记录表9、C8.9 钻、挖孔桩地质变化检查记录表〔如出现地质变化〕10、地质柱状图〔CAD版本〕11、C8.2挖孔桩成孔后灌注混凝土前检查记录表12、G10.1施工放样测量记录表〔9条内容附表〕13、E8.5.3挖孔桩质量检验评定表1根桩基做1份资料〔3〕系梁1、A17表工序检验申请批复单〔钢筋加工及安装〕2、钢筋安装检查记录表及附表3、钢筋安装质量检验评定表4、A17表工序检验申请批复单〔模板安装检查记录表〕5、D8.13模板安装检查记录表6、A17表工序检验申请批复单〔系梁检查记录表〕7、D8.5.9-1系梁检查记录表8、C8.9 混凝土施工记录表9、系梁成品抄平、放样测量资料10、E8.5.9-1系梁检查记录表1道系梁做1份资料〔4〕承台1、A17表工序检验申请批复单〔钢筋加工及安装〕2、钢筋安装检查记录表及附表3、钢筋安装质量检验评定表4、A17表工序检验申请批复单〔模板安装检查记录表〕5、D8.13模板安装检查记录表6、A17表工序检验申请批复单〔承台检查记录表〕7、D8.5.9承台检查记录表8、C8.9 混凝土施工记录表9、承台成品抄平、放样测量资料10、E8.5.9承台质量检验评定表1个承台做1份资料〔5〕墩柱〔圆柱墩〕1、A17表工序检验申请批复单〔钢筋加工及安装〕2、钢筋安装检查记录表及附表3、钢筋安装质量检验评定表4、A17表工序检验申请批复单〔模板安装检查记录表〕5、D8.13模板安装检查记录表6、A17表工序检验申请批复单〔墩柱检查记录表〕7、D8.6.1-2柱或双臂墩身检查记录表8、C8.9 混凝土施工记录表9、墩柱成品抄平、放样测量资料10、E8.6.1-2柱或双臂墩身质量检验评定表〔一根墩柱进展评定〕每节段做1份资料,按子分项工程进展评定。
桥梁桩基自检表云南省红河州绿春县大骑公路渣吗桥危桥改造工程A16分项(分部)工程开工申请批复表施工单位:泸西县公路桥梁工程有限公司合同号:第Ⅰ合同段监理单位:云南省鼎平建设工程监理有限公司编号:云南省红河州绿春县大骑公路渣吗桥危桥改造 工程A16.1 进场施工机械设备报验单施工单位: 泸西县公路桥梁工程有限公司 合同号: 第Ⅰ合同段监理单位:云南省鼎平建设工程监理有限公司编号:致(专业监理工程师):根据合同要求,以下施工机械设备已经进场且试运行正常,请予查验,并准予使用。
承包月日技术状设备名称型号单位数量进场日期云南省红河州绿春县大骑公路渣吗桥危桥改造 工程A16.2 进场工程原材料报验单施工单位: 泸西县公路桥梁工程有限公司合同号: 第Ⅰ合同段 监理单位: 云南省鼎平建设工程监理有限公司 编 号:2、材料试验报告。
承人:年月日材料名称材料产地采用标准试验编号试验结果用途(用在何工程或部位)本批材料数量试验专业监理工程师意见:云南省红河州绿春县大骑公路渣吗桥危桥改造工程A16.3人员配备报验单施工单位:泸西县公路桥梁工程有限公司合同号:第Ⅰ合同段监理单位:云南省鼎平建设工程监理有限公司编号:专业监理工程师意见:云南省红河州绿春县大骑公路渣吗桥危桥改造工程A16.4施工测量放样报验单施工单位:泸西县公路桥梁工程有限公司合同号:第Ⅰ合同段监理单位:云南省鼎平建设工程监理有限公司编号:年月日云南省红河州绿春县大骑公路渣吗桥危桥改造工程G10施工放样测量记录表施工单位:泸西县公路桥梁工程有限公司合同号:第Ⅰ合同段监理单位:云南省鼎平建设工程监理有限公司编号:示意图:注:采用ZTS–121R 全站仪测量放样测量基准点坐标:X=2545649.183 Y=501360.134X=2545691.278 Y=501334.309测量:记录(计算):复核:测量专监:云南省红河州绿春县大骑公路渣吗桥危桥改造工程G8水准点测量记录表施工单位:泸西县公路桥梁工程有限公司合同号:监理单位:云南省鼎平建设工程监理有限公司编号:)测量:记录(计算):复核:测量专监:测量日期:云南省红河州绿春县大骑公路渣吗桥危桥改造工程G8水准点测量记录表施工单位:泸西县公路桥梁工程有限公司合同号:第Ⅰ合同段监理单位:云南省鼎平建设工程监理有限公司编号:测量:记录(计算):复核:测量专监:测量日期:云南省红河州绿春县大骑公路渣吗桥危桥改造工程A19中间交工证书施工单位:泸西县公路桥梁工程有限公司合同号:第Ⅰ合同段监理单位:云南省鼎平建设工程监理有限公司编号:云南省红河州绿春县大骑公路渣吗桥危桥改造工程A18分项工程中间交工申请单施工单位:泸西县公路桥梁工程有限公司合同号:第Ⅰ合同段监理单位:云南省鼎平建设工程监理有限公司编号:分项工程名称里程桩号所属分部工程名称红河州绿春县大骑公路渣吗桥危桥改造工程A17工序检验申请批复单施工单位:泸西县公路桥梁工程有限公司合同号:第Ⅰ合同段监理单位:云南省鼎平建设工程监理有限公司编号:签字:月日专业监理工程师意见:承包人收到日期及签字:E8.3.1-1钢筋安装质量检验评定表分项工程名称:所属分部工程名称:基础及下部构造所属建设项目:绿春县大骑公路渣吗桥危桥改造工程工程部位:(桩号、墩台号、孔号)施工单位:泸西县公路桥梁工程有限公司监理单位:云南省鼎平建设工程监理有限公司编号:检验负责人:检测:记录:复核:年月日红河州绿春县大骑公路渣吗桥危桥改造工程A17工序检验申请批复单施工单位:泸西县公路桥梁工程有限公司合同号:第Ⅰ合同段监理单位:云南省鼎平建设工程监理有限公司编号:E8.5.2钻孔灌注桩质量检验评定表分项工程名称所属分部工程名称:基础及下部构造所属建设项目:绿春县大骑公路渣吗桥危桥改造工程工程部位:(桩号、墩台号、孔号)施工单位:泸西县公路桥梁工程有限责任公司监理单位:云南省鼎平建设工程监理有限公司编号:检验负责人:检测:记录:复核:年月日云南省红河州绿春县大骑公路渣吗桥危桥改造工程C8.3灌注桩钻孔记录表施工单位:泸西县公路桥梁工程有限公司合同段:第Ⅰ合同段监理单位:云南省鼎平建设工程监理有限公司编号:云南省红河州绿春县大骑公路渣吗桥危桥改造工程钻(挖)孔桩地质柱状图承包单位:泸西县公路桥梁工程有限公司合同段:第Ⅰ合同段监理单位:云南省鼎平建设工程监理有限公司编号:施工负责人:质量检查员:现场监理工程师:设计代表:日期:云南省红河州绿春县大骑公路渣吗桥危桥改造工程C8.4钻孔桩成孔后灌注混凝土前检查记录表施工单位:泸西县公路桥梁工程有限公司合同段:第Ⅰ合同段监理单位:云南省鼎平建设工程监理有限公司检测负责人:检查人:记录人:E8.5.2钻孔灌注桩质量检验评定表(监抽)分项工程名称:所属分部工程名称:基础及下部构造所属建设项目:绿春县大骑公路渣吗桥危桥改造工程工程部位:(桩号、墩台号、孔号)施工单位:泸西县公路桥梁工程有限责任公司监理单位:云南省鼎平建设工程监理有限公司编号:检验负责人:检测:记录:复核:年月E8.3.1-1钢筋安装质量检验评定表(监抽)分项工程名称:所属分部工程名称:基础及下部构造所属建设项目:绿春县大骑公路渣吗桥危桥改造工程工程部位:(桩号、墩台号、孔号)施工单位:泸西县公路桥梁工程有限公司监理单位:云南省鼎平建设工程监理有限公司编号:检验负责人:检测:记录:复核:年月日。
工程资料清单
工程资料清单
A18分项工程中间交工申请单
(挖孔灌注桩)
工程资料清单
台
工程资料清单
工程资料清单
工程资料清单
工程资料清单
工程资料清单
工程资料清单部构造
工程资料清单
工程资料清单
工程资料清单
工程资料清单
工程资料清单
工程资料清单
工程资料清单
工程资料清单
工程资料清单
工程资料清单
工程资料清单
工程资料清单
工程资料清单
工程资料清单
工程资料清单
层
工程资料清单
工程资料清单
工程资料清单
工程资料清单
工程资料清单
工程资料清单。
A17工序检验申请批复单尊敬的领导:我向您提交A17工序检验申请批复单。
经过详细的分析和评估,在我们的生产过程中引入工序检验是非常必要的,这将有助于确保我们的产品质量符合相关的标准和要求。
我在下面列出了一些关于工序检验的重要信息和理由:1.目的和意义:工序检验是一种在生产过程中进行的质量控制措施,其目的是确保每个工序的产品都符合质量标准和要求。
通过工序检验,我们能够及早发现和解决潜在的质量问题,避免不合格品的进一步生产,从而提高产品质量和可靠性。
2.实施步骤和方法:在实施工序检验时,我们将采取以下步骤和方法:2.1设立检验点:根据生产过程的特点,我们会在每个重要的工序中设立检验点,以确保每个工序的关键参数和质量指标得到有效控制和检验。
2.2制定检验标准:我们将制定相应的检验标准,以明确每个工序的质量要求和指标。
这些标准将基于相关的行业标准和客户需求,并经过全面的评估和验证。
2.3分配检验责任:我们将负责分配检验责任,确保每个工序的质量检验人员具备适当的技能和知识。
这将确保我们的检验工作得到有效执行,并提供准确和可靠的数据和结果。
2.4建立检验记录:我们将建立检验记录,以记录每个工序的检验结果和数据。
这将有助于我们进行数据分析和质量改进,并提供追踪和溯源的依据。
3.预期效果和收益:通过引入工序检验,我们预期可以实现以下效果和收益:3.1提高产品质量:通过每个工序的检验,我们可以及早发现和解决潜在的质量问题,确保每个工序的产品质量符合标准和要求。
3.2减少成本和浪费:通过提前发现质量问题,我们可以避免不合格品的进一步生产,减少不必要的废品和浪费,降低生产成本。
3.3提高客户满意度:通过提供符合质量标准和要求的产品,我们可以提高客户满意度,增强客户信任和忠诚度。
4.实施计划和时间表:我们计划在下个月开始实施工序检验,并分阶段逐步推进。
具体的时间表将会通过协商和沟通确定,并在实施过程中根据实际情况进行调整和优化。
公路工程管理用表范本-工序质量申请检验批复单
公路工程管理用表监理表3
工序质量申请检验批复单
承包单位:合同号:
监理单位:编号:
下列作业已完成请予检验及批复
工程项目
工程地点及桩号
具体工程部位
检验内容
施工自检情况:(附质量证明附件)
质检负责人签字:日期:
承包人递交日期、时间和签字:
要求到现场检验时间:
监理工程师收件日期、时间和签字:
(上述工程是否同意检验)
专业监理工程师评论:(简述上述工程被接受/不被接受)
签字:年月日本项目可以继续进行/不被接受的原因及纠正意见:
驻地监理工程师签字:年月日
承包人签字:年月日青海省公路建设管理局印制。