word符号代码
- 格式:doc
- 大小:31.50 KB
- 文档页数:3
不用通配符时:段落标记(↵)^p制表符(→) ^t任意单个字符(只用于查找框) ^?任意数字(单个)(只用于查找框) ^#任意英文字母(只用于查找框) ^$脱字号^^§分节符^%¶段落符号^v分栏符^n省略号^i全角省略号^j长划线^+1/4长划线^q短划线^=无宽可选分隔符^x无宽非分隔符^z尾注标记(只用于查找框) ^e域(只用于查找框) ^d脚注标记(只用于查找框) ^f 或^2图形(只用于查找框) ^g 或^1手动换行符^l手动分页符^m不间断连字符^~不间断空格^s可选连字符^-分节符(只用于查找框) ^b白色空格(即空白区域,可以是常规空格、不间断空格以及制表符的任意组合)^w批注(只用于查找框) ^a 或^5全角空格(Unicode)^u8195半角空格(ASCII)^32半角空格(Unicode)^u8194 ASCII 字符(范围1~128)^nnn ANSI 字符(范围1~255)^0nnn Unicode 字符^Unnnn反斜杠\ \问号? ?星号* *左括号( (右括号) )左中括号[ [右中括号] ]感叹号! ! 减号- -逗号, ,查找框中的内容(仅用于替换框)^&剪贴板中的内容(仅用于替换框)^c用通配符时:段落标记^13制表符^t任意单个字符?任意数字(单个)[0-9]任意英文字母[a-zA-Z]脱字号^^§分节符^%¶段落符号^v分栏符^n 或^14省略号^i全角省略号^j长划线^+1/4长划线^q短划线^=无宽可选分隔符^x无宽非分隔符^z尾注标记(不支持)域(不支持)脚注标记(不支持)图形^g手动换行符^l 或^11分页符/分节符^m不间断连字符^~不间断空格^s可选连字符^-分节符/分页符^m反斜杠\ \\问号? \?星号* \*左括号( \(右括号) \)左中括号[ \[右中括号] \]感叹号! \!电邮符号@ \@减号- \-逗号, \,查找的内容^&所有小写英文字母[a-z]所有大写英文字母[A-Z]所有西文字符[^1-^127]所有中文汉字和中文标点[!^1-^127]所有中文汉字(CJK统一字符)[一-龥] 或[一-﨩]所有中文标点[!一-龥^1-^127]所有非数字字符 [!0-9]手机密码全知道(一)摩托罗拉摩托罗拉所有机锁:按MENU+5+1/2T190解锁密码:20010903T191解锁密码:199807223X8/2X88/998/8088/L2000/7689/T189/C289等初始密码为1234 ;话机密码为000000 ;解锁方法:如无测试卡,则先输入1234,如密码已更改,先按Menu键会出现“修改开锁密码”,按OK键,然后输入000000就会显示四位数的话机密码,如保密码已更改,则只能用测试卡或软件工具解。
WordWPS文本常用通配符阿江3年前 (2019-12-21)WPS文字2363 Word WPS文本常用通配符一览表注:要查找已被定义为通配符的字符,该字符前键入反斜杠\ 。
查找?、*、(、)、[ 、] 等的代码分别是\?、\*、\(、\)、\[、\] 。
Word替换栏代码·通配符一览表Word通配符用法详解1、任意单个字符:“?”可以代表任意单个字符,输入几个“?”就代表几个未知字符。
如:输入“? 国”就可以找到诸如“中国”、“美国”、“英国”等字符;输入“国”可以找到“孟加拉国”等字符。
2、任意多个字符:“*”可以代表任意多个字符。
如:输入“*国”就可以找到“中国”、“美国”、“孟加拉国”等字符。
3、指定字符之一:“[]”框内的字符可以是指定要查找的字符之一,如:输入“[中美]国”就可以找到“中国”、“美国”。
又如:输入“th[iu]g”,就可查找到“thigh”和“thug”。
输入“[学硕博]士”,查找到的将会是学士、士、硕士、博士。
输入“[大中小]学”可以查找到“大学”、“中学”或“小学”,但不查找“求学”、“开学”等。
输入“[高矮]个”的话,Word查找工具就可以找到“高个”、“矮个”等内容。
4、指定范围内的任意单个字符:“[x-x]”可以指定某一范围内的任意单个字符,如:输入“[a-e]ay”就可以找到“bay”、“day”等字符,要注意的是指定范围内的字符必须用升序。
用升序。
如:输入“[a-c]mend”的话,Word查找工具就可以找到“amen d”、“bmend”、“cmend”等字符内容。
5、排除指定范、排除指定范围内的任意单个字符:“[!x-x]”可以用来排除指定范围内的任意单个字符,如:输入“[!c-f]”就可以找到“bay”、“gay”、“lay”等字符,但是不等字符,但是不会找到“cay”、“day”等字符。
要注意范围必须用升序。
又如:输入“[!a-c]”的话,word程序就可以找到“good”、“see”、“these”等目标字符,而所有包含字符a、b、c之类的内容都不会在查找结果中出现。
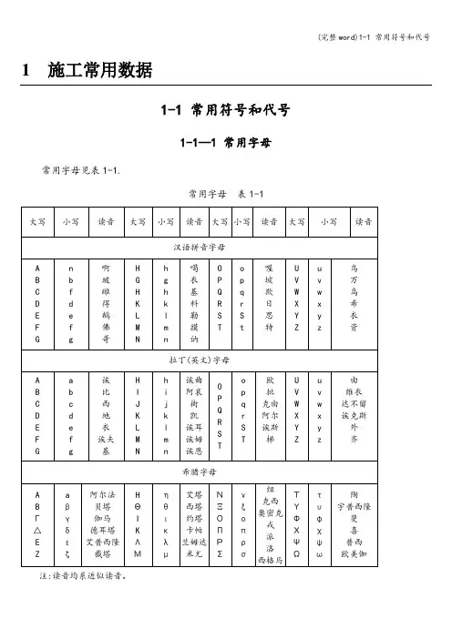
1 施工常用数据1-1 常用符号和代号1-1—1 常用字母常用字母见表1-1.常用字母表1-1注:读音均系近似读音。
1—1-2 常用符号1—1—2-1 数学符号数学符号见表1—2。
数学符号 表1—2中文意义 符号 中文意义 符号 中文意义 符号中文意义 符号 加、正 + 小括弧 ( ) 余割 cosec 段csc笛卡儿坐标系中矢量的α坐标分量z y αααχ,,减、负 -中括弧[] 常数 const(无向量场的)梯度 grad乘 ×或· 大括弧 {}数字范围(自…至…) (向量场的)旋rot 除 ÷ 阶乘 ! 相等中距 @ (向量场的)散度div 比 : 因为 ∵百分比 % 属于 ∈小数点 。
所以 ∴ 极限 lim 不属于 ∉等于 = 垂直于 ⊥ 趋于 → 包含 全等于 ≌ 平行于 fI 无穷大 ∞ 不包含 不等于 ≠相似于∽≈求和∑成正比 ∝约等于 ≈加或减,正或负 ±i 从1到n 的和∑=ni 1相当于 ∆小于 〈 减或加,负或正函数 ()(),ϕf按定义 def大于 > 三角形 △ 增量 △ 上极限f lim小丁=或等于 ≤ 直角 ∟微分d下极限 lim大于或等于 ≥圆形 ⊙ 单变量的函数的各级微商 )(),(),(x f x f x f ''''''上确界sup远小于 正方形 口偏微商下确界inf 远大于矩形积分⎰事件的概率 P(·)最大 max 平行四边形 自下限a 到上限b 的字积分 ⎰ba概率值 p最小min [平面]角∠二重积分⎰⎰总体容量N续表1—21-1-2-2 法定计量单位符号我国法定计量单位(以下简称法定单位)包括:1.国际单位制(SI)的基本单位(见表1—3)国际单位制(SI)的基本单位表1-32.无方括号的量的名称与单位名称均为全称。
方括号中的字,在不致引起混淆、误解的情况下,可以省略.去掉方括号中的字即为其名称的简称。
常用数学输入符号:≈ ≡ ≠ =≤≥ <>≮≯∷ ±+-× ÷/∫ ∮∝∞ ∧∨∑ ∏ ∪∩ ∈∵∴//⊥‖ ∠⌒≌∽√()【】{}ⅠⅡ⊕⊙∥αβγδεζηθΔ⇔|αβγδεζηθικλμνξοπρστυφχψωΑΒΓΔΕΖΗΘΙΚ∧ΜΝΞΟ∏Ρ∑ΤΥΦΧΨΩабвгдеёжзийклмнопрстуфхцчшщъыьэюяАБВГДЕЁЖЗИЙКЛМНОПРСТУФХЦЧШЩЪЫЬЭЮЯ的和可以表示成:公式输入符号≈≡≠=≤≥<>≮≯∷±+-×÷/∫∮∝∞∧∨∑∏∪∩∈∵∴//⊥‖∠⌒⊙≌∽√引理→Lemma是辅助定理(auxiliary theorem),是为了叙述主要的定理而事先叙述的基本概念(concept)、基本原理(principle)、基本规则(rule)、基本特性(property).推理→Deduce,Deduction是证明的过程(proving),逻辑推理的过程(logic reasoning),也就是前提推演(derive,deduce)出一个定理(theorem)的过程(process,procedure).公理(Axiom)是不需要证明的立论、陈述(statement),例如:过一点可画无数条直线;过两点只可画一条直线。
定理(theorem)是理论(theory)的核心,在科学上,定律(Law)是不可以证明的,是无法证明的。
从定律出发,得出一系列的定理,通常我们又将定理称为公式(formula),它们是物理量跟物理量(physical quantity)之间的关系,是一种恒等式关系(identity),不同于普通的方程(equation),普通的方程是有条件的成立(conditional equation),如x+2=5,只有x=3才能满足。
如电磁学上的高斯定理指的是电荷分布与电场强度分布的关系。
数学上的Law指的是运算规则,如分配律、结合律、交换律、传递律等等,theorem指的也是量与量(variable)之间的关系,如勾股定理、相交弦定理等等。
常用数学输入符号:≈ ≡ ≠ =≤≥ <>≮≯∷ ±+-× ÷/∫ ∮∝∞ ∧∨∑ ∏ ∪∩ ∈∵∴//⊥‖ ∠⌒≌∽√()【】{}ⅠⅡ⊕⊙∥αβγδεζηθΔ⇔|αβγδεζηθικλμνξοπρστυφχψωΑΒΓΔΕΖΗΘΙΚ∧ΜΝΞΟ∏Ρ∑ΤΥΦΧΨΩабвгдеёжзийклмнопрстуфхцчшщъыьэюяАБВГДЕЁЖЗИЙКЛМНОПРСТУФХЦЧШЩЪЫЬЭЮЯ的和可以表示成:公式输入符号≈≡≠=≤≥<>≮≯∷±+-×÷/∫∮∝∞∧∨∑∏∪∩∈∵∴//⊥‖∠⌒⊙≌∽√引理→Lemma是辅助定理(auxiliary theorem),是为了叙述主要的定理而事先叙述的基本概念(concept)、基本原理(principle)、基本规则(rule)、基本特性(property).推理→Deduce,Deduction是证明的过程(proving),逻辑推理的过程(logic reasoning),也就是前提推演(derive,deduce)出一个定理(theorem)的过程(process,procedure).公理(Axiom)是不需要证明的立论、陈述(statement),例如:过一点可画无数条直线;过两点只可画一条直线。
定理(theorem)是理论(theory)的核心,在科学上,定律(Law)是不可以证明的,是无法证明的。
从定律出发,得出一系列的定理,通常我们又将定理称为公式(formula),它们是物理量跟物理量(physical quantity)之间的关系,是一种恒等式关系(identity),不同于普通的方程(equation),普通的方程是有条件的成立(conditional equation),如x+2=5,只有x=3才能满足。
如电磁学上的高斯定理指的是电荷分布与电场强度分布的关系。
数学上的Law指的是运算规则,如分配律、结合律、交换律、传递律等等,theorem指的也是量与量(variable)之间的关系,如勾股定理、相交弦定理等等。
在word输入A^2会直接变为我们想要的数学格式“A的平方”;还有“/”,会直接转换成分式……这些都只要输完以后敲一下空格键便可以完成转换。
但我一直没有找到上标和下标的快捷方式。
更新:已知转义符号列表!上标:^下标:_分数:/要点:代码要区分大小写。
要获得键入...\aleph\alpha\Alpha\amalg\approx\asmash\asymp\atop\bar\begin\below\bet\beta\Beta\box\bra\breve\bullet\cap\cbrt\cdot\cdots\check\chi\Chi\circ\close\clubsuit\coint\cong\cup\dalet\dashv\dd\Dd\ddddot\dddot\ddot\ddots\degree\delta\Delta\diamond\diamondsuit\div\dot\doteq\dots\downarrow\Downarrow\ee\ell\emptyset\end\epsilon\Epsilon\eqarray\equiv\eta\Eta\exists\forall\funcapply\gamma\Gamma\ge\geq\gets\gg\gimel\hat\hbar\heartsuit\hookleftarrow\hookrightarrow\hphantom\hvec\ii\iiint\iint\Im\in\inc\infty\int\iota\jj\kappa\Kappa\ket\lambda\Lambda\langle\lbrace\lbrack\lceil\ldivide\ldots\le\leftarrow\Leftarrow\leftharpoondown \leftharpoonup \leftrightarrow \Leftrightarrow \leq\lfloor\ll\mapsto\matrix\mid\models\mp\mu\Mu\nabla\naryand\ne\nearrow\neq\ni\norm\Nu\nwarrow\o\O\odot\oiiint\oiint\oint\omega\Omega\ominus\open\oplus\otimes\over\overbar\overbrace \overparen\parallel\partial\phantom\phi\Phi\pi\Pi\pm\pppprime \ppprime \pprime\prec\preceq\prime\prod\propto\psi\Psi\quadratic\rangle\ratio\rbrace\rbrack\rceil\rddots\Re\rect\rfloor\rho\Rho\rightarrow\Rightarrow\rightharpoondown\rightharpoonup\sdivide\searrow\setminus\sigma\Sigma\sim\simeq\slashedfrac\smash\spadesuit\sqcap\sqcup\sqrt\sqsubseteq\sqsuperseteq\star\subset\subseteq\succ\succeq\superset\superseteq\swarrow\tau\Tau\theta\Theta\times\to\top\tvec\ubar\Ubar\underbar\underbrace\underparen\uparrow\Uparrow\updownarrow\Updownarrow\uplus\upsilon\Upsilon\varepsilon\varphi\varpi\varrho\varsigma\vartheta\vbar\vdash\vdots\vec\vee\vert\Vert\vphantom\wp\xi\zeta\Zeta(space with zero\zwsp width)-++-<-<=->>=。
从网页中复制出来的文字,往往段落之间是两个回车键,在Word中空着一大行,一个一个删除很是麻烦,Ctrl+H打开替换,在查找一栏输入^p^p,替换为驶入^p,全部替换,搞定。
强制换行怎么办,在Word里面显示淡色的↓的那个玩意?用^l就可以了。
下面是部分标记:
当然,平时这样使用Word也就足够了,但是,Word是微软最主要的Office软件中使用频率最高的一个组件,再加上80/20定律,所以,Word还有技巧。
好吧,下面来个完整版的。
Word查找与替换之ASCII字符集代码
说明:在Word中怎么用ASCII码来替换我也不知道,这个权当一个对照表格吧。
Word查找栏代码之通配符一览表
注:1.要查找已被定义为通配符的字符,该字符前键入反斜杠 \ 。
查找?、*、(、)、[ 、] 等的代码分别是\?、\*、\(、\)、\[、\] 。
2.不要问我“龥”和“﨩”是什么汉字,我也不知道。
但是在开启通配符模式下,该替换经过Delbert 在MS Word 2003下测试可用。
Word查找栏代码之通配符示例
Word替换栏代码之通配符一览表
注:通配符是只在查找和替换选项中的高级选项中是否勾选。
最常用的有^p、^l、^t这几个。
^p和^13可以相互替换的,在VBA里面返回值都是13,但是据说^p不能替换从PDF中复制出来的行末的换行,而^13可以。
有了这些,随心所欲的查找替换吧。
Word宏代码集锦Word宏代码集锦一、修改word格式:1、'智能清除选区软回车(换行符)2、'清除选区多余空段3、'合并选区中“,”结束的多余分段4、'清除选区单字节空格5、'清除选区单字节空格6、'清除选区1字空格7、'清除选区段首2字空格8、'清除选区Tab9、'增加选区空格10、'选区段首缩进0字11、'选区段首缩进:2字12、'选区段首缩进转空格—已完美13、'选区段后间距1行14、'选区段后间距1行15、'选区段后间距1行16、'清除选区图片17、'选区硬回车转软回车18、'清除选区软回车19'合并选区段落20、'选区空格转硬回车21、'选区标点半角转全角22、'选区标点全角转半角23、'选区中文句号转半角24、’把文档第一段设置为标题1的格式25、选中的文本横向居中26、缩小字距27、增大字距28、缩小行距29、增大行距30、等高变宽31、等高变窄32、字表间距33、纵向16开34、插入页码35、小写金额转大写金额二、其它1.调整图片大小2.转字体3.转文件格式4、文件加密5、字符替换6、替换引号7、打印为PDF格式文件8、朗读文本9.文献标号上标化10.箭头上方加文字11添加参考文献格式一,参考文献在文档末尾以1. 2. 3.格式排列12.添加参考文献格式二,参考文献在文档末尾以[1] [2] [3]格式排列,修改自格式一的代码13.返回正文14.再次引用已有参考文献15.查找被删参考文献遗留引用,16、统计修订的字数17、快速提取脚注内容18、从任意页面编排页码19、批量实现缩放打印20、对文档内容进行顺序排列21、替换Word文档插图的超链接22、为文档的每页添加固定内容23、批量实现图片的等比例缩Sub 智能清除选区软回车()With Selection.Find.Text = "?^l".Replacement.Text = "^&^p".Forward = True.Wrap = wdFindContinue.Format = False.MatchCase = False.MatchWholeWord = False.MatchByte = False.MatchAllWordForms = False.MatchSoundsLike = False.MatchWildcards = TrueEnd WithSelection.Find.Execute Replace:=wdReplaceAllWith Selection.Find.Text = "^1^l".Replacement.Text = "^&^p"End WithSelection.Find.Execute Replace:=wdReplaceAllWith Selection.Find.Text = "^l".Replacement.Text = ""End WithSelection.Find.Execute Replace:=wdReplaceAll End Sub2、' 清除选区多余空段Sub 清除选区多余空段()With Selection.Find.Text = "^p^p".Replacement.Text = "^p".MatchWildcards = FalseEnd WithSelection.Find.Execute Replace:=wdReplaceAll With Selection.Find.Replacement.Text = "^p".MatchWildcards = FalseEnd WithSelection.Find.Execute Replace:=wdReplaceAllWith Selection.Find.Text = "^p^p^p".Replacement.Text = "^p".MatchWildcards = FalseEnd WithSelection.Find.Execute Replace:=wdReplaceAllWith Selection.Find.Text = "^p^p".Replacement.Text = "^p".MatchWildcards = FalseEnd WithSelection.Find.Execute Replace:=wdReplaceAll With Selection.Find.Replacement.Text = "^p".MatchWildcards = FalseEnd WithSelection.Find.Execute Replace:=wdReplaceAllWith Selection.Find.Text = "^p^p^p".Replacement.Text = "^p".MatchWildcards = FalseEnd WithSelection.Find.Execute Replace:=wdReplaceAllWith Selection.Find.Text = "^p ".Replacement.Text = "^p".MatchWildcards = FalseEnd WithSelection.Find.Execute Replace:=wdReplaceAll With Selection.Find.Replacement.Text = "^p".MatchWildcards = FalseEnd WithSelection.Find.Execute Replace:=wdReplaceAllWith Selection.Find.Text = "^p^p".Replacement.Text = "^p".MatchWildcards = FalseEnd WithSelection.Find.Execute Replace:=wdReplaceAll End Sub3、' 合并选区中“,”结束的多余分段Sub 合并选区多余分段()With Selection.Find.Text = ",^p".Replacement.Text = ",".MatchWildcards = FalseSelection.Find.Execute Replace:=wdReplaceAllWith Selection.Find.Text = "、^p".Replacement.Text = "、".MatchWildcards = FalseEnd WithSelection.Find.Execute Replace:=wdReplaceAll End Sub4、' 清除选区单字节空格Sub 清除选区单字节空格()With Selection.Find.Text = " ".Replacement.Text = "".MatchWildcards = FalseSelection.Find.Execute Replace:=wdReplaceAllEnd Sub5、' 清除选区单字节空格Sub 清除选区2单字节空格()With Selection.Find.Text = " ".Replacement.Text = "".MatchWildcards = FalseEnd WithSelection.Find.Execute Replace:=wdReplaceAll End Sub6、' 清除选区1字空格Sub 清除选区1字空格()With Selection.Find.Text = "".Replacement.Text = "".MatchWildcards = FalseEnd WithSelection.Find.Execute Replace:=wdReplaceAll End Sub7、' 清除选区段首2字空格Sub 清除选区段首2字空格()With Selection.Find.Text = "".Replacement.Text = "".MatchWildcards = FalseEnd WithSelection.Find.Execute Replace:=wdReplaceAll End Sub8、' 清除选区TabSub 清除选区Tab()With Selection.Find.Text = vbTab.Replacement.Text = "".MatchWildcards = FalseEnd WithSelection.Find.Execute Replace:=wdReplaceAll End Sub9、' 增加选区空格Sub 增加选区空格()With Selection.Find.Text = "".Replacement.Text = "".MatchWildcards = FalseEnd WithSelection.Find.Execute Replace:=wdReplaceAll End Sub10、' 选区段首缩进0字Sub 选区段首无缩进()With Selection.Find.Text = "".Replacement.Text = "".MatchWildcards = FalseEnd WithSelection.Find.Execute Replace:=wdReplaceAllWith Selection.ParagraphFormat.LeftIndent = CentimetersToPoints(0) '左缩进0字符.RightIndent = CentimetersToPoints(0) '右缩进0字符.FirstLineIndent = CentimetersToPoints(0) '首行缩进点0公分 .CharacterUnitLeftIndent = 0 '左缩进单位0字符.CharacterUnitRightIndent = 0 '右缩进单位0字符.CharacterUnitFirstLineIndent = 0End WithWith Selection.ParagraphFormat.LeftIndent = CentimetersToPoints(0) '左缩进1字符.RightIndent = CentimetersToPoints(0) '右缩进2字符.FirstLineIndent = CentimetersToPoints(0) '首行缩进点0.35公分 .CharacterUnitLeftIndent = 0 '左缩进单位0字符.CharacterUnitRightIndent = 0 '右缩进单位0字符.CharacterUnitFirstLineIndent = 0End WithEnd Sub11、' 选区段首缩进:2字Sub 选区段首缩进2字()With Selection.ParagraphFormat.LeftIndent = CentimetersToPoints(0) '左缩进1字符.RightIndent = CentimetersToPoints(0) '右缩进2字符.FirstLineIndent = CentimetersToPoints(0.35) '首行缩进点单位公分 .CharacterUnitLeftIndent = 0 '左缩进单位0字符.CharacterUnitRightIndent = 0 '右缩进单位0字符.CharacterUnitFirstLineIndent = 2End WithEnd Sub12、' 选区段首缩进转空格—已完美Sub 选区段首缩进转空格()Selection.InsertParagraphBeforeCall 选区段首无缩进With Selection.Find.Text = "^p".Replacement.Text = "^p".MatchWildcards = FalseEnd WithSelection.Find.Execute Replace:=wdReplaceAll Selection.DeleteWith Selection.Find.Text = "^p".Replacement.Text = "".MatchWildcards = FalseEnd WithSelection.Find.Execute Replace:=wdReplaceAllEnd Sub13、' 选区段后间距1行Sub 选区段后间距1行()Selection.ParagraphFormat.FirstLineIndent = CentimetersToPoints(0) Selection.ParagraphFormat.LineUnitAfter = 1End Sub14、' 选区段后间距1行Sub 选区段前段后间距半行()Selection.ParagraphFormat.FirstLineIndent = CentimetersToPoints(0) Selection.ParagraphFormat.LineUnitBefore = 0.5Selection.ParagraphFormat.LineUnitAfter = 0.5End Sub15、' 选区段后间距1行Sub 选区段前段后无间距()Selection.ParagraphFormat.FirstLineIndent = CentimetersToPoints(0) Selection.ParagraphFormat.LineUnitBefore = 0Selection.ParagraphFormat.LineUnitAfter = 0End Sub16、' 清除选区图片Sub 清除选区图片()With Selection.Find.Text = "^1".Replacement.Text = "".MatchWildcards = TrueEnd WithSelection.Find.Execute Replace:=wdReplaceAll End Sub17、' 选区硬回车转软回车Sub 选区硬回车转软回车()With Selection.Find.Text = "^p".Replacement.Text = "^l".MatchWildcards = FalseEnd WithSelection.Find.Execute Replace:=wdReplaceAll End Sub18、' 清除选区软回车Sub 清除选区软回车()' With Selection.Find.Text = "^l".Replacement.Text = "".MatchWildcards = TrueEnd WithSelection.Find.Execute Replace:=wdReplaceAll End Sub19'合并选区段落Sub 合并选区段落()With Selection.Find.Text = "".Replacement.Text = "".MatchWildcards = FalseEnd WithSelection.Find.Execute Replace:=wdReplaceAllWith Selection.Find.Text = "^p".Replacement.Text = "^l".MatchWildcards = FalseEnd WithSelection.Find.Execute Replace:=wdReplaceAllWith Selection.Find.Text = "^l".Replacement.Text = "".MatchWildcards = TrueEnd WithSelection.Find.Execute Replace:=wdReplaceAll Selection.Paragraphs.Add '添加段落符号End Sub20、' 选区空格转硬回车Sub 选区空格转硬回车()With Selection.Find.Text = "".Replacement.Text = "^p".MatchWildcards = FalseEnd WithSelection.Find.Execute Replace:=wdReplaceAll End Sub21、' 选区标点半角转全角Sub 选区标点半角转全角()With Selection.Find.Text = ",".Replacement.Text = ",".MatchWildcards = FalseEnd WithSelection.Find.Execute Replace:=wdReplaceAllWith Selection.Find.Text = ";".Replacement.Text = ";".MatchWildcards = FalseEnd WithSelection.Find.Execute Replace:=wdReplaceAllWith Selection.Find.Text = ":".Replacement.Text = ":".MatchWildcards = FalseEnd WithSelection.Find.Execute Replace:=wdReplaceAllWith Selection.Find.Text = "?".Replacement.Text = "?".MatchWildcards = FalseEnd WithSelection.Find.Execute Replace:=wdReplaceAllWith Selection.Find.Text = "!".Replacement.Text = "!".MatchWildcards = FalseEnd WithSelection.Find.Execute Replace:=wdReplaceAllWith Selection.Find.Text = "......".Replacement.Text = "……".MatchWildcards = FalseEnd WithSelection.Find.Execute Replace:=wdReplaceAllWith Selection.Find.Text = ".".Replacement.Text = "。
E°度角度的表示符号(字母E是为了衬托角度符号的正确位置)
输入办法:Alt+0176
÷除除法运算符号
输入办法:Alt+0247
×乘乘法运算符号
输入办法:Alt+0215
±加减号表示加或减
输入办法:Alt+177
¼四分之一分数符号
输入办法:Alt+0188
½二分之一分数符号
输入办法:Alt+0189
¾四分之三分数符号
输入办法:Alt+0190
% 百分号
输入办法:Shift+5
‰千分号
输入办法:Alt+0137
粗圆点用于引起读者对段落的注意
输入办法:Alt+0149
·中圆点用于分开两个项目
输入办法:Alt+0183
————————
标点符号
…省略号表示省略一个或一串的标记输入办法:Alt+0133。
word里的各种符号的字母代码比如在查找和替换时在对话框中输入^p就表示查找回车符,输入^l就是那种从网页上拷贝文章时带的那种向下的小箭头,求一个完全的代码,方便长文章的查找与替换,比如空格的是什么这些,谢谢~最佳答案不用通配符时:段落标记(↵)^p制表符(→) ^t任意单个字符(只用于查找框) ^?任意数字(单个)(只用于查找框) ^#任意英文字母(只用于查找框) ^$脱字号^^§分节符^%¶段落符号^v分栏符^n…省略号^i全角省略号^j—长划线^+长划线^q–短划线^=无宽可选分隔符^x无宽非分隔符^z尾注标记(只用于查找框) ^e域(只用于查找框) ^d脚注标记(只用于查找框) ^f或^2图形(只用于查找框) ^g或^1↓手动换行符^l手动分页符^m不间断xx字符^~不间断空格^s可选连字符^-分节符(只用于查找框) ^b白色空格(即空白区域,可以是常规空格、不间断空格以及制表符的任意组合)^w批注(只用于查找框) ^a或^5全角空格(Unicode)^u8195半角空格(ASCII)^32半角空格(Unicode)^u8194ASCII字符(范围1~128)^nnnANSI字符(范围1~255)^0nnnUnicode字符^Unn反斜杠\ \问号? ?→↓星号* *左括号( (右括号) )左中括号[ [右中括号] ]感叹号! !电邮符号@ @减号- -逗号, ,查找框中的内容(仅用于替换框)剪贴板中的内容(仅用于替换框)用通配符时:段落标记^13制表符^t任意单个字符?任意数字(单个)[0-9]任意英文字母[a-zA-Z]脱字号^^§分节符^%¶段落符号^v分栏符^n或^14省略号^i全角省略号^j长划线^+长划线^q短划线^=无宽可选分隔符^x 无宽非分隔符^z尾注标记(不支持)域(不支持)脚注标记(不支持)图形^g手动换行符^l或^11 分页符/分节符^m 不间断xx字符^~不间断空格^s可选连字符^-分节符/分页符^m 反斜杠\ \\问号? \?^&^c星号* \*左括号( \(右括号) \)左中括号[ \[右中括号] \]感叹号! \!电邮符号@ \@减号- \-逗号, \,查找的内容^&剪贴板内容^c所有小写英文字母[a-z]所有大写英文字母[A-Z]所有西文字符[^1-^127]所有中文汉字和中文标点[!^1-^127]所有中文汉字(CJK统一字符)[一-龥]或[一-﨩] 所有中文标点[!一-龥^1-^127]所有非数字字符[!0-9]不用通配符时:用通配符时:段落标记(↵)^p段落标记^13制表符(→) ^t制表符^t任意单个字符(只用于查找框) ^?任意单个字符?任意数字(单个)(只用于查找框) ^#任意数字(单个)[0-9] 任意英文字母(只用于查找框) ^$任意英文字母[a-zA-Z]脱字号^^脱字号^^§分节符^%§分节符^%¶段落符号^v¶段落符号^v分栏符^n分栏符^n或^14…省略号^i省略号^i全角省略号^j全角省略号^j—xx划线^+xx划线^+xx划线^qxx划线^q–短划线^=短划线^=无宽可选分隔符^x无宽可选分隔符^x无宽非分隔符^z无宽非分隔符^z尾注标记(只用于查找框) ^e尾注标记(不支持)域(只用于查找框) ^d域(不支持)脚注标记(只用于查找框) ^f或^2脚注标记(不支持)图形(只用于查找框) ^g或^1图形^g↓手动换行符^l手动换行符^l或^11手动分页符^m分页符/分节符^m不间断xx字符^~不间断xx字符^~不间断空格^s可选连字符^-分节符(只用于查找框) ^b白色空格(即空白区域,可以是常规空格、不间断空格以及制表符的任意组合)^w批注(只用于查找框) ^a或^5全角空格(Unicode)^u8195半角空格(ASCII)^32半角空格(Unicode)^u8194ASCII字符(范围1~128)^nnnANSI字符(范围1~255)^0nnn Unicode字符^Unn反斜杠\ \问号? ?→↓星号* *左括号( (右括号) )左中括号[ [右中括号] ]感叹号! !电邮符号@ @减号- -逗号, ,查找框中的内容(仅用于替换框)^&剪贴板中的内容(仅用于替换框)^c不间断空格^s 可选连字符^-分节符/分页符^m反斜杠\ \\问号? \?星号* \*左括号( \(右括号) \)左中括号[ \[右中括号] \]感叹号! \!电邮符号@ \@减号- \-逗号, \,查找的内容^&剪贴板内容^c所有小写英文字母[a-z]所有大写英文字母[A-Z]所有西文字符[^1-^127]所有中文汉字和中文标点[!^1-^127]所有中文汉字(CJK统一字符)[一-龥]或[一-﨩]所有中文标点[!一-龥^1-^127]所有非数字字符[!0-9]。
Word常用符号快捷键使用方法Unicode字符集使用方法输入方法:先输入字符代码(Unicode),然后按下Alt+X键。
也可以采用symbol域代码来调用。
{symbol 0x字符代码\f“字体名称”\u },symbol是字符开关,0x后面紧跟相应的字符代码,\u表示采用unicode字符集。
⊗符号可以{ symbol 0x2297\u\f"Times New Roman"}或者{symbol 0x2297\u}。
使用Arial Unicode MS字体,积分符号比较好看。
常用希腊字母字符代码字符代码字符代码字符代码字符代码字符代码α03b1 β03b2 γ03b3 δ03b4 ε03b5 δ03b6ε03b7 ζ03b8 λ03bb μ03bc ν03bd ξ033beπ03c0 ρ03c1 ζ03c3 η03c4 ϕ03D5 θ03c6χ03c7 ψ03c8 ω03c9常用数学运算符字符代码字符代码字符代码字符代码字符代码字符代码+ 002b −2212 ±00b1 ∓2213 ×00d7 ÷00f7∙2219 ⊕2295 ⊖2296 ⊗2297 ′2032 ″2033‴2034 ∂2202 ∆2206 ∇2207 ∑2211 ∏220f∞221e ≈2248 ≠2260 ≡2261 ≤2264 ≥2265~ 007e ∪222a ∩2229 ∵2235 ∴2234 ≤2264≥2265 ∝221D ∈2208 ∅2205 ∉2209 ∫222b∬222c ∭222d ∮222e ∯222f ∰2230 ∲2232∳2233 ∶2236 ∼223c ∥2225 ⊥22a5 〈3008〉3009 ã: ̃0303 Ů016e箭头字符代码字符代码字符代码字符代码字符代码字符代码←2190 ↑2191 →2192 ↓2193 ↔2194 ↕2195↖21a8 ↖2196 ↗2197 ↘2198 ↙2199 ↺21ba↻21bb ⇒21d2 ⇔21d4常用单位字符代码字符代码字符代码字符代码字符代码字符代码°00b0 Å 00c5℃2103 ℉2109 ħ0127罗马字符字符代码字符代码字符代码字符代码字符代码字符代码Ⅰ2160 Ⅱ2161 Ⅲ2162 Ⅳ2163 Ⅴ2164 Ⅵ2165Ⅶ2166 Ⅷ2167 Ⅸ2168 Ⅹ2169 Ⅺ216a Ⅻ216b其他常用符号ʹ02b9 ʹ02ba §00a7 †2020 ‡2021 (2026)◯25ef ☯262f ☰2630 ☱2631 ☲2632 ☳2633☴2634 ☵2635 ☷2637 《300a 》300b 〇3007 Symbol字符集使用Ctrl+F9打开域代码编辑:例如想输入symbol里面的⊗符号,该符号的十进制码是196,十六进制码为00c4(使用的时候,要在前面加0x),{symbol 196\f”symbol”}或{ symbol 0x00c4\f"symbol" }或{ symbol 0xc4\f"symbol" }在数学域中嵌套使用:先产生好相应的字符,然后再复制到eq域中。
MS Mincho㍙㍚㍛㍜㍝㍞㍟㍠㍡㍢㍣㍤㍥㍦㍧㍨㍩㍪㍫㍬㍭㍮㍯㍰㍱㍲㍳㍴㍵㍶㎀㎁㎂㎄㎅㎆㎇㎈㎉㎊㎋㎌㎍㎎㎏㎐㎑㎒㎓㎔㎕㎖㎗㎘㎙㎚㎛㎜㎝㎞㎟㎠㎡㎢㎣㎤㎥㎦㎧㎨㎩㎪㎫㎬㎭㎮㎯㎰㎱㎲㎳㎴㎵㎶㎷㎸㎹㎺㎻㎼㎽㎾㎿㏀㏁㏂㏃㏄㏅㏆㏇㏈㏉㏊㏋㏌㏍㏎㏏㏐㏑㏒㏓㏔㏕㏖㏗㏘㏙㏚㏛㏜㏝㏞㏟㏠㏡㏢㏣㏤㏥㏦㏧㏪㏫㏬㏭㏮㏯㏰㏱㏲㏳㏴㏵㏶㏷㏸㏹㏺㏻㏼㏽㏾㍘∀∃≅∃⊃⊇⊄⊂⊆∈∉∧∨⇔⇐⇑⇒⇓™⎨⎬⅓⅔⅕⅖⅗⅘⅙⅚⅛⅜⅝⅞➊➋➌➍➎➏➐➑➒➓OpenSymbolMT Extra Tiger12345678P∑{|}~MS Reference SpecialtyMS OutlookLucida Sans Unicode₀₁₂₃₄₅₆₇₈₉₊₋₌⁰⁴⁵⁶⁷⁸⁹⁺⁻⁼Lucida Sans(箭头)➹➸➷➶➵➴➳➲➥➦➨➧Lucida Bright↰↱↲↳↴↵↶↷↹↺↻⇍⇎⇏⠁⠁⠁⠁⠁⠁⠁⠁⠁⠁⠁⠁⠁⠁⠁⌨DejaVu Sans Mono⍁⍂⍃⍄⍇⍈⍉⍋⍌⍍⍐⍒⍓⍔⍗◰◰◰◰◰◰◰◰◰◰◰◰◰ℓ№℃㏅㏆㏇㏈㏉㎶㎷㏂㏃㏄㎲㎳㎴㏐㏑㏒㏓㏔㎕㎖㎗㎘㎧㎨㎩㎪㎫㎬㎭㎮㎯㎰㎣㎤㎥㎦㎹㎺㎩㎪㎫㎬㏇㎻㎼㎽㎾㎿㏀㏁㏂㏃㏄㏊㏋㏌㏍㏎㏏㏀㏁㏂㏃㏄㏆㏆㏇㎸㏉㎱㎵㏐㏓㏅㏘㏛㏜㎭DejaVu SerifEuclid Math Two MathtoolOpenSymbol∃∀¬¬¬❨❨❨❨❨❨❨❨❨❨❨❨❨❨⌝¬¬p⊾ 678➊➋➌➍➎➏➐➑➒➓➔➕➚➲➸₀₁₂₃₄₅₆₇₈₉⁰⁴⁵⁶⁷⁸⁹⁺⁻⁼89:;<=➊➋➌➍➎➏➐➑➒➓➔➽↑→↓∞ƒ♣♦♥♠≠÷↵∨⎠∀∃⊥◊〈〉©™©⎣⎢⎭⎩⇒⇓⇐㏅㏆㏇㏈㏉㎶㎷㏂㏃㏄㎲㎳㎴㏐㏑㏒㏓㏔㎕㎖㎗㎘㎧㎨㎩㎪㎫㎬㎭㎮㎯㎰㎣㎤㎥㎦㎹㎺㏋㏌㏍㏎㏇㏈㏉㎻㎼㎽㎾㎿㏀㏁㏂㏃㏄㏊㏋㏌㏍㏎㏏㏀㏁㏂㏒㏄㏆㏕㏇㎸㏓㎱㎵㏐㏑㏅㏘㏊㏔㏏㏒㏒㏑㎐㎡㎞㎝㎜㎏㎎AB →,⎩⎨⎧aaa bbb,C 312 a →=(x1,y1),b →=(x2,y2), a →b →=|a →||b →|cos<a →,b →> , a →⊥b →⇔a →b →=0⇔x1x2+y1y2=0⁰²³⁴⁵⁶⁷⁸⁹⁺⁻⁼⁽⁾ⁿ⁽⁾,₀₁₂₃₄₅₆₇₈₉₊₋₌₍₎◇▱⋢⋣⋤⋥⊙⊂⊃⊄⊅⊆⊇⊈⊉⊊⊋⊐⊑⊒⊓⊔≌≟≠≤≥∥∦⇫⇬∂⇭⇮⇯∆⇰⇱⇲⇳⇴⇵⇶∓∞⊥∟∠∡ ⇍⇎⇏⇐⇑⇒⇓⇔⇕⇖⇗⇘⇙⇚⇛⇜⇝⇞⇠⇡⇢⇣⇤⇥⇦⇧⇨⇩⇪⇄⇅⇆⇇⇈⇉⇊⇋⇌′‵•‣ˣˢ˂˃˄˅ˆˇˆˉˇˈ²³´·¹ºª¬b a ,34,1231abc ,1231abc ,11111111122233333333,⎝ ⎛⎭⎪⎪⎪⎫1112333,⎩⎪⎨⎪⎧1112333,⎭⎪⎬⎪⎫1112333,⎪⎪⎪⎪⎪⎪⎪⎪⎪⎪1112333, ⎠⎜⎛ab 3x +1 dx ,⎠⎜⎜⎛a b 3x+1 dx ,∑i=1n xi ,∏i=1n xi ,∑i,j=1n,m xij ,ABC ︵,AB →,C 1022,12345,A∪B,A∪B,A∪B,A∪B,A∪Bctrl+shift+F9——取消全部链接EQ域包括十个特殊指令(域开关),分别是数组\A、括号\B、平移\D、分式\F、积分\I、列表\L、重叠\O、根号\R、上下标\S、框\X,每个开关又有若干个选项,用以精确调节格式。
不用通配符时:
段落标记(↵)^p
制表符(→) ^t
任意单个字符(只用于查找框) ^?
任意数字(单个)(只用于查找框) ^#
任意英文字母(只用于查找框) ^$
脱字号^^
§分节符^%
¶段落符号^v
分栏符^n
省略号^i
全角省略号^j
长划线^+
1/4长划线^q
短划线^=
无宽可选分隔符^x
无宽非分隔符^z
尾注标记(只用于查找框) ^e
域(只用于查找框) ^d
脚注标记(只用于查找框) ^f 或^2
图形(只用于查找框) ^g 或^1
手动换行符^l
手动分页符^m
不间断连字符^~
不间断空格^s
可选连字符^-
分节符(只用于查找框) ^b
白色空格(即空白区域,可以是常规空格、不间断空格以及制表符的任意组合)^w
批注(只用于查找框) ^a 或^5
全角空格(Unicode)^u8195
半角空格(ASCII)^32
半角空格(Unicode)^u8194
ASCII 字符(范围1~128)^nnn
ANSI 字符(范围1~255)^0nnn
Unicode 字符^Unnnn
反斜杠\ \
问号? ?
星号* *
左括号( (
右括号) )
右中括号] ]
感叹号! !
电邮符号@ @
减号- -
逗号, ,
查找框中的内容(仅用于替换框)^& 剪贴板中的内容(仅用于替换框)^c
用通配符时:
段落标记^13
制表符^t
任意单个字符?
任意数字(单个)[0-9]
任意英文字母[a-zA-Z]
脱字号^^
§分节符^%
¶段落符号^v
分栏符^n 或^14
省略号^i
全角省略号^j
长划线^+
1/4长划线^q
短划线^=
无宽可选分隔符^x
无宽非分隔符^z
尾注标记(不支持)
域(不支持)
脚注标记(不支持)
图形^g
手动换行符^l 或^11
分页符/分节符^m
不间断连字符^~
不间断空格^s
可选连字符^-
分节符/分页符^m
反斜杠\ \\
问号? \?
星号* \*
左括号( \(
右括号) \)
右中括号] \]
感叹号! \!
电邮符号@ \@
减号- \-
逗号, \,
查找的内容^&
剪贴板内容^c
所有小写英文字母[a-z]
所有大写英文字母[A-Z]
所有西文字符[^1-^127]
所有中文汉字和中文标点[!^1-^127]
所有中文汉字(CJK统一字符)[一-龥] 或[一-﨩] 所有中文标点[!一-龥^1-^127]
所有非数字字符 [!0-9]。