变频器驱动电路详解-7页精选文档
- 格式:doc
- 大小:20.00 KB
- 文档页数:7
变频器驱动电路的结构15KW以下的驱动电路,则由PC923和PC929经栅极电阻直接驱动IGBT,中、大功率变频器,则由后置放大器将驱动冗输出的驱动脉冲进行功率放大后,再输入了的C、E极。
驱动电路的电源电路,是故障检测的一个重要环节要求,而且要求其具有足够的电流(功率)输出能力一不但要求其输出电压范围满足正常-带负载能力。
每一相的上、下化IGBT驱动电路,因IGBT的触发回路不存在共电位点,驱动电路也需要相互隔离的供电电源。
由开关电源电路中的开关变压器绕组输出的交流电压,经整流滤波成直流电压后,又由R68、 VS1(10V稳压二极管)简单稳压电路处理成正和负两路电源,供给驱动电路。
电源的0V(零电位点)线接人了PC2的2、3极,驱动化的供电脚则接人了 28V的电源电压。
光耦合器的输入、输人侧应有独立的供电电源,以形成输入电流和输出电流的通路。
PC2的2、 3脚输入电流由+5V*提供。
此处,供电标记为十5V*,是为了和开关电源电路输出的+V5相区分。
+5V*供电电路如图4-10所示。
该电路可看作一简单的动态恒流源电路,R179为稳压二极管的限流电阻,稳压二极管的击穿电压值为 3.5V左右。
基极电流回路中稳压电路的接入,使流过发射结的Ib 维持一恒定值,进而使动态Ic也近似为恒定值。
忽略VT8的导通压降,电路的静态输出电压为+5V,但动态输出电压值取决于所接负载电路的“动态电阻值”,而动态输出电流总是接近于恒定的,这就使得驱动电路内部发光二极管能维持一个较为恒定的光通量,从而使传输脉冲信号的“陡峭度”比较理想,使传输特性大为改善。
变频器驱动电路的原理由CPU主板来的脉冲信号,经R66加到PC2的3脚,在输人信号低电平期间,PC2形成由+5V*、 PC2的2、 3脚内部发光二极管、信号源电路到地的输入电流通路,〔2内部输出电路的晶体管VU导通,PC2的6脚输出高电平信号18V峰值),经R65为驱动后置放大电路的VT10提供正向偏流,VT10的导通将正供电电压经栅极电阻引人到IGBT的G极,IGBT开通;在输人信号的高电平期间,PC2的3脚也为+5V高电平,因而无输人电流通路,PC2内部输出电路的晶体管VT2导通,6脚转为负压输出(10V峰值),经R65为驱动后置放大电路的VT11提供了正向偏流,VT11的导通将供电的负电压——IGBT的截止电压经栅极电阻R91引人到IGBT的G极,IGBT关断。
引言近十多年来,随着电力电子技术、微电子技术及现代控制理论向交流电气传动领域的渗透,变频交流调速已逐渐取代了过去的滑差调速、变极调速、直流调速等调速系统。
几乎可以说,有交流电动机的地方就有变频器的使用。
其最主要的特点是具有高效率的驱动性能及良好的控制特性。
现在通用型的变频器一般包括以下几个部分:整流桥、逆变桥、中间直流电路、预充电电路、控制电路、驱动电路等。
一台变频器的好坏,驱动电路起着至关重要的作用,现就来谈谈驱动电路常见的问题以及解决的办法。
驱动电路只是一个统称,随着技术的不断发展,驱动电路本身也经历了从插脚式元的驱动电路到光耦驱动电路,再到厚膜驱动电路,以及比较新的集成驱动电路,现在前面提到的后三种驱动电路在维修中还是经常能遇到的。
2 几种驱动电路的维修方法(1) 驱动电路损坏的原因及检查造成驱动损坏的原因有各种各样的,一般来说出现的问题也无非是U、V、W三相无输出,或者输出不平衡,再或者输出平衡但是在低频的时候抖动,还有启动报警等等。
当一台变频器大电容后的快熔开路,或者是IGBT逆变模块损坏的情况下,驱动电路基本都不可能完好无损,切不可换上好的快熔或者IGBT逆变模块,这样很容易造成刚换上的好的器件再次损坏。
这个时候应该着重检查下驱动电路上是否有打火的印记,这里可以先将IGBT逆变模块的驱动脚连线拔掉,用万用表电阻挡测量六路驱动电路是否阻值都相同(但是极个别的变频器驱动电路不是六路阻值都相同的:如三菱、富士等变频器),如果六路阻值都基本相同还不能完全证明驱动电路是完好的,接着需要使用电子示波器测量六路驱动电路上电压是否相同,当给定一个启动信号时六路驱动电路的波形是否一致;如果手里没有电子示波器的话,也可以尝试使用数字式电子万用表来测量驱动电路六路的直流电压,一般来说,未启动时的每路驱动电路上的直流电压约为10V左右,启动后的直流电压约为2-3V,如果测量结果一切正常的话,基本可以判断此变频器的驱动电路是好的。
变频器控制电路原理图变频器的组成由主电路和控制电路组成主电路由整流器中间直流环节逆变器组成先看主电路原理图三相工频交流电经过VD1 ~ VD6 整流后,正极送入到缓冲电阻RL中,RL的作用是防止电流忽然变大。
经过一段时间电流趋于稳定后,晶闸管或继电器的触点会导通短路掉缓冲电阻RL ,这时的直流电压加在了滤波电容CF1、CF2 上,这两个电容可以把脉动的直流电波形变得平滑一些。
由于一个电容的耐压有限,所以把两个电容串起来用。
耐压就提高了一倍。
又因为两个电容的容量不一样的话,分压会不同,所以给两个电容分别并联了一个均压电阻R1、R2 ,这样,CF1 和CF2 上的电压就一样了。
继续往下看,HL 是主电路的电源指示灯,串联了一个限流电阻接在了正负电压之间,这样三相电源一加进来,HL就会发光,指示电源送入。
接着,直流电压加在了大功率晶体管VB的集电极与发射极之间,VB的导通由控制电路控制,VB上还串联了变频器的制动电阻RB,组成了变频器制动回路。
我们知道,由于电极的绕组是感性负载,在启动和停止的瞬间都会产生一个较大的反向电动势,这个反向电压的能量会通过续流二极管VD7~VD12使直流母线上的电压升高,这个电压高到一定程度会击穿逆变管V1~V6 和整流管VD1~VD6。
当有反向电压产生时,控制回路控制VB导通,电压就会通过VB在电阻RB释放掉。
当电机较大时,还可并联外接电阻。
一般情况下“+”端和P1端是由一个短路片短接上的,如果断开,这里可以接外加的支流电抗器,直流电抗器的作用是改善电路的功率因数。
直流母线电压加到V1~V6 六个逆变管上,这六个大功率晶体管叫IGBT ,基极由控制电路控制。
控制电路控制某三个管子的导通给电机绕组内提供电流,产生磁场使电机运转。
例如:某一时刻,V1 V2 V6 受基极控制导通,电流经U相流入电机绕组,经V W 相流入负极。
下一时刻同理,只要不断的切换,就把直流电变成了交流电,供电机运转。
变频器驱动原理分析
1)变频器驱动电路
隔离放大、驱动放大电路、驱动电路电源
①变频器光耦隔离电路
图中IC为PWM输出和驱动电路的隔离电路。
当驱动电路损坏不至于将故障扩大到PWM发生电路。
②V1为第一级放大;V2、V3为输出跟随器,提高输出能力。
③图中稳压管DZ使电源电压稳定在20V。
注:隔离电路中的光耦隔离集成块容易损坏。
2)变频器驱动电路和电源的连接
电路作用:为驱动电路提供直流电源。
该电路由一只5V稳压管取得5V电源,加在IGBT开关管的发射极上,使驱动信号在零时,保证IGBT控制极为5V的负电压,使管子可靠的截止。
该电源需要4组,三个带浮地,一个直接接地。
该电源由变频器的DC/DC直流电源提供。
变频器电路原理详解经典(总9页)-CAL-FENGHAI.-(YICAI)-Company One1-CAL-本页仅作为文档封面,使用请直接删除要想做好变频器维修,当然了解变频器基础知识是相当重要的,也是迫不及待的。
下面我们就来分享一下变频器维修基础知识。
大家看完后,如果有不正确地方,望您指正,如果觉得还行支持一下,给我一些鼓动!变频器维修入门--电路分析图对于变频器修理,仅了解以上基本电路还远远不够的,还须深刻了解以下主要电路。
主回路主要由整流电路、限流电路、滤波电路、制动电路、逆变电路和检测取样电路部分组成。
图是它的结构图。
1)驱动电路驱动电路是将主控电路中CPU产生的六个PWM信号,经光电隔离和放大后,作为逆变电路的换流器件(逆变模块)提供驱动信号。
对驱动电路的各种要求,因换流器件的不同而异。
同时,一些开发商开发了许多适宜各种换流器件的专用驱动模块。
有些品牌、型号的变频器直接采用专用驱动模块。
但是,大部分的变频器采用驱动电路。
从修理的角度考虑,这里介绍较典型的驱动电路。
图是较常见的驱动电路(驱动电路电源见图)。
广州科沃—工控维修的120驱动电路由隔离放大电路、驱动放大电路和驱动电路电源组成。
三个上桥臂驱动电路是三个独立驱动电源电路,三个下桥臂驱动电路是一个公共的驱动电源电路。
2)保护电路广州科沃—电梯维修的120当变频器出现异常时,为了使变频器因异常造成的损失减少到最小,甚至减少到零。
每个品牌的变频器都很重视保护功能,都设法增加保护功能,提高保护功能的有效性。
在变频器保护功能的领域,厂商可谓使尽解数,作好文章。
这样,也就形成了变频器保护电路的多样性和复杂性。
有常规的检测保护电路,软件综合保护功能。
有些变频器的驱动电路模块、智能功率模块、整流逆变组合模块等,内部都具有保护功能。
图所示的电路是较典型的过流检测保护电路。
由电流取样、信号隔离放大、信号放大输出三部分组成。
3)开关电源电路开关电源电路向操作面板、主控板、驱动电路及风机等电路提供低压电源。
1 引言交流变频调速技术是现代电力传动技术重要发展方向,随着电力电子技术,微电子技术和现代控制理论在交流调速系统中的应用,变频交流调速已逐渐取代了过去的滑差调速,变极调速,直流调速等调速系统,越来越广泛的应用于工业生产和日常生活的许多领域。
随着变频调速器的广泛应用,许多工程技术人员对它也有了相当的了解,一般通用型变频器大致包括以下几个部分:1整流电路,2直流中间电路,3逆变电路,4控制电路。
而产生可调电压和可调频率的逆变电路,又应该是变频器各组成部分的核心技术。
2 驱动电路逆变电路主要包括:逆变模块和驱动电路。
由于受到加工工艺,封装技术,大功率晶体管元器件等因数的影响,目前逆变模块主要由日本(东芝,三菱,三社,富士,三肯。
)及欧美(西门子,西门康,摩托罗拉,ir)等少数厂家能够生产。
驱动电路作为逆变电路的一部分,对变频器的三相输出有着巨大的影响。
驱动电路的设计一般有这样几种方式(1)分立插脚式元件组成的驱动电路;(2)光耦驱动电路;(3)厚膜驱动电路;(4)专用集成块驱动电路等几种。
(1) 分立插脚式元件的驱动电路分立插脚式元件组成的驱动电路在80年代的日本和台湾变频器上被广泛使用,主要包括日本(富士:g2,g5.三肯:svs,svf,mf., 春日,三菱z系列k系列等)台湾(欧林,普传,台安.)等一系列变频器。
随着大规模集成电路的发展及贴片工艺的出现,这类设计电路复杂,集成化程度低的驱动电路已逐渐被淘汰。
(2) 光耦驱动电路光耦驱动电路是现代变频器设计时被广泛采用的一种驱动电路,由于线路简单,可靠性高,开关性能好,被欧美及日本的多家变频器厂商采用。
由于驱动光耦的型号很多,所以选用的余地也很大。
驱动光耦选用较多的主要由东芝的tlp系列,夏普的pc系列,惠普的hcpl系列等。
以东芝tlp系列光耦为例。
驱动igbt模块主要采用的是tlp250,tlp251两个型号的驱动光耦。
对于小电流(15a)左右的模块一般采用tlp251。
变频器驱动电路详解测量驱动电路输出的六路驱动脉冲的电压幅度都符合要求,如用交流档测量正向鼓励脉冲电压的幅度约14V左右,负向截止电压的幅度约左右(不同的机型有所不同),对驱动电路通过以上检查,一样检修人员就以为能够装机了,其中忽略了一个极为重要的检查环节——对驱动电路电流(功率)输出能力的检查!很多咱们以为已经正常修复的变频器,在运行中还会暴露出更隐蔽的故障现象,并由此致使了必然的返修率。
变频器空载或轻载运行正常,但带上必然负载后,显现电机振动、输出电压偏相、频跳OC故障等。
故障缘故:A、驱动电路的供电电源电流(功率)输出能力不足;B、驱动IC 或驱动IC后置放大器低效,输出内阻变大,使驱动脉冲的电压幅度或电流幅度不足;C、IGBT低效,导通内阻变大,导通管压降增大。
C缘故所致使的故障比例并非高,而且限于维修修部的条件所限,如无法为变频器提供额定负载试机。
但A、B缘故所带来的隐蔽性故障,咱们能够采纳为驱动增加负载的方式,使其暴露出来,并进而修复之,从面能使返修率降到最低。
IGBT的正常开通既需要幅值足够的鼓励电路,如+12V以上,更需要足够的驱动电流,保障其靠得住开通,或说保障其导通在必然的低导通内阻下。
上述A、B故障缘故的实质,即由于驱动电路的功率输出能力不足,致使了IGBT虽能开通但不能处于良好的低导能内阻的开通状态下,从而表现出输出偏相、电机振动猛烈和频跳OC故障等。
让咱们从IGBT的操纵特性上来做一下较为深切的分析,找出故障的本源所在。
一、IGBT的操纵特性:通常的观念,以为IGBT器件是电压型操纵器件——为栅偏压操纵,只需提供必然电平幅度的鼓励电压,而不需吸取鼓励电流。
在小功率电路中,仅由数字门电路,就能够够驱动MOS型绝缘栅场效应管。
做为IGBT,输入电路恰好具有MOS型绝缘栅场效应管的特性,因此也可视为电压操纵器件。
这种观念其实有失偏颇。
因结构和工艺的缘故,IGBT管子的栅-射结间形成了一个名为Cge 的结电容,对IGBT管子开通和截止的操纵,其实确实是Cge进行的充、放电操纵。
变频器介绍:变频器是应用变频技术与微电子技术,通过改变电机工作电源频率方式来控制交流电动机的电力控制设备.变频器主要由整流〔交流变直流〕、滤波、逆变〔直流变交流〕、制动单元、驱动单元、检测单元微处理单元等组成.变频器靠内部IGBT的开断来调整输出电源的电压和频率,根据电机的实际需要来提供其所需要的电源电压,进而达到节能、调速的目的.变频器工作原理变频器可分为电压型和电流行两种变频器.电压型是将电压源的直流变换为交流的变频器,直流回路的滤波是电容.电流型是将电流源的直流变换为交流的变频器,其直流回路滤波是电感.是整流器,整流器,逆变器.而变频器的主电路由整流器、平波回路和逆变器三部分构成,将工频电源变换为直流功率的"整流器",吸收在变流器和逆变器产生的电压脉动的"平波回路.变频器接线图上图是一副变频器接线图.在变频器的安装中,有一些问题是需要注意的.例如变频器本身有较强的电磁干扰,会干扰一些设备的工作,因此我们可以在变频器的输出电缆上加上电缆套.又或变频器或控制柜内的控制线距离动力电缆至少100mm等等.变频器接线方法一、主电路的接线1、电源应接到变频器输入端R、S、T接线端子上,一定不能接到变频器输出端〔U、V、W〕上,否则将损坏变频器.接线后,零碎线头必须清除干净,零碎线头可能造成异常,失灵和故障,必须始终保持变频器清洁.在控制台上打孔时,要注意不要使碎片粉末等进入变频器中.2、在端子+,PR间,不要连接除建议的制动电阻器选件以外的东西,或绝对不要短路.3、电磁波干扰,变频器输入/输出〔主回路〕包含有谐波成分,可能干扰变频器附近的通讯设备.因此,安装选件无线电噪音滤波器FR-BIF或FRBSF01或FR-BLF线路噪音滤波器,使干扰降到最小.4、长距离布线时,由于受到布线的寄生电容充电电流的影响,会使快速响应电流限制功能降低,接于二次侧的仪器误动作而产生故障.因此,最大布线长度要小于规定值.不得已布线长度超过时,要把Pr.156设为1.5、在变频器输出侧不要安装电力电容器,浪涌抑制器和无线电噪音滤波器.否则将导致变频器故障或电容和浪涌抑制器的损坏.6、为使电压降在2%以内,应使用适当型号的导线接线.变频器和电动机间的接线距离较长时,特别是低频率输出情况下,会由于主电路电缆的电压下降而导致电机的转矩下降.7、运行后,改变接线的操作,必须在电源切断10min以上,用万用表检查电压后进行.断电后一段时间内,电容上仍然有危险的高压电.二、控制电路的接线变频器的控制电路大体可分为模拟和数字两种.1、控制电路端子的接线应使用屏蔽线或双绞线,而且必须与主回路,强电回路〔含200V继电器程序回路〕分开布线.2、由于控制电路的频率输入信号是微小电流,所以在接点输入的场合,为了防止接触不良,微小信号接点应使用两个并联的节点或使用双生接点.3、控制回路的接线一般选用0.3~0.75平方米的电缆.三、地线的接线1、由于在变频器内有漏电流,为了防止触电,变频器和电机必须接地.2、变频器接地用专用接地端子.接地线的连接,要使用镀锡处理的压接端子.拧紧螺丝时,注意不要将螺丝扣弄坏.3、镀锡中不含铅.4、接地电缆尽量用粗的线径,必须等于或大于规定标准,接地点尽量靠近变频器,接地线越短越好.变频器的作用1.变频器可以调整电机的功率,实现电机的变速运行,以此来达到省电的目的.例子体现在离心风机和水泵上,当离心风机和水泵使用了变频器后,操作人员变频调速,可根据需要轻松控制流量,从而节省了能源2.变频器可以降低电力线路中电压的波动,避免了一旦电压发生异常而导致设备的跳闸或者出现异常运行的现象.3.变频器可以减少对电网的冲击,从而有效地减少了无功损耗,增加了电网的有效功率.4.变频器还可以减少机械中传动部件之间的磨损,因此,在一定程度上也降低了成本,提高了系统的稳定性.5.此外,变压器的控制功能非常齐全,可以很好的配合其他的控制设备或者一起,从而实现集中监视和实时控制,为用户解决了很多系统兼容性的麻烦等问题。
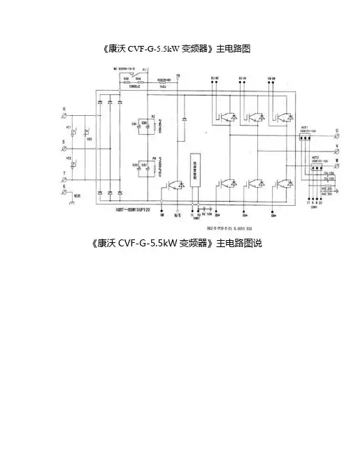
《康沃CVF-G-5.5kW变频器》主电路图《康沃CVF-G-5.5kW变频器》主电路图说这台5.5kW康沃变频器的主电路,就是一个模块加上四只电容器呀。
除了模块和电容,没有其它东西了。
在维修界,流行着这样的说法:宁修三台大的,不修一台小的;小机器风险大,大机器风险小。
小功率变频器结构紧凑,有时候检查电路都伸不进表笔去,只有引出线来测量,确实麻烦。
此其一;小功率变频器,主电路就一个模块,整流和逆变都在里面了。
内部坏了一只IGBT管子,一般情况下只有将整个模块换新,投入的成本高,利润空间小。
而且万一出现意外情况,换上的模块再坏一次,那就是赔钱买卖了。
要高了价,用户不修了,要低的价,有一定的修理风险。
如同鸡肋,食之无味,弃之可惜。
修理风险也大。
大机器空间大,在检修上方便,无论是整流电路还是逆变电路,采用分立式模块,坏一只换一只,维修成本偏偏低下来了。
而大功率变频器的维修收费上,相应空间也大呀。
修一台大功率机器,比修小的三台,都合算啊。
因变频器直流电路的储能电容器容量较大,且电压值较高,整流电路对电容器的直接充电,有可能会造成整流模块损坏和前级电源开关跳闸。
其实这种强Y充电,对电容器的电极引线,也是一个大的冲击,也有可能造成电容器的损坏。
故一般在整流电路和储能电容器之间接有充电电阻和充电继电器(接触器)。
变频器在上电初期,由充电电阻限流给电容器充电,在电容器上建立起一定电压后,充电继电器闭合,整流电路才与储能电容器连为一体,变频器可以运行。
充电电阻起了一个缓冲作用,实施了一个安全充电的过程。
当负载转速超过变频器的输出转速,由U、V、W输出端子向直流电路馈回再生能量时,若不能及时将此能量耗散掉,异常升高的直流电压会危及储能电容和逆模块的安全。
BSM15GP120模块内置制动单元,机器内部内置制动电阻RXG28-60。
虽有内置制动电阻,但机器也有P1、PB外接制动电阻端子,当内置电阻不能完全消耗再行能量时,可由端子并接外部制动电阻,完成对电机发电的再生能量的耗散。
变频器驱动电路详解测量驱动电路输出的六路驱动脉冲的电压幅度都符合要求,如用交流档测量正向激励脉冲电压的幅度约14V左右,负向截止电压的幅度约左右(不同的机型有所差异),对驱动电路经过以上检查,一般检修人员就认为可以装机了,此中忽略了一个极其重要的检查环节——对驱动电路电流(功率)输出能力的检查!很多我们认为已经正常修复的变频器,在运行中还会暴露出更隐蔽的故障现象,并由此导致了一定的返修率。
变频器空载或轻载运行正常,但带上一定负载后,出现电机振动、输出电压偏相、频跳OC故障等。
故障原因:A、驱动电路的供电电源电流(功率)输出能力不足;B、驱动IC或驱动IC后置放大器低效,输出内阻变大,使驱动脉冲的电压幅度或电流幅度不足;C、IGBT低效,导通内阻变大,导通管压降增大。
C原因所导致的故障比例并不高,而且限于维修修部的条件所限,如无法为变频器提供额定负载试机。
但A、B原因所带来的隐蔽性故障,我们可以采用为驱动增加负载的方法,使其暴露出来,并进而修复之,从面能使返修率降到最低。
IGBT的正常开通既需要幅值足够的激励电路,如+12V以上,更需要足够的驱动电流,保障其可靠开通,或者说保障其导通在一定的低导通内阻下。
上述A、B 故障原因的实质,即由于驱动电路的功率输出能力不足,导致了IGBT虽能开通但不能处于良好的低导能内阻的开通状态下,从而表现出输出偏相、电机振动剧烈和频跳OC故障等。
让我们从IGBT的控制特性上来做一下较为深入的分析,找出故障的根源所在。
一、IGBT的控制特性:通常的观念,认为IGBT器件是电压型控制器件——为栅偏压控制,只需提供一定电平幅度的激励电压,而不需吸取激励电流。
在小功率电路中,仅由数字门电路,就可以驱动MOS型绝缘栅场效应管。
做为IGBT,输入电路恰好具有MOS型绝缘栅场效应管的特性,因而也可视为电压控制器件。
这种观念其实有失偏颇。
因结构和工艺的原因,IGBT管子的栅-射结间形成了一个名为Cge的结电容,对IGBT管子开通和截止的控制,其实就是Cge进行的充、放电控制。
变频器驱动电路的原理1 引言交流变频调速技术是现代电力传动技术重要发展方向,随着电力电子技术,微电子技术和现代控制理论在交流调速系统中的应用,变频交流调速已逐渐取代了过去的滑差调速,变极调速,直流调速等调速系统,越来越广泛的应用于工业生产和日常生活的许多领域。
随着变频调速器的广泛应用,许多工程技术人员对它也有了相当的了解,一般通用型变频器大致包括以下几个部分:1整流电路,2直流中间电路,3逆变电路,4控制电路。
而产生可调电压和可调频率的逆变电路,又应该是变频器各组成部分的核心技术。
2 驱动电路逆变电路主要包括:逆变模块和驱动电路。
由于受到加工工艺,封装技术,大功率晶体管元器件等因数的影响,目前逆变模块主要由日本(东芝,三菱,三社,富士,三肯。
)及欧美(西门子,西门康,摩托罗拉,ir)等少数厂家能够生产。
驱动电路作为逆变电路的一部分,对变频器的三相输出有着巨大的影响。
驱动电路的设计一般有这样几种方式(1)分立插脚式元件组成的驱动电路;(2)光耦驱动电路;(3)厚膜驱动电路;(4)专用集成块驱动电路等几种。
(1) 分立插脚式元件的驱动电路分立插脚式元件组成的驱动电路在80年代的日本和台湾变频器上被广泛使用,主要包括日本(富士:g2,g5.三肯:svs,svf,mf., 春日,三菱z系列k系列等)台湾(欧林,普传,台安.)等一系列变频器。
随着大规模集成电路的发展及贴片工艺的出现,这类设计电路复杂,集成化程度低的驱动电路已逐渐被淘汰。
(2) 光耦驱动电路光耦驱动电路是现代变频器设计时被广泛采用的一种驱动电路,由于线路简单,可靠性高,开关性能好,被欧美及日本的多家变频器厂商采用。
由于驱动光耦的型号很多,所以选用的余地也很大。
驱动光耦选用较多的主要由东芝的tlp系列,夏普的pc系列,惠普的hcpl系列等。
以东芝tlp系列光耦为例。
驱动igbt模块主要采用的是tlp250,tlp251两个型号的驱动光耦。
对于小电流(15a)左右的模块一般采用tlp251。
变频器驱动原理简介一、三相异步电机简介:1.电机原理三相异步电动机旋转磁场的公式:n1=60f/p (n1与转子电流产生的转子磁动势的转速和方向相同,故也称作是同步转速)(f为电流频率,p为电机的磁极对数)转子转速n转差率s=(n1-n)/n1转差率s是电机的一个很重要的参数,因为n因负载变化而变化,故s也会同步变化。
(电机刚刚启动时,S=1,最大,在电机等效电路中,附加电阻为r2(1-s)/s=0,所以启动时转子电路的电流非常大,该增大的电流又使电机磁路饱和,使得漏阻抗降低,更加使得电流增大,会达到额定电流的4~7倍)电机正常运行时s一般为0.02~0.05左右2.调速原理转子转速n的公式为:n=n1(1-s)=60f/p*(1-s)观察上述公式可以发现,想改变电机转子的转速,无外乎三种方式,①改变定子绕组的磁极对数(只能变级调速)②改变转差率s(这种调速方式使得电机的效率降低)③改变f,也即变频调速详细讨论变频调速:50Hz为基本频率由电机知识可知,定子电动势的方程为E1=4.44*f*N*Kn1*Φ1f为电流三相电流频率,N为绕组匝数,Kn1为基波磁动势的绕组系数,Φ1主磁通。
根据上述公式发现,在基频以下调速时,f减小,会使得Φ1增大,电机磁路会饱和,励磁电流大大增加,电机发热明显,严重时会烧毁电机。
电机的输出转矩T=Ce I1Φ1 cosΦ的,所以Φ1减小的话会造成能量浪费。
所以要保持Φ1恒定。
故有:E1/f=4.44*N1*Kn1*Φ1所以要保持定子电动势和电流频率同步变化,才能达到想要的调速目的。
这种方式称为恒转矩调试。
(实际上定子电动势难以直接测量,故用定子电压U1去替代E1,但是要注意的时,在低频时,定子漏磁通产生的压降和定子绕组产生的压降不能直接忽略,所以会造成U1明显小于E1,对外表现为电机在低频段输出转矩不足,所以变频器一般都具有转矩补偿的性能,实际上时增大在低频时的输出电压值。
变频器基本电路图目前,通用型变频器绝大多数是交—直—交型变频器,通常尤以电压器变频器为通用,其主回路图(见图1.1),它是变频器的核心电路,由整流回路(交—直交换),直流滤波电路(能耗电路)及逆变电路(直—交变换)组成,当然还包括有限流电路、制动电路、控制电路等组成部分。
1)整流电路如图1.2所示,通用变频器的整流电路是由三相桥式整流桥组成。
它的功能是将工频电源进行整流,经中间直流环节平波后为逆变电路和控制电路提供所需的直流电源。
三相交流电源一般需经过吸收电容和压敏电阻网络引入整流桥的输入端。
网络的作用,是吸收交流电网的高频谐波信号和浪涌过电压,从而避免由此而损坏变频器。
当电源电压为三相380V时,整流器件的最大反向电压一般为1200—1600V,最大整流电流为变频器额定电流的两倍。
2)滤波电路逆变器的负载属感性负载的异步电动机,无论异步电动机处于电动或发电状态,在直流滤波电路和异步电动机之间,总会有无功功率的交换,这种无功能量要靠直流中间电路的储能元件来缓冲。
同时,三相整流桥输出的电压和电流属直流脉冲电压和电流。
为了减小直流电压和电流的波动,直流滤波电路起到对整流电路的输出进行滤波的作用。
通用变频器直流滤波电路的大容量铝电解电容,通常是由若干个电容器串联和并联构成电容器组,以得到所需的耐压值和容量。
另外,因为电解电容器容量有较大的离散性,这将使它们随的电压不相等。
因此,电容器要各并联一个阻值等相的匀压电阻,消除离散性的影响,因而电容的寿命则会严重制约变频器的寿命。
3)逆变电路逆变电路的作用是在控制电路的作用下,将直流电路输出的直流电源转换成频率和电压都可以任意调节的交流电源。
逆变电路的输出就是变频器的输出,所以逆变电路是变频器的核心电路之一,起着非常重要的作用。
最常见的逆变电路结构形式是利用六个功率开关器件(GTR、IGBT、GTO等)组成的三相桥式逆变电路,有规律的控制逆变器中功率开关器件的导通与关断,可以得到任意频率的三相交流输出。
变频电机驱动电路原理随着电机技术的不断发展,变频电机驱动电路成为了现代电机控制的重要组成部分。
变频电机驱动电路通过调整电机的供电频率和电压,实现对电机转速的精确控制。
本文将详细介绍变频电机驱动电路的原理及其工作过程。
一、变频电机驱动电路的原理变频电机驱动电路主要由电源模块、整流滤波模块、逆变模块和控制模块组成。
其工作原理如下:1. 电源模块:为整个驱动电路提供稳定的直流电源。
通常采用整流电路将交流电转换为直流电,并通过滤波电路去除电源中的噪声和纹波。
2. 整流滤波模块:将交流电源转换为稳定的直流电源,并通过滤波电路去除电源中的纹波和噪声。
这样可以确保驱动电路提供的电压和电流稳定,以保证电机正常工作。
3. 逆变模块:将直流电源转换为交流电源,根据控制信号调整输出的频率和电压。
逆变模块通常采用可控硅或晶闸管等器件,通过控制这些器件的导通和截止,实现对输出电压和频率的调节。
4. 控制模块:负责接收输入的控制信号,并根据信号调整逆变模块输出的频率和电压。
控制模块通常采用微处理器或专用的控制芯片,通过对控制信号的处理和解析,实现对电机转速的精确控制。
二、变频电机驱动电路的工作过程变频电机驱动电路的工作过程可以分为以下几个步骤:1. 输入控制信号:用户通过控制面板或外部接口输入控制信号,包括电机转速、方向和运行模式等参数。
2. 控制信号处理:控制模块接收到输入的控制信号后,进行信号处理和解析。
根据用户设置的参数,计算出对应的逆变模块控制信号。
3. 逆变模块控制:控制模块将计算得到的控制信号发送给逆变模块。
逆变模块根据接收到的控制信号,控制可控硅或晶闸管等器件的导通和截止,调整输出的频率和电压。
4. 电机驱动:逆变模块输出调整后的交流电信号送入电机,通过变频电机驱动电路提供的稳定频率和电压,控制电机的转速和运行状态。
5. 反馈控制:在电机运行过程中,通过传感器采集电机的转速和电流等信息,并反馈给控制模块。
控制模块根据反馈信息进行调整,保持电机的稳定运行。
变频器驱动电路详解测量驱动电路输出的六路驱动脉冲的电压幅度都符合要求,如用交流档测量正向激励脉冲电压的幅度约14V左右,负向截止电压的幅度约7.5V 左右(不同的机型有所差异),对驱动电路经过以上检查,一般检修人员就认为可以装机了,此中忽略了一个极其重要的检查环节——对驱动电路电流(功率)输出能力的检查!很多我们认为已经正常修复的变频器,在运行中还会暴露出更隐蔽的故障现象,并由此导致了一定的返修率。
变频器空载或轻载运行正常,但带上一定负载后,出现电机振动、输出电压偏相、频跳OC故障等。
故障原因:A、驱动电路的供电电源电流(功率)输出能力不足;B、驱动IC或驱动IC后置放大器低效,输出内阻变大,使驱动脉冲的电压幅度或电流幅度不足;C、IGBT低效,导通内阻变大,导通管压降增大。
C原因所导致的故障比例并不高,而且限于维修修部的条件所限,如无法为变频器提供额定负载试机。
但A、B原因所带来的隐蔽性故障,我们可以采用为驱动增加负载的方法,使其暴露出来,并进而修复之,从面能使返修率降到最低。
IGBT的正常开通既需要幅值足够的激励电路,如+12V以上,更需要足够的驱动电流,保障其可靠开通,或者说保障其导通在一定的低导通内阻下。
上述A、B故障原因的实质,即由于驱动电路的功率输出能力不足,导致了IGBT虽能开通但不能处于良好的低导能内阻的开通状态下,从而表现出输出偏相、电机振动剧烈和频跳OC故障等。
让我们从IGBT的控制特性上来做一下较为深入的分析,找出故障的根源所在。
一、IGBT的控制特性:通常的观念,认为IGBT器件是电压型控制器件——为栅偏压控制,只需提供一定电平幅度的激励电压,而不需吸取激励电流。
在小功率电路中,仅由数字门电路,就可以驱动MOS型绝缘栅场效应管。
做为IGBT,输入电路恰好具有MOS型绝缘栅场效应管的特性,因而也可视为电压控制器件。
这种观念其实有失偏颇。
因结构和工艺的原因,IGBT管子的栅-射结间形成了一个名为Cge的结电容,对IGBT管子开通和截止的控制,其实就是Cge进行的充、放电控制。
+15V的激励脉冲电压,提供了Cge的一个充电电流通路,IGBT因之而开通;-7。
5V的负向脉冲电压,将Cge上的“已充电荷强行拉出来”,起到对充电电荷的快速中和作用,IGBT因之而截止。
假定IGBT管子只对一个工作频率为零的直流电路进行通断控制,对Cge一次性充满电后,几乎不再需要进行充、放电的控制,那么将此电路中的IGBT管子说成是电压控制器件,是成立的。
而问题是:变频器输出电路中的IGBT管子工作于数kHz的频率之下,其栅偏压也为数kHz频率的脉冲电压!一方面,对于这种较高频率的信号,Cge的呈现出的容抗是较小的,故形成了较大的充、放电电流。
另一方面,要使IGBT可靠和快速的开通(力争使管子有较小的导通内阻),在IGBT的允许工作区内,就要提供尽可能大的驱动电流(充电电流)。
对于截止的控制也是一样,须提供一个低内阻(欧姆级)的外部泄放电路,将栅-射结电容上的电荷极快地泄放掉!大家都知道电容为储能元件,本身不消耗功率,称为容性负载。
但正犹如输、配电线路的道理一样,除了电源必须提供容性元件的无功电流(无功功率)外——这使得电源容量变大,无功电流也必然带来了线路电阻上的损耗(线损)!驱动电路的功率损耗主要集中在栅极电阻和末级放大管的导通内阻上。
我们常看到——尤其是大功率变频器——驱动电路的输出级其实是一个功率放大电路,常由中功率甚至大功率对管、几瓦的栅极电阻等元件构成,说明IGBT的驱动电路是消耗一定功率的,是需要输出一定电流的。
而从上述分析可看出:应用在变频器输出电路的IGBT管子,恰恰应该说是电流或说是功率驱动器件,而不纯为电压控制器件。
二、装机前最后一个检测内容:为最大可能地降低返修率,在对驱动电路进行三、四节的全面检测后,不要漏过对驱动电路的带负载能力这样一个检查环节。
方法如下:对驱动电路带负载能力的测量电路上图为DVP-1 22kW台达变频器的U相上臂的驱动电路。
图中GU、EU 为脉冲信号输出端子,外接IGBT的G、E极,检修驱动板时已与主电路脱离。
虚线框内为外加测量电路。
为电源/驱动板上电后,配合启动和停止操作,在m、n点串入直流250mA电流档,与15Ω3W的外加测量电阻构成回路,检测各路驱动电路的电流输出能力,测得启动状态,有五路输出电流值均在150mA左右,其中一路输出电流仅为40mA,装机运行后跳OC的故障原因正在于此,该路驱动电路的驱动能力大大不足!停机状态,测得各路负电压供电的电流输出能力均为50mA左右,负压供电能力正常。
串接RC,起到限流作用,其取值的原则:选取电阻值及功率值与栅极电阻相等(上图中DR45的参数值),以使检测效果明显。
对驱动电路做过功率输出能力的检测,可以确定驱动电路完全正常了。
在驱动电路与主电路连接的试机过程中,请先以低压24V直流电源为逆变电路供电,测试驱动电路和逆变电路正常后,再恢复逆变回路的正常供电。
如手头无低压直流电源,起码应在逆变供电回路串接两只45W灯泡或2A保险管,试机正常后,才接入逆变电路的原供电!上述对驱动电路的上电检测,是在脱开与主电路(IGBT)的连接后进行的,整机连接状态下,不得测量驱动电路的输入、输入侧,会因人体感应和表笔引入干扰信号,使IGBT受触发误码导通,造成模块的炸裂!驱动电路输出能力的不足,由以下两方面的原因造成:A、电源供电能力不足,空载情况下,我们检测输出正、负电压,往往达到正常的幅度要求,即使带载(如接入IGBT后)情况下,虽然对Cge的瞬时的充电能力不足,但因充电时间太短,我们往往也测不出供电电压的低落,不带上电阻负载,这种隐蔽故障几乎不能被检测出来!电路电路的常见故障为滤波电容失容,如上图中DC41,因长期运行中电解电容内部的电解液干涸,其容量由几百微法减小为几十微法,甚至为几微法。
另外,可能有整流管低效,如正向电阻变大等,也会造成电源输出能力不足;B、驱动IC内部输出电路不良或后置放大器DQ4、DQ10导通内阻变大等。
如带载后检测电源电压无低落现象,检测T250输出电压偏低,则为T250不良,否则更换DQ4、DQ10等元件。
DR40、DR45等阻值变大的现象比较少见。
需要说明的是:正向激励电压的不足,只是表现出电机振动剧烈、输出电压偏相、频繁跳OC故障等现象,虽然有可能使电机绕组中产生直流成分出现过流状态,但对模块构不成一投入运行信号即爆裂的危害。
而负向截止电压的丢失(负压供电回路的故障造成负栅偏压回路阻断),则表现出上电时正常,一按动启动按键,IGBT逆变模块便会发出“啪”的一声马上爆裂的故障!这是为何呢?三、IGBT截止负压丢失后的危害:除了在全速运行下负载突然短路造成的损坏外,过流、过载、过欠压等,所有故障的危害性都要远远小于栅偏压回路开路对IGBT的危害,说到这一点,广大维修人员都会深有体会的——维修人员吃这样的不应该吃的亏是太多了啊。
检修过程中漏焊了栅极电阻DR45,在装机过程中粗心大意间只插好了上臂IBGT1的触发插头,而忘记了连接下臂IGBT触发端子,而使IGBT2驱动信号引入端子被空置,上电后,不投入起动信号,还没有问题,一旦投入启动信号,那就毫无商量,模块坏掉。
长期的维修工作中,我已经养成了一个习惯:上电后启动操作前先停一会儿,观察一下驱动脉冲输出端子是否已经连接完好。
检查每路都连接完好后,再按下启动按键。
我常常觉得这轻轻的一点有千钧之重啊——驱动电路与逆变输出电路都是正常的状态下,只漏插了一只驱动脉冲的信号端子,必会造成IGBT模块与驱动电路的再次严重损坏,致使前功尽弃呀!IGBT结电容等效图如同双极性器件——三极管一样,三线元件也必然形成了内部三只等效电容,而IGBT内部的Cge却不是寄生性的,是工艺与结构所形成。
Cce电容我们不要去管它。
对IGBT能起到毁灭性作用的是Ccg和Cge两只电容。
上图为下臂IGBT的触发端子开路时的情形。
上电后,IGBT1因驱动电路的接入,负的截止电压加到G、E极上,能将其维持在可靠的截止状态。
变频器运行信号的莽撞投入,使IGBT1受正向激励脉冲电压驱动而开通,U端子即IGBT2的C极马上跳变为+530V的直流高压,此跳变电压提供了Ccg、Cge两只电容的充电回流回路,在IGBT1开通期间,IGBT2也为此充电电流所驱动,而近于同时开通,两管的共通形成了对P、N端的+530V供电电源的短路,啪啦一声,两只管子都炸掉了!假如上管的信号端子是空置的,而下管接入了驱动电路,同样,下管的导通,也会因同样的原因使两管损坏。
假定IGBT2的G、E极上,尚并联有栅极旁路电阻(如IGBT1栅控回路中的R旁),将对上述充电电流形成旁路作用,两管共通的可能性会降低一些。
再假定在上管导通期间,下管的G、E极间有7V左右截止负压的存在,正向的充电电流为栅负偏压所中和和吸收,远远达不到使IGBT开通的幅值,则IGBT2是安全的。
这也正是IGBT的控制回路为什么要加上负压的缘故。
对于采用IPM智能化逆变模块的变频器,驱动供电往往为单电源,并未提供负压,又是嘛回事呢?从设计上的要求,IGBT驱动信号的引线越短越好,以降低引线电感效应;IGBT的E、E极间应有有小的电阻回路,以充分旁路干扰信号电流。
而IPM模块,驱动电路与逆变主电路都集成于模块内部,驱动电路与IGBT 之间配线极短,据资料称,甚至省掉的栅极电阻,以降低配线阻抗。
IGBT 在关断状态下,保障栅极处于低阻抗接地状态,从而有效防止了由干扰信号造成的误导通,因而省掉了负电源供电。
希望以上资料对你有所帮助,附励志名言3条:1、有志者自有千计万计,无志者只感千难万难。
2、实现自己既定的目标,必须能耐得住寂寞单干。
3、世界会向那些有目标和远见的人让路。