汽车式起重机验收表格
- 格式:docx
- 大小:16.87 KB
- 文档页数:2
汽车吊进场验收记录表
使用单位察哈素项目部
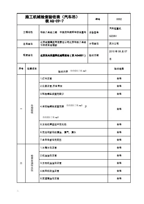
型号QY25V编号08-072-07操作人员韩忠武验收日期2010-9-10序号检查项目验收内容验收结果
一外观验收灯光正常
仪表正常,齐全有效
轮胎螺丝紧固无缺少
传动轴螺丝紧固无缺少
方向机横竖拉杆无松动
无任何部位的漏油、漏气、漏水全车各部位无变形
二检查各油
位水位
水箱水位正常
机油油位正常
方向机油油位正常
刹车制动油正常
变速箱油位正常
液压油位正常
各齿轮油位正常
电瓶水位正常
三发动机
部分
机油压力怠速时不少于1.5kg/cm2
水温正常
发动机运转正常无异响
各附属机构齐全正常
四液压传动
部分
液压泵压力正常
支腿正常伸缩,无下滑拖滞现象
变幅油缸无下滑现象
主臂伸缩油缸正常,无下滑回转正常
液压油温无异常
五底盘部分离合器正常无打滑变速箱正常
刹车系统正常
各操作机构正常行走系统正常
六安全防护
部分
有产品合格证
起重钢丝绳无断丝、断股,润滑良好,直径缩径不大于10%
吊钩及滑轮无裂纹,危险断面磨损不大于原尺寸的10%
起重量-幅度指示器正常
力矩限制器(安全载荷限制器)装置灵敏可靠
起升高度限位器的报警切断动力功能正常
水平仪的指示正常
防过放绳装置的功能现象
卷筒无裂痕、无乱绳现象
吊钩防脱装置工作可靠
操作人员持证上岗
驾驶室内挂设安全技术操作规程
验收结论
验收人签字
项目经理意见:
年月日注:合格项目打“√”,不合格项目打“×”。
使用单位型号操作人员序号检查项目一外观查收检查各油二位水位发动机三部分液压传动四部分起重机进场查收记录表编号查收日期查收内容查收结果灯光正常仪表正常,齐备有效轮胎螺丝紧固无缺乏传动轴螺丝紧固无缺乏方向机横竖拉杆无松动无任何部位的漏油、漏气、漏水全车各部位无变形水箱水位正常机油油位正常方向机油油位正常刹车制动油正常变速箱油位正常液压油位正常各齿轮油位正常电瓶水位正常机油压力怠速时许多于 1.5kg/cm2水温正常发动机运行正常无异响各隶属机构齐备正常液压泵压力正常支腿正常伸缩,无下滑拖滞现象五底盘部分安全防备六部分查收结论查收人署名变幅油缸无下滑现象主臂伸缩油缸正常,无下滑展转正常液压油温无异样离合器正常无打滑变速箱正常刹车系统正常各操作机构正常行走系统正常有产品合格证起重钢丝绳无断丝、断股,润滑优秀,直径缩径不大于10%吊钩及滑轮无裂纹,危险断面磨损不大于原尺寸的10%起重量 - 幅度指示器正常力矩限制器(安全载荷限制器)装置敏捷靠谱起高升度限位器的报警切断动力功能正常水平仪的指示正常防过放绳装置的功能现象卷筒无裂缝、无乱绳现象吊钩防脱装置工作靠谱操作人员持证上岗驾驶室内挂设安全技术操作规程项目经理建议:年代日注:合格项目打“ √”,不合格项目打“×”汽车起重机进场查收记录表使用单位型号操作人员序号检查项目一外观查收检查各油二位水位发动机三部分液压传动四部分编号查收日期查收内容查收结果灯光正常仪表正常,齐备有效轮胎螺丝紧固无缺乏传动轴螺丝紧固无缺乏方向机横竖拉杆无松动无任何部位的漏油、漏气、漏水全车各部位无变形水箱水位正常机油油位正常方向机油油位正常刹车制动油正常变速箱油位正常液压油位正常各齿轮油位正常电瓶水位正常机油压力怠速时许多于 1.5kg/cm2水温正常发动机运行正常无异响各隶属机构齐备正常液压泵压力正常支腿正常伸缩,无下滑拖滞现象变幅油缸无下滑现象五底盘部分安全防备六部分查收结论查收人署名主臂伸缩油缸正常,无下滑展转正常液压油温无异样离合器正常无打滑变速箱正常刹车系统正常各操作机构正常行走系统正常有产品合格证起重钢丝绳无断丝、断股,润滑优秀,直径缩径不大于10%吊钩及滑轮无裂纹,危险断面磨损不大于原尺寸的10%起重量 - 幅度指示器正常力矩限制器(安全载荷限制器)装置敏捷靠谱起高升度限位器的报警切断动力功能正常水平仪的指示正常防过放绳装置的功能现象卷筒无裂缝、无乱绳现象吊钩防脱装置工作靠谱操作人员持证上岗驾驶室内挂设安全技术操作规程项目经理建议:年代日注:合格项目打“ √”,不合格项目打“×”租借起重机进场查收记录表使用单位型号操作人员序号检查项目一外观查收检查各油二位水位发动机三部分液压传动四部分编号查收日期查收内容查收结果灯光正常仪表正常,齐备有效轮胎螺丝紧固无缺乏传动轴螺丝紧固无缺乏方向机横竖拉杆无松动无任何部位的漏油、漏气、漏水全车各部位无变形水箱水位正常机油油位正常方向机油油位正常刹车制动油正常变速箱油位正常液压油位正常各齿轮油位正常电瓶水位正常机油压力怠速时许多于 1.5kg/cm2水温正常发动机运行正常无异响各隶属机构齐备正常液压泵压力正常支腿正常伸缩,无下滑拖滞现象变幅油缸无下滑现象主臂伸缩油缸正常,无下滑展转正常液压油温无异样离合器正常无打滑变速箱正常五底盘部分刹车系统正常安全防备六部分查收结论各操作机构正常行走系统正常有产品合格证起重钢丝绳无断丝、断股,润滑优秀,直径缩径不大于10%吊钩及滑轮无裂纹,危险断面磨损不大于原尺寸的10%起重量 - 幅度指示器正常力矩限制器(安全载荷限制器)装置敏捷靠谱起高升度限位器的报警切断动力功能正常水平仪的指示正常防过放绳装置的功能现象卷筒无裂缝、无乱绳现象吊钩防脱装置工作靠谱操作人员持证上岗驾驶室内挂设安全技术操作规程查收人署名项目经理建议:年代日注:合格项目打“ √”,不合格项目打“×”。
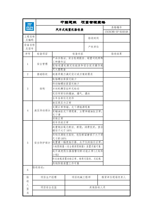
汽车式起重机专项检查表一、起重机设备信息1.起重机设备名称:2.设备型号:3.制造单位:4.出厂日期:5.使用单位:6.使用证号:7.使用地点:二、检查项目1.起重机外观检查-检查起重机是否有变形、开裂等损坏;-检查起重机漆面是否完好;-检查所有标志牌和标识是否齐全清晰;-检查起重机是否有松动的螺栓和螺母。
2.起重机工作机构检查-检查起重机的钢丝绳、链条、吊钩、夹具等工作机构是否磨损、变形、断裂等;-检查起重机工作机构的传动装置是否正常运转;-检查起重机工作机构的制动装置是否灵活、可靠;-检查起重机的限位器是否灵敏可靠。
3.起重机传动装置检查-检查起重机的传动装置是否油封、润滑正常;-检查起重机的电气设备和控制装置是否正常运转;-检查起重机的供电电源是否稳定、安全。
4.起重机安全保护装置检查-检查起重机的重载保护系统是否可靠;-检查起重机的高度限位器是否准确、灵敏;-检查起重机的槽钩、重力保护装置是否工作正常。
5.起重机维护保养记录检查-检查起重机的维护保养记录是否完整、规范;-检查起重机的维修记录和维修合格证是否齐全。
三、检查结果与处理意见1.检查结果:-起重机设备外观是否完好;-起重机各工作机构及传动装置是否正常;-起重机安全保护装置是否完好;-起重机维护保养记录是否规范。
2.处理意见:-如果发现设备有损坏或故障,需要立即进行维修或更换;-对于未按要求进行维护保养的记录,需要进行补充和整改。
四、检查人员信息1.检查人员姓名:2.检查人员职务:3.检查日期:以上是汽车式起重机专项检查表,用于对起重机设备进行检查和评估。
根据检查结果,可以及时发现设备存在的问题,并进行维修和保养,确保起重机的安全运行。
同时,通过检查记录,可以清楚地了解起重机设备的使用情况和维护保养情况,为进一步的管理和维护提供参考依据。
汽车、轮胎式起重机进场验收表工程名称使用单位设备型号设备编号所属单位进场日期年月日序号验收项目验收要求验收结果1资料应有年检报告、操作规程、使用说明书、操作人员证书2标牌应有产品铭牌、起重性能标牌、安全标志3钢结构主要结构件不得有可见裂纹、严重变形和腐蚀;主要结构件连接螺栓及销轴应齐全、紧固4吊钩无补焊痕迹;挂绳处断面磨损符合要求;整体外观无可见裂纹、破口;危险断面及钩筋处无明显变形;防脱钩保险装置齐全有效5钢丝绳钢丝绳符合GB/T5972中的要求;端部固定有防松和闩紧装置;绳筒上钢丝绳排列应整齐、最少余留圈数≥3圈6绳筒和滑轮绳筒两侧边缘高度超过最外层钢丝绳1.5倍直径;滑轮防钢丝绳跳槽装置应完整、可靠7机构和制动器有伤人可能的活动零部件外露部分应设防护罩;起升、变幅制动器灵敏可靠;回转机构应具有两个方向的可控滑转性能,行走时转台应能锁定8液压系统应设置防止过载的安全装置;平衡阀、液压锁与执行机构必须是刚性连接9操纵及电器系统紧急断电开关灵敏可靠;电器联接接触良好、防止松脱,导线、线束固定可靠;操纵手柄、踏板的用途标志应清楚;零位保护应齐全有效10安全装置和设施起重量显示器、水平仪、臂架角度指示器应设置;力矩限制器、起升高度限位、幅度限位应灵敏可靠;防臂架后倾装置应齐全有效;喇叭清晰有效;起升高度大于50米的应设置风速仪及报警装置;起重臂头部、转台尾部等突出部位应按规定涂刷警告图案使用单位验收意见总包单位验收意见监理单位验收意见验收人:日期:年月日验收人:日期:年月日验收人:日期:年月日。
汽车吊验收记录表1. 验收信息验收日期验收人员吊车型号吊车编号2. 吊车基本信息2.1 吊车型号2.2 吊车编号2.3 吊车制造商2.4 发动机型号2.5 发动机编号3. 外观检查3.1 车身外观检查•☐车身漆面是否完好,无划痕、凹陷等损坏情况。
•☐车身是否有明显的变形、裂纹等结构性损坏。
•☐玻璃是否完好,无碎裂、破损情况。
•☐前后灯光是否正常,无灯泡破损或灯罩脱落情况。
•☐轮胎是否磨损均匀,胎面是否有裂纹。
3.2 底盘外观检查•☐底盘表面是否清洁,无油污、泥浆等附着物。
•☐底盘连接部位是否有松动、断裂等异常情况。
•☐轮胎是否有松动、脱落等情况。
•☐刹车系统是否正常,制动器是否灵敏。
3.3 吊机外观检查•☐吊机结构是否完好,无明显变形、裂纹等损坏情况。
•☐吊臂、支腿、液压缸等部件是否正常运行,无卡滞或漏油现象。
•☐吊具和钢丝绳是否完好,无断裂、磨损等情况。
•☐操作台及控制器是否正常工作。
4. 功能检查4.1 发动机检查•☐发动机启动是否顺畅,无异常噪音或抖动。
•☐发动机运行时转速是否平稳,无明显的加速或减速现象。
•☐发动机排气是否正常,无黑烟、白烟或异味。
4.2 操纵系统检查•☐操作台上的控制按钮和手柄是否灵活可靠。
•☐操纵系统操作各项功能时响应迅速,没有延迟或卡顿现象。
4.3 吊装能力检查•☐吊车在额定载重下的起重能力是否符合规定要求。
•☐吊装过程中是否平稳,无明显晃动或不稳定现象。
4.4 安全系统检查•☐吊车的安全系统是否正常工作,如限位器、防倾倒装置等。
•☐吊车在紧急情况下的应急制动、停机等功能是否正常。
5. 验收结论•☐吊车外观和功能检查均符合要求,验收通过。
•☐吊车存在外观或功能上的缺陷,需进行修复后重新验收。
•☐需进一步检查吊车的特定部件或系统,待进一步评估后再作决定。
6. 验收人员签字验收人员签字日期以上是对汽车吊验收记录表的编写。
该记录表包括了吊车的基本信息、外观检查、功能检查以及验收结论等内容。