日本JIS金属与非金属材料标准名称
- 格式:doc
- 大小:44.00 KB
- 文档页数:7
JIS(Japanese Industrial Standard)标准是由日本工业标准调查会(Japanese Industrial Standard Committee 缩写JISC)制定的。
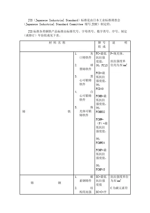
JIS标准各类钢铁产品标准由标准代号、字母类号、数字类号、序号、制定(或修订)年份组成见下表。
∙代号名称代号名称00A××××无方向性电磁钢带SCP-R 波纹钢管CaSi 硅钙铁合金SCP-RS 波纹钢管D? 球墨铸铁管SCPH 高温高压用钢铸件DF 可锻铸铁异型管件SCPH-CF 高温高压用离心铸钢管DPF 可锻铸铁管SCPL 低温低压用钢铸件FB 硼铁SCr 铬合金钢钢材FC 灰口铸铁件SCS 不锈钢铸件FCD 球墨铸铁件SCSiMn 结构用高强度硅锰钢铸件FCMB 黑心可锻铸铁件SCW 焊接结构用离心钢铸件FCMP 珠光体可锻铸铁件SCW-CF II焊接结构用离心铸钢管FCMW 白心可锻铸铁件SD 钢筋混凝土用钢棒(异形)FCr 铬铁合金SDP 瓦垄钢板FMn 锰铁合金SECCT 电镀锌薄钢板及钢带(抗拉试验)FMo 钼铁合金SECD 电镀锌冷轧冲压薄钢板及钢带FNb 铌铁合金SECED 非时效冲压冷轧电镀锌薄钢板及钢带FNi 镍铁合金SEHC 电镀锌热轧薄钢板及钢带FP 磷铁合金SEHD 冲压电镀锌热轧薄钢板及钢带FSi 硅铁合金SEHE 深冲压电镀锌热轧薄钢板及钢带FTi 钛铁合金SEV 中常温压力容器用高强度钢板FV 钒铁合金SF 碳素钢锻件FW 钨铁合金SFB 碳素钢锻件用坯00G×××普通方向性电磁薄钢板及钢带SFCM 一般用铬钼钢锻件MC 铸造永磁铁SFL 低温压力容器用锻件MCr 金属铬SFNCM 一般用镍铬钼钢锻件MMn 金属锰SFVA 高温压力容器用合金钢锻件MP 粉末永磁铁SFVC 压力容器用碳素钢铸件MSi 金属硅SFVQ 压力容器用调质合金钢锻件NCF××B 耐蚀耐热超级合金棒SG 高压气罐用钢板及钢带NCF××TB 热交换器用无缝镍铬铁合金管SGD 磨光钢棒用一般碳素钢钢材NCF××TF 加热炉用无缝镍铬铁合金管SGP 碳素钢配管NCF××TP 无缝镍铬铁合金配管SGPW 镀锌水管P×××磁极钢板SGV 压力容器用钢板00P×××高方向性电磁薄钢板和钢带SHK H形钢桩S××冷轧无取向硅钢带SHYS××F 热轧无取向硅钢带SHY××NSBV 锅炉压力容器用锰钼和锰钼镍钢板SHY××NSS××C 机械结构用碳素钢材SHY××NS-FSXXC?CSP 弹簧用冷轧钢带SiCr 硅铬铁合金SA×C 热浸镀铝薄钢板SiMn 硅锰铁合金SACM 铝铬钼合金钢铁SK 碳素工具钢SA×D 热浸镀铝薄钢板SKO-CSP 冷轧弹簧钢SA×E 热浸镀铝薄钢板SKC 中空钢钢材SAPH 机动车用热轧结构钢板和钢带SKD 合金工具钢钢材SB 锅炉和压力容器用碳钢和钼合金钢板SKH 高速工具钢钢材SB?M 锅炉和压力容器用碳钢和钼合金钢板SKK 钢管桩SBC 链条用圆钢SKS 专用合金工具钢钢材SBPD 预应力混凝土用圆钢棒SKT 锻造用合金工具钢钢材SBPR 预应力混凝土用异形钢棒SKY 钢管板桩SC 碳素钢铸件SLA 低温压力容器用碳素钢钢板SCC 结构用高强碳素钢铸件SL?N 低温压力容器用镍钢钢板SCCrM 结构用高强低合金钢铸件SM 焊接结构用轧材SCG 着色镀锌薄钢板SMA 焊接结构用耐候热轧钢材SCH 耐热钢铸件SMn 机械结构用锰合金钢钢材SCM 铬钼合金钢钢材SMnC 机械结构用锰铬合金钢钢材SCMn 结构用高强度锰钢铸件SNB 特殊铆接用合金钢棒SCMnCr 结构用高强度锰铬钢铸件SNC 镍铬钢钢材SCMnH 高锰钢铸件SNCM 镍铬钼钢材SCMnM 结构用高强度锰钼钢铸件SPA-C 高耐候性冷轧钢材SCMV 锅炉及压力容器用铬钼合金钢板SPA-H 高耐候性热轧钢材SCNCrM 结构用高强度镍铬钼钢铸件SPB 镀锡钢板的原板SCP?A 波纹钢管SPCC 一般用冷轧碳钢薄板及带SCP?E 波纹钢管SPCCT 一般用冷轧碳钢薄板及带(抗拉试验)SCP?P 波纹钢管SPCD 冲压用冷轧碳素钢薄板及带SPCE 深冲用冷轧碳钢薄板及带SUM 易切削碳素钢钢材SPCEN 非时效性深冲冷轧碳钢薄板及带SUP 弹簧钢钢材SPFC 机动车用成型性好的冷轧高强度钢板及钢带SUP-CSP 冷轧弹簧钢钢带SPFH 机动车用成型性好的热轧高强度钢板及钢带SUS-B 不锈钢棒材SPGA 建筑用镀银薄钢板SUS-C 涂装不锈钢薄板(单面)SPGC 一般用镀锌薄钢板SUS-CA 冷轧成形不锈钢等边角钢SPGD 冲压用镀锌薄钢板SUS-CB 冷精加工不锈钢棒材SPGDD 深冲用镀锌薄钢板SUS-CP 涂装不锈钢薄板(双面)SPGH 一般波纹板用镀锌薄钢板SUS-CP 冷轧不锈钢板SPGR 屋面用镀锌薄钢板SUS-CS 冷轧不锈钢带SPGS 结构用镀锌薄钢板SUS-CSP 冷轧不锈弹簧钢带SPGW 建筑波纹板用镀锌薄钢板SUS-F 压力容器用不锈锻件SPHC 一般用热轧钢板及钢带SUS-FB 锻件用不锈钢坯SPHD 冲压用热轧软钢板及钢带SUS-HA 热轧不锈钢等边角钢SPHE 深冲用热轧软钢板及钢带SUS-HP 热轧不锈钢钢板及薄钢SPHT 钢管用热轧碳素钢带SUS-TB 锅炉热交换器用不锈钢钢管SPP 搪瓷脱碳钢薄板及钢带SUS-TBS 卫生管道用不锈钢钢管SPTE 电镀锡钢板及原板SUS-TF 加热炉用不锈钢钢管SPTFS 无锡镀铬钢材SUS-TK 机械结构用不锈钢钢管SPV 压力容器用钢板SUS-TP 配管用不锈钢钢管SQV 压力容器用调质锰钼钢和锰钼镍钢板SUS-TPD 一般配管用不锈钢钢管SR 钢筋混凝土用圆钢棒SUS-TPY 大口径电弧焊不锈钢配管SRB 再生碳素钢钢材SUS-W 不锈钢钢丝SRR 再生钢筋棒材SUS-WP 弹簧用不锈钢钢丝SS 一般结构用轧制钢材SUS-WR 不锈钢盘条SSC 一般结构用冷轧轻型型钢SUS-WS 冷锻用不锈钢线材STAM××G 机动车用电阻焊碳素钢钢管SUS-Y 焊接用不锈钢线材STAM××H 机动车用电阻焊碳素钢钢管(高屈服强度)注:上表中00表示牌号头的数字代号,xx表示数字代号。
JIS金属材料简介引言JIS(日本工业标准)是日本国家标准化机构制定的一系列标准。
该标准涵盖了各种领域,包括金属材料。
在金属材料领域,JIS标准规定了各种不同类型的金属材料的规范和分类。
本文将对JIS金属材料进行简要介绍,并列举一些常见的JIS金属材料。
JIS金属材料分类JIS金属材料根据其化学成分、力学性能和用途进行分类。
根据化学成分的不同,金属材料可分为以下几类:1.低碳钢(Low Carbon Steel): 含碳量低于0.25%的钢材,具有良好的可塑性和焊接性能。
2.高碳钢(High Carbon Steel): 含碳量大于0.6%的钢材,具有较高的硬度和强度,但可塑性较差。
3.不锈钢(Stnless Steel): 含有大量铬元素的钢材,具有耐腐蚀性和良好的机械性能。
4.合金钢(Alloy Steel): 添加了其他合金元素(如铬、钼、钴等)的钢材,具有特定的力学性能和使用特性。
根据力学性能和用途的不同,金属材料可进一步细分为以下几类:1.结构钢(Structural Steel): 用于建筑和机械结构的钢材,具有较高的强度和韧性。
2.工具钢(Tool Steel): 用于制造刀具和模具的钢材,具有优异的切削性能和耐磨性。
3.弹簧钢(Spring Steel): 用于制造弹簧的钢材,具有良好的弹性和疲劳强度。
4.不锈钢(Stnless Steel): 用于耐腐蚀和卫生要求较高的场合,如厨具、化工设备等。
常见的JIS金属材料以下列举了一些常见的JIS金属材料及其主要特性:低碳钢(Low Carbon Steel)•JIS G3101 SS400:一种常用的结构钢材料,具有较高的强度和可塑性。
•JIS G4051 S20C:低碳钢材料,常用于制造机械零件和轴承。
高碳钢(High Carbon Steel)•JIS G4401 SK5:工具钢材料,具有良好的切削性能和硬度,常用于制造刀具。
•JIS G4051 S55C:高碳钢材料,具有较高的强度和硬度,用于制造机械部件。
非金属材料的拉伸试验是一种常见的材料力学性能测试方法,用于评估材料在受力下的行为。
虽然没有一个通用的“非金属拉伸试验标准”,因为不同类型的非金属材料可能有不同的测试标准,但是有一些国际上广泛接受的标准组织发布的标准,这些标准涵盖了各种非金属材料的拉伸试验。
以下是一些可能与非金属材料拉伸试验相关的标准组织和标准文件:
1. ASTM国际:美国材料和试验协会(ASTM International)发布了许多关于非金属材料的标准。
例如,ASTM E8/E8M标准涵盖了金属和非金属材料的拉伸试验方法。
2. ISO国际标准组织:国际标准化组织(ISO)也发布了一些与非金属材料拉伸试验相关的标准。
例如,ISO 6892-1 标准涵盖了金属材料拉伸试验的方法,但有时这些方法也适用于一些非金属材料。
3. JIS标准:日本工业标准(JIS)可能包括一些与非金属材料拉伸试验相关的标准,具体取决于所测试的材料类型。
4. GB标准:中国国家标准(GB)也可能包括一些与非金属材料
拉伸试验相关的标准。
请注意,具体适用的标准取决于测试的非金属材料类型,例如塑料、橡胶、陶瓷等。
建议在进行拉伸试验之前,查阅相关的国际、国家或行业标准,以确保按照正确的程序和方法进行测试。
日本标准JIS牌号的说明一、S非机械结构用钢牌号表示方法:JIS非机械结构用钢牌号原则上由以下三部分构成:1,表示材质;2,表示产品的品种类别及用途;3,细分类例:S S 400 S PHT 11 2 3 1 2 3详细说明:1、用英文字母或罗马字头表示材质,钢铁材料大部分用S(STEEL)或F(Ferrum)。
例外的有:1,少数铁合金用元素化学符号直接表示如SiMn(矽锰合金)、MCr(金属铬);2,含硅电工钢SXXX(S:Silicon),(已于1987年废止)。
2、用英语字母或罗马字头表示板、棒、管、线材、铸件等的产品品种形状类别以及用途,位数视不同产品而不同,常见的符号举例如下:S(Structure结构用);PC(Plate Cold冷轧薄板带);M(Marine转义焊接);PH(Plate Hot热轧薄板带);B(Boiler锅炉用);PHT(Plate Hot Tube管用热轧钢带);C(Casting铸件);PFH(Plate Formability Hot冷成型用热轧板带);F(Forging锻件);USB(Use Stainless Bar特殊用途不锈钢棒);EC(Electrolytic Cold冷轧电镀锌)GH(Galvainized Hot热轧基板热镀锌);3、用英文字母或数字表示产品细分类或规定强度值(最低抗拉强度或屈服强度值),常见的符号举例如下:SM490(490为以MPa为单位的最低抗拉强度值);SPCC(Commercial一般用);SG295(295为以MPa为单位的最低屈服强度值);SPHT1(1种)除上述牌号组成外,为了进一步说明形状、制造方法、热处理等内容,在牌号后还可标以附加符号,常见的符号举例如下:CP(Cold Plate冷轧板);CS(Cold Strip冷轧带);WR(Wire Rod线材);HP(Hot Plate热轧板);HS(Hot Strip热轧带);TP(Tube Pipes配管用管);R(Rimmed沸腾钢);K(Killed镇静钢);A(铝镇静钢);R(as-rolled轧制状态);A(annealing 退火);N(normalize正火);Q(调质);NT(正火+回火);TMC(控制轧制)。
/* 日本工业标准JIS标准—代号名称对照表【中文版】招聘(广告)管理提醒:本帖被tuzi123 执行锁定操作(2007-05-12)JIS B0001 ERRATUM 1-2000 机械工程技术制图(勘误1)JIS B0001-2000 机械工程技术制图JIS B0002-1-1998 技术制图.螺纹和螺纹部件.第1部分:通用规范JIS B0002-2-1998 技术制图.螺纹和螺纹部件.第2部分:螺纹嵌镶件JIS B0002-3-1998 技术制图.螺纹和螺纹部件.第3部分:简化表示JIS B0003-1989 齿轮的制图室实施规范JIS B0004-1995 技术制图.弹簧画法JIS B0005-1-1999 技术绘图.滚动轴承.第1部分:一般简化图解JIS B0005-2-1999 技术绘图.滚动轴承.第2部分:细节简化图解JIS B0006-1993 技术制图.花键和锯齿形花键的画法JIS B0011-1-1998 技术制图.管道的简化表示法.第1部分:通则和正交表示法JIS B0011-2-1998 技术制图.管道的简化表示法.第2部分:等角投影JIS B0011-3-1998 技术制图.管道的简化表示法.第3部分:通风和排水系统终端部件JIS B0021-1998 产品几何量技术规范(GPS).几何公差.形状、方向、位置和偏转公差JIS B0022-1984 几何公差的基准及基准系统JIS B0023-1996 技术制图.几何公差.最大和最小的实体公差要求JIS B0024-1988 技术制图.公差表示的基本原则JIS B0025-1998 机械制图.几何公差.位置公差JIS B0026-1998 技术制图.尺寸和公差.非钢性部件JIS B0027-2000 技术制图.剖面的尺寸和公差表示JIS B0028-2000 技术制图.尺寸和公差表示.锥形JIS B0029-2000 技术制图.方向和位置的公差表示.突出公差带JIS B0031-2003 产品几何量技术规范(GPS).技术产品文献表面结构标注方法JIS B0041-1999 技术绘图.中心孔简化图解JIS B0090-10-2001 光学元件和系统图的绘制.第10部分:表示透镜元件数据的表JIS B0090-11-2001 光学元件和系统图的绘制.第11部分:不包含公差的数据JIS B0090-1-2001 光学元件和系统图的绘制.第1部分:总则JIS B0090-12-2001 光学元件和系统图的绘制.第12部分:非球型表面JIS B0090-2-2001 光学元件和系统图的绘制.第2部分:材料缺陷.应力双折射JIS B0090-3-2001 光学元件和系统图的绘制.第3部分:材料缺陷.起泡和杂质JIS B0090-4-2001 光学元件和系统图的绘制.第4部分:材料缺陷.不均匀和擦痕JIS B0090-5-2001 光学元件和系统图的绘制.第5部分:表面形式公差JIS B0090-6-2001 光学元件和系统图的绘制.第6部分:中心校正公差JIS B0090-7-2001 光学元件和系统图的绘制.第7部分:表面缺陷公差JIS B0090-8-2001 光学元件和系统图的绘制.第8部分:表面结构JIS B0090-9-2001 光学元件和系统图的绘制.第9部分:表面处理和涂覆JIS B0100-1984 阀门术语JIS B0101-1994 螺纹和紧固件.词汇JIS B0102-1999 齿轮术语.与几何有关的定义JIS B0103-1996 弹簧词汇JIS B0104-1991 滚动轴承.词汇JIS B0105-1993 机床.设计.词汇JIS B0106-1996 机床.部件及操作方法.词汇JIS B0107-1991 单刃刀具.词汇JIS B0108-1-1999 往复式内燃机,词汇.第1部分:引擎设计和操作术语JIS B0108-2-1999 往复式内燃机.词汇.第2部分:引擎维护术语JIS B0109-1-1999 往复式内燃机.元件和系统词汇.第1部分:结构和外壳JIS B0109-2-1999 ?词侥谌蓟?元件和系统词汇.第2部分:主要运行齿轮JIS B0109-3-1999 往复式内燃机.元件和系统词汇.第3部分:阀门,凸轮轴驱动和起动机械JIS B0109-4-1999 往复式内燃机.元件和系统词汇.第4部分:增压和空气/排气管道系统JIS B0109-5-1999 往复式内燃机.元件和系统词汇.第5部分:冷却系统JIS B0109-6-1999 往复式内燃机.元件和系统词汇.第6部分:润滑系统JIS B0109-7-1999 往复式内燃机.元件和系统词汇.第7部分:控制系统JIS B0109-8-1999 往复式内燃机.元件和系统词汇.第8部分:起动系统JIS B0109-9-1999 往复式内燃机.元件和系统词汇.第9部分:控制和检测系统JIS B0110-1999 往复式内燃机.特殊元件词汇JIS B0111-1997 印刷机械.词汇JIS B0112-1994 锻压.词汇JIS B0113-1989 工业用燃烧装置术语JIS B0114-1997 木材加工机械.词汇JIS B0115-1991 电子式现金收入记录机术语JIS B0116-1978 填料和密封垫术语JIS B0117-1991 办公机械术语JIS B0119-1992 水轮机及双向泵水轮机.词汇JIS B0121-1999 国际齿轮符号表示法.几何数据符号JIS B0122-1978 金属加工工艺符号JIS B0123 ERRATUM 1-2000 螺纹命名体系(勘误1)JIS B0123-1999 螺纹标识系统JIS B0124-1994 滚动轴承.量值符号JIS B0125-1-2001 液压气动系统及元件.图形符号和电路图.第1部分:图形符号JIS B0125-2-2001 液压气动系统及元件.图形符号和电路图.第2部分:电路图JIS B0126-1994 火力发电厂术语汇编.锅炉和附属装置JIS B0127-2004 火力发电厂术语汇编.火力和地热发电厂的汽轮机和辅助设备JIS B0128-1995 火力发电厂.燃气轮机和附属装置.词汇JIS B0130-1989 火力发电术语.通用术语JIS B0131-2002 涡轮泵术语集JIS B0132-1984 鼓风机和压缩机术语JIS B0134-1998 工业操作机器人.词汇JIS B0137-1985 复印机术语JIS B0138-1996 工业机器人.机械结构的图形符号顶端Posted: 2007-03-24 08:34 | [楼主]tintyjin小中大引用推荐编辑只看复制级别: 学徒工精华: 0发帖: 35威望: 5 点金钱: 317 机械币贡献值: 0 点注册时间:2006-11-0 8最后登录:2009-05-2 3 招聘(广告)JIS B0139-2000 复印机图形符号JIS B0140-1993 输送机的相关术语汇编.输送机的种类JIS B0141-1993 输送机的相关术语汇编.零部件、组件及其它JIS B0142-1994 液压和气动设备的相关术语汇编JIS B0143-1985 螺钉各部尺寸名称及符号JIS B0144-2000 PCB(印制电路板组装机器人.词汇JIS B0146-1-2000 起重机.词汇.第1部分:通则JIS B0146-2-2000 起重机.词汇.第2部分:汽车起重机JIS B0147-2004 埋头铆钉.术语和定义JIS B0148-1998 提升设备.术语JIS B0149-1990 发动机的术语和定义总汇.发电机组JIS B0151-2001 铁管和钢管配件.词汇JIS B0152-1997 离合器及制动器.词汇JIS B0153-2001 机械振动和冲击的术语汇编JIS B0154-1996 圆锥的词汇JIS B0155-1997 工业流程测量和控制.术语和定义JIS B0160 ERRATUM 1-2000 齿轮.齿轮齿的磨损.术语(勘误1) JIS B0160-1999 齿轮.齿轮齿的磨损和损害.术语JIS B0161-1999 园周滑动轴承.词汇JIS B0170-1993 切削工具.词汇.基本术语JIS B0171-1997 麻花钻.词汇JIS B0172-1993 铣刀术语汇编JIS B0173-2002 铰刀.词汇JIS B0174-1991 齿轮铣刀.词汇JIS B0175-1996 拉刀.词汇JIS B0176-1-2002 螺纹加工刀.词汇.第1部分:丝锥JIS B0176-2-2002 螺纹加工刀.词汇.第2部分:螺纹切削模JIS B0176-3-2002 螺纹加工刀.词汇.第3部分:槽JIS B0176-4-2002 螺纹加工刀具.词汇.第4部分:滚丝模JIS B0181-1998 工业自动化系统.机械的数值控制.词汇JIS B0182-1993 机床.试验代码.词汇JIS B0185-2002 智能机器人.词汇JIS B0186-2003 移动式遥控装置.词汇JIS B0190-1986 压力容器制造用术语总汇JIS B0191-1986 日本文字处理机的相关术语汇编JIS B0201-1973 微型螺纹JIS B0202-1999 圆柱管螺纹JIS B0203-1999 锥管螺纹JIS B0205-1-2001 ISO通用米制螺纹.第1部分:基本轮廓JIS B0205-2-2001 ISO通用米制螺纹.第2部分:总图JIS B0205-3-2001 ISO通用米制螺纹.第3部分:螺钉、螺栓和螺母的选择尺寸JIS B0205-4-2001 ISO通用米制螺纹.第4部分:基本尺寸JIS B0206-1973 统一粗牙螺纹JIS B0208-1973 统一细牙螺纹JIS B0209-1-2001 ISO通用米制螺纹.公差.第1部分:原则和基本数据JIS B0209-2-2001 ISO通用米制螺纹.公差.第2部分:通用外部和内部螺纹规格的限值.中等质量JIS B0209-3 ERRATUM 1-2002 ISO通用米制螺纹.公差.第3部分:结构螺纹的偏离(勘误1)JIS B0209-3-2001 ISO通用米制螺纹.公差.第3部分:结构螺纹的偏离JIS B0209-4-2001 ISO通用米制螺纹.公差.第4部分:与电镀后公差级为H或G的内部攻丝螺纹配合的热浸电镀外部螺纹的规格的限值JIS B0209-5 ERRATUM 1-2002 ISO通用米制螺纹.公差.第5部分:与电镀前最大公差级为h的热浸电镀外螺纹相配合的内螺纹的尺寸限值(勘误1)JIS B0209-5-2001 ISO通用米制螺纹.公差.第5部分:与电镀前最大公差级为h的热浸电镀外部螺纹配合的内部螺纹规格的限值JIS B0210-1973 统一粗牙螺纹的允许极限尺寸与公差JIS B0212-1973 统一细牙螺纹的允许极限尺寸与公差JIS B0216-1987 米制梯形螺纹JIS B0217-1980 米制梯形螺纹公差体系JIS B0218-1980 米制梯形螺纹的允许极限尺寸与公差JIS B0225-1960 自行车螺纹JIS B0251-1998 米制粗牙螺纹极限量规JIS B0253-1985 锥形管螺纹量规JIS B0254-1985 圆柱管螺纹量规JIS B0255-1998 统一粗牙螺纹极限量规JIS B0261-2004 平行螺纹量规.量规的测量方法JIS B0262-1989 锥形螺纹量规的检验方法JIS B0271-2004 螺纹测量用三线法和螺纹测量用四线法JIS B0401-1-1998 公差和配合的ISO系统.第1部分:公差、偏差和配合的基础JIS B0401-2 ERRATUM 1-2002 限值和配合的ISO体系.第2部分:孔和轴的标准公差等级和极限偏差表(勘误1)JIS B0401-2-1998 公差和配合的ISO系统.第2部分:孔和轴的标准公差级和极限偏差表JIS B0403-1995 铸件.尺寸公差和机械加工余量体系JIS B0405-1991 普通公差. 第1部分:无单个公差指示的线性及角度尺寸公差JIS B0408-1991 金属板冲压加工件一般尺寸公差JIS B0410-1991 金属板剪切件一般公差JIS B0411-1978 无公差指示的金属烧结件尺寸的允许偏差JIS B0415-1975 钢模锻件的尺寸公差(锤锻及压锻加工)JIS B0416-1975 钢模锻件的尺寸公差(镦锻加工)JIS B0417-1979 气割钢板未标注的可允许尺寸偏差JIS B0418-1999 自由锻造件的加工余量JIS B0419-1991 一般公差.第2部分:未标注公差零件的几何公差JIS B0601-2001 产品几何量技术规范.表面结构:轮廓法.术语、定义和表面结构参数JIS B0610-2001 产品几何量技术规范.表面结构:轮廓法.展成圆波纹度的定义和名称与符号顶端Posted: 2007-03-24 08:35 | 1 楼tintyjin级别: 学徒工精华: 0发帖: 35威望: 5 点金钱: 317 机械币贡献值: 0 点注册时间:2006-11-0 8最后登录:2009-05-2 3 小中大引用推荐编辑只看复制招聘(广告)JIS B0612-2002 产品几何量技术规范.圆锥度和刃角系列JIS B0613-1976 中心距的允许偏差JIS B0614-1987 圆锥公差系统JIS B0615-2002 产品几何量技术规范.棱体的角度及斜度系列JIS B0616-1996 圆锥配合体系JIS B0621-1984 几何偏差的定义及名称和符号JIS B0631-2000 几何产品规范(GPS).表面纹理:断面法.花纹图案参数JIS B0632-2001 产品几何量技术规范(GPS).表面结构:轮廓法.相位校正过滤器的计量特征JIS B0633-2001 产品几何量技术规范(GPS).表面结构:轮廓法.表面特征评估规则和程序JIS B0641-1-2001 产品几何量技术规范(GPS).通过工件测量进行检验和测量设备.第1部分:判定是否符合技术要求的规则JIS B0651 ERRATUM 1-2002 产品几何量技术规范(GPS).表面结构:轮廓法.触针式仪器的标称特征(勘误1)JIS B0651-2001 产品几何量技术规范.表面结构:轮廓法.触针式仪器的标称特性JIS B0652-1973 光波干涉式表面粗糙度测定仪JIS B0659-1-2002 产品几何量技术规范(GPS).表面结构:轮廓法.测量标准.第1部分:材料测量JIS B0670-2002 产品几何量技术规范(GPS).表面结构:轮廓法.触针式仪器的校正JIS B0671-1-2002 产品几何量技术规范(GPS).表面结构:轮廓法.有分层功能特性的表面.第1部分:过滤和一般测量条件JIS B0671-2-2002 产品几何量技术规范(GPS).表面结构:轮廓法.有分层功能特性的表面.第2部分:利用线性材料比率曲线表征高度JIS B0671-3-2002 产品几何量技术规范(GPS).表面结构:轮廓法.有分层功能特性的表面.第3部分:利用材料概率曲线表征高度JIS B0672-1-2002 产品几何量技术规范(GPS).几何特性.第1部分:一般术语和定义JIS B0672-2-2002 产品几何量技术规范(GPS).几何特性.第2部分:圆柱体和圆锥体的提取中心线、提取中心面和提取要素的中心尺寸JIS B0701-1987 切削加工件的圆度和倒棱JIS B0702-1977 冲压件的倒圆角JIS B0703-1987 铸件的圆度JIS B0706-1987 锻件的棱和圆角(热壳和温壳锻件)JIS B0711-1976 磨削余量JIS B0712-1969 精整切削的机械加工留量JIS B0901-1977 轴的直径JIS B0902-2001 发动和从动机旋转轴高度JIS B0903-2001 圆柱形轴端JIS B0904-2001 锥度比例1:10的圆锥形轴端JIS B0905-1992 旋转电机.刚性转子的平衡质量要求JIS B0906-1998 机械振动.用非旋转部件上的测量法评定机械振动.一般导则JIS B0907-1989 转动机械及往复式机械的振动.振动强度测定器的要求JIS B0908-1991 振动及冲击传感器的校准方法.基本概念JIS B0909-1993 冲击和振动测量.地震拾波器特性JIS B0910-1999 非往复机器的机械振动.旋转轴的测量和评估标准.一般指南JIS B0911-2000 机械振动.不平衡设备的敏感度和灵敏性JIS B0951-1962 滚花JIS B0952-1999 机床工具台.T型槽和相应螺栓JIS B1001-1985 螺栓和螺纹用通孔与沉孔的直径JIS B1002-1985 螺钉头、螺母的对边宽度尺寸JIS B1003-2003 紧固件.ISO米制外螺纹部件端头JIS B1004-1975 螺纹底径JIS B1005-2003 一般用途的螺栓和螺钉.米制系列.端头半径JIS B1006-1985 外螺纹紧固件螺纹尾部长度与退刀槽JIS B1007-2003 攻丝螺钉螺纹JIS B1008-1988 螺栓、螺钉和螺柱的开口销槽和金属丝孔JIS B1009-1991 螺栓、螺钉和螺柱.一般用途螺栓的公称长度及螺纹长度JIS B1010-2003 紧固件的名称与符号体系JIS B1011-1987 中心孔JIS B1012-1985 螺钉头十字槽JIS B1013-1994 埋头螺钉.头部外形和量规JIS B1014-1994 埋头法兰头螺钉.第2部分:十字凹槽贯穿深度JIS B1015-2001 螺栓和螺钉的六小叶片内推进特性JIS B1021-2003 紧固件公差.第1部分:螺栓、螺钉、螺柱和螺母.产品等级A、B和C级JIS B1022-1999 紧固件公差.第3部分:螺栓,螺钉和螺母的垫圈.A级和C级产品JIS B1041-1993 紧固件.表面缺陷.第1部分:普通要求用螺栓、螺钉和螺柱JIS B1042-1998 紧固件.表面不连续性.第2部分:螺母JIS B1043-1993 紧固件.表面缺陷.第3部分:特殊要求用螺栓、螺钉和螺柱JIS B1044-2001 紧固件.电镀覆层JIS B1045-2001 紧固件.氢蚀致脆探测的预加负荷试验.滑动轴承表面法JIS B1051 ERRATUM 1-2001 碳素钢和合金钢紧固件的机械特性.第1部分:螺栓、螺钉和螺柱(勘误1)JIS B1051-2000 碳素钢和合金钢紧固件的机械特性.第1部分:螺栓、螺钉和螺柱JIS B1052-1998 钢制螺母的机械性能JIS B1053-1999 用碳钢和合金钢制成的紧固件的机械特性.不超过拉伸强度的紧固螺纹和类似螺纹紧固件JIS B1054-1-2001 耐腐蚀不锈钢紧固件的机械特性.第1部分:螺栓、螺钉和螺柱JIS B1054-2-2001 耐腐蚀不锈钢紧固件的机械特性.第2部分:螺母JIS B1054-3-2001 耐腐蚀不锈钢紧固件的机械特性.第3部分:无拉伸应力的定位螺钉和类似紧固件JIS B1055-1995 自攻螺钉.机械性能JIS B1056-2000 有效力矩型钢制六角头螺母.机械和操作性能JIS B1057-2001 有色金属紧固件的机械性能JIS B1058-1995 紧固件的机械特性.第7部分:扭力试验和标称直径为1mm-10mm的螺栓和螺钉的最小转力JIS B1059-2001 带自攻螺钉螺纹的钻孔螺钉.机械和功能特性JIS B1060-2003 表面淬火和回火的米制螺纹轧制螺钉的机械和性能要求JIS B1071-1985 紧固件几何尺寸的测定方法JIS B1081 ERRATUM 1-2000 螺纹紧固件.轴向负荷疲劳试验.试验方法和结果评定(勘误1)JIS B1081-1997 螺纹紧固件.拉伸疲劳试验方法.试验方法和结果评定JIS B1082-1987 紧固件的应力面积和支撑面积JIS B1083-1990 螺纹紧固件的紧固通则JIS B1084-1990 螺纹紧固件的紧固试验方法JIS B1085-1995 螺母的圆锥装载试验JIS B1086-1998 螺母的加宽试验JIS B1087-2004 埋头铆钉.机械试验JIS B1091-2003 紧固件.验收检验JIS B1101-1996 槽头螺钉JIS B1107-2004 Hexalobular凹头螺钉JIS B1111-1996 十字槽螺钉JIS B1112-1995 十字槽木螺钉JIS B1115-1996 槽头自攻丝螺钉JIS B1116-1980 精密仪器用槽头机螺钉JIS B1117-1995 有槽定位螺钉JIS B1118-1995 方头定位螺钉JIS B1119-1995 眼镜框架用小螺钉和螺母JIS B1122-1996 十字槽自攻丝螺钉JIS B1123-1996 六角头自攻丝螺钉JIS B1124-2003 带攻丝螺钉螺纹的钻孔螺钉JIS B1125-2003 自钻孔自攻丝螺钉JIS B1126-1995 带垫圈六角头自攻螺钉JIS B1127 ERRATUM 1-2001 六角法兰头自攻螺钉(勘误1) JIS B1127-1995 六角自攻螺钉边缘JIS B1128-2004 Hexalobular凹头攻丝螺钉JIS B1129-2004 带平垫圈的攻丝螺钉垫圈组件JIS B1135-1995 有槽木螺钉JIS B1136-2004 Hexalobular内六角螺钉JIS B1163-2001 方螺母JIS B1166-1995 T型槽螺栓JIS B1167-2001 T型槽螺母JIS B1168-1994 吊环螺栓JIS B1169-1994 吊环螺母JIS B1170-2001 带槽六角螺母JIS B1171-1996 半圆头方颈螺栓顶端Posted: 2007-03-24 08:38 | 2 楼tintyjin级别: 学徒工精华: 0发帖: 35威望: 5 点金钱: 317 机械币贡献值: 0 点注册时间:2006-11-0 8 小中大引用推荐编辑只看复制招聘(广告)JIS B1173-1995 螺柱JIS B1174-2000 六角凹头螺钉JIS B1175-1988 六角凹头有肩螺钉JIS B1176-2000 六角凹头平头螺钉JIS B1177-1997 六角凹头紧定螺钉JIS B1178-1994 地脚螺钉JIS B1179-1994 平头螺钉JIS B1180-2004 六角头螺栓和螺钉JIS B1181-2004 六角螺母和六角薄螺母JIS B1182-1995 方头螺栓JIS B1183-2001 六角盖形螺母JIS B1184-1994 蝶形螺栓JIS B1185-1994 蝶形螺母最后登录:2009-05-2 3 JIS B1186-1995 摩擦连接用高强度六角螺栓、六角螺母及带垫圈平头螺钉系列JIS B1187-1995 带系紧垫圈的六角螺钉JIS B1188-1995 带系紧垫圈的十字槽螺钉JIS B1189-1999 六角法兰螺栓JIS B1190-1999 带法兰的六角螺母JIS B1192-1997 滚珠丝杠JIS B1193-2004 滚珠花键JIS B1194 ERRATUM 1-2000 六角套节埋头螺钉(勘误1)JIS B1194-2000 六角套节埋头螺钉JIS B1195-1994 焊接螺栓JIS B1196-2001 焊接螺母JIS B1198-1995 带头的螺柱JIS B1199-1-2001 一般扭矩型螺母.第1部分:带非金属螺孔塞的六角螺母JIS B1199-2-2001 一般扭矩型螺母.第2部分:全金属六角螺母JIS B1199-3-2001 一般扭矩型螺母.第3部分:带非金属螺孔塞的凸缘六角螺母JIS B1199-4-2001 一般扭矩型螺母.第4部分:全金属凸缘六角螺母JIS B1213-1995 冷成型铆钉JIS B1214-1995 热成型铆钉JIS B1215-1976 半管型铆钉JIS B1251 ERRATUM 1-2001 弹簧垫圈(勘误1)JIS B1251-2001 弹簧垫圈JIS B1256 ERRATUM 1-2002 普通垫圈(勘误1)JIS B1256-1998 平垫圈JIS B1301-1996 键及其键槽JIS B1351-1987 开口销JIS B1352-1988 圆锥销JIS B1353-1990 开口圆锥销JIS B1354-1988 平行销JIS B1355-1990 定位销(硬化平行销)JIS B1358-1990 锥形螺纹销JIS B1359-1990 内螺纹平行销JIS B1451-1991 法兰盘式刚性联轴器JIS B1452-1991 法兰盘式挠性联轴器JIS B1453-1988 齿轮形联轴器JIS B1454-1988 球形万向接头JIS B1455-1988 橡胶联轴器JIS B1456-1989 滚子链轮联轴器JIS B1501-1988 滚珠轴承用钢球JIS B1506-1991 滚柱轴承用滚柱JIS B1509-1987 滚动轴承的定位卡环JIS B1511-1993 滚动轴承.通则JIS B1512-2000 滚动轴承.主要尺寸JIS B1513-1995 滚动轴承.名称和符号JIS B1514-2000 滚动轴承.公差JIS B1515-1988 滚动轴承的测量方法JIS B1516-1987 滚动轴承和包装件的标记JIS B1517-1984 滚动轴承的包装JIS B1518-1992 滚动轴承的额定动力荷载及额定寿命JIS B1519-1989 滚动轴承的额定静负荷JIS B1520-1995 滚动轴承的径向游隙JIS B1521-1993 滚动轴承.深沟滚珠轴承JIS B1522-1993 滚珠轴承.角接触滚球轴承JIS B1523-1993 滚动轴承.自位滚珠轴承JIS B1532-1993 滚动轴承.平底止推滚珠轴承JIS B1533-1993 滚动轴承.圆柱滚柱轴承JIS B1534-1993 滚动轴承.圆锥滚柱轴承JIS B1535-1993 滚动轴承.自位滚柱轴承JIS B1536-1999 滚针轴承.针滚动轴承.尺寸和公差JIS B1539-1993 滚动轴承.自位止推滚柱轴承JIS B1548-1995 滚动轴承声压级测定方法JIS B1551-1995 滚动轴承配件.轴台轴承箱JIS B1552-1993 滚动轴承.接头组件和紧固套JIS B1554-1993 滚动轴承.防松螺母、锁紧垫圈和锁片JIS B1556-1993 滚动轴承.转接套和螺母JIS B1557-1995 滚动轴承.插入式轴承装置JIS B1558-1995 滚动轴承.插入式轴承JIS B1559-1995 滚动轴承.插入式轴承用铸造外壳和加压箱JIS B1566-1989 滚动轴承的安装尺寸和配合JIS B1575 ERRATUM 1-2001 油脂枪喷嘴(勘误1)JIS B1575-2000 油脂枪喷嘴JIS B1582-1996 轴颈轴承用轴衬JIS B1583-1999 滑动轴承.表面变化和损害原因及特性和术语JIS B1601-1996 带有定心孔的圆柱形轴用直边花键.尺寸、公差及检验JIS B1603-1995 渐开线花键的直线轨迹.适合边缘.概要、尺寸和检验顶端Posted: 2007-03-24 08:42 | 3 楼tintyjin小中大引用推荐编辑只看复制招聘(广告)JIS B1701-1-1999 一般和重型机械用圆柱型齿轮.第1部分:标准基本齿条齿刨面图JIS B1701-2-1999 一般和重型机械用圆柱型齿轮.第2部分:模数级别: 学徒工精华: 0发帖: 35威望: 5 点金钱: 317 机械币贡献值: 0 点注册时间:2006-11-0 8最后登录:2009-05-2 3 JIS B1702-1-1998 圆柱齿轮.准确度的ISO体系.第1部分:齿轮啮合对应齿根面相应偏差的容许值和定义JIS B1702-2-1998 圆柱齿轮.准确度的ISO体系.第2部分:有关放射要素偏差度和输出信息相应偏差度的容许值和定义JIS B1704-1978 锥齿轮的准确度JIS B1705-1973 锥齿轮的齿隙JIS B1706-1-1999 一般机械用直伞型齿.第1部分:基本齿条JIS B1706-2-1999 一般和重型机械用直锥齿轮.第2部分:模数和直径齿节JIS B1723-1977 圆柱蜗轮尺寸JIS B1751-1976 检验用标准圆柱齿轮JIS B1753-1999 齿轮验收.由齿轮单元发出的空气传播的声音强度级别的测定JIS B1754-1998 齿轮验收规程.第2部分:验收试验过程中齿轮装置机械振动的测定JIS B1755-1999 斜齿轮和正齿轮的负载容量的计算.材料的强度和质量JIS B1801-1997 短齿距传动精度传动滚子链及套筒链JIS B1803-1998 输送机用双节距精密滚子链条JIS B1804-1993 片状链JIS B1810-1999 滚动链选择指南JIS B1852-1980 平带传动皮带轮JIS B1854-1987 老式V型皮带用带槽的皮带轮JIS B1855-1991 窄V型皮带用带槽皮带轮JIS B1856-1993 同步皮带传动.皮带轮JIS B1857-1-2001 通用电力传输用曲线式锯齿形同步皮带驱动系统.第1部分:皮带JIS B1857-2-2001 通用电力传输用曲线式锯齿形同步皮带驱动系统.第2部分:皮带轮JIS B2001-1987 阀门的公称直径和孔径JIS B2002-1987 阀门的结构尺寸JIS B2003-1994 阀门检查通则JIS B2004-1994 阀门的标志通则JIS B2007-1993 工业过程控制阀.检验和常规试验JIS B2011 AMD 1-2004 青铜闸阀、球阀、角阀和止回阀(修改件1) JIS B2011-2003 球形、直角形青铜阀和单向阀JIS B2031-1994 灰口铸铁阀JIS B2032-1995 圆片形橡胶板蝶阀JIS B2051-1994 10K可锻铸铁螺纹式阀JIS B2061-2004 龙头、球形旋塞和冲洗阀JIS B2062-1994 水管用闸阀JIS B2071-2000 钢阀JIS B2205 ERRATUM 1-2001 管法兰的计算基础(勘误1)JIS B2205-1991 管法兰的计算标准JIS B2206-1995 铝合金管法兰的计算标准JIS B2207-1995 具有全密封垫铝合金管法兰的计算基础JIS B2220-2004 钢管法兰JIS B2239-2004 铸铁管法兰JIS B2240-1996 铜合金管法兰通则JIS B2241-1986 铝合金管法兰基本尺寸JIS B2290-1998 真空技术.法兰尺寸JIS B2291-1994 21 MPA液压用松套焊接管法兰JIS B2292-1-2000 液压传动.正排量泵和发动机.法兰和轴端装配的尺寸和识别代码.第1部分:用米制单位表示的英寸系列JIS B2292-2-2000 液压传动.正排量泵和发动机.法兰和轴端装配的尺寸和识别代码.第2部分:两孔和四孔法兰及轴端.米制系列JIS B2292-3-2000 液压传动.正排量泵和发动机.法兰和轴端装配的尺寸和识别代码.第3部分:多边法兰(包括圆形法兰)JIS B2293-2000 真空技术.管道配件.装配尺寸JIS B2301-2004 螺纹式可锻铸铁管接头JIS B2302-1998 螺旋式钢管配件JIS B2303-1995 螺纹连接式排水管接头JIS B2308-2002 不锈钢螺纹配件JIS B2311 AMD 1-2001 一般用途钢制对焊管配件(修改件1)JIS B2311-1997 一般用途钢制对焊管配件JIS B2312 AMD 1-2001 钢制对焊管配件(修改件1)JIS B2312-1997 钢制对焊管配件JIS B2313 AMD 1-2001 钢板制对焊管配件(修改件1)JIS B2313-1997 钢板制对焊管配件JIS B2316-1997 钢制套筒式焊接管配件JIS B2321-1995 铝及铝合金对焊接管接头JIS B2351-1 ERRATUM 1-2000 液动和通用金属管接头.第1部分: 24度SIGN压合配件(勘误1)JIS B2351-1 ERRATUM 2-2002 液压和通用金属管接头.第1部分: 24度SIGN压合配件(勘误2)JIS B2351-1-2000 液压和通用金属管接头.第1部分.24度SIGN压合接头JIS B2351-5-2000 液压和通用金属管接头.第5部分.螺纹液压接头试验方法JIS B2352-1994 波纹管式伸缩管接头JIS B2355-1-2000 液压和通用金属管接头.带ISO261螺纹和O环密封孔和螺栓.第1部分:平头处有O环密封的孔JIS B2355-2-2000 液压和通用金属管接头.带ISO261螺纹和O环密封孔和螺栓.第2部分:重负载螺栓端.尺寸设计试验方法和要求JIS B2355-3-2000 液压和通用金属管接头.带ISO261螺纹和O环密封孔和螺栓.第3部分:轻负载螺栓端.尺寸设计试验方法和要求JIS B2356-1-2001 液动和通用接头.弹性密封或金属间密封的有IS O 261螺纹的孔和螺柱端头.第1部分:螺纹孔JIS B2356-2-2000 液压和通用金属管接头.带ISO 261螺纹和弹性体或金属对金属密封的孔和螺栓.第2部分:带弹性密封的螺栓末端JIS B2358-1-2001 液动和通用接头.有ISO 261螺纹和O形环密封的孔和螺柱端头.第1部分:在平端罩中使用O形环密封件的孔JIS B2401 ERRATUM 1-2001 O型密封圈(勘误1)JIS B2401-1999 O型密封圈JIS B2402-1-2002 旋转轴唇形密封件.第1部分:标准尺寸和公差JIS B2402-2-2002 旋转轴唇形密封件.第2部分:词汇JIS B2402-3-2002 旋转轴唇形密封件.第3部分:储存、加工和安装JIS B2402-4-2002 旋转轴唇形密封件.第4部分:性能试验方法JIS B2402-5-2002 旋转轴唇形密封件.第5部分:视觉缺陷定义JIS B2403-1995 V型密封件JIS B2404-1999 管法兰用螺旋衬垫的尺寸JIS B2405-2003 机械密封件.一般要求JIS B2406-1991 O型密封圈装配槽.设计标准JIS B2407-1995 O型密封圈的保护圈JIS B2408-1993 液体系统.密封装置.O形环.质量验收标准JIS B2409-2002 液压传动.密封设备.油压往复设备用密封件性能评定的标准试验方法JIS B2704 ERRATUM 1-2001 螺旋压缩与拉伸弹簧.设计要求和性能试验方法(勘误1)JIS B2704-2000 螺旋压缩与拉伸弹簧.设计要求和性能试验方法JIS B2706 ERRATUM 1-2001 碟形弹簧(勘误1)JIS B2706-2001 碟形弹簧JIS B2709-2000 螺旋扭转弹簧.设计要求和性能试验方法JIS B2710-2000 片簧.设计要求和性能试验方法JIS B2801-1996 卸扣JIS B2803-1996 吊钩JIS B2804 ERRATUM 1-2001 挡圈(勘误1)JIS B2804-2001 挡圈JIS B2808-1999 垂直弹簧销.凹槽型JIS B2809-1996 钢丝绳.钢丝绳或钢丝绞合线用线夹JIS B3000-1997 工厂自动化.词汇JIS B3102-2001 螺纹极限量规用块规JIS B3301-1989 莫氏锥形量规JIS B3401-1993 计算机辅助设计术语集JIS B3402-2000 计算机辅助设计制图JIS B3410-1996 技术制图.绘图机.词汇JIS B3411-1-1998 数字控制绘图机.性能评定制图试验.第1部分:矢量绘图器JIS B3411-2-2002 数字控制绘图机.性能评定制图试验.第2部分:单色栅格绘图机JIS B3412-2002 绘图仪.特别条款JIS B3420-1993 数字转换器.特别条款JIS B3500-1990 可编程序控制器术语集JIS B3501-1997 程序控制器.通用信息JIS B3502-1997 程序控制器.设备要求和试验顶端Posted: 2007-03-24 08:46 | 4 楼tintyjin级别: 学徒工精华: 0发帖: 35威望: 5 点金钱: 317 机械币贡献值: 0 点注册时间:2006-11-0 8最后登录:2009-05-2 3 小中大引用推荐编辑只看复制招聘(广告)JIS B3503-1997 可编程序控制器.程序设计语言JIS B3511-1999 可编程序控制器.现场网络标准(1级)JIS B3512-1999 可编程序控制器.现场网络标准的试验和检定(1级) JIS B3521-2004 FA控制网络标准协议规范JIS B3551-1998 可编程序显示.词汇JIS B3600-2004 工业自动化系统.制造电文规范.第1部分:服务定义JIS B3601-2004 工业自动化系统.制造电文规范.第2部分:协议规范JIS B3651-2002 工业自动化系统和集成.生产自动化编程环境(MAP LE).功能结构JIS B3652-2002 工业自动化系统和集成.生产自动化编程环境(MAP LE).第2部分:服务和接口JIS B3700-101 Technical Corrigendum 1-2002 工业自动化系统和集成.产品数据的表示和交换.第101部分:综合应用资源:绘图(技术勘误1)JIS B3700-101-1996 工业自动化系统和集成电路.产品数据表示和信息交流.第101部分:综合应用方法:绘图JIS B3700-105-1998 工业自动化系统和集成电路.产品数据表示和交换.第105部分:综合应用方法:运动学JIS B3700-11 Technical Corrigendum 1-2002 工业自动化系统和集成.产品数据的表示和交换.第11部分:描述方法:EXPRESS语言参考手册(技术勘误1)JIS B3700-11-1996 工业自动化系统和集成电路.产品数据表示和信息交流.第11部分:描述方法:EXPRESS语言参考手册JIS B3700-1-1996 工业自动化系统和集成电路.产品数据表示和信息交流.第1部分:综述和基本原理JIS B3700-201-1997 工业自动化系统和集成电路.产品数据表示和信息交流.第201部分:应用协议:显绘图JIS B3700-202-1998 工业自动化系统和集成电路.产品数据表示和交换.第202部分:应用协议:联合制图JIS B3700-203 Technical Corrigendum 1-2002 工业自动化系统和集成.产品数据的表示和交换.第203部分:应用协议:布局受控设计(技术勘误1)JIS B3700-203-1997 工业自动化系统和集成电路.产品数据表示和信息交流.第203部分:应用协议:布局受控设计JIS B3700-21-1996 工业自动化系统和集成电路.产品数据表示和信。
jis 不锈钢标准JIS不锈钢标准。
JIS是日本工业标准的缩写,而不锈钢是一种耐腐蚀的金属材料。
JIS不锈钢标准是指日本工业标准化组织所制定的不锈钢产品的技术规范和质量要求。
JIS不锈钢标准涵盖了不锈钢材料的分类、化学成分、机械性能、加工工艺、检测方法等方面的规定,对于不锈钢产品的生产、加工和质量控制具有重要的指导作用。
首先,JIS不锈钢标准对不锈钢材料的分类进行了详细的规定。
根据不同的化学成分、组织结构和用途,不锈钢被分为多个牌号,比如SUS304、SUS316等。
每种牌号都有其特定的化学成分和机械性能要求,以满足不同工程领域的需求。
同时,JIS不锈钢标准还对不锈钢材料的表面处理、尺寸公差、外观质量等进行了详细的规定,确保不锈钢产品能够满足用户的各种要求。
其次,JIS不锈钢标准对不锈钢材料的化学成分和机械性能进行了严格的要求。
不锈钢的主要成分是铁、铬、镍等合金元素,不同的成分比例会影响不锈钢的耐腐蚀性能和机械性能。
JIS不锈钢标准对不同牌号的不锈钢材料的化学成分进行了具体的规定,并要求对不锈钢材料进行拉伸试验、冲击试验、硬度测试等,以确保其符合标准规定的机械性能要求。
另外,JIS不锈钢标准还对不锈钢产品的加工工艺和质量控制进行了详细的规定。
不锈钢材料的加工包括热加工和冷加工两种方式,JIS不锈钢标准对不同加工工艺的要求进行了具体的规定,以确保加工后的不锈钢产品能够保持其原有的性能和质量。
同时,JIS不锈钢标准还对不锈钢产品的质量控制进行了严格的要求,包括对产品外观、尺寸、化学成分、机械性能等方面的检测方法和标准,以确保不锈钢产品的质量稳定和可靠。
总的来说,JIS不锈钢标准是不锈钢行业的重要标准之一,它规定了不锈钢产品的技术要求和质量控制标准,对于不锈钢产品的生产、加工和质量控制具有重要的指导作用。
遵循JIS不锈钢标准生产的不锈钢产品,不仅具有良好的耐腐蚀性能和机械性能,而且能够满足用户的各种要求,为不锈钢产品的应用提供了可靠的保障。
C:0.33~0.38、Si :0.15~0.35、Mn :0.60~0.90、Mo:0.15~0.3(P≤0.030、S≤0.030、Cr:0.90~1.20、Ni≤0.25、Cu≤0.30)SCM435SWRMPTFE(聚四氟乙烯)FEP(全氟乙烯丙烯共聚物)PFA(全氟烷氧基树脂)PE(聚乙烯)一种使用了氟取代聚乙烯中所有氢原子的人工合成高分子材料。
这种材料具有抗酸抗碱、抗各种有机溶剂的特点,几乎不溶于所有的溶剂。
聚四氟乙烯本身对人无毒性。
有密封性、高润滑不粘性、电绝缘性和良好的抗老化能力、耐温优异(能在+250℃至-180℃的温度下长期工作)一种软性塑料,是聚四氟乙烯的改性材料。
其拉伸强度、耐磨性、抗蠕变性低于许多工程塑料。
化学惰性,不引燃,可阻止火焰的扩散。
具有优良的耐候性,摩擦系数较低。
几乎对所有的化学试试剂和溶剂惰性,但和其他全氟碳聚合物一样,会与熔融碱金属和元素氟反应。
常温下PFA材料物理机械性能与PTFE十分相似,高温时强度比FEP好,耐力开裂性显著优于FEP。
在日本JIS-G3505标准中,SWRM代表成分不同分为 SWRM6、SWRM8、SSWRM15、SWRM17、SWRM乙烯经聚合制得的一种热塑性树脂。
聚乙烯无臭,无毒,手感似蜡,具有优良的耐低温性能(最低使用温度可达-70~-100℃),化学稳定性好,能耐大多数酸碱的侵蚀(不耐具有氧化性质的酸)。
常温下不溶于一般溶剂,吸水性小,电绝缘性能优良。
性能铬钼钢中文商品名“特氟龙”、“特氟隆”(teflon),被称“塑料王”,被广泛地应用作为密封材料和填充材料。
用作工程塑料,可制成聚四氟乙烯管、棒、带、板、薄膜等,一般用于性能要求较高的耐腐蚀的管道、容器、泵、阀以及制雷达、高频通讯器材、无线电器材等。
有很高的静力强度、冲击韧性及较高的疲劳极限。
用作在高负荷下工作的重要结构件,如车辆和发动机的传动件;汽车发电价的转子、主轴、重载荷的传动轴,大断面零件。
日本标准JIS牌号的说明一、S非机械结构用钢牌号表示方法:JIS非机械结构用钢牌号原则上由以下三部分构成:1,表示材质;2,表示产品的品种类别及用途;3,细分类例:S S 400 S PHT 11 2 3 1 2 3详细说明:1、用英文字母或罗马字头表示材质,钢铁材料大部分用S(STEEL)或F(Ferrum)。
例外的有:1,少数铁合金用元素化学符号直接表示如SiMn(矽锰合金)、MCr(金属铬);2,含硅电工钢SXXX(S:Silicon),(已于1987年废止)。
2、用英语字母或罗马字头表示板、棒、管、线材、铸件等的产品品种形状类别以及用途,位数视不同产品而不同,常见的符号举例如下:S(Structure结构用);PC(Plate Cold冷轧薄板带);M(Marine转义焊接);PH(Plate Hot热轧薄板带);B(Boiler锅炉用);PHT(Plate Hot Tube管用热轧钢带);C(Casting铸件);PFH(Plate Formability Hot冷成型用热轧板带);F(Forging锻件);USB(Use Stainless Bar特殊用途不锈钢棒);EC(Electrolytic Cold冷轧电镀锌)GH(Galvainized Hot热轧基板热镀锌);3、用英文字母或数字表示产品细分类或规定强度值(最低抗拉强度或屈服强度值),常见的符号举例如下:SM490(490为以MPa为单位的最低抗拉强度值);SPCC(Commercial一般用);SG295(295为以MPa为单位的最低屈服强度值);SPHT1(1种)除上述牌号组成外,为了进一步说明形状、制造方法、热处理等内容,在牌号后还可标以附加符号,常见的符号举例如下:CP(Cold Plate冷轧板);CS(Cold Strip冷轧带);WR(Wire Rod线材);HP(Hot Plate热轧板);HS(Hot Strip热轧带);TP(Tube Pipes配管用管);R(Rimmed沸腾钢);K(Killed镇静钢);A(铝镇静钢);R(as-rolled轧制状态);A(annealing 退火);N(normalize正火);Q(调质);NT(正火+回火);TMC(控制轧制)。
硬度单位jis
JIS(日本工业标准)硬度是日本工业标准委员会定义的,用于表示金属、塑料等材料的硬度。
日本工业规格(JIS),是由日本工业标准调查会(JISC)组织制定和审议的。
JIS是日本国家级标准中最重要、最权威的标准,以推动日本工业标准化,工业产品形状、质量、性能、生产方法、测试方法等全国统一化。
JIS认证对象除药品、农药、化学肥料、蚕丝、食品以及其他农林产品另有专门的标准或技术规格外,涉及到各个工业领域。
以上就是关于JIS硬度的信息,如果还有疑问,建议咨询专业人士。
日本JIS 标准的钢号表示方法JIS 是现行的日本工业标准(Japanese Industrial Standard )的代号。
日本的钢铁材料标准规格,经过了多次更换,早先采用的JES 标准(Japanese Engineering Standard ),即“旧JES ”(JES original ),以及“临时JES ”(JES temporary)和JES 金属“,现在均己被JIS 标准所代替,而另外一些标准则己废弃不用了。
JIS 标准自1974年起引入国标单位(SI ),与原来的非SI 单位并用,并且计划逐步过渡到全面采用国标单位。
JIS 钢铁材料规格,分为铁和钢两大类。
铁类又分为生铁,铁合金和铸铁。
钢又分为普通钢、特殊钢和铸锻钢,其中普通钢按形状又分为条钢、厚钢、薄钢、钢管、线材和钢丝,特殊钢按特性又分为结构钢、工具钢、特殊用途钢等。
一、 JIS 钢号表示方法概述JIS 号按照上述的分类,原则上由三部分组成,例如:S S 34 S UP S结合以上例子,对JIS 标准的钢号表示方法作以下几点分析:(一)钢号第一部分采用英文字母,表示产材料分类。
例如:“S ”表示(Steel ),“F ”表示铁(Ferrum ),“M ”表示磁性材料或纯金属(Magnet, Metallic-),等等。
但“S ”为首的牌号也有例外,如“SP ”表示镜铁(Spiegeleisen );”Sxx ”表示冷轧硅钢片(S 是Silicon 的缩写),“SiMn ”表示硅锰合金(Silicon-Manganese ).(二)钢号第二部分采用英文字母或假名拼音的罗马字,表示用途、钢材种类及铸锻件制品等。
大部分钢号第二位字母为K——工具)(Kogu);U——特殊用途(Use);P——薄板(Plate);T——钢管(Tube);W——线材、钢丝(Wire);C——铸件(Casting);F——锻材(Forging)。
为了进一步区分,钢号第二部分常采用几个字母组合来表示,见表1.36;其中结构钢材号的表示方法与其他各组钢号不同,详见本节之二。
jis灯具标准一、标准简介JIS(日本工业标准)灯具标准是日本制定的一种灯具规范,旨在确保灯具产品的安全和性能符合日本市场的需求。
该标准涵盖了灯具的各个方面,包括设计、材料、制造工艺、安全性能等。
本文档将介绍JIS灯具标准的重点内容。
二、设计要求1. 外观要求:灯具的外观应符合JIS标准的规定,包括形状、尺寸、颜色等方面。
灯具的表面应光滑、无瑕疵、无锐角,易于清洁和保养。
2. 结构要求:灯具应具有合理的结构,能够承受使用过程中的各种应力,如振动、温度变化、机械冲击等。
灯具的各个部件应固定牢固,不得松动。
3. 安装要求:灯具的安装方式应符合JIS标准的规定,包括固定方式、连接方式、电源线连接等。
安装过程中应注意安全,确保不会发生触电、坠落等危险。
4. 配件要求:灯具应配备合格的灯泡、镇流器、导线等配件,配件的质量应符合JIS标准的要求。
灯泡的功率、类型应符合产品说明书的约定。
三、材料要求1. 金属材料:灯具的金属部分应采用优质材料制作,如不锈钢、铝合金等。
金属表面应进行防腐处理,如喷漆、烤漆等。
2. 非金属材料:灯具的非金属部分应采用无毒、无害、耐高温、耐腐蚀的材料制作。
非金属材料表面应进行阻燃处理,不得产生有害物质。
3. 灯座:灯座应采用绝缘材料制作,表面应光滑、无瑕疵、易于拆卸。
灯座与灯泡的接触面应平整,接触良好。
4. 电源线:电源线应采用符合JIS标准规定的导线,不得使用有破损、老化、劣质导线。
电源线的长度和截面积应符合JIS标准的规定。
四、制造工艺要求1. 生产环境:灯具的生产环境应符合JIS标准的规定,包括生产设备、生产流程、生产环境卫生等方面。
生产过程中应注意防止污染和交叉感染。
2. 制造流程:灯具的制造流程应合理、规范,确保产品质量和安全。
制造过程中应注意工艺控制和检测,确保产品符合标准要求。
3. 装配精度:灯具的各个部件应装配准确,确保产品的性能和质量。
装配过程中应注意精度控制和检测,确保产品符合标准要求。
日本工业标准JIS简介JIS(Japanese Industrial Standards)是日本工业标准的代号。
JIS的制定对象是矿业品及工业制品。
但在工业制品中具有特殊标准体系的药品、农药、化肥以及农业物资不作为JIS的制订对象。
JIS标准是由日本工业标准调查会JISC(Japanese Industrial Standards Committe)所制订的标准,该组织是日本官方机构,由通产省大臣和副大臣任JISC的正、副会长。
办事机构是日本通产省工业技术院,成员包括各方面专家、学者、政府部门及消费者代表,主要任务是审批、发布JIS标准。
这样的建制是由1949年7月1日实施《工业标准化法》后实施的。
JIS标准按其标准对象分类。
目前共有“土木建筑”、“汽车”、“钢铁”、“有色金属”等18类部门,各用英文字母表示(标于标准号中的“JIS”和“××××(标准号)”之间)。
与我们相关的钢铁→G;化学→K;其他(包括试验方法、焊接等)→Z。
按JIS标准内容的性质分为:①产品标准②试验方法标准③基础标准。
JIS标准制定过程有着标准化的程序,并保持透明度。
从制订项目的确立、标准草案的制定、标准审议等过程均在官方标准化杂志上发布官方公告,供任何有兴趣有意见者有机会提出自己的意见。
目前,JIS 共计有8000多个标准,其中钢铁标准有320多个,JIS钢铁标准的特点是除机械结构钢外,标准中“钢”与“钢产品”是统一的,并且用途特点比较突出,在使用上比较方便。
除试验方法以标准外,不存在标准引用标准的复杂情况。
同时,标准指标比较粗线条,同一标准可供制造厂在生产产品时具有较大自由度。
日本于1952年参加ISO,1953年参加IEC,为了达到WTO/TBT协定(世贸组织标准守则)的要求,日本积极参加ISO标准的制定工作并任多个技术委员会的秘书国,并于1995年3月制定了“JIS与ISO整合化”的三年计划,目前已在多个JIS标准后附上相应ISO标准内容,并尽量也其靠拢。
JIS94标准一、引言在许多行业中,特别是金属加工和制造业,JIS94标准是广泛使用的一种规范。
本文将详细解析JIS94标准,包括其起源、目的、内容和应用,以帮助读者更好地理解和应用这一标准。
二、JIS94标准的起源和目的JIS94是由日本工业标准委员会(Japanese Industrial Standards Committee)制定的,主要用于描述金属材料的机械性能。
这个标准的目的是为了确保金属材料的性能满足特定的工业要求,从而提高产品质量和安全性。
三、JIS94标准的主要内容JIS94标准主要包括以下几个方面的内容:1. 材料的机械性能:这部分主要描述了金属材料在各种条件下的强度、硬度、韧性等机械性能。
2. 材料的热处理:这部分主要描述了金属材料在热处理过程中的性能变化。
3. 材料的冲击性能:这部分主要描述了金属材料在受到冲击时的抗冲击性能。
4. 材料的疲劳性能:这部分主要描述了金属材料在反复加载和卸载下的疲劳性能。
5. 材料的断裂韧性:这部分主要描述了金属材料在断裂过程中的韧性。
四、JIS94标准的应用JIS94标准广泛应用于各种金属材料的生产和加工过程中,包括钢铁、铝、铜、钛等。
这些材料在被用于制造各种产品之前,都需要通过JIS94标准的测试,以确保其性能满足产品的要求。
此外,JIS94标准也被用于评估和比较不同材料的性能,以帮助工程师和设计师选择最适合的材料。
五、结论JIS94标准是一个重要的工业标准,它为金属材料的生产和加工提供了明确的指导。
通过理解和应用JIS94标准,我们可以确保金属材料的性能满足产品的要求,从而提高产品的质量和安全性。
同时,我们也可以通过比较不同材料的性能,选择最适合的材料,从而提高产品的效率和可靠性。
六、参考文献1. Japanese Industrial Standards Committee. (2008). JIS Z 2241: Metallic materials -Tensile testing at elevated temperatures. Tokyo, Japan: Author.2. Japanese Industrial Standards Committee. (2010). JIS Z 2247: Metallic materials -Impact testing at room temperature. Tokyo, Japan: Author.3. Japanese Industrial Standards Committee. (2012). JIS Z 2275: Metallic materials -Fatigue testing. Tokyo, Japan: Author.4. Japanese Industrial Standards Committee. (2014). JIS Z 2245: Metallic materials -Fracture toughness testing. Tokyo, Japan: Author.。
日本板带类JIS标准介绍日本是钢铁工业发展较快的国家之一,形成了比较完备的标准化体系,其板带方面的标准类别齐全,自成体系。
所有加工过程的产品均有相应的标准,而且不同加工过程产品在标准体系中都非常显著地表现出来,脉络非常清楚。
因而在台湾地区、韩国、东南亚等地都用日本标准,中国的钢材经销商也比较多地接触日本标准。
日本标准与西方标准最大区别在于对材料性能分级时,ISO标准及西方标准都按屈服强度来分级,而日本标准是采用抗拉强度。
在这方面日本标准一直未与ISO 标准接轨,只是在标准后附录ISO 标准。
日本标准相对比较陈旧,规范比较粗糙,其目的是留下空间让企业制定更严格的企业标准。
1. 日本板带方面的标准分类日本板带类标准按产品用途分为两大类,第一类是一般用(CQ)和冲压用(DQ)板带,第二类是结构用(SQ)板带。
这两大类材料的根本性区别在于因为用途不同,所以对材料要求的侧重点不同。
一般用和冲压用板带要求材料经过一定的变形加工后使用,因而需要较好的加工性能,即要较好的屈服强度,较高的延伸率,也就对化学成分提出了较高要求。
而结构钢一般不经过复杂的加工,直接用于各类工程结构方面,因而需要较高的强度,对延伸率要求相对较低一点,相对地对化学成分要求也不是很苛刻。
2. 日本一般用和冲压用板带的分级一般用和冲压用板带质量主要体现在加工性能上,所以按其所能达到的冲压级别分级,对于热轧板带(JIS G3131)和冷轧板带(JIS G3141)分三级,分别是一般用的商品(CQ)级、深冲(DQ)级和超深冲(EQ)级。
冲压级别的提高,要求材料的延伸率越来越高,相应地要求含碳量越来越低,有害元素磷、硫越来越少。
而对抗拉强度的要求达到基本的270N/mm2即可。
3. 日本标准结构用板带的分级结构用板带的品质体现在其使用性能方面,因而按其材料能够达到的力学性能分级,日本标准一般根据抗拉强度分级,即材料抵抗外力拉断的性能,分为340、400、440、490、570 N/mm2等五个级别。