熔炼工艺参数及操作要领
- 格式:doc
- 大小:46.00 KB
- 文档页数:4
熔炼操作工艺规程熔炼是一种将固体材料通过加热使其变为液体状态的工艺。
熔炼操作工艺规程是指在进行熔炼操作时需要遵守的一系列规定和步骤,旨在确保熔炼过程的安全性、高效性和质量稳定性。
下面将给出一个2000字的熔炼操作工艺规程的示例。
一、工艺概述熔炼操作工艺规程是针对金属材料的熔炼操作所编制的一份规程。
该规程适用于各种金属材料的熔炼,旨在确保熔炼过程的安全、高效和稳定。
二、设备及原材料准备1. 确保熔炼设备的正常工作状态,包括熔炼炉、燃烧器、温度控制系统等。
2. 检查原材料的质量和数量,并确保符合要求。
三、安全措施1. 熔炼过程中必须佩戴防护眼镜、手套和防护服等个人防护装备。
2. 确保熔炼设备周围的工作环境整洁有序,防止意外事故的发生。
3. 熔炼过程中,严禁使用易燃物品和具有爆炸危险的物品。
四、操作步骤1. 打开熔炼炉的进气阀和排气阀,启动燃烧器,并将火焰调至适当的大小和位置。
2. 将原材料放入熔炼炉中,根据需要添加熔剂。
3. 根据要求设定熔炼炉的温度,并通过温度控制系统进行控制和监测。
4. 慢慢提高熔炼炉的温度,确保原材料在适宜的温度下逐渐熔化。
5. 通过熔炼炉的出口观察原材料熔化的情况,并进行必要的调整。
6. 当原材料完全熔化后,关闭燃烧器,并将熔炼炉的温度调至恒定状态。
7. 根据需要进行熔炼炉的加料或倒炉操作。
8. 在熔炼完成后,将熔液倒入指定的铸模中,并进行冷却和固化。
9. 将固化后的材料取出并进行后续的加工和检验。
五、操作要点1. 控制熔炼炉的温度和时间,避免过热或过短的熔炼时间,影响材料的质量。
2. 利用熔炼炉的温度控制系统进行实时监测和调整,确保熔炼过程的温度稳定性。
3. 对于不同的金属材料,应根据其熔点和特性进行相应的熔炼参数设置。
4. 在加料或倒炉操作时,应遵循规定的程序和安全要求,严禁违反安全操作规范。
5. 定期对熔炼设备和温度控制系统进行检查和维护,确保其正常工作状态。
六、质量控制1. 在熔炼过程中,对原材料的质量进行监测和控制,确保其符合要求。
熔炼操作工艺规程是指在金属熔炼过程中所需遵守的一系列操作规范和工艺要求。
这些规程旨在确保熔炼过程的安全性、稳定性和高效性,以保证产品质量和生产效率。
以下为熔炼操作工艺规程的一般内容,供参考。
一、设备准备:1. 检查熔炼设备的运行状态,确保设备正常,无明显故障。
2. 准备所需的原材料,确保质量符合要求。
3. 准备工具、器皿等辅助设备,以备使用。
二、安全措施:1. 操作人员必须穿戴符合安全要求的工作服和防护用具。
2. 在工作场所设置明显的安全警示标志,并确保环境通风良好。
3. 操作前进行必要的安全培训,掌握熔炼过程中的安全风险和应急处理方法。
三、操作步骤:1. 按照熔炼配方和工艺要求,将原材料精确称量,并按比例加入熔炼设备。
2. 启动设备,将熔炼设备升至适宜的温度。
3. 监控熔炼温度和熔炼时间,确保熔炼达到预定要求。
4. 断开电源,停止熔炼设备运行。
5. 将熔炼后的金属液体倒出或导出,并用适当的工具进行处理。
6. 清洗熔炼设备,确保无残留物或杂质。
四、质量控制:1. 对原材料进行必要的质量检验,确保原材料质量符合要求。
2. 严格控制熔炼温度和时间,确保熔炼达到预定的金属成分和性能要求。
3. 进行熔炼后的金属液体的成分分析和性能测试,确保产品质量稳定可靠。
4. 对熔炼设备进行定期维护和保养,确保设备运行稳定和安全。
五、环境保护:1. 采取措施,减少废气、废水和固体废弃物的排放,并按规定进行处理。
2. 定期进行熔炼设备的环保检测,确保设备符合环保要求。
3. 加强环保意识教育,提高操作人员的环保意识。
六、事故处理:1. 发生事故时,立即采取措施确保人员安全,并及时向上级汇报。
2. 在事故得到控制后,进行事故原因分析,制定相应的防范措施。
3. 记录事故处理经过和教训,以便总结经验,提升安全防范水平。
七、操作记录:1. 按规定进行熔炼操作记录,包括熔炼过程中的温度、时间、原材料用量等关键参数。
2. 对熔炼后的金属液体进行成分和性能检测记录,以记录产品质量数据。
熔炼操作工艺规程1. 熔炼工艺流程熔炼是将原材料经过高温熔化后,形成合金或精炼金属的过程。
熔炼工艺流程包括以下步骤:1.1 原料准备熔炼的原材料通常是金属或合金块,有时需要添加其他金属、氧化物等助剂。
在选择原材料时,应注意其质量、纯度、成分等因素,同时还要考虑源头的可靠性和供货途径的稳定性。
1.2 炉料装入将原材料或助剂按照一定的比例放入熔炼炉中,并进行预热,使其达到熔化温度。
在炉料装入时,应注意不同金属或合金的熔点和密度等特性,以保证炉内材料的密度均匀。
1.3 熔炼过程熔炼过程是将炉内材料熔化并控制其温度和成分的过程。
熔炼过程通常分为预热、熔化和保温三个阶段。
为保证熔炼质量,需要对炉内温度、气氛、搅拌等参数进行严格的控制和监测。
1.4 出炉当熔炼达到预定工艺要求后,停止加热并进行冷却,最终通过出炉口将熔融物进行收集和分离。
在出炉过程中,对熔融物的流动速度、温度和分离效果进行调整,以保证所得产品的质量。
2. 熔炼工艺操作要点为了保证熔炼工艺能够顺利进行和所得产品质量可控,需要注意以下操作要点:2.1 清洁卫生熔炼工作环境要求清洁整洁,减少或避免杂质的混入。
特别是在重要生产时段,操作区内应该做到人员尽量少进出,以免影响熔炼的稳定性。
2.2 安全生产熔炼作业涉及高温、高压等危险因素,必须保证操作人员身体素质良好、配备安全装备并进行严格的安全施工规范。
同时,定期检查操作设备的安全控制系统,以确保熔炼作业过程中安全性高、可靠性强。
2.3 熔化条件控制熔化过程的温度、时间、搅拌效果等参数的控制是影响熔炼成品质量的关键因素之一。
在熔炼过程中,通过对炉内的气氛、搅拌和排渣等控制,以确保炉内能够较好地实现温度均匀、金属成分稳定的均化效果。
2.4 出炉控制出炉后的熔融物可以通过分离的方式进行初步处理,减少杂质混入。
为此,需要在出炉前掌握熔融物流动速度、温度和分离情况等信息。
同时,还需要对收集、运输和储存方式进行仔细的规划和安排,以保证熔融物质量的稳定性和安全性。
熔炼操作工艺规程范文第一章总则第一条为规范熔炼操作工艺,提高生产效率,保证产品质量,制定本规程。
第二条本规程适用于金属材料的熔炼操作,包括但不限于铁、铜、铝、锌等金属的熔炼操作。
第三条熔炼操作工艺包括材料准备、熔炼装置检查、熔炼操作控制、铁水、铜水、铝水、锌水净化等内容。
第四条熔炼操作工艺需要严格遵守相关安全操作规范,确保操作人员的人身安全。
第二章材料准备第五条熔炼操作前,需对所用材料进行准备。
第六条铁水的准备包括铁矿石的选矿、破碎和混合,铜水的准备包括铜矿石的选矿、破碎和混合,铝水的准备包括铝矿石的选矿、破碎和混合,锌水的准备包括锌矿石的选矿、破碎和混合。
第七条在材料准备过程中,应进行化验分析,确保材料的化学成分符合要求。
第八条在材料准备过程中,应严格遵守环境保护要求,确保环境不受污染。
第三章熔炼装置检查第九条熔炼装置的检查包括炉前设备的检查和炉内设备的检查。
第十条炉前设备的检查包括炉前加煤机、炉前脱硫器、炉前脱氧器等的检查,确保设备完好。
第十一条炉内设备的检查包括炉衬的检查、爐墙的检查、冷却器的检查等,确保设备无损坏。
第十二条在熔炼装置检查过程中,如发现设备有损坏或故障,应及时进行维修和更换。
第四章熔炼操作控制第十三条熔炼操作控制包括炉前操作控制和炉内操作控制。
第十四条炉前操作控制包括加煤、调温、取样、加料等操作,需根据熔炼过程的需要进行调整。
第十五条炉内操作控制包括鼓风、控温、控氧、搅拌等操作,需根据熔炼过程的需要进行调整。
第十六条在熔炼操作控制过程中,需要进行实时监控和记录,以便随时调整操作参数。
第五章铁水净化第十七条铁水净化是熔炼操作中的重要环节,可以通过除杂器、除硫器、除镁器等进行。
第十八条铁水净化操作需根据所需产品的质量要求进行,确保铁水的质量符合要求。
第十九条铁水净化操作中需要定期对设备进行维护和保养,确保设备的正常运转。
第六章安全操作第二十条在熔炼操作过程中,要严格遵守相关安全操作规范,确保操作人员的人身安全。
熔炼操作工艺规程范本1. 引言本工艺规程旨在规范并保证熔炼操作的安全、高效进行,确保产品质量稳定可靠。
本规程适用于熔炼操作工艺的生产车间,并应严格执行。
2. 操作准备2.1 熔炼前的准备2.1.1 确保熔炼设备正常运行,检查设备的电气、液压和气动系统等是否正常。
2.1.2 检查原料的质量和数量,确保原料的准确性和充足性。
2.1.3 准备熔炼模具和其他辅助设备,确保其正常使用。
2.2 人员准备2.2.1 熔炼操作人员应具备相关的操作证书和技能培训。
2.2.2 熔炼操作人员应穿戴适当的安全防护装备,包括防护眼镜、防热手套和防护鞋等。
3. 熔炼操作3.1 开始熔炼3.1.1 打开熔炼设备的电源,并确保电源电压稳定。
3.1.2 将熔炼模具安装到熔炼设备上,确保模具放置稳固。
3.1.3 根据工艺要求,加入正确比例的原料到熔炼设备中,注意避免原料过量或不足。
3.1.4 打开熔炼设备的加热功能,将温度控制在设定范围内。
3.2 温度控制与熔炼3.2.1 根据熔炼工艺要求,控制熔炼设备的温度升高速度,避免温度升高过快或过慢。
3.2.2 在熔炼过程中,根据温度曲线变化,适时调整熔炼设备的加热功率,以确保温度稳定控制。
3.2.3 监测熔炼温度和时间,根据工艺要求,控制熔炼时间,确保熔炼达到所需的状态。
3.3 熔炼结束3.3.1 当熔炼达到工艺要求的目标后,关闭熔炼设备的加热功能。
3.3.2 将熔炼好的材料倒入合适的模具中,确保材料均匀流动,并有足够时间凝固。
3.3.3 当材料完全凝固后,关闭熔炼设备的电源,并及时清理熔炼设备和模具,以便下一次使用。
4. 安全措施4.1 在熔炼操作中,严禁使用任何易燃、易爆物品,并避免接触高温表面。
4.2 熔炼操作人员应注意自身安全,避免直接接触熔炼设备和熔炼模具。
4.3 发生异常情况时,熔炼操作人员应立即停止操作,并及时报告相关部门。
5. 质量控制5.1 在熔炼操作前,应对原料进行质量检测,确保原料符合要求。
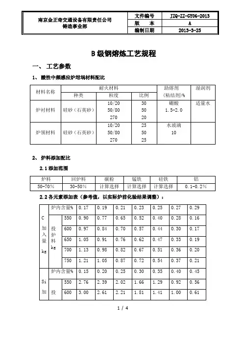
1 / 4B 级钢熔炼工艺规程一、 工艺参数1、 酸性中频感应炉坩埚材料配比 材料名称 耐火材料助熔剂 (粘结剂)% 湿润剂 种类 粒度 比例炉衬材料硅砂(石英砂) 10/2050/80 270 30 50 20 硼酸 1.5-2.0 适量水炉领材料硅砂(石英砂)10/20 50/80 27025 50 25水玻璃 102、 炉料添加配比 2.1添加范围2.2各元素添加表(参考值,以实际炉前化验结果调整):C 加入量 kg炉内含量% 0.170.19 0.21 0.23 0.25 0.27 0.29 投炉料kg 550 0.90 0.77 0.65 0.52 0.40 0.28 0.16 600 0.97 0.84 0.70 0.57 0.44 0.30 0.17 650 1.05 0.91 0.76 0.62 0.47 0.33 0.19 700 1.13 0.98 0.82 0.67 0.51 0.36 0.20 750 1.211.05 0.87 0.72 0.54 0.37 0.21Si 加炉内含量% 0.150.20 0.25 0.30 0.35 0.40 0.45 投550 2.76 2.39 2.02 1.66 1.29 0.92 0.56 600 3.002.612.211.811.411.000.61炉料 回炉料 碳粉 锰铁 硅铁 铝 50-70%30-50%计算选择计算选择 计算选择0.1-0.2%入量kg 炉料kg650 3.26 2.82 2.39 1.96 1.53 1.09 0.66 700 3.51 3.04 2.58 2.11 1.64 1.18 0.71 750 3.75 3.24 2.76 2.26 1.75 1.27 0.76Mn加入量kg 炉内含量% 0.40 0.45 0.50 0.55 0.60 0.65 0.70投炉料kg550 8.92 8.5 8.08 7.65 7.23 6.81 6.38 600 9.73 9.27 8.81 8.34 7.89 7.42 6.96 650 10.54 10.05 9.54 9.05 8.54 8.05 7.54 700 11.35 10.82 10.28 9.74 9.2 8.66 8.12 750 12.16 11.58 11.02 10.43 9.86 9.27 8.7Ni加入量kg 炉内含量% 0 0.10 0.15 0.20 0.25 0.30投炉料kg550 2.48 1.93 1.65 1.38 1.1 0.83 600 2.7 2.1 1.8 1.5 1.2 0.9650 2.93 2.28 1.96 1.63 1.3 0.98 700 3.15 2.45 2.1 1.75 1.4 1.15 750 3.38 2.63 2.26 1.88 1.5 1.133、各主要钢号化学成分(参照TB/T2942—1999)牌号 C Si Mn S≤P≤残余元素≤Ni Cr Cu Mo VB级钢0.22-0.28 0.2-0.4 0.7-1.0 0.04 0.04 0.35-0.55 0.30二、熔炼工艺1、工艺流程:选料、装料——熔化——造渣——扒渣、炉前取样分析——(调整化学成分—造二次渣—扒渣、...... 二次化验调整至化学成分合格后)——脱氧精炼——测温——浇注。
铝合金熔炼工艺流程与操作工艺铝合金熔炼是指将铝及其合金材料加热至一定温度,使其熔化成液态,然后通过浇铸、压铸等工艺形成所需的铝制品。
以下是一般铝合金熔炼工艺流程及操作工艺:1.原料准备:将所需的铝合金料按照配方准备好,通常包括铝、硅、铜、锌、镁等合金元素。
2.装料进炉:将准备好的铝合金料装入熔炼炉中,通常采用电炉、煤气炉或其他燃烧炉进行加热。
3.加热溶解:开启炉子进行加热,将铝合金料加热至熔点并溶解成液态。
在这个过程中,需要不断搅拌熔化的合金料,以保证混合均匀。
4.检测合金成分:通过化验和分析仪器,检测熔化后的铝合金液的成分和性能,确保合金质量符合要求。
5.净化处理:利用气体氧化熔炼法、渗碳法、渗氮法等对熔炼合金进行净化处理,去除杂质和氧化物。
6.调节成分:根据需要,对合金进行加减元素,控制合金成分和性能。
7.浇注成型:熔炼后的合金液经过浇铸、压铸等成型工艺,形成所需的铝合金制品。
8.冷却固化:将浇注成型后的铝合金制品冷却固化,得到成品。
以上是一般铝合金熔炼的工艺流程及操作方法,每个工艺环节都需要严格控制合金的温度、成分和操作流程,以确保铝合金产品的质量和性能。
同时,在整个生产过程中也要注意安全防护,遵守操作规程,以保障生产人员的安全。
铝合金是一种非常常见的金属材料,因其具有良好的导热性、导电性、机械性能和耐腐蚀性能,被广泛应用于航空航天、汽车、船舶、建筑等领域。
在铝合金制品的生产中,铝合金熔炼工艺是一个非常重要的环节,直接影响到最终产品的质量和性能。
熔炼的过程是将固体的铝合金料通常在电炉或气炉中加热至其熔点,使其变为液态。
在此过程中,需要严格控制熔炼温度、时间和炉内气氛。
同时,为了生产出高质量的铝合金制品,合金的成分和化学性质也需要得到严格管理。
在进行铝合金熔炼时,以下是一些需要注意的要点:炉型选择:熔炼炉的选择对于熔炼工艺影响很大。
通常情况下,工业上使用的电炉主要有感应电炉和电阻式电炉,气炉主要有燃气气炉和电加热炉。
电炉熔炼操作规程(二)引言:电炉熔炼是一种常见的金属冶炼方法,在工业生产中被广泛应用。
本文将介绍电炉熔炼操作规程的相关内容,以便操作人员正确进行电炉熔炼工作。
正文:一、设备准备1.选择适当的电炉进行熔炼,并对其进行检查和维护。
2.调整电炉的温度和加热时间,保证炉内温度达到所需的熔点。
二、原料准备1.选择优质的原料,并根据需要进行筛选和混合。
2.确定所需的原料配比,并计算出相应的投料量。
三、操作步骤1.将原料按照配比依次投放到电炉中。
2.启动电炉并设定适当的加热温度和时间。
3.观察炉内的熔化情况,根据需要进行搅拌和调整加热参数。
4.待炉内的物料完全熔化后,停止加热并进行炉内温度的保持。
5.将熔融的物料从炉内倒出,并进行后续的处理和冷却。
四、安全措施1.操作人员要戴好个人防护用品,如防护眼镜、手套等。
2.严禁在炉内投放易燃、易爆等危险物品。
3.定期检查电炉的电线和设备,如发现异常及时修复或更换。
五、操作注意事项1.操作人员应熟悉电炉的使用说明书并按照说明进行操作。
2.注意炉内温度的控制,避免过高或过低导致物料熔炼不彻底或烧结。
3.物料的投放要均匀,避免堆积过高或不均匀导致熔炼不均。
4.搅拌物料时要轻柔,避免过度搅拌导致波动和溅出。
5.操作人员要密切观察炉内的变化,并根据需要及时调整操作参数。
总结:电炉熔炼操作规程是保证熔炼质量和工作安全的重要指南。
通过设备准备、原料准备、操作步骤、安全措施和操作注意事项的合理安排,可以有效地提高电炉熔炼工作的效率和精确度,确保生产过程顺利进行。
熔炼工艺操作规程1铸轧车间熔炼工艺操作规程本规程规定了使用电解铝水及添加部分废铝打包块、原铝锭的熔炼工艺及操作要求。
一、设备主要技术参数1、熔炼炉主要技术参数表1、熔炼炉主要技术参数二、装炉前的准备2、装炉前应检查硅碳棒有无断裂现象,如发现应立即更改。
熔炼过程中一般不允许更换硅碳棒,严防硅碳棒落入熔体中。
特殊情况必须更换时应采取相应的保护措施。
3、装炉前必须清炉,须将炉底、炉角、炉墙各处的渣子及其它脏物彻底清除干净,否则不得装炉。
4、严格核对炉料是否与生产卡片相符,确认无误后方可装炉。
若发现卡片记载与实际炉料不符时,应经配料计算者或技术主管同意后方可更换料,并在生产卡片上注明更改情况,记录新投入料的类别和重量。
5、生产铝箔毛料时,清炉后、装炉前,在炉底均匀撒入20±2㎏粉状溶剂。
三、装炉及灌炉6、装炉工艺操作程序及注意事项6.1易烧损的废料(如薄板、铝箔打包块等)应均匀装在下层,原铝锭、复化锭应均匀地装在上层,料必须一次性装完,如有中间合金,必须在同时一次性加入。
6.2、应根据不同合金先加入30%-50%的废料或铝锭,然后关闭炉门升温,熔炼炉设定温度880℃、6.3、装炉时,金属添加剂不允许与铝锭、中间合金及废料一同加入。
6.4、装炉时熔炼操作人员应检查炉料的外观质量,发现异物应挑出、清除,发现含有其它金属的打包块不许装炉,应予以更换,过磅并做好记录。
7、灌炉工艺操作程序及注意事项7.1铝包车运输铝水到铸轧车间熔炼炉炉台后,应有专人负责指挥天车把真空包吊运至地磅过磅,要轻吊慢放轻摘钩,并认真做好称重记录,要求字迹清晰,不许涂改。
7.2倒包工应首先检查敞口包倒顺开关是否处于停止状态,确认无误后,指挥天车按指定的位置配合炉前工将铝水倒入敞口包内。
7.3打渣工向敞口包撒入10~15㎏打渣剂,然后开始搅拌,搅拌5~8分钟,搅拌要均匀,确认无误后,检查打渣扒渣的漏勺是否烘烤加热,确认无误后,开始打渣、捞渣,打渣时应先用漏勺将敞口包的渣子向一块集中,然后用漏勺把渣子捞出。
熔炼工艺一、工艺流程图二、相关参数及操作要领(一)灌铝前准备工作1、灌铝流槽必须提前半小时吊至待灌铝熔炼炉前,并摆放到位,进行预热。
2、灌铝流槽每天使用的情况下,其氧化皮可不用去除;若停产或检修,则必须去除氧化皮;在下次使用前刷上一层滑石粉,以防过度粘铝。
3、所用熔炼过程中需要使用的工具浸入铝液部分均应刷上滑石粉,并烘干预热,待用。
(二)灌铝1、灌铝吊抬包时,要由专人负责指挥行车工。
2、各班组均指定专人负责灌铝时的操作,同时指定一人协助控制抬包的方向,确保抬包的稳定性,以保证铝水顺利灌入熔炼炉内。
3、灌铝时,在安全的前提下,尽可能提高灌铝速度,以减少铝的氧化。
(三)熔炼1、合金的加入(1)复化锭或铝锭的加入由于公司生产直接使用电解铝液,铝液温度较高,一般在800℃以上,因此需要添加复化锭或铝锭降温;添加量根据所灌铝液重量而定。
添加方法是将需加的复化锭或铝锭搬到炉口预热使之干燥后,用专用工具把复化锭或铝锭轻轻推入铝液中,以防止铝液飞溅伤人。
其中复化锭的成分要记录清楚,并计算在所配的合金内。
(2)铝-锰中间合金的加入为了使合金成分更加均匀、稳定,锰要以中间合金的形式加入,加入时温度为750℃。
根据铝液及所加铝锭、复化锭的重量计算、称量所需的铝-锰中间合金。
加入方法是将需加的铝-锰中间合金搬到炉口预热使之干燥后,用专用工具把铝-锰中间合金轻轻推入铝液中,以防止铝液飞溅伤人。
同时作好记录。
(3)铝-铬中间合金的加入由于铬和铝的共晶点较高,故在添加铬元素时,以铝-铬中间合金方式加入,加入时温度为750℃。
根据铝液及所加铝锭、复化锭的重量计算、称量所需的铝-铬中间合金。
加入方法是将需加的铝-铬中间合金搬到炉口预热使之干燥后,用专用工具把铝-铬中间合金轻轻推入铝液中,以防止铝液飞溅伤人。
同时作好记录。
(4)镁锭的加入镁锭主要作用是调整铝合金中镁元素含量;其加入量以作业指导书为准。
加镁时,铝液温度控制在700~720℃,镁锭务必使用压镁器压入铝液中,并在铝液表面下缓慢移动;、严禁镁锭在铝液表面,以防止其氧化燃烧,造成铝合金化学成份的不合格。
熔炼工艺规程1.使用设备及工具:鼓风机、加料机。
2.使用材料:生铁、焦碳、回炉铁、废钢、石灰石、75%硅铁。
3.操作程序:3.1熔炼前准备工作:3.1.1备齐所需材料:原材料(生铁)、辅助材料(焦碳、废钢等)备好在加料场地。
3.1.2检查鼓风机、送风系统是否运转正常,加料机作业是否稳定。
3.1.3在冲天炉各部份工作正常情况下,炉头工进行修炉,炉子按规定尺寸修补之后,加入柴片对铁水包及炉子进行烘干,然后分二次加入底焦,高度根据标准而定。
3.2 熔炼工艺:3.2.1技术部根据材质要求进行配料,金属炉料批重为250-320kg,操作者根据配方进行加料。
3.2.2在加完第四批料之后,开启鼓风机,进行第一道送风,预热时间约为20-40分钟。
3.2.3在预热前提下,正式进行送风,加料操作者各司其职,根据配方进行。
3.2.4加料顺序:生铁→回炉铁→废钢→铁合金→焦碳→石灰石3.3出铁水及成分调整:3.3.1各方面工作就绪之后,炉头工对浇注前的铁水进行处理、过滤、除碴,在出铁水过程中,炉头工每间隔5-10分钟就要进行扒碴,检查风眼,保证铁水质量。
3.3.2技术人员对原铁水进行三角试块检验,观察其断口是否符合铸件要求,同时根据铸件材质、牌号要求,决定是否进行孕育处理或改变炉料配方,并对其成分跟踪调整。
3.3.3完成浇注之后,进行打炉和炉后处理工作。
4.注意事项:4.1各操作者在接到配料单之后,要严格按照配方进行加料,把好关。
4.2炉前工要不断扒碴,检查风眼,到打炉为止。
4.3每次加料间隔时间要紧凑,保证熔炼正常。
4.4加料各操作者要穿戴好劳保用品。
4.5加料时,要查看炉料是否混有爆炸物。
4.6开炉过程,炉前工要注意观察炉渣的颜色和流动性。
4.7打炉后继续送风15-30分钟,以保护热风炉胆的寿命。
中频电炉熔炼工序操作工艺守则一、准备工作1.检查中频电炉的电源,确保电线、电缆和开关等设备正常运行。
2.检查水冷却系统,确保供水和回水管路畅通,以保证电炉正常工作温度。
3.检查炉体和炉衬的完整性,确保炉体无损伤和炉衬无明显裂纹。
二、操作工艺1.安全操作:穿戴劳保用品,如安全帽、防护服、绝缘手套等,切勿在湿地或接近水源处操作。
2.操作材料:使用高纯度金属材料,避免杂质的产生,影响最终产品质量。
3.加热控制:根据熔点和受热速度控制加热时间和功率大小,以确保材料完全熔化。
4.温度控制:根据生产需要,在炉膛外侧布置温度探针,实时监测和调整温度。
5.理炉时间:在材料完全熔化后,适当延长保温时间,有助于杂质的氧化和脱除。
6.卸炉操作:使用合适的工具,将炉内的熔体倒入模具或其他容器中,注意操作时的安全和稳定性。
7.处理工艺:对卸炉后的熔体进行温度控制和冷却处理,以便得到所需的产品性能。
三、异常处理1.电炉故障:一旦发生电炉故障,首先切断电源,并通知电炉维修人员进行检修。
2.材料异常:如果出现材料污染、气体生成或其他异常情况,应立即停止生产,安全处理,并向上级报告。
3.温度异常:如果出现温度突然上升或下降,应立即停炉检查炉体和温度控制系统,确保问题得到解决后再重新启动。
四、清洁与维护1.每次使用结束后,应清理炉体内部和周围的杂物和残留物,保持工作环境整洁。
2.定期对中频电炉进行维护,清洗,更换炉衬和其他部件,以提高电炉的使用寿命和稳定性。
3.对于出现故障或老化的设备,及时更换或修理,确保设备的正常运行。
总之,中频电炉熔炼工序操作工艺守则是确保生产过程安全、高效、产品质量稳定的重要规范。
在操作过程中,必须保持高度的警惕性和细致的仔细性,严格按照规定的程序和标准进行操作,不仅能够保障人身安全,还能提高生产效率和产品的质量,并确保设备的正常运行。
熔炼作业指导书引言概述:熔炼作业是一项重要的工艺过程,用于将原料转化为所需的金属或合金。
为了确保熔炼作业的顺利进行,提高生产效率和产品质量,制定一份熔炼作业指导书是必要的。
本文将详细介绍熔炼作业指导书的内容和结构。
一、熔炼前准备1.1 原料准备在进行熔炼作业之前,需要准备好所需的原料。
这包括金属或合金的粉末、矿石、废料等。
原料的选择应根据产品要求和熔炼工艺来确定,确保原料的纯度和质量达到要求。
1.2 设备检查在开始熔炼作业之前,必须对熔炼设备进行检查。
包括炉子、熔炼罐、加热设备等。
确保设备完好无损,没有漏气或漏电等安全隐患。
1.3 安全措施熔炼作业涉及高温和有害物质,因此必须采取必要的安全措施。
包括佩戴防护眼镜、手套、防火服等个人防护装备,确保操作人员的安全。
二、熔炼操作步骤2.1 加料将准备好的原料按照一定比例加入熔炼罐中。
在加料过程中要注意控制加料速度和顺序,以避免产生剧烈的反应或溅射。
2.2 加热启动加热设备,将熔炼罐内的原料加热到熔点以上。
加热过程中要注意控制加热速度和温度,以避免过热或过冷导致熔炼失败。
2.3 搅拌在原料达到熔点后,启动搅拌设备进行搅拌。
搅拌的目的是均匀混合熔体,促进反应的进行。
搅拌的速度和时间要根据具体工艺要求进行控制。
三、温度控制3.1 熔炼温度熔炼温度是熔炼作业中的关键参数之一。
根据不同的金属或合金,选择合适的熔点温度进行控制。
温度过高或过低都会影响熔炼效果和产品质量。
3.2 温度监测在熔炼过程中,需要对熔炼罐内的温度进行实时监测。
可以使用温度计或红外测温仪等设备进行监测,并及时调整加热功率来控制温度。
3.3 温度稳定熔炼过程中,要保持熔体的温度稳定。
可以通过控制加热功率、搅拌速度等来调整温度,确保熔体的温度符合要求。
四、熔炼终止4.1 熔炼时间根据熔炼工艺要求,确定熔炼的时间。
过长或过短的熔炼时间都会影响产品的质量。
4.2 熔炼结束在达到熔炼时间后,停止加热和搅拌设备。
熔炼作业指导书一、引言熔炼作业是一种重要的金属加工工艺,用于将金属材料加热至高温状态,使其熔化后进行后续加工或制造成所需的产品。
本指导书旨在提供详细的熔炼作业步骤和操作要求,以确保安全、高效地进行熔炼作业。
二、作业准备1. 确保作业场所清洁整齐,无杂物和易燃物。
2. 检查熔炉设备和工具的完好性,确保无损坏和故障。
3. 准备所需的原材料,并进行标记和分类。
4. 确保操作人员佩戴适当的个人防护装备,如耐高温手套、防护眼镜和防护服。
三、熔炼作业步骤1. 将熔炉设备接通电源,并进行预热。
确保熔炉温度达到所需的熔点。
2. 将待熔材料按照比例放入熔炉中,并确保材料均匀分布。
3. 监控熔炉温度,确保温度保持在所需范围内。
如有需要,可调节熔炉加热功率。
4. 定期搅拌熔炉中的材料,以促进均匀熔化和混合。
5. 监测熔炉内的气氛,确保气氛稳定和无污染。
6. 根据需要,可进行材料的除杂和精炼操作,以提高产品质量。
7. 当材料完全熔化后,根据工艺要求进行倒炉或倒模操作。
8. 关闭熔炉设备,并进行冷却。
注意冷却过程中的安全措施。
四、安全注意事项1. 在熔炼作业过程中,严禁使用易燃和易爆物品,以防止火灾和爆炸事故的发生。
2. 操作人员必须穿戴适当的个人防护装备,以保护自身安全。
3. 在熔炼作业过程中,严禁离开作业岗位,以免发生意外。
4. 熔炉设备和工具的使用必须符合安全操作规程,严禁私自改动和操作。
5. 熔炼作业场所必须保持干燥和通风良好,以防止有害气体积聚。
6. 在熔炼作业过程中,必须遵守相关的环境保护法规和标准,防止污染环境。
五、作业记录与报告1. 在熔炼作业过程中,操作人员必须按照规定记录相关数据,如温度、时间和材料用量等。
2. 每次熔炼作业完成后,必须填写作业报告,详细记录作业过程、问题和改进措施等。
3. 作业记录和报告必须保存并归档,以备日后参考和审查。
六、紧急情况处理1. 在发生紧急情况时,操作人员必须立即停止作业,并向上级报告。
熔炼工艺一、工艺流程图
二、相关参数及操作要领
(一)灌铝前准备工作
1、灌铝流槽必须提前半小时吊至待灌铝熔炼炉前,并摆放到位,进行预热。
2、灌铝流槽每天使用的情况下,其氧化皮可不用去除;若停产或检修,则必须去除氧化皮;在下次使用前刷上一层滑石粉,以防过度粘铝。
3、所用熔炼过程中需要使用的工具浸入铝液部分均应刷上滑石粉,并烘干预热,待用。
(二)灌铝
1、灌铝吊抬包时,要由专人负责指挥行车工。
2、各班组均指定专人负责灌铝时的操作,同时指定一人协助控制抬包的方向,确保抬包的稳定性,以保证铝水顺利灌入熔炼炉内。
3、灌铝时,在安全的前提下,尽可能提高灌铝速度,以减少铝的氧化。
(三)熔炼
1、合金的加入
(1)复化锭或铝锭的加入
由于公司生产直接使用电解铝液,铝液温度较高,一般在800℃以上,因此需要添加复化锭或铝锭降温;添加量根据所灌铝液重量而定。
添加方法是将需加的复化锭或铝锭搬到炉口预热使之干燥后,用专用工具把复化锭或铝锭轻轻推入铝液中,以防止铝液飞溅伤人。
其中复化锭的成分要记录清楚,并计算在所配的合金内。
(2)铝-锰中间合金的加入
为了使合金成分更加均匀、稳定,锰要以中间合金的形式加入,加入时温度为750℃。
根据铝液及所加铝锭、复化锭的重量计算、称量所需的铝-锰中间合金。
加入方法是将需加的铝-锰中间合金搬到炉口预热使之干燥后,用专用工具把铝-锰中间合金轻轻推入铝液中,以防止铝液飞溅伤人。
同时作好记录。
(3)铝-铬中间合金的加入
由于铬和铝的共晶点较高,故在添加铬元素时,以铝-铬中间合金方式加入,加入时温度为750℃。
根据铝液及所加铝锭、复化锭的重量计算、称量所需的铝-铬中间合金。
加入方法是将需加的铝-铬中间合金搬到炉口预热使之干燥后,用专用工具把铝-铬中间合金轻轻推入铝液中,以防止铝液飞溅伤人。
同时作好记录。
(4)镁锭的加入
镁锭主要作用是调整铝合金中镁元素含量;其加入量以作业指导书为准。
加镁时,铝液温度控制在700~720℃,镁锭务必使用压镁器压入铝液中,并在铝液表面下缓慢移动;、严禁镁锭在铝液表面,以防止其氧化燃烧,造成铝合金化学成份的不合格。
镁锭添加完成后,充分搅拌,使镁元素充分扩散;均匀分布后即可准备打渣。
2、精炼
精炼的主要作用是去除铝液中以氢气为主的气体,同时也具有去除微轻杂质的作用,另外,铝水中含有少量的钠,会产生“钠脆”现象,因而要用除钠剂除钠。
根据实际情况,每炉合金液精炼四次,精炼温度控制在720~730℃之间。
精炼方法是将精炼剂和除钠剂放进喷粉器内锁好,通过氮气或氩气的压力,将其压入铝液中。
精炼时,精炼管接触炉底,并缓慢移动,尽量不起大波浪;同时要求不留死角。
气压为0.1Mpa左右。
第一次精炼:加完铝锭或复化锭、铝-锰中间合金、铝-铬中间合金静置15分钟后开始精炼,使用氮气1瓶,精炼剂、除钠剂各2kg,精炼时间为20~30分钟,其中精炼剂和除钠剂须在20分钟左右喷完。
精炼完后马上打渣,打完渣静置10分钟左右即可加镁。
第二次精炼:加完镁静置30分钟开始精练,使用氩气半瓶,精炼剂、除钠剂各1 kg,精炼时间为15~20分钟,其中精炼剂和除钠剂须在15分钟左右喷完。
精炼完后马上打渣,打完渣静置30分钟左右即可进行第三次精炼。
第三次精练:与第二次相同。
第四次精练:根据样品的分析结果,调整好成分,待到另外一炉铝水放完之前的1小时开始精炼,使用氩气1瓶,精炼剂2kg,精炼时间为20~30分钟,其中精炼剂须在20分钟左右喷完。
精炼完后马上打渣,打渣完后马上撒上覆盖剂,待放铝水。
3、打渣
打渣剂的作用是将铝渣(溶剂、金属氧化物,非金属氧化物)与铝液分离,减少渣中金属含量。
扒渣时,工具要刷上一层滑石粉,并充分预热,然后将远处和边角的铝渣扒到炉门口,再将渣扒到炉门坎上稍滤一下,减少渣中带入的铝液,动作要平稳,使铝液不起波浪,以减少铝液氧化。
打渣时先扒少量铝渣到锅上,并摊开铺满锅底,然后在渣上均匀的撒上1 kg打渣剂,再迅速地把炉内剩下的渣扒到锅内,并快速炒动使铝渣(溶剂、金属氧化物,非金属氧化物)与铝液分离,最后将渣扒出锅外,尽量将渣的含铝量控制到最少。
4、覆盖
使用覆盖剂,主要作用防止铝液氧化和吸氢,同时还具有排氢作用。
覆盖剂的用量以覆盖住铝液面,使之形成一层连续的覆盖层为准,以达到保护的铝液作用,根据公司现有熔炼炉的大小,每次覆盖剂加入量为1㎏。
第四次精炼后马上将袋装覆盖剂轻轻抛入炉里,让其自动扩散流动即可。
(四)保温放铝
精炼完成并覆盖剂后,调整温度在700-720℃之间,静置30分钟后可放铝水。
如遇牵引岗位故障需等待超过5小时,则增加精练一次(同第四次精炼)。
放铝水的起止时间由专人记录,铝水不能放完,每炉留100~200kg,不见炉底为准。
流槽内安装一只温度计,随时监测,保持流槽内温度在690~700℃;若未到温,应调控温箱加热,直至达到温度后,方可放铝。
否则可能引起流槽内铝液冻结。
流槽口处要通入氩气精炼,用量为20小时/瓶。
(五)牵引炉保温及液面保持
牵引炉内铝液温度控制在670~680℃之间,每1小时测温一次,并调整烧嘴火焰大小,从而保持温度稳定。
牵引炉内铝液面的稳定直接决定牵引铝杆的稳定性,因而,必须控制铝液的流量,使之均匀加入牵引炉内,从而达到牵引炉内铝液流入和流出形成平衡。
正常生产后,应控制第二道流口铝液流量,使铝液连续,均匀地流入牵引炉内。
1、保持牵引炉铝水温度670~680℃,每隔1小时测温一次,并由专人记录。
2、按工艺要求加覆盖剂。
3、每隔两小时在石棉孔周围勾渣一次,钳口砖底部没有大的沉淀时不用勾渣。
4、每7天清渣一次,临时清渣由车间主管视具体情况定夺,当温度保持不了670℃或表面起较大面积白色渣块时,应及时清渣。
清渣时间一般安排在剪线刚结束之时。
5、每次清渣开始到清渣结束后20min内牵引出来的铝杆要剪掉废弃重熔。
三、注意事项
四、操作人员并按规定穿戴好劳保护具。
五、吊装铝液前,必须检查天车的运行头部,并试运行;出现故障要及时通知检修部门检修,并上报生产部,以做好铝液运送工作。
六、吊装铝液时,非操作人员严禁呆在吊装厂房里。
七、吊装铝液时,必须由专人指挥天车工,并负责操作灌铝。
八、熔炼炉和牵引炉点火必须按《煤气炉安全操作规范》操作。
九、所有操作工具接触铝液部门必须刷上滑石粉,并烘干预热。
十、面对熔炼炉进行操作时,操作人员必须戴面罩。
十一、必须有专人负责监控放铝口,防止漏铝。
十二、不准在操作台上取暖、休息。
十三、牵引时,必须随时监控牵引炉内铝液温度和烧咀燃烧状况。
十四、放铝口周围必须备有足够量的防漏铝材料,如硅酸铝纤维棉、耐火泥,红砂等。