漏泄同轴电缆施工工法
- 格式:doc
- 大小:363.00 KB
- 文档页数:17
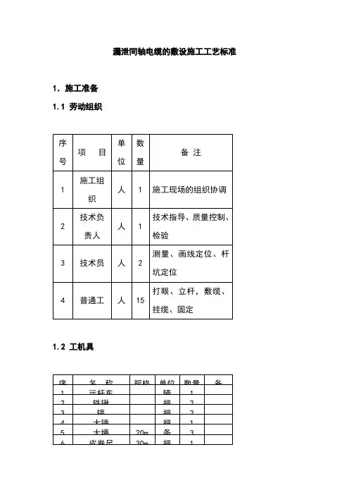
漏泄同轴电缆的敷设施工工艺标准1.施工准备1.1 劳动组织1.2 工机具1.3 材料2.操作程序2.1 工艺流程2.2 操作要点2.2.1 施工准备在施工准备阶段,详细调查隧道内漏缆挂设位置及电力线、回流线的高度、侧别及安全距离是否能够满足布缆的设计要求,隧道外架挂区段地形情况,核实中继器、天线杆塔、接头的位置及中继段的长度。
2.2.2 单盘测试包括编写盘号、核对规格型号及数量,外观检查及验气工作,环阻、绝缘电阻和电气绝缘强度的测试,稳气。
(1)电桥测量漏缆环阻把漏缆一侧的外导体和内导体短接,另一侧用直流电桥测量其环阻,测试连接见下图。
其测试标准:应小于4Ω/Km。
(2)利用500V兆欧表对漏缆内外导体间的绝缘电阻进行测量,测试连接见下图。
其测试标准:应不低于1000MΩ·KM,(3)绝缘耐压漏缆内外导体间的高压耐压标准是:工频3KV电压2分钟不击穿。
(4)单盘稳气漏缆充气压不得大于100±10kpa;稳气气压为90—100kpa(24小时),利用热可缩帽进行封堵充气。
2.2.3 配盘(1)根据设计文件及现场调查的实际情况,采用分级补偿的办法进行配盘。
(2)通过几种不同耦合损耗规格的漏缆(90dB,80dB,70dB,65dB)依次串联,用逐渐减小耦合损耗的办法来补偿由于漏缆传输损耗引起的电平下降,从而使列车在全线运行中能收到较平稳的信号电平。
(3)按照每种耦合损耗规格漏缆的长度,进行合理配置,最大限度的利用出厂单盘漏缆,尽量减少剩余短段漏缆和接头数目。
2.2.4 隧道内漏泄电缆的架挂(1)隧道内电缆支架的安装①电缆支架孔的位置,距离钢轨面高度一般为4.8—4.9m.②用冲击钻在洞壁预定位置钻一个Ф19mm的孔,孔深为70±3mm。
孔应平直不可成喇叭状。
③将胀管及螺杆装在一起放入Ф19mm孔内,用木锤打入洞内,要注意保护螺杆螺纹。
④支架安装时,将垫圈螺母拧好固定,夹板固定要统一,以使电缆与洞壁之间的距离保持一致。
漏泄同轴电缆施工工法一前言为了解决铁路在山区、弯道、隧道内等弱场强或无场强区段的无线列调通信工程问题,目前采用在这些区段沿铁路线一定距离架设漏缆,安装隧道中继器和中继器天线的方式使无线电信号电波沿漏缆传输并均匀向外漏泄,使这些区段内场强达到一定要求而保证无线列调通信畅通、可靠。
我们公司于1993年承担了某无线列调通信工程连江口至广州段的施工,在无施工规范和技术标准的情况下,我们在施工过程中边学习,边实践,边总结,用较短的时间,质量良好地完成了该段的施工任务。
在完成任务的同时,锻炼了一支技术熟练、工艺精良的施工队伍。
为了更好地指导今后同类工程的施工,我们在总结实践的基础上,编写了400MHz漏泄电缆的施工工法。
期望本工法在今后指导同类工程施工实践的同时,不断地进行补充和完善,以取得更大的经济和社会效益。
二工法特点及适用范围2.1本工法有如下特点:2.1.1漏缆架设前要进行严格的单盘测试及合理的配盘。
2.1.2漏缆须架设在铁路旁距轨道线路中心3~15米范围内,其高度须距轨面4.5~4.8 米。
2.1.3漏缆的漏泄槽应朝铁路一侧。
2.1.4漏缆接续按漏缆的型号不同须配用不同的连接器件,为控制电缆的耦合损耗,还须根据不同类型的电缆,确定其连接器的安装位置。
2.2本工法适用于山区、隧道传输信号,整个铁路系统及地下铁路,厂矿等漏泄电缆组成的无线通信系统工程的施工,同时也适用于从事漏缆维修人员进行维修工作。
三工艺原理本工法是无线列调通信系统中的部分设备——漏泄电缆的施工工艺,其原理可从以下三 个方面来说明:3.1 漏缆既是无线信号电波的传输线,又可视为无线信号的天线。
调度、车站值班员、机车司机互相通话,一般情况下,是靠车站电台通过天线向空间发射信号电波,在铁路沿线的空间产生一定的场强,并通过机车电台的天线耦合接收来实现的。
而在弯道、山区、隧道内无线电波被阻挡、反射、吸收,使得该区段通信困难或无法通信。
漏缆沿铁路架设,通过中继器和中继器天线,将车站电台发射的信号电波接收,经中继器放 大加强,沿漏缆传输并均匀向外漏泄信号电波,使这些弱场强和无场强区段的铁路沿线具有 一定大小的场强分布,以便在这些区段运行的机车电台能正常接收信号。
铁路长大隧道内900MHz漏泄同轴电缆施工工法一、前言铁路长大隧道是指在铁路建设中,通过大山或高地等地形状况时所需开挖的大型隧道。
隧道的施工工法对于保证工程质量和施工周期的控制非常重要。
本文将介绍一种用于铁路长大隧道内的900MHz漏泄同轴电缆的施工工法。
二、工法特点本工法使用的是900MHz漏泄同轴电缆,适用于大型隧道的通信工程。
这种电缆具有抗干扰能力强、传输速度快、信号传输质量优异等特点。
该工法在电缆敷设过程中,可以保证信号的稳定传输,提高隧道工程的通信能力。
三、适应范围该工法适用于铁路长大隧道的通信工程建设,可满足隧道内信号传输的需求。
由于该工法使用的电缆具有抗干扰能力强的特点,因此适用于复杂的电磁环境,能够适应各种恶劣的地质和气候条件。
四、工艺原理该工法的实际应用基于以下原理:通过合理的施工工法和技术措施,保证900MHz漏泄同轴电缆在铁路长大隧道内的敷设和固定。
为了保证施工工法的准确性和可行性,需要进行详细的分析和解释。
五、施工工艺施工工艺主要分为以下几个阶段:准备工作、电缆敷设、连接和测试。
在每个阶段中,都需要详细描述施工过程中的每一个细节,包括材料准备、工具使用和施工流程。
六、劳动组织施工工法需要明确劳动组织的结构和责任分工。
本文将介绍施工过程中所需的工作人员及其职责,并描述他们之间的协作关系。
七、机具设备施工过程中需要使用一些特定的机具设备。
本文将详细介绍这些设备的特点、性能和使用方法,并说明它们在施工中的作用。
八、质量控制为了保证施工过程中的质量达到设计要求,需要采取一系列的质量控制措施。
本文将介绍这些措施和方法,以确保施工质量的稳定性和一致性。
九、安全措施施工过程中需要特别注意安全事项。
对施工工法的安全要求进行介绍,让读者清楚地了解施工中的危险因素和安全措施,以确保工程的安全性和施工人员的安全。
十、经济技术分析通过对施工工法的施工周期、施工成本和使用寿命进行分析,可以评估和比较其经济性和技术可行性。
铁路通信工程漏泄同轴电缆施工作业指导书1. 适用范围本作业指导书适用于GSM-R数字移动通信工程漏泄同轴电缆施工。
2. 作业准备2.1内业技术准备施工前根据设计图和铁路公里标对下列内容进行复测:(1)隧道外架挂漏泄同轴电缆区段的电杆位置、杆距、杆高及漏泄同轴电缆长度;(2)隧道内漏泄同轴电缆架挂位置、长度;(3)区间机房位置、供电方式及供电线路径路。
作业指导书编制后,在开工前组织技术人员认真学习实施性施工组织设计,阅读、审核施工图纸,澄清有关技术问题,熟悉规范和技术标准。
制定施工安全保证措施,对施工人员进行技术交底,对参加施工人员进行上岗前技术培训。
2.2外业技术准备隧道二衬施工验收结束,隧道壁具备打眼条件,满足施工队伍进场施工需要。
夏核漏缆位置与通信图纸设计位置是否…致;根据轨顶标高复核漏缆吊挂高度。
3. 技术要求3.1漏泄同轴电缆到达现场后进行检查,其型号、规格、数量及质量符合设计要求及相关技术标准的规定。
3.2漏泄同轴电缆单盘直流电气特性符合表3.2的规定。
交流电气特性主要检查特性阻抗、电压驻波比、标称耦合损耗、传输衰减等,符合设计要求和相关技术标准的规定。
注:漏泄同轴电缆规格代号:42绝缘层标称外径42mm,对英寸:1-5/8英寸;32——绝缘层标称外径32mm,对英寸:1-1/4英寸;22——绝缘层标称外径22mm,对英寸:7/8英寸。
3.3隧道内漏泄同轴电缆支架的安装位置和固定方式符合设计要求。
3.4隧道内漏泄同轴电缆吊挂位置符合设计要求,吊挂高度距轨面4.5m。
3.5隧道外漏泄同轴电缆架设方式采用H型钢柱支撑和钢丝承力索吊挂方式。
承力索采用7X <1>2.6mm的镀锌钢绞线。
3.6漏泄同轴电缆的接续可靠、牢固,装配后接头外部按设计要求进行防护。
(6)漏泄同轴电缆与其他线经同支架安装时,尽可能避免交叉。
如无法避免时,注意将漏泄同轴电缆布设在外侧,避免其他线缆阻挡漏泄同轴电缆的信号覆盖。
漏泄同轴电缆接续工法(TLEJGF-95·96-25)铁道部第十五工程局一、前言山区铁路、隧道中、地铁内、矿山井下等是电磁波传输受阻的弱场强区,漏泄同轴电缆(以下简称为漏缆)的使用能有效地解决这些场合的无线通信问题,漏缆系统通信质量的好坏,不仅与系统的设计、漏缆的质量有关,而且与漏缆的接续质量有着十分密切的关系,所以漏缆的接续要遵照一定的技法。
本工法就是经总结形成的漏缆接续技法。
本工法采用电子工业部第二十三研究所研制的NQ-K339(50/75)阻抗转换插座、L27Q-K339A调相插座、LGQ-K339A固定连接器对漏缆进行接续。
本工法1994年8月起在侯月线侯沁段漏缆接续施工中应用获得成功,此段漏缆工程受到侯月办、铁一院、四院监理处、侯马电务段的普遍好评,以漏缆接续为课题的无线列调QC小组被评为铁十五局、铁道部优秀QC小组。
漏缆接续技术获铁十五局科技进步一等奖。
二、工法特点1.能够保持漏缆原有的同轴结构和开槽节距不变。
2.提高了接头的绝缘性、密封性、接触可靠性和机械强度。
3.提高了工效和成功率。
4.全面质量管理体现在整个工法中。
三、适用范围本工法主要适用于山区铁路、隧道中、地铁内等无线列调系统中的漏缆接续施工,也适用于矿山井下等漏缆的接续。
四、施工工艺(一)工艺原理1.根据漏缆的开槽半节距p和连接器增加漏缆的长度m,确定漏缆的切断位置,使接续后的连接器位于1个半节距的中心位置且保持原开槽节距不变,见图1。
2.内导体芯子与漏缆内导体铜管的连接采用滚压的方式,使内导体铜管逐步变形,与内导体芯子可靠接触而又不受损伤。
3.为保证接头的同轴结构及绝缘性能,内导体芯子与外壳之间采用圆型云母绝缘子支撑。
4.采用密封圈加涂密封胶,使漏缆系统又有很高的密封性能和防潮能力。
(二)工艺流程(见图2)(三)操作方法1.安装L27Q-K339A调相插座调相插座用于不同耦合损耗的漏缆之间,通过调相电缆进行连接,改善两种不同耦合损耗漏缆连接处电磁波的均匀性。
4-漏缆安装施工作业指导书兰新铁路第二双线甘青段通信工程编号:CRSC-TX-004 漏缆安装施工作业指导书中国铁路通信信号股份有限公司单位: 兰新铁路甘青段系统集成项目经理部编制:审核:批准:年月日发布年月日实施漏泄同轴电缆安装施工作业指导书1 使用范围适用于兰新铁路隧道漏缆敷设施工。
2 作业准备2.1 业内技术准备开工前组织技术人员认真学习实施性施工组织设计,阅读、审核施工图纸,澄清有关技术问题,熟悉规范和技术标准。
制定施工安全保证措施,提出应急预案。
对施工人员进行技术交底、岗前技术培训。
2.2 外业技术准备根据施工图纸提供的漏缆架设径路进行现场复测,确定图纸所给漏缆长度、径路、防护是否相符。
检查径路上的隧道壁、避车洞、杆路、过轨预留等是否具备敷设条件,确定敷设位置。
3 技术要求3.1 隧道内LCX支架安装要求1.LCX固定件应采用膨胀螺栓方式固定,使用专用卡具安装漏缆;2.采用吊夹固定LCX时,吊夹间距为1m,防火夹间隔10m;3.支架孔的高度应符合设计要求,孔距宜为0.8~1.5m;4.支架孔的直径、孔深应符合设计要求;孔应平直,不得成喇叭状;3.2 隧道内LCX敷设要求1.LCX吊挂应在隧道侧壁,槽口朝向线路侧;2.电力牵引供电区段隧道内LCX吊挂位置应符合设计要求。
当LCX与回流线、接地母线在同侧吊挂时,其距离应不小于0.6m。
与吸上线交越时,LCX外应加套厚0.8mm,长0.5m的聚乙烯塑料护套防护;3.敷设隧道内LCX宜采用机械施工。
当采用人工抬放、展放时人员间隔宜为5-7m,应避免LCX拖地;4.LCX在敷设过程中,严禁急剧弯曲。
LCX最小弯曲半径应大于漏缆外径的20倍。
5.LCX与其他线缆同支架安装时,尽可能避免交叉。
如无法避免时,应将LCX布设在外侧,避免其他线缆阻挡LCX的信号辐射。
3.3 隧道外LCX支柱安装要求1.单独立杆路架设时,支柱之间距离、隧道口及设备房屋处距第一根支柱距离应符合设计要求;承力索与柱顶之间的距离应不大于0.3m;2.预应力混凝土支柱质量应符合相关技术标准的规定,埋设深度、方式应符合标准要求;3.采用支柱安装时,其钢丝承力索宜采用7×Φ2.2mm镀锌钢绞线;4.LCX与接触网同杆架设时,应确认接触网支柱上预留安装LCX的条件。
兰新铁路第二双线甘青段通信工程编号:CRSC-TX-004 漏缆安装施工作业指导书中国铁路通信信号股份有限公司单位: 兰新铁路甘青段系统集成项目经理部编制:审核:批准:年月日发布年月日实施漏泄同轴电缆安装施工作业指导书1 使用范围适用于兰新铁路隧道漏缆敷设施工。
2 作业准备2.1 业内技术准备开工前组织技术人员认真学习实施性施工组织设计,阅读、审核施工图纸,澄清有关技术问题,熟悉规范和技术标准。
制定施工安全保证措施,提出应急预案。
对施工人员进行技术交底、岗前技术培训。
2.2 外业技术准备根据施工图纸提供的漏缆架设径路进行现场复测,确定图纸所给漏缆长度、径路、防护是否相符。
检查径路上的隧道壁、避车洞、杆路、过轨预留等是否具备敷设条件,确定敷设位置。
3 技术要求3.1 隧道内LCX支架安装要求1.LCX固定件应采用膨胀螺栓方式固定,使用专用卡具安装漏缆;2.采用吊夹固定LCX时,吊夹间距为1m,防火夹间隔10m;3.支架孔的高度应符合设计要求,孔距宜为0.8~1.5m;4.支架孔的直径、孔深应符合设计要求;孔应平直,不得成喇叭状;3.2 隧道内LCX敷设要求1.LCX吊挂应在隧道侧壁,槽口朝向线路侧;2.电力牵引供电区段隧道内LCX吊挂位置应符合设计要求。
当LCX与回流线、接地母线在同侧吊挂时,其距离应不小于0.6m。
与吸上线交越时,LCX外应加套厚0.8mm,长0.5m 的聚乙烯塑料护套防护;3.敷设隧道内LCX宜采用机械施工。
当采用人工抬放、展放时人员间隔宜为5-7m,应避免LCX拖地;4.LCX在敷设过程中,严禁急剧弯曲。
LCX最小弯曲半径应大于漏缆外径的20倍。
5.LCX与其他线缆同支架安装时,尽可能避免交叉。
如无法避免时,应将LCX布设在外侧,避免其他线缆阻挡LCX的信号辐射。
3.3 隧道外LCX支柱安装要求1.单独立杆路架设时,支柱之间距离、隧道口及设备房屋处距第一根支柱距离应符合设计要求;承力索与柱顶之间的距离应不大于0.3m;2.预应力混凝土支柱质量应符合相关技术标准的规定,埋设深度、方式应符合标准要求;3.采用支柱安装时,其钢丝承力索宜采用7×Φ2.2mm镀锌钢绞线;4.LCX与接触网同杆架设时,应确认接触网支柱上预留安装LCX的条件。
京沪高速铁路通信系统工程编号:JH/TX 006漏泄同轴电缆敷设、接续施工作业指导书中国铁路通信信号集团公司京沪高速铁路四电系统集成第八工区施工项目部2010 年 6月发布 2010 年 6月实施1适用范围适用于铁路GSM-R通信工程漏泄同轴电缆的敷设、接续施工。
2作业准备2.1 内业技术准备该项施工作业进行前应认真阅读并审核施工图纸,澄清有关技术问题,组织技术人员认真学习实施性施工组织设计,并对相关作业人员进行技术交底,熟悉有关规范及技术标准,制定安全保证措施。
2.2 外业技术准备该项安装作业进行前应收集作业层中所涉及的各种外部技术数据资料,包括漏缆敷设位置的确定等。
3技术要求3.1 单盘漏泄同轴电缆的内外导体直流电阻、绝缘介电强度、绝缘电阻等电气特性应符合设计指标。
3.2 漏缆的交流电气特性主要检查特性阻抗、电压驻波比、标称耦合损耗、传输衰减等指标符合设计要求。
3.3 漏缆在敷设的过程中严禁急剧弯曲,最小弯曲半径应符合相关规定。
3.4 连接器在安装完毕之后应进行质量检查。
3.5 漏泄同轴电缆支撑杆埋设深度应符合铁路行业标准的相关规定。
4施工程序与工艺流程4.1 施工程序施工准备→隧道内吊夹安装→隧道外支撑杆安装→漏缆敷设→漏缆连接器的安装→复测4.2 工艺流程5施工要求5.1 施工准备5.1.1 漏泄同轴电缆进场质量检查按照《单盘泄漏同轴电缆测试作业指导书》的要求对进场漏缆进行质量检查。
5.1.2 根据设计图纸和铁路公里标对以下内容进行复测:(1)隧道外架挂漏泄同轴电缆区段的辅助杆位置、杆距、杆高及漏泄同轴电缆长度;(2)隧道内漏泄同轴电缆架挂位置、长度;(3)区间机房位置、供电方式及供电线路径路。
5.1.3 根据现场调查结果制定隧道内及隧道外漏缆敷设、安装的施工方案,对作业人员进行施工技术交底。
5.2 隧道内吊夹安装5.2.1 画线根据设计规定的安装位置及高度要求,进行画线。
若与回流线距离过近,要保持60cm 的距离。
漏泄同轴电缆施工工法一前言为了解决铁路在山区、弯道、隧道内等弱场强或无场强区段的无线列调通信工程问题,目前采用在这些区段沿铁路线一定距离架设漏缆,安装隧道中继器和中继器天线的方式使无线电信号电波沿漏缆传输并均匀向外漏泄,使这些区段内场强达到一定要求而保证无线列调通信畅通、可靠。
我们公司于1993年承担了某无线列调通信工程连江口至广州段的施工,在无施工规范和技术标准的情况下,我们在施工过程中边学习,边实践,边总结,用较短的时间,质量良好地完成了该段的施工任务。
在完成任务的同时,锻炼了一支技术熟练、工艺精良的施工队伍。
为了更好地指导今后同类工程的施工,我们在总结实践的基础上,编写了400MHz漏泄电缆的施工工法。
期望本工法在今后指导同类工程施工实践的同时,不断地进行补充和完善,以取得更大的经济和社会效益。
二工法特点及适用范围2.1本工法有如下特点:2.1.1漏缆架设前要进行严格的单盘测试及合理的配盘。
2.1.2漏缆须架设在铁路旁距轨道线路中心3~15米范围内,其高度须距轨面4.5~4.8米。
2.1.3漏缆的漏泄槽应朝铁路一侧。
2.1.4漏缆接续按漏缆的型号不同须配用不同的连接器件,为控制电缆的耦合损耗,还须根据不同类型的电缆,确定其连接器的安装位置。
2.2本工法适用于山区、隧道传输信号,整个铁路系统及地下铁路,厂矿等漏泄电缆组成的无线通信系统工程的施工,同时也适用于从事漏缆维修人员进行维修工作。
三工艺原理本工法是无线列调通信系统中的部分设备——漏泄电缆的施工工艺,其原理可从以下三个方面来说明:3.1漏缆既是无线信号电波的传输线,又可视为无线信号的天线。
调度、车站值班员、机车司机互相通话,一般情况下,是靠车站电台通过天线向空间发射信号电波,在铁路沿线的空间产生一定的场强,并通过机车电台的天线耦合接收来实现的。
而在弯道、山区、隧道内无线电波被阻挡、反射、吸收,使得该区段通信困难或无法通信。
漏缆沿铁路架设,通过中继器和中继器天线,将车站电台发射的信号电波接收,经中继器放大加强,沿漏缆传输并均匀向外漏泄信号电波,使这些弱场强和无场强区段的铁路沿线具有一定大小的场强分布,以便在这些区段运行的机车电台能正常接收信号。
大连地铁专用通信系统安装工程编号:CRSC-TX-005 漏泄同轴电缆敷设作业指导书单位:大连地铁专用通信系统安装工程项目经理部编制:_____________________________审核:______________________________批准:______________________________年月日发布年月日实施目录漏泄同轴电缆敷设作业指导书 (1)1. 适用范围 (1)2. 作业准备 (1)2.1 内业技术准备 (1)2.2 外业技术准备 (1)3. 技术要求 (1)4. 施工程序与工艺流程 (2)4.1施工程序 (2)5. 施工要求 (2)5.1施工准备 (2)5.2径路复测 (3)5.3漏缆运输 (3)5.4 隧道内画线 (3)5.5 隧道内钻孔 (4)5.6 隧道内卡具安装 (4)5.7 漏缆敷设 (5)6. 劳动组织 (7)7. 材料要求 (8)8. 设备机具配置 (8)9. 质量控制与检验 (9)9.1质量控制 (9)9.2质量检验 (9)10. 安全及环保要求 (10)10.1 安全要求 (10)10.2 环保要求 (11)漏泄同轴电缆敷设作业指导书1. 适用范围适用于大连地铁专用通信系统安装工程漏泄同轴电缆敷设施工。
2. 作业准备2.1 内业技术准备在开工前组织技术人员认真学习实施性施工组织设计,阅读、审核施工图纸,澄清有关技术问题,熟悉规范和技术标准。
制定施工安全保证措施,提出应急预案。
对施工人员进行技术交底,对参加施工人员进行上岗前技术培训。
2.2 外业技术准备根据施工图纸提供的漏缆敷设径路进行现场复测,确定图纸所给漏缆长度、径路、敷设方式是否相符,并在图纸上做好标记。
检查漏缆径路上的隧道、接触网杆等是否具备敷设条件。
3. 技术要求3.1施工中应整盘敷设,不得任意切断漏缆。
3.2施工中应保证漏缆外护(层)套不得有破损,缆两端头密封性能良好。
3.3漏缆距钢轨面的吊挂高度应为4.5〜4.8m。
作业指导书-漏缆敷设大连地铁专用通信系统安装工程编号:CRSC-TX-005漏泄同轴电缆敷设作业指导书单位:大连地铁专用通信系统安装工程项目经理部编制:审核:批准:年月日发布年月日实施目录漏泄同轴电缆敷设作业指导书 (1)1. 适用范围 (1)2. 作业准备 (1)2.1 内业技术准备 (1)2.2 外业技术准备 (1)3. 技术要求 (1)4. 施工程序与工艺流程 (2)4.1 施工程序 (2)5. 施工要求 (2)5.1 施工准备 (2)5.2 径路复测 (3)5.3 漏缆运输 (3)5.4 隧道内画线 (4)5.5 隧道内钻孔 (4)5.6 隧道内卡具安装 (5)5.7 漏缆敷设 (6)6. 劳动组织 (8)7. 材料要求 (8)8. 设备机具配置 (8)9. 质量控制与检验 (9)9.1 质量控制 (9)9.2 质量检验 (9)10. 安全及环保要求 (11)10.1 安全要求 (11)10.2 环保要求 (11)漏泄同轴电缆敷设作业指导书1. 适用范围适用于大连地铁专用通信系统安装工程漏泄同轴电缆敷设施工。
2. 作业准备2.1 内业技术准备在开工前组织技术人员认真学习实施性施工组织设计,阅读、审核施工图纸,澄清有关技术问题,熟悉规范和技术标准。
制定施工安全保证措施,提出应急预案。
对施工人员进行技术交底,对参加施工人员进行上岗前技术培训。
2.2 外业技术准备根据施工图纸提供的漏缆敷设径路进行现场复测,确定图纸所给漏缆长度、径路、敷设方式是否相符,并在图纸上做好标记。
检查漏缆径路上的隧道、接触网杆等是否具备敷设条件。
3. 技术要求3.1 施工中应整盘敷设,不得任意切断漏缆。
3.2 施工中应保证漏缆外护(层)套不得有破损,缆两端头密封性能良好。
3.3 漏缆距钢轨面的吊挂高度应为4.5~4.8m。
3.4 电气化区段漏缆应在接触网回流线的另侧。
不得已设在同侧时,漏缆与回流线、接地母线的距离不应小于600mm,与牵引供电设备带电部分的距离不得小于2m。
09漏泄同轴电缆工程作业指导书宁西铁路西安至合肥段增建第二线工程(武汉局管段)站后工程NXZH-1标段通信施工作业指导书漏泄同轴电缆工程单位:中铁电气化局集团有限公司宁西铁路增建二线工程NXZH-1项目部编制:审核:批准:年月日发布年月日实施目录1.适用范围 (1)2.作业准备 (1)3.技术要求 (1)4.施工程序与工艺流程 (2)5.施工要求 (3)5.1施工准备 (3)5.2漏泄同轴电缆单盘测试 (4)5.3隧道内漏缆安装 (4)5.4隧道外漏缆安装 (6)5.5漏缆接续 (7)5.6系统调测 (8)6.劳动组织 (10)6.1人员配置 (11)6.2岗位职责 (11)7.材料要求 (12)8.设备机具配置 (12)9.质量控制及检验 (14)9.1质量控制标准 (14)9.2质量检验 (14)10.安全及环保要求 (16)10.1安全要求 (16)10.2文明施工及环境保护措施 (17)漏泄同轴电缆工程施工作业指导书1.适用范围本施工作业指导书适用于新建武汉至咸宁城际铁路四电集成通信专业漏泄同轴电缆工程的施工。
2.作业准备(1)熟悉、审查施工图纸和相关设计资料。
熟悉图纸,要求参加施工的技术人员充分了解和掌握设计意图、结构与构造特点及技术要求。
参与施工图设计会审和设计交底及项目部的安全技术交底。
澄清有关技术问题。
(2)严格技术核定和设计变更的签证制度,如设计图纸修改,技术核定和设计变更资料都要有正式的文字记录,归入工程施工档案。
(3)对拟建工程进行实地勘测和调查。
(4)熟悉相关法律、法规、规范及技术标准。
制定施工安全保证措施,提出应急预案。
对施工人员进行技术交底,对参加施工人员进行上岗前技术培训,考核后持证上岗。
(5)编制工程设备和材料、施工机械及工器具设备以及仪表的需用计划等。
3.技术要求认真贯彻执行《铁路通信施工规范TB 10205-99》、《高速铁路通信工程施工质量验收标准TB 10755-2010》、《铁路通信工程施工技术指南TZ 205-2009》、《铁路通信漏泄同轴电缆TB/T 3201-2008》、《GSM-R数字移动通信网设备技术规范第五部分:中继传输系统(V1.0)》和《铁路GSM-R数字移动通信工程施工质量验收暂行标准铁建设[2007] 163号》等技术规范标准。
城市轨道交通漏泄同轴电缆接续施工工法城市轨道交通漏泄同轴电缆接续施工工法一、前言城市轨道交通作为现代城市的重要交通方式之一,扮演着联系城市的神经系统的角色。
其中,轨道交通的电缆系统起着至关重要的作用,为轨道交通运营提供稳定的电力供应。
然而,在实际运营中,电缆接续工程往往成为一个难点,传统的施工方法要求临时停电、开挖地面,给城市交通带来不便。
为了解决这一问题,城市轨道交通漏泄同轴电缆接续施工工法应运而生。
二、工法特点城市轨道交通漏泄同轴电缆接续施工工法是一种在不停电和不破坏地面的情况下进行电缆接续的施工方法。
其特点如下:1. 不停电施工:该工法能够在城市轨道交通线路正常运营的情况下进行电缆接续,避免了临时停电对交通运营造成的影响。
2. 无需破坏地面:采用无开挖技术,减少对城市道路和轨道交通线路的影响,避免了对市容的破坏。
3.快速施工:该工法施工周期短,能够迅速完成电缆接续工作,缩短了交通运营的中断时间。
4. 施工质量可靠:采取先进的接头材料和技术,确保电缆接续的质量可靠,满足轨道交通的运行要求。
三、适应范围城市轨道交通漏泄同轴电缆接续施工工法适用于城市轨道交通线路的电缆接续工程,尤其适用于其它施工方法无法停电和破坏地面的情况下。
其适应范围包括:1. 地下线路:适用于城市轨道交通地下线路的电缆接续施工,能够在不开挖地面的情况下完成接续。
2. 高架线路:适用于城市轨道交通高架线路的电缆接续施工,能够在线路正常运行的情况下进行接续。
四、工艺原理城市轨道交通漏泄同轴电缆接续施工工法通过采取以下技术措施来实现电缆接续:1. 漏泄原理:利用辐射泄漏,将漏泄电缆与同轴电缆无接触地进行信号传递,避免了对电缆本体的损坏,同时实现电缆接续。
2. 接头技术:采用特殊设计的漏泄电缆接头,能够实现漏泄电缆与同轴电缆的接续,并确保信号传输的质量和稳定性。
3. 负载分配:根据电缆的电气参数和施工要求,合理分配负载,保证接续部分的电力供应。
漏泄同轴电缆的接续施工工艺标准1.施工准备1.1 劳动组织1.2 工机具2.操作程序2.1 工艺流程2.2 操作要点2.2.1 施工准备认真做好装配前的准备工作。
在连接器装配前,使待装的电缆与电缆轴线垂直,然后用蘸有工业酒精的棉纱,对需装接本插座的漏缆相应部位进行清洁处理,并保持操作人员双手的清洁。
2.2.2 电缆开剥(1)漏泄电缆的开剥:剖割电缆悬挂吊索约200mm,割去电缆外护套,外导体,绝缘套管以及螺旋绝缘,露出内导体铜管17mm。
在护套端头倒角2×45°,并从电缆护套端头开始顺缆身割槽长20~50mm,间隔15mm左右。
(2)软电缆的开剥:割去软电缆外护套12mm露出外导体编织层,疏散外导体编织层,割去电缆绝缘套管及螺旋支撑内导体8mm。
(3)在安装中间连接器的电缆开剥时,根据漏缆的开槽半节距p和连接器增加漏缆的长度m,确定漏缆的切断位置使接续后的连接器位于1个半节距的中心位置且保持原开槽位置不变。
如图所示:2.2.3 内导体连接内导体的连接是将连接器的内导体芯子插入电缆内导体同轴管内,用滚压钳均匀地将同轴管压接在带槽的内导体芯子上,在内导体插入前要清除同轴管内表面的氧化层以及同轴管截面的毛刺,并用酒精清洗,从而实现内导体芯与同轴管牢固可靠的连接。
2.2.4 外导体连接连接器与漏泄同轴电缆外导体的连接由连接器的外导体接触套与电缆外导体接触,经过连接器外壳组件安装后对接触套的挤压来实现外导体的连接。
2.2.5 各种软电缆的连接连接器与软电缆的连接,内导体采用焊接,外导体由连接器与软电缆外导体编织网挤压接触来实现。
在施工中可提前予制好各种软电缆,施工现场将予制好的软电缆插接到相应的设备或电缆上即可。
2.2.6 外壳组件安装在外壳组件安装时在电缆密封圈上加涂硅橡胶确保安装连接器后电缆的密封。
2.2.7 调相电缆的截取如图所示调相电缆LX理论上按下列公式截取:L X=λS(n-L/P0)+Λs/λ1[L-(L1+L2)]其中:L X—调相电缆长度P0—八字槽节距L1、L2—漏泄电缆第一槽间距离λS—调相电缆内的波长λ1—漏泄电缆内的波长L—两条漏泄电缆第一个槽间距n—取正整数(控制调相电缆取1—2米之间。
小学生的寄语集锦在生活、工作和学习中,大家或多或少都会用到过寄语吧,寄语是人们用文字表情达意的言语活动。
那么你有真正了解过寄语吗?下面是小编为大家整理的小学生的寄语大全,欢迎大家借鉴与参考,希望对大家有所帮助。
小学生的寄语11、新秋迎新校,新校迎新人,新人迎新生,新生要心愿!愿你在新学期中,继续努力,继续进步,学的好,活得好!2、乘坐欢快的列车,奔向求知的学府。
扛起知识的包裹,来到理想的校园。
唱着开心的歌谣,走进幸福的殿堂。
开学了,勤攀书山苦渡学海,博览知识放飞梦想。
3、世间最可宝贵的就是今天,最易丧失的也是今天;愿你在未来的一年中,无限珍惜这每一个今天。
4、朝霞般美好的理想,在向你们召唤。
你们是一滴一滴的水,全将活跃在祖国的大海里!5、你长着一对翅膀。
坚韧地飞吧,不要为风雨所折服;诚挚地飞吧,不要为香甜的蜜汁所陶醉。
朝着明确的目标,飞向美好的人生。
6、开学了,祝你广纳别人之长,笑迎自己成功;俯首耕耘春花,抬头看见秋黄;百日闻鸡起舞,一朝天下成名。
7、好久不见了,你最近好吗?想听听你温柔的的声音,我存了一肚子的话想告诉你;想看看你快乐的笑容,还想挽着你四处走走,去欣赏美丽的风景;开学了,我们又能在一起了。
8、时光的残忍就是,她只能带你走向未来,却不能够带你回到过去。
9、当夜深人静的时候,望着窗外星星点点的夜空,我感到那里很遥远也很神秘,其实生命就是一场比赛,不努力就会失败;开学了,好好念书,祝你有个好心情!10、虎头虎脑的样子,急匆匆的性子,机机灵灵的小脑瓜子,小伙子除了要有这些特点,也需要踏踏实实地学习,谦谦虚虚地做人。
11、开启求学之门,学会知识;开启兴趣之门,学会方法;开启宽容之门,学会快乐;开启智慧之门,学会适应;开启真诚之门,学会相处。
开学啦,赶紧背上书包,快乐出发吧!12、即使爬到最高的山上,一次也只能脚踏实地地迈一步。
13、向假期挥挥手,说声再见。
风景也游过了,好东西也吃过了,觉也睡够了。
漏泄同轴电缆施工工法一前言为了解决铁路在山区、弯道、隧道内等弱场强或无场强区段的无线列调通信工程问题,目前采用在这些区段沿铁路线一定距离架设漏缆,安装隧道中继器和中继器天线的方式使无线电信号电波沿漏缆传输并均匀向外漏泄,使这些区段内场强达到一定要求而保证无线列调通信畅通、可靠。
我们公司于1993年承担了某无线列调通信工程连江口至广州段的施工,在无施工规范和技术标准的情况下,我们在施工过程中边学习,边实践,边总结,用较短的时间,质量良好地完成了该段的施工任务。
在完成任务的同时,锻炼了一支技术熟练、工艺精良的施工队伍。
为了更好地指导今后同类工程的施工,我们在总结实践的基础上,编写了400MHz漏泄电缆的施工工法。
期望本工法在今后指导同类工程施工实践的同时,不断地进行补充和完善,以取得更大的经济和社会效益。
二工法特点及适用范围2.1本工法有如下特点:2.1.1漏缆架设前要进行严格的单盘测试及合理的配盘。
2.1.2漏缆须架设在铁路旁距轨道线路中心3~15米范围内,其高度须距轨面4.5~4.8米。
2.1.3漏缆的漏泄槽应朝铁路一侧。
2.1.4漏缆接续按漏缆的型号不同须配用不同的连接器件,为控制电缆的耦合损耗,还须根据不同类型的电缆,确定其连接器的安装位置。
2.2本工法适用于山区、隧道传输信号,整个铁路系统及地下铁路,厂矿等漏泄电缆组成的无线通信系统工程的施工,同时也适用于从事漏缆维修人员进行维修工作。
三工艺原理本工法是无线列调通信系统中的部分设备——漏泄电缆的施工工艺,其原理可从以下三个方面来说明:3.1漏缆既是无线信号电波的传输线,又可视为无线信号的天线。
调度、车站值班员、机车司机互相通话,一般情况下,是靠车站电台通过天线向空间发射信号电波,在铁路沿线的空间产生一定的场强,并通过机车电台的天线耦合接收来实现的。
而在弯道、山区、隧道内无线电波被阻挡、反射、吸收,使得该区段通信困难或无法通信。
漏缆沿铁路架设,通过中继器和中继器天线,将车站电台发射的信号电波接收,经中继器放大加强,沿漏缆传输并均匀向外漏泄信号电波,使这些弱场强和无场强区段的铁路沿线具有一定大小的场强分布,以便在这些区段运行的机车电台能正常接收信号。
同样,机车电台发射的信号电波也通过漏缆耦合,传输到中继器放大加强后送到中继器天线发射,被车站电台接收,从而实现调度、车站、机车的通信。
因此,漏缆起到了传输、漏泄(天线)两方面的作用,成为山区、弯道、隧道内等弱场强或无场强区实现无线通信的关键设备之一。
3.2采用分级补偿的原则,从而使列车收到平稳的电平信号,同时与采用单一的漏缆相比,能延长通信距离。
下面举一例说明:3.2.1漏缆特性型号 耦合损耗 传输损耗 149 80 dB/Km 25 dB/Km 148 70 dB/Km 27 dB/Km 147 65 dB/Km 36 dB/Km3.2.2中继段的漏缆配置方法:在电波信号正向传输方向上,漏缆的配置顺序原则是中继段漏缆配置图1耦合损耗由大到小,传输损耗由小到大,以确保机车接收电平的曲线斜率最大限度最小,呈Ⅰ 型 中继器 Ⅱ 型中继器DCXLCX400m 400m 400m 147型 148型 149型 正向传播方向A B C D54 ABCDdB 04008001200 中继段(m )44 34 锯齿波形,也保证了无线信号在整个漏泄系统中的传输。
3.2.3中继区段各点电平计算A 点 134 dB (设定)(标准电平) B 点 134-25×400÷1000=124(dB )C 点 124-27×400÷1000=113.2(dB )D 点 113.2-36×400÷1000=98.8(dB ) 3.2.4机车电台天线在中继段内各点收到的电平计算 A 点 134-80=54 (dB )B 点 124-80(70)=44(54)(dB )C 点 113.2-70(65)=43.2(48.2)(dB )D 点 98.8-65=33.8(dB )机车电台接收电平曲线图2从以上可以看到在中继段内漏缆采用这样的配置,当信号强时用耦合损耗大的漏缆实际收到的信号就弱,当经过一定距离的传输,信号减弱时,用耦合损耗小的漏缆,实际接收到的信号就强,而且正向传输方向漏缆传输损耗由小到大,形成三个阶梯,在B 、C 两点可以看出能量得到补偿,这种分级补偿的办法可保证信号能量尽可能送到远端,而且保证整个中继段内的场强基本一致,因此,用这种方式配置电缆能使电缆达到最大的使用长度。
3.3不同种型号及相同型号漏缆间的接续,须采用相应的连接器件。
如相同型号漏缆接续采用固定连接器件接于槽孔节距中间,保持槽节距一致以获得连续的辐射场强,不同型号漏缆接续时采用L 27Q 型连接器件及调相电缆接于槽节之间,用调相电缆连接进行调相,以消除辐射场强的突跳,还有不同阻抗的电缆接续采用NQ 型连接器件,以得到阻抗匹配的效果等等。
因此,正确使用连接器和按规定的步骤安装是十分重要的。
1 2 3400m 400m 400m LCX-149 LCX-148 LCX-1471200m1 2 3400m 400m 400m LCX-149 LCX-148 LCX-1471200+a(m)am四施工工艺4.1漏缆架设施工工艺4.1.1漏缆架设必须遵照以下原则:架设漏缆的杆路必须按规定的位置即离线路中心3~10米,杆距30米;漏缆的架设必须符合规定的条件,即架设高度离轨面4.5~4.9米,泄漏槽隙朝向铁路一侧。
4.1.2杆路施工:按设计要求及上述原则定位杆位,加固杆路及架设吊索。
4.1.3漏缆配置:4.1.3.1确认电缆的型号并做单盘测试和充气试验。
4.1.3.2根据中继段长度等分配置漏缆。
即将中继段分成三等分配置三种型号的漏缆,若遇有特殊情况无法等分时,可把等分后多余长度增加在传输损耗最小的漏缆中,如下图:4.1.3.3根据中继器正向传输方向顺序配置漏缆,即先配置耦合损耗大的(传输损耗小的)漏缆,最后配置耦合损耗小的(传输损耗大的)漏缆。
中继段正好等分图3 中继段正好等分后有a(m)余量图4 4.1.4漏缆布放及吊挂,漏缆的布放和一般架空电缆相似,但必须注意如下几点:4.1.4.1按配盘表布放及吊挂,吊挂垂度为0.15~0.2米。
4.1.4.2漏缆弯曲半径不小于2米,不能受冲击。
4.1.4.3漏缆吊挂时采用吊挂夹夹住漏缆自承索和吊索,每隔3~5米设一吊挂夹固定。
15米设一防火吊夹。
4.1.4.4漏缆引入中继房或引上天线采用馈缆(SDY-50-9-4),可埋设引入或吊挂引入。
4.1.4.5隧道内吊挂漏缆不在挂吊索,采用吊夹直接夹漏缆自承索吊挂,吊夹间距5米,每15米设一防火吊夹,采用专用膨胀螺丝固定在隧道壁上,距轨面高度为4.5~4.9米。
4.2漏缆连接器件安装工艺(漏缆接续工艺)漏缆连接器件主要有以下三种类型:L 27Q 型连接器,适用于不同型号漏缆间的接续,即调相头和终端负载接头;NQ 型连接器,适用于漏缆与馈缆间的接续,阻抗变换接头;LGQ 型固定连接器变换接头。
4.2.1L 27Q 型连接器的安装工艺 调相接头剖示图L 27Q-K339A 剖示图54.2.1.1L 27Q-K339A 插座安装 1)开剥电缆。
清洁电缆外部,剖去承力索约200mm ,剥去漏缆外护套、外导体、绝缘套管及螺旋绝缘,露出内导体铜管约17mm 。
要求:a.切口与漏缆轴心垂直,外护套端头倒角为2×450,内导体铜管不带毛刺,铜管内壁除氧化膜并将漏缆头部各种金属和非金属碎屑和颗粒清除干净;b.接头必须设在槽距中部。
电缆外护套第一道沟第二道沟 带孔绝缘子 小螺母带接触头外壳蜜封圈 带密封绝缘子外壳组件 带孔绝缘子插孔内导体气门嘴内导体芯子接触套 压环扁螺母 垫圈 密封圈尾螺母2)将连接器插座套在电缆上。
将连接器插座拆开,顺序为尾螺母、垫圈、密封圈、扁螺母、压环。
要求:严格按上述顺序进行,即先套尾螺母,最后套压环。
3)压接内导体芯子。
将内导体芯子插入漏缆内导体孔内,用滚压钳滚压两道槽,第一道槽落在内导体芯子的槽内,第二道槽以滚刀靠紧漏缆切划面为准进行滚压。
要求:滚压时多滚压少进刀,以利内导体铜管逐步变形,第二道槽稍比第一道槽略浅,槽深适中,以使铜管及芯子接触良好、牢固为宜。
4)在漏缆外导体铝皮与绝缘套管间插进接触套。
先把漏缆外护套端头圆周纵向划开,长为20mm,间隔为15mm。
要求:不要将漏缆外导体铝皮弄断或损伤。
5)装上带孔绝缘子,旋进连接器的插孔内导体,务必旋紧,推进压环和扁螺母。
6)套上装有密封绝缘子的外壳组件,将垫圈、密封圈依次推入外壳内,在推入的同时,加涂硅橡胶。
顺序为:首先推进一个垫圈,再涂一层硅橡胶,把第一密封圈小心均匀地推入外壳内;再推第二垫圈、再涂一层硅橡胶,再把第二密封圈推进;再推第三垫圈;旋进尾螺母,并用月牙形扳手把尾螺母旋紧。
7)旋进内导体上的小螺母。
8)装上带有接触头的外壳并旋紧。
9)加盖防尘罩。
10)重复步骤1)至9),完成另一漏缆调相插座的安装。
11)用开路短路法测试连接器的电气特性(方法见附注1)。
Q—75J—186 插头安装工艺。
如图6示:4.2.1.2L271)开剥电缆。
取一段调相电缆(SYKY—75—12),估计长度见附注2,用刀片剥去电缆外护套14~15mm,露出外导体编织层。
2)连接器LQ—75J—186 调相插头拆开,按压紧螺套、橡皮圈、压环、电缆夹的顺序27套在电缆上。
3)松开外导体编织层,露出内导体绝缘层,并在离护套切口20mm处切去绝缘层,露出内导体约12mm ,用锉刀将其端口倒角0.8×450后用细砂纸擦净内导体表面。
4)把套管插入电缆绝缘层与编制层之间。
5)用剪刀修去伸出套管边缘的编制层铜丝,套上小绝缘子。
6)套上外壳,然后对焊接的插孔旋上插针(一般情况下只套上外壳)。
7)把电缆夹推到位,并注意套管弹片的弹力,若无弹力,可稍加调整,使之达到一定强度的弹力。
8)将压环推到电缆夹上,再把橡皮圈推到位。
9)推进压紧螺套并旋紧。
10)加盖防尘罩。
11)重复1)至10)步骤,完成本段电缆另一调相插头的安装。
12)用开路短路法测量安装好的插头的绝缘和接触是否良好。
4.2.1.3插头插座组合将安装好的插头、插座的座芯对准,把连接螺丝旋紧即可。
如图7(一端),另一端相同。
4.2.1.4检查安装质量。
采用开路短路法测量整个接头的绝缘和接触是否良好(同法检查另一端)。
4.2.1.5防护。
采用自粘胶带将接头的金属部分密绕包扎一层后,用聚乙烯塑料带密绕包扎一层(同法调相电缆 外护套外导体 电缆绝缘质 套管插孔扁螺母绝缘垫杆针小绝缘子 电缆夹压环橡皮圈 压紧螺套内导体外壳图六2L 27Q —75J —186 插头调相电缆外护套外导体 电缆绝缘质套管插孔 电缆夹压环橡皮圈 压紧螺套 内导体漏泄电缆电缆外护套 外导体 内导体第一道沟 第二道沟带孔绝缘子小螺母带接触头外壳 蜜封圈带密封绝缘子外壳组件 带孔绝缘子 插孔内导体 气门嘴 芯子 接触套 扁螺母 垫圈 密封圈 尾螺母 防护另一端)。